A Novel RPWN Selective Harmonic Elimination Method for Single-Phase Inverter
Abstract
1. Introduction
2. Strategy of Selective Harmonic Elimination in RPWM
3. Strategy for Novel RPWM Selective Harmonic Elimination
3.1. Calculation for Switching Cycle
3.2. Random Number k and Its Corresponding Extreme Value of Switching Frequency
3.3. Calculation Process for Selective Harmonic Cancellation
4. Simulation and Experiment
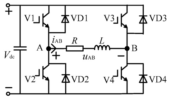
4.1. Parameters of System
4.2. Results and Analysis
5. Conclusions
Author Contributions
Funding
Acknowledgments
Conflicts of Interest
References
- Gamoudi, R.; Chariag, D.E.; Sbita, L. A review of spread-spectrum-based PWM techniques—A novel fast digital implementation. IEEE Trans. Power Electron. 2018, 33, 10292–10307. [Google Scholar] [CrossRef]
- Bhattacharya, S.; Mascarella, D.; Joos, G.; Moschopoulos, G. Reduced switching random PWM technique for two-level inverters. In Proceedings of the 2015 IEEE Energy Conversion Congress and Exposition (ECCE), Montreal, QC, Canada, 20–24 September 2015; pp. 695–702. [Google Scholar]
- Agelidis, V.G.; Vincenti, D. Optimum non-deterministic pulse-width modulation for three-phase inverters. In Proceedings of the IECON ‘93-19th Annual Conference of IEEE Industrial Electronics, Maui, HI, USA, 15–19 November 1993; pp. 1234–1239. [Google Scholar]
- Huang, Y.; Xu, Y.; Zhang, W.; Zou, J. Hybrid RPWM Technique Based on Modified SVPWM to Reduce the PWM Acoustic Noise. IEEE Trans. Power Electron. 2019, 34, 5667–5674. [Google Scholar] [CrossRef]
- Paramasivan, M.; Paulraj, M.M.; Balasubramanian, S. Assorted carrier-variable frequency-random PWM scheme for voltage source inverter. IET Power Electron. 2017, 10, 1993–2001. [Google Scholar] [CrossRef]
- Liu, Y.; Wang, Q.; Zhao, J. Dual Randomized PWM Based on Vector Control System. Proc. CSEE 2010, 30, 98–102. [Google Scholar]
- Trzynadlowski, A.M. Power spectra of a PWM inverter with randomized pulse position. IEEE Power Electron. Spec. Conf. 1993, 9, 1041–1047. [Google Scholar] [CrossRef]
- Oh, S.; Jung, Y.; Lim, Y. A two-phase dual-zero vector RCD-PWM (DZRCD) technique. In Proceedings of the 30th Annual Conference of the IEEE Industrial Electronics Society, Busan, Korea, 2–6 November 2004. [Google Scholar]
- Jadeja, R.; Ved, A.; Chauhan, S. An investigation on the performance of random pwm controlled converters. Eng. Technol. Appl. Sci. Res. 2015, 5, 86–876. [Google Scholar]
- Shyu, J.L.; Liang, T.J.; Chen, J.F. Digitally-controlled PWM inverter modulated by multi-random technique with fixed switching frequency. IEE Proc. Electr. Power Appl. 2001, 148, 62–68. [Google Scholar] [CrossRef]
- Mathe, L.; Lungeanu, F.; Sera, D.; Rasmussen, P.O.; Pedersen, J.K. Spread spectrum modulation by using asymmetric-carrier random PWM. IEEE Trans. Ind. Electron. 2012, 59, 3710–3718. [Google Scholar] [CrossRef]
- Mathe, L.; Lungeanu, F.; Rasmussen, P.O.; Pedersen, J.K. Asymmetric carrier random PWM. In Proceedings of the 2010 IEEE International Symposium on Industrial Electronics, Bari, Italy, 4–7 July 2010; pp. 1218–1223. [Google Scholar]
- Shiny, G.; Baiju, M.R. A space vector based pulse width modulation scheme for a 5-level induction motor drive. In Proceedings of the IEEE 9th International Conference on Power Electronics and Drive Systems (PEDS), Singapore, 5–8 December 2011. [Google Scholar]
- Perez-Basante, A.; Ceballos, S.; Konstantinou, G.; Pou, J.; Kortabarria, I.; de Alegría, I.M. A universal formulation for multilevel selective- harmonic-eliminated PWM with half-wave symmetry. IEEE Trans. Power Electron. 2019, 34, 943–957. [Google Scholar] [CrossRef]
- Haghdar, K. Optimal DC source influence on selective harmonic elimination in multilevel inverters using teaching–learning-based optimization. IEEE Trans. Power Electron. 2020, 67, 942–949. [Google Scholar] [CrossRef]
- Pedersen, J.K.; Blaabjerg, F.; Frederiksen, P. Reduction of acoustic noise emission in AC-machines by intelligent distributed random modulation. In Proceedings of the 1993 Fifth European Conference on Power Electronics and Applications, Brighton, UK, 13–16 September 1993. [Google Scholar]
- Wang, Z.; Chau, K.; Cheng, M. A chaotic PWM motor drive for electric propulsion. In Proceedings of the 2008 IEEE Vehicle Power and Propulsion Conference, Harbin, China, 3–5 September 2008. [Google Scholar]
- Kang, B.J.; Liaw, C.M. Random hysteresis PWM inverter with robust spectrum shaping. IEEE Trans. Aerosp. Electron. Syst. 2001, 37, 619–629. [Google Scholar] [CrossRef]
- Heping, L.; Qing, L.; Wei, Z.; Yiru, M.; Ping, L. Random PWM technique for acoustic noise and vibration reduction in induction motors used by electric vehicles. Trans. China Electro Tech. Soc. 2019, 34, 1488–1495. [Google Scholar]
- Chai, J.Y.; Lin, Y.W.; Liaw, C.M. Comparative study of switching controls in vibration and acoustic noise reductions for switched reluctance motor. IEE Proc. Electr. Power Appl. 2006, 153, 348–360. [Google Scholar] [CrossRef]
- Kirlin, R.L.; Lascu, C.; Trzynadlowski, A.M. Shaping the noise spectrum in power electronic converters. IEEE Trans. Ind. Electron. 2011, 58, 2780–2788. [Google Scholar] [CrossRef]
- Peyghambari, A.; Dastfan, A.; Ahmadyfard, A. Selective voltage noise cancellation in three-phase inverter using random SVPWM. IEEE Trans. Power Electron. 2016, 31, 4604–4610. [Google Scholar] [CrossRef]












| Parameter | Value | Parameter | Value |
|---|---|---|---|
| f0(kHZ) | 7 and 9 | R(Ω) | 5 |
| Fmax(kHZ) | 8 | L(mH) | 5 |
| fmin(kHZ) | 1.5 | DC-link voltage(V) | 24 |
© 2020 by the authors. Licensee MDPI, Basel, Switzerland. This article is an open access article distributed under the terms and conditions of the Creative Commons Attribution (CC BY) license (http://creativecommons.org/licenses/by/4.0/).
Share and Cite
Li, G.; Liu, C.; Fu, Z.; Wang, Y. A Novel RPWN Selective Harmonic Elimination Method for Single-Phase Inverter. Electronics 2020, 9, 489. https://doi.org/10.3390/electronics9030489
Li G, Liu C, Fu Z, Wang Y. A Novel RPWN Selective Harmonic Elimination Method for Single-Phase Inverter. Electronics. 2020; 9(3):489. https://doi.org/10.3390/electronics9030489
Chicago/Turabian StyleLi, Guohua, Chunwu Liu, Zhenfang Fu, and Yufeng Wang. 2020. "A Novel RPWN Selective Harmonic Elimination Method for Single-Phase Inverter" Electronics 9, no. 3: 489. https://doi.org/10.3390/electronics9030489
APA StyleLi, G., Liu, C., Fu, Z., & Wang, Y. (2020). A Novel RPWN Selective Harmonic Elimination Method for Single-Phase Inverter. Electronics, 9(3), 489. https://doi.org/10.3390/electronics9030489

