Prototyping of an All-pMOS-Based Cross-Coupled Voltage Multiplier in Single-Well CMOS Technology for Energy Harvesting Utilizing a Gastric Acid Battery
Abstract
1. Introduction
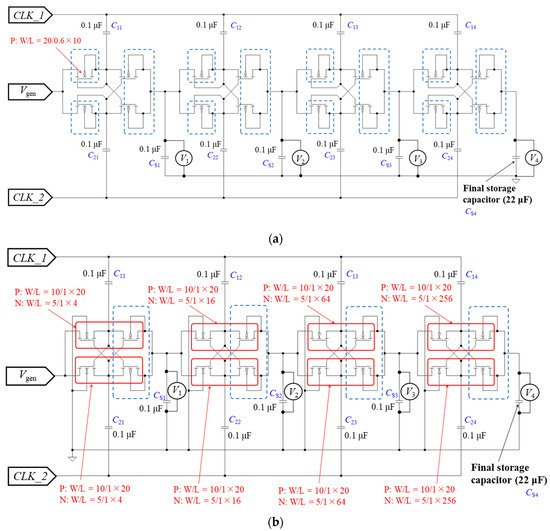
2. Fabrication of the CCVM Circuits in a Custom IC
3. Results and Discussion
3.1. Evaluation of the Voltage-Boosting Performance of the CCVMs
3.2. Characterization of the Ring Oscillator Circuit
3.3. Demonstration of the Voltage Boosting with the Mg–Pt Gastric Acid Battery and CCVMs
4. Conclusions
Author Contributions
Funding
Acknowledgments
Conflicts of Interest
References
- Kalantar-Zadeh, K.; Ha, N.; Ou, J.Z.; Berean, K.J. Ingestible sensors. ACS Sensors 2017, 2, 468–483. [Google Scholar] [CrossRef] [PubMed]
- Steiger, C.; Abramson, A.; Nadeau, P.; Chandrakasan, A.P.; Langer, R.; Traverso, G. Ingestible electronics for diagnostics and therapy. Nat. Rev. Mater. 2019, 4, 83–98. [Google Scholar] [CrossRef]
- Bettinger, C.J. Advances in materials and structures for ingestible electromechanical medical devices. Angew. Chem. Int. Ed. 2018, 57, 16946–16958. [Google Scholar] [CrossRef] [PubMed]
- Roxane, B.; Chandrou, K.O.; Alexandre, C.P.; Christophe, C.; Bruno, S.; Stéphane, B.; Hervé, N.; Sébastien, M.; Nicolas, B. Gastrointestinal thermal homogeneity and effect of cold water ingestion. J. Therm. Biol. 2018, 78, 204–208. [Google Scholar] [CrossRef] [PubMed]
- Hoffmann, M.E.; Rodriguez, S.M.; Zeiss, D.M.; Wachsberg, K.N.; Kushner, R.F.; Landsberg, L.; Linsenmeier, R.A. 24-h core temperature in obese and lean men and women. Obesity 2012, 20, 1585–1590. [Google Scholar] [CrossRef] [PubMed]
- Koziolek, M.; Grimm, M.; Becker, D.; Iordanov, V.; Zou, H.; Shimizu, J.; Wanke, C.; Garbacz, G.; Weitschies, W. Investigation of pH and temperature profiles in the GI tract of fasted human subjects using the Intellicap® system. J. Pharm. Sci. 2015, 104, 2855–2863. [Google Scholar] [CrossRef] [PubMed]
- Kalantar-Zadeh, K.; Berean, K.J.; Ha, N.; Chrimes, A.F.; Xu, K.; Grando, D.; Ou, J.Z.; Pillai, N.; Campbell, J.L.; Brkljača, R.; et al. A human pilot trial of ingestible electronic capsules capable of sensing different gases in the gut. Nat. Electron. 2018, 1, 79–87. [Google Scholar]
- Bongers, C.C.W.G.; Hopman, M.T.E.; Eijsvogels, T.M.H. Validity and reliability of the myTemp ingestible temperature capsule. J. Sci. Med. Sport 2018, 21, 322–326. [Google Scholar] [CrossRef] [PubMed]
- Nadeau, P.; El-Damak, D.; Glettig, D.; Kong, Y.L.; Mo, S.; Cleveland, C.; Booth, L.; Roxhed, N.; Langer, R.; Chandrakasan, A.P.; et al. Prolonged energy harvesting for ingestible devices. Nat. Biomed. Eng. 2017, 1, 0022. [Google Scholar] [CrossRef] [PubMed]
- Hafezi, H.; Robertson, T.L.; Moon, G.D.; Au-Yeung, K.Y.; Zdeblick, M.J.; Savage, G.M. An ingestible sensor for measuring medication adherence. IEEE Trans. Biomed. Eng. 2015, 62, 99–109. [Google Scholar]
- Flores, G.P.; Carnes, T.C.; Baumgartner, S.L.; Buffkin, D.E.; Euliano, N.R.; Smith, L.N. Performance, reliability, usability, and safety of the id-cap system for ingestion event monitoring in healthy volunteers: A pilot study. Innov. Clin. Neurosci. 2016, 13, 12–19. [Google Scholar] [PubMed]
- Yoshida, S.; Miyaguchi, H.; Nakamura, T. Development of tablet-shaped ingestible core-body thermometer powered by gastric acid battery. IEEE Sens. J. 2018, 18, 9755–9762. [Google Scholar]
- Yoshida, S.; Miyaguchi, H.; Nakamura, T. Concept proof of low-energy consumption and compact ingestible thermometer based on gastric acid power generation. IEEJ Trans. Sensors Micromach. 2018, 138, 164–169. [Google Scholar] [CrossRef]
- Peng, H.; Tang, N.; Yang, Y.; Heo, D. CMOS startup charge pump with body bias and backward control for energy harvesting step-up converters. IEEE Trans. Circuits Syst. I Regul. Pap. 2014, 61, 1618–1628. [Google Scholar] [CrossRef]
- Pelliconi, R.; Iezzi, D.; Baroni, A.; Pasotti, M.; Rolandi, P.L. Power efficient charge pump in deep submicron standard CMOS technology. IEEE J. Solid-State Circuits 2003, 38, 1068–1071. [Google Scholar] [CrossRef]
- Yan, N.; Min, H. High efficiency all-PMOS charge pump for low-voltage operations. Electron. Lett. 2006, 42, 277–279. [Google Scholar]
- Li, N.; Huang, Z.; Jiang, M.; Inoue, Y. High efficiency four-phase all PMOS charge pump without body effects. In Proceedings of the 2008 International Conference on Communication Circuits Systems, Xiamen, China, 25–27 May 2008; pp. 1083–1087. [Google Scholar]
- Liu, J.; Bazzini, A.; Gregori, S. Fully-integrated PMOS-based charge pumps in standard CMOS process without high-voltage switches. In Proceedings of the 2012 25th IEEE Canadian Conference on Electrical and Computer Engineering (CCECE), Montreal, QC, Canada, 29 April–2 May 2012; pp. 1–4. [Google Scholar]
- Lee, J.C.; Chung, Y. PMOS-switching dual-path charge pump in standard twin-well CMOS technology. Int. J. Electron. 2010, 97, 273–283. [Google Scholar] [CrossRef]
- Lauterbach, C.; Weber, W.; Römer, D. Charge sharing concept and new clocking scheme for power efficiency and electromagnetic emission improvement of boosted charge pumps. IEEE J. Solid-State Circuits 2000, 35, 719–723. [Google Scholar] [CrossRef]
- Jiang, X.; Yu, X.; Moez, K.; Elliott, D.G.; Chen, J. High-efficiency charge pumps for low-power on-chip applications. IEEE Trans. Circuits Syst. I Regul. Pap. 2018, 65, 1143–1153. [Google Scholar] [CrossRef]
- Yoshida, S.; Miyaguchi, H.; Nakamura, T. Proof of Concept for Tablet-Shaped Ingestible Core-Body Thermometer with Gastric Acid Battery. In Proceedings of the 2019 IEEE 1st Global Conference on Life Sciences and Technologies (LifeTech 2019), Osaka, Japan, 12–14 March 2019; pp. 182–184. [Google Scholar]













© 2019 by the authors. Licensee MDPI, Basel, Switzerland. This article is an open access article distributed under the terms and conditions of the Creative Commons Attribution (CC BY) license (http://creativecommons.org/licenses/by/4.0/).
Share and Cite
Yoshida, S.; Miyaguchi, H.; Nakamura, T. Prototyping of an All-pMOS-Based Cross-Coupled Voltage Multiplier in Single-Well CMOS Technology for Energy Harvesting Utilizing a Gastric Acid Battery. Electronics 2019, 8, 804. https://doi.org/10.3390/electronics8070804
Yoshida S, Miyaguchi H, Nakamura T. Prototyping of an All-pMOS-Based Cross-Coupled Voltage Multiplier in Single-Well CMOS Technology for Energy Harvesting Utilizing a Gastric Acid Battery. Electronics. 2019; 8(7):804. https://doi.org/10.3390/electronics8070804
Chicago/Turabian StyleYoshida, Shinya, Hiroshi Miyaguchi, and Tsutomu Nakamura. 2019. "Prototyping of an All-pMOS-Based Cross-Coupled Voltage Multiplier in Single-Well CMOS Technology for Energy Harvesting Utilizing a Gastric Acid Battery" Electronics 8, no. 7: 804. https://doi.org/10.3390/electronics8070804
APA StyleYoshida, S., Miyaguchi, H., & Nakamura, T. (2019). Prototyping of an All-pMOS-Based Cross-Coupled Voltage Multiplier in Single-Well CMOS Technology for Energy Harvesting Utilizing a Gastric Acid Battery. Electronics, 8(7), 804. https://doi.org/10.3390/electronics8070804

