A New Rail-to-Rail Second Generation Voltage Conveyor
Abstract
:1. Introduction
2. VCII Short Review
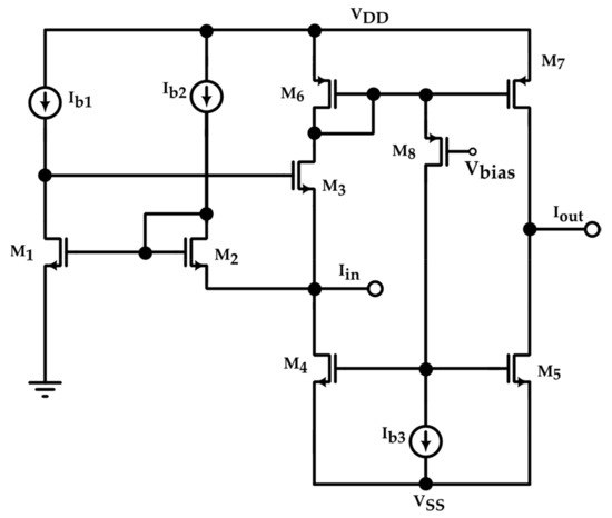
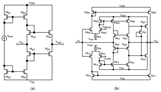
3. The Proposed RtR VCII
4. Simulation Results
5. Conclusions
Author Contributions
Funding
Conflicts of Interest
References
- Smith, K.; Sedra, A. The current conveyor—A new circuit building block. Proc. IEEE 1968, 56, 1368–1369. [Google Scholar] [CrossRef]
- Grigorescu, L. Amplifier built with current conveyors. Rom. J. Phys. 2008, 53, 109–113. [Google Scholar]
- Mohan, P.; Papazoglou, C.; Karybakus, C. Comments on “A transformation to obtain CCII-based adjoint of op-amp based circuits” [with reply]. IEEE Trans. Circuits Syst. II Analog Digit. Signal Process. 2000, 47, 233. [Google Scholar] [CrossRef]
- Celma, S.; Martinez, P.; Sabadell, J. A transformation method for equivalent infinite-gain op amp to unity-gain CCII networks. IEEE Trans. Circuits Syst. I Fundam. Theory Appl. 1996, 43, 61–63. [Google Scholar] [CrossRef]
- Ferri, G.; Parente, F.; Stornelli, V.; Barile, G.; Pantoli, L. Automatic Bridge-based Interface for Differential Capacitive Full Sensing. Procedia Eng. 2016, 168, 1585–1588. [Google Scholar] [CrossRef]
- Hwang, H.; Lee, H.; Han, M.; Kim, H.; Chae, Y. A 1.8-V 6.9-mW 120-fps 50-Channel Capacitive Touch Readout with Current Conveyor AFE and Current-Driven Delta Sigma ADC. IEEE J. Solid-State Circuits 2018, 53, 204–218. [Google Scholar] [CrossRef]
- Palumbo, G.; Pennisi, S. A high-performance CMOS CCII. Int. J. Circuit Theory Appl. 2001, 29, 331–336. [Google Scholar] [CrossRef]
- Fabre, A.; Alami, M. A precise macromodel for second generation current conveyors. IEEE Trans. Circuits Syst. I Fundam. Theory Appl. 1997, 44, 639–642. [Google Scholar] [CrossRef]
- Stornelli, V.; Ferri, G.; Pantoli, L.; Barile, G.; Pennisi, S. A rail-to-rail constant-g m CCII for Instrumentation Amplifier applications. AEU-Int. J. Electron. Commun. 2018, 91, 103–109. [Google Scholar] [CrossRef]
- Bhargave, G.; Sheokand, P.; Kaur, J. A New Low Voltage and Low Power Filter Using DTMOS-CCII. In Proceedings of the 2015 IEEE Second International Conference on Advances in Computing and Communication Engineering, Dehradun, India, 1–2 May 2015; pp. 17–20. [Google Scholar] [CrossRef]
- Nunez, J.; Tlelo, E.; Ramirez, C.; Jimenez, J. CCII+ Based on QFGMOS for Implementing Chua s Chaotic Oscillator. IEEE Latin Am. Trans. 2015, 13, 2865–2870. [Google Scholar] [CrossRef]
- Svoboda, J. Current conveyors, operational amplifiers and nullors. IEE Proc. G Circuits Devices Syst. 1989, 136, 317. [Google Scholar] [CrossRef]
- Filanovsky, I. Current conveyor, voltage conveyor, gyrator. In Proceedings of the 44th IEEE 2001 Midwest Symposium on Circuits and Systems. MWSCAS 2001, Dayton, OH, USA, 14–17 August 2001; pp. 314–317. [Google Scholar] [CrossRef]
- Safari, L.; Barile, G.; Stornelli, V.; Ferri, G. An Overview on the Second Generation Voltage Conveyor: Features, Design and Applications. IEEE Trans. Circuits Syst. II Express Briefs 2019, 66, 547–551. [Google Scholar] [CrossRef]
- Barile, G.; Leoni, A.; Pantoli, L.; Safari, L.; Stornelli, V. A New VCII Based Low-Power Low-Voltage Front-end for Silicon Photomultipliers. In Proceedings of the 2018 3rd International Conference on Smart and Sustainable Technologies (SpliTech), Split, Croatia, 26–29 June 2018. [Google Scholar]
- Barile, G.; Ferri, G.; Safari, L.; Stornelli, V. A New High Drive Class-AB FVF Based Second Generation Voltage Conveyor. IEEE Trans. Circuits Syst. II: Express Briefs 2019. [Google Scholar] [CrossRef]
- Koton, J.; Herencsár, N.; Vrba, K. KHN-equivalent voltage-mode filters using universal voltage conveyors. AEU-Int. J. Electron. Commun. 2011, 65, 154–160. [Google Scholar] [CrossRef]
- Pantoli, L.; Barile, G.; Leoni, A.; Muttillo, M.; Stornelli, V. A Novel Electronic Interface for Micromachined Si-Based Photomultipliers. Micromachines 2018, 9, 507. [Google Scholar] [CrossRef] [PubMed]
- Čajka, J.; Vrba, K. The Voltage Conveyor May Have in Fact Found its Way into Circuit Theory. AEU-Int. J. Electron. Commun. 2004, 58, 244–248. [Google Scholar] [CrossRef]
- Safari, L.; Barile, G.; Ferri, G.; Stornelli, V. High performance voltage output filter realizations using second generation voltage conveyor. Int. J. RF Microw. Comput.-Aided Eng. 2018, 28, e21534. [Google Scholar] [CrossRef]
- Pantoli, L.; Muttillo, M.; Stornelli, L.; Ferri, G.; Gabriele, T. A Low Cost Flexible Power Line Communication System. Lect. Notes Electr. Eng. 2017, 413–420. [Google Scholar] [CrossRef]
- Orsetti, C.; Muttillo, M.; Parente, F.; Pantoli, L.; Stornelli, V.; Ferri, G. Reliable and Inexpensive Solar Irradiance Measurement System Design. Procedia Eng. 2016, 168, 1767–1770. [Google Scholar] [CrossRef]
- Wongfoo, S.; Naklo, W.; Suadet, A.; Kasemsuwan, V. A Simple Rail-to-Rail CMOS Voltage Follower. In Proceedings of the TENCON 2006–2006 IEEE Region 10 Conference, Hong Kong, China, 14–17 November 2006. [Google Scholar] [CrossRef]
- Balasubramanian, S.; Ismail, M. Rail-to-rail input stages: A voltage-mode design technique and a figure-of-merit. In Proceedings of the 8th IEEE International NEWCAS Conference 2010, Montreal, QC, Canada, 20–23 June 2010. [Google Scholar] [CrossRef]
- UVC-N1C 0520 Datasheet; ON Semi & Brno UoT. 2010. Available online: http://www.utko.feec.vutbr.cz/~herencsar/UVC_N1C_0520.pdf (accessed on 26 October 2019).












| Transistor | Dimensions (W, L) |
| M1, M2, M8 | 1.8 µm, 0.3 µm |
| M3 | 2.4 µm, 0.3 µm |
| M4, M5, MH7 | 30 µm, 0.3 µm |
| M6, M7, ML7 | 60 µm, 0.3 µm |
| MH1, MH2 | 7.2 µm, 0.3 µm |
| MH3, MH4, MH5, MH6 | 3.6 µm, 0.3 µm |
| ML1, ML2 | 14.4 µm, 0.3 µm |
| ML3, ML4, ML5, ML6 | 2.85 µm, 0.9 µm |
| Mp1, Mp2 | 8.75 µm, 0.75 µm |
| Mn1, Mn2 | 2.85 µm, 0.75 µm |
| Mp3 | 4.5 µm, 0.75 µm |
| Mn3 | 1.35 µm, 0.75 µm |
| Mb | 0.3 µm, 0.6 µm |
| Parameter | Value |
| Ib1, Ib2, Ib3, Ib4, Ib5 | 5 µA |
| VHIGH | 300 mV |
| VLOW | −350 mV |
| Vbias | −300 mV |
| C1, C2 | 250 fF |
| Parameter | This Work | [14] | [16] | [17,25] | [15,18] |
|---|---|---|---|---|---|
| Technology | LFoundry 0.15 µm | AMS 0.35 µm | AMS 0.35 µm | TSMC 0.35 µm | AMS 0.35 µm |
| Supply voltage | ±0.9 V | ±1.65 V | ±1.65 V | ±1.65 V | ±1.65 V |
| Impedance at X node | 522 kΩ (@100 MHz) | 1.2 MΩ | 370 kΩ | 240 kΩ | 802 kΩ |
| Impedance at Y node | 23 Ω (@100 MHz) | 6.7 Ω | 2 mΩ | 650 mΩ | 49 mΩ |
| Impedance at Z node | 160 Ω (@100 MHz) | 0.7 Ω | 2 mΩ | 1.4 Ω | 79 mΩ |
| α | −0.24 dB (@100 kHz) | −0.03 dB | −0.07 dB | 0.32 dB | −0.04 dB |
| β | −0.03 dB (@100 kHz) | −0.1 dB | −0.115 dB | −0.04 dB | |
| α bandwidth | 55 MHz (1 pF load at Z) | 217 MHz (unloaded) | 220 MHz (unloaded) | 74 MHz | 340 MHz (unloaded) |
| β bandwidth | 165 MHz | 200 MHz | 22.4 MHz | 64 MHz | 14 MHz |
| VZ THD | 2.4% (−32.4 dB) (VX = 1.6 Vpp; @1 MHz; 10 harm) | 0.068% (−63 dB) (VX = 1 Vpp; @1 MHz; 10 harm) | 2.48% (VX = 1 Vpp; @1 MHz; 10 harm) | 2.7% (VX = 1 Vpp) | N.A. |
| IX THD | 1.1% (−39 dB) (IY = 1 mApp; @1 MHz; 10 harm) | 0.1% (−59 dB) (IY = 20 µApp; @1 MHz; 10 harm) | 3.36% (IY = 1 mApp; @1 MHz; 10 harm) | N.A. | N.A. |
| Static Power Cons. | 120 µW | 330 µW | 320 μW | ≅5 mW | 700 μW |
| figure of merit (FOM) | 85 | 330 | 320 | 4950 | 874 |
© 2019 by the authors. Licensee MDPI, Basel, Switzerland. This article is an open access article distributed under the terms and conditions of the Creative Commons Attribution (CC BY) license (http://creativecommons.org/licenses/by/4.0/).
Share and Cite
Barile, G.; Stornelli, V.; Ferri, G.; Safari, L.; D’Amico, E. A New Rail-to-Rail Second Generation Voltage Conveyor. Electronics 2019, 8, 1292. https://doi.org/10.3390/electronics8111292
Barile G, Stornelli V, Ferri G, Safari L, D’Amico E. A New Rail-to-Rail Second Generation Voltage Conveyor. Electronics. 2019; 8(11):1292. https://doi.org/10.3390/electronics8111292
Chicago/Turabian StyleBarile, Gianluca, Vincenzo Stornelli, Giuseppe Ferri, Leila Safari, and Emanuele D’Amico. 2019. "A New Rail-to-Rail Second Generation Voltage Conveyor" Electronics 8, no. 11: 1292. https://doi.org/10.3390/electronics8111292
APA StyleBarile, G., Stornelli, V., Ferri, G., Safari, L., & D’Amico, E. (2019). A New Rail-to-Rail Second Generation Voltage Conveyor. Electronics, 8(11), 1292. https://doi.org/10.3390/electronics8111292

