Fully Integrated Low-Ripple Switched-Capacitor DC–DC Converter with Parallel Low-Dropout Regulator
Abstract
:1. Introduction
2. Principles of SC DC–DC Converters
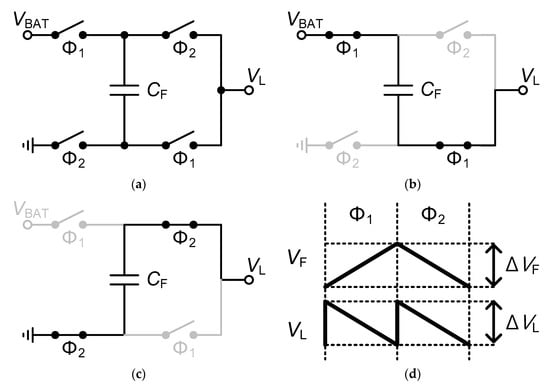
2.1. Operation of the 2:1 Step-Down SC DC–DC Converter
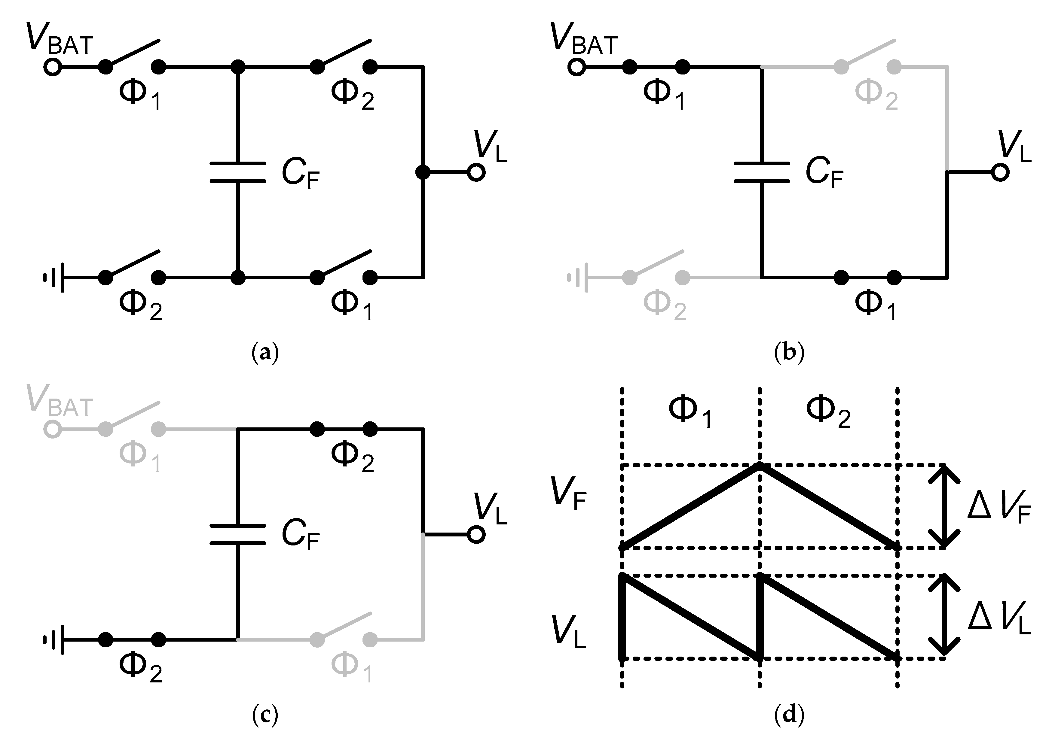
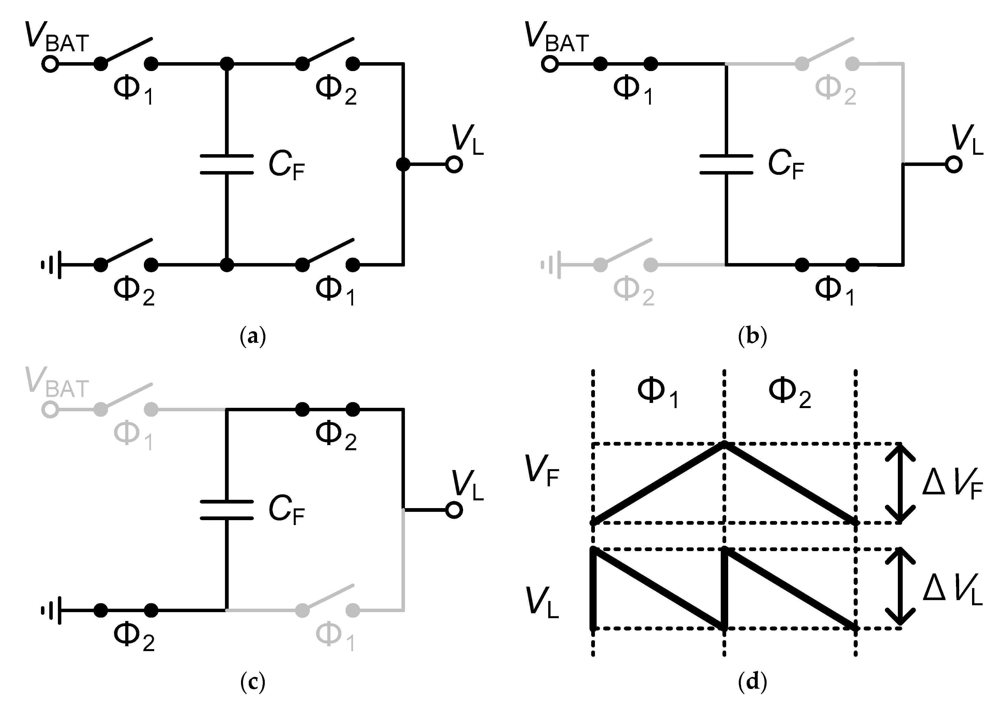
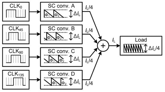
2.2. Multiphase Interleaved SC DC–DC Converter for Low Switching Ripple
2.3. Output Voltage Regulation
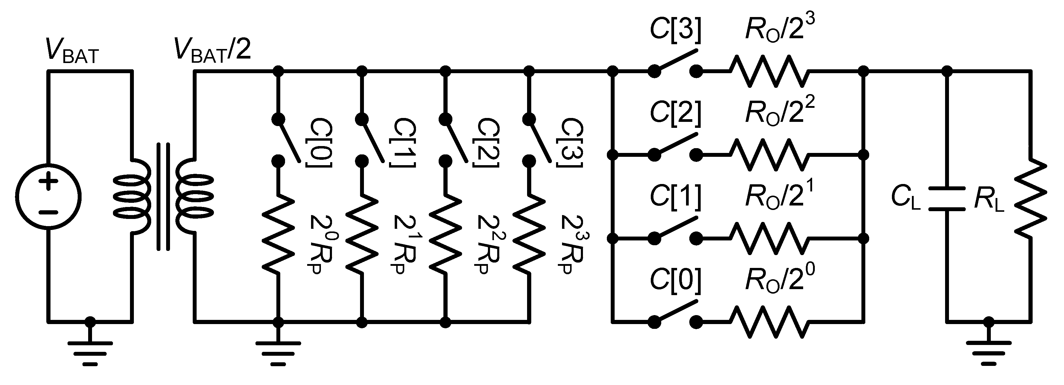
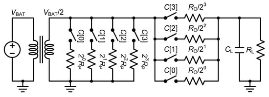
2.4. DCpM Control
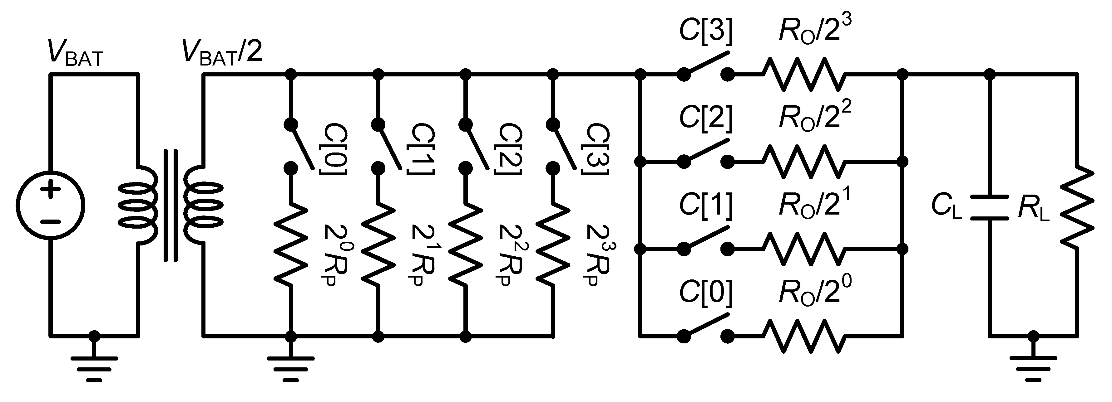
3. Proposed Low-Ripple SC DC–DC Converter
4. Results and Discussion
5. Conclusions
Author Contributions
Funding
Acknowledgments
Conflicts of Interest
References
- Su, W.; Wu, Z.; Fang, Y.; Bahr, R.; Raj, P.M.; Tummala, R.; Tentzeris, M.M. 3d printed wearable flexible SIW and microfluidics sensors for internet of things and smart health applications. In Proceedings of the 2017 IEEE MTT-S International Microwave Symposium (IMS), Honololu, HI, USA, 4–9 June 2017; pp. 544–547. [Google Scholar]
- Bang, S.; Blaauw, D.; Sylvester, D. A Successive-Approximation Switched-Capacitor DC–DC Converter With Resolution of VIN/2N for a Wide Range of Input and Output Voltages. IEEE J. Solid-State Circuits 2016, 51, 543–556. [Google Scholar]
- Saif, H.; Lee, Y.; Lee, H.; Kim, M.; Khan, M.; Chun, J.H.; Lee, Y. A Wide Load Current and Voltage Range Switched Capacitor DC–DC Converter with Load Dependent Configurability for Dynamic Voltage Implementation in Miniature Sensors. Energies 2018, 11, 3092. [Google Scholar] [CrossRef]
- Pei, C.; Booth, R.; Ho, H.; Kusaba, N.; Li, X.; Brodsky, M.; Iyer, S. A novel, low-cost deep trench decoupling capacitor for high-performance, low-power bulk CMOS applications. In Proceedings of the 2008 9th International Conference on Solid-State and Integrated-Circuit Technology, Beijing, China, 20–23 October 2008; pp. 1146–1149. [Google Scholar]
- Kudva, S.S.; Harjani, R. Fully-integrated on-chip DC-DC converter with a 450X output range. IEEE J. Solid-State Circuits 2011, 46, 1940–1951. [Google Scholar] [CrossRef]
- Ahsanuzzaman, S.M.; Prodić, A.; Johns, D.A. An integrated high-density power management solution for portable applications based on a multioutput switched-capacitor circuit. IEEE Trans. Power Electron. 2016, 31, 4305–4323. [Google Scholar] [CrossRef]
- Zimmer, B.; Lee, Y.; Puggelli, A.; Kwak, J.; Jevtić, R.; Keller, B.; Bailey, S.; Blagojević, M.; Chiu, P.F.; Le, H.P.; et al. A RISC-V vector processor with simultaneous-switching switched-capacitor DC–DC converters in 28 nm FDSOI. IEEE J. Solid-State Circuits 2016, 51, 930–942. [Google Scholar]
- Sung, E.T.; Park, S.; Baek, D. A Fast-Transient Output Capacitor-Less Low-Dropout Regulator Using Active-Feedback and Current-Reuse Feedforward Compensation. Energies 2018, 11, 688. [Google Scholar] [CrossRef]
- Lu, Y.; Jiang, J.; Ki, W.H. Design Considerations of Distributed and Centralized Switched-Capacitor Converters for Power Supply On-Chip. IEEE J. Emerg. Sel. Top. Power Electron. 2018, 6, 515–525. [Google Scholar] [CrossRef]
- Dini, M.; Romani, A.; Filippi, M.; Tartagni, M. A nanocurrent power management IC for low-voltage energy harvesting sources. IEEE Trans. Power Electron. 2016, 31, 4292–4304. [Google Scholar] [CrossRef]
- Avalur, K.K.G.; Azeemuddin, S. A 6–18 V hybrid power management IC with adaptive dropout for improved system efficiency up to 150 °C. IEEE J. Emerg. Sel. Top. Power Electron. 2018, 6, 477–484. [Google Scholar] [CrossRef]
- Wibben, J.; Harjani, R. A high-efficiency DC–DC converter using 2 nH integrated inductors. IEEE J. Solid-State Circuits 2008, 43, 844–854. [Google Scholar] [CrossRef]
- Li, Q.; Dong, Y.; Lee, F.C.; Gilham, D.J. High-density low-profile coupled inductor design for integrated point-of-load converters. IEEE Trans. Power Electron. 2013, 28, 547–554. [Google Scholar] [CrossRef]
- Chang, L.; Montoye, R.K.; Ji, B.L.; Weger, A.J.; Stawiasz, K.G.; Dennard, R.H. A fully-integrated switched-capacitor 2∶1 voltage converter with regulation capability and 90% efficiency at 2.3 A/mm2. In Proceedings of the 2010 Symposium on VLSI Circuits, Honolulu, HI, USA, 16–18 June 2010; pp. 55–56. [Google Scholar]
- Ramadass, Y.K.; Fayed, A.A.; Chandrakasan, A.P. A fully-integrated switched-capacitor step-down DC-DC converter with digital capacitance modulation in 45 nm CMOS. IEEE J. Solid-State Circuits 2010, 45, 2557–2565. [Google Scholar] [CrossRef]
- Lee, H.; Mok, P.K. An SC voltage doubler with pseudo-continuous output regulation using a three-stage switchable opamp. IEEE J. Solid-State Circuits 2007, 42, 1216–1229. [Google Scholar] [CrossRef]
- Calhoun, B.H.; Chandrakasan, A.P. Ultra-dynamic voltage scaling (UDVS) using sub-threshold operation and local voltage dithering. IEEE J. Solid-State Circuits 2006, 41, 238–245. [Google Scholar] [CrossRef]
- Sanders, S.R.; Alon, E.; Le, H.P.; Seeman, M.D.; John, M.; Ng, V.W. The road to fully integrated DC–DC conversion via the switched-capacitor approach. IEEE Trans. Power Electron. 2013, 28, 4146–4155. [Google Scholar] [CrossRef]
- Le, H.P.; Sanders, S.R.; Alon, E. Design techniques for fully integrated switched-capacitor DC-DC converters. IEEE J. Solid-State Circuits 2011, 46, 2120–2131. [Google Scholar] [CrossRef]
- Shenoy, P.S.; Amaro, M.; Morroni, J.; Freeman, D. Comparison of a buck converter and a series capacitor buck converter for high-frequency, high-conversion-ratio voltage regulators. IEEE Trans. Power Electron. 2016, 31, 7006–7015. [Google Scholar] [CrossRef]
- Jain, R.; Kim, S.T.; Vaidya, V.; Ravichandran, K.; Tschanz, J.W.; De, V. Conductance modulation techniques in switched-capacitor DC-DC converter for maximum-efficiency tracking and ripple mitigation in 22 nm tri-gate CMOS. IEEE J. Solid-State Circuits 2015, 50, 1809–1819. [Google Scholar] [CrossRef]
- Kudva, S.S.; Harjani, R. Fully Integrated Capacitive DC–DC Converter with All-Digital Ripple Mitigation Technique. IEEE J. Solid-State Circuits 2013, 48, 1910–1920. [Google Scholar] [CrossRef]
- Jeon, H.; Kim, K.K.; Kim, Y.B. Fully Integrated on-Chip Switched DC–DC Converter for Battery-Powered Mixed-Signal SoCs. Symmetry 2017, 9, 18. [Google Scholar] [CrossRef]
- Seeman, M.D.; Sanders, S.R. Analysis and optimization of switched-capacitor DC–DC converters. IEEE Trans. Power Electron. 2008, 23, 841–851. [Google Scholar] [CrossRef]
- Butzen, N.; Steyaert, M.S. Scalable parasitic charge redistribution: Design of high-efficiency fully integrated switched-capacitor DC–DC converters. IEEE J. Solid-State Circuits 2016, 51, 2843–2853. [Google Scholar] [CrossRef]
- Van Breussegem, T.; Steyaert, M. A 82% efficiency 0.5% ripple 16-phase fully integrated capacitive voltage doubler. In Proceedings of the 2009 Symposium on VLSI Circuits, Kyoto, Japan, 16–18 June 2009; pp. 198–199. [Google Scholar]
- Yoo, A.; Chang, M.; Trescases, O.; Wang, H.; Ng, W.T. FOM (Figure of Merit) Analysis for Low Voltage Power MOSFETs in DC-DC Converter. Proc. IEEE Conf. Electron Devices Solid-State Circuits 2007, 1039–1042. [Google Scholar]
- Lisboa, P.C.; Pérez-Nicoli, P.; Veirano, F.; Silveira, F. General top/bottom-plate charge recycling technique for integrated switched capacitor DC-DC converters. IEEE Trans. Circuits Syst. I 2016, 63, 470–481. [Google Scholar] [CrossRef]



















| Characteristic | [15] | [22] | [26] | [28] | This Work |
|---|---|---|---|---|---|
| Technology (nm) | 45 | 130 | 130 | 130 | 130 |
| Input voltage (V) | 1.8 | 1.8 | 1–1.2 | 1.2 | 3.3 |
| Output voltage (V) | 0.8–1 | 0.3–0.55 | 1.8–2.1 | 0.2–1.1 | 1.2–1.5 |
| Maximum load current (mA) | 10 | 55 | 2.61 | 2.53 | 53 |
| Power density (mW/mm2) | 50 | 24.5 | 0.67 | 7.56 | 31.2 |
| Flying capacitance (pF) | 534 | - | 400 | 840 | 2176 |
| Load capacitance (pF) | 700 | 5000 | 400 | 764 | 1000 |
| Ripple (mV) | <50 | <50 | <10 | 30 @IL = 30 μA | 8–55 |
| Peak efficiency (%) | 69 | 70 | 82 | 80.6 | 73 |
| Switching frequency (MHz) | 30 | 100 | 20 | 5 | 40 |
| Figure of merit, Equation (6) | 9.5 | 2.2 | 14 | 3.25 | 24.1 |
| Active area (mm2) | 0.16 | 0.97 | 2.25 | 0.291 | 2.04 |
© 2019 by the authors. Licensee MDPI, Basel, Switzerland. This article is an open access article distributed under the terms and conditions of the Creative Commons Attribution (CC BY) license (http://creativecommons.org/licenses/by/4.0/).
Share and Cite
Lee, J.-Y.; Kim, G.-S.; Oh, K.-I.; Baek, D. Fully Integrated Low-Ripple Switched-Capacitor DC–DC Converter with Parallel Low-Dropout Regulator. Electronics 2019, 8, 98. https://doi.org/10.3390/electronics8010098
Lee J-Y, Kim G-S, Oh K-I, Baek D. Fully Integrated Low-Ripple Switched-Capacitor DC–DC Converter with Parallel Low-Dropout Regulator. Electronics. 2019; 8(1):98. https://doi.org/10.3390/electronics8010098
Chicago/Turabian StyleLee, Jeong-Yun, Gwang-Sub Kim, Kwang-Il Oh, and Donghyun Baek. 2019. "Fully Integrated Low-Ripple Switched-Capacitor DC–DC Converter with Parallel Low-Dropout Regulator" Electronics 8, no. 1: 98. https://doi.org/10.3390/electronics8010098
APA StyleLee, J.-Y., Kim, G.-S., Oh, K.-I., & Baek, D. (2019). Fully Integrated Low-Ripple Switched-Capacitor DC–DC Converter with Parallel Low-Dropout Regulator. Electronics, 8(1), 98. https://doi.org/10.3390/electronics8010098

