Optimization of CMOS Decoders Using Three-Transistor Logic
Abstract
1. Introduction
2. Proposed Circuits
2.1. Three-Transistor Logic (3TL)
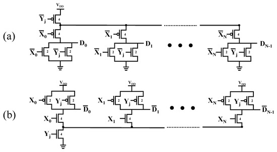
2.2. Design of CMOS Decoders with 3TL
3. Comparative Evaluation
3.1. Examined Circuits
3.2. Simulation Setup
3.3. Results and Discussion
4. Conclusions and Future Prospects
Author Contributions
Funding
Data Availability Statement
Conflicts of Interest
References
- Mano, M.M.; Ciletti, M. Digital Design: With an Introduction to the Verilog HDL; Pearson: London, UK, 2013. [Google Scholar]
- Weste, N.; Harris, D. CMOS VLSI Design: A Circuits and Systems Perspective; Addison-Wesley Publishing Company: Reading, MA, USA, 2010. [Google Scholar]
- Agostinelli, M.; Alioto, M.; Esseni, D.; Selmi, L. Leakage–delay tradeoff in FinFET logic circuits: A comparative analysis with bulk technology. IEEE Trans. Very Large Scale Integr. (VLSI) Syst. 2009, 18, 232–245. [Google Scholar] [CrossRef]
- Balobas, D. Design of High-Performance and Energy-Efficient CMOS Address Decoders. Ph.D. Thesis, Aristotle University of Thessaloniki, Thessaloniki, Greece, 2023. [Google Scholar]
- Wu, X.W. Theory of transmission switches and its application to design of CMOS digital circuits. Int. J. Circuit Theory Appl. 1992, 20, 349–356. [Google Scholar] [CrossRef]
- Marković, D.; Nikolić, B.; Oklobdžija, V. A general method in synthesis of pass-transistor circuits. Microelectron. J. 2000, 31, 991–998. [Google Scholar] [CrossRef]
- Balobas, D.; Konofaos, N. Design of Low-Power High-Performance 2–4 and 4–16 Mixed-Logic Line Decoders. IEEE Trans. Circuits Syst. II Express Briefs 2017, 64, 176–180. [Google Scholar] [CrossRef]
- Balobas, D.; Konofaos, N. Design and Simulation of Mixed Logic 2-to-4 Line Decoders at 32 nm CMOS technology. In Proceedings of the 2016 6th Micro&Nano Conference on Micro–Nanoelectronics, Nanotechnologies and MEMs, Zvenigorod, Russia, 3–7 October 2016. [Google Scholar]
- Harris, D.M.; Wei, N.; Wang, Z.; Fikes, A.; Thaker, A. Evaluation of predictive technology models. Microelectron. J. 2018, 80, 7–17. [Google Scholar] [CrossRef]
- Sutherland, I.; Sproull, R.F.; Sproull, B.; Harris, D. Logical Effort: Designing Fast CMOS Circuits; Morgan Kaufmann: Burlington, MA, USA, 1999. [Google Scholar]
- Turi, M.A.; Delgado-Frias, J.G. High-performance low-power AND and sense-amp address decoders with selective precharging. In Proceedings of the 2008 IEEE International Symposium on Circuits and Systems, Seattle, WA, USA, 18–21 May 2008; IEEE: New York, NY, USA, 2008; pp. 1464–1467. [Google Scholar]
- Brzozowski, I.; Zachara, Ł.; Kos, A. Universal Design Method of n-to-2n decoders. In Proceedings of the 20th International Conference Mixed Design of Integrated Circuits and Systems-MIXDES 2013, Gdynia, Poland, 20–22 June 2013; IEEE: New York, NY, USA, 2013; pp. 279–284. [Google Scholar]
- Brzozowski, I.; Dziurdzia, P.; Kos, A. Design and analysis of multi-level n-to-2 n decoders in CMOS technology. In Proceedings of the 2014 International Conference on Signals and Electronic Systems (ICSES), Poznan, Poland, 11–13 September 2014; IEEE: New York, NY, USA, 2014; pp. 1–4. [Google Scholar]
- Mishra, A.K.; Acharya, D.P.; Patra, P.K. Novel design technique of address Decoder for SRAM. In Proceedings of the 2014 IEEE International Conference on Advanced Communications, Control and Computing Technologies, Ramanathapuram, India, 8–10 May 2014; IEEE: New York, NY, USA, 2014; pp. 1032–1035. [Google Scholar]
- Bhanushali, K.; Davis, W.R. FreePDK15: An open-source predictive process design kit for 15nm FinFET technology. In Proceedings of the 2015 Symposium on International Symposium on Physical Design, Monterey, CA, USA, 29 March–1 April 2015; pp. 165–170. [Google Scholar]
- Sinha, S.; Yeric, G.; Chandra, V.; Cline, B.; Cao, Y. Exploring sub-20nm FinFET design with predictive technology models. In Proceedings of the DAC Design Automation Conference 2012, San Francisco, CA, USA, 3–7 June 2012; IEEE: New York, NY, USA, 2012; pp. 283–288. [Google Scholar]
- FreePDK15|NC State EDA. Available online: https://eda.ncsu.edu/freepdk15/ (accessed on 23 February 2025).
- Narendra, S.; De, V.; Antoniadis, D.; Chandrakasan, A.; Borkar, S. Scaling of stack effect and its application for leakage reduction. In Proceedings of the 2001 International Symposium on Low Power Electronics and Design, Huntington Beach, CA, USA, 6–7 August 2001; pp. 195–200. [Google Scholar]










| Decoder | 2 × 4 | 3 × 8 | 4 × 16 | 5 × 32 | 6 × 64 | 7 × 128 | 8 × 256 |
|---|---|---|---|---|---|---|---|
| 3TL | 18 | 46 | 88 | 164 | 292 | 526 | 960 |
| SCMOS | 24 | 60 | 112 | 212 | 376 | 684 | 1248 |
| buf-3TL | 26 | 62 | 120 | 228 | 420 | 782 | 1472 |
| buf-SCMOS | 32 | 76 | 144 | 276 | 504 | 940 | 1760 |
| AND-SCMOS | 32 | 84 | 160 | 308 | 552 | 1012 | 1856 |
| Decoder | 2 × 4 | 3 × 8 | 4 × 16 | 5 × 32 | 6 × 64 | 7 × 128 | 8 × 256 |
|---|---|---|---|---|---|---|---|
| 3TL | 13.4 | 26.4 | 38.5 | 55.2 | 75.5 | 98.7 | 129.7 |
| SCMOS | 15.5 | 31.6 | 47.3 | 69.7 | 98.8 | 130.6 | 180.3 |
| buf-3TL | 15.9 | 30.0 | 43.6 | 62.8 | 89.3 | 122.2 | 173.6 |
| buf-SCMOS | 18.5 | 36.0 | 52.7 | 77.5 | 111.8 | 153.1 | 223.0 |
| AND-SCMOS | 18.5 | 39.5 | 58.7 | 89.5 | 128.3 | 173.1 | 248.2 |
| Decoder | 2 × 4 | 3 × 8 | 4 × 16 | 5 × 32 | 6 × 64 | 7 × 128 | 8 × 256 |
|---|---|---|---|---|---|---|---|
| 3TL | 1.2 | 2.3 | 3.6 | 6.3 | 8.9 | 12.5 | 16.1 |
| SCMOS | 1.3 | 2.8 | 4.7 | 7.8 | 11.8 | 18.3 | 28.2 |
| buf-3TL | 1.4 | 3.5 | 6.1 | 10.5 | 17.6 | 30.8 | 54.9 |
| buf-SCMOS | 1.7 | 3.8 | 6.7 | 11.9 | 20.5 | 36.3 | 65.3 |
| AND-SCMOS | 1.7 | 4.2 | 7.5 | 13.6 | 23.1 | 40.4 | 71.0 |
| Decoder | 2 × 4 | 3 × 8 | 4 × 16 | 5 × 32 | 6 × 64 | 7 × 128 | 8 × 256 |
|---|---|---|---|---|---|---|---|
| 3TL | 5.0 | 7.6 | 8.4 | 10.9 | 13.2 | 14.7 | 17.4 |
| SCMOS | 6.7 | 8.5 | 9.9 | 11.8 | 14.1 | 16.7 | 19.5 |
| buf-3TL | 6.3 | 8.8 | 9.4 | 11.9 | 14.1 | 16.0 | 18.5 |
| buf-SCMOS | 7.8 | 9.8 | 11.1 | 12.9 | 15.2 | 17.7 | 20.3 |
| AND-SCMOS | 7.8 | 10.9 | 12.2 | 15.2 | 17.7 | 20.5 | 23.5 |
Disclaimer/Publisher’s Note: The statements, opinions and data contained in all publications are solely those of the individual author(s) and contributor(s) and not of MDPI and/or the editor(s). MDPI and/or the editor(s) disclaim responsibility for any injury to people or property resulting from any ideas, methods, instructions or products referred to in the content. |
© 2025 by the authors. Licensee MDPI, Basel, Switzerland. This article is an open access article distributed under the terms and conditions of the Creative Commons Attribution (CC BY) license (https://creativecommons.org/licenses/by/4.0/).
Share and Cite
Balobas, D.; Konofaos, N. Optimization of CMOS Decoders Using Three-Transistor Logic. Electronics 2025, 14, 914. https://doi.org/10.3390/electronics14050914
Balobas D, Konofaos N. Optimization of CMOS Decoders Using Three-Transistor Logic. Electronics. 2025; 14(5):914. https://doi.org/10.3390/electronics14050914
Chicago/Turabian StyleBalobas, Dimitrios, and Nikos Konofaos. 2025. "Optimization of CMOS Decoders Using Three-Transistor Logic" Electronics 14, no. 5: 914. https://doi.org/10.3390/electronics14050914
APA StyleBalobas, D., & Konofaos, N. (2025). Optimization of CMOS Decoders Using Three-Transistor Logic. Electronics, 14(5), 914. https://doi.org/10.3390/electronics14050914

