A 100 MHz 3 dB Bandwidth, 30 V Rail-to-Rail Class-AB Buffer Amplifier for Base Station ET-PA Hybrid Supply Modulator
Abstract
1. Introduction
2. HSM for Base Station PA
2.1. HSM Output Power Requirement
2.2. HSM Topology
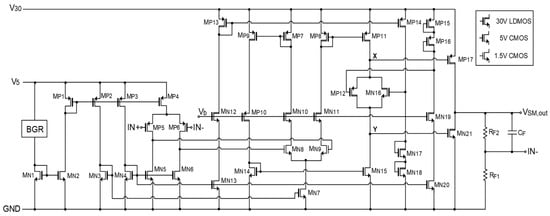
2.3. Linear Amplifier Design
2.3.1. LA Power Efficiency
2.3.2. Shielding MOSFETs
2.3.3. Frequency Response of LA
2.3.4. Slew Rate of LA
3. Simulation Results
4. Conclusions
Author Contributions
Funding
Data Availability Statement
Conflicts of Interest
References
- Paek, J.-S. Analysis and Design of Low-Noise Radio-Frequency Power Amplifier Supply Modulator for Frequency Division Duplex Cellular Systems. Electronics 2024, 13, 4635. [Google Scholar] [CrossRef]
- Paek, J.-S. n77 Radio Frequency Power Amplifier Module for 5G New-Radio High-Power User Equipment Mobile Handset Applications. Electronics 2024, 13, 908. [Google Scholar] [CrossRef]
- Liu, X.; Jiang, J.; Huang, C.; Mok, P.K.T. Design Techniques for High-Efficiency Envelope-Tracking Supply Modulator for 5th Generation Communication. IEEE Trans. Circuits Syst. II Exp. Briefs 2022, 69, 2586–2591. [Google Scholar] [CrossRef]
- Zhang, K.; Wu, J.; Zhuang, H.; Shi, Z.; Lyu, X.; Wang, Z.; Chen, H.; Yu, F. A Wideband Hybrid Envelope Tracking Supply Modulator with Slew-Rate-Enhanced Linear Amplifier. Electronics 2024, 13, 2701. [Google Scholar] [CrossRef]
- He, H.; Kang, Y.; Ge, T.; Guo, L.; Chang, J.S. A 2.5-W 40-MHz-Bandwidth Hybrid Supply Modulator with 91% Peak Efficiency, 3-V Output Swing, and 4-mV Output Ripple at 3.6-V Supply. IEEE Trans. Power Electron. 2019, 34, 712–723. [Google Scholar] [CrossRef]
- Xu, P.; Xia, Y.; Wang, Z.; Yang, J.; Guo, L.; Wang, Y.; Li, Y.; Wu, Y. A 2.7 W AC-coupled hybrid supply modulator achieving 200 MHz envelope-tracking bandwidth for 5G new radio power amplifier. In Proceedings of the IEEE Asian Solid-State Circuits Conference (A-SSCC), Busan, Republic of Korea, 8–10 November 2021; pp. 1–3. [Google Scholar]
- Mahmoudidaryan, P.; Mandal, D.; Bakkaloglu, B.; Kiaei, S. Wideband Hybrid Envelope Tracking Modulator with Hysteretic-Controlled Three-Level Switching Converter and Slew-Rate Enhanced Linear Amplifier. IEEE J. Solid-State Circuits 2019, 54, 3336–3347. [Google Scholar] [CrossRef]
- Kim, J.; Park, J.; Moon, J.; Woo, J.; Lee, B. Highly Efficient RF Transmitter over Broad Average Power Range Using Multilevel Envelope-Tracking Power Amplifier. IEEE Trans. Circuits Syst. I Regul. Pap. 2015, 62, 1648–1657. [Google Scholar] [CrossRef]
- Oh, H.; Kim, D.; Park, S.; Kim, J.; Lee, H. Hybrid ET Supply Modulator IC with an Adaptive Quiescent Current Controller for Its Linear Amplifier. In Proceedings of the 2021 IEEE MTT-S International Microwave Symposium (IMS), Atlanta, GA, USA, 7–10 June 2021; pp. 649–652. [Google Scholar]
- Tan, M.; Ki, W.-H. An Efficiency-Enhanced Hybrid Supply Modulator with Single-Capacitor Current-Integration Control. IEEE J. Solid-State Circuits 2016, 51, 533–542. [Google Scholar]
- Shrestha, R.; van der Zee, R.; de Graauw, A.; Nauta, B. A Wideband Supply Modulator for 20 MHz RF Bandwidth Polar PAs in 65 nm CMOS. IEEE J. Solid-State Circuits 2009, 44, 1272–1280. [Google Scholar] [CrossRef]
- Wu, P.Y.; Mok, P.K.T. A Two-Phase Switching Hybrid Supply Modulator for RF Power Amplifiers With 9% Efficiency Improvement. IEEE J. Solid-State Circuits 2010, 45, 2543–2556. [Google Scholar] [CrossRef]
- Chen, Z.; Xu, P.; Yang, S.; Yan, J.; Luo, Z.; Ki, W.H. An Open Loop Digitally Controlled Hybrid Supply Modulator Achieving High Efficiency for Envelope Tracking with Baseband up to 200 MHz. IEEE Trans. Circuits Syst. I Regul. Pap. 2020, 67, 4142–4153. [Google Scholar] [CrossRef]
- Lin, Y.-C.; Chen, Y.-J.E. A CMOS Envelope Tracking Supply Converter for RF Power Amplifiers of 5G NR Mobile Terminals. IEEE Trans. Power Electron. 2021, 36, 6814–6823. [Google Scholar] [CrossRef]
- Xiao, M.; Zhang, W. A Design and Implementation of High-Efficiency Asymmetric Doherty Radio Frequency Power Amplifier for 5G Base Station Applications. Electronics 2025, 14, 1586. [Google Scholar] [CrossRef]
- Wang, F.; Wang, H. A High-Power Broadband Multi-Primary DAT-Based Doherty Power Amplifier for mm-Wave 5G Applications. IEEE J. Solid-State Circuits 2021, 56, 1668–1681. [Google Scholar] [CrossRef]
- Qorvo. TGA2307-SM Datasheet. Available online: https://www.qorvo.com/products/d/da003980 (accessed on 19 May 2025).
- Bhardwaj, S.; Moallemi, S.; Kitchen, J. A Review of Hybrid Supply Modulators in CMOS Technologies for Envelope Tracking PAs. IEEE Trans. Power Electron. 2023, 38, 6036–6062. [Google Scholar] [CrossRef]
- Baker, R.J. CMOS: Circuit Design, Layout, and Simulation, 3rd ed.; Wiley-IEEE Press: Hoboken, NJ, USA, 2010; pp. 703–704. [Google Scholar]
- Kim, D.; Kang, D.; Kim, J.; Cho, Y.; Kim, B. Wideband Envelope Tracking Power Amplifier for LTE Application. In Proceedings of the 2012 IEEE Radio Frequency Integrated Circuits Symposium (RFIC), Montreal, QC, Canada, 17–19 June 2012; pp. 275–278. [Google Scholar]
- Mahmoudidaryan, P.; Mandal, D.; Bakkaloglu, B.; Kiaei, S. 27.5 A 91%-Efficiency Envelope-Tracking Modulator Using Hysteresis-Controlled Three-Level Switching Regulator and Slew-Rate-Enhanced Linear Amplifier for LTE-80MHz Applications. In Proceedings of the 2019 IEEE International Solid-State Circuits Conference (ISSCC), San Francisco, CA, USA, 17–21 February 2019; pp. 428–430. [Google Scholar]
- Zhang, M.; Wang, X.; Liu, H.; Qi, X.; Li, X.; Wang, S. Class-AB Operational Amplifier with Current Domain Slew-Rate Enhancement. In Proceedings of the 2022 IEEE 5th International Conference on Electronics Technology (ICET), Chengdu, China, 13–16 May 2022; pp. 142–146. [Google Scholar]
- Yang, K.; Leng, Y.; Chen, C.; Qiu, X.; Cui, X.; Xu, B.; Hui, M. Three-Level Hybrid Envelope Tracking Supply Modulator with High-Bandwidth Wide-Output-Swing. Appl. Sci. 2022, 12, 11352. [Google Scholar] [CrossRef]














| Spec | QPA4501 | TGA2307-SM | BLM9D2327-26BZ | BLM10D3438-35AB |
|---|---|---|---|---|
| Supply Voltage (V) | 28 | 28 | 28 | 26 |
| Saturated Power (dBm) | 43.5 | 47 | 45 | 45.5 |
| Power Efficiency (%) | 38 | 44.4 | 41.1 | 41 |
| PA Type | GaN | GaN | LDMOS | LDMOS |
| Reference | [4] | [21] | [23] | This Work |
|---|---|---|---|---|
| Process | 180 nm CMOS | 65 nm CMOS | 180 nm CMOS | 130 nm BCD |
| Application | UE | UE | UE | Base station |
| Supply voltage (V) | - | 2.4 | 5 | 5 and 30 |
| PA model | 5//100 pF | 4.7 | 6 | 8//200 pF |
| SM output voltage range (V) | Max: 6 | - | 0.3 to 4.6 | 6 to 28 |
| Slew rate of LA (V/) | −1857/+1239 | −307/+325 | - | +1003/−852 |
| Efficiency (%) | 87.4 | 91 | 85 | 83 |
| Signal bandwidth (Hz) | 100 M | 80 M | 100 M | 50 M |
| Protocol | 5G NR | LTE | 5G NR | 5G NR |
Disclaimer/Publisher’s Note: The statements, opinions and data contained in all publications are solely those of the individual author(s) and contributor(s) and not of MDPI and/or the editor(s). MDPI and/or the editor(s) disclaim responsibility for any injury to people or property resulting from any ideas, methods, instructions or products referred to in the content. |
© 2025 by the authors. Licensee MDPI, Basel, Switzerland. This article is an open access article distributed under the terms and conditions of the Creative Commons Attribution (CC BY) license (https://creativecommons.org/licenses/by/4.0/).
Share and Cite
Kim, M.-J.; Kang, D.; Choi, G.; Youn, S.-J.; Paek, J.-S. A 100 MHz 3 dB Bandwidth, 30 V Rail-to-Rail Class-AB Buffer Amplifier for Base Station ET-PA Hybrid Supply Modulator. Electronics 2025, 14, 3036. https://doi.org/10.3390/electronics14153036
Kim M-J, Kang D, Choi G, Youn S-J, Paek J-S. A 100 MHz 3 dB Bandwidth, 30 V Rail-to-Rail Class-AB Buffer Amplifier for Base Station ET-PA Hybrid Supply Modulator. Electronics. 2025; 14(15):3036. https://doi.org/10.3390/electronics14153036
Chicago/Turabian StyleKim, Min-Ju, Donghwi Kang, Gyujin Choi, Seong-Jun Youn, and Ji-Seon Paek. 2025. "A 100 MHz 3 dB Bandwidth, 30 V Rail-to-Rail Class-AB Buffer Amplifier for Base Station ET-PA Hybrid Supply Modulator" Electronics 14, no. 15: 3036. https://doi.org/10.3390/electronics14153036
APA StyleKim, M.-J., Kang, D., Choi, G., Youn, S.-J., & Paek, J.-S. (2025). A 100 MHz 3 dB Bandwidth, 30 V Rail-to-Rail Class-AB Buffer Amplifier for Base Station ET-PA Hybrid Supply Modulator. Electronics, 14(15), 3036. https://doi.org/10.3390/electronics14153036

