Multi-Path Precharge for GaN Flying-Capacitor-Multi-Level Totem-Pole PFC
Abstract
1. Introduction
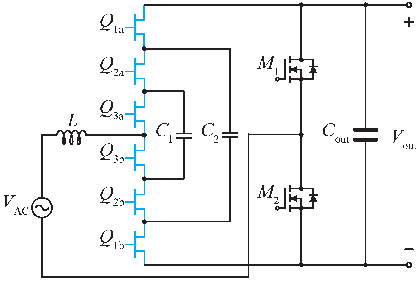
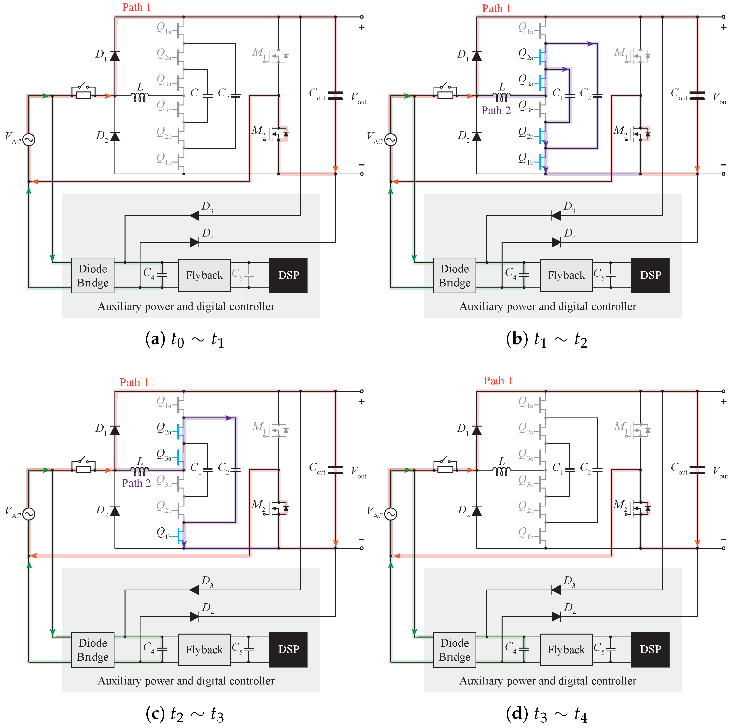
2. Multi-Path Precharging in Start-Up
3. Testing and Verification
4. Conclusions
Author Contributions
Funding
Data Availability Statement
Conflicts of Interest
References
- Liu, Z.; Lee, F.C.; Li, Q.; Yang, Y. Design of GaN-Based MHz Totem-Pole PFC Rectifier. IEEE J. Emerg. Sel. Top. Power Electron. 2016, 4, 799–807. [Google Scholar] [CrossRef]
- Liu, Z.; Huang, Z.; Lee, F.C.; Li, Q. Digital-Based Interleaving Control for GaN-Based MHz CRM Totem-Pole PFC. IEEE J. Emerg. Sel. Top. Power Electron. 2016, 4, 808–814. [Google Scholar] [CrossRef]
- Saglam, B.; Aksit, M.H.; Tamyurek, B. A Comparison of GaN-Based Cascode and E-mode HEMTs Using Bridgeless Totem Pole PFC. In Proceedings of the 2022 IEEE Energy Conversion Congress and Exposition (ECCE), Detroit, MI, USA, 9–13 October 2022; pp. 1–6. [Google Scholar] [CrossRef]
- Sun, J.; Huang, X.; Strain, N.N.; Costinett, D.J.; Tolbert, L.M. Inductor Design and ZVS Control for a GaN-Based High Efficiency CRM Totem-Pole PFC Converter. In Proceedings of the 2019 IEEE Applied Power Electronics Conference and Exposition (APEC), Anaheim, CA, USA, 17–21 March 2019; pp. 727–733. [Google Scholar] [CrossRef]
- Sun, J.; Gui, H.; Li, J.; Huang, X.; Strain, N.; Costinett, D.J.; Tolbert, L.M. Mitigation of Current Distortion for GaN-Based CRM Totem-Pole PFC Rectifier With ZVS Control. IEEE Open J. Power Electron. 2021, 2, 290–303. [Google Scholar] [CrossRef]
- Lee, J.Y.; Chen, J.H.; Lo, K.Y. Design of a GaN Totem-Pole PFC Converter Using DC-Link Voltage Control Strategy for Data Center Applications. IEEE Access 2022, 10, 50278–50287. [Google Scholar] [CrossRef]
- Wang, S.; Pham, P.H.; Li, Q.; Chen, X. PCB-Based Magnetics Integration and Common-Mode Noise Suppression for A High-Frequency PFC. In Proceedings of the 2023 IEEE Applied Power Electronics Conference and Exposition (APEC), Orlando, FL, USA, 19–23 March 2023; pp. 2043–2049. [Google Scholar] [CrossRef]
- Huang, Q.; Ma, Q.; Liu, P.; Huang, A.Q.; de Rooij, M.A. 99% Efficient 2.5-kW Four-Level Flying Capacitor Multilevel GaN Totem-Pole PFC. IEEE J. Emerg. Sel. Top. Power Electron. 2021, 9, 5795–5806. [Google Scholar] [CrossRef]
- Stillwell, A.; Pilawa-Podgurski, R.C.N. A Five-Level Flying Capacitor Multilevel Converter With Integrated Auxiliary Power Supply and Start-Up. IEEE Trans. Power Electron. 2019, 34, 2900–2913. [Google Scholar] [CrossRef]
- Jiao, D.; Huang, A.Q. Pre-Charge Strategy and Light-Load Voltage Balance Enhancement for DC/AC Flying Capacitor Converter. In Proceedings of the 2024 IEEE Texas Power and Energy Conference (TPEC), College Station, TX, USA, 12–13 February 2024; pp. 1–6. [Google Scholar] [CrossRef]
- Maier, J.; Ulrich, B.; Czerwenka, P.; Hennig, E.; Schullerus, G. A Start-Up Method for Flying Capacitor Topologies Using the Output Filter with few Additional Components. In Proceedings of the 2024 IEEE Energy Conversion Congress and Exposition (ECCE), Phoenix, AZ, USA, 20–24 October 2024; pp. 3465–3472. [Google Scholar] [CrossRef]
- Janik, D.; Kosan, T.; Kamenicky, P.; Peroutka, Z. Universal precharging method for dc-link and flying capacitors of four-level Flying Capacitor Converter. In Proceedings of the IECON 2013–39th Annual Conference of the IEEE Industrial Electronics Society, Vienna, Austria, 10–13 November 2013; pp. 6322–6327. [Google Scholar] [CrossRef]
- Sepahvand, H.; Khazraei, M.; Corzine, K.A.; Ferdowsi, M. Start-up Procedure and Switching Loss Reduction for a Single-Phase Flying Capacitor Active Rectifier. IEEE Trans. Ind. Electron. 2013, 60, 3699–3710. [Google Scholar] [CrossRef]
- Ghias, A.M.Y.M.; Pou, J.; Agelidis, V.G.; Ciobotaru, M. Initial Capacitor Charging in Grid-Connected Flying Capacitor Multilevel Converters. IEEE Trans. Power Electron. 2014, 29, 3245–3249. [Google Scholar] [CrossRef]





| Parameters | Value |
|---|---|
| Input voltage | 240 |
| Output voltage | 400 V |
| Switch frequency | 120 kHz |
| Inductor | 13 μH |
| Output capacitor | 660 μF |
| Flying capacitor | ≤4.4 μF |
Disclaimer/Publisher’s Note: The statements, opinions and data contained in all publications are solely those of the individual author(s) and contributor(s) and not of MDPI and/or the editor(s). MDPI and/or the editor(s) disclaim responsibility for any injury to people or property resulting from any ideas, methods, instructions or products referred to in the content. |
© 2025 by the authors. Licensee MDPI, Basel, Switzerland. This article is an open access article distributed under the terms and conditions of the Creative Commons Attribution (CC BY) license (https://creativecommons.org/licenses/by/4.0/).
Share and Cite
Ma, Q.; Huang, Q.; Makain, F.; Huang, A.Q.; de Rooij, M.A. Multi-Path Precharge for GaN Flying-Capacitor-Multi-Level Totem-Pole PFC. Electronics 2025, 14, 2637. https://doi.org/10.3390/electronics14132637
Ma Q, Huang Q, Makain F, Huang AQ, de Rooij MA. Multi-Path Precharge for GaN Flying-Capacitor-Multi-Level Totem-Pole PFC. Electronics. 2025; 14(13):2637. https://doi.org/10.3390/electronics14132637
Chicago/Turabian StyleMa, Qingxuan, Qingyun Huang, Felice Makain, Alex Q. Huang, and Michael A. de Rooij. 2025. "Multi-Path Precharge for GaN Flying-Capacitor-Multi-Level Totem-Pole PFC" Electronics 14, no. 13: 2637. https://doi.org/10.3390/electronics14132637
APA StyleMa, Q., Huang, Q., Makain, F., Huang, A. Q., & de Rooij, M. A. (2025). Multi-Path Precharge for GaN Flying-Capacitor-Multi-Level Totem-Pole PFC. Electronics, 14(13), 2637. https://doi.org/10.3390/electronics14132637

