Bidirectional Power Control Strategy for On-Board Charger Based on Single-Stage Three-Phase Converter
Abstract
1. Introduction
2. Analysis of Topology Structure and Modulation Scheme of the Proposed Converter
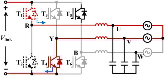
2.1. Topology Description
2.2. Hybrid Modulation Scheme
2.3. Loss Analysis
2.4. Mathematics Modeling
3. Operating Process and Mechanism of the Converter
3.1. Operating Principle of Two Full-Bridge Circuits
3.2. Operating Principle of Three-Phase Converter on the Secondary Side
4. Control Strategy
4.1. Charging and Discharging Control Strategy
4.2. Phase Adjustment of the Encoded Signals in the MUX
5. Simulation Result
5.1. Matlab Simulation
5.2. Psim Simulation
6. Discussion
7. Conclusions
Author Contributions
Funding
Data Availability Statement
Acknowledgments
Conflicts of Interest
Nomenclature
| V2G | Vehicle-to-grid |
| HFT | High-frequency transformer |
| IGBTS | Insulated gate bipolar transistors |
| MUX | Multiplexer |
| SPWM | Sine pulse width modulation |
| DPWMMIN | Discretized pulse width modulation scheme based on minimum switching loss |
| ZVS | Zero voltage switching |
| SOC | State of charge |
| PI | Proportional–integral |
| Q1, Q2, Q3, Q4, S1, S2, S3, S4, T1, T2, T3, T4, T5, T6 | IGBTS with the proposed topology structure |
| GQ1, GQ2, GQ3, GQ4 GS1, GS2, GS3, GS4 GT1, GT2, GT3, GT4 GT5, GT6 | IGBTS’ driving signals |
| dp, dn | Modulation waves for leading and lagging bridge arms in the primary full bridge |
| V1, V2 | Voltages on the primary and secondary sides of high-frequency transformer |
| i1, i2 | Currents on the primary and secondary sides of high-frequency transformer |
| n | The voltage ratio of HFT |
| Vc | Sawtooth carrier wave |
| Ts | Switching cycle |
| fs | IGBT’s switching frequency |
| Tc | Carrier cycle |
| fc | Carrier switching frequency |
| Vref | The reference modulation wave for the primary full bridge |
| Lf | AC-side filter inductance |
| Cf | AC-side filter capacitance |
| R | AC-side resistance |
| Lr | Leakage inductance |
| L | DC-side filter inductance |
| C | DC-side filter capacitance |
| Vdc | DC-side voltage |
| Idc | DC-side current |
| Cr | Rated capacity of battery |
| Vlink | Voltage of the secondary full-bridge output |
| ia, ib, ic | Three-phase phase currents |
| Va, Vb, Vc | Three-phase phase voltages |
| Va,ref, Vb,ref, Vc,ref | Reference for three-phase phase voltages |
| Φ | Phase-voltage initial phase |
| Vab, Vbc, Vca | Three-phase line voltages |
| Vab,ref, Vbc,ref, Vca,ref | Reference for three-phase line voltages |
| iab, ibc, ica | Three-phase line currents |
| VR, VY, VB | Bridge arms midpoint voltages |
| VRY, VYB, VBR | Bridge arms midpoint line voltages |
| P1, P2, P3, P4, P5, P6 | Modulation intervals |
| Mod-A, Mod-B, Mod-C | Reference modulation waveforms for the A-phase, B-phase, and C-phase bridge arms |
| signal1, signal2, signal3, signal4, signal5, signal6 | Input selection control signals in MUX |
| Ic | Collector current |
| Vce | On-state voltage drop |
| rfd | On-state resistance |
| Pcon | On-state loss |
| Pswi | Switching loss |
| ton, toff | Opening and closing times |
| Psw,DPWMMIN | Total switching loss of discretized pulse width modulation scheme based on minimum switching loss |
| Psw,ADPWM | Total switching loss of hybrid modulation scheme proposed in this paper |
| Psw,SPWM | Total switching loss of sine pulse width modulation scheme |
| m | Modulation ratio |
| Sa, Sb, Sc | Switch states of the bridge arms for phase A, phase B, and phase C |
| Sa1, Sa2 | Switching function of T1 and T2 |
| eo | Neutral point voltage |
| ωo | Angular frequency |
| Kvi, Kii, kii | Integral coefficients |
| Kvp, Kip, kip | Proportional coefficients |
| Vdc,ref | Reference for DC-side voltage |
| Idc,ref | Reference for DC-side current |
| id, iq | dq components of the grid-side currents |
| id,ref, iq,ref | Reference for dq components of the grid-side currents |
| Vd, Vq | dq components of the grid-side voltages |
| Vdref, Vqref | Reference for dq components of the grid-side voltages |
References
- Salvatti, G.A.; Carati, E.G.; Cardoso, R.; da Costa, J.P.; Stein, C.M. Electric Vehicles Energy Management with V2G/G2V Multifactor Optimization of Smart Grids. Energies 2020, 13, 1191. [Google Scholar] [CrossRef]
- Shi, R.; Li, S.; Zhang, P.; Lee, K.Y. Integration of renewable energy sources and electric vehicles in V2G network with adjustable robust optimization. Renew. Energy 2020, 153, 1067–1080. [Google Scholar] [CrossRef]
- Wei, H.; Zhang, Y.; Wang, Y.; Hua, W.; Jing, R.; Zhou, Y. Planning integrated energy systems coupling V2G as a flexible storage. Energy 2022, 239, 122215. [Google Scholar] [CrossRef]
- Vijayan, A.K.; Chakkalakkal, S.; Emadi, A. Efficiency Evaluation of 800V Electric Vehicle Powertrain using Two-Level Voltage Source Inverter with different Modulation Techniques. In Proceedings of the 2023 IEEE Transportation Electrification Conference & Expo (ITEC), Detroit, MI, USA, 21–23 June 2023; pp. 1–6. [Google Scholar]
- Tran, H.N.; Le, T.T.; Jeong, H.; Kim, S.; Kieu, H.P.; Choi, S. High Power Density DC-DC Converter for 800V Fuel Cell Electric Vehicles. In Proceedings of the 2021 IEEE 12th Energy Conversion Congress & Exposition-Asia (ECCE-Asia), Singapore, 24–27 May 2021; pp. 2224–2228. [Google Scholar]
- Aghabali, I.; Bauman, J.; Kollmeyer, P.J.; Wang, Y.; Bilgin, B.; Emadi, A. 800-V Electric Vehicle Powertrains: Review and Analysis of Benefits, Challenges, and Future Trends. IEEE Trans. Transp. Electrif. 2021, 7, 927–948. [Google Scholar] [CrossRef]
- Lipu, M.S.H.; Faisal, M.; Ansari, S.; Hannan, M.A.; Karim, T.F.; Ayob, A.; Hussain, A.; Miah, M.S.; Saad, M.H. Review of Electric Vehicle Converter Configurations, Control Schemes and Optimizations: Challenges and Suggestions. Electronics 2021, 10, 477. [Google Scholar] [CrossRef]
- Safayatullah, M.; Elrais, M.T.; Ghosh, S.; Rezaii, R.; Batarseh, I. A Comprehensive Review of Power Converter Topologies and Control Methods for Electric Vehicle Fast Charging Applications. IEEE Access 2022, 10, 40753–40793. [Google Scholar] [CrossRef]
- Ta, L.A.D.; Dao, N.D.; Lee, D.C. High-Efficiency Hybrid LLC Resonant Converter for On-Board Chargers of Plug-In Electric Vehicles. IEEE Trans. Power Electron. 2020, 35, 8324–8334. [Google Scholar] [CrossRef]
- Verma, A.K.; Singh, B.; Shahani, D.T. Grid to vehicle and vehicle to grid energy transfer using single-phase bidirectional AC-DC converter and bidirectional DC-DC converter. In Proceedings of the 2011 International Conference on Energy, Automation and Signal, Bhubaneswar, India, 28–30 December 2011; pp. 1–5. [Google Scholar]
- Lisheng, S.; Meintz, A.; Ferdowsi, M. Single-phase bidirectional AC-DC converters for plug-in hybrid electric vehicle applications. In Proceedings of the 2008 IEEE Vehicle Power and Propulsion Conference, Harbin, China, 3–5 September 2008; pp. 1–5. [Google Scholar]
- Prasanna, U.R.; Singh, A.K.; Rajashekara, K. Novel Bidirectional Single-phase Single-Stage Isolated AC–DC Converter With PFC for Charging of Electric Vehicles. IEEE Trans. Transp. Electrif. 2017, 3, 536–544. [Google Scholar] [CrossRef]
- Wang, J.; Wu, H.; Yang, T.; Zhang, L.; Xing, Y. Bidirectional Three-Phase DC–AC Converter With Embedded DC–DC Converter and Carrier-Based PWM Strategy for Wide Voltage Range Applications. IEEE Trans. Ind. Electron. 2019, 66, 4144–4155. [Google Scholar] [CrossRef]
- Almeida, B.R.d.; Araújo, J.W.M.d.; Praça, P.P.; Oliveira, D.d.S. A Single-Stage Three-Phase Bidirectional AC/DC Converter With High-Frequency Isolation and PFC. IEEE Trans. Power Electron. 2018, 33, 8298–8307. [Google Scholar] [CrossRef]
- Pool-Mazun, E.; Sandoval, J.J.; Enjeti, P.; Pitel, I.J. A Direct Switch-Mode Three-Phase AC to DC Rectifier with High-Frequency Isolation for Fast EV Battery Chargers. In Proceedings of the 2019 IEEE Applied Power Electronics Conference and Exposition (APEC), Anaheim, CA, USA, 17–21 March 2019; pp. 573–580. [Google Scholar]
- Wijeratne, D.S.; Moschopoulos, G. A Three-Phase Single-Stage AC–DC PWM Buck-Type Full-Bridge Converter: Analysis, Design, and Characteristics. IEEE Trans. Ind. Electron. 2013, 60, 4201–4214. [Google Scholar] [CrossRef]
- Anderson, J.A.; Haider, M.; Bortis, D.; Kolar, J.W.; Kasper, M.; Deboy, G. New Synergetic Control of a 20kW Isolated VIENNA Rectifier Front-End EV Battery Charger. In Proceedings of the 2019 20th Workshop on Control and Modeling for Power Electronics (COMPEL), Toronto, ON, Canada, 17–20 June 2019; pp. 1–8. [Google Scholar]
- Das, D.; Basu, K. A Soft-switched isolated Single Stage Bidirectional Three phase AC-DC Converter. In Proceedings of the 2019 IEEE Energy Conversion Congress and Exposition (ECCE), Baltimore, MD, USA, 29 September–3 October 2019; pp. 596–601. [Google Scholar]
- Song, J.; Ding, W.; Yang, D.; Bai, H.; Zhang, C.; Duan, B. A Novel Three-Phase Single-Stage Isolated AC-DC Converter with Symmetrical Structure for Battery Charger. In Proceedings of the 2019 3rd Conference on Vehicle Control and Intelligence (CVCI), Hefei, China, 21–22 September 2019; pp. 1–5. [Google Scholar]
- Yamato, I.; Tokunaga, N. Power loss reduction techniques for three phase high frequency link DC-AC converter. In Proceedings of the IEEE Power Electronics Specialist Conference—PESC’93, Seattle, WA, USA, 20–24 June 1993; pp. 663–668. [Google Scholar]
- Siyoung, K.; Sul, S.K.; Lipo, T.A. AC/AC power conversion based on matrix converter topology with unidirectional switches. IEEE Trans. Ind. Appl. 2000, 36, 139–145. [Google Scholar] [CrossRef]
- Matsui, M.; Nagai, M.; Mochizuki, M.; Nabae, A. High-frequency link DC/AC converter with suppressed voltage clamp circuits-naturally commutated phase angle control with self turn-off devices. IEEE Trans. Ind. Appl. 1996, 32, 293–300. [Google Scholar] [CrossRef]
- Almeida, B.R.d.; Oliveira, D.d.S.; Praça, P.P. A bidirectional single-stage three-phase rectifier with high-frequency isolation and power factor correction. In Proceedings of the 2016 IEEE Applied Power Electronics Conference and Exposition (APEC), Long Beach, CA, USA, 20–24 March 2016; pp. 60–65. [Google Scholar]
- Sun, P.; Lai, J.S.; Qian, H.; Yu, W.; Smith, C.; Bates, J. High efficiency three-phase soft-switching inverter for electric vehicle drives. In Proceedings of the 2009 IEEE Vehicle Power and Propulsion Conference, Dearborn, MI, USA, 7–10 September 2009; pp. 761–766. [Google Scholar]
- Takeda, K.; Ichinose, M.; Taniguchi, M.; Miyata, H. The alternative pulse reduction algorithm for three-phase voltage-source inverter. In Proceedings of the 2010 International Power Electronics Conference—ECCE ASIA, Sapporo, Japan, 21–24 June 2010; pp. 3087–3092. [Google Scholar]
- De, D.; Ramanarayanan, V. A Proportional + Multiresonant Controller for Three-Phase Four-Wire High-Frequency Link Inverter. IEEE Trans. Power Electron. 2010, 25, 899–906. [Google Scholar] [CrossRef]
- Mazumder, S.K.; Rathore, A.K. Performance evaluation of a new hybrid-modulation scheme for high-frequency-ac-link inverter: Applications for PV, wind, fuel-cell, and DER/storage applications. In Proceedings of the 2010 IEEE Energy Conversion Congress and Exposition, Atlanta, GA, USA, 12–16 September 2010; pp. 2529–2534. [Google Scholar]
- Huang, R.; Mazumder, S.K. A Soft Switching Scheme for Multiphase DC/Pulsating-DC Converter for Three-Phase High-Frequency-Link Pulsewidth Modulation (PWM) Inverter. IEEE Trans. Power Electron. 2010, 25, 1761–1774. [Google Scholar] [CrossRef]





















| Vref | Interval | T1 2 | T3 4 | T5 6 |
|---|---|---|---|---|
| Vcb | P1 | Vab/Vcb | 0 | 1 |
| Vab | P2 | 1 | 0 | Vcb/Vab |
| Vac | P3 | 1 | Vbc/Vac | 0 |
| Vbc | P4 | Vac/Vbc | 1 | 0 |
| Vba | P5 | 0 | 1 | Vca/Vba |
| Vca | P6 | 0 | Vba/Vca | 1 |
| Interval | T1 2 | Signal1 | Signal2 | Encoded Signal |
|---|---|---|---|---|
| P1 | Vab/Vcb | 0 | 1 | 01 |
| P2 | 1 | 0 | 0 | 00 |
| P3 | 1 | 0 | 0 | 00 |
| P4 | Vac/Vbc | 1 | 0 | 10 |
| P5 | 0 | 1 | 1 | 11 |
| P6 | 0 | 1 | 1 | 11 |
| Parameters | Symbol | Value |
|---|---|---|
| Battery nominal voltage | Vdc | 600 V |
| Rated capacity of battery | Cr | 60 Ah |
| DC-side capacitance | C | 3 mF |
| DC-side inductance | L | 500 μH |
| Carrier switching frequency | fc | 20 kHz |
| IGBT switching frequency | fs | 10 kHz |
| The voltage ratio of HFT | n | 1 |
| AC-side filtering inductance | Lf | 5 mH |
| AC-side filtering capacitance | Cf | 20 μF |
| Phase voltage | Va, Vb, Vc | 220 V |
| Phase voltage initial phase | Φ | 0 |
| AC-side resistance | R | 0.1 Ω |
| Parameters | Symbol | Value |
|---|---|---|
| DC-side voltage | Vdc | 600 V |
| DC-side capacitance | C | 1 mF |
| DC-side inductance | L | 1 mH |
| Carrier switching frequency | fc | 20 kHz |
| IGBT switching frequency | fs | 10 kHz |
| The voltage ratio of HFT | n | 1 |
| AC-side filtering inductance | Lf | 1 mH |
| AC-side filtering capacitance | Cf | 20 μF |
Disclaimer/Publisher’s Note: The statements, opinions and data contained in all publications are solely those of the individual author(s) and contributor(s) and not of MDPI and/or the editor(s). MDPI and/or the editor(s) disclaim responsibility for any injury to people or property resulting from any ideas, methods, instructions or products referred to in the content. |
© 2024 by the authors. Licensee MDPI, Basel, Switzerland. This article is an open access article distributed under the terms and conditions of the Creative Commons Attribution (CC BY) license (https://creativecommons.org/licenses/by/4.0/).
Share and Cite
Sun, L.; Wang, X.; Ma, C. Bidirectional Power Control Strategy for On-Board Charger Based on Single-Stage Three-Phase Converter. Electronics 2024, 13, 1041. https://doi.org/10.3390/electronics13061041
Sun L, Wang X, Ma C. Bidirectional Power Control Strategy for On-Board Charger Based on Single-Stage Three-Phase Converter. Electronics. 2024; 13(6):1041. https://doi.org/10.3390/electronics13061041
Chicago/Turabian StyleSun, Li, Xin Wang, and Chenglian Ma. 2024. "Bidirectional Power Control Strategy for On-Board Charger Based on Single-Stage Three-Phase Converter" Electronics 13, no. 6: 1041. https://doi.org/10.3390/electronics13061041
APA StyleSun, L., Wang, X., & Ma, C. (2024). Bidirectional Power Control Strategy for On-Board Charger Based on Single-Stage Three-Phase Converter. Electronics, 13(6), 1041. https://doi.org/10.3390/electronics13061041
