Abstract
Electronic control strategies are pivotal in the evolution of power systems, which have higher requirements for power leveling and optimization, frequency safety, and frequency stability. In contrast, the core objectives of existing energy storage services are mostly limited to one function, which cannot fully meet the operational requirements of power systems. This paper presents research on a frequency security controller based on digital twin technology and aimed to enhance the safety of the system. The proposed controller can simultaneously smooth out active wind power fluctuations and optimize reactive power, participate in system frequency regulation, and improve system damping to damp low-frequency oscillations based on simulating the actual operating environment. Simulations also verify the effectiveness of the proposed controller in DIgSILENT/PowerFactory based on a two-area system. This active/reactive power-based system support service will bring new economic benefits to wind energy storage systems.
1. Introduction
In recent years, severe energy shortages and traditional energy pollution have drawn worldwide attention. In contrast, due to clean and renewable characteristics, the installed capacity and penetration of renewable generation have been considerably increased in the power grid. For example, by January 2022, the penetration of wind power in China reached 16.5% of the total installed capacity. However, the large-scale connection of wind farms with the power grid poses a significant challenge to system stability, especially in terms of frequency safety, due to the inherent characteristics of low inertia, weak damping, randomness, and fluctuation [1,2,3,4].
The relevant research is mainly divided into two aspects, i.e., suppressing power fluctuations and enhancing frequency stability. Regarding power fluctuation suppression, wind power’s unpredictability presents significant challenges, especially as wind power penetration rates increase, demanding more robust operational strategies for the power system. For example, significant power fluctuations can threaten the frequency control of the regional interconnection system, which can further endanger the safety and stability of the power system [5]. For this reason, some scholars have proposed control strategies for wind turbines to suppress power fluctuations.
In reference [6], a newly designed multifilter-based dynamic power-sharing control system is tailored for hybrid energy storage systems in conjunction with grid-connected wind turbines. Additionally, a comprehensive high-level model, incorporating a direct-drive permanent magnet linear generator, a supercapacitor, and a battery system, was developed to evaluate the proposed multifilter-based dynamic control approach under actual operational conditions. Reference [7] proposed a control framework designed to enhance the operational stability of wind turbines. By integrating power smoothing, consistent sag, and stabilization limits, this proposed structure aims to achieve robust performance without the need for extra safety margins. Reference [8] presents a control strategy for energy storage systems aimed at mitigating wind power variability while taking wind power utilization into account. The strategy is designed to temper the surge in wind power or minimize wasted wind energy during charging periods as well as to deploy stored energy to offset decreases in wind power generation during discharging phases. Additionally, the authors introduced a fuzzy control method for adjusting charging and discharging power, tailored to the real-time status of the energy storage system and the consumption of wind power. Reference [9] proposed a chance-constrained optimization approach for configuring the Battery Energy Storage System (BESS) to ensure that both uncertain power fluctuations and frequency deviations remain within established boundaries.
However, current control methods based on wind turbines suppress fluctuation at the expense of wind energy capture efficiency, and the smoothing ability is generally limited by the control capability of the turbine and the wind speed, while increasing operating costs. In contrast, energy storage demonstrates potential in smoothing power fluctuations, attributed to its rapid response capabilities. Reference [10] established a neural network algorithm-based energy storage control system to control two types of energy storage to smooth out long and short-period power fluctuations. In [11], stochastic dynamic optimization control was proposed based on first-order filtering links to smooth out the short-term volatility of wind power with flywheel energy storage systems. In [12], fuzzy control algorithms are applied to the superconducting energy storage devices to smooth out power fluctuations. Compared to the control methods based on wind turbines, the fast charging and discharging control of energy storage is more flexible, smoothing power fluctuations and improving operational economics. Reference [13] explored an optimization strategy aimed at addressing the overmodulation issue through the minimization of total reactive power demand. It introduces an enhanced reactive power control method, termed Improved Minimum Reactive Power (IMRP), and assesses the viable region for managing active power imbalances. Reference [14] employed the entropy weight-based grey wolf algorithm to identify the optimal trade-off solution for multi-objective reactive power optimization in transmission networks. By considering network loss, voltage deviation, and static voltage stability margin as three key objective functions, this approach evaluates and leverages the reactive power regulation capabilities of new energy units.
In addition, regarding frequency stability, power systems incorporating a large share of wind power exhibit reduced inertia and damping, a consequence of the absence of synchronous generators. This leads to characteristics of low inertia and insufficient damping, presenting substantial challenges to maintaining the frequency stability of the power system. Energy storage technology with multiple flexible control methods is an effective means to improve the frequency stability of power systems with a high proportion of wind power. By applying energy storage technology with proper control methods, the stability problems of power systems with a high penetration of wind power, especially the frequency security and low-frequency oscillations concerned in this paper, can be effectively addressed. The current research dealing with frequency security mainly adopts additional active controls. H. Delkhosh and H. Seifi proposed the Frequency Security Index (FSI), a comprehensive measure designed to assess frequency stability by evaluating all facets of the frequency profile. The FSI evaluates both the transient and steady-state dimensions of frequency stability, taking into account the specific requirements and standards associated with each power system’s boundaries [15]. Reference [16] used a fixed droop coefficient to control the energy storage output and proposed a configuration strategy to optimize the storage capacity. N. Nguyen, A. Bera, and J. Mitra introduce a novel approach for integrating energy storage within the current system to enhance its reliability and ensure the stability of system frequency [17]. Xu Wei and Dong Liu proposed an optimized energy storage scheme that improves system frequency safety [18]. In [19], an adaptive frequency droop control strategy was proposed that considered the state of charge (SOC) to avoid the over-charging and over-discharging of the BESS by utilizing a variable regulation factor control method. Atri Bera and Nga Nguyen purposed a probabilistic method for determining the necessary inertia a system needs to maintain frequency stability. This method accounts for the decrease in overall system inertia resulting from the replacement of traditional synchronous generation with wind power, as well as the inertia loss from the forced shutdowns of conventional units [20].
In system frequency stabilization, the standard measure is installing power system stabilization (PSS). However, the effectiveness of PSS in suppressing low-frequency oscillations depends on the parameter setting. Moreover, the PSS is not able to be adaptive to the variable conditions of generators and systems [21,22,23]. For this purpose, A. Khodabakhshian, M.R. Esmaili, and M. Bornapour proposed a composite power control strategy in [24] to regulate the system frequency deviation with active power control, while improving the system damping level with reactive power modulation. R., K.V., and A.M. investigated the coordinated control of wind farms and battery storage systems, where the wind storage integrated system is modeled as a point-source external force with the consideration of the system continuum representation form. Moreover, the influence of the injection point of the wind storage system on the system damping was analyzed by comparing the oscillation spectrum [25]. S., C., F.G. D., and C. A. proposed an integration of a heuristic dynamic algorithm based on a power oscillation damping (POD) by utilizing the PSO for the energy storage system controller design to suppress regional oscillations [26].
The above research has contributed to the analysis and application of ESS technology and the frequency safety of systems. However, considering the comprehensive needs of new energy power systems, including frequency safety and frequency stability, the core objectives of existing energy storage technologies are mostly limited to one function, which cannot fully meet the operational needs of power systems. Therefore, in order to meet the multi-dimensional needs of new power systems, it is essential to design multi-functional energy storage controllers under conditions that simulate natural operating environments to enhance the safety of systems containing high proportions of wind power.
A controller based on digital twin technology is designed to improve the safety of systems, taking the combined wind storage grid-connected system as the research object. The proposed controller can simultaneously smooth out active wind power fluctuations and optimize reactive power, participate in system frequency regulation, and improve system damping to suppress low-frequency oscillation problems based on simulating the actual operating environment of the system. This paper firstly analyzes the wind storage linearized system based on the establishment of a digital twin model, laying the foundation for the subsequent controller design; secondly, it proposes the design structure of an energy storage controller; thirdly, based on the MPC algorithm, it presents a control method for energy storage to smooth out active wind power fluctuations and optimize reactive power; finally, an analysis of the action path of the energy storage controller is conducted. The damping torque method is used to analyze the controller operation effect under different operating conditions while maintaining the economy and stability of the system. Through the above design process, the multi-functional energy storage controller is designed to integrate active power smoothing, reactive power optimization, and frequency safety and stability control; the two-area system is built in PowerFactory to verify the efficacy of the proposed frequency security controller.
2. Wind Storage Integrated System Model
In this section, the wind storage integrated system model is established, followed by an introduction to the control structure of the ESS.
2.1. The Grid-Connected Model for Wind Storage Systems
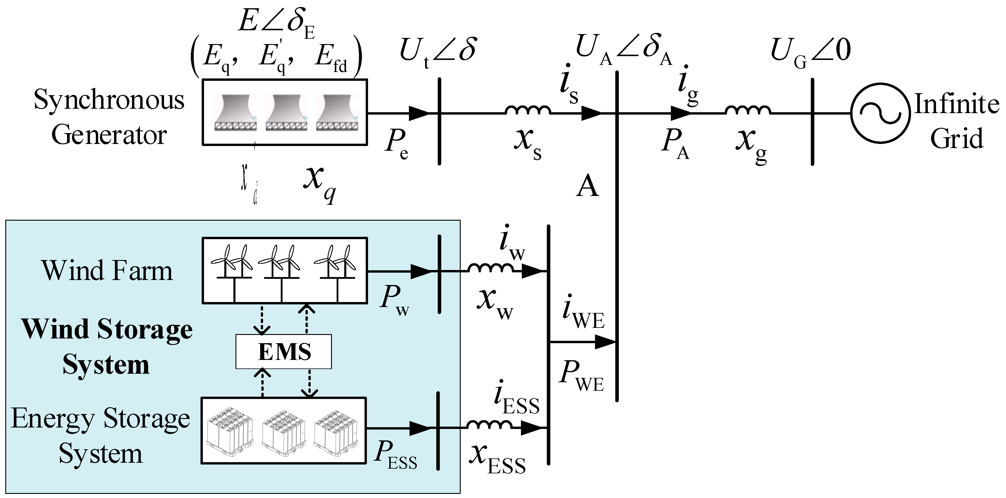
The diagram of the grid-connected structure for wind storage systems is shown in Figure 1, which consists of a conventional synchronous generator, a wind farm, an energy storage system, and an energy storage manager. The LC-type filter is adopted in both the wind farm (WF) and the ESS. In Figure 1, is the internal electromotive force of the generator; , , and are the no-load, transient, and excitation electromotive forces of the synchronous generator, respectively; is the voltage at the end of the synchronous generator, and for simplicity, δ is regarded as the power angle; is the voltage of point A in Figure 1; is the voltage at the point where the wind storage system and the synchronous generator are jointly connected to the grid; is the outlet current; is the outlet current of the WF; is the outlet current of the ESS; is the total outlet current of the wind storage integrated system; is the total line current; and are the d-axis transient reactance and q-axis reactance; is the outlet reactance; is the outlet reactance of WF; is the outlet reactance of ESS; is the reactance between the wind storage synchronous generator integrated system and the infinite grid; is the electromagnetic power; is the output electromagnetic power of WF; is the output electromagnetic power of ESS; is the output electromagnetic power of the wind storage system; is the output electromagnetic power of the wind storage synchronous generator integrated system; and EMS is used to coordinate the power exchange within the wind storage integrated system.
Figure 1.
Structure of the wind storage integrated system connected to the grid.
2.2. The Control Model of the ESS
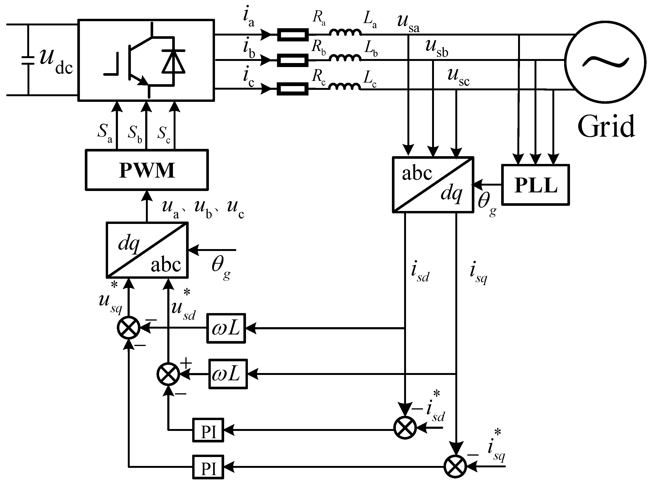
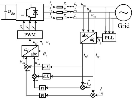
The ESS interfaces with the grid through a DC/AC inverter, and its control configuration is depicted in Figure 2.
Figure 2.
Control of the ESS converter.
In Figure 2, is the DC bus voltage of the energy storage converter; , , and , , are the three-phase voltage and three-phase current at the grid connection point, respectively; , and , are the d and q axis components of the voltage and current of the energy storage system at the grid connection point; , , and , , represents the line resistance and the reactance between the ESS and the grid, respectively; is the phase-locking angle phase of the voltage of the energy storage system at the grid connection point; , , are the control signals from the PWM at the grid connection point.
3. Research on Energy Storage Controller
This section outlines the design of the frequency security controller based on digital twin technology, which includes the following: (1) smoothing out power fluctuations; (2) frequency regulation (FR); and (3) power oscillation damping (POD).
Figure 3 illustrates the control framework for the energy storage, utilizing digital twin technology, which encompasses the wind farm and the energy storage system. The MPC-based controller is used for the fluctuation suppression, the frequency regulation unit for the frequency support, and the POD unit for the oscillation suppression.
Figure 3.
Structure of the multi-functional energy storage controller.
Digital twin technology, through the application of artificial intelligence (AI) analytical methods, enables the acquisition and understanding of optimal operational data derived from the system’s functioning. This facilitates a detailed depiction of the system’s operational condition, mirroring its present state accurately. The digital twin technology application is illustrated in Figure 4.
Figure 4.
Schematic diagram of the application of digital twin technology.
Utilizing digital twin technology, a virtual representation of the actual wind storage system is achieved by generating a digital replica of the wind turbine utilizing data gathered through supervisory control and data acquisition (SCADA) systems. This process results in a digital version of wind farms that are interconnected with their real-world counterparts, providing a platform where control commands and data flows can be analyzed and forecasted. By transmitting data from the monitoring devices to the digital model, the real-time operating conditions of the turbines can be precisely mirrored in the digital simulation.
The integrated wind storage system is composed of wind turbines and storage, each equipped with SCADA units, featuring interfaces for data reception in both the wind farm (WF) and the energy storage system (ESS). This configuration ensures a seamless flow of operational data between the physical components and their digital counterparts. Digital twin technology, known for its speed and precision, is employed in this study to align data captured by real-time monitoring devices with a digital simulation model. This alignment allows for the comparison of simulated operational data against actual equipment performance, serving as a crucial tool for operational oversight.
3.1. Wind Farm Output Power Controller for Fluctuation Suppression
3.1.1. Controller for Fluctuation Suppression
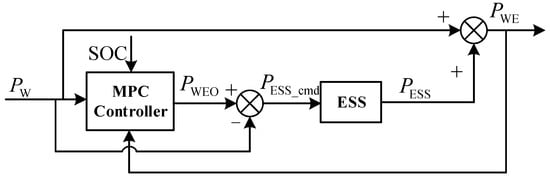
The controller system for the fluctuation suppression is shown in Figure 5. The ESS interfaces with the system bus through a bidirectional converter. The controller for the energy storage system tracks the wind farm’s output power (/), the wind storage system’s output power , and the SOC of the energy storage system under real-time operating conditions. After that, the charge/discharge power commands are sent to the bi-directional converter of the energy storage based on the MPC algorithm.
Figure 5.
Schematic diagram of the control.
The power sliding average filtering algorithm employs the mean wind power from the initial 30 s and the concluding 10 s around the current sampling point to compute a smoothed filtering control. The process unfolds as follows: each newly sampled wind power signal is accumulated in a window array. The array’s arithmetic mean is calculated using the wind power from the first 30 s and the final 10 s associated with the sampling point. Notably, the power for the last 10 s is forecasted using model predictive control (MPC). Subsequently, based on the degree to which actual wind power surpasses the forecasted value, the charging or discharging power of the ESS is determined. Figure 5 shows the control structure.
The energy storage controller adjusts the wind storage system’s output power to minimize the energy storage system’s output, taking into account the current output power of the wind farm, , and the energy storage system’s State of Charge (SOC), while adhering to the power fluctuation constraints. The necessary charge or discharge power command for the energy storage converter is determined by the discrepancy between the optimal and actual output power of the wind storage system. Consequently, the combined output of the wind farm and the energy storage system constitutes the total output power of the integrated wind storage system.
3.1.2. Control System Design
To balance the power system’s stability and economic efficiency, the power fluctuation threshold for the wind farm is defined across two temporal scales: the output power variance of the wind storage system should not surpass 10% of the wind farm’s rated capacity on a minute-by-minute basis, and it should not exceed 30% of the rated capacity over thirty-minute intervals [27]. Implementing these limitations significantly enhances the power system’s stability.
The remaining capacity of the energy storage system is assumed to be
The objective function of the MPC control model is to minimize the output of the energy storage system:
The constraints of the MPC control model are as follows:
(1) The wind farm power fluctuation limit constraint.
To meet the fluctuation limit constraint, the output power within each 1 min and each 30 min is modeled as follows:
(2) The capacity constraint of ESS.
(3) The output power constraint of ESS.
In Equation (5), the configured energy storage capacity does not exceed the ability of the wind farm.
(4) The charge/discharge power constraints of ESS.
where is the charge/discharge cycle of ESS.
For any moment K, the MPC controller uses the present state as the starting point and calculates the charging or discharging power of the energy storage based on the variance between the actual and forecasted output power of the wind turbines. Consequently, the controller for mitigating power fluctuations in the wind farm is crafted around these specified constraints and control techniques.
3.2. System Frequency Regulation and Power Oscillation Suppression Controller
3.2.1. Model Analysis
The synchronous generator rotor motion state reflects the system frequency dynamics. A third-order model of the synchronous generator is utilized [28], and the rotor motion equations and excitation winding equations are as follows:
where is the inertia time constant; is the generator excitation time constant; D is the damping constant; is the stator excitation electromotive force; is the d-axis component of the output current; is the mechanical power; is the electromagnetic power; and and ω are the power angle and electric angular velocity, respectively.
In addition, the model of the first-order excitation system of the synchronous generator is as follows:
In Equation (8), is the time constant; is the gain constant; and is the terminal voltage of the generator.
There are three ways to adjust the electromagnetic power other than changing the structure of the grid-connected system: (1) adjust the electromagnetic power directly by changing the power angle; (2) adjust the excitation system to change the internal electromotive force; and (3) change the terminal voltage. Therefore, Equation (9) can be built:
where the parameters are consistent with those in the classical Heffron–Phillips model.
Through the control of the ESS controller, the electromagnetic power of the synchronous generator is adjusted to enhance the inter-unit damping, which in turn regulates the system frequency for the suppression of low-frequency oscillations.
3.2.2. Integrated Control System Design for Frequency Safety and Stability
In this section, to improve the frequency safety and stability, an integrated control system with FR control and POD control is designed, in which the FR controller is attached to the active power control, including the filtering link, the virtual inertia control link, and the limiting link, providing compensation and amplitude limiting.
The proposed controller can be constructed, and the structures are similar. The control schematic is depicted in Figure 6.
Figure 6.
Integrated control block diagram.
In Figure 6, is the gain coefficient, which works on the damping strength directly; is the time coefficient of the washout filter, and the washout filter mainly plays the role of (1) isolating the DC link; (2) preventing the system from participating in the regulation during the steady-state process; and (3) eliminating the steady-state error; and are the control coefficients of the phase compensation link, and the phase compensation link plays a role in adjusting the phase so that the controller can provide positive damping; is the filter time constant; and are the control constants of the virtual inertia; is the filter time constant of the energy storage system control link; and are the control constants of the PI link; is the constant of the time delay link; and are the compensated power provided by the POD controller; and is the active power supplied by the FR controller. The mathematical expressions are as follows:
In Equation (10), M(s) and N(s) are the transfer functions for power compensation.
Combining Figure 5 with Equation (10), the overall transfer function structure of the system can be deduced, as shown in Figure 7.
Figure 7.
Structure of the system transfer function.
It can be seen from Figure 7 that the effect of the energy storage system on the synchronous generator is mainly through three paths: (1) directly change the system electromagnetic power; (2) change the system electromagnetic power by changing the excitation electromotive force; and (3) change the system electromagnetic power by changing the terminal voltage of the synchronous generator, which in turn affects the excitation electromotive force.
Hence, we obtain the following:
In Equation (11), G1 (s), G2 (s), and GE (s) are the coupling channels of the system synchronous generator, while the green and red (blue for reactive power) lines in Figure 7 are the additional coupling channels.
The compensation power injected into the synchronous generator system by the energy storage system can be deduced from the transfer function diagram in Figure 7. Specifically, when the POD controls the output active power compensation, the injected power is as follows:
When reactive power compensation is used for POD control, the injected power is as follows:
The active output power of ESS in Equation (12) includes two parts. One part of the active power is used for frequency regulation, while the other part is used to enhance system damping to suppress oscillation. The ESS output power is shown in Equation (13). The active output power is used to regulate the system frequency, and the reactive output power is used to enhance system damping. The parameters in the equation are shown in Appendix A.
3.2.3. Control Parameter Design Principles
The gain coefficient of the POD controller KPOD works on the controller damping effect. Hence, when the value of KPOD is settled, it is essential to factor in the constraints on output compensation power capacity to guarantee it does not surpass the energy storage system’s total capacity. Additionally, the impact of the controller’s output power on the voltage at the synchronous generator’s terminals should be monitored to ensure fluctuations. Then, washout filter time constant Tw is set to allow a specific range of band.
The low-pass filter in the FR controller is used to mitigate the sudden changes in frequency. Meanwhile, the PI controller use to reduce the frequency error, and the design objective is to reduce the frequency error within the recommended deadband of the governor, so that unnecessary governor action can be avoided. Under these conditions, the control coefficients can be selected, with the trial and error method, to consider the frequency regulation effect and achieve the most obvious damping effect. The design parameters for the POD and FR controllers are shown in Appendix B.
4. Simulation Analysis
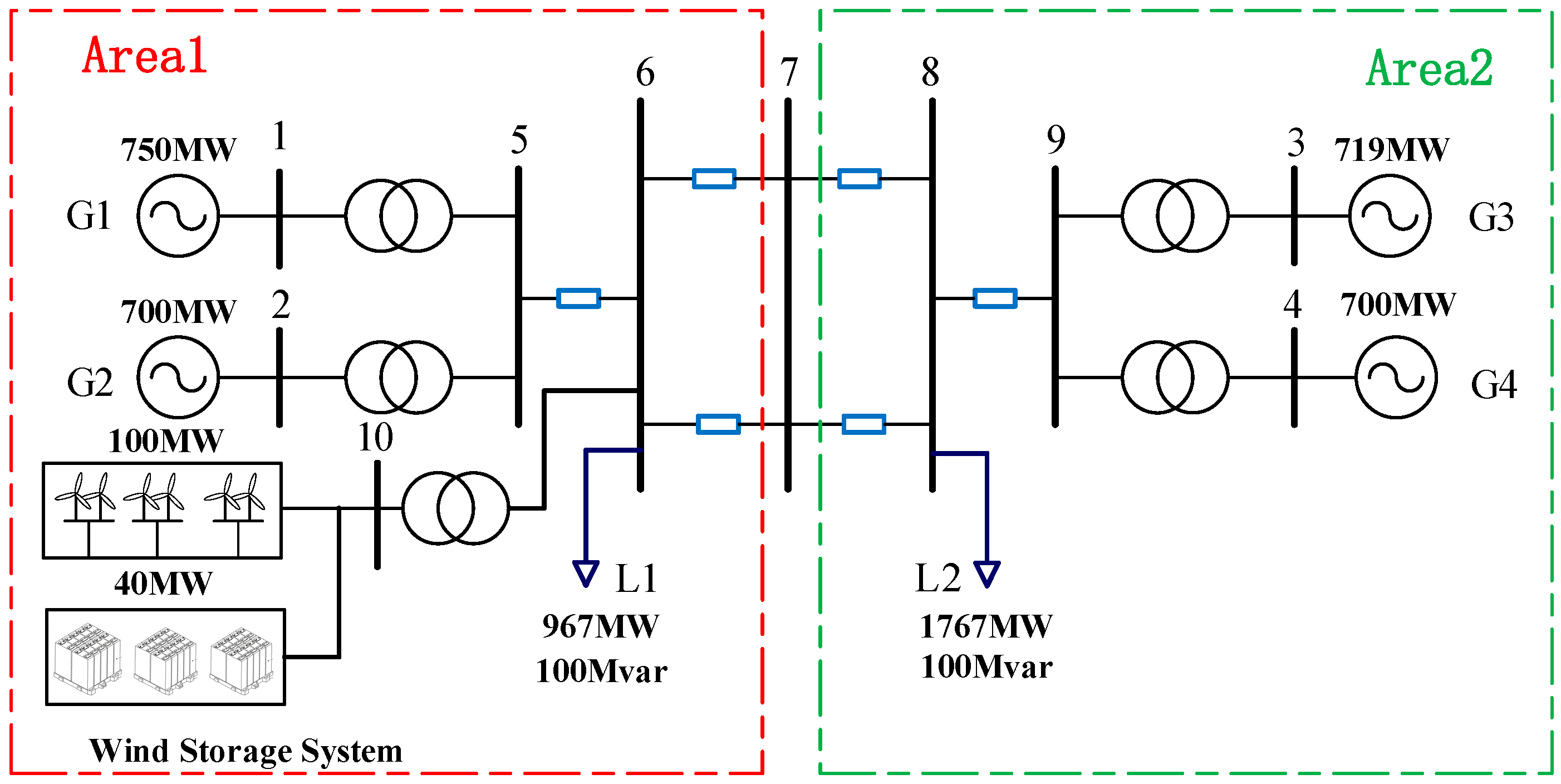
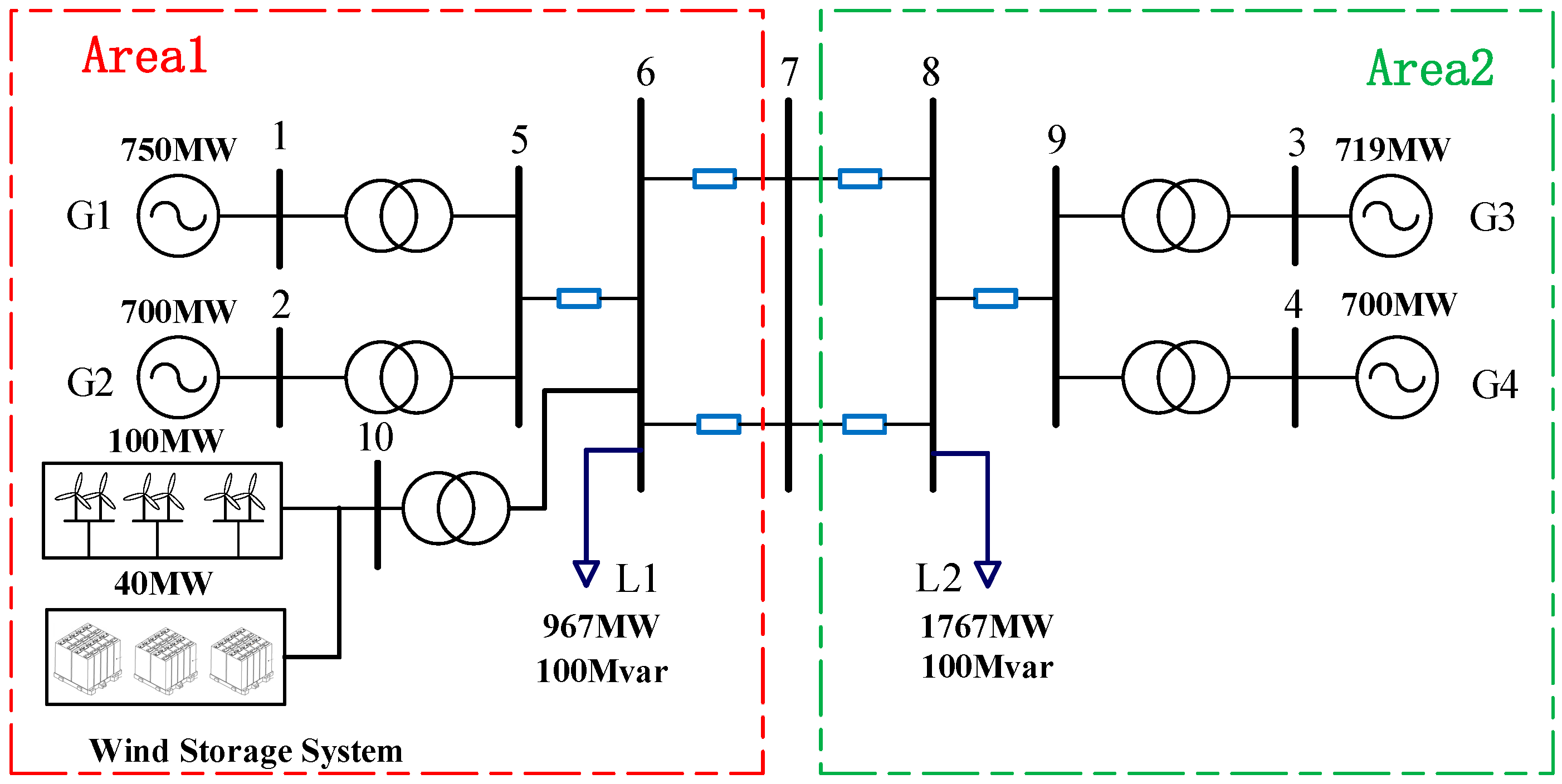
To validate the influence of the additional active control link coefficients of the wind turbine on the low-frequency oscillation characteristics, we built a four-generator and two-area system based on the PowerFactory-DIgSILENT 2019 SP4 simulation software, as shown in Figure 8, with the WF connected at bus 6. The simulation parameters are shown in Appendix C [29].
Figure 8.
Four-generator and two-area system.
4.1. Power Suppresses Controller
The WF output power at variable wind speeds after applying the MPC algorithm to suppress the fluctuation is shown in Figure 9 (the blue curve).
Figure 9.
Comparison of wind farm original and smoothed power curve.
As shown in Figure 9, the original output power fluctuates strongly within 15 min. At the same time, the proposed algorithm can effectively smooth out the fluctuation so that the synthetic output power meets the power smoothing index.
The output reactive power curve and voltage curve is shown as the red curve, and the output curve after connecting the energy storage controller is shown as the blue curve in Figure 10.
Figure 10.
Comparison of (a) wind farm output reactive power curve and (b) output voltage curve.
As shown in Figure 10a, the reactive output power fluctuates strongly when the WF is not equipped with the ESS controller. In contrast, the energy storage controller quickly compensates for the reactive power and keeps the system power factor close to 1. The output voltage curve of the WF is shown in Figure 10b, which also demonstrates this conclusion.
4.2. Simulation of the Effectiveness of Frequency Security Control
This section delves into analyzing the effectiveness of the suggested frequency security controller via time-domain simulations. The controller’s versatility is tested against various system faults to confirm its practicality. The WF is simulated with a loaded dip. Four different scenarios are presented and compared: (1) No control; (2) FR control; (3) POD control; and (4) FR + POD control;
The simulations were conducted for load increases of 30 MW and 100 MW in area 1.
(1) The 30 MW load increase in area 1: Figure 11 presents the responses when a 30 MW load increase is applied in area 1 at 70 s. It is noted that the 30 MW load is below the configured ESS capacity in the WF.
Figure 11.
The system’s responses to the load increase of 30 MW. (a) System frequency. (b) Line active power. (c) WF voltage.
The sudden load increase of 30 MW in area 1 initiates an under-frequency case. As shown in Figure 11a, the system frequency drops to 49.975 Hz after the disturbance without FR control, and the proposed FR control reduces the frequency deviation. As seen from Figure 11b,c, the FR had a small but insignificant impact on the inter-tie power flow and the voltage at the terminal of the WF. Integrating POD into the system markedly enhanced the damping of low-frequency oscillations in the inter-area oscillatory mode.
(2) The 100 MW load increase in area 1: similar to the previous case, at t = 70 s, a load increase of 100 MW was simulated in area 1. Figure 12 presents the system’s responses to the large disturbance.
Figure 12.
The system’s responses to the load increase of 100 MW. (a) System frequency. (b) Line active power. (c) WF voltage.
In this case, as seen from the simulation results in Figure 12, for larger disturbances, it is clear to observe that when the FR + POD controller is activated, the control integrated into the BESS improves the frequency stability of the system. Similar to the results of the load reduction of 100 MW, the low-frequency oscillatory damping of the inter-area oscillatory mode was significantly improved.
In general, the simulation results under the load increase case show that the controller has an effect when the load is reduced and is equally effective in improving system stability when the load is increased.
5. Conclusions
This paper proposes a novel frequency security controller. A linearized model of the wind storage system based on digital twin technology was established, and the design functions include the following: (1) smoothing of wind farm active power fluctuations and compensation for reactive power; (2) regulation of the system frequency; and (3) power oscillation damping. Thereby, the operational stability of the power system was maximized.
The controller uses the flexible response characteristics of the ESS to smooth out the WF output active power and compensate for its reactive power on a long-term scale under the premise that the configured ESS capacity is reasonable and to improve the system frequency stability. The FR control adds a PI controller to the power control loop of the energy storage system to eliminate system frequency deviations; the POD control is a phase compensation link that can be added to the active power control loop of the ESS or the voltage control loop.
This study validates the efficiency of the frequency security controller using a classical four-generator, two-area system simulated in DIgSILENT. The proposed novelty frequency security controller offers optimal performance in wind farm power optimization, system frequency regulation, and power oscillation damping compared to separate active and reactive power smoothing controls, FR control, and POD control in the current study. The controller exhibits the following features in its various functions.
- (1)
- Power fluctuation smoothing
In the long-term regulation process, without the addition of active power fluctuation smoothing and reactive power optimization control, the original output wind power fluctuates strongly within 15 min. The proposed algorithm can effectively smooth the fluctuating power so that the synthetic output power is in agreement with the power smoothing index. The energy storage controller is connected to quickly compensate for the reactive power and keep the system power factor as one.
- (2)
- Frequency security control
In significant load disturbances, where the load fluctuates beyond the configured energy storage capacity, the frequency security controller effectively reduces the frequency deviation and suppresses power and voltage oscillations.
This paper illustrates the distinctive ability of the frequency security controller to deliver integrated services based on dynamic real and reactive power. These capabilities can be applied to wind storage systems through agreements between the system operator, relevant utility, and the wind farm owner. Offering such active/reactive power-based support services could introduce new economic advantages to power systems. In a subsequent study, the authors will investigate the optimal configuration parameters of the joint FR + POD control to optimize the frequency security control.
Author Contributions
Conceptualization, W.L. and S.W.; data curation, W.L. and F.Z.; formal analysis, W.L. and N.S.; funding acquisition, F.Z.; methodology, S.W. and N.S; writing—original draft, W.L.; writing—review and editing, F.Z. and S.W. All authors have read and agreed to the published version of the manuscript.
Funding
This work was supported by the National Key Research and Development Program, Grant 2022YFE0141600.
Data Availability Statement
The data presented in this study are available in the article.
Conflicts of Interest
The authors declare no conflicts of interest. The funders had no role in the design of the study; in the collection, analyses, or interpretation of data; in the writing of the manuscript; or in the decision to publish the results.
Appendix A
Based on the system shown in Figure 1 and referring to the Heffron–Phillips model, a linearized model of the ESS controller based on active power compensation is derived, as follows:
In Equation (A1), the coefficients A1, A2, and A3 depend on the system structure and operating conditions, which are as follows:
The linearized model of the energy storage controller based on reactive power compensation is as follows:
In Equation (A3), the coefficients , , are the same as in Equation (A1), and the coefficients , , also depend on the system structure and operating conditions:
Appendix B
In this research, the FR controller parameter range was determined from Figure A1, where = 0.12, = 9, = 4, , and .
Figure A1.
Control parameter design flow.
Figure A1.
Control parameter design flow.

POD controller parameters:
Appendix C
Table A1.
Synchronous generator parameters.
Table A1.
Synchronous generator parameters.
| Term | Parameters |
|---|---|
| Rated active power output | 720 MW |
| Inertia time constant H (rated to Sgn) | 6.5 |
| Mechanical damping | 0 |
| Stator resistance, ra | 0.0025 |
| Stator leakage reactance, xl | 0.2 |
| Synchronous reactance, xd, d-axis | 1.8 |
| Synchronous reactance, xq, q-axis | 1.7 |
| Transient reactance, xd’, d-axis | 0.3 |
| Transient reactance, xq’, q-axis | 0.55 |
Figure A2.
Block diagram of static exciter of SG.
Figure A2.
Block diagram of static exciter of SG.

Table A2.
DPMSG parameters.
Table A2.
DPMSG parameters.
| Term | Parameters |
|---|---|
| Rated active power output | 4 MW |
| Stator rated voltage | 0.72 kV |
| Power factor | 1.0 |
| Pair of poles | 60 |
| Rated rotor speed | 7–12 r/min |
| Stator phase resistance | 0.005 p.u. |
| Direct axis reactance | 1.5 p.u. |
| Quadrature axis reactance | 1.5 p.u. |
Table A3.
ESS parameters.
Table A3.
ESS parameters.
| Term | Parameters |
|---|---|
| Rated active power output | 3 MW |
| Stator phase resistance | 0.008 p.u. |
| Direct axis reactance | 1.2 p.u. |
| Quadrature axis reactance | 1.2 p.u. |
References
- Liu, Y.; Wang, J.; Yue, Z. Improved Multi-point estimation method based probabilistic transient stability assessment for power system with wind power. Int. J. Electr. Power Energy Syst. 2022, 142, 108283. [Google Scholar] [CrossRef]
- Hasan, M.M.; Chowdhury, A.H. An improved adaptive hybrid controller for battery energy storage system to enhance frequency stability of a low inertia grid. J. Energy Storage 2023, 58, 106327. [Google Scholar] [CrossRef]
- Badrudeen, T.U.; Nwulu, N.I.; Gbadamosi, S.L. Low-inertia control of a large-scale renewable energy penetration in power grids: A systematic review with taxonomy and bibliometric analysis. Energy Strategy Rev. 2024, 52, 101337. [Google Scholar] [CrossRef]
- Sun, M.; Min, Y.; Xiong, X.; Chen, L.; Zhao, L.; Feng, Y.; Wang, B. Practical Realization of Optimal Auxiliary Frequency Control Strategy of Wind Turbine Generator. J. Mod. Power Syst. Clean Energy 2022, 10, 617–626. [Google Scholar] [CrossRef]
- Tuo, M.; Li, X. Security-Constrained Unit Commitment Considering Locational Frequency Stability in Low-Inertia Power Grids. IEEE Trans. Power Syst. 2023, 38, 4134–4147. [Google Scholar] [CrossRef]
- Rasool, S.; Muttaqi, K.M.; Sutanto, D. A Multi-Filter Based Dynamic Power Sharing Control for a Hybrid Energy Storage System Integrated to a Wave Energy Converter for Output Power Smoothing. IEEE Trans. Sustain. Energy 2022, 13, 1693–1706. [Google Scholar] [CrossRef]
- Spichartz, B.; Günther, K.; Sourkounis, C. New Stability Concept for Primary Controlled Variable Speed Wind Turbines Considering Wind Fluctuations and Power Smoothing. IEEE Trans. Ind. Appl. 2022, 58, 2378–2388. [Google Scholar] [CrossRef]
- Yang, J.; Peng, L.; Luo, L.; Yang, T. Control Strategy for Energy-Storage Systems to Smooth Wind Power Fluctuation Based on Interval and Fuzzy Control. IEEE Access 2023, 11, 20979–20993. [Google Scholar] [CrossRef]
- Laaksonen, H. Improvement of Power System Frequency Stability with Universal Grid-Forming Battery Energy Storages. IEEE Access 2023, 11, 10826–10841. [Google Scholar] [CrossRef]
- Abbey, C.; Strunz, K.; Joos, G. A Knowledge-Based Approach for Control of Two-Level Energy Storage for Wind Energy Systems. IEEE Trans. Energy Convers. 2009, 24, 539–547. [Google Scholar] [CrossRef]
- Ni, B.; Sourkounis, C. Control strategies for energy storage to smooth power fluctuations of wind parks. In Proceedings of the Melecon 2010—2010 15th IEEE Mediterranean Electrotechnical Conference, Valletta, Malta, 26–28 April 2010. [Google Scholar]
- Ali, M.H.; Murata, T.; Tamura, J. Transient Stability Enhancement by Fuzzy Logic-Controlled SMES Considering Coordination with Optimal Reclosing of Circuit Breakers. IEEE Trans. Power Syst. 2008, 23, 631–640. [Google Scholar] [CrossRef]
- Chen, M.; Jie, Y.; Wang, C.; Li, G.; Qiu, L.; Zhong, W. Optimized Reactive Power Control of Module Power Imbalance of Cascaded Converter. IEEE Open J. Power Electron. 2022, 3, 2–12. [Google Scholar] [CrossRef]
- Yu, L.; Zhang, L.; Meng, G.; Zhang, F.; Liu, W. Research on Multi-Objective Reactive Power Optimization of Power Grid With High Proportion of New Energy. IEEE Access 2022, 10, 116443–116452. [Google Scholar] [CrossRef]
- Delkhosh, H.; Seifi, H. Power System Frequency Security Index Considering All Aspects of Frequency Profile. IEEE Trans. Power Syst. 2021, 36, 1656–1659. [Google Scholar] [CrossRef]
- Zhang, J.A.; Zhao, C.; Tang, W.; Low, S.H. Profit-Maximizing Planning and Control of Battery Energy Storage Systems for Primary Frequency Control. IEEE Trans. Smart Grid 2018, 9, 712–723. [Google Scholar] [CrossRef]
- Nguyen, N.; Bera, A.; Mitra, J. Energy Storage to Improve Reliability of Wind Integrated Systems Under Frequency Security Constraint. IEEE Trans. Ind. Appl. 2018, 54, 4039–4047. [Google Scholar] [CrossRef]
- Wei, X.; Liu, D.; Ye, S.; Chen, F.; Weng, J. Optimal sizing of energy storage in generation expansion planning of new power system with high penetration of renewable energies. Energy Rep. 2023, 9, 1938–1947. [Google Scholar] [CrossRef]
- Knap, V.; Chaudhary, S.K.; Stroe, D.I.; Swierczynski, M.; Craciun, B.I.; Teodorescu, R. Sizing of an Energy Storage System for Grid Inertial Response and Primary Frequency Reserve. IEEE Trans. Power Syst. 2016, 31, 3447–3456. [Google Scholar] [CrossRef]
- Bera, A.; Nguyen, N.; Chalamala, B.; Mitra, J. Quantification of storage required for preserving frequency security in wind-integrated systems. IET Renew. Power Gener. 2023, 17, 2366–2378. [Google Scholar] [CrossRef]
- Liu, H.; Hu, Z.; Song, Y.; Lin, J. Decentralized Vehicle-to-Grid Control for Primary Frequency Regulation Considering Charging Demands. IEEE Trans. Power Syst. 2013, 28, 3480–3489. [Google Scholar] [CrossRef]
- Bhukya, J.; Mahajan, V. Optimization of damping controller for PSS and SSSC to improve stability of interconnected system with DFIG based wind farm. Int. J. Electr. Power Energy Syst. 2019, 108, 314–335. [Google Scholar] [CrossRef]
- Tayal, V.K.; Lather, J.S. Reduced order H∞ TCSC controller & PSO optimized fuzzy PSS design in mitigating small signal oscillations in a wide range. Int. J. Electr. Power Energy Syst. 2015, 68, 123–131. [Google Scholar]
- Khodabakhshian, A.; MEsmaili, R.; Bornapour, M. Optimal coordinated design of UPFC and PSS for improving power system performance by using multi-objective water cycle algorithm. Int. J. Electr. Power Energy Syst. 2016, 83, 124–133. [Google Scholar] [CrossRef]
- Varma, R.K.; Akbari, M. Simultaneous Fast Frequency Control and Power Oscillation Damping by Utilizing PV Solar System as PV-STATCOM. IEEE Trans. Sustain. Energy 2020, 11, 415–425. [Google Scholar] [CrossRef]
- Chandra, S.; Gayme, D.F.; Chakrabortty, A. Coordinating Wind Farms and Battery Management Systems for Inter-Area Oscillation Damping: A Frequency-Domain Approach. IEEE Trans. Power Syst. 2014, 29, 1454–1462. [Google Scholar] [CrossRef]
- Zhao, J.; Qiao, H.; Yao, S.; Li, N. Hybrid Energy Storage System Capacity Configuration Strategy for Stabilizing Wind Power Fluctuation Considering SOC Self-recovery. Trans. China Electrotech. Soc. 2023. [Google Scholar] [CrossRef]
- Li, W.; An, J.; Zhou, Y.; Guo, L.; Jiang, X.; Wang, C.; Gui, J. Research on Impact of Excitation System Adjustment Coefficient on System Damping Characteristics Based on Extended Two-Machine Heffron-Phillips Model. Power Syst. Technol. 2017, 41, 222–230. [Google Scholar] [CrossRef]
- Li, S.; Zhang, H.; Yan, Y.; Ren, J. Parameter Optimization to Power Oscillation Damper (POD) Considering its Impact on the DFIG. IEEE Trans. Power Syst. 2022, 37, 1508–1518. [Google Scholar] [CrossRef]
Disclaimer/Publisher’s Note: The statements, opinions and data contained in all publications are solely those of the individual author(s) and contributor(s) and not of MDPI and/or the editor(s). MDPI and/or the editor(s) disclaim responsibility for any injury to people or property resulting from any ideas, methods, instructions or products referred to in the content. |
© 2024 by the authors. Licensee MDPI, Basel, Switzerland. This article is an open access article distributed under the terms and conditions of the Creative Commons Attribution (CC BY) license (https://creativecommons.org/licenses/by/4.0/).











