Abstract
As reliance on sustainable energy grows, the demand for efficient, high-performance energy storage systems becomes increasingly critical, especially in uninterruptible power supplies (UPS), where reliability and fast transitions are essential. Supercapacitors, with their high power density and rapid charging capabilities, are emerging as strong alternatives to lithium-ion batteries in UPS systems. This paper presents a novel real-time estimation technique for monitoring supercapacitor parameters within a UPS, focusing on the dynamic behavior of these parameters and their evolution over the system’s lifecycle. The proposed estimator demonstrates exceptional accuracy, achieving less than 1% error within 120 ms of startup and nearly zero error thereafter. The estimator’s performance remains robust even as supercapacitor parameters change due to aging effects over the lifespan. The UPS system features a modular design, enabling scalability to accommodate higher power requirements or longer backup durations and adaptability to various supercapacitor types. Experimental results highlight the system’s robustness in both charging and backup modes, emphasizing the potential of supercapacitors as key components in future UPS systems.
1. Introduction
The shift towards renewable energy, driven by concerns about climate change and finite fossil fuel reserves, has increased the need for reliable energy storage solutions, particularly for critical applications such as telecommunications, data centers, and industrial control systems. In these contexts, uninterruptible power supplies (UPS) play a vital role by ensuring continuous power during grid failures or drops in renewable energy output [1]. Traditionally, lithium-ion batteries have been the preferred energy storage technology in UPS systems due to their relatively high energy density and ability to provide sustained power over time [2,3]. However, lithium-ion batteries have significant drawbacks, including a relatively short lifespan, high sensitivity to temperature fluctuations, substantial maintenance requirements, and high replacement costs, which are particularly challenging in remote or outdoor settings [4,5].
In response, supercapacitors, also known as ultracapacitors, have emerged as a promising alternative for short-term energy storage needs [6,7]. Unlike lithium-ion batteries, supercapacitors excel in power density, offering rapid charge and discharge capabilities with minimal maintenance requirements and extended operational life, even under extreme temperatures [8]. These characteristics make supercapacitors ideal for applications that require short bursts of energy delivery, such as telecommunications equipment [9]. However, their low energy density compared to lithium-ion batteries limits their use in long-term backup applications [10,11]. Despite this limitation, advancements in supercapacitor technology, including improvements in energy density and reductions in cost, are expanding their potential, especially in hybrid energy storage systems that combine batteries and supercapacitors to optimize performance across diverse power demands [12,13,14,15]. In these hybrid systems, supercapacitors handle the high-power, short-duration energy demands, while lithium-ion batteries provide sustained energy over longer durations [12,13]. This combination allows for improved system performance and extended battery life by reducing the load on the batteries during high-power events such as power surges or transient load conditions [14,15].
While hybrid systems offer a promising approach, standalone supercapacitor-based energy storage systems are also gaining traction, particularly in applications that prioritize power density and rapid response times over extended backup durations [16,17,18]. Supercapacitors’ ability to deliver high currents almost instantaneously makes them ideal for bridging the gap between power loss and the activation of backup generators or other secondary energy sources. Numerous studies have explored the design and optimization of supercapacitor-based UPS systems, with a focus on maximizing backup time, enhancing efficiency, and minimizing both size and cost [19,20,21]. Additionally, advancements in materials and electrode designs have further improved the energy storage capabilities of supercapacitors [22,23]. Figure 1a illustrates a standalone two-stage configuration in which a series of supercapacitors is connected to a low-voltage DC/DC converter, followed by a high-voltage stage to step up the voltage. Alternatively, Figure 1b shows a standalone configuration with a longer supercapacitor string that utilizes a high-voltage DC/DC converter to directly boost the bus voltage. For the high-voltage stage, an isolated DC/DC converter, such as a dual active bridge, can be employed [24,25]. For the low-voltage stage, non-isolated converters like the half-bridge buck-boost converter or the four-switch buck-boost converter may be used.
Figure 1.
Examples of standalone supercapacitor ESS’s two stages: (a) one low voltage, one high voltage; (b) one single high-voltage stage.
Supercapacitor modeling techniques have evolved significantly to enhance the performance and predictability of these energy storage devices. Electrochemical models offer high accuracy by considering the microscopic interactions within supercapacitors but at the cost of increased computational complexity [26,27,28]. Conversely, equivalent circuit-based models prioritize simplicity and computational efficiency, focusing on essential electrical characteristics like resistive and capacitive behaviors. Enhanced equivalent circuit models incorporate elements like leakage resistances [29,30] and more complex branching [31,32,33] to simulate the dynamic charge redistribution phenomena observed in supercapacitors. To further improve accuracy, fractional-order models have been introduced, incorporating elements like the constant-phase element (CPE) and Warburg-like elements, which provide a more accurate representation of the frequency-dependent impedance characteristics of supercapacitors [34,35].
In uninterruptible power supply (UPS) systems, real-time monitoring of energy storage parameters is essential for ensuring reliable operation and extending the lifespan of these devices. For supercapacitors, parameter estimation presents unique challenges due to their nonlinear behavior and sensitivity to factors such as temperature, voltage, and aging [36]. Estimating the state-of-charge (SOC) and state-of-health (SOH) of supercapacitors can be approached using a variety of advanced techniques, each with distinct strengths and challenges.
Observer-based estimation techniques, such as the sliding mode observer [37], are particularly effective in systems with disturbances or uncertainties, achieving stability by “sliding” along a predefined surface. However, these techniques may struggle with noise and chattering issues. The Luenberger observer [38] estimates internal states by comparing the system output with predicted outputs and adjusting the state variables accordingly. Typically used for linear systems, it can respond quickly to variations but requires accurate system modeling and tuning to account for the nonlinear behavior of supercapacitors. In contrast, the generalized extended state observer (GESO) [39] is adapted for nonlinear systems by treating disturbances as extended states, effectively managing uncertainties and unmodeled dynamics. GESO is often selected for SOC and SOH estimation due to its high accuracy, although it requires careful tuning to maintain stability under varying conditions.
Kalman filtering techniques [40,41,42] offer robust solutions in noisy environments by using a recursive, predict-and-update cycle to filter out noise from measurement data. They can also handle a broader range of operating conditions [43] than observer-based methods. However, Kalman filters are computationally intensive and sensitive to model accuracy [44]. They have been adapted for SOC estimation in fractional-order models [45], which are challenging to analyze directly in the time domain. Kalman filtering enables these models to manage uncertainties and adapt to changes in supercapacitor characteristics over time, though the convergence rate may be slower compared to observer-based methods [46].
Data-driven techniques, such as artificial neural networks (ANNs) [47], are effective in handling complex nonlinear relationships and high levels of noise in systems, though they require substantial training data and computational resources. Due to the high processing demands, ANNs are typically implemented offline. Some hybrid techniques combine ANNs with Kalman filters, where the Kalman filter reduces noise before the ANN predicts future SOC states [48]. Support Vector Machines (SVMs) [49] are also widely used in data-driven estimation, as they manage both classification and regression problems effectively, even in noisy environments. While these approaches are data-intensive, they can be highly effective when ample operational data are available for model training.
Recursive least squares (RLS) estimation [50] enables real-time adjustment of model parameters, minimizing errors between predicted and observed values, making it highly suitable for monitoring state-of-health (SOH). The inclusion of a forgetting factor [51] allows RLS to prioritize recent data over older data, balancing stability with adaptability. This ensures that the estimator remains responsive to recent changes without overly relying on past data, making it well-suited to track aging effects in SOH estimation. Additionally, fractional-order models [52] accurately represent the frequency-dependent characteristics of supercapacitors through fractional derivatives [53]; however, they often rely on electrochemical impedance spectroscopy (EIS) [52] for parameter determination, which can be computationally demanding and impractical for real-time applications. Ultimately, the choice of estimation technique depends on specific application requirements, including accuracy, computational feasibility, and system dynamics. There is thus a need for real-time parameter estimation techniques that are both easy to implement and robust against variations in parameters and system uncertainties.
This paper presents a comprehensive study of the design, modeling, and real-time parameter estimation of supercapacitor-based UPS systems. The research focuses on developing a modular, scalable UPS system that utilizes supercapacitors to provide backup power for short-duration, high-power events, particularly in telecommunications applications. A real-time estimation technique is implemented to accurately track key supercapacitor parameters, including equivalent resistance and capacitance, throughout their operational life. This method is simple to implement and requires minimal computational resources. The algorithm employs a nonlinear observer-based approach to ensure stability and convergence of the estimated parameters over time. The designed UPS system can deliver backup power for up to 160 s at a maximum output of 500 W, with the potential for extended backup duration by adding parallel rows of supercapacitors or incorporating additional converter modules. Experimental validation demonstrates the system’s effectiveness in maintaining high performance under various operating conditions in both charging and backup modes.
The remainder of this article is organized as follows. Section 2 describes the modeling of the supercapacitor and the UPS system. Section 3 introduces the novel adaptive nonlinear observer and provides a detailed stability analysis to verify its robustness. Section 4 presents the simulation results, while Section 5 presents the experimental results. Finally, Section 6 concludes the paper with a summary of the findings.
2. Modeling of Supercapacitors
Supercapacitors are widely analyzed using the classic RC model, which uses equivalent series resistance (ESR) and capacitance (C). The ESR accounts for the internal resistance of the supercapacitor, which affects its efficiency and power handling capabilities, while the capacitance represents the energy storage capacity, determining how much charge the supercapacitor can hold. While simple and computationally light, making it ideal for high-level system analyses, the classic RC model fails to capture the nonlinearities and frequency-dependent behaviors inherent in more complex models. Some advanced models of supercapacitors are described below:
2.1. Transmission Line Model
The transmission line model (TLM) [54,55], depicted in Figure 2a, is extensively used to model supercapacitors with porous electrodes, where it excels in representing complex internal structures. In TLM, pores are modeled by distributed RC circuits, effectively capturing the distributed double-layer capacitance and distributed electrolyte resistance. This model is particularly well-suited for representing the multiple time constants associated with porous electrodes and provides an accurate depiction of both dynamic responses and long-term behaviors of supercapacitors. While the TLM is valuable for analyzing internal charge dynamics and performance under varying loads and frequencies, its complexity makes it computationally intensive and reliant on detailed material properties of the electrodes and electrolyte.
Figure 2.
Equivalent circuit models of supercapacitors: (a) transmission line model and (b) multi-branch RC model.
2.2. Multi-Branch RC Model
The multi-branch RC model, shown in Figure 2b, combines elements of the classic RC model and the transmission line model (TLM) [6], using a distributed RC configuration to represent the porous electrodes. In this model, denotes the equivalent series resistance. Capacitance is divided into , representing voltage-independent capacitance, and , which accounts for voltage-dependent capacitance associated with diffusion layers near the double layers. Additionally, represents the leakage resistance, which becomes significant at maximum voltage. The multi-branch RC model is particularly accurate near the rated voltage.
2.3. Fractional Order Model
Fractional-order models [56,57] are essential in modeling supercapacitors, particularly for systems with porous electrodes where resistance and capacitance parameters are significantly affected by frequency. These models incorporate non-integer order elements to capture the complex internal behaviors of supercapacitors, such as electrode surface roughness, non-uniform ion transportation, and varying electrolyte thickness. The fractional-order models use elements like the constant phase element (CPE), which represents fractional-order capacitive behavior, described by , where ranges between 0 and 1. The circuit elements that are integral to developing electrochemical models for supercapacitors are detailed in Table 1.
Table 1.
Common electrochemical circuit elements and their impedance (including fractional order elements).
In Table 1, q is a scale factor with units of , adjusting the impedance magnitude to better match real-world behaviors, while n is a dimensionless exponent that modifies the phase shift between current and voltage, reflecting non-ideal capacitive properties. The Warburg coefficient, , quantifies the resistance to ion movement through the electrolyte, which is crucial for understanding diffusion processes in electrochemical systems. Additionally, acts as a scaling factor that indicates the system’s admittance at higher frequencies, and B represents the effective length of diffusion paths integral to modeling finite diffusion effects.
Key configurations in fractional-order modeling include the Randles circuit (shown in Figure 3a) and the Debye circuit (shown in Figure 3b). The Randles circuit comprises (equivalent series resistance), (charge transfer resistance), (a CPE modeling double-layer capacitance accounting for Faradaic reactions), and (the Walburg element, modeling diffusion). Conversely, the Debye Circuit features (resistance of the electrolyte), (charge transfer resistance), (double-layer capacitance), and (a CPE representing the frequency-dependent behavior of the electrolyte).
Figure 3.
Fractional-order models: (a) Randles circuit and (b) Debye circuit.
These models exemplify the versatility of fractional-order approaches in thoroughly capturing various aspects of supercapacitor behavior. Despite their complexity and computational demands, these models are crucial for accurately representing the dynamic and long-term characteristics of supercapacitors, thereby playing a vital role in advanced electrochemical storage research.
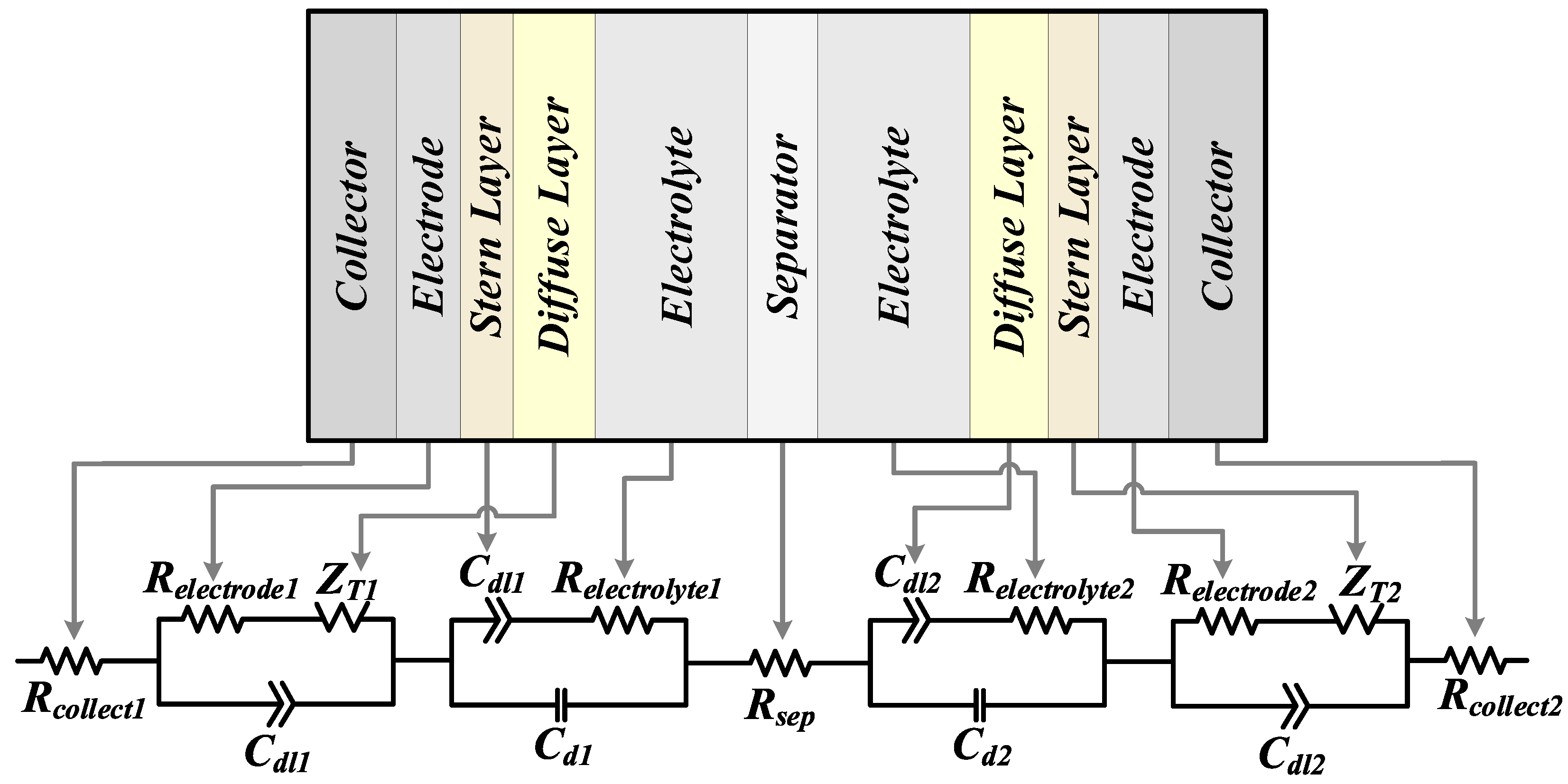
2.4. Layered Structure Representation of a Supercapacitor
Lithium-ion batteries are often modeled with fractional-order circuits to reflect their layered structure [58]. This approach can also be applied to develop a supercapacitor model, which similarly features a layered structure, to effectively capture internal parameters. The Randles circuit and the Debye model facilitate this modeling. Figure 4 illustrates this model and its correspondence to the layers within the supercapacitor.
Figure 4.
Layered model of the supercapacitor.
Table 2 details the circuit parameters and their real-world implications.
Table 2.
Supercapacitor model parameters.
While the model provides a detailed representation of the supercapacitor’s internal layers, it is overly complex, which minimizes its practicality. To address this, the model is simplified by making it symmetrical, reflecting identical behaviors at both terminals of the supercapacitor. This adjustment consolidates terminal impedances and eliminates redundant elements, creating a more streamlined design, as shown in Figure 5.
Figure 5.
Simplified layer model of the supercapacitor.
The impedance of the circuit, depicted in Figure 5, is derived using the impedance formulae for each of the electrochemical elements from Table 1 and is expressed as follows:
Even with the simplified model, the presence of fractional-order components significantly complicates real-time parameter estimation. Consequently, the model is evaluated at a fixed frequency . This results in the following:
At this fixed frequency, the model reduces to two parameters: an equivalent resistance , encompassing all internal resistances (electrolyte, electrodes, and collector), and an equivalent reactance , which reflects all energy storage processes (electrostatic or hybrid electrochemical–electrostatic). These parameters can then be used to analyze the supercapacitor’s physical properties and aging processes, providing a practical approach for systems operating at constant frequencies.
3. Modeling of the Supercapacitor-Based UPS System
The UPS system designed in this study uses a supercapacitor bank as the primary energy storage component, interfacing with the DC bus via a bidirectional half-bridge DC–DC converter.
Figure 6 shows the circuit diagram of the UPS system. In the figure, and refer to the equivalent resistance and capacitance of the supercapacitor bank. The UPS system must be capable of providing rapid, short-term backup power. The bidirectional DC–DC converter is responsible for both charging the supercapacitors during periods of excess energy and discharging them during periods of power demand. The half-bridge topology comprises two switches, and , a capacitor , and an inductor L. Figure 7 illustrates the two modes of the converter during operation. When the switches are in conduction, they are modeled by their on-state resistance, . The resistance and capacitance in the equivalent circuit diagram during both modes of operation are given by and .
Figure 6.
Circuit diagram of the half-bridge bidirectional DC/DC converter and the supercapacitor.
Figure 7.
Modes of operations of the converter: (a) when switch is on and switch is off, and (b) when switch is on and switch is off.
From Figure 7a, applying Kirchhoff’s Voltage Law (KVL), yields the following:
The current through the inductor L, denoted as , is given by the following:
In Equations (3) and (4), is the voltage across , and is the terminal voltage of the bidirectional converter. From Figure 7b, the circuit equations can be expressed as follows:
Let us define a switching function:
Then, from Equations (3)–(6), the dynamics of the system can be expressed as follows:
The fast dynamics of the system are characterized by Equation (7), and the slow dynamics are characterized by Equation (8). In the analysis presented above, only the on-state resistance is used to model the switches and in conduction, and other switch parameters, such as intrinsic capacitances (, , and ) and body diode characteristics, have been omitted due to their negligible impact on the estimation.
4. Adaptive Nonlinear Observer Design and Stability Analysis
In this section, the design and stability analysis of an adaptive nonlinear observer for parameter estimation of supercapacitors within a UPS system is discussed. The objective is to estimate system parameters such as the equivalent resistance () and the equivalent capacitance (), in real-time. These parameters vary over time due to operational conditions and aging, and it is crucial to track these changes to ensure the system operates effectively and reliably.
4.1. Observer Design
The nonlinear observer design is based on the system dynamics governing the UPS. The system model includes equations that describe both the fast and slow dynamics of the supercapacitor, as represented by Equations (7) and (8), respectively. The observer utilizes these dynamics to estimate and through error feedback and update laws.
4.1.1. Fast Dynamics
The observer for the fast dynamics of the system, using the converter mathematical model along with correction terms, can be defined as follows:
where and are the estimated values of and , respectively, is an error gain, and is the estimation error between and (). The dynamics of can be derived by subtracting Equation (9) from Equation (7), yielding the following expression:
where is the estimation error between and . The error dynamics, as represented by Equation (10), must be asymptotically stable to ensure the fast convergence of the estimation error to zero. The following Lyapunov function is defined based on the estimation error:
The Lyapunov function is defined based on the energy of the estimation error for the state variable, , and the estimation error for the equivalent resistance, . The term serves as a compensation gain, which aims to bring the estimation error to zero. The derivative of the Lyapunov function is expressed as follows:
To ensure that the derivative of the Lyapunov function is negative semi-definite, the adaptive update law for estimating is designed as follows:
Hence, the proposed nonlinear adaptive observer for the fast dynamics of the system can be expressed as follows:
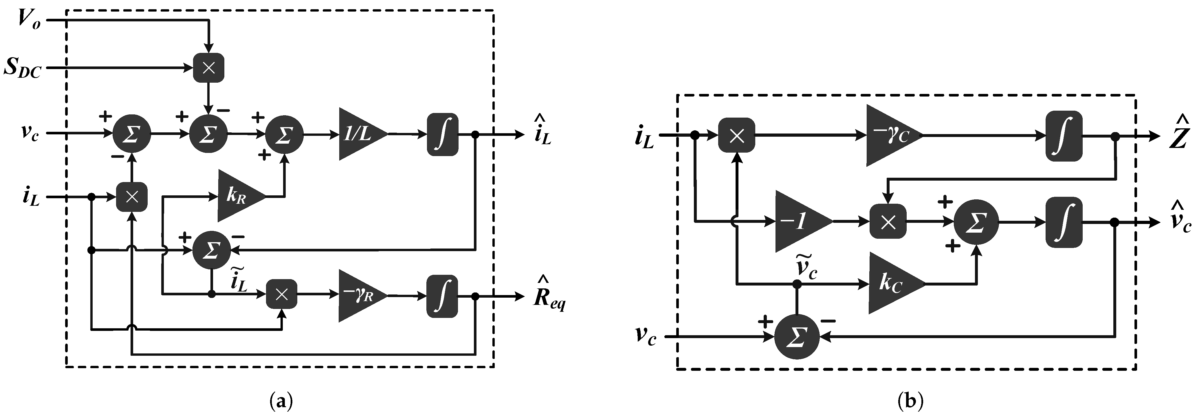
The block diagram of the proposed adaptive nonlinear observer for the slow dynamics is shown in Figure 8a.
Figure 8.
Block diagram of the nonlinear adaptive observer for (a) fast dynamics (b) slow dynamics.
4.1.2. Slow Dynamics
The slow dynamics of the system are described by Equation (8). Let ; then, the slow dynamics can also be expressed as follows:
The observer for this system, utilizing the converter mathematical model along with correction terms, can be defined as follows:
where and are the estimated values of and Z, respectively, is an error gain, and is the estimation error between and (). The dynamics of can be derived by subtracting Equation (16) from Equation (15), yielding the following expression:
where is the estimation error between Z and . The following Lyapunov function is defined based on the estimation error:
where is a compensation gain term that aims to bring the estimation error to zero. The derivative of the Lyapunov function is expressed as follows:
To ensure that the derivative of the Lyapunov function is negative semidefinite, the adaptive update law for estimating Z is designed as follows:
Hence, the proposed nonlinear adaptive observer for the slow dynamics of the system can be expressed as follows:
The block diagram of the proposed adaptive nonlinear observer for the slow dynamics is illustrated in Figure 8b.
4.2. Stability Analysis of the Proposed Non-Linear Observers
The stability of the proposed adaptive non-linear observer is examined in this section. The estimation error dynamics must be asymptotically stable to ensure the accuracy of the estimator, meaning that the error dynamics converge to zero. Equations (22) and (23) show the derivative of the Lyapunov functions and , respectively, when Equation (13) is substituted into Equation (12) and when Equation (20) is substituted into Equation (19) y.
According to Equations (22) and (23), the derivative of the Lyapunov functions are negative semidefinite, indicating that the system is stable in the sense of Lyapunov. However, since the derivatives are not negative definite, the Lyapunov theorem does not guarantee asymptotic stability. These equations ensure stable dynamics but do not necessarily imply that the error dynamics will converge to zero.
Furthermore, since the proposed observer is a time-variant system (as indicated by Equations (14) and (21), where and are the time-variant parameters), Barbalat’s Lemma [59] can be used to assess the asymptotic stability of the system. According to Barbalat’s Lemma, the asymptotic stability of the system can be guaranteed if the time-variant Lyapunov function satisfies the following conditions [60]:
- 1.
- is lower-bounded;
- 2.
- is negative semi-definite;
- 3.
- is finite.
According to Equations (11) and (18), the defined Lyapunov functions are lower bounded (since they are positive definite), and their derivatives are negative semidefinite, as shown in Equations (22) and (23). Therefore, to prove asymptotic stability, and must be finite.
can be calculated as follows:
Similarly, can be calculated as follows:
Since all the terms in Equations (24) and (25) are bounded, and are finite. Given that the Lyapunov functions and their derivatives satisfy all three conditions of Barbalat’s Lemma, the asymptotic stability of the estimation error dynamics ( and ) can be guaranteed. However, the convergence of the parameter estimation errors is not assured. To address this issue, the persistency of excitation (PE) theorem can be employed to prove the convergence of the parameters to their actual values [61]. According to the PE theorem, global asymptotic stability can be ensured if the update laws are persistently excited. As shown in Equations (13) and (20), the update laws share a common regressor , which includes switching components and is sufficiently rich. Therefore, based on the PE theorem, the convergence of and Z is also guaranteed. The proof of stability concludes that the error dynamics are stable, and the system is expected to converge, making the proposed adaptive non-linear observer reliable for practical applications.
The observers’ gains, , , and , , can be tuned to balance convergence speed and robustness against noise. Specifically, increasing these gains accelerates error convergence but may also increase system sensitivity to measurement noise. In conclusion, the proposed adaptive nonlinear observer offers a robust solution for real-time parameter estimation in supercapacitor-based UPS systems. Designed to adapt to changing system conditions, this observer ensures accurate monitoring of critical parameters.
5. Simulation Results
This section presents the simulation results for the proposed estimator, analyzing its functionality in both regular operation and throughout the life cycle of the supercapacitor. It also demonstrates the performance of the supercapacitor-based UPS system, detailing the system’s behavior under various operational conditions, including charge mode and backup mode.
The objective of the controller in the supercapacitor-based UPS system is to track a constant current reference, , during charging mode and a constant power reference, , during backup mode. A proportional-integral (PI) controller is used for this purpose due to its effectiveness in maintaining stable operation across a wide range of scenarios. Block diagrams for the constant current (charging) mode and constant power (backup) mode controls are shown in Figure 9a,b, respectively.
Figure 9.
Control system using (a) a PI controller with a constant current reference for charge mode and (b) a PI controller with a constant power reference for backup mode.
To check the observer’s accuracy, first, the expected values for and Z are calculated. The supercapacitor bank comprises fourteen supercapacitors in a series, each with a capacitance of F and an equivalent resistance of m. The expected result of the estimator can be calculated using Equations (26) and (27):
It is important to note that the estimator sees the equivalent resistance throughout the entire circuit; thus, the of the switches will be included in the estimator’s calculations. Therefore, the results of the estimator are predicted in Equations (28) and (29).
Table 3 presents the parameters of the DC/DC converter used in the simulations, and Table 4 lists the parameters used for the proposed estimator and the controller.
Table 3.
Simulation parameters.
Table 4.
Parameters used for the estimator and controller.
5.1. Parameter Estimation
Figure 10 illustrates the convergence of the estimated state variables, and , to their actual values, and , respectively. As shown in Figure 10a, the inductor current converges to within less than 1% error in 90 ms. Figure 10b provides a detailed view of the current, demonstrating that the estimator consistently tracks the ripple of the measured inductor current, with the error remaining approximately within 1%. Figure 10c presents both the actual and estimated supercapacitor voltages. At 15 ms, the error converges to 0.23%, and at 20 ms, it further reduces to 0.03%. Since both errors, and , converge to zero, it can be concluded that the estimation errors for and will also approach zero.
Figure 10.
(a) Extended view of the actual inductor current () compared to the estimated value (); (b) detailed view of compared to , highlighting the current ripple behavior; (c) comparison of the estimated supercapacitor voltage () with the measured supercapacitor voltage ().
Figure 11a,b shows the convergence of and Z, respectively. , which is dependent on the slower-converging inductor current, takes a total of 120 ms to converge to an error of less than 1%. In contrast, Z converges to less than 1% error in under 35 ms, as its convergence is influenced by the much faster convergence of the supercapacitor voltage. The error and its convergence to zero for each parameter are visualized in Figure 12.
Figure 11.
Convergence of (a) the estimated resistance () compared to the expected value () (b) the estimated impedance (Z) to the expected impedance ().
Figure 12.
Plot illustrating the time taken for error convergence between the measured and estimated variables of the DC/DC converter, as well as the parameters of the supercapacitor.
5.2. Tracking Parameters During the Aging Process of the Supercapacitor
Aging is a critical factor that affects the long-term performance of supercapacitors in UPS systems. Over time, chemical reactions within the electrolyte degrade the supercapacitor’s internal structure, leading to increased ESR, reduced capacitance, and a decline in overall efficiency. This degradation primarily results from chemical reactions within the electrolyte and is exacerbated by high operating temperatures, frequent charge-discharge cycles, and high current levels. There are two main types of aging: calendar aging, which occurs during idle periods or when the supercapacitor is under constant voltage, and cycle aging, which happens during active charge-discharge operations. Factors such as voltage stress, temperature, and the presence of impurities in the electrolyte and electrode materials further accelerate aging by forming by-products that obstruct ionic pathways or increase internal pressure, thereby degrading performance.
Temperature plays a significant role in supercapacitor aging. High temperatures accelerate chemical reactions, leading to faster decomposition of the electrolyte and degradation of electrode materials. This causes an increase in ESR and a decline in capacitance. Low temperatures, on the other hand, increase electrolyte viscosity, reducing ion mobility and capacitance while raising ESR. Such temperature effects not only reduce efficiency but can also significantly shorten the device’s operational life if not mitigated.
As the aging effects of supercapacitors are inevitable and can significantly alter their internal parameters and behaviors, it is essential to ensure that the designed estimator operates effectively under all conditions. It is recommended that supercapacitors be retired once their internal resistance increases by 200% compared to their initial value and their equivalent capacitance is reduced by 30%. Six iterations of a simulation were performed, utilizing different resistances and capacitances to mimic aging effects. For each test, fourteen 50 F supercapacitors were connected in series, and the power delivery was set to 500 W. In the first iteration, the internal resistance was at its initial value, previously determined to be . In the last iteration, the internal resistance reached , representing an approximate 200% increase from the initial value. The aging process of supercapacitors is influenced by a multitude of factors, including operating temperature, applied voltage, and rate of charging and discharging. For calendar aging of supercapacitors, the capacitance and resistance are considered to vary at an exponential rate dependent on both temperature and voltage levels [62]. Thus, all iterations are evenly spaced, with resistance changing exponentially between each iteration. Figure 13a shows each iteration and the estimated value measured at 100 ms.
Figure 13.
Simulation results demonstrating that the proposed estimator can track different values of (a) the equivalent resistance () and (b) equivalent capacitance () of the supercapacitor as it ages throughout its lifetime. The solid-colored lines represent the evolution of different values over time.
As for the equivalent capacitance, Z starts at its initial value of , or , and varies at an exponential rate. The final value is , or . Figure 13b shows the estimated Z for each iteration, measured at 40 ms. For both parameters ( and ), the estimator can accurately track these changes while remaining stable throughout the aging cycle. It is important to note that there is no change in the convergence rate across the different parameter values.
5.3. Modes of Operation of the Supercapacitor-Based UPS System
5.3.1. Charge Mode
In charge mode, the initial voltage of the supercapacitor pack is set to 18.5 V (approximately 1.3 V per cell). While supercapacitors can theoretically be discharged to 0 V, current limitations in the experiment prevent complete discharge. Therefore, a minimum voltage of 18.5 V was chosen to align with the experimental setup, ensuring that the maximum current of 27 A would not be exceeded under any test condition. The charge current is set at 12 A. Figure 14a shows the voltage and current profile of the supercapacitor during charging. As expected, the system maintains a constant 12 A current and exhibits a linear voltage profile. The total charge time can be predicted from this simulation. The supercapacitors charge a total of 1.31 V in 0.5 s. By selecting the maximum voltage at the source terminal as 38.5 V and assuming a constant charge rate, we can calculate the following:
Figure 14.
Simulation results of a 14-cell supercapacitor pack, showing (a) the charge profile at a 12A charge current and (b) the discharge profile at a 20 A current.
From Equation (30), the charge time can be calculated as . This analysis can also be extended to predict the charge time for various charge currents, as shown in Table 5.
Table 5.
Predicted charge time for the 50 F supercapacitor pack.
5.3.2. Backup Mode
In discharge mode, the initial voltage of the supercapacitor pack is set to 38.5 V (2.75 V per cell). While the supercapacitor cells can charge up to 3 V, charging to the full voltage accelerates degradation over time. Therefore, a slightly lower voltage was selected to avoid damaging or overcharging the supercapacitors while maximizing the voltage range. For this test, the power was set at 500 W. Figure 14b shows the voltage and current profile of the supercapacitor pack in discharge mode. As expected, the discharge profile is linear, with the current initially at 13 A and increasing linearly as the supercapacitors discharge.
The backup time can be predicted for the system at various power levels, with the power set-point varied between 100 W and 500 W. Unlike in charge mode, the voltage profile in discharge mode is nonlinear due to the use of a constant power reference. Thus, Equation (31) is utilized to predict the backup time:
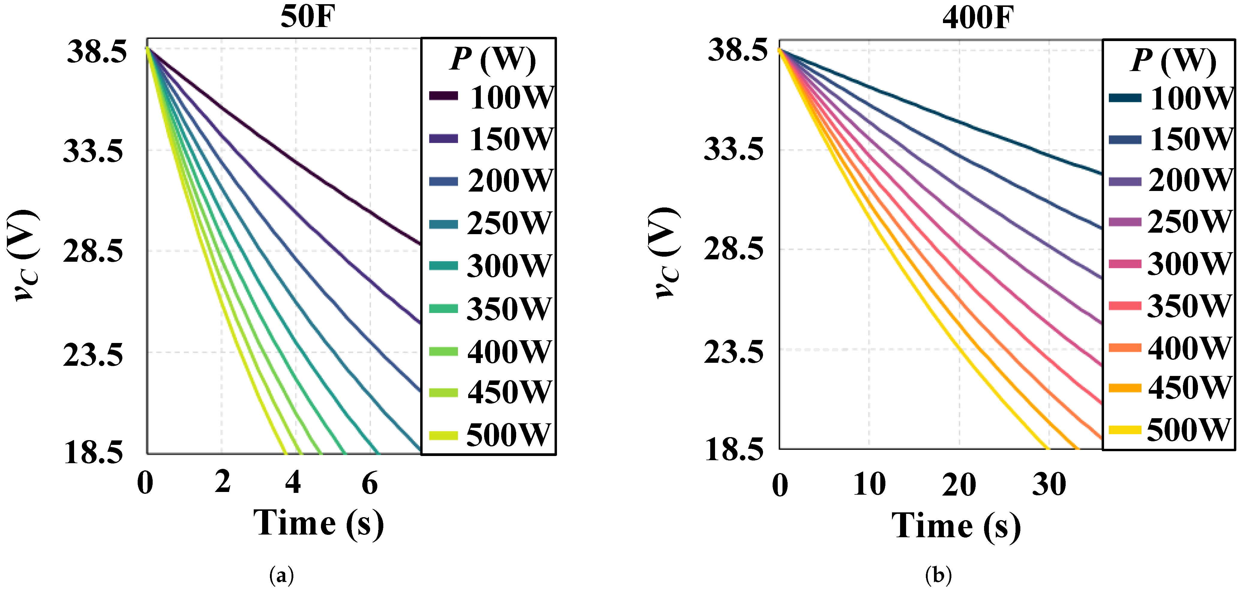
The discharge profile of the system at various power levels is shown in Figure 15a for a 50 F supercapacitor pack and in Figure 15b for a 400 F supercapacitor pack. These figures illustrate that higher power delivery results in a faster discharge of the supercapacitors. Figure 16 demonstrates the relationship between backup time and power delivery.
Figure 15.
Discharge profiles of different supercapacitor banks: (a) 50 F and (b) 400 F at various power levels.
Figure 16.
Plot illustrating the trade-off between backup time and power delivery.
Supercapacitor voltage was monitored throughout the aging cycle to assess its effects on performance. An increase in equivalent resistance results in a greater initial voltage drop at the beginning of the charging process. As the supercapacitor ages, this initial voltage drop increases from 0.5 V per cell to 1 V per cell, leading to a reduction in backup time as the working voltage decreases. Additionally, a decrease in equivalent capacitance indicates that the supercapacitor holds less potential energy than it did initially, causing it to discharge more quickly. Figure 17a illustrates the changes in the discharge profile during the aging process, categorized in terms of percentage, from 0% (New) to 100% (recommended end of life). Figure 17b,c shows the variations in the discharge profile of the supercapacitor voltage corresponding to changes in and .
Figure 17.
Plot showing the voltage profile of the supercapacitor over time under varying conditions: (a) different percentages of aging, (b) varying equivalent capacitances, and (c) varying equivalent resistances.
The discharge rate of the supercapacitor increases significantly throughout its life cycle. The initial backup time of the system is 2.71 s, but at the recommended end of life (EoL), the backup time decreases to 1.14 s, representing a reduction of 57%. Although the supercapacitor can continue to be used beyond its EoL, it may no longer be suitable for its original application.
The simulation results indicate that the designed estimator accurately predicts the internal parameters of the supercapacitor. The estimator converges with less than 1% error for all parameters within 120 ms and maintains its rapid convergence rate across various power levels and a wide range of parameter values.
6. Experimental Results
This section presents an experimental evaluation of the supercapacitor-based UPS system, analyzing its performance in both charging and backup modes. Experiments were conducted with two different supercapacitor configurations: one with a capacitance of 50 F and an ESR of 18 m, and another with a capacitance of 400 F and an ESR of 3.6 m. The experimental setup also includes a half-bridge DC/DC converter. It utilized PSMN4R8-100YSEX (Nexperia USA) MOSFETs. The system’s performance is analyzed across various parameters, including voltage and current profiles during charging and discharging, transient behavior during mode switching, and performance under different loads. Figure 18a shows an image of the supercapacitor, while Figure 18b,c shows the top and bottom views of the PCB for the DC/DC converter, respectively. The experiments were conducted with 14 supercapacitors connected in series. The detailed parameters of the supercapacitors are presented in Table 6. The parameters of the DC/DC converter are the same as those used in the simulations, as described in Table 3. The experimental waveforms display the supercapacitor terminal voltage (), the current through the inductor (), the reference current for tracking (), and the output voltage of the DC/DC converter ().
Figure 18.
Image showing: (a) prototype case holding six 400 F supercapacitors connected in series; (b) top view of the PCB for the half-bridge DC/DC converter; (c) bottom view of the PCB for the half-bridge DC/DC converter.
Table 6.
Supercapacitor parameters used in the experiment.
6.1. Charge Mode
In charge mode, a constant current was applied to charge the supercapacitor setup. Figure 19 shows the charging profiles of the 50 F supercapacitors with charge currents of 8 A and 20 A, respectively. In Figure 19a, the charge time is 9.59 s when the charge current is 8 A, while in Figure 19c, the charge time is 6.17 s for a charge current of 20 A. Figure 19b provides detailed waveforms during the 8 A charging condition, demonstrating that the current closely tracks the reference current . Figure 20 shows the charging profiles of the 400 F supercapacitors with charge currents of 8 A and 20 A, respectively. In Figure 20a, the charge time is 73.24 s for an 8 A current, compared with a simulated charge time of 71.43 s. Figure 20c shows a charge time of 29.98 s for a 20 A current, with a simulated prediction of 28.57 s. Figure 20b provides the detailed waveforms of the variables during the 8 A charging condition. The percentage errors between the simulation and experimental results are 2% and 5%, respectively, indicating strong agreement between the two. The small discrepancies in charge times can be attributed to non-idealities in the circuit.
Figure 19.
Experimental results of the charge mode with 50 F supercapacitors showing (a) an extended capture with an 8 A charge current, (b) a detailed capture with an 8 A charge current, and (c) an extended capture with a 20 A charge current.
Figure 20.
Experimental results of the charge mode with 400 F supercapacitors showing (a) an extended capture with an 8 A charge current, (b) a detailed capture with an 8 A charge current, and (c) an extended capture with a 20 A charge current.
6.2. Backup Mode
In backup mode, constant power was supplied to the load, ranging from 100 W to 500 W. The system’s performance was evaluated based on backup time, as well as voltage and current profiles during discharge. Figure 21 shows the discharge profiles of the 50 F supercapacitors with power deliveries of 100 W and 300 W. At a power set-point of 300 W, the 50 F supercapacitor provided backup for 6.4 s, while at 100 W, it extended to 19.8 s. Figure 22 shows the discharge profiles of the 400 F supercapacitors with power deliveries of 100 W and 500 W. For the 400 F supercapacitor, backup times were significantly longer, with 29.7 s at 500 W and 162.7 s at 100 W. These results demonstrate the trade-off between power delivery and backup duration, a critical factor in UPS applications where a prolonged power supply is often necessary.
Figure 21.
Experimental results of the backup mode with 50 F supercapacitors showing (a) an extended capture with a 100 W power delivery, (b) a detailed capture with a 100 W power delivery, and (c) an extended capture with a 300 W power delivery.
Figure 22.
Experimental results of the backup mode with 400 F supercapacitors showing (a) an extended capture with a 100 W power delivery, (b) a detailed capture with a 100 W power delivery, and (c) an extended capture with a 500 W power delivery.
Table 7 and Table 8 summarize the discharge mode tests for the 50 F and 400 F supercapacitors, respectively, showing a close agreement with the simulation results. The power extracted from the supercapacitor pack includes both the power delivered to the load and the system losses. Specifically, these losses consist of conduction losses in switches and inductors, which contribute to overall power dissipation; switching losses, primarily experienced in MOSFETs due to the energy dissipated during the switching process; and inductor core losses, resulting from magnetic hysteresis and eddy currents within the inductor’s core material. In each case, simulated backup times were consistently shorter than experimental results. This discrepancy likely arises from manufacturing tolerances in the supercapacitors. Each supercapacitor’s manufacturer specifies a guaranteed minimum capacity with a tolerance of up to 30%. Additionally, the ESR values provided in the datasheets are maximum values. In the experiment, the smaller ESR and larger actual capacity contributed to longer observed backup times.
Table 7.
Summary of discharge times in backup mode for the 50 F supercapacitor.
Table 8.
Summary of discharge times in backup mode for the 400 F supercapacitor.
6.3. Transient Waveforms
The transitions between operating modes were evaluated by capturing transient waveforms. Figure 23a shows the transient response of the 50 F supercapacitor bank during the transition from fully charged to backup mode, while Figure 23b displays the transient behavior of the system during the transition from the off-state to charge mode. Figure 24a,b shows similar transient responses for the 400 F supercapacitor bank. These results highlight the system’s ability to switch seamlessly between operational states, maintaining stable voltage and current delivery. The transient waveforms provide valuable insights into the reliability of the converter during dynamic transitions, underscoring the importance of smooth operational shifts to ensure uninterrupted power delivery.
Figure 23.
Experimental results with 50 F supercapacitors showing the transition from the (a) fully charged to backup mode and (b) off state to charge mode.
Figure 24.
Experimental results with 400 F supercapacitors showing the transition from the (a) fully charged to backup mode and (b) off state to charge mode.
During testing, the designed system demonstrated compatibility with different supercapacitors, supporting a wide range of backup times. The backup times obtained in both simulation and experimentation were comparable, with the discrepancies attributed to manufacturing tolerances and discrepancies in system loss modeling and the simplified model of the supercapacitor bank. Using commercially available EDLC supercapacitors at the system’s maximum power level of 500 W, a backup time of 30 s was achieved with 400 F cells. Also, a backup time of 6.4 s was obtained at 300 W using smaller 50 F cells. Additionally, the results confirmed that the designed converter transitions smoothly between operating modes.
The proposed control scheme utilizes a simplified model of the supercapacitor bank to estimate the lumped equivalent resistance and capacitance and . These parameters are crucial for predicting the end-of-life (EoL) condition but may not capture qualitative information about individual supercapacitors. Factors such as production inconsistencies, uneven aging of cells due to different thermal gradients, and voltage imbalances might lead to disparities in individual cells within the bank. This effect can be mitigated through thermal management and the use of active or passive balancing circuits.
7. Comparison with Existing Parameter Estimation Methods for Supercapacitors
Table 9 presents a comparison of the proposed nonlinear adaptive observer with existing methods. The proposed observer exhibits superior accuracy compared to the linear Luenberger observer and avoids the chattering issues associated with the sliding mode observer. A limitation of the proposed approach is that its performance may degrade in noisy environments in comparison to methods such as the extended Kalman filter (EKF). However, it features low computational complexity and requires fewer computational resources than EKF or data-driven approaches like artificial neural networks (ANNs).
Table 9.
Comparison of different methods for supercapacitor modeling and diagnostics.
8. Conclusions
This study presents a comprehensive framework for the design, modeling, and evaluation of a supercapacitor-based uninterruptible power supply (UPS) system, highlighting the effectiveness of a real-time parameter estimation technique. The proposed system harnesses the rapid charge-discharge capabilities and long operational lifespan of supercapacitors, providing a favorable alternative to conventional lithium-ion batteries in UPS applications that require high power density and minimal maintenance. By employing a nonlinear adaptive observer, the UPS system monitors and estimates critical parameters, such as equivalent resistance and capacitance. This ensures stable operation and high accuracy in both charging and backup modes. The estimation scheme achieves error convergence within 120 ms, maintaining an error margin of less than 1% across a wide range of operating conditions. This level of precision is vital for supporting the dynamic behavior of supercapacitors and adapting to changes induced by aging and environmental factors. Aging significantly affects the long-term reliability of UPS systems. As supercapacitors age, increases in ESR and decreases in capacitance gradually reduce backup time. The estimator effectively adapts to these changes, offering real-time monitoring of the supercapacitor’s state of health and facilitating proactive maintenance planning for timely replacements and uninterrupted UPS functionality. Experimental results validate the UPS system’s capability to transition seamlessly between charge and backup modes while preserving stable voltage and current profiles. Although supercapacitors typically exhibit lower energy density than batteries, advancements in supercapacitor technology indicate their potential to outperform existing energy storage solutions in various applications, including those currently dominated by lithium-ion batteries. Future work could explore the impact of active balancing circuits on the proposed estimation method.
Author Contributions
Conceptualization, M.P., K.B., A.L. and A.K.; methodology, M.P. and K.B.; software, K.B. and A.L.; validation, K.B.; formal analysis, K.B. and A.L.; writing—original draft preparation, K.B., A.L. and A.K.; writing—review and editing, A.L., A.K. and M.P. All authors have read and agreed to the published version of the manuscript.
Funding
This research received no external funding.
Data Availability Statement
Data are contained within the article..
Conflicts of Interest
The authors declare no conflicts of interest.
References
- Muhammad Aamir, K.; Kalwar, K.A.; Mekhilef, S. Review: Uninterruptible Power Supply (UPS) System. Renew. Sustain. Energy Rev. 2016, 58, 1395–1410. [Google Scholar] [CrossRef]
- Luo, X.; Wang, J.; Dooner, M.; Clarke, J. Overview of Current Development in Electrical Energy Storage Technologies and the Application Potential in Power System Operation. Appl. Energy 2015, 137, 511–536. [Google Scholar] [CrossRef]
- Aghmadi, A.; Mohammed, O.A. Energy Storage Systems: Technologies and High-Power Applications. Batteries 2024, 10, 141. [Google Scholar] [CrossRef]
- Ramasubramanian, B.; Ling, J.K.; Jose, R.; Ramakrishna, S. Ten Major Challenges for Sustainable Lithium-Ion Batteries. Cell Rep. Phys. Sci. 2024, 5, 102032. [Google Scholar] [CrossRef]
- Baum, Z.J.; Bird, R.E.; Yu, X.; Ma, J. Lithium-Ion Battery Recycling-Overview of Techniques and Trends. ACS Energy Lett. 2022, 7, 712–719. [Google Scholar] [CrossRef]
- Berrueta, A.; Ursúa, A.; Martín, I.S.; Eftekhari, A.; Sanchis, P. Supercapacitors: Electrical Characteristics, Modeling, Applications, and Future Trends. IEEE Access 2019, 7, 50869–50896. [Google Scholar] [CrossRef]
- Slaifstein, D.; Ibanez, F.M.; Siwek, K. Supercapacitor Modeling: A System Identification Approach. IEEE Trans. Energy Convers. 2023, 38, 192–202. [Google Scholar] [CrossRef]
- Pattnaik, S.; Kumar, M.R.; Mishra, S.K.; Gautam, S.P. A Review on Characterization of Supercapacitors and Its Efficiency Analysis for Different Charging Methods and Applications. Energy Storage 2023, 5, e398. [Google Scholar] [CrossRef]
- Gualous, H.; Chaoui, H.; Gallay, R. Supercapacitor Calendar Aging for Telecommunication Applications. In Proceedings of the 2016 IEEE International Telecommunications Energy Conference (INTELEC), Austin, TX, USA, 23–27 October 2016; IEEE: New York, NY, USA, 2016; pp. 1–5. [Google Scholar] [CrossRef]
- Huang, S.; Zhu, X.; Sarkar, S.; Zhao, Y. Challenges and Opportunities for Supercapacitors. APL Mater. 2019, 7, 100901. [Google Scholar] [CrossRef]
- Chakraborty, S.; Mary, N.L. Review—An Overview on Supercapacitors and Its Applications. J. Electrochem. Soc. 2022, 169, 020552. [Google Scholar] [CrossRef]
- Lahyani, A.; Venet, P.; Guermazi, A.; Troudi, A. Battery/Supercapacitors Combination in Uninterruptible Power Supply (UPS). IEEE Trans. Power Electron. 2013, 28, 1509–1522. [Google Scholar] [CrossRef]
- Jia, C.; Cui, J.; Qiao, W.; Qu, L. Real-Time Model Predictive Control for Battery-Supercapacitor Hybrid Energy Storage Systems Using Linear Parameter-Varying Models. IEEE J. Emerg. Sel. Top. Power Electron. 2023, 11, 251–263. [Google Scholar] [CrossRef]
- Khan, K.A.; Khalid, M. Improving the Transient Response of Hybrid Energy Storage System for Voltage Stability in DC Microgrids Using an Autonomous Control Strategy. IEEE Access 2021, 9, 10460–10472. [Google Scholar] [CrossRef]
- Jan, K.U.; Dubois, A.M.; Diallo, D. Hybrid Battery-SC and Battery-Battery Multistage Design and Energy Management for Power Sharing. In Proceedings of the IECON 2021—47th Annual Conference of the IEEE Industrial Electronics Society, Toronto, ON, Canada, 13–16 October 2021; IEEE: New York, NY, USA, 2021; pp. 1–6. [Google Scholar] [CrossRef]
- Urazayev, D.; Zorbas, D. Using Supercapacitors as a Sustainable Energy Storage Solution for Battery-Less IoT Devices. In Proceedings of the 2024 IEEE International Black Sea Conference on Communications and Networking (BlackSeaCom), Tbilisi, Georgia, 24–27 June 2024; IEEE: New York, NY, USA, 2024; pp. 356–359. [Google Scholar] [CrossRef]
- Kularatna-Abeywardana, D.; Kularatna, N. Supercapacitor Energy Storage for Battery-Less, Greener IoT Networks. In Proceedings of the 2023 IEEE Green Technologies Conference (GreenTech), Denver, CO, USA, 19–21 April 2023; IEEE: New York, NY, USA, 2023; pp. 160–163. [Google Scholar] [CrossRef]
- Ekanayake, S.; Wijesinghe, P.; Dassanayake, C.; Sooriarachchi, V.; Gurusinghe, N.; Kularatna, N. UPS Capability and End-to-End Efficiency Improvement Technique for DC Microgrids with Supercapacitor Energy Storage. In Proceedings of the 2021 IEEE 30th International Symposium on Industrial Electronics (ISIE), Kyoto, Japan, 20–23 June 2021; IEEE: New York, NY, USA, 2021; pp. 1–6. [Google Scholar] [CrossRef]
- He, X.; Zhang, X. A Comprehensive Review of Supercapacitors: Properties, Electrodes, Electrolytes and Thermal Management Systems Based on Phase Change Materials. J. Energy Storage 2022, 56, 106023. [Google Scholar] [CrossRef]
- Bharti, A.K.; Ahmed, G.; Gupta, M.; Bocchetta, P.; Adalati, R.; Chandra, R.; Kumar, Y. Theories and Models of Supercapacitors with Recent Advancements: Impact and Interpretations. Nano Express 2021, 2, 022004. [Google Scholar] [CrossRef]
- Shao, Y.; El-Kady, M.F.; Sun, J.; Li, Y.; Zhang, Q.; Zhu, M.; Wang, H.; Dunn, B.; Kaner, R.B. Design and Mechanisms of Asymmetric Supercapacitors. Chem. Rev. 2018, 118, 9233–9280. [Google Scholar] [CrossRef]
- Pottathara, Y.B.; Tiyyagura, H.R.; Ahmad, Z.; Sadasivuni, K.K. Graphene Based Aerogels: Fundamentals and Applications as Supercapacitors. J. Energy Storage 2020, 30, 101549. [Google Scholar] [CrossRef]
- Pham, M.-H.; Khazaeli, A.; Godbille-Cardona, G.; Truica-Marasescu, F.; Peppley, B.; Barz, D.P.J. Printing of Graphene Supercapacitors with Enhanced Capacitances Induced by a Leavening Agent. J. Energy Storage 2020, 28, 101210. [Google Scholar] [CrossRef]
- Sengupta, A.; Pereira, T.; Liserre, M. Design Optimization of Dual Active Bridge Converter for Supercapacitor Application. IEEE Trans. Power Electron. 2024, 39, 11544–11557. [Google Scholar] [CrossRef]
- De La Cruz Vaca, E.; Oñate, A.H.; Caiza, C.Q. Fuzzy Control for a Supercapacitor-Based Energy Storage System Using a Dual Active Bridge Converter. In Proceedings of the 2023 13th International Conference on Power, Energy and Electrical Engineering (CPEEE), Tokyo, Japan, 25–27 February 2023; IEEE: New York, NY, USA, 2023; pp. 78–82. [Google Scholar] [CrossRef]
- Wang, H.; Pilon, L. Accurate Simulations of Electric Double Layer Capacitance of Ultramicroelectrodes. J. Phys. Chem. C 2011, 115, 16711–16719. [Google Scholar] [CrossRef]
- Allu, S.; Velamur, A.B.; Shelton, W.A.; Philip, B.; Pannala, S. A Generalized Multi-Dimensional Mathematical Model for Charging and Discharging Processes in Supercapacitors. J. Power Sources 2014, 256, 369–382. [Google Scholar] [CrossRef]
- Zhang, L.; Hu, X.; Wang, Z.; Sun, F.; Dorrell, D.G. A Review of Supercapacitor Modeling, Estimation, and Applications: A Control/Management Perspective. Renew. Sustain. Energy Rev. 2018, 81, 1868–1878. [Google Scholar] [CrossRef]
- Saha, P.; Dey, S.; Khanra, M. Modeling and State-of-Charge Estimation of Supercapacitor Considering Leakage Effect. IEEE Trans. Ind. Electron. 2020, 67, 350–357. [Google Scholar] [CrossRef]
- Sedlakova, V.; Skavrat, P.; Cech, O.; Sedlak, P.; Pavelka, M.; Kolka, Z. Supercapacitor Equivalent Electrical Circuit Model Based on Charges Redistribution by Diffusion. J. Power Sources 2015, 286, 58–65. [Google Scholar] [CrossRef]
- Zubieta, L.; Bonert, R. Characterization of Double-Layer Capacitors for Power Electronics Applications. IEEE Trans. Ind. Appl. 2000, 36, 199–205. [Google Scholar] [CrossRef]
- Berrueta, A.; Martín, I.S.; Hernández, A.; Ursúa, A.; Sanchis, P. Electro-Thermal Modelling of a Supercapacitor and Experimental Validation. J. Power Sources 2014, 259, 154–165. [Google Scholar] [CrossRef]
- Pean, C.; Rotenberg, B.; Simon, P.; Salanne, M. Multi-Scale Modelling of Supercapacitors: From Molecular Simulations to a Transmission Line Model. J. Power Sources 2016, 326, 680–685. [Google Scholar] [CrossRef]
- Zhang, L.; Hu, X.; Wang, Z.; Sun, F.; Dorrell, D.G. Fractional-Order Modeling and State-of-Charge Estimation for Ultracapacitors. J. Power Sources 2016, 314, 28–34. [Google Scholar] [CrossRef]
- Rahman, S.H.; Jagadan, G.; Shreelakshmi, M.P. Fractional Order Modeling and Parameter Estimation of Supercapacitor. In Proceedings of the 2022 International Conference on Futuristic Technologies in Control Systems & Renewable Energy (ICFCR), Virtual Event, 1–5 July 2022; pp. 1–5. [Google Scholar] [CrossRef]
- Catelani, M.; Ciani, L.; Marracci, M.; Tellini, B. Analysis of Ultracapacitors Ageing in Automotive Application. Microelectron. Reliab. 2013, 53, 1676–1680. [Google Scholar] [CrossRef]
- Fan, S.; Duan, J.; Sun, L.; Zhang, K.; Han, Y. State of Charge Estimate for Super-Capacitor Based on Sliding Mode Observer. In Proceedings of the 2017 IEEE Transportation Electrification Conference and Expo, Asia-Pacific (ITEC Asia-Pacific), Harbin, China, 7–10 August 2017; IEEE: New York, NY, USA, 2017; pp. 1–5. [Google Scholar] [CrossRef]
- Ceraolo, M.; Lutzemberger, G.; Poli, D. State-of-Charge Evaluation Of Supercapacitors. J. Energy Storage 2017, 11, 211–218. [Google Scholar] [CrossRef]
- Zhou, Y.; Huang, Z.; Li, H.; Peng, J.; Liu, W.; Liao, H. A Generalized Extended State Observer for Supercapacitor State of Energy Estimation with Online Identified Model. IEEE Access 2018, 6, 27706–27716. [Google Scholar] [CrossRef]
- Naseri, F.; Farjah, E.; Ghanbari, T.; Kazemi, Z.; Schaltz, E.; Schanen, J.-L. Online Parameter Estimation for Supercapacitor State-of-Energy and State-of-Health Determination in Vehicular Applications. IEEE Trans. Ind. Electron. 2020, 67, 7963–7972. [Google Scholar] [CrossRef]
- Zhang, J.; Zhang, L.; Li, Y.; Liu, H. The State-of-Charge Estimation of Supercapacitor With Kalman Filtering Algorithm. In Proceedings of the 2021 3rd International Conference on Electrical Engineering and Control Technologies (CEECT), Macau, Macao, 16–18 December 2021; pp. 208–211. [Google Scholar] [CrossRef]
- Nadeau, A.; Sharma, G.; Soyata, T. State-of-Charge Estimation for Supercapacitors: A Kalman Filtering Formulation. In Proceedings of the 2014 IEEE International Conference on Acoustics, Speech and Signal Processing (ICASSP), Florence, Italy, 4–9 May 2014; pp. 2194–2198. [Google Scholar] [CrossRef]
- Manes, C.; Parasiliti, F.; Tursini, M. A Comparative Study of Rotor Flux Estimation in Induction Motors with a Nonlinear Observer and the Extended Kalman Filter. In Proceedings of the IECON’94-20th Annual Conference of IEEE Industrial Electronics, Bologna, Italy, 5–9 September 1994; IEEE: New York, NY, USA, 1994; Volume 3, pp. 2149–2154. [Google Scholar] [CrossRef]
- Zhang, Y.; Zhao, Z.; Lu, T.; Yuan, L.; Xu, W.; Zhu, J. A Comparative Study of Luenberger Observer, Sliding Mode Observer and Extended Kalman Filter for Sensorless Vector Control of Induction Motor Drives. In Proceedings of the 2009 IEEE Energy Conversion Congress and Exposition, San Jose, CA, USA, 20–24 September 2009; pp. 2466–2473. [Google Scholar] [CrossRef]
- Ospina Agudelo, B.; Zamboni, W.; Monmasson, E. A Comparison of Time-Domain Implementation Methods for Fractional-Order Battery Impedance Models. Energies 2021, 14, 4415. [Google Scholar] [CrossRef]
- Wang, Y.; Tian, J.; Sun, Z.; Wang, L.; Xu, R.; Li, M.; Chen, Z. A Comprehensive Review of Battery Modeling and State Estimation Approaches for Advanced Battery Management Systems. Renew. Sustain. Energy Rev. 2020, 131, 110015. [Google Scholar] [CrossRef]
- Wang, Y.; Yang, D.; Zhang, X.; Chen, Z. Probability Based Remaining Capacity Estimation Using Data-Driven and Neural Network Model. J. Power Sources 2016, 315, 199–208. [Google Scholar] [CrossRef]
- Houlian, W.; Gongbo, Z. State of Charge Prediction of Supercapacitors via Combination of Kalman Filtering and Backpropagation Neural Network. IET Electr. Power Appl. 2018, 12, 588–594. [Google Scholar] [CrossRef]
- Wei, J.; Dong, G.; Chen, Z. Remaining Useful Life Prediction and State of Health Diagnosis for Lithium-Ion Batteries Using Particle Filter and Support Vector Regression. IEEE Trans. Ind. Electron. 2018, 65, 5634–5643. [Google Scholar] [CrossRef]
- Zoubida, B.; Jalal, S. Real-Time Identification of Supercapacitor RC Model Parameters Using Recursive Least Squares Method. In Proceedings of the 2020 IEEE 2nd International Conference on Electronics, Control, Optimization and Computer Science (ICECOCS), Kenitra, Morocco, 2–3 December 2020; pp. 1–6. [Google Scholar] [CrossRef]
- Paleologu, C.; Benesty, J.; Ciochina, S. A Robust Variable Forgetting Factor Recursive Least-Squares Algorithm for System Identification. IEEE Signal Process. Lett. 2008, 15, 597–600. [Google Scholar] [CrossRef]
- Li, W.; Bie, Y.; Li, Y.; Zhang, Y.; Zhang, J.; Zhang, H.; Zhou, C. Model Reduction of Fractional Impedance Spectra for Time–Frequency Analysis of Batteries, Fuel Cells, and Supercapacitors. Carbon Energy 2024, 6, e360. [Google Scholar] [CrossRef]
- Krishnan, G.; Das, S.; Agarwal, V. An Online Identification Algorithm to Determine the Parameters of the Fractional-Order Model of a Supercapacitor. IEEE Trans. Industry Appl. 2020, 56, 763–770. [Google Scholar] [CrossRef]
- Shi, L.; Crow, M.L. Comparison of Ultracapacitor Electric Circuit Models. In Proceedings of the IEEE Power and Energy Society General Meeting-Conversion and Delivery of Electrical Energy in the 21st Century, Pittsburgh, PA, USA, 20–24 July 2008; pp. 1–6. [Google Scholar] [CrossRef]
- Chang, X.; Lei, D.; Zhang, S.; Li, S.; Yang, Y. Novel Supercapacitor Model Parameter Identification Methods. In Proceedings of the 2nd International Conference on Power and Renewable Energy (ICPRE), Chengdu, China, 20–23 September 2017; pp. 81–86. [Google Scholar] [CrossRef]
- Mainka, J.; Gao, W.; He, N.; Dillet, J. A General Equivalent Electrical Circuit Model for the Characterization of MXene/Graphene Oxide Hybrid-Fiber Supercapacitors by Electrochemical Impedance Spectroscopy—Impact of Fiber Length. Electrochim. Acta 2022, 404, 139740. [Google Scholar] [CrossRef]
- Freeborn, T.J.; Maundy, B.; Elwakil, A.S. Fractional-order Models of Supercapacitors, Batteries, and Fuel Cells: A Survey. Mater. Renew. Sustain. Energy 2015, 4, 9. [Google Scholar] [CrossRef]
- Lazanas, A.C.; Prodromidis, M.I. Electrochemical Impedance Spectroscopy—A Tutorial. ACS Meas. Sci. Au 2023, 3, 162–193. [Google Scholar] [CrossRef] [PubMed]
- Teel, A.R. Asymptotic Convergence from Lp Stability. IEEE Trans. Autom. Control 1999, 44, 2169–2170. [Google Scholar] [CrossRef]
- Wiggins, S. Introduction to Applied Nonlinear Dynamical Systems and Chaos; Springer: New York, NY, USA, 2003. [Google Scholar]
- Marino, R.; Tomei, P. Nonlinear Control Design: Geometric, Adaptive and Robust; Prentice Hall: Englewood Cliffs, NJ, USA, 1995. [Google Scholar]
- El Mejdoubi, A.; Chaoui, H.; Sabor, J.; Gualous, H. Remaining Useful Life Prognosis of Supercapacitors Under Temperature and Voltage Aging Conditions. IEEE Trans. Ind. Electron. 2018, 65, 4357–4367. [Google Scholar] [CrossRef]
Disclaimer/Publisher’s Note: The statements, opinions and data contained in all publications are solely those of the individual author(s) and contributor(s) and not of MDPI and/or the editor(s). MDPI and/or the editor(s) disclaim responsibility for any injury to people or property resulting from any ideas, methods, instructions or products referred to in the content. |
© 2024 by the authors. Licensee MDPI, Basel, Switzerland. This article is an open access article distributed under the terms and conditions of the Creative Commons Attribution (CC BY) license (https://creativecommons.org/licenses/by/4.0/).




























