Abstract
In this study, a stepper driver, which is suitable for use in the automotive industry, designed for general use, capable of adaptive learning in the systems in which it is used, and with CAN and universal asynchronous receiver–transmitter (UART) communication options, was designed. This design was made with a PIC18F25K22 microcontroller unit (MCU). Rotor speed, armature current, and terminal voltage can be measured on the proposed brushed DC motor drive system. It gives the desired response by evaluating obstacles and other situations in which high currents are drawn from the source. The speed measurement of the vehicle and the open and closed status of an automatic door can be monitored. The main contribution of the designed PCB is an adaptive learning algorithm (ALA) that uses the pulses of the encoder, estimates the position of the step, and manages the operation process to prevent mechanical damage at the final point of the motor. Furthermore, unexpected hitting and pinching which are defined as obstacles to the driver can be controlled by monitoring the current value drawn from the driver. The benefit of this method is that the life of the mechanical step is increased due to the management of the forward and backward step operation, preventing potential accidents.
1. Introduction
Brushed DC motors, which are used in many subsystems in different industries, have become indispensable subcomponents because of their advantages in controlling a wide speed range, having high starting and accelerating torques with good speed regulation, and driving with cheaper and simpler drive systems compared to AC motors [1,2]. Particularly in the automotive industry, it is crucial that the brushed DC motor drives used to control speed, position, and direction must be cost-effective, applicable to different components of a product (i.e., door, mirror, seat, etc.), and have high-quality features. Also, as stated in [3], there is a need to provide high-performance, simple, and intelligent control of DC motors which are widely used in the motion systems of electric vehicles, for energy efficiency.
As mentioned in [4], in systems that provide drive for low loads, motion capability can be provided via the open-loop control of the armature voltage, while in systems that provide drive for high loads, closed-loop speed control is required. The position of the load and the location of the center of gravity are important factors in speed control, such as in the cases of automatic under-door steps or automatic door systems used in the automotive industry.
In drive systems where closed-loop speed and position control are performed, Hall effect sensors or encoders are needed for position and speed information. However, it is emphasized in the literature that these sensors increase system cost and complexity, and these sensors are affected physically and magnetically by the operation conditions. For this reason, speed-sensorless systems have been widely recommended recently. Speed-estimation methods can be classified into two groups, as stated in [5]. The first group rely on dynamic model-based observer/estimators, and the second group rely on holding down and counting the ripple components of the stator current of the motor [1].
In [6], a linear brushed DC motor with a dynamic model-based estimator was proposed in order to estimate the motor speed, although this system is sensitive to variations in resistance, inductance, and back electromotive force (EMF) due to the operating conditions. Alternative methods based on non-linear models of the brushed DC motor or indirect models, such as a Kalman filter and neural networks [7,8,9], have more stable estimation performance compared to the linear-model-based estimators by estimating the other parameters or states of brushed DC motors. Nevertheless, these estimators have high complexity and require expertise. Therefore, speed-sensorless brushed DC motor drivers proposed for industrial systems are difficult to implement in real time.
In addition to the methods mentioned above, ripple-component-counting methods are also proposed in the literature [5,10,11]. These are considered in the second group, in which the DC component and AC component (also known as the ripple component in the measured motor current) are analyzed, and motor speed information is obtained with the ripple component numbers. In [10], the ripple components of the inductive current of a brushed DC motor are measured while the motor is kept in a standstill position. In [5,11], stator current spikes were determined and counted for the purpose of speed estimation while a brushed DC motor was operating at a range of speeds. All the proposed ripple-counting methods require different filter structures to count the ripple components of the stator current of brushed DC motors. The development process of these filter structures has had some difficulties, including complicated hardware designs for the drive systems and high software and computational burdens.
Speed control in brushed DC motors is achieved by changing the armature voltage in the operating range up to the rated speed. But the speed control is provided by weakening the flux in field windings while the motor is operating above the nominal speed. Different power electronic circuit topologies are required to provide control in both regions covering the operating region up to the rated speed and the operating region above the rated speed [12]. DC motor drives can be classified as regenerative or non-regenerative according to their regenerative braking capabilities, and they are also classified according to their input sources, i.e., as AC or DC powered [2]. Drive systems that provide control in four quadrants including regenerative braking have more complex structures than the drive systems in which the direction of motor speed and induced torque are controlled in first and third quadrants by reversing the output terminal voltage of the converter with semiconductor or electromechanical switches. In drive systems with three-phase or one-phase AC supplies, controlled rectifier topologies are used, while PWM-controlled isolated (boost, Zeta, Sepic, and Cuk) and non-isolated (flyback, forward, push–pull, bridge, and interleaved) DC–DC converters are used in drive systems supplied by DC bus voltage [13,14]. DC-DC boost converters are preferred for many industrial applications due to their ability to control over a wide power range and their advantages of uncomplicated circuit design and simple modeling.
Among step-up converters, due to their simple structure and low-cost design, boost converters are recommended in many industrial applications, requiring low power and offering practical applicability. In [13,15], many different approaches proposed in the literature for boost converter structures were examined, and the difficulty in preventing power losses during switching is stated as a disadvantage. However, it is also stated that this problem can be solved by performing different soft switching techniques proposed in the literature [16,17]. The DC-DC boost converter can operate with high switching frequencies by providing switching under zero voltage with snubber circuits, one of the soft switching techniques. Thus, the cost and the size of the converter design can be minimized as desired by the industrial manufacturer [18].
Another widely preferred driver system in brushed DC motor control is the PWM-controlled chopper-based power electronics topology [2,19,20]. Chopper-fed brushed DC motor driver systems having less complex control characteristics than the other non-isolated power converters are mostly preferred in industrial driver systems where control is performed only in the first and third quadrants. In the literature there are many studies on improving the control ability and efficiency of the chopper-fed brushed DC motor drive circuits as proved and examined in [12]. These driver systems are based on the application of the chopper’s supply bus voltage to the motor armature terminals with PWM, and for this reason, motor control can only be provided at voltage values below the supply bus voltage value in these types of driver systems. However, driver systems used in industry require designs that will allow motor terminal voltages to exceed the nominal value with a certain tolerance in order to meet short-term high torque demands which occur depending on the operation conditions. In addition, design simplicity, ease of control, low cost, and minimal size requirements are among the requirements of the industry. Considering these requirements, the bus voltages of chopper-based drivers need to be increased at the time of instant high torque demand. In particular, the consistent variable operating conditions in the automotive industry are a factor in this necessity. Furthermore, in the automotive industry, it is demanded that a designed brushed DC motor driver be applicable to different systems and that this driver works stably with the controlled systems. For example, it is desired by automotive manufacturers that a designed motor driver be usable in sliding door systems, under-door step systems, air-conditioning systems, window and mirror automatics, and seat-positioning systems. In addition, motor drive systems that provide repetitive movement in these moving systems must complete a previously determined task within a certain time and with limited motion planning. Because of this, proposed and designed motor drive systems must have high-performance position and speed control capability.
The repetitive motion and positioning process realized with a brushed DC motor need to be tailored to the motor drive systems, thus ensuring a stable operating characteristic and detecting the possible errors and challenging situations that may occur during operation and terminating or changing the direction of the motor. Detailed studies on artificial intelligence and machine learning methods proposed in the literature for motion and position-mapping processes in systems with repeated movement capabilities in various industrial fields such as mobile robots, robot arms, microrobots, automatic doors, autonomous vehicles, where DC motors and servo motors are mostly preferred, are presented in [21,22,23,24,25,26,27,28]. In artificial intelligence and machine-learning-based methods such as reinforcement learning, supervised learning, deep learning, machine learning, learning from demonstration, neural networks, and fuzzy Q-learning suggested in the literature, online and offline trainings are carried out for the purpose of motion and position mapping with data obtained from measurements from controlled electromechanical systems. But the proposed artificial intelligence and machine-learning-based training methods require expertise and lots of measured data for the best training, and their implementations are difficult with industrial microcontrollers because of their stochastic and mathematical complexity and they require microcomputers having high memory capacities.
Especially in the automotive industry, it is exigent that the electromechanical system control including motor control and trainings for motion mapping are accomplished with industrial microcontrollers having limited memory capacities and peripheral units. In this study, the DC-DC boost and DC-DC chopper converter topologies, which have been proven to be successful in the literature and industrial application areas, are preferred to be used in a cascade structure in the proposed brushed DC motor driver, and no performance comparison is made with other proposed power electronics topologies. As stated in [2], the control performance and efficiency of the DC-DC boost converter, which is used especially in the control of low- and medium-power motors with low inductance values, can operate at high switching frequencies, and thus has an ability that can reduce current ripple, are tried to be increased by using the soft switching method realized with a snubber circuit. Thus, a driver design that can be sustainable in the automotive industry is proposed by the principles of low cost, high efficiency, control stability, and control simplicity, which constitute the basic approach of the study. Furthermore, a low-cost brushed DC motor drive system is designed with a completely industrial approach by using a commercial industrial microcontroller, Microchip’s PIC18F25K22. The proposed drive system needs only the speed and motor current information obtained from the motor shaft and armature terminal with an Hall effect sensor and a high-precision Hall effect current transducer, respectively, in order to implement a novel adaptive learning approach for motion mapping and a stable repetitive operating characteristic of the moving mechanical system of an under-door step used in the automotive industry. The main contributions of the proposed study are given as follows:
- A PWM-controlled DC-DC chopper-based brushed DC motor driver whose DC bus voltage can be increased with a boost converter is developed using the DC-DC boost converter topology. Thus, a simple and stable driver structure is developed, and a completely industrial solution for automotive manufacturing is presented that can provide torque demand and speed control in the movement difficulties that occur depending on the operating conditions.
- The operating range and motion mapping of the motor driver that provides control of the electromechanical system can be determined with a simpler learning algorithm, unlike the artificial-intelligence-based learning algorithms available in the literature.
- In order to verify that the proposed driver has long-term durability in industrial applications, the driver system has been subjected to 100,000 cycle tests on the test setup created with the under-door step mechanical system, and this is the first time tests with such long cycle times have been carried out in the literature.
- With the proposed brushed DC motor driver, due to the variable output power it is possible to provide mobility to different mechanical systems in the automotive industry.
This paper is organized as follows. After problem definition and the literature review in the Introduction, the structure of the proposed drive system is introduced in Section 2. Section 3 describes the hardware design procedure of the proposed driver and the proposed novel ALA method that is simple and does not impose a heavy computational burden. Experimental results of the proposed drive system are given in Section 4. Conclusions and a discussion are given in Section 5. The patent application related to the study is presented in Section 6.
2. Structure of the Proposed Drive System
The structure of a brushed DC motor is shown in Figure 1. The stator is the part of the brushed DC motor that covers the rotor and generates magnetic fields by using windings or magnets. The rotor or armature is a part which uses windings to be energized and rotates into the stator. The commutator is the part of the motor that ensures switching of the poles and is located on the axle. Brushes are made of carbon and move on the commutator.
Figure 1.
Brushed DC Motor.
Electronic subsystems used in the automotive industry usually use 12 V DC voltage. In a DC motor, 120 VA power is consumed if 10 A current is drawn when 12 V voltage is applied. In the steady state of the motor, 2–3 A of current is drawn. Since the DC motor is used in places where high torque is required, current several times more than the nominal load current of 10 A is drawn in cases such as a transient state including starting under load torque or overload due to an obstacle during operation. In direct current machines, the current drawn increases even more as the speed decreases. When the DC motor starts to operate, we encounter a torque arising from the inertia of the moving parts and the load. In order to start and accelerate, enough power must be applied to overcome this force, and enough energy must be expended to overcome the potential caused by inertia and acceleration must be provided. These reasons may cause the DC motor to draw current up to several times its nominal current during the start. In a DC motor drive that can operate without ignoring these situations, the effects of these situations can be sensed, detected, and eliminated with an MCU. In addition, this situation directly affects the structure of the design.
The general scheme of the system is explained in Figure 2.
Figure 2.
General scheme of the System.
For the nominal operation of the DC motor, the harness between it and the 12 V power supply is generally capable of carrying 15–25 A. The existing cable cross-sections used in the automotive industry will not be sufficient for the operation of the DC motor that will come in an optional product. For this reason, during the start of a 120 VA motor, the voltage at the motor terminals remains below 12 V. In addition, since the low voltage causes low speed, the motor has to draw much more current than necessary. In order to achieve the start-up process in a healthy way, it is necessary to ensure that the motor voltage is at least 12 V. For this reason, the bus voltage of the DC-DC chopper circuit can be controlled by a boost converter in which the PWM signals are generated with MCU. With the boost converter, 20% more than the motor nominal voltage is generated and, when applied to the motor, the motor speed is increased and the time consumption of the repetitive operation can be decreased and thus the time-dependent operating scenario described to driver can be optimized.
In the proposed drive circuit, in order to keep the bus voltage of the DC-DC chopper above or equal to 12V, the proposed boost converter is activated during starting of the electromechanical system. In this case, when the motor nominal voltage can be kept at the nominal level, higher current is drawn from the input. With the MCU-based closed-loop control system, the bus voltage of the DC-DC chopper and output voltage of the boost converter can be measured and evaluated according to the situation. With control of the bus voltage of the DC-DC chopper circuit, software-controlled power modulation according to the current drawn from the source, it is possible to prevent excessively low voltage at the input. These are protection techniques that can be provided with software.
A MOSFET is preferred as the switching element to control the output voltage of the boost converter. The gate voltage required for MOSFETs is used from the voltage generated from any other the boost circuit which is designed for voltage level shifting of the PWM outputs of the MCU. This voltage is approximately 15 V and the MOSFET driver is fed with this voltage. The required PWM is applied to the MOSFET by the MCU.
With the purpose of changing the direction of the DC motor, double contact relays are used to change the direction of the armature current of the brushed DC motor so that the motor can rotate in both directions. These relays have an operating voltage of 12 V. While the motor is kept stationary or needs to be stopped immediately, the contacts of the relays are connected in such a way as to short-circuit the motor armature terminals.
In addition to the rotation selection of the relay circuit, there is a DC-DC chopper circuit in which the output voltage is chopped and the power can be controlled with a MOSFET switched by a PWM signal generated by the MCU in the form of different duty ratios (D) at constant frequency. The output voltage of the DC-DC chopper which is applied through the motor armature terminal can be detected by the MCU with a voltage instrumentation unit designed with a differential amplifier circuit. Furthermore, filtering and snubber circuits are used to provide the soft switching under zero voltage.
In order to provide closed-loop control, a Hall effect current transducer is used to measure the current through the motor terminals. There is also a Hall effect sensor on the motor shaft that generates 6 pulses at each full revolution by using 6 magnets mounted around the motor shaft. The motor driver is expected to receive motion information via the Hall effect sensor until a certain power is reached within a certain period of time, and motion and speed control can be performed by interpreting whether this signal is due to a stall effect or not with the MCU.
It is seen from Figure 2, during the normal operation condition in which the driver needs rated 12 V bus voltage (VSUPPLY), speed control of the brushed DC motor is possible with the help of a DC-DC chopper and the average output voltage (VAVERAGE) is obtained with PWM at a constant frequency and variable D in the proposed drive system. In DC-DC converters the main consideration is that low frequency control may cause noisy motor response while high-frequency control increases switching losses for switching components (MOSFET and BJT). A switching frequency ranging from 4 kHz to 20 kHz is considered as ideal to avoid the mentioned disadvantages. As mentioned before, D symbolizes the duty ratio of the PWM signal and multiplication of D by VSUPPLY gives VAVERAGE as follows [29]:
VAVERAGE = D × VSUPPLY
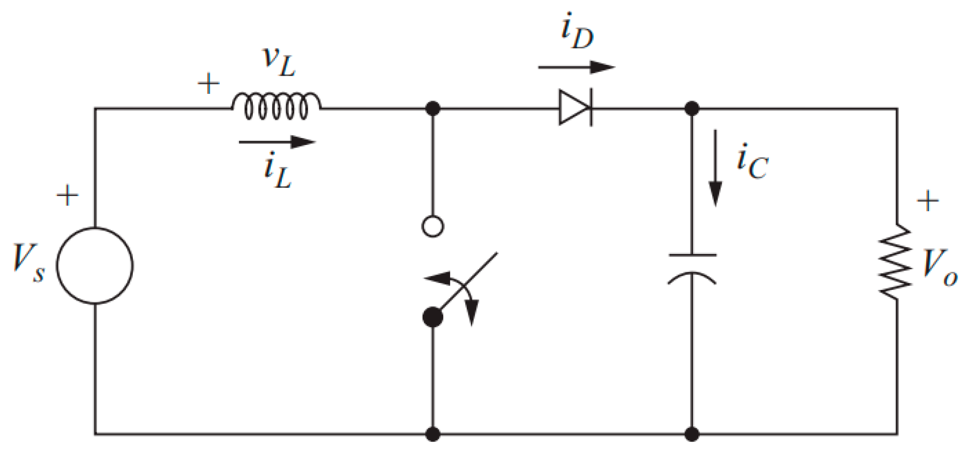
The boost converter given in Figure 3 is responsible for increasing an input voltage to a higher output voltage level. The energy is transferred to the output when the switching component is not conducting. The boost converter’s source voltage (VS), output voltage (VO), minimum inductor value (L), minimum output filter capacitor value (C), and current ripple (ΔIL) are calculated as given below [30].
Figure 3.
Basic electrical circuit of boost converter topology [30].
The relationship of output and input voltage (Vo and Vs) with regard to duty cycle (D) is as follows:
Minimum inductor value of the boost converter is obtained from the expression given below:
where R is load resistance and can be taken as .
Continuous current is calculated as below:
Calculation of the current ripple () is given as follows:
The minimum value of the output filter capacitor is calculated from the following expression:
From the expressions given above, the critical values of the parameters of the proposed boost converter are determined under the condition that the boost converter remains in continuous conduction mode (CCM). In the proposed drive system, due to the power limitation of the brushed DC motor, the highest value of the duty cycle is determined as 28.6% from (2) with the purpose of boosting the input voltage which is within a 10–12 V interval to 14 V output voltage. In the most challenging condition for the proposed drive system, which is when the input voltage is 10 V, the output voltage demand is 14 V under a 5.5 A load current, and the inductance current IL is calculated as 7.7 A from (4). Under this condition, the minimum inductance value Lmin is calculated as from (3) while the switching frequency is chosen as 20 kHz. In the proposed brushed DC motor driver design, Lmin is chosen as 10 µH and is calculated as 7.15 A from (5). This inductance current ripple value ensures that the designed boost converter hardware operates in CCM. The minimum value of the output filter capacitor (C) is determined as 561.7 µF from (6) and it chosen as 4 × 470 µF in the designed hardware.
3. Hardware Design Procedure of the Proposed Driver and the Novel Adaptive Learning Method
Considering the software design, Microchip’s low power consumption PIC18F25K22 microcontroller recommended for automotive designs is used in the proposed drive system. The internal peripherals of the microcontroller such as timer, number of analogue to digital converters (ADCs), and PWM outputs are taken into consideration. The three most important factors in selecting the proposed PIC18F25K22 microcontroller structure are that PIC18F25K22 has advanced CAN 2.0 communication topology, it is manufactured in accordance with industrial applications, and it has a programmable low-voltage detector (LVD). Also, this microcontroller has nanowatt XLP technology, 64 kB memory, 3.5 kB SDRAM memory, improved PWM hardware, 12 bits ADC hardware, 64 MHz internal oscillator frequency, and a simple programmable control structure with lower cost compared to microcontrollers produced by other companies.
The main function of the designed brushed DC motor driver is to control the direction and speed of the motor which is mounted on the step to provide movement to the step under the door to keep the driver and the upper system from which it draws power stable. Apart from these functions, the temperature is also continuously monitored. The step operates according to the limit switch data obtained from the automatic door of the vehicle. According to the status of these data, the necessary process is operated in the software loop. Another feature is that the speed of the vehicle is monitored and if the step is in the “on” position over a certain speed, the “off” command will be sent.
In the proposed motor driver design, 2 communication protocols are used. One of them is the UART protocol, which can be implemented simply in software and thus the measured states and parameters of the brushed DC motor can be monitored easily by implementing a software interface on a computer. By using UART, armature current, armature voltage, and DC bus voltage of the DC-DC chopper which is amplified with a boost converter if necessary, the motor speed measured by collecting the data of a Hall effect sensor mounted on the shaft can be monitored. Another protocol is the CAN communication protocol, which is so common in the automotive industry that it can be considered indispensable. The designed hardware of the driver also supports this option.
3.1. Embedded System Design
The designed brushed DC motor driver has a modular structure. The DC link bus voltage of the DC-DC chopper can be controlled with a boost converter circuit. So, the speed of the brushed DC motor can be adjusted and the timing of the desired repetitive motion scenario can be adjusted practically by increasing the DC link bus voltage. The current drawn by the motor is instantly captured and sent via UART. The input voltage of the driver and the DC link bus voltage of the DC-DC chopper increased by the boost converter are also captured and sent via UART. The temperature of the driver is continuously monitored with the help of a negative temperature coefficient (NTC) thermistor. The position status of the motor is monitored with the help of the Hall effect sensor, and thus the status of the motor reaching the first and final position can be observed. CAN and UART communication protocols have been used so that the system can communicate with the main control system. The brushed DC motor is started when an external command triggers the driver, and then, in case of a problem due to the current or the position of the motor, it moves in the opposite direction and returns to its initial position. So, it protects the user, the motor driver hardware, the mechanical system, and the electronic supply of the vehicle by preventing problems such as jamming, squeezing, and excessive current. Another important function of the designed driver is to learn the maximum distance that the motor can drive the step during the first start-up by performing adaptive control and configuring its own settings accordingly. So, the limits of the step controlled by the brushed DC motor can be learnt and the acceleration and braking processes of the motor can be managed accordingly. Another advantage is that it can adapt to different systems and when it is used in a different system, such as a wiper, tailgate, etc., it will be able to learn its own limit and make acceleration and braking configurations accordingly.
The proposed driver is designed with the purpose of closing the door step automatically when a certain speed is reached by detecting the speed of the vehicle by receiving data from the vehicle’s shaft. Another feature of this driver is that it monitors the status of the door with the help of a limit switch and automatically opens the step when the door is opened. Thus, when the door is opened, the step will open automatically without waiting for another command. The speed and position of the motor are determined by counting the Hall effect signals. The output torque of the motor required to open the step can be increased with a reducer while the shaft speed of the motor decreases.
3.2. Adaptive Learning Algorithm
Thanks to the Hall effect sensor mounted on the motor shaft, the mechanical speed of the motor can be obtained by measuring the output signal of the Hall effect sensor. Thus, it can be calculated how large an angle of movement is provided by the brushed DC motor while the door step is opening.
Figure 4 shows the flow chart of the ALA that automatically adjusts the working process of the motor driver system according to the limit value received from the Hall effect sensor. After the motor driver is mounted on the vehicle in which it is used and when the DC motor is first started, the movement limit values are determined by monitoring only the current value drawn from the source and the Hall effect sensor data without any movement scenario. The Hall effect sensor data at the last detected point are temporarily recorded and the step returns to its initial position. Since the distance of the movement in both forward and reverse directions must be equal or very slightly different, the last values obtained from the Hall effect sensor as a result of the forward and reverse movement are compared. If the specified condition is not met, the algorithm does not exit the loop and tries to determine the correct data by working in the forward and reverse directions again. When a full match between the forward and reverse movements or a deviation within the specified threshold value occurs, the limit point data received from the hall effect sensor are recorded in permanent memory. With the determination of the movement limits, the soft start, constant speed, and soft deceleration and stopping operations of the motor are automatically configured.
Figure 4.
Movement and position learning algorithm.
With the proposed ALA in which the learning mechanism is implemented and realized by comparing and capturing the continuous armature current and rotor mechanical speed values obtained with the armature current and rotor mechanical speed measurement units, a practical solution that does not require expertise compared to other artificial intelligence and machine learning methods is presented with an industrial approach, thus eliminating the need for high-memory-capacity microcontrollers or microcomputers and performing motion learning without requiring very big data.
Figure 5 shows the flow chart of the operation of the under-door step system, which is provided with the proposed motor driver and brushed DC motor. In Figure 5, the limit position data of the mechanical step obtained from the Hall effect sensor are expressed as “X”. Here, “X” represents the total number of pulses. The blue standard drive box contains the soft start and steady state, including the operation at rated speed drive section. Under the operating conditions specified with the purple braking box, it starts braking when the limit position is approached and ensures a safe and damage-free stop without a hard hit when the limit position is reached. The “a” variable represents the number of steps required for braking and braking starts when there are steps left until the limit position “a”. The gray box shows that the parameters are monitored with continuous measurements throughout the movement of the mechanical step. Thus, in an unexpected emergency situation, the red emergency stop process is operated due to high current or an obstacle by considering the predefined parameters as current and motion limits. The specified emergency stop process can occur at any “E” moment within the “T” time. The location of the red box is symbolic.
Figure 5.
Working principle of the proposed drive system.
3.3. Subelements of the System
Real-time experimental tests of the proposed brushed DC motor driver with the proposed ALA method are performed with a vehicle under-door step system. When the electromechanical under-door step system is examined, it can be divided into three main subsections. These are the brushed DC motor, mechanical under-door step, and motor driver. Figure 6 shows the brushed DC motor where the Hall effect sensor is mounted on the motor shaft and the induced output torque value is increased by reducing the speed with the reducer.
Figure 6.
Brushed DC Motor with reducer which is used for design of the system.
Figure 7 shows the images of the under-door step when it is at initial (closed) and fully forward (open) positions.
Figure 7.
Mechanical setup of step.
The printed circuit board (PCB) of the motor driver system, which can operate under the specified voltage and current values, change the motor direction, and determine and learn the operating map of the system with the proposed ALA method by using the current and speed measurements obtained from the instrumentation units it contains, with the cascade voltage control structure created by combining the boost converter and DC-DC chopper topologies together in its design, is shown in Figure 8. It must be noted that the components used to create the PCB have automotive-grade features.
Figure 8.
Designed motor driver PCB.
The experimental test setup implemented in a laboratory environment is presented in Figure 9 and Figure 10.
Figure 9.
General view of the system while the step is operating in reverse direction.
Figure 10.
General view of the system while the step is operating in forward direction.
4. Experimental Results
In this section, experimental results of the proposed brushed DC motor drive system are given. The proposed brushed DC motor driver is tested experimentally with an under-door step system of a vehicle. In this test setup, the brushed DC motor provides mobility to the mechanical under-door step system. The captured and measured data from the brushed DC motor driver are sent to an interface which is developed to collect and monitoring the measured data on a computer via UART and these data are recorded.
After learning the motion map defining the motion limits when the door step electromechanical mechanism is in the open and closed positions with the proposed driver system, it is tested whether the previously determined motion scenario can be realized with the proposed motor driver. In this motion scenario, the electromechanical door step must reach its final position from its initial position within the defined time and, during this working process, the motor driver must ensure that the motor starts with a soft start and stops with a soft stop in order to prevent an excessive current draw from the source. In case of sudden strains that may occur on the step at the moment of opening, the step should stop suddenly and return to its initial position. In case of a strain that may occur at the moment of closing, the step should stop and remain at standstill and complete its movement after the excessive strain is removed. This specified working scenario is realized by the proposed brushed DC motor driver. As can be understood from this scenario, in order to complete the repetitive motion in a specified time, the motor speed must be controlled depending on the variable operating conditions. In this case, the DC-DC chopper bus voltage may also need to be increased. In the experimental tests, the performance of the boost type converter is tested together with the DC-DC chopper.
During the experimental tests, the source current value will always be checked to keep the system power in a safe range and under control by using negative temperature coefficient (NTC) sensors which are located near critical components to see the temperature of the driver hardware circuit. The operation time of the system depends on the voltage. If the DC link voltage of the DC-DC chopper is boosted by increasing the duty cycle of the boost converter within a limit, the operation time of the repetitive motion of the electromechanical system decreases. It is observed that the operation time of the repetitive motion of the system is 2039 ms, 1876 ms, and 1824 ms while the duty cycle of the boost converter is applied as 0%, 10%, and 20%, respectively. In Figure 11, Figure 12, and Figure 13, yellow signals show the input voltage and the blue signals show boosted voltage which is applied to the DC-DC chopper as DC link voltage. The DC voltage level is low according to the oscilloscope because of the voltage divider circuit which is designed for voltage level adaptation to the voltage level of the ADC of MCU. In Figure 14, Figure 15, and Figure 16, yellow signals show the motor response measured on a positive terminal and blue signals show a negative terminal response while the proposed brushed DC motor is operated with 0%, 10%, and 20% boost duty cycle, respectively.
Figure 11.
Input (yellow) and boosted (blue) voltage for 0% Boost.
Figure 12.
Input (yellow) and boosted (blue) voltage for 10% Boost.
Figure 13.
Input (yellow) and boosted (blue) voltage for 20% Boost.
Figure 14.
Motor response for 0% Boost.
Figure 15.
Motor response for 10% Boost.
Figure 16.
Motor response for 20% Boost.
In the proposed drive system, the duty cycle of the boost converter is determined with a PI-type controller [31] by comparing the operation time with the reference timing signal and also comparing the encoder instant value with the encoder value limits learned in the motion mapping with the ALA to ensure timing optimization. In Table 1, Table 2 and Table 3, experimental results contain the supply voltage of the driver, current drawn from the source, output voltage of the boost converter, temperature of the driver, encoder value for speed measurement, and time consumption for repetitive motion of the under-door step while it is opening or closing. With the proposed brushed DC motor driver system, time-dependent operation can be achieved by boosting the DC link voltage of the DC-DC chopper. It can be seen from Table 1, Table 2 and Table 3 that the time consumption of one operating cycle of the under-door step when opening or closing the mechanical system under movement limits can be reduced and optimized with regard to reference operation timing input.
Table 1.
The proposed driver working while the duty cycle of the boost converter is 0%.
Table 2.
The proposed driver working while the duty cycle of the boost converter is 10%.
Table 3.
The proposed driver working while the duty cycle of the boost converter is 20%.
The robustness of the proposed brushed DC motor drive system providing mobility to the under-door step mechanism and the ALA was proved by running a 100,000-cycle test for approximately 20 days continuously. Some of the results are presented in Table 4 which was created by using the data values obtained in each 10,000-cycle test. The load current, temperature of the hardware of the driver (PCB), time to complete the movement of the step, and input bus voltage of the driver are captured in each cycle. In these long-term real-time performance tests, the brushed DC motor drive is reset externally and all initial conditions of the ALA are set to zero as default after each 1000-cycle operation. Then, the drive system learns the motion limitations with the proposed ALA. After that, the drive system restarts its repetitive movement operation.
Table 4.
A small part of 100,000-cycle test of proposed motor driver PCB composed of the results of each 10,000-cycle test.
This long-term operation test performed presents the stability, durability, and practical and easy solution capacity of both the proposed driver system and the ALA proposed in this study, which implements learning the motion mapping into the driver system. With its practical and easier learning ability, it offers solution-oriented stability without requiring a high level of expertise compared to artificial-intelligence-based and machine-learning-based intelligent learning algorithms in the literature, which have complex structures and difficulty in applicability in industrial applications.
5. Conclusions and Discussions
In this study, it is aimed to design a battery-fed brushed DC motor driver which is capable of learning operation conditions and movement limits adaptively. This is the most impressive feature of the study. The proposed brushed DC motor driver is suitable for use in the automotive industry. For this purpose, a motor driver circuit including a cascade topology consisting of a boost converter and DC-DC chopper is designed to carry the required current and voltage values for soft start, soft speed up or acceleration, and soft stop operations of the brushed DC motor. This PCB is designed according to the hardware and software requirements of the automotive standards considering the potential commercial production and tested with a serial excited DC motor with reducer developed for under-door steps of commercial and luxury vehicles.
Some states and parameters like armature current, armature voltage, repetitive operation time, and Hall effect data for speed measurement of the drive system are monitored with the UART communication protocol. The real-time performance tests prove the effectiveness of the proposed brushed DC motor drive system.
The proposed drive system is designed for general use and its modular structure is convenient for new developments in order to be adaptable to many different application areas in industry, especially in the automotive production field. Future studies will be carried out to integrate the proposed driver design into the motor body and it is aimed to design a brushed DC motor with a driver mounted inside the body of the motor with electromagnetic compatibility in order to use it practically in automotive production of different parts.
6. Patents
A patent application has been submitted to the Turkish Patent Institute for the proposed brushed DC motor drive system which includes the proposed adaptive learning algorithm.
Author Contributions
Conceptualization, H.E.E., H.A. and R.İ.; Data curation, H.E.E., H.A. and R.İ.; Formal analysis, R.İ. and H.A.; Funding acquisition, R.İ.; Investigation, H.A., R.İ. and H.E.E.; Methodology, H.A., R.İ. and H.E.E.; Project Administration, R.İ. and H.A.; Resources, H.E.E., H.A. and R.İ.; Software, H.E.E. and H.A.; Supervision, R.İ. and H.A.; Validation, H.E.E. and H.A.; Visualization, H.E.E. and R.İ.; Writing—original draft, H.E.E.; Writing—review and editing, R.İ., H.A. and H.E.E. All authors have read and agreed to the published version of the manuscript.
Funding
The authors declare that this study received funding from R&D Laboratory of ASSAN EMS Technologies, Department of R&D Istanbul, Turkey of DMY Group ASSAN EMS Technologies: ASN2021-005. During the design of the PCB all the financial expenses were supported by ASSAN EMS Technologies.
Data Availability Statement
Data available on request due to restrictions (legal reasons). The data presented in this study are available on request from the corresponding author due to the confidentiality agreement signed between the companies “Birinci” and “ASSAN EMS Technologies”.
Conflicts of Interest
Author Hudaverdi Emin Elp was employed by the company ASSAN EMS Technologies. The remaining authors declare that the research was conducted in the absence of any commercial or financial relationships that could be construed as a potential conflict of interest.
References
- Vidlak, M.; Gorel, L.; Makys, P.; Stano, M. Sensorless Speed Control of Brushed DC Motor Based at New Current Ripple Component Signal Processing. Energies 2021, 14, 5359. [Google Scholar] [CrossRef]
- Barkas, D.A.; Ioannidis, G.C.; Psomopoulos, C.S.; Kaminaris, S.D.; Vokas, G.A. Brushed DC Motor Drives for Industrial and Automobile Applications with Emphasis on Control Techniques: A Comprehensive Review. Electronics 2020, 9, 887. [Google Scholar] [CrossRef]
- Liang, J.; Feng, J.; Fang, Z.; Lu, Y.; Yin, G.; Mao, X.; Wu, J.; Wang, F. An Energy-Oriented Torque-Vector Control Framework for Distributed Drive Electric Vehicles. IEEE Trans. Transp. Electrif. 2023, 9, 4014–4031. [Google Scholar] [CrossRef]
- Salmaninejad, A.; Mayorga, R.V. Sensor-less Brushed DC Motor Speed Control with Intelligent Controllers. WSEAS Trans. Syst. 2021, 20, 140–148. [Google Scholar] [CrossRef]
- Vazquez-Sanchez, E.; Sottile, J.; Gomez-Gil, J. A Novel Method for Sensorless Speed Detection of Brushed DC Motors. Appl. Sci. 2017, 7, 14. [Google Scholar] [CrossRef]
- Kowal, D.; Patan, M.; Paszke, W.; Romanek, A. Sequential design for model calibration in iterative learning control of DC motor. In Proceedings of the 20th International Conference on Methods and Models in Automation and Robotics (MMAR), Miedzydroje, Poland, 24–27 August 2015; pp. 794–799. [Google Scholar]
- Cupertino, F.; Pellegrino, G.; Giangrande, P.; Salvatore, L. Sensorless Position Control of Permanent-Magnet Motors with Pulsating Current Injection and Compensation of Motor End Effects. IEEE Trans. Ind. Appl. 2011, 47, 1371–1379. [Google Scholar] [CrossRef]
- Razi, R.; Monfared, M. Simple control scheme for single-phase uninterruptible power supply inverters with Kalman filter-based estimation of the output voltage. IET Power Electron. 2015, 8, 1817–1824. [Google Scholar] [CrossRef]
- Dini, P.; Saponara, S. Design of Adaptive Controller Exploiting Learning Concepts Applied to a BLDC-Based Drive System. Energies 2020, 13, 2512. [Google Scholar] [CrossRef]
- Radcliffe, P.; Kumar, D. Sensorless speed measurement for brushed DC motors. IET Power Electron. 2015, 8, 2223–2228. [Google Scholar] [CrossRef]
- Vidlak, M.; Makys, P.; Stano, M. Comparison between model based and non-model based sensorless methods of brushed DC motor. Transp. Res. Procedia 2021, 55, 911–918. [Google Scholar] [CrossRef]
- Ismail, A.A.A.; Elnady, A. Advanced Drive System for DC Motor Using Multilevel DC/DC Buck Converter Circuit. IEEE Access 2019, 7, 54167–54178. [Google Scholar] [CrossRef]
- Forouzesh, M.; Siwakoti, Y.P.; Gorji, S.A.; Blaabjerg, F.; Lehman, B. Step-Up DC–DC Converters: A Comprehensive Review of Voltage-Boosting Techniques, Topologies, and Applications. IEEE Trans. Power Electron. 2017, 32, 9143–9178. [Google Scholar] [CrossRef]
- Raghavendra, K.V.G.; Zeb, K.; Muthusamy, A.; Krishna, T.N.V.; Prabhudeva Kumar, S.V.S.V.; Kim, D.-H.; Kim, M.-S.; Cho, H.-G.; Kim, H.-J. A Comprehensive Review of DC–DC Converter Topologies and Modulation Strategies with Recent Advances in Solar Photovoltaic Systems. Electronics 2020, 9, 31. [Google Scholar] [CrossRef]
- Safayatullah, M.D.; Elrais, M.T.; Ghosh, S.; Rezaii, R.; Batarseh, I. A Comprehensive Review of Power Converter Topologies and Control Methods for Electric Vehicle Fast Charging Applications. IEEE Access 2022, 10, 40753–40793. [Google Scholar] [CrossRef]
- Soltani, M.; Mostaan, A.; Siwakoti, Y.P.; Davari, P.; Blaabjerg, F. Family of step-up DC/DC converters with fast dynamic response for low power applications. IET Power Electron. 2016, 9, 2665–2673. [Google Scholar] [CrossRef]
- Mallik, A.; Ding, W.; Shi, C.; Khaligh, A. Input Voltage Sensorless Duty Compensation Control for a Three-Phase Boost PFC Converter. IEEE Trans. Ind. Appl. 2017, 53, 1527–1537. [Google Scholar] [CrossRef]
- Tofoli, F.L.; de Castro Pereira, D.; de Paula, W.J.; de Sousa Oliveira Júnior, D. Survey on non-isolated high-voltage step-up dc–dc topologies based on the boost converter. IET Power Electron. 2015, 8, 2044–2057. [Google Scholar] [CrossRef]
- Adam, A.; Elnady, A.; Ghias, A. A novel multilevel DC chopper supplying DC motor. In Proceedings of the 5th International Conference on Electronic Devices, Systems and Applications (ICEDSA), Ras al Khaimah, United Arab Emirates, 6–8 December 2016; pp. 1–5. [Google Scholar]
- Sira-Ramirez, H.; Oliver-Salazar, M.A. On the Robust Control of Buck-Converter DC-Motor Combinations. IEEE Trans. Power Electron. 2013, 28, 3912–3922. [Google Scholar] [CrossRef]
- Wang, Y.; Wang, L.; Zhao, Y. Research on Door Opening Operation of Mobile Robotic Arm Based on Reinforcement Learning. Appl. Sci. 2022, 12, 5204. [Google Scholar] [CrossRef]
- Kiru, M.U.; Belaton, B.; Mohamad, S.M.S.; Usman, G.M.; Kazaure, A.A. Intelligent Automatic Door System based on Supervised Learning. In Proceedings of the 2020 IEEE Conference on Open Systems (ICOS), Kota Kinabalu, Malaysia, 17–19 November 2020; pp. 43–47. [Google Scholar]
- Xu, S.; Liu, J.; Yang, C.; Wu, X.; Xu, T. A Learning-Based Stable Servo Control Strategy Using Broad Learning System Applied for Microrobotic Control. IEEE Trans. Cybern. 2022, 52, 13727–13737. [Google Scholar] [CrossRef]
- Qiu, W.; Zhao, X.; Tyrrell, A.; Perinpanayagam, S.; Niu, S.; Wen, G. Application of Artificial Intelligence-Based Technique in Electric Motors: A Review. IEEE Trans. Power Electron. 2024, 39, 13543–13568. [Google Scholar] [CrossRef]
- Sheng, J.; Tang, Y.; Xu, S.; Tan, F.; Hou, R.; Xu, T. A Stable Learning-Based Method for Robotic Assembly With Motion and Force Measurements. IEEE Trans. Ind. Electron. 2024, 71, 11093–11103. [Google Scholar] [CrossRef]
- Liu, Z.; Yu, X.; Lin, W.; Rodríguez-Andina, J.J. Iterative Learning Observer-Based High-Precision Motion Control for Repetitive Motion Tasks of Linear Motor-Driven Systems. IEEE Open J. Ind. Electron. Soc. 2024, 5, 54–66. [Google Scholar] [CrossRef]
- Lan, J.; Dong, X. Improved Q-Learning-Based Motion Control for Basketball Intelligent Robots Under Multi-Sensor Data Fusion. IEEE Access 2024, 12, 57059–57070. [Google Scholar] [CrossRef]
- Scheidel, H.; Asadi, H.; Bellmann, T.; Seefried, A.; Mohamed, S.; Nahavandi, S. A Deep Reinforcement Learning Based Motion Cueing Algorithm for Vehicle Driving Simulation. IEEE Trans. Veh. Technol. 2024, 73, 9696–9705. [Google Scholar] [CrossRef]
- Condit, R. Brushed DC Motor Fundamentals; Microchip Technology Inc.: Chandler, AZ, USA, 2010. [Google Scholar]
- Hart, D.W. Power Electronics; McGraw-Hill: New York, NY, USA, 2011; ISBN 978-0-07-338067-4. [Google Scholar]
- Liang, J.; Lu, Y.; Wang, F.; Yin, G.; Zhu, X.; Li, Y. A Robust Dynamic Game-Based Control Framework for Integrated Torque Vectoring and Active Front-Wheel Steering System. IEEE Trans. Intell. Transp. Syst. 2023, 24, 7328–7341. [Google Scholar] [CrossRef]
Disclaimer/Publisher’s Note: The statements, opinions and data contained in all publications are solely those of the individual author(s) and contributor(s) and not of MDPI and/or the editor(s). MDPI and/or the editor(s) disclaim responsibility for any injury to people or property resulting from any ideas, methods, instructions or products referred to in the content. |
© 2024 by the authors. Licensee MDPI, Basel, Switzerland. This article is an open access article distributed under the terms and conditions of the Creative Commons Attribution (CC BY) license (https://creativecommons.org/licenses/by/4.0/).















