Abstract
Distributed power networks have a large number of photovoltaic power sources. The bidirection of power flow, different transient control strategies, and installation locations make the transient characteristics highly complex and unpredictable. The vast network of the distribution system makes it almost impossible to predict the electrical quantities of each branch. Reasonable aggregation modeling of the distribution network can greatly simplify the network topology, facilitating transient control and the setting of relay protection settings. An aggregated equivalent modeling method based on the LSTM neural network for distributed PV fault external characteristics is proposed. This method equates the complex distribution network to a highly nonlinear but controllable current source. The method can output the I–V curves of equivalent PV system parallel points under any output power and is able to predict the fault characteristics of the equivalent system after a voltage drop at the parallel point. Compared to traditional mechanistic modeling, this method does not require specific modeling of complex physical systems and is able to accurately map the strong nonlinear inputs and outputs of distribution networks. The established LSTM model first uses a one-dimensional convolutional layer for feature extraction of the PV power coefficients (input), and then two hidden layers are utilized to process the sequence data; the vectors are mapped into a sequence of external characteristic curves (output) in a fully connected layer. A typical distribution network is built based on the traditional PV power model, and a large number of different output combinations are selected for simulation to provide an effective training set and validation set data for LSTM model training. By using the training set data, the weights and offset coefficients of each layer of the LSTM are continuously optimized until the model with the smallest overall error is obtained, which is the optimal model. Finally, the optimal model is utilized to establish an equivalent distribution network system, different degrees of voltage drops are set up at the grid-connected points, the fault characteristics are compared with those of the complete model, and the simulation results can prove the reliability and practicality of the proposed method.
1. Introduction
In China, statistics indicate that by 2025, the distribution grid is expected to have the capacity to support up to 50 million kilowatts of distributed photovoltaics, as well as the connection capability for 2.5 million charging piles. This will nearly double the current connection volume, and the access volume of distributed new energy will experience a new surge in growth. The distribution grid’s ability to carry large-scale distributed photovoltaics has become a reality. With the rapid development of distributed generation systems, regional distribution grids are gradually being characterized by high-density and high-penetration power electrification [1]. The characteristics of fault currents fed into the grid differ significantly from those of traditional synchronous generators, which may affect the selectivity, rapidity, sensitivity, and reliability of the existing protection [2]. In addition, the clustering control of distribution networks usually adopts multiple parallel operation control methods, which may affect fault isolation as well as reclosing action, resulting in larger fault isolation range, longer reclosing time, or even reclosing failure [3,4].
To eliminate the upper level of the equipment overload, fault self-healing, etc., and to manually adjust or automatic control changes, new energy as the main body of the new distribution network system, high penetration rate-distributed power supply access to the distribution network so that there is a transmission and distribution network between the two-way power flow [5], and distributed energy by the grid frequency regulation peak demand response, the environment, the national policy, and other external factors and adjustments to the power supply path of the equipment may be eliminated. It is difficult to accurately adjust and calculate the relevant relay protection value [6,7].
To address the above problems, it is necessary to perform aggregated equivalent modeling for regional power grids oriented to high-density and high-percentage distributed PV access and to analyze the fault characteristics of distributed PV to improve the protection adaptation capability [8]. Current modeling ideas for distributed PV power include traditional mechanistic modeling methods and non-mechanistic modeling methods [9,10].
Traditional mechanistic modeling methods require comprehensive consideration of complex power electronic control characteristics, grid topology, line voltage drop problems, and operating conditions [11,12], and their modeling process is cumbersome and time-consuming. In addition, due to the highly nonlinear nature of power electronic devices, it is difficult for mechanism modeling methods to accurately capture the system interaction effects [13].
Therefore, the use of non-mechanistic modeling methods to equate distribution network systems has gradually become a popular direction at present [14,15]. Aiming at the problem that mechanistic modeling is too complicated, this method adopts a non-mechanistic modeling approach and establishes a mapping relationship from the output coefficients of the distributed generation system to the aggregated external characteristic curves through the steps of data acquisition, processing, model training, and testing and evaluation. Compared with the mechanistic modeling approach, the non-mechanistic modeling approach can better deal with complex nonlinear relationships and can be adapted to different systems and operating conditions [16].
Neural network training has gradually become one of the most popular and mature non-mechanistic modeling methods due to its powerful nonlinear fitting ability and good generalization ability. Currently, the common neural network models mainly include recurrent neural network (RNN) [17], long short-term memory network (LSTM) [18], gated recurrent unit (GRU) [19], and so on.
LSTM is an improved recurrent neural network. The original RNN contains only hidden state layers, which are very sensitive to short-term inputs and have difficulty dealing with long-term dependencies due to gradient vanishing and gradient explosion. LSTM has demonstrated excellent performance in time series model forecasting in various fields [20,21,22,23,24,25], and in the field of power, a large number of studies have utilized LSTM training models to predict short-term load [26,27,28] and photovoltaic generation [29,30,31] and to detect inverter faults [30]. Compared with the LSTM model, GRU has a simpler structure and higher computational efficiency but may lose some long-term time series information in some cases [32,33,34].
This paper proposes a distributed generation fault external characteristic aggregation equivalent modeling method suitable for relay protection analysis. This method can equivalate a distribution network system containing a large number of distributed generations into a controllable current source with a known I–V external characteristic. After a fault occurs and the voltage at the point of common coupling drops, it can predict the fault current input to the power grid, which is conducive to the transient stability research and relay protection analysis of distributed distribution networks.
Based on the LSTM neural network, an aggregated equivalent modeling method of distributed power supply out-of-fault characteristics applicable to relay protection analysis is proposed. Firstly, the physical characteristics, control strategy, and transient output characteristics of the current photovoltaic system are introduced, and a complete simulation model is constructed based on them. Then, the basic principles of forward computation and backpropagation of the LSTM neural network are analyzed, and the corresponding LSTM neural network model is constructed; the training set and validation set data obtained from the simulation model are used to train the optimal LSTM model, which can predict the external characteristics of the fault output of the equivalent distributed power supply. Finally, the test set data are utilized to verify the accuracy of the optimal model, and the equivalent physical model is also built based on the optimal model; its fault characteristics are compared with the data of the simulation model containing the complete model to verify the reliability of the method proposed in this paper. Through this method, the current output characteristics of the equivalent system after a fault can be efficiently calculated so that the effectiveness and reliability of relay protection can be effectively assessed in distribution networks characterized by high-density and high-penetration power electronics, and the stable operation of power grids can be effectively guaranteed.
2. Photovoltaic System Modeling Techniques
2.1. Modeling of Photovoltaic Modules
The current voltage–current relationship of a solar cell depends on the irradiation intensity and the cell backplane temperature, and its equivalent circuit is shown in Figure 1 [9].
Figure 1.
PV module equivalent circuit.
From Figure 1, the I–V characteristic equation of the corresponding PV module is given as [10]:
where IL is the photogenerated current; I0 is the diode reverse saturation current; q is the electron charge, which takes the value of 1.6 × 10−19 C; K is the Boltzmann’s constant, which takes the value of 1.38 × 10−23 J/K; T is the absolute temperature; A is the diode factor, which takes the value range of 1~5; Rs is the series resistor; and Rsh is the parallel resistor.
Because of the parameters IL, I0, Rs, Rsh, and A in Equation (1) and other parameters in the complex method of taking values, it is difficult to directly utilize the construction of the corresponding PV cell model. At present, technical parameters such as short-circuit current Isc, open-circuit voltage Voc, maximal power point current Im, maximal power point voltage Vm, maximal power Pm, etc., are commonly used in simulation studies. At this time, the corresponding PV module engineering I–V characteristic equation is given as [11]:
2.2. Mathematical Model of PV Inverter
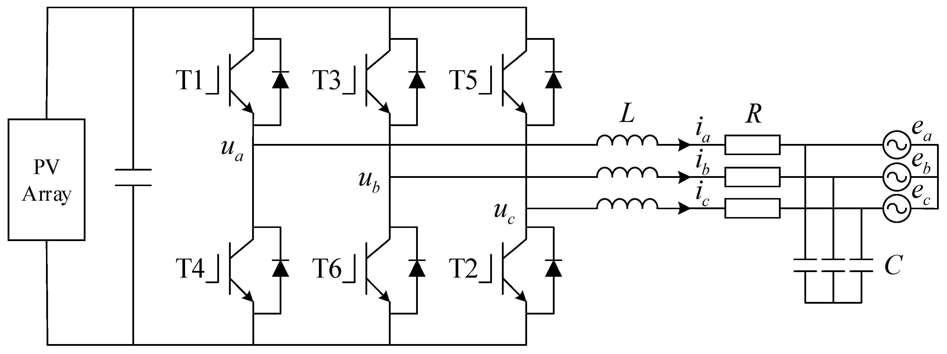
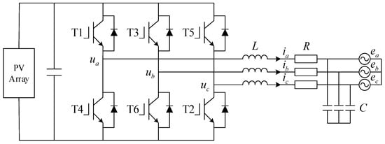
The PV grid-connected inverter is the main control device of the PV grid-connected system to realize sinusoidal current grid connection. The main circuit structure of the PV inverter is shown in Figure 2 [12].
Figure 2.
PV inverter main circuit structure.
According to the reference direction of voltage and current in the figure, the grid-side voltage–current relationship can be derived as:
where ea, eb, and ec are the instantaneous values of three-phase voltages at the grid side; ua, ub, and uc are the instantaneous values of three-phase voltages at the output of inverter; ia, ib, and ic are the instantaneous values of three-phase currents; and L and R are the filtering inductance and resistance, respectively.
Existing photovoltaic power generation systems generally utilize a control technique based on grid voltage orientation, which is a double closed-loop control based on the dq coordinate system. The mathematical model of the inverter in the dq coordinate system can be obtained by using the Park transformation, in which the transformation matrix from the three-phase abc transformation to the two-phase stationary coordinate system is shown in Equation (4). The transformation matrix from three-phase abc to a two-phase stationary coordinate system is shown in Equation (5).
where is the grid voltage angular frequency.
Thus, the Equation (3) is transformed into a mathematical model in the dq coordinate system.
where and are the dq axis components of the grid-side voltage, and , , , and are the dq axis components of the inverter output voltage and current, respectively.
In order to eliminate the static difference, the integral link is introduced and the reference value of the inverter output voltage is obtained as follows [13]:
where and are the reference values of dq voltages; and are the reference values of dq currents; kip and kii are the proportional and integral coefficients of the current controller, respectively; and s is the operator variable in the Laplace transform.
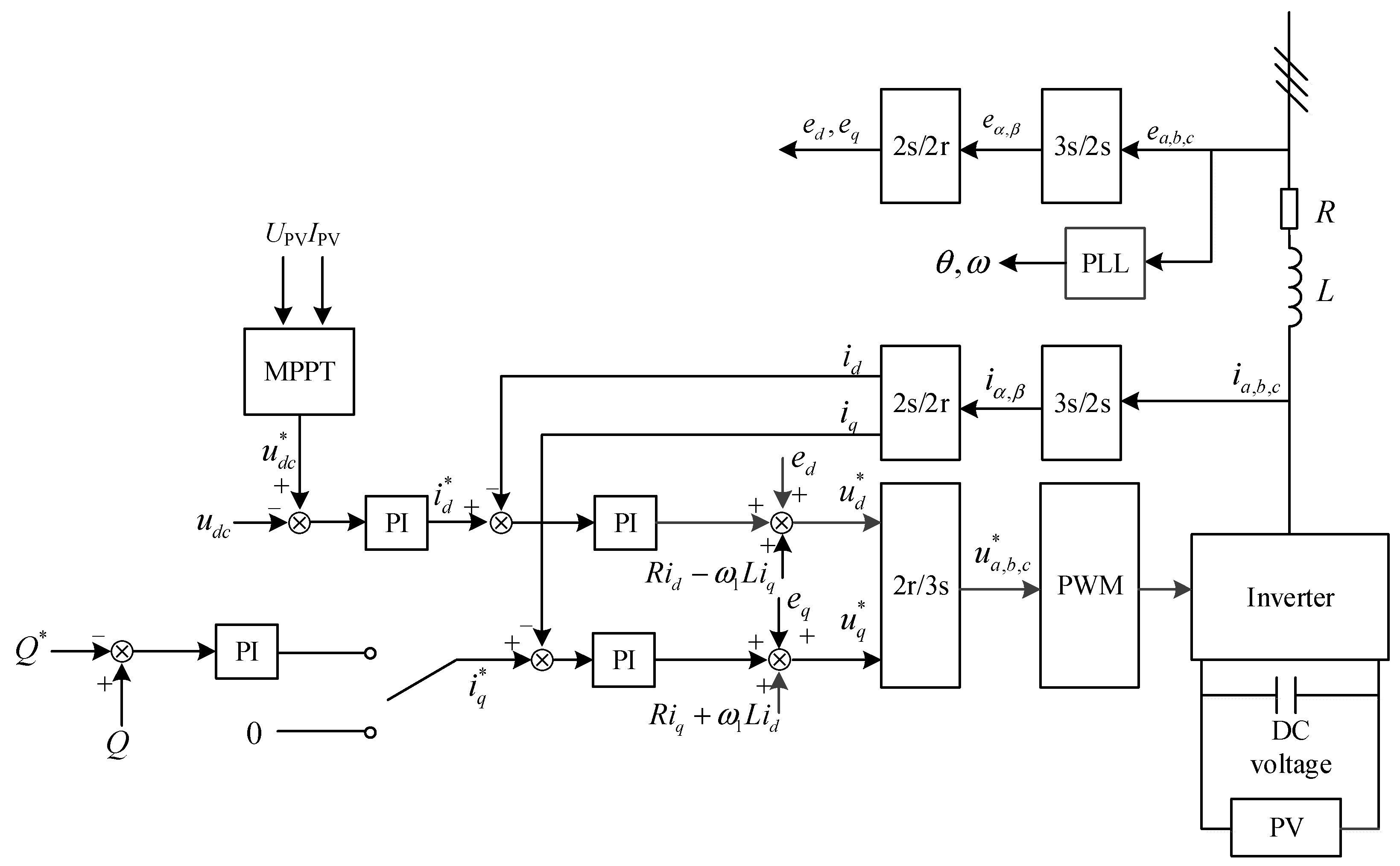
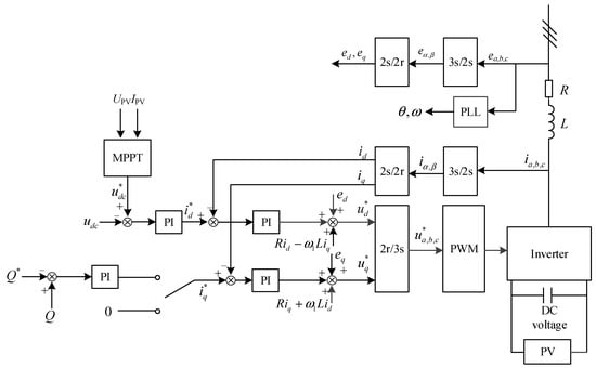
From Equation (7), the simplified control block diagram is shown in Figure 3, including double-loop control with outer and inner loops in the dq axis. The specific control equations are shown in Figure 4. In the figure, UPV and IPV are the output voltage and current of the PV array, respectively, and the DC voltage reference value is obtained after the Maximum Power Point Tracking (MPPT) module; the reference value of the current component (active current component) is obtained after the difference between the DC voltage reference value and the feedback value udc through the proportional-integral (PI) regulator. Because the inverter generally operates in the unit power factor state, the reference value of the q-axis current (reactive current component) = 0. Then, and are compared with the feedback value of id, iq after the difference through the PI regulator. One must take into account the corresponding coupling terms −Rid + ωLiq, −Riq − ωLid and the perturbation term ed, eq, then the inverter reference voltage , can be obtained. Then, the 2r/3s transformation , , can be obtained under the three-phase coordinate system of the voltage modulation wave, which is compared with the high-frequency triangular wave carrier to generate Pulse Width Modulation (PWM) signals, so as to control the switching of inverter tubes on and off.
Figure 3.
A simplified flowchart of closed-loop control principle of inverter.
Figure 4.
Block diagram of DC voltage and current double closed-loop control principle of inverter.
Based on the control principle introduced in Figure 4, a simulation model was built, with the main circuit structure shown in Figure 2. The key parameters are listed in the Table 1. This model can maintain stability in both steady and transient states, and it can accurately track the command values of active power and reactive power.
Table 1.
Photovoltaic grid-connected inverter system parameters.
2.3. PV Inverter Fault Ride-Through Control Strategy
When the PV power supply is connected to the 10 kV-and-above bus and the grid transient faults are caused by voltage fluctuations at the grid point, an improper PV power supply transient control strategy will exacerbate the transient fluctuations of the grid, and therefore, it is required that it must have a certain grid support capacity. The requirements for the LVRT (Low-Voltage Ride Through) capability of PV power plants are shown in Figure 5 [13]. The PV power supply is required to provide a certain amount of reactive power support after a fault, and the corresponding current should be satisfied as (8) and (9). In Figure 5, p.u. (per unit) represents the relative value of parameters.
where UT is the PV power plant grid point voltage standardized value; IN is the inverter rated grid current; imax is the inverter maximum output current; P is the inverter rated output active.
Figure 5.
Requirements for LVRT capability of PV power plants.
For lower voltage levels of 10 kV and below, the PV power supply can have a fault disengagement capability. At this point, the corresponding current is satisfied:
For the more common rooftop PV modules in the distribution network, which are not required to output reactive power during faults, the current is calculated as:
3. Distributed Power Aggregation Equivalent Modeling
3.1. LSTM Networks
Aggregate equivalent modeling of distributed power fault output based on the LSTM neural network. Compared with RNN, LSTM can stably deal with long-term temporal relationships, and the main difference is that LSTM adds a cell state.
LSTM models are often used in sequence prediction problems, such as natural language processing, time series prediction, etc. In this article, we collect the I–V output characteristics of the equivalent distribution network system under different PV power outputs through simulation and then predict the equivalent external characteristics of the distribution network system under any output. Specifically, 3125 sets of data are simulated as the training set, and 64 sets of data are simulated as the test set. We establish a two-layer LSTM hidden layer with feature numbers of 256 and 512, respectively. During the training process, the mean square error (MSE) is used as the loss function, and the model parameters are adjusted through the optimization algorithm (such as Adam).
The basic principle of LSTM is shown in Figure 6 [21,22,23,24,25,26], which shows that the output of LSTM at the moment of t not only needs to refer to the output of the hidden layer at the moment of t − 1 but also the cell state of the cell state at the moment of t − 1. At the same time, the forgetting gate, input gate, new memory gate, and output gate are introduced in LSTM to control the long-term cell state.
Figure 6.
LSTM fundamentals.
3.1.1. Forward Computation of LSTM
Specifically, the forgetting gate of LSTM will “forget” part of the cell state of the previous moment and decide the information content of the cell state of the previous moment to be retained until the current moment , and its corresponding function can be expressed as follows [23,24,25]:
where and are the weight matrices of the forgetting gate for the hidden layer inputs and direct inputs, respectively; is the bias term of the forgetting gate; and is the Sigmoid function, which is a common activation function that serves to introduce a nonlinear mapping to improve the expressive and generalization ability of the neural network.
The input gate of the LSTM determines the information content of the input retained at the current moment to the cell state , and its corresponding function can be expressed as:
where and are the weight matrices of the input gates for the hidden layer input and the direct input, respectively; is the bias term of the input gates; tanh is the hyperbolic tangent function, which is also a common activation function, and its role is similar to that of the Sigmoid function.
Next, the state of the cell describing the current input is computed as , a process sometimes referred to as the new memory gate of the LSTM, and the corresponding function can be expressed as:
where and are the weight matrices of the new memory gate for the hidden layer inputs and direct inputs, respectively; is the bias term of the new memory gate; and according to Figure 6, the cell state at the current moment can be obtained as as seen in the following formula:
where is the Hadamard product of the matrix.
In this way, the unit state contains the current memory and the long-term memory, and then the output gate determines the information content of the output from to . The corresponding function can be expressed as follows:
where and are the weight matrices of the output gates for the hidden layer inputs and the direct inputs, respectively; is the bias term of the output gates; and the final output of the LSTM is jointly determined by the output gates and the cell state at the current moment, i.e., [23,24,25,26]:
3.1.2. Backpropagation of LSTM
LSTM firstly obtains the output value of each neuron by forward computation during the training process, i.e., , , , , and in Figure 6, then reverse computes the error of each neuron, which is computed from the current moment, and then reverse computes the error of each moment. At the same time, the error term is propagated up to the next layer, and the error of each layer is obtained.
Firstly, the error term at the current moment is reversed to calculate the error term at the previous moment, and the error term at moment is defined as seen in the following formula [28]:
where is the loss function, and one can choose different loss functions according to the definition using the Mean Square Error (MSE) as the loss function:
where is the total number of sampling points; and and are the true value and LSTM model estimation of the point , respectively.
Then, the error term at the time of is:
It can be further calculated from (16), (18), and (21):
where , , , and can be calculated, respectively, as [29]:
The error term propagated up one level can be obtained similarly.
After obtaining the error terms, the gradient of the weights of the loss function for each gate weight matrix and bias term can be easily calculated—, , and —and the gradient descent optimization algorithm of adaptive moment estimation (Adam) is used during the training process. Adam is a stochastic objective function adaptive optimization algorithm, which is based on the first-order gradient. It is easy to calculate and can accelerate the updating of the model parameters and the updating of model parameters. LSTM updates the weight matrix and bias term of each gate in real-time according to the gradient in the opposite direction of the gradient of the loss function, then inputs the data again for the forward computation, and so on, to train continuously.
3.2. Aggregate Equivalent Modeling Process
The LSTM model is used to establish the mapping relationship from the output coefficient of the distributed generation system to the aggregated external characteristic curve. The neural network training model based on the LSTM model is shown in Figure 7 [27,28,29]. The LSTM model mainly consists of an input layer, an implicit layer, a fully connected layer, and an output layer. Firstly, a one-dimensional convolutional layer is used to extract features from the PV output data of the input model and is activated by the Tanh function. Then, two LSTM implicit layers are built to process the output of the convolutional layer, and finally, the output of the LSTM is mapped to a sequence of external characteristic curves using a fully connected layer and activated using Sigmoid as the output. In Figure 7, the implicit layer module is expanded in detail as the LSTM schematic of Figure 6, in which the output of the implicit layer and the state of the unit are passed along the time chain, the output of implicit layer 1 is used as the input of implicit layer 2 , and the output of implicit layer 2 is used as the data input of the fully connected layer.
Figure 7.
LSTM-based training process.
Based on the above theoretical analysis, the process of distributed power supply fault output aggregation modeling is described in detail, and its specific modeling, training, and evaluation process is shown in Figure 8. In Figure 8, steps (1) and (2) are based on the theory in Section 1, and the corresponding physical model is built on the simulation software and simulated several times to obtain the input and output data required for neural network training; step (3) is based on Figure 7 to build the corresponding LSTM neural network; steps (4), (5), and (6) represent the three processes of neural network training, i.e., training the model, obtaining the optimal model, and testing the model; and step (7) is to test the reliability of the training model by using the real physical model to test the reliability of the training model.
Figure 8.
Distributed power output aggregation modeling logic.
Step (2): After the simulation model acquires the dataset, in order to prevent the data distribution from being too dispersed, and at the same time, to accelerate the convergence of the network, it is usually necessary to carry out the normalization operation on the input and output data. The specific formula is [30]:
where and are the values before and after normalization; and are the maximum and minimum values of the sample, respectively.
Step (6) uses common model evaluation metrics, including: Mean Absolute Error (MAE), Mean Relative Error (MRE), Peak Absolute Error (PAE), and Peak Relative Error PRE), which are calculated by the following formulas, respectively [31]:
4. Simulation Example
4.1. Physical Modeling
Taking a typical distributed power distribution network as an example, this model is based on actual field engineering using voltage source equivalent power networks. Distributed PVs of different capacities are established at different locations, and PV sources with different LVRT capabilities are adopted. Therefore, this model can conveniently extend the method proposed in this paper to other distribution networks.
The LSTM neural network is utilized to equate its equivalent output characteristics, and the test set data are used to check the training results and compare them with the real physical model to verify the effectiveness of the proposed algorithm. The network topology of the PV distribution network is shown in Figure 9. Consider five distributed power sources, three of which have LVRT capability—PV1, PV2, and PV3—with capacities of 2 MW, 4 MW, and 6 MW, respectively, corresponding to the blue PVs in Figure 9. PV1 and PV2 go off-grid when their terminal voltages are lower than 0.2 pu, and PV3 maintains grid connectivity when its terminal voltage is lower than 0.2 pu. PV4 and PV5 are rooftop PVs with no LV ride-through capability, with capacities of 30 kW and 50 kW, respectively, corresponding to the green PVs in Figure 9. The total line impedance is 1.92 + j2.073 Ω, corresponding to a line length of about 6 km. The load of the line is dispersed at two nodes, with a total load of 5 MW and a power factor of 0.95.
Figure 9.
Distributed power network topology diagram.
The above model is constructed in PSCAD, and five PVs are set at different outputs for each simulation to obtain the I–V external characteristic curves of the distributed power aggregation equivalent system for each output case, respectively. For this purpose, the voltage source at the equipotential point of the system is set as a function of the simulation time:
At the beginning of the simulation, the voltage is set to decrease gradually after 0.4 s because it is necessary to initialize the values, and the simulation is calculated to be stable after a certain time. The variation of the output current with line voltage can be obtained after 1.4 s of simulation.
Figure 10 and Figure 11 show, respectively, the line current RMS and phase change curves of the five PVs select different outputs when there is voltage at the grid connection point, as seen in Equation (26).
Figure 10.
Variation curves of line current RMS for different PV outputs.
Figure 11.
Line current phase variation curves for different PV outputs.
From Figure 10, it can be seen that when the voltage at the grid connection point starts to drop, the effective value of the current at the grid connection point of the distribution network with different outputs all increase. The smaller the output coefficient, the more obvious the increase in effective value. When the voltage further drops and approaches 0, due to the characteristics of the inverter itself and the LVRT requirements, the effective value of the current rapidly decreases, and the decreasing trend of different output distribution networks is similar.
From Figure 11, it can be seen that after the voltage at the grid connection point starts to drop, the phase of the current at the grid connection point of the distribution network with different outputs also increases. The larger the output coefficient, the more rapidly the phase increases. When the voltage further drops and approaches 0, the phase of the current rapidly changes, and the decreasing trend of different output distribution networks is similar.
In the figure, due to the small capacity of PV4 and PV5, the current change is not obvious when their output is reduced. A large number of different combinations of PV outlets will be set randomly in the actual simulation, and the corresponding line current RMS values and phases will be used as the sample data in the training set and test set.
4.2. Neural Network Model Training and Testing
After obtaining the sample data, the data need to be processed into a form suitable for neural network learning. For the current RMS series, the sliding average filtering method is used for smoothing; for the current phase series, the phase data are unified in the (−180°, 180°) interval. Then, the normalization is performed using Equation (24) for normalization.
Each distributed power output coefficient in the simulation model is uniformly sampled in the range of 0 to 1, and multiple sets of samples are randomly generated. The training set data contain 3125 sets of samples, the validation set consists of 64 sets of data randomly selected from the aforementioned training set samples, and the test set consists of 64 sets of data generated by re-simulating the random variation of PV power output. The test set tests the accuracy of the LSTM model training.
An LSTM neural network model is constructed where the input is a sequence of PV output coefficients and the output is a sequence of PV external characteristic data, and where the first N data points in the external characteristic data sequence represent the current phase sequence and the last N data points represent the current RMS sequence. Specifically, a one-dimensional convolutional layer with 64 channels (Tanh activation) is used to extract features from the PV output coefficient matrix of the input model, and the output is a feature map with the shape of (B, 64), where B is the batch size. The sequence data is processed using an LSTM network with two hidden layers with feature counts of 256 and 512, respectively, and the output is a vector with the shape of (B, 64). The vector is mapped to an external characteristic data sequence using a fully connected layer to map the vectors into a sequence of external characteristic curves and output vectors of shape (B, 2N) using Sigmoid activation, where N is the total number of sampling points.
The training and validation sets are used to train and optimize the weights of each layer of the LSTM neural network to obtain the model with the minimum loss function, i.e., the optimal model. Two different combinations of output power are randomly selected in the test set, and the optimal model is used to predict the RMS values and phases of the output currents, which are compared with the PSCAD simulation results, and the corresponding comparison curves are shown in Figure 12 and Figure 13.
Figure 12.
Comparison of current RMS values of LSTM model and simulation model.
Figure 13.
Comparison of current phase between LSTM model and simulation model.
Figure 12 and Figure 13 show similar trends in the change of current RMS value and phase compared to Figure 10 and Figure 11. When the voltage at the grid connection point gradually decreases from 1.0, both the current RMS value and phase gradually increase. However, when the voltage falls close to 0, the RMS value rapidly decreases, and the phase rapidly increases.
It can be seen that the predicted data of the LSTM model and the simulated data of PSCAD are basically consistent under different combinations of output power, which proves that the trained optimal model is able to predict the output current of the parallel outlets after a voltage drop.
The accuracy of the best model is further evaluated comprehensively using 64 sets of data from all test sets, and the evaluation indexes are selected as Eq. The equations listed, the MAE, MRE, PAE, and PRE of current RMS are obtained as 2.54 A, 0.51%, 15.15 A, and 2.55%, and the current phases MAE and PAE are 0.55° and 21.70°, respectively. It can be seen that the equivalent model trained based on LSTM can well fit the output external characteristics of the distribution network containing a large number of PV power sources.
4.3. Comparison of Training Model and Testing Real Model
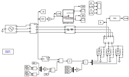
To further test the reliability of the LSTM training model, the power system is built in MATLAB/Simulink (9.12.0.1884302(R2022a)), and the complete built model is shown in Figure 14.
Figure 14.
Simulink simulation system based on LSTM training models.
The model first needs to input the output power of 5 PVs and use the optimal model to predict the I–V characteristics of the grid points under the current output power. Afterwards, different degrees of voltage dips are placed on the grid points in the model to simulate the three-phase faults in the grid; in this case, the voltage change function of the grid point with time is:
In the simulation system diagram, the yellow box collects the grid voltage and outputs the corresponding current amplitude and phase based on the I–V characteristics obtained from the optimal model. The blue box outputs a three-phase symmetrical current to the grid based on the current amplitude and phase, and the frequency tracks the grid frequency.
The PV output coefficients of [1.0, 0.8, 0.4, 0.9, 0.7] and [0.3, 0.2, 0.1, 0.6, 0.5] are selected to compare the line current waveforms with the simulation results of the full PSCAD model, respectively. Figure 15 demonstrates the waveform comparison between the LSTM model-based power system and the simulation model current RMS for the two output cases.
Figure 15.
Comparison of current RMS values of LSTM model and simulation model. (a) Output coefficients of [1.0, 0.8, 0.4, 0.9, 0.7]; (b) output coefficients of [0.3, 0.2, 0.1, 0.6, 0.5].
From Figure 15, it can be seen that the LSTM-based model of the power system reaches the stabilized value immediately after a voltage dip, whereas the simulation model needs to undergo a short-term transient process. This is due to the fact that the LSTM-based model is fully equivalent to an ideal voltage-controlled current source, and the output current tracks to the corresponding value immediately after a sudden change in the voltage at the grid point, whereas in a real system, the line current cannot undergo sudden change due to line inductance and other effects.
In addition, the steady-state values of the two models are very close to each other after different degrees of voltage dips under different outputs. The steady-state errors of the two models at different output forces are summarized in Table 2, which also demonstrates that the LSTM-based equivalent model is able to predict more accurately the steady-state characteristics of the actual system and network points after a three-phase fault.
Table 2.
Fault errors between LSTM equivalent models and complete simulation models.
5. Conclusions
This paper proposes a distributed power fault external characteristic aggregation equivalent modeling method suitable for relay protection analysis, which is applicable to the aggregation modeling of fault characteristics of distributed power sources at various levels, such as lines, buses, and regional power grids, and has certain universality. The method proposed in this paper can be further applied to the research of transient characteristics of distribution networks and the setting of relay protection constants. Similar to the modeling idea of this paper, the LSTM method can also be used to predict photovoltaic power generation and load fluctuations [26,27].
The main conclusions are as follows:
- (1)
- The proposed method does not rely on a specific physical mechanism but rather builds a model through a data-driven approach and utilizes neural networks to capture the nonlinear relationships of complex systems, which improves the efficiency, accuracy, and flexibility of the aggregated equivalence of fault characteristics.
- (2)
- The proposed method is applicable to the aggregated modeling of distributed power supply fault characteristics at all levels, such as lines, buses, regional grids, etc., and has a certain degree of universality.
- (3)
- The proposed method can realize the distributed power aggregation fault characteristic modeling of any output scenario and can adapt to the real-time modeling needs of new energy generation output fluctuations.
- (4)
- The proposed method provides an accurate and reliable reference for relay protection analysis and decision-making, helps optimize and improve relay protection strategy, facilitates the setting calculation of protection value, and improves the stability and reliability of the power grid.
At present, there is little literature using neural network methods to predict the equivalent external characteristics of distribution networks, and the reason lies in the difficulty of obtaining a large amount of fault data in actual networks. However, there are already related studies using conventional modeling methods [6] to equivalate the photovoltaic distribution network system. Compared with these methods, the method proposed in this paper is based on a large amount of real training data, so the accuracy of the equivalent of the known topology distribution network is significantly improved. However, when the network topology changes, the accuracy and reliability of the training data are not as good as the conventional method.
There is still much work needed in the future to improve the applicability of the algorithm. We will conduct training modeling analysis on typical network topologies, PV positions and types, PV output, and the impact of load so that the model can adaptively adjust to different networks, greatly enhancing the model’s trial range and improving the accuracy of the algorithm. In addition, our main research directions in the future also include:
- (1)
- The current proposed method can obtain the electrical steady-state quantities after a fault but it is not yet possible to equate the transient process, and in the future, we will try to predict the complete transient process after a fault using LSTM training.
- (2)
- The proposed method is currently applicable to aggregation modeling after steady state and three-phase faults and can be treated analogously for training modeling under asymmetric faults.
Author Contributions
Methodology, K.L. and Q.H.; Investigation, R.F. and A.W.; validation, A.W. and R.S.; writing—original draft preparation, S.G.; writing—review and editing, S.G. and T.H. All authors have read and agreed to the published version of the manuscript.
Funding
This research was funded by the Science and Technology Project of State Grid Shandong Electric Power Company “Research on Simulation Modeling and Cooperative Technology of Control and Protection for High-Density, High-Proportion Power Electronics-Based Regional Power Grid (52062623000W)” and “Research on characteristic analysis and control technology of power system with grid type centralized new energy/ stored energy (520626240004)”.
Data Availability Statement
The raw data supporting the conclusions of this article will be made available by the authors upon request.
Conflicts of Interest
Rongqi Fan and Anning Wang are employed by the State Grid Shandong Electric Power Company. Shuai Gao, Tao Huang, and Ruichen Sun are employed by the company NR Electric Co., Ltd. The remaining authors declare that the research was conducted in the absence of any commercial or financial relationships that could be construed as a potential conflict of interest.
References
- Zhang, Z.; Kang, C. Challenges and prospects for constructing the new-type power system towards a carbon neutrality future. Proc. CSEE 2022, 42, 2806–2818. [Google Scholar]
- Sun, H.; Guo, Q.; Qi, J.; Ajjarapu, V.; Bravo, R.; Chow, J.; Li, Z.; Moghe, R.; Nasr-Azadani, E.; Tamrakar, U.; et al. Review of challenges and research opportunities for voltage control in smart grids. IEEE Trans. Power Syst. 2019, 34, 2790–2801. [Google Scholar] [CrossRef]
- Song, J.; Xu, Z.; Zhai, S.; Xu, Y.; Wang, D. Study on relay protection of distributed generation accessing distribution network. Shandong Electr. Power 2018, 45, 27–31. [Google Scholar]
- Chao, C.; Zheng, X.; Gao, P.; Tai, N.; Jin, S.; Tu, Q. Adaptive distance protection for transmission line of photovoltaic station during asymmetric short circuit. Proc. CSEE 2022, 42, 6681–6692. [Google Scholar]
- Zhen, Z.; Liu, Z.; Wang, L.; Li, W.; Song, Z.; Zhang, W. Design of distributed intelligent terminal system of electric distribution network based on blockchain technology. J. Phys. Conf. Ser. 2020, 1626, 12066–12070. [Google Scholar] [CrossRef]
- Gao, Y.; Wang, J.; Sun, Y.; Kang, W. A new relay protection method for active distribution networks considering distributed power sources and stochastic loads. Power Energy 2021, 42, 14–19. [Google Scholar]
- Huang, Q.; Li, K.; Ding, J.; Zhou, G.; Li, Y. A novel fault section location method of active distribution network with the integration of distributed photovoltaic. Shandong Electr. Power 2023, 50, 68–74. [Google Scholar]
- Xiao, F.; Xia, Y.J.; Zhang, K.J. Research on a principle of networked protection in distribution network with renewable energy sources. Trans. China Electrotech. Soc. 2019, 34, 709–719. [Google Scholar]
- Li, J.; Xu, H.; Zhao, H.; Peng, Y. Dynamic modeling and simulation of the grid-connected PV power station. Autom. Electr. Power Syst. 2008, 32, 83–87. [Google Scholar]
- Liu, D.; Chen, S.; Ma, M.; Wang, H.; Hou, J.; Ma, S.Y. A review on models for photovoltaic generation system. Power Syst. Technol. 2011, 35, 47–52. [Google Scholar]
- Qin, L.; Xie, S.; Yang, C.; Cao, J. Dynamic model and dynamic characteristics of solar cells. Proc. CSEE 2013, 33, 19–26. [Google Scholar]
- Tabone, M.D.; Callaway, D.S. Modeling variability and uncertainty of photovoltaic generation: A hidden state spatial statistical approach. IEEE Trans. Power Syst. 2014, 30, 2965–2973. [Google Scholar] [CrossRef]
- Yu, H.; Su, J.; Wang, Y.; Shi, Y. Analysis and comparison of reduced-order model and modeling method for grid-connected inverter. Autom. Electr. Power Syst. 2020, 44, 155–165. [Google Scholar]
- Kou, L.; Xu, Y.; Hou, X.; Fan, Z. Cluster partition method for large scale distributed photovoltaic in distribution network. Renew. Energy Resour. 2019, 37, 525–530. [Google Scholar]
- Lan, T.; Sun, H.; Wang, Q.; Zhao, B. Active synthesis load model considering distributed renewable energy source. Trans. China Electrotech. Soc. 2024, 1–15. [Google Scholar] [CrossRef]
- Wu, H.; Zhang, J.; Luo, C.; Xu, B. Equivalent modeling of photovoltaic power station based on canopy-FCM clustering algorithm. IEEE Access 2019, 7, 102911–102920. [Google Scholar] [CrossRef]
- Elman, J.L. Finding structure in time. Cogn. Sci. 1990, 14, 179–211. [Google Scholar] [CrossRef]
- Hochreiter, S.; Schmidhuber, J. Long short-term memory. Neural Comput. 1997, 9, 1735–1780. [Google Scholar] [CrossRef]
- Chung, J.; Gulcehre, C.; Cho, K.; Bengio, Y. Empirical evaluation of gated recurrent neural networks on sequence modeling. arXiv 2014, arXiv:1412.3555. [Google Scholar]
- Yu, Y.; Si, X.; Hu, C.; Zhang, J. A review of re-current neural networks: Lstm cells and network architectures. Neural Comput. 2019, 31, 1235–1270. [Google Scholar] [CrossRef]
- Sherstinsky, A. Fundamentals of recurrent neural network (RNN) and long short-term memory (LSTM) network. Phys. D Nonlinear Phenom. 2020, 404, 132306. [Google Scholar] [CrossRef]
- Dipietro, R.; Hager, G.D. Deep Learning: RNNs and LSTM//Handbook of Medical Image Computing and Computer Assisted Intervention; Elsevier: Amsterdam, The Netherlands, 2020; pp. 503–519. [Google Scholar]
- Li, D.; Yin, H.; Zheng, B.; Liu, L. Application of improved LSTM method in sensor fault detection of the chiller. Trans. China Electrotech. Soc. 2019, 34, 2324–2332. [Google Scholar]
- Wang, T.; Zhang, L.; Wang, X.F. Fault detection for motor drive control system of industrial robots using CNN-LSTM-based observers. CES Trans. Electr. Mach. Syst. 2023, 7, 144–152. [Google Scholar] [CrossRef]
- Su, N.; Li, Y.; Zhang, W.; Zhang, G.; Yu, D.; Liu, Y. Research on heating defect prediction of substation equipment based on LSTM. Shandong Electr. Power 2021, 48, 10–14. [Google Scholar]
- Lu, J.; Zhang, Q.; Yang, Z.; Tu, M.; Lu, J.; Peng, H. Short-term load forecasting method based on CNN-LSTM hybrid neural network model. Autom. Electr. Power Syst. 2019, 43, 131–137. [Google Scholar]
- Pan, C.; Wen, S.; Zhu, M.; Ye, H.; Ma, J.; Jiang, S. Hedge Backpropagation Based Online LSTM Ar-chitecture for Ultra-Short-Term Wind Power Fore-casting. IEEE Trans. Power Syst. 2024, 39, 4179–4192. [Google Scholar] [CrossRef]
- Rubasinghe, O.; Zhang, X.; Chau, T.K.; Chow, Y.H.; Fernando, T.; Iu, H.H.-C. A Novel Sequence to Sequence Data Modelling Based CNN-LSTM Algorithm for Three Years Ahead Monthly Peak Load Forecasting. IEEE Trans. Power Syst. 2024, 39, 1932–1947. [Google Scholar] [CrossRef]
- Zhang, T.; Zhang, X.; Liu, Y.; Chow, Y.H.; Iu, H.H.; Fernando, T. Long-Term Energy and Peak Power Demand Forecasting Based on Se-quential-XGBoost. IEEE Trans. Power Syst. 2024, 39, 3088–3104. [Google Scholar] [CrossRef]
- Garip, Z.; Ekinci, E.; Alan, A. Day-ahead solar photovoltaic energy forecasting based on weather data using LSTM networks: A comparative study for photovoltaic (PV) panels in Turkey. Electr. Eng. 2023, 105, 3329–3345. [Google Scholar] [CrossRef]
- Hu, W.; Dong, Z.; Huang, X.; Gao, Y.; Zhang, Z.; Hao, J. Photovoltaic inverter anomaly detection method based on LSTM serial depth autoencoder. In Proceedings of the 2nd International Conference on New Energy and Power Engineering (ICNEPE 2022), Qingdao, China, 18–20 November 2022. [Google Scholar] [CrossRef]
- Shaobo, Y.; Daowei, L.; Jun, A. Trend prediction method of power network dynamic trajectory based on long short-term memory neural networks. Proc. CSEE 2020, 40, 2854–2866. [Google Scholar]
- Havrlík, M.; Libra, M.; Poulek, V.; Kouřím, P. Analysis of Output Signal Distortion of Galvanic Isolation Circuits for Monitoring the Mains Voltage Waveform. Sensors 2022, 22, 7769. [Google Scholar] [CrossRef] [PubMed]
- Božiková, M.; Bilčík, M.; Madola, V.; Szabóová, T.; Kubík, Ľ.; Lendelová, J.; Cviklovič, V. The Effect of Azimuth and Tilt Angle Changes on the Energy Balance of Photovoltaic System Installed in the Southern Slovakia Region. Appl. Sci. 2021, 11, 8998. [Google Scholar] [CrossRef]
Disclaimer/Publisher’s Note: The statements, opinions and data contained in all publications are solely those of the individual author(s) and contributor(s) and not of MDPI and/or the editor(s). MDPI and/or the editor(s) disclaim responsibility for any injury to people or property resulting from any ideas, methods, instructions or products referred to in the content. |
© 2024 by the authors. Licensee MDPI, Basel, Switzerland. This article is an open access article distributed under the terms and conditions of the Creative Commons Attribution (CC BY) license (https://creativecommons.org/licenses/by/4.0/).














