Learning by Doing in VR: A User-Centric Evaluation of Lathe Operation Training
Abstract
1. Introduction
2. Materials and Methods
2.1. Lathe Reference Model
- Bed: The foundation on which all the lathe’s components and carriages are mounted.
- Headstock: Fixed to the bed, it supplies power to the spindle.
- Spindle: Electrically powered by the headstock, it secures the workpiece for rotation using adjustable chucks or jaws.
- Longitudinal Carriage: Moves the tool longitudinally along the workpiece.
- Longitudinal Carriage Handwheel: Allows manual movement of the longitudinal carriage.
- Cylinder and Facing Lever: Enables automatic movement of the longitudinal carriage based on the selection made on the bed controls.
- Cross Carriage: Moves the tool transversely to the spindle and can be operated automatically with the cylinder and facing lever.
- Cross Carriage Handwheel: Allows manual movement of the cross carriage.
- Tool Post: Holds the tool firmly and moves longitudinally along the workpiece.
- Tool Carriage Handwheel: Allows manual movement of the tool carriage.
- Tailstock Carriage: Secures the workpiece to prevent misalignment.
- Tailstock Lock Crank: Releases or locks the tailstock carriage on the bed.
- Tailstock Quill Crank: Facilitates disassembly and replacement of the tailstock quill with the centering bit.
- Tailstock Handwheel: Moves the tailstock axis.
- Main Power Switch: Controls the overall power supply to the machine.
- Spindle On/Off Switch: Controls the rotation of the spindle.
- Emergency Stops: Includes both manual and foot-activated emergency stops.
- Protective Screen: Prevents chips from escaping and stops the process if lifted during machining.
- Cylindrical Turning: Achieving cylindrical surfaces by moving the tool parallel to the axis of the workpiece.
- Facing and Parting Off: Producing flat surfaces by moving the tool perpendicular to the axis of rotation of the workpiece.
2.2. Virtual Reality Application Implementation
2.2.1. Hardware and Software Components
2.2.2. Details of the Implementation
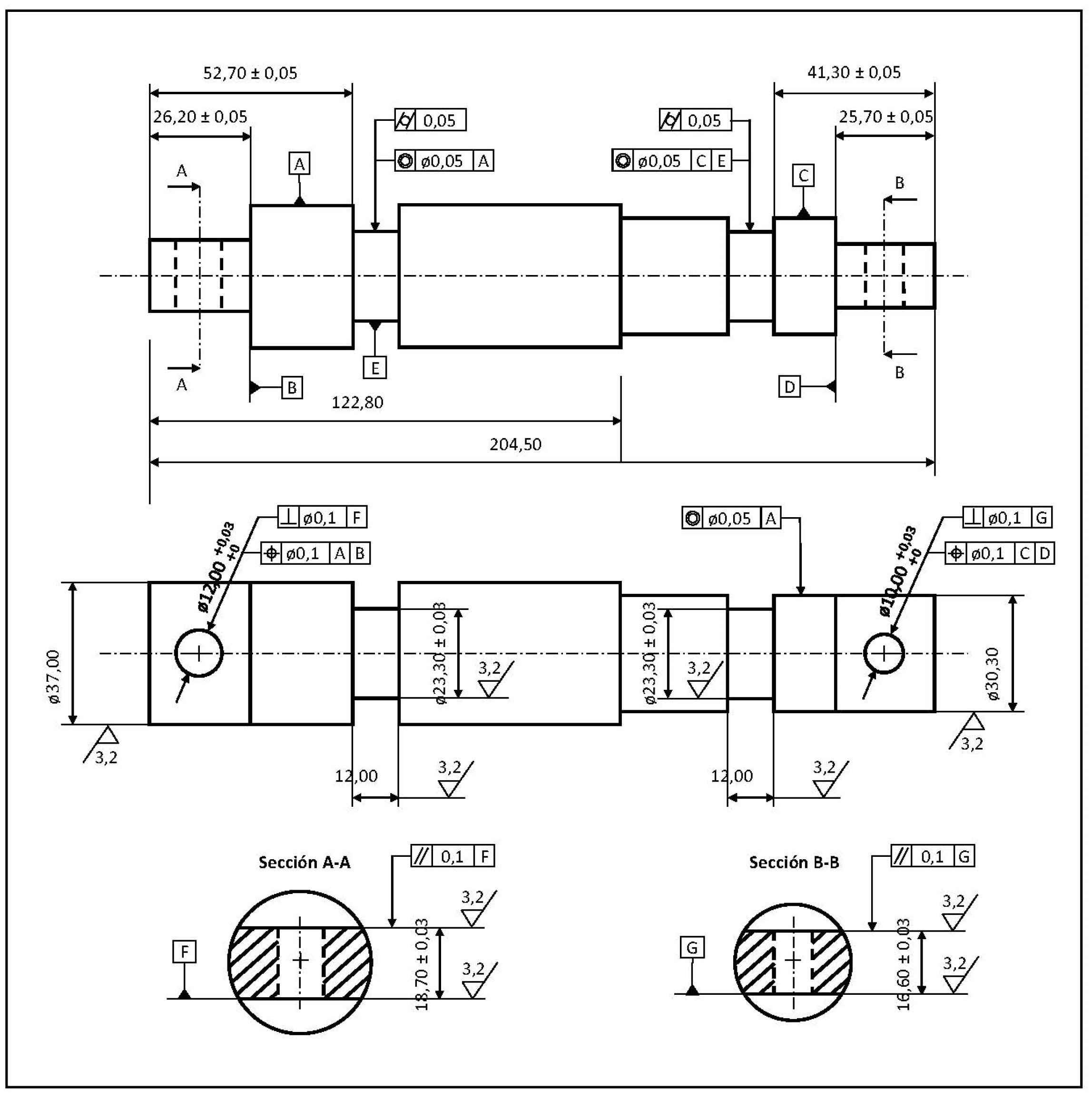
Specimens
Head
Spindle
- A new wrench, fixed to the spindle and aligned with the selected hole, becomes visible.
- The mesh renderer of the main wrench the user is handling is hidden to avoid duplication.
- A flag is activated to allow the jaws to move.
Tailstock Carriage
Startup
Longitudinal and Transverse Carriages and Tool Holder
Automatic Cylindrical Turning and Facing
Sound and Particle Systems
2.2.3. Operation of the Virtual Lathe
2.2.4. Activity with the Virtual Lathe
2.3. Evaluation of the User Experience
- QUESI (Hurtienne and Naumann [56]), to evaluate the intuitiveness or otherwise of product, software, and game developments (Q10 and Q11, questions).
- ITC-SOPI (Lessiter et al. [57]), to assess participants’ sense of presence and participation in the virtual environment, whether the content is perceived as realistic, and the appearance of negative effects (Q1, Q2, Q3, Q4, Q5, and Q6 questions).
- NASA-TLX (Hart and Staveland [58]), to assess the subjective workload experienced by participants (Q7 and Q8 questions).
- UEQ (Laugwitz, [59]), to assess the subjective user experience (Q9 and Q12 questions).
3. Results
4. Discussion
- Tool Drop Issues: The tightening key and specimen fell and became trapped within the lathe’s structure, occurring four times.
- Re-Grabbing Difficulties: When tools fell to the floor, it was difficult to grab them again, leading to controller collisions with the ground.
- Amazement and expectation: Initial interaction with the virtual world, characterized by caution and thoughtfulness, lasting around 20 min.
- Concentration and effort: Increased confidence and familiarity with the application, showing keen interest in proper operation and expected outcomes.
- Excitement and curiosity: After achieving the expected results, users showed interest in exploring and experimenting with non-standard actions.
5. Conclusions
Author Contributions
Funding
Institutional Review Board Statement
Informed Consent Statement
Data Availability Statement
Conflicts of Interest
References
- Wheatstone, C. Contributions to the physiology of vision—Part the first. On some remarkable and hitherto unobserved phenomena of binocular vision. In Abstracts of the Papers Printed in the Philosophical Transactions of the Royal Society of London; The Royal Society: London, UK, 1843; pp. 76–77. [Google Scholar]
- Wade, N.J. Wheatstone and the origins of moving stereoscopic images. Perception 2012, 41, 901–924. [Google Scholar] [CrossRef]
- Ackerman, E. Before virtual reality was cool. IEEE Spectr. 2016, 53, 68. [Google Scholar] [CrossRef]
- Sutherland, I.E. A head-mounted three dimensional display. In Proceedings of the December 9–11, 1968, Fall Joint Computer Conference, Part I (AFIPS ‘68 (Fall, Part I)), San Francisco, CA, USA, 9–11 December 1968; Association for Computing Machinery: New York, NY, USA, 1968; pp. 757–764. [Google Scholar] [CrossRef]
- Boyer, S. A virtual failure: Evaluating the success of Nintendo’s Virtual Boy. Velv. Light Trap 2009, 64, 23–33. [Google Scholar] [CrossRef]
- Gleasure, R.; Feller, J. A rift in the ground: Theorizing the evolution of anchor values in crowdfunding communities through the Oculus Rift case study. J. Assoc. Inf. Syst. 2016, 17, 1. [Google Scholar] [CrossRef]
- Heim, M. Virtual Realism; Oxford University Press: Oxford, UK, 1998. [Google Scholar]
- Pantelidis, V.S. Virtual reality and engineering education. Comput. Appl. Eng. Educ. 1997, 5, 3–12. [Google Scholar] [CrossRef]
- Leonard, S.N.; Fitzgerald, R.N. Holographic Learning: A Mixed Reality Trial of Microsoft HoloLens in an Australian Secondary School. Res. Learn. Technol. 2018, 26. [Google Scholar] [CrossRef]
- Chang, C.-W.; Lee, J.-H.; Wang, C.-Y.; Chen, G.-D. Improving the authentic learning experience by integrating robots into the mixed-reality environment. Comput. Educ. 2010, 55, 1572–1578. [Google Scholar] [CrossRef]
- Mateu, J.; Alaman, X. CUBICA: An Example of Mixed Reality. J. Univers. Comput. Sci. 2013, 19, 2598–2616. [Google Scholar] [CrossRef]
- Chao, J.; Chiu, J.L.; DeJaegher, C.J.; Pan, E.A. Sensor-augmented virtual labs: Using physical interactions with science simulations to promote understanding of gas behavior. J. Sci. Educ. Technol. 2016, 25, 16–33. [Google Scholar] [CrossRef]
- Enyedy, N.; Danish, J.A.; DeLiema, D. Constructing liminal blends in a collaborative augmented-reality learning environment. Int. J. Comput. Support. Collab. Learn. 2015, 10, 7–34. [Google Scholar] [CrossRef]
- Han, J.; Jo, M.; Hyun, E.; So, H.J. Examining young children’s perception toward augmented reality in fused dramatic play. Educ. Technol. Res. Dev. 2015, 63, 455–474. [Google Scholar] [CrossRef]
- Huber, T.; Paschold, M.; Hansen, C.; Wunderling, T.; Lang, H.; Kneist, W. New Dimensions in Surgical Training: Immersive Virtual Reality Laparoscopic Simulation Exhilarates Surgical Staff. Surg. Endosc. 2017, 31, 4472–4477. [Google Scholar] [CrossRef] [PubMed]
- Keefe, F.; Huling, D.; Coggins, M.; Keefe, D.; Rosenthal, Z.; Herr, N.; Hoffman, H. Virtual Reality for Persistent Pain: A New Direction for Behavioral Pain Management. Pain 2012, 153, 2163–2166. [Google Scholar] [CrossRef] [PubMed]
- Matsas, E.; Vosniakos, G. Design of a Virtual Reality Training System for Human–robot Collaboration in Manufacturing Tasks. Int. J. Interact. Des. Manuf. 2015, 11, 139–153. [Google Scholar] [CrossRef]
- Mól, A.C.; Jorge, C.A.; Couto, P.M. Using a Game Engine for VR Simulations in Evacuation Planning. IEEE Comput. Graph. Appl. 2008, 28, 6–12. [Google Scholar] [CrossRef] [PubMed]
- Zhang, S.; Moore, A. The Usability of Online Geographic Virtual Reality for Urban Planning. In Innovations in 3D Geo-Information Sciences. Lecture Notes in Geoinformation and Cartography; Isikdag, U., Ed.; Springer: Cham, Switzerland, 2013. [Google Scholar] [CrossRef]
- De la Peña, N.; Weil, P.; Llobera, J.; Spanlang, B.; Friedman, D.; Sanchez-Vives, M.; Slater, M. Immersive Journalism: Immersive Virtual Reality for the First-Person Experience of News. Presence Teleoperators Virtual Environ. 2010, 19, 291–301. [Google Scholar] [CrossRef]
- Staurset, E.; Prasolova-Førland, E. Creating a Smart Virtual Reality Simulator for Sports Training and Education. Smart Innov. Syst. Technol. 2016, 59, 423–433. [Google Scholar] [CrossRef]
- Lai, C.; McMahan, R.P.; Kitagawa, M.; Connolly, I. Geometry Explorer: Facilitating Geometry Education with Virtual Reality. In Virtual, Augmented and Mixed Reality; Springer International Publishing: Cham, Switzerland, 2016; pp. 702–713. [Google Scholar]
- Stefan, L. Immersive Collaborative Environments for Teaching and Learning Traditional Design. Procedia Soc. Behav. Sci. 2012, 51, 1056–1060. [Google Scholar] [CrossRef]
- Ai-Lim Lee, E.; Wong, K.; Fung, C. How Does Fesktop Virtual Reality Enhance Learning Outcomes? A Structural Equation Modeling Approach. Comput. Educ. 2010, 55, 1424–1442. [Google Scholar] [CrossRef]
- Van der Linden, A.; van Joolingen, W. A Serious Game for Interactive Teaching of Newton’s Laws. In Proceedings of the 3rd Asia-Europe Symposium on Simulation & Serious Gaming—VRCAI ’16, New York, NY, USA, 3–4 December 2016; pp. 165–167. [Google Scholar] [CrossRef]
- Abulrub, A.; Attridge, A.; Williams, M. Virtual Reality in Engineering Education: The Future of Creative Learning. In Proceedings of the 2011 IEEE Global Engineering Education Conference (EDUCON), Amman, Jordan, 4–6 April 2011. [Google Scholar] [CrossRef]
- Pruna, E.; Rosero, M.; Pogo, R.; Escobar, I.; Acosta, J. Virtual reality as a tool for the cascade control learning. In International Conference on Augmented Reality, Virtual Reality and Computer Graphics. Lecture Notes in Computer Science; Springer: Berlin/Heidelberg, Germany, 2018; Volume 10850, pp. 243–251. [Google Scholar] [CrossRef]
- Burghardt, A.; Szybicki, D.; Gierlak, P.; Kurc, K.; Pietruś, P.; Cygan, R. Programming of industrial robots using virtual reality and digital twins. Appl. Sci. 2020, 10, 486. [Google Scholar] [CrossRef]
- Pérez, L.; Diez, E.; Usamentiaga, R.; García, D.F. Industrial robot control and operator training using virtual reality interfaces. Comput. Ind. 2019, 109, 114–120. [Google Scholar] [CrossRef]
- Garcia, C.A.; Caiza, G.; Naranjo, J.E.; Ortiz, A.; Garcia, M.V. An Approach of Training Virtual Environment for Teaching Electro-Pneumatic Systems. IFAC-PapersOnLine 2019, 52, 278–284. [Google Scholar] [CrossRef]
- Chrysoulas, C.; Homay, A.; Lemac, M. Teaching industrial automation concepts with the use of virtual/augmented reality-The IEC 61499 case. In Proceedings of the 17th International Conference on Information Technology Based Higher Education and Training (ITHET), Olhao, Portugal, 26–28 April 2018; pp. 1–6. [Google Scholar] [CrossRef]
- Cvetkovski, G.; Petkovska, L.; Di Barba, P.; Mognaschi, M.E.; Kamińska, D.; Firych-Nowacka, A.; Wiak, S.; Digalovski, M.; Celeska, M.; Rezaei, N.; et al. ViMeLa Project: An innovative concept for teaching mechatronics using virtual reality. Prz. Elektrotechniczny 2019, 95, 18–21. [Google Scholar] [CrossRef]
- Garcia, C.A.; Naranjo, J.E.; Ortiz, A.; Garcia, M.V. An approach of virtual reality environment for technicians training in upstream sector, IFAC-PapersOnLine 2019, 52, 285–291. IFAC-PapersOnLine 2019, 52, 285. [Google Scholar] [CrossRef]
- Morales-Menéndez, R.; Ramírez-Mendoza, R.A. Virtual/remote labs for automation teaching: A cost effective approach. IFAC-PaperONLine 2019, 52, 266–271. [Google Scholar] [CrossRef]
- Román-Ibáñez, V.; Pujol-López, F.A.; Mora-Mora, H.; Pertegal-Felices, M.L.; Jimeno-Morenilla, A. A low-cost immersive virtual reality system for teaching robotic manipulators programming. Sustainability 2018, 10, 1102. [Google Scholar] [CrossRef]
- Shen, B.; Wang, Y.; Zhang, X.; Cheng, H. Virtual Reality Design of industrial robot teaching based on unity3D. In Proceedings of the 7th International Symposium on Mechatronics and Industrial Informatics (ISMII), Zhuhai, China, 22–24 January 2021. [Google Scholar] [CrossRef]
- Wang, H.; Wang, Z. Research on PLC Simulation Teaching Platform Based on Unity. In Proceedings of the 2020 International Conference on Intelligent Design (ICID), Xi’an China, 11–13 December 2020; pp. 15–18. [Google Scholar]
- Chen, C.S.; Su, B.X.; Guo, M.H.; Zhong, Y.T.; Yang, Y.F.; Kuo, H.L. Applying virtual reality to control of logical control mechanism system. In Proceedings of the 2018 IEEE International Conference on Applied System Invention (ICASI), Tokyo, Japan, 13–17 April 2018; pp. 520–523. [Google Scholar] [CrossRef]
- Togias, T.; Gkournelos, C.; Angelakis, P.; Michalos, G.; Makris, S. Virtual reality environment for industrial robot control and path design. Procedia CIRP 2021, 100, 133–138. [Google Scholar] [CrossRef]
- Kalinov, I.; Trinitatova, D.; Tsetserukou, D. Warevr: Virtual reality interface for supervision of autonomous robotic system aimed at warehouse stocktaking. In Proceedings of the 2021 IEEE International Conference on Systems, Man, and Cybernetics (SMC), Melbourne, Australia, 17–20 October 2021; pp. 2139–2145. [Google Scholar]
- Bekele, M.K.; Champion, E. A Comparison of Immersive Realities and Interaction Methods: Cultural Learning in Virtual Heritage. Front. Robot. AI 2019, 6, 91. [Google Scholar] [CrossRef] [PubMed]
- Stock, C.; Bishop, D.; O’Connor, A.N.; Cehn, T.; Pettir, C.J.; Aurambout, J.P. SIEVE: Collaborative Decision-making in an Immersive Online Environment. Cartogr. Geogr. Inf. Sci. 2008, 35, 133–144. [Google Scholar] [CrossRef]
- Loeffler, C.E.; Anderson, T. The Virtual Reality Casebook; Van Nostrand Reinhold: New York, NY, USA, 1994. [Google Scholar]
- Allmacher, C.; Dudczig, M.; Knopp, S.; Klimant, P. Virtual reality for virtual commissioning of automated guided vehicles. In Proceedings of the 2019 IEEE Conference on Virtual Reality and 3D User Interfaces (VR), Osaka, Japan, 23–27 March 2019; pp. 838–839. [Google Scholar] [CrossRef]
- Aldea, A.; Tinga, A.M.; Van Zeumeren, I.M.; Van Nes, N.; Aschenbrenner, D. Virtual Reality Tool for Human-Machine Interface Evaluation and Development (VRHEAD). In Proceedings of the 2022 IEEE Intelligent Vehicles Symposium (IV), Aachen, Germany, 5–9 June 2022; pp. 151–158. [Google Scholar] [CrossRef]
- Malik, A.A.; Masood, T.; Bilberg, A. Virtual reality in manufacturing: Immersive and collaborative artificial-reality in design of human-robot workspace. Int. J. Comput. Integr. Manuf. 2020, 33, 22–37. [Google Scholar] [CrossRef]
- Vergara, D.; Rubio, M.P.; Lorenzo, M. On the Design of Virtual Reality Learning Environments in Engineering. Multimodal Technol. Interact. 2017, 1, 11. [Google Scholar] [CrossRef]
- Hernández-Chávez, M.; Cortés-Caballero, J.M.; Pérez-Martínez, A.A.; Hernández-Quintanar, L.F.; Roa-Tort, K.; Rivera-Fernández, J.D.; Fabila-Bustos, D.A. Development of Virtual Reality Automotive Lab for Training in Engineering Students. Sustainability 2021, 13, 9776. [Google Scholar] [CrossRef]
- Salah, B.; Abidi, M.H.; Mian, S.H.; Krid, M.; Alkhalefah, H.; Abdo, A. Virtual reality-based engineering education to enhance manufacturing sustainability in industry 4.0. Sustainability 2019, 11, 1477. [Google Scholar] [CrossRef]
- Lathe Machine-VR Training by Aura Interact. Available online: https://www.youtube.com/watch?v=12ThSZynTI0 (accessed on 16 June 2024).
- DC VRT Lathe. Available online: https://www.youtube.com/playlist?list=PLRC00Ly5naBtH50PgqsqePf6cYoJy99iv (accessed on 16 June 2024).
- Lathe Safety Simulator VR. Available online: https://www.youtube.com/watch?v=hJ2RBhiDovY (accessed on 16 June 2024).
- Train Safely on the Virtual Lathe Machine. Available online: https://eonreality.com/train-safely-virtual-lathe/?lang=es (accessed on 16 June 2024).
- Hui-Chin, C. A Novel Training System of Lathe Works on Virtual Operating Platform. J. Softw. Eng. Appl. 2010, 3, 287–302. [Google Scholar] [CrossRef][Green Version]
- Florentia, A.; Riwinoto, R. Usability Analysis: Virtual Reality-Based Lathe Machine Operation Simulation Application. In Proceedings of the 5th International Conference on Applied Engineering, Batam, Indonesia, 5 October 2022. [Google Scholar] [CrossRef]
- Hurtienne, J.; Naumann, A. QUESI-A Questionnaire for Measuring the Subjective Consequences of Intuitive Use; Interdisciplinary College: Möhnesee, Germany, 2010. [Google Scholar]
- Lessiter, J.; Freeman, J.; Keogh, E.; Davidoff, J. A Cross-Media Presence Questionnaire: The ITC-Sense of Presence Inventory. Presence Teleoperators Virtual Environ. 2001, 10, 282–297. [Google Scholar] [CrossRef]
- Hart, S.G.; Staveland, L.E. Development of NASA-TLX (Task Load Index): Results of Empirical and Theoretical Research. Adv. Psychol. 1988, 52, 139–183. [Google Scholar] [CrossRef]
- Laugwitz, B.; Held, T.; Schrepp, M. Construction and Evaluation of a User Experience Questionnaire. In Lecture Notes in Computer Science; Springer: Berlin/Heidelberg, Germany, 2008. [Google Scholar]
- Brooke, J. SUS: A “Quick and Dirty” Usability Scale. In Usability Evaluation in Industry; CRC Press: Boca Raton, FL, USA, 1996; pp. 207–212. [Google Scholar]





















| Q1: The experience has caused me dizziness or other discomfort. | Q7: The lathe works like the real thing. |
| Q2: I felt the sensation of being present at the scene and that events were really happening. | Q8: I have perceived risk of some kind. |
| Q3: I felt like I was in a real facility. | Q9: I’ve found it useful to be part of the virtual scene. |
| Q4: I have felt the objects as real in the virtual environment. | Q10: The app is usable and user-friendly. |
| Q5: The colors and textures are similar to the real thing. | Q11: It is easier to operate the lathe than the virtual version. |
| Q6: Lighting effects are appropriate. | Q12: I consider the application to be valid for training and testing. |
| SUS-Q1: I would use this tool frequently. | SUS-Q6: The tool is inconsistent. |
| SUS-Q2: I find this tool unnecessarily complex. | SUS-Q7: Most people could learn how to use this tool very quickly. |
| SUS-Q3: The tool was easy to use. | SUS-Q8: The tool is very difficult to use. |
| SUS-Q4: I would need the help of somebody with technical knowledge of this tool. | SUS-Q9: I feel confident using this tool. |
| SUS-Q5: The tool’s functionality is well integrated. | SUS-Q10: I had to learn many things before I could use this tool. |
| Q1 | Q2 | Q3 | Q4 | Q5 | Q6 | Q7 | Q8 | Q9 | Q10 | Q11 | Q12 | |
|---|---|---|---|---|---|---|---|---|---|---|---|---|
| Mean | 1.15 | 5.00 | 5.00 | 5.00 | 5.00 | 4.85 | 5.00 | 1.15 | 5.00 | 4.75 | 4.05 | 4.75 |
| Median | 1.00 | 5.00 | 5.00 | 5.00 | 5.00 | 5.00 | 5.00 | 1.00 | 5.00 | 5.00 | 4.00 | 5.00 |
| Mode | 1.00 | 5.00 | 5.00 | 5.00 | 5.00 | 5.00 | 5.00 | 1.00 | 5.00 | 5.00 | 4.00 | 5.00 |
| Std. Dev. | 0.49 | 0.00 | 0.00 | 0.00 | 0.00 | 0.49 | 0.00 | 0.49 | 0.00 | 0.79 | 0.83 | 0.79 |
| Mean | Median | Mode | SD | Minimum | Maximum | |
|---|---|---|---|---|---|---|
| SUS-Q1 | 4.50 | 5.00 | 5.00 | 1.10 | 1 | 5 |
| SUS-Q2 | 1.00 | 1.00 | 1.00 | 0.00 | 1 | 1 |
| SUS-Q3 | 4.70 | 5.00 | 5.00 | 0.66 | 3 | 5 |
| SUS-Q4 | 1.10 | 1.00 | 1.00 | 0.31 | 1 | 2 |
| SUS-Q5 | 4.90 | 5.00 | 5.00 | 0.31 | 4 | 5 |
| SUS-Q6 | 1.00 | 1.00 | 1.00 | 0.00 | 1 | 1 |
| SUS-Q7 | 4.90 | 5.00 | 5.00 | 0.31 | 4 | 5 |
| SUS-Q8 | 1.00 | 1.00 | 1.00 | 0.00 | 1 | 1 |
| SUS-Q9 | 4.60 | 5.00 | 5.00 | 0.68 | 3 | 5 |
| SUS-Q10 | 1.00 | 1.00 | 1.00 | 0.00 | 1 | 1 |
| SUS | 96.25 | 100.00 | 100.00 | 6.41 | 80.0 | 100 |
| Q1 | Q6 | Q8 | Q10 | Q11 | Q12 | ||
|---|---|---|---|---|---|---|---|
| SUS | Spearman’s rho | −0.58 | 0.58 | −0.57 | 0.58 | 0.35 | 0.58 |
| df | 18 | 18 | 18 | 18 | 18 | 18 | |
| p-value | 0.008 | 0.008 | 0.008 | 0.008 | 0.131 | 0.008 |
Disclaimer/Publisher’s Note: The statements, opinions and data contained in all publications are solely those of the individual author(s) and contributor(s) and not of MDPI and/or the editor(s). MDPI and/or the editor(s) disclaim responsibility for any injury to people or property resulting from any ideas, methods, instructions or products referred to in the content. |
© 2024 by the authors. Licensee MDPI, Basel, Switzerland. This article is an open access article distributed under the terms and conditions of the Creative Commons Attribution (CC BY) license (https://creativecommons.org/licenses/by/4.0/).
Share and Cite
Conesa, J.; Martínez, A.; Mula, F.; Contero, M. Learning by Doing in VR: A User-Centric Evaluation of Lathe Operation Training. Electronics 2024, 13, 2549. https://doi.org/10.3390/electronics13132549
Conesa J, Martínez A, Mula F, Contero M. Learning by Doing in VR: A User-Centric Evaluation of Lathe Operation Training. Electronics. 2024; 13(13):2549. https://doi.org/10.3390/electronics13132549
Chicago/Turabian StyleConesa, Julian, Antonio Martínez, Francisco Mula, and Manuel Contero. 2024. "Learning by Doing in VR: A User-Centric Evaluation of Lathe Operation Training" Electronics 13, no. 13: 2549. https://doi.org/10.3390/electronics13132549
APA StyleConesa, J., Martínez, A., Mula, F., & Contero, M. (2024). Learning by Doing in VR: A User-Centric Evaluation of Lathe Operation Training. Electronics, 13(13), 2549. https://doi.org/10.3390/electronics13132549

