Voltage and Current Sensor Fault Diagnosis Method for Traction Rectifier in High-Speed Trains
Abstract
1. Introduction
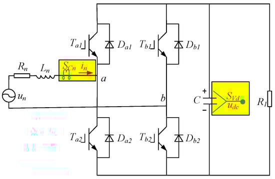
2. System Description
3. Fault Analysis
4. Fault Detection and Diagnosis
4.1. Residual Generation
4.2. Fault Detection
4.3. Fault Diagnosis
4.4. Thresholds Selection
5. Experimental Results
6. Conclusions
6.1. Limitation
6.2. Improvement for Future Works
Author Contributions
Funding
Data Availability Statement
Conflicts of Interest
References
- Tao, H.; Peng, T.; Yang, C.; Gao, J.; Chen, Z.; Yang, C.; Gui, W. An FCS-MPC-based open-circuit and current sensor fault diagnosis method for traction inverters with two current sensors. Int. J. Electr. Power Energy Syst. 2023, 144, 108526. [Google Scholar] [CrossRef]
- Peng, T.; Tao, H.; Yang, C.; Chen, Z.; Yang, C.; Gui, W.; Karimi, H.R. A Uniform Modeling Method Based on Open-circuit Faults Analysis For NPC-three-level Converter. IEEE Trans. Circuits Syst. II Express Briefs 2019, 66, 457–461. [Google Scholar] [CrossRef]
- Cui, P.; Zheng, Z.; Fu, J.; Zhang, Q.; An, L. A Fault-Tolerant Control Method for a PMSM Servo Drive System with a Four-Leg Inverter. Electronics 2023, 12, 3857. [Google Scholar] [CrossRef]
- Gong, Z.; Huang, D.; Jadoon, H.; Ma, L.; Song, W. Sensor-Fault-Estimation-Based Tolerant Control for Single-Phase Two-Level PWM Rectifier in Electric Traction System. IEEE Trans. Power Electron. 2020, 35, 12274–12284. [Google Scholar] [CrossRef]
- Tao, H.; Peng, T.; Yang, C.; Chen, Z.; Yang, C.; Gui, W. Open-Circuit Fault Analysis and Modeling for Power Converter Based on Single Arm Model. Electronics 2019, 8, 633. [Google Scholar] [CrossRef]
- Yang, X.; Yang, C.; Peng, T.; Chen, Z.; Liu, B.; Gui, W. Hardware in the Loop fault injection for traction control system. IEEE J. Emerg. Sel. Top. Power Electron. 2018, 6, 697–706. [Google Scholar] [CrossRef]
- Ndabarushimana, E.; Ma, L. Robust Sensor Fault Detection for a Single-Phase Pulse Width Modulation Rectifier. Electronics 2023, 12, 2366. [Google Scholar] [CrossRef]
- Zhou, D.; Ji, H.; He, X. Fault Diagnosis Techniques for the Information Control System of High-speed Trains. Acta Anat. Sin. 2018, 44, 1153–1164. [Google Scholar]
- Tao, H.; Tao, P.; Yang, C.; Gao, J.; Yang, C.; Gui, W. Voltage and Current Sensor Fault Diagnosis Method for Traction Converter with Two Stator Current Sensors. Sensors 2022, 22, 2355. [Google Scholar] [CrossRef]
- Xie, D.; Ge, X. A State Estimator-based Approach for Opencir-cuit Fault Diagnosis in Single-phase Cascaded H-bridge Rectifiers. IEEE Trans. Ind. Appl. 2019, 55, 1608–1618. [Google Scholar] [CrossRef]
- Wu, F.; Zhao, J. Current Similarity Analysis Based Open-circuit Fault Diagnosis for Two-level Three-phase PWM Rectifier. IEEE Trans. Power Electron. 2017, 32, 3935–3945. [Google Scholar] [CrossRef]
- Xie, D.; Pu, J.; Ge, X. Current Residual-based Method for Open-circuit Fault Diagnosis in Single-phase PWM Converter. IET Power Electron. 2018, 11, 2279–2285. [Google Scholar] [CrossRef]
- Cheng, S.; Chen, Y.; Yu, T. A Novel Diagnostic Technique for Open-circuited Faults of Inverters Based on Output Line-to-line Voltage Model. IEEE Trans. Ind. Electron. 2016, 63, 4412–4421. [Google Scholar]
- Cai, B.; Zhao, Y.; Liu, H. A Data-driven Fault Diagnosis Methodology in Three-phase Inverters for PMSM Drive Systems. IEEE Trans. Power Electron. 2017, 32, 5590–5600. [Google Scholar] [CrossRef]
- Gou, B.; Xu, Y.; Xia, Y. An Intelligent Time-adaptive Data-driven Method for Sensor Fault Diagnosis in Induction Motor Drive System. IEEE Trans. Ind. Electron. 2019, 66, 9817–9827. [Google Scholar] [CrossRef]
- Huang, G.; Zhou, H.; Ding, X. Extreme Learning Machine for Regression and Multiclass Classification. IEEE Trans. Syst. 2012, 42, 513–529. [Google Scholar]
- Pecina Sánchez, J.A.; Campos-Delgado, D.; Espinoza-Trejo, D. Fault Diagnosis in Grid-Connected PV NPC Inverters by a Model-based and Data Processing Combined Approach. IET Power Electron. 2019, 12, 3254–3264. [Google Scholar] [CrossRef]
- Foo, G.; Zhang, X.; Vilathgamuwa, D.M. A Sensor Fault Detection and Isolation Method in Interior Permanent-magnet Synchronous Motor Drives Based on an Extended Kalman filter. IEEE Trans. Ind. Electron. 2013, 60, 3485–3495. [Google Scholar] [CrossRef]
- Jlassi, I.; Estima, J.; El Khil, S. A Robust Observer-Based Method for IGBTs and Current Sensors Fault Diagnosis in Voltage-source Inverters of PMSM Drives. IEEE Trans. Ind. Appl. 2017, 53, 2894–2905. [Google Scholar] [CrossRef]
- Wu, C.; Guo, C.; Xie, Z.; Ni, F.; Liu, H. A Signal-Based Fault Detection and Tolerance Control Method of Current Sensor for PMSM Drive. IEEE Trans. Ind. Electron. 2018, 65, 9646–9657. [Google Scholar] [CrossRef]
- Saha, S.; Kar, U. Signal-Based Position Sensor Fault Diagnosis Applied to PMSM Drives for Fault-Tolerant Operation in Electric Vehicles. World Electr. Veh. J. 2023, 14, 123. [Google Scholar] [CrossRef]
- Xu, S.; Chai, H.; Hu, Y.; Huang, D.; Zhang, K.; Chai, Y. Simultaneous Fault Diagnosis of Broken Rotor Bar and Speed Sensor for Traction Motor in High-speed Train. Zidonghua Xuebao 2023, 49, 1214–1227. [Google Scholar]
- Youssef, A.B.; Khil, S.; Belkhodja, I.S. Open-circuit fault diagnosis and voltage sensor fault tolerant control of a single phase pulsed width modulated rectifier. Math. Comput. Simul. 2017, 131, 234–252. [Google Scholar] [CrossRef]
- Xia, J.; Guo, H.; Dai, B.; Zhang, X. Sensor fault diagnosis and system reconfiguration approach for an electric traction PWM rectifier based on sliding mode observer. IEEE Trans. Power Electron. 2017, 53, 4768–4778. [Google Scholar] [CrossRef]
- Youssef, A.B.; Khil, S.; Slama-Belkhodja, I. State Observer-Based Sensor Fault Detection and Isolation, and Fault Tolerant Control of a Single-Phase PWM Rectifier for Electric Railway Traction. IEEE Trans. Power Electron. 2013, 28, 5842–5853. [Google Scholar] [CrossRef]
- Li, Z.; Wheeler, P.; Watson, A.; Costabeber, A.; Wang, B.; Ren, Y.; Bai, Z.; Ma, H. A fast diagnosis method for both IGBT faults and current sensor faults in grid-tied three-phase inverters with two current sensors. IEEE Trans. Power Electron. 2020, 35, 5267–5278. [Google Scholar] [CrossRef]
- Ren, Y.; Li, Z.; Wang, B.; Bai, Z.; Ma, H. A Fast Average Model-Based Method for IGBT and Current Sensor Fault Diagnosis in Grid- Tied Inverters. In Proceedings of the 44th Annual Conference of the IEEE Industrial Electronics Society, Washington, DC, USA, 21–23 October 2018; pp. 3809–3814. [Google Scholar]
- Zhang, K.; Jiang, B.; Yan, X.; Mao, Z.H. Incipient Voltage Sensor for Rectifier in Railway Electrical Traction Systems. IEEE Trans. Ind. Electron. 2017, 64, 6763–6774. [Google Scholar] [CrossRef]
- Li, X.; Xu, J.; Chen, Z.; Xu, S.; Liu, K. Real-time fault diagnosis of pulse rectifier in traction system based on structural model. IEEE Trans. Intell. Transp. Syst. 2020, 23, 2130–2143. [Google Scholar] [CrossRef]
- Trinh, Q.; Wang, P.; Tang, Y.; Koh, L.; Choo, F. Compensation of DC Offset and Scaling Errors in Voltage and Current Measurements of Three-phase AC/DC Converters. IEEE Trans. Ind. Electron. 2018, 33, 5401–5414. [Google Scholar] [CrossRef]
- Myoungho, K.; Seung-Ki, S.; Junggi, L. Compensation of Current Measurement Error for Current-Controlled PMSM Drives. IEEE Trans. Ind. Appl. 2014, 550, 3365–3373. [Google Scholar]








| Fault Diagnosis Rules | Fault Location | Fault Type |
|---|---|---|
| Scaling fault | ||
| Offset fault | ||
| Drift fault | ||
| Offset fault | ||
| Drift fault |
| Parameters | Symbol | Value |
|---|---|---|
| RMS grid-side voltage | 220 V | |
| Grid inductor | 5 mH | |
| Grid resister | 0.2 | |
| DC-link capacitor | C | 2.2 mF |
| DC-link voltage | 340 V |
| Fault Diagnosis Method | Object Sensor | Cost | Difficulty of Implementation | Fault Type |
|---|---|---|---|---|
| Fault diagnosis method in [23] | Only voltage sensor | Low | Low | Scaling & offset faults |
| Fault diagnosis method in [24] | Voltage & current sensor | Low | Low | Fault type is not identified |
| Fault diagnosis method in [25] | Voltage & current sensor | Low | Low | Offset fault |
| Fault diagnosis method in [26] | Only current sensor | Low | High | Fault type is not identified |
| Fault diagnosis method in [28] | Only voltage sensor | Low | High | Fault type is not identified |
| Fault diagnosis method in [29] | Only voltage sensor | High | Low | Fault type is not identified |
| Proposed method in paper | Voltage & current sensor | Low | Low | Scaling & offset & drift faults |
Disclaimer/Publisher’s Note: The statements, opinions and data contained in all publications are solely those of the individual author(s) and contributor(s) and not of MDPI and/or the editor(s). MDPI and/or the editor(s) disclaim responsibility for any injury to people or property resulting from any ideas, methods, instructions or products referred to in the content. |
© 2024 by the authors. Licensee MDPI, Basel, Switzerland. This article is an open access article distributed under the terms and conditions of the Creative Commons Attribution (CC BY) license (https://creativecommons.org/licenses/by/4.0/).
Share and Cite
Yu, Y.; Song, Y.; Tao, H.; Hu, J. Voltage and Current Sensor Fault Diagnosis Method for Traction Rectifier in High-Speed Trains. Electronics 2024, 13, 197. https://doi.org/10.3390/electronics13010197
Yu Y, Song Y, Tao H, Hu J. Voltage and Current Sensor Fault Diagnosis Method for Traction Rectifier in High-Speed Trains. Electronics. 2024; 13(1):197. https://doi.org/10.3390/electronics13010197
Chicago/Turabian StyleYu, Yunjun, Yunquan Song, Hongwei Tao, and Jiawen Hu. 2024. "Voltage and Current Sensor Fault Diagnosis Method for Traction Rectifier in High-Speed Trains" Electronics 13, no. 1: 197. https://doi.org/10.3390/electronics13010197
APA StyleYu, Y., Song, Y., Tao, H., & Hu, J. (2024). Voltage and Current Sensor Fault Diagnosis Method for Traction Rectifier in High-Speed Trains. Electronics, 13(1), 197. https://doi.org/10.3390/electronics13010197

