Reconfigurable Architecture for Noise Cancellation in Acoustic Environment Using Single Multiply Accumulate Adaline Filter
Abstract
:1. Introduction
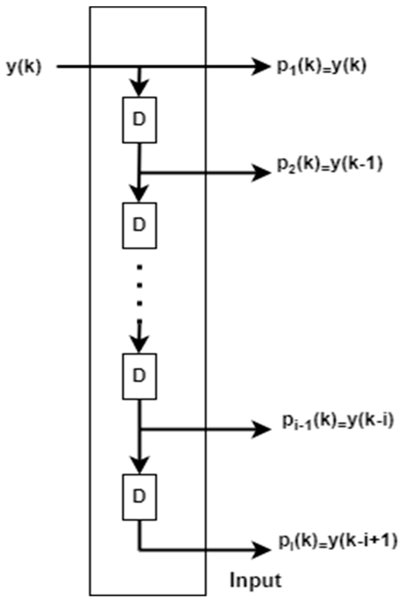
2. ADALINE
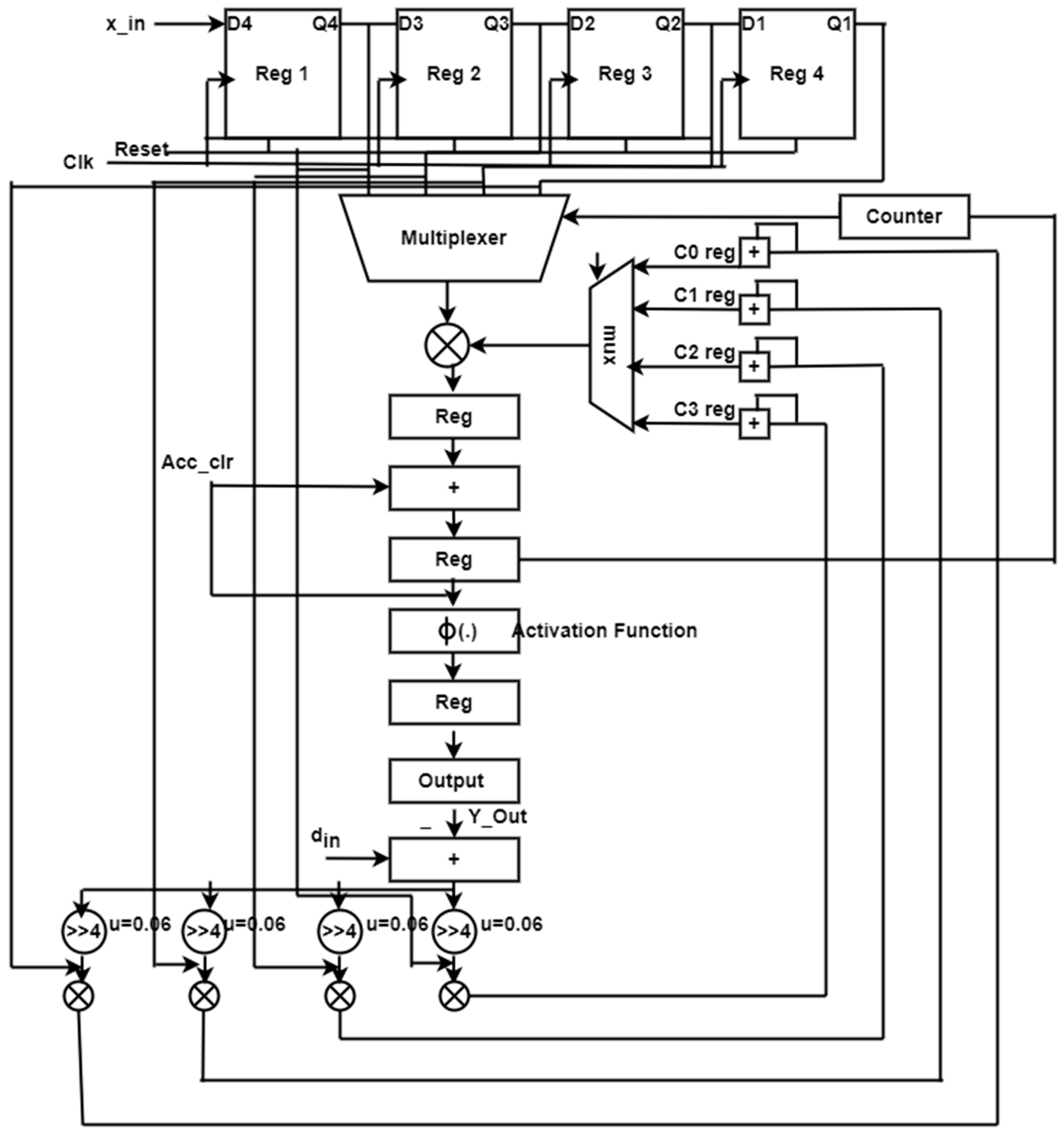
3. General Construction of MAC
4. MAC-Based ADALINE Filter
5. Result and Discussion
6. Conclusions
Author Contributions
Funding
Institutional Review Board Statement
Informed Consent Statement
Data Availability Statement
Acknowledgments
Conflicts of Interest
References
- Datta, D.; Dutta, H.S. High performance IIR flter implementation on FPGA. J. Electr. Syst. Inf. Technol. 2021, 8, 2. [Google Scholar] [CrossRef]
- Yeary, M.B.; Griswold, N.C. Adaptive IIR filter design for single sensor applications. IEEE Trans. Instrum. Meas. 2002, 51, 259–267. [Google Scholar] [CrossRef]
- Harada, A.; Nishikawa, K.; Engineering, E. A Pipelined Architecture for normalized LMS adaptive digital filter. ICICE Trans. Fundam. Electron. 1999, 82, 73–76. [Google Scholar]
- Rehman, A.U.; Khan, F.; Jadoon, B.K. Analysis of adaptive filter and ICA for noise cancellation from a video frame. In Proceedings of the 2016 International Conference on Intelligent Systems Engineering (ICISE), Islamabad, Pakistan, 15–17 January 2016; pp. 250–255. [Google Scholar] [CrossRef]
- Ting, L.K.; Woods, R.; Cowan, C.F.N. Virtex FPGA implementation of a pipelined adaptive LMS predictor for electronic support measures receivers. IEEE Trans. Very Large Scale Integr. Syst. 2005, 13, 86–94. [Google Scholar] [CrossRef]
- Guerrero-Mosquera, C.; Navia-Vázquez, A. Automatic removal of ocular artefacts using adaptive filtering and independent component analysis for electroencephalogram data. IET Signal Process. 2012, 6, 99–106. [Google Scholar] [CrossRef]
- Pari, B.; Dhandapani, V.; Mariammal, K. An optimized MAC based architecture for adaptive digital filter. Indian J. Eng. Mater. Sci. 2020, 27, 906–915. [Google Scholar]
- Sharma, S.; Kumar, V.; Kumar, R. Supervised Online Adaptive Control of Inverted Pendulum System Using ADALINE Artificial Neural Network with Varying System Parameters and External Disturbance. Int. J. Intell. Syst. Appl. 2012, 4, 53–61. [Google Scholar] [CrossRef]
- Wu, J.M.; Yang, Y.C. Nonlinear independent component analysis by learning generalized adalines. In Proceedings of the IInternational Joint Conference on Neural Networks, Orlando, FL, USA, 12–17 August 2007; pp. 530–535. [Google Scholar] [CrossRef]
- Singh, P. Hardware Implementation of MAC using MATLAB Simulink and FPGA. GRD J. Glob. Res. Dev. J. Eng. 2017, 2, 38–44. [Google Scholar]
- Britto Pari, J.; SP, J.V.R. Anoptimized Architecture For Adaptive Digital Filter. ARPN J. Eng. Appl. Sci. 2015, 10, 4964–4970. [Google Scholar]
- Fah, L.B.; Hussain, A.; Samad, S.A. Speech enhancement by noise cancellation using neural network. In Proceedings of the 2000 TENCON Proceedings. Intelligent Systems and Technologies for the New Millennium (Cat. No.00CH37119), Kuala Lumpur, Malaysia, 24–27 September 2000; pp. 39–42. [Google Scholar] [CrossRef]
- Zhang, W. System identification based on an improved generalized ADALINE neural network. In Proceedings of the2011 Chinese Control and Decision Conference (CCDC), Mianyang, China, 23–25 May 2011; pp. 789–794. [Google Scholar] [CrossRef]
- Signal, N. Implementation of Block Least Mean Square Adaptive Algorithm for Effective Noise Cancellation in Speech Signal. Int. J. Electr. Electron. Eng. Res. 2011, 1, 1–11. Available online: http://www.tjprc.org/files/tjprcfile15.pdf (accessed on 11 September 2022).
- Singh, V.; Somani, V.; Manikandan, J. FPGA implementation of blind source separation using a novel ICA algorithm. In Proceedings of the 2017 IEEE International Conference on Consumer Electronics-Asia (ICCE-Asia), Bengaluru, India, 5–7 October 2017; pp. 67–71. [Google Scholar] [CrossRef]
- Rekha, K.; Nagabushan, B. FPGA Implementation of NLMS Algorithm for Receiver in wireless communication system. Ijcsns 2010, 10, 72–86. Available online: http://paper.ijcsns.org/07_book/201012/20101212.pdf (accessed on 18 November 2022).
- Tornez-Xavier, G.M.; Flores-Nava, L.; Gómez-Castañeda, F.; Moreno-Cadenas, J.A. FPGA implementation of the ICA algorithm using multiplexing. In Proceedings of the 2015 12th International Conference on Electrical Engineering, Computing Science and Automatic Control (CCE), Mexico City, Mexico, 28–30 October 2015. [Google Scholar] [CrossRef]
- Ramos, R.; Mànuel-Làzaro, A.; Del Río, J.; Olivar, G. FPGA-based implementation of an adaptive canceller for 50/60-Hz interference in electrocardiography. IEEE Trans. Instrum. Meas. 2007, 56, 2633–2640. [Google Scholar] [CrossRef]
- Woods, R.; Ting, L.; Cowan, C.F.N. High speed FPGA based implementation of delayed LMS filters. J. CLSI Signal Process. Syst. Signal Image Video Technol. 2005, 39, 113–131. [Google Scholar]
- Jindapetch, N.; Chewae, S.; Phukpattaranont, P. FPGA implementations of an ADALINE adaptive filter for power-line noise cancellation in surface electromyography signalsography signals. Meas. J. Int. Meas. Confed. 2012, 45, 405–414. [Google Scholar] [CrossRef]
- Meher, P.K.; Park, S.Y. High-throughput pipelined realization of adaptive FIR filter based on distributed arithmetic. In Proceedings of the 2011 IEEE/IFIP 19th International Conference on VLSI and System-on-Chip, Hong Kong, China, 3–5 October 2011; pp. 428–433. [Google Scholar]
- Allred, D.J.; Yoo, H.; Krishnan, V.; Huang, W.; Anderson, D.V. LMS adaptive filters using distributed arithmetic for highthroughput. IEEE Trans. Circuits Syst. I Reg. Pap. 2005, 52, 1327–1337. [Google Scholar] [CrossRef]
- Rosado-Muñoz, A.; Bataller-Mompeán, M.; Soria-Olivas, E.; Scarante, C.; Juan, F. Guer rero-MartínezFPGA implementation of an adaptive filter robust to impulsive noise: Two approaches. IEEE Trans. Ind. Electron. 2011, 58, 860–870. [Google Scholar] [CrossRef]
- Parmar, C.A.; Ramanadham, B.; Darji, D. FPGA Implementation of hardware efficient adaptive filter robust to impulsive noise. IET Comput. Digit. Technol. 2017, 11, 107–116. [Google Scholar] [CrossRef]











| Parameters | Vinita Singh [15] | K. R. Rekha [16] | Tornez-Xavier [17] | Proposed Architecture | ||||||||
|---|---|---|---|---|---|---|---|---|---|---|---|---|
| Logic utilization | Used | Available | Utilization percentage | Used | Available | Utilization percentage | Used | Available | Utilization percentage | Used | Available | Utilization percentage |
| Number of slice registers | 363 | 12,480 | 2% | 292 | 12,480 | 2% | 669 | 12,480 | 5% | 667 | 12,480 | 5% |
| Number of slice LUTs | 668 | 12,480 | 5% | 782 | 12,480 | 6% | 330 | 12,480 | 2% | 1211 | 12,480 | 9% |
| Number of fully used LUT-FF pairs | 489 | 1510 | 32% | 432 | 1510 | 28% | - | 1510 | - | 368 | 1510 | 24% |
| Number of bonded IOBs | - | 172 | - | 34 | 172 | 19% | 3 | 172 | 1% | 45 | 172 | 26% |
| Number of BUFG/BUFGCTRLs | 5 | 32 | 15% | - | 32 | 1 | 32 | 3% | 1 | 32 | 3% | |
| Number of DSP48Es | 13 | 24 | 54% | 1 | 24 | 4% | 16 | 24 | 66% | 24 | 24 | 100% |
| Implementations | Multipliers | FFs | LUTs | Slices | Taps/Bits | Sampling Clock (ns) | Throughput (MSPs) |
|---|---|---|---|---|---|---|---|
| (XC4000E) [18] | - | 72 | 452 | N/A | 2/10 | N/A | N/A |
| (XCV250-5) [19] | 168 × 8 | 528 | 296 | 368 | 8/8 | 5.50 | 181.8 |
| (XCV300-6) [5] | 168 × 8 | N/A | N/A | 945 | 8/8 | 8.33 | 120 |
| ADALINE (XC3S1200E-4) Sharing-3M [20] | 318×18 | 511 | 611 | 521 | 10/16 | 622.55 | 1.61 |
| Sharing-7M [20] | 718×18 | 593 | 712 | 544 | 10/16 | 302.08 | 3.31 |
| Sharing-13M [20] | 1318×18 | 736 | 836 | 640 | 10/16 | 206.78 | 4.84 |
| Nonsharing [20] | 2318×18 | 409 | 933 | 576 | 10/16 | 62.62 | 15.97 |
| D3_ADALINE (XC3S1200E-4) [20] | 2318×18 | 585 | 934 | 589 | 10/16 | 20.83 | 48.01 |
| D5_ADALINE (XC3S1200E-4) [20] | 2318×18 | 907 | 945 | 618 | 10/16 | 17.81 | 56.15 |
| D3_ADALINE (XC2V250-5) [20] | 2318×18 | 585 | 933 | 599 | 10/16 | 15.116 | 66.16 |
| D5_ADALINE (XC2V250-5) [20] | 2318×18 | 905 | 945 | 616 | 10/16 | 12.668 | 78.94 |
| D5_ADALINE (XC2VP50-5) [20] | 2318×18 | 907 | 945 | 618 | 10/16 | 13.452 | 74.34 |
| D5_ADALINE(XC4VLX60-12) [20] | 23DSP48E | 907 | 945 | 641 | 10/16 | 8.915 | 112.17 |
| D5_ADALINE (XC5VLX50-3) [20] | 23DSP48E | 905 | 853 | 283 | 10/16 | 6.653 | 150.31 |
| Proposed design single MAC ADALINE adaptive FIR filter(10-tap) (XC5VLX50-3) | 11 | 403 | 600 | 215 | 10/16 | 4.95 | 202 |
| Proposed design single MAC ADALINE adaptive FIR filter(32-tap) (XC5VLX50-3) | 33 | 667 | 1211 | 368 | 32/16 | 5.44 | 183 |
| Parameters | Configurable Logic Blocks | |
|---|---|---|
| Family | Altera Stratix EP1S80F1508C6 | |
| Size of filter | 16 | 32 |
| D. J. Allred [22] (k = 2) | 1309 | 2244 |
| D. J. Allred [22] (k = 4) | 915 | 1429 |
| D. J. Allred [22] (k = 8) | 798 | 1073 |
| Proposed single MAC ADALINE | 657 | 1157 |
| Parameters | Delay (ns) | Frequency (MHz) | Slices | Registers | LUT | Efficiency of Slice–Delay |
|---|---|---|---|---|---|---|
| Family | Virtex-5 XC5VSX95T-1FF1136 | |||||
| P. K. Meher [21] | 17.35 | 57 | 178 | 412 | 267 | - |
| Proposed single MAC ADALINE | 5.14 | 19,455 | 240 | 350 | 1457 | |
| Parameters | Alfredo Rosado-Muñoz [23] | Chintan A. Parmar [24] | Proposed MAC ADALINE |
|---|---|---|---|
| Family | Xilinx Virtex-4 XC4VFX12 FF6618-12 | ||
| Number of slices | 2586 | 629 | 230 |
| Delay (ns) | 52.71 | 35.84 | 9.152 |
| Maximum operating frequency (MHz) | 18.97 MHz | 27.895 MHz | 109.26 MHz |
Disclaimer/Publisher’s Note: The statements, opinions and data contained in all publications are solely those of the individual author(s) and contributor(s) and not of MDPI and/or the editor(s). MDPI and/or the editor(s) disclaim responsibility for any injury to people or property resulting from any ideas, methods, instructions or products referred to in the content. |
© 2023 by the authors. Licensee MDPI, Basel, Switzerland. This article is an open access article distributed under the terms and conditions of the Creative Commons Attribution (CC BY) license (https://creativecommons.org/licenses/by/4.0/).
Share and Cite
Ezilarasan, M.R.; Britto Pari, J.; Leung, M.-F. Reconfigurable Architecture for Noise Cancellation in Acoustic Environment Using Single Multiply Accumulate Adaline Filter. Electronics 2023, 12, 810. https://doi.org/10.3390/electronics12040810
Ezilarasan MR, Britto Pari J, Leung M-F. Reconfigurable Architecture for Noise Cancellation in Acoustic Environment Using Single Multiply Accumulate Adaline Filter. Electronics. 2023; 12(4):810. https://doi.org/10.3390/electronics12040810
Chicago/Turabian StyleEzilarasan, M. R., J. Britto Pari, and Man-Fai Leung. 2023. "Reconfigurable Architecture for Noise Cancellation in Acoustic Environment Using Single Multiply Accumulate Adaline Filter" Electronics 12, no. 4: 810. https://doi.org/10.3390/electronics12040810
APA StyleEzilarasan, M. R., Britto Pari, J., & Leung, M.-F. (2023). Reconfigurable Architecture for Noise Cancellation in Acoustic Environment Using Single Multiply Accumulate Adaline Filter. Electronics, 12(4), 810. https://doi.org/10.3390/electronics12040810

