Abstract
Aiming at the ambiguous synchronization of binary offset carrier (BOC) and composite binary offset carrier (CBOC) modulation signals due to secondary peaks for Global Navigation Satellite System (GNSS), a reconstructed sub-correlation function synchronization algorithm (RSSA) for BOC and CBOC is proposed. The general autocorrelation subfunctions of BOC and CBOC are obtained by deriving the subfunctions of the cross-correlation function between BOC signals with different modulation orders. According to the characteristics of the subfunctions, the corresponding reconstruction rules are set to obtain the unambiguous correlation functions. To further reduce the complexity of the local auxiliary signal, a local auxiliary signal optimization algorithm (LASOA) is proposed based on RSSA, which only needs to generate a local two-level signal compared to the conventional CBOC local four-level signal. The simulations show that the two algorithms proposed in this paper reduce the amplitude of the side peaks of the normalized correlation peaks of BOC by at least 0.09 compared with the autocorrelation side-peak cancellation technique (ASPeCT), maintain a high detection probability, and the multipath error is smaller than that of the autocorrelation side-peak cancellation technique (ASPeCT) and other traditional algorithms. The phase discrimination curves show that the linear region slope gains of the two algorithms in this paper are above 2 dB compared with the ASPeCT and other conventional algorithms.
1. Introduction
With the progress of satellite navigation theory research and technological development, the development of GNSS has entered a new era of multi-system compatibility and interoperability. The new generation of GNSS has added more new technologies based on the previous stage. Spectrum splitting techniques represented by BOC [1] and multiplexed binary offset carrier (MBOC) [2,3] have changed the situation of satellite navigation spectrum congestion. Compared to the conventional binary phase-shift keying (BPSK) [4] modulation, BOC and MBOC have a better narrow autocorrelation function and resistance to multipath; due to these advantages, BOC and MBOC signals are widely used in GPS, Galileo, and other systems [5,6]. The correlation functions (CF) of BOC and MBOC have secondary peaks, leading to the problem of signal synchronization with ambiguity [7]. The current research of domestic and foreign scholars focuses on solving the ambiguity problem during signal synchronization and improving its anti-multipath performance.
At present, the main solutions are as follows. For example, the literature [8] uses the relationship between BPSK and BOC signals to degenerate BOC signals into binary phase-shift keying-like (BPSK-like) signals. Although the ambiguity of the signal is removed, the narrow correlation property of the BOC signal is also eliminated. The disadvantage is that filters are used and hardware implementation requires more resources. Subcarrier phase cancellation (SCPC) [9] achieves the goal of stripping subcarriers to eliminate the secondary peaks by generating two orthogonal subcarriers, and it has a wide range of applications but sacrifices the narrow main peak characteristics of the BOC signal. Alternatively, the false lock statuses are judged by increasing the number of correlators, such as the bump-jump [10] algorithm, which does not start from the multiple peaks of the signal but adds very late and very early correlators to the traditional noncoherent delay-locked loop to determine whether it is a false lock state. The disadvantage is that it takes a long time to determine whether a false lock occurs, and the waiting time is longer for higher-order signals. Other methods include the ASPeCT and the pseudo correlation function (PCF) mentioned in [11,12,13]. These methods can eliminate or suppress the secondary peaks by constructing special local auxiliary signals. Still, the applicability of the ASPeCT is limited, and the reconstruction correlation function of the PCF is not easy to obtain. In [14], the pseudo-random noise (PRN) codes and BOC signals are correlated with the received signals separately, and the correlation functions are combined nonlinearly to obtain the correlation functions without secondary peaks. Given the shortcomings of the need to produce two types of correlation functions in [14], only the autocorrelation function (ACF) is used in [15] for combining. In [16], the unsplit autocorrelation function is subjected to a series of shifts to remove the ambiguity of the signal, but the number of shifts in this scheme increases as the modulation order increases.
GNSS signals reflected from objects around the receiver antenna can cause multi-path interference to the GNSS system [17]. The MBOC signal has better multipath resistance than the BOC signal due to the addition of higher-order signals [18]. MBOC has various implementations of time-multiplexed binary offset carrier (TMBOC) [19], composite binary offset carrier (CBOC) [20], and quadrature multiplexed binary offset carrier (QMBOC) [21]. The current processing of the MBOC signal ignores the effect of high-frequency signals with small occupancy ratios and switches to tracking a single signal, as in [22], where the MBOC signal is treated as the BOC(1,1) signal. However, using only low-order signals ignores the high tracking accuracy of high-order signals. The TMBOC signal is proposed to be approximated as the BOC(6,1) signal for synchronization in [23]. In [24],The S-curve shaping technique is used to remove false lock points from the signal. In [25], the MBOC signal was tracked by designing symmetrical local auxiliary signals. In [26], a secondary peak cancellation technique for BOC and MBOC was proposed, which eliminates the side peaks of the signal by taking the modulo of the autocorrelation function of the signal and then adding it with the autocorrelation function. Although the side peaks of the signal are eliminated, the production of local auxiliary signals is complicated for MBOC signals.
Although a number of improved algorithms have been proposed for BOC or CBOC unambiguous synchronization, these algorithms are specific and cannot be applied to both BOC and CBOC signals. To address this problem, this paper designs the reconstructed sub-correlation function synchronization algorithm (RSSA). In response to [26] the local auxiliary signal being complex to implement, a local auxiliary signal optimization algorithm (LASOA) is proposed to address the problem of complex local auxiliary signal implementation, which enables the synchronization of BOC and CBOC signals using simpler local signals. Especially for CBOC signals, the LASOA replaces the two-stage signal with a multi-stage signal.
The above algorithms often use the reconstruction of the ACF to remove the ambiguity of the signal. Expressions for the ACF of the BOC signal, MBOC(6,1,1/11) are given in [27,28,29]. Different from the expressions for the autocorrelation functions of BOC signals, this paper is devoted to solving the expressions for the cross-correlation function between BOC signals with different modulation orders. So, the expressions for ACF of BOC signal can be regarded as special cases of the text. Since the expressions for the cross-correlation function between BOC signals with different modulation orders are given, the expressions for the ACF of CBOC signals can be obtained by setting the corresponding parameters. It connects the ACF of the BOC signal to the ACF of the CBOC signal, which provides the basis for the implementation of the synchronization algorithm for the BOC and CBOC signals.
Different from the rule of splitting according to the modulation order of the signal in [30,31], we split the signal according to the integer multiple of the modulation order when reconstructing the signal and give its effect on the multipath performance.
The specific sections of this paper are organized as follows.
Section 2.1 and Section 2.2 describe the signal model and autocorrelation function; Section 2.3 derives the cross-correlation function between BOC signals with different modulation orders, gives general autocorrelation subfunctions of BOC and CBOC, and designs the reconstruction rules for RSSA; Section 2.4 and Section 2.5 analyze the RSSA acquisition and tracking loop; Section 2.6 introduces the LASOA. Section 3 demonstrates the feasibility of the two algorithms proposed in this paper in terms of disambiguation performance, detection probability, peak-to-average ratio, complexity, discriminative curve, and anti-multipath performance.
2. The Methods: The RSSA and the LASOA
2.1. Signal Model
The BOC signal is analyzed, and the baseband signal can be expressed as:
d(t) is the navigation data; c(t) is pseudo-random code, which can be expressed as:
is the sign level and takes the value −1 or +1; is the rectangular pulse signal with an amplitude of 1 and a duration of .
sc(t) is the subcarrier and can be expressed as:
where , with as the reference frequency; is the frequency of the pseudo-random code, ; is the subcarrier rate, ; is the modulation order, ; is the rectangular pulse signal with an amplitude of 1 and a duration of . For the CBOC signal, the signal consists of the BOC(1,1) signal and the BOC(6,1) signal.
2.2. The Correlation Characteristics of the Signal
From [32,33], the autocorrelation function of the BOC can be expressed as Equation (4). tri denotes the unit trigonometric function of width 2, amplitude 1.
is the duration of a pseudo-random code and . denotes the normalized weighting factor.
As is known from Equation (4), the autocorrelation function is composed of tri by shifting, linear combinations. trigonometric functions (tri) with an amplitude of are superimposed at the (), and the value of the side peaks at the () is and the difference in amplitude of adjacent peaks is . As the modulation order increases, the distance between adjacent peaks decreases.
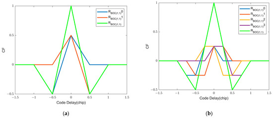
The autocorrelation functions of the BOC(1,1) and BOC(2,1) are shown in Figure 1. The characteristics of the BOC signal autocorrelation function are that, for the BOC signal with modulation order N, the number of side peaks of the ACF is and the sum of the number of side peaks and main peak is . The distance between adjacent peaks is . From Figure 1, for BOC(2,1), the number of side peaks is 6 and the distance between adjacent peaks is ; for BOC(6,1), the number of side peaks is 22 and the distance between adjacent peaks is . The graph shows that the BOC signal has more subpeaks in the signal autocorrelation function as the modulation order increases. At the same time, the difference between the peak value of the secondary peak and the main peak become smaller and the probability of false lock increases. For CBOC signal, since the signal is composed of BOC(1,1) and BOC(6,1), its autocorrelation function also has the characteristics of multi-peak. Figure 1 shows the autocorrelation function of the CBOC(6,1,1/11) signal and the BOC(1,1) signal, which shows that the main peak width of the CBOC autocorrelation function is narrower than that of the BOC(1,1) signal, which means that it has better resistance to multipath than the BOC(1,1) signal [34]
Figure 1.
Autocorrelation functions. (a) The ACF of BOC(1,1) and CBOC(6,1,1/11); (b) the ACF of BOC(6,1) and BOC(2,1).
2.3. General Subfunctions and Reconstruction Rules about the RSSA
Set the signal expression as shown in Equation (5).
and represent the weighting parameters, ,. represents the modulation order of and is the modulation order of . When and , the signal is a standard BOC signal. When , ,, and , Equation (5) represents CBOC(6,1,1/11) signal.
The coherent integration time is set to and the autocorrelation function of the can be expressed as Equation (6), where and denote the autocorrelation functions of and . denotes the cross-correlation function between and .
Equation (6) contains the cross-correlation function between two BOC signals with different modulation orders and their respective autocorrelation functions. To obtain the detailed and specific function expression of Equation (6), we first need to calculate the cross-correlation function between and . When calculating the cross-correlation, due to the different modulation orders of the two signals, we extend the method of splitting the autocorrelation function into N subfunctions in [35] and split the signals into NC subfunctions by integer multiples of the least common multiple of the modulation order of the two signals. . is the positive integer; Q is the least common multiple of the modulation order of and . The derivation process of the cross-correlation subfunction is shown below.
When the signal is split into groups, the expression of the segment signal can be expressed as shown in Equation (7). . is the rectangular pulse signal of duration . The expression is shown in Equation (8).
The subfunctions shown in Equation (9) are obtained by performing the correlation operation on Equations (7) and (8), where represents a trigonometric function of width and height 1, and means rounding down. The NC subfunctions are cumulated to obtain the cross-correlation function between and .
It can be seen from Equation (9) that is the result of the correlation between the segment of () and the . Since contains only positive and negative levels, we divide according to the categories of positive and negative waveforms and perform the correlation operation, which can be changed from Equation (9) to Equation (10). When Equation (10) represents the autocorrelation function of or . At this time, is the modulation order of the signal.
Different from the expressions for the ACF of BOC and the expressions for the cross-correlation function between BOC and PRN used in current algorithms, the specific expressions for the cross-correlation function between BOC signals with different modulation orders and their subfunctions are given above. In this paper, we can unify the ACF of BOC and CBOC by deriving the cross-correlation functions between BOC signals with different modulation orders and setting the corresponding parameters. In the following, the general autocorrelation subfunctions of BOC and CBOC, the characteristics of the subfunction when the NC changes, and the RSSA reconstruction rules will be explained in detail.
When , , contains two BOC signals with different modulation orders and with reference to the process of calculating the cross-correlation functions between and , we split into NC segments. NC is an integer multiple of the least common multiple of the modulation orders of and . When or is 0, then NC is an integer multiple of the modulation order. The expression of the segment signal is shown in Equation (11).
By performing the correlation operation between Sx(t) and S(t) using Equation (10), a general subfunction of the BOC and CBOC signals can be obtained: , which can be expressed as Equation (12).
where represents the subfunction formed by the correlation operation between and . is the segment subfunction formed by the operation of the correlation between and . Choosing the corresponding parameters, such as or equal to 0, the case of in Equation (9) is brought into Equation (12) to obtain subfunctions of the standard BOC autocorrelation. When and , the subfunctions of CBOC autocorrelation can be obtained by bringing the two situations of and in Equation (9) into Equation (12). The sum of the subfunctions is the autocorrelation function of the signal.
Figure 2 represents the sub-signals of BOC(1,1) and part of the sub-signals of CBOC(6,1,1/11) obtained by choosing the corresponding parameters according to Equation (11) when M = 2.
Figure 2.
The decomposition process of the signal, M = 2. (a) Decomposition of the BOC(1,1) signal; (b) decomposition of the CBOC(1,1,1/11) signal.
According to Equations (9) and (12), Figure 3 and Figure 4 show the subfunctions and autocorrelation function graphs of the BOC(1,1) signal (Q = 2) and the BOC(2,1) signal (Q = 4) for M = 1 and M = 2 as examples, respectively, and they show that the envelope shape of the subfunction amplitude changes when the number of changes. When M = 1, the subfunction consists of N trigonometric functions and, when M = 2, the subfunction consists of N trapezoids, which are formed by shifting the . Although the envelope shape of the subfunctions is transformed from triangle to trapezoid, the autocorrelation function formed by the summation of the subfunctions remains the same as in Figure 1, which also proves the correctness of Equation (9). In Figure 3, the side peak of the ACF for BOC(1,1) signal is at . In Figure 4, the side peak of the ACF for BOC(2,1) signal is at (). The sum of NC subfunctions is the autocorrelation function. The subfunctions can be obtained by shifting each other. For the BOC(1,1) signal, the adjacent subfunctions can acquire each other by shifting when M = 1 and by shifting when M = 2. For the BOC(2,1) signal, the adjacent subfunctions can acquire each other by shifting when M = 1 and by shifting when M = 2.
Figure 3.
The sub-correlation functions and ACF of BOC(1,1) signal. (a) The sub-correlation function of the BOC(1,1) signal at M = 1; (b) the sub-correlation function of the BOC(1,1) signal at M = 2.
Figure 4.
The sub-correlation functions and ACF of BOC(2,1) signal. (a) The sub-correlation functions of the BOC(2,1) signal at M = 1; (b) the sub-correlation functions of the BOC(2,1) signal at M = 2.
The weighted combination of the BOC(1,1) signal and the BOC(6,1) signal together form the CBOC(6,1,1/11) signal. Considering that the modulation order of the BOC(1,1) signal is 2 and that of the BOC(6,1) signal is 12, Q is 12, . The signal expression for the segment CBOC(6,1,1/11) is obtained from Equation (11) and by choosing the corresponding modulation coefficient, as shown in Equation (13). Equation (14) gives the subfunction of the CBOC(6,1,1/11) autocorrelation function. Equation (15) is the specific subfunction result calculated for x = 0. In Equation (15), means the modulation order of the BOC(1,1) signal and is the modulation order of the BOC(6,1) signal. Figure 5 shows the partial subfunction results for CBOC(6,1,1/11) autocorrelation at M = 1 and M = 2. Similar to the BOC(1,1) and the BOC(2,1), for the BOC(1,1) signal, the adjacent functions can acquire each other by shifting when M = 1 and by shifting when M = 2.
Figure 5.
Partial sub-correlation functions and ACF of CBOC(6,1,1/11) signal. (a) The sub-correlation functions of the CBOC(6,1,1/11) signal at M = 1; (b) the sub-correlation functions of the CBOC(6,1,1/11) signal at M = 2.
By analyzing the autocorrelation subfunctions of the signal, it can be seen that the amount of shift between adjacent subfunctions is . For the subfunction, the graph of the subfunction has a turning point at the . The turning points of the sub-correlation function and the sub-correlation function are symmetric about the y-axis. According to the symmetry property of the sub-correlation function, for the signal, we design the RSSA reconstruction rule as shown below.
First, we equate the signals into groups and obtain , , , and by linear combination, where, when is equal to 2, , ; when NC is over 2, , ,, and .
, , , and are correlated with to obtain R0, R1, R2, and R3, respectively, and then R0, R1, R2, and R3 are calculated by Equations (16) and (17) to obtain and .
As can be seen from Figure 3, Figure 4 and Figure 5, when N and NC are varied, a single peak of is always obtained by Equation (16). Taking M = 1 as an example, 600 is the code phase point. Figure 6b shows that the BOC(2,1) signal obtains and through Equations (16) and (17). As can be seen from Figure 6b, the width of the main peak of is and has side peaks. has a peak at 600 sampling points and peaks at 576 and 624 sampling points. The reason for the side peaks in is that, as shown in Figure 6a, when M = 1, the subfunctions of BOC(2,1) have peaks on the left and right sides of the 600 sampling point at intervals of 24 sampling points (), and and eliminate the peaks at 552 and 648 sampling points by Equation (17), while retaining the amplitudes of and at the 576 sampling point, 600, and 624 sampling points. The feature that has only a single peak is used to multiply with to eliminate the side peaks of while obtaining the reconstruction correlation function without ambiguity.
Figure 6.
The reconstruction process of BOC(2,1) signal by RSSA. (a) The sub-correlation functions of R0, R1, R2, and R3 at M = 1; (b) the correlation functions of r1 and r2,at M = 1; (c) the unfuzzy reconstruction correlation function r.
Figure 7, respectively, shows the normalized edgeless correlation functions obtained for the BOC(1,1) signal, BOC(2,1) signal, and CBOC(6,1,1/11) signal using the reconstruction rules of Equations (16)–(18) when M = 1,2,3,4. From Figure 7, comparing with the autocorrelation function, it is found that maintains the narrow correlation. The width of the main peak of the BOC autocorrelation function is . When M = 1, the width of is smaller than the width of the main peak of the BOC autocorrelation function, which is reduced by about 10%. When M = 2,3,4, the width of the reconstructed correlation function tends to become progressively narrower, and all of them are less than . For the CBOC, the width of is less than /3.
Figure 7.
The unfuzzy reconstructed correlation functions of BOC and CBOC by RSSA at M = 1, 2, 3, 4; (a) the unfuzzy correlation functions of BOC(1,1); (b) the unfuzzy correlation functions of BOC(2,1); (c) the unfuzzy correlation functions of CBOC(6,1,1/11).
2.4. RSSA Acquisition Loop Analysis
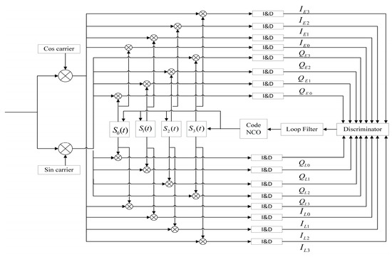
Based on the reconstruction algorithm proposed in Section 2.3, the signal acquisition structure is shown in Figure 8. Firstly, the local signals are split and linearly combined according to Equations (1)–(3) and (11) to obtain the corresponding subcode auxiliary signal , ,, and . The received IF signal [36] can be expressed as:
where A is the signal amplitude, is the IF signal, and is the initial phase. The IF signal after removing the carrier is cross-correlated with the auxiliary subcode signal, and the outputs of the cross-correlation result after modulo are expressed as Equations (20)–(23).
,,, and are Gaussian noises. According to the reconstruction rule of Equation (18), we can obtain the signal detection volume U and Nm as the total number of data segments.
Figure 8.
RSSA acquisition frame diagram.
Assuming that the navigation message does not change in the coherent integration time, U can be divided into a nonpure noiseU1 and a pure noise U2. The expressions of U1 and U2 are shown in Equations (26) and (27). and are signal noise obeying Gaussian distribution with variance and mean 0.
is equivalent to a linear combination of Gaussian noise and a constant, so the mean value of is and the variance is . As the number of data segments increases, U2 follows a Gaussian-like distribution with mean 0 and variance [37]. Thus, U is equal to the sum of the constant and Gaussian noise, obeying the Gaussian distribution with mean and variance as shown in Equations (28) and (29).
When there is no satellite signal in the detection volume, U obeys the Rayleigh distribution with mean 0 and variance . When there is a satellite signal in the detection volume, U obeys the Rice distribution [38]. The false alarm probability is shown in Equation (30), and the threshold for detection can be obtained from Equation (30). The detection probability can be expressed as Equation (31), where denotes the signal-to-noise ratio and denotes the first-class zero-order modified Bessel function.
As shown in Figure 8, the steps in signal acquisition are as follows:
Step 1: The IF signal is first mixed with two local phase-orthogonal carriers to remove the carrier.
Step 2: The local subcode auxiliary signal is generated according to Section 2.3.
Step 3: After carrier cancellation, the IF signal is correlated with the local subcode auxiliary signal and, here, the correlation operation of the correlator is realized by Fourier transform.
Step 4: The correlation result is through the RSSA reconstruction module to obtain the final signal detection quantity U.
Step 5: The detection quantity U is determined and the signal is judged to be detected when is higher than the threshold.
2.5. RSSA Tracking Loop Analysis
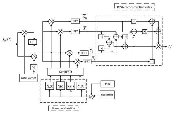
We designed a new loop tracking structure, as shown in Figure 9, following the reconfiguration algorithm proposed in Section 2.3. In Figure 9, the IF signal is mixed to remove the carrier and correlated with a local subcode auxiliary signal with early and late delay. The correlation results are used to adjust the phase of the local auxiliary signal through the phase discriminator and the code NCO, so as to complete the tracking of the signal. The details are described as follows.
Figure 9.
RSSA code tracking loop.
The intermediate frequency signal is mixed by sine and cosine phases and then correlated with the early and late local auxiliary signal, which can be obtained in Equations (32) and (33) after the integration and dump operation.
in which is the signal power and the subscript i (i = 0,1,2,3) indicates that the BOC signal or CBOC signal is correlated with the local subcode auxiliary signals , , , and . E and L represent early and late branches, respectively. denotes the estimation errors of the initial phase of the carrier, respectively. d is the time interval of the correlator. , , , and are Gaussian noise [39]. When noise is ignored, the phase discrimination function can be written as Equation (34) from the reconstruction rule Equation (18).
The result of the discriminator output is then passed through the numerically controlled oscillator (NCO) to adjust the local code phase, completing the unambiguous tracking of the signal.
2.6. Local Auxiliary Signal Optimization Algorithm (LASOA)
2.6.1. Reconfiguration Rules about the LASOA
The reconstruction scheme in Section 2.3 requires the generation of four local subcode auxiliary signals. The CBOC signal is generated by combining the BOC(1,1) and BOC(6,1) signals. When the unambiguous synchronization is achieved using the RSSA proposed in Section 2.3, there are four level values in the local auxiliary signal of the CBOC. In order to reduce the local auxiliary signal of CBOC from multi-level to two-level while satisfying the synchronization of the standard BOC signal, we further improve the RSSA proposed above to make the design of its local auxiliary signal easier.
Based on the principle of splitting and combining the signals in Section 2.3, and are selected as local auxiliary signals. correlates with to generate , and is correlated with to generate . From the analysis in Section 2.3, it is clear that the turning points of the and are symmetric about the y-axis and, due to their symmetry properties, the rules are designed as in Equations (35) and (36). The peak point of is at and the peak point of is at . The locations of the peak points of and will be used as the basis for the design rule to obtain the unambiguous correlation function. So, the unambiguous correlation function is obtained by bringing and into Equations (35)–(37). This eliminates ambiguity by generating only two signals locally, with one level value in each signal. Especially for CBOC signals, the local auxiliary signal can be reduced from a four-level value to a two-level value, greatly reducing the complexity of the implementation.
For = 1, as an example, 600 is the code phase point. The unambiguous correlation function obtained by the BOC(2,1) signal using Equation (37) is given in Figure 10. As can be seen from Figure 10, the correlation functions and have the characteristics of multiple peaks. The position of the main peak of appears at the 600 sampling point, and there are six side peaks, excluding the main peak, and the positions of the side peaks are symmetrically distributed at intervals on the left and right sides of the 600 sampling point. is 0 at 600 sampling points, and the side peaks of coincide with the location of the side peaks of . So, according to Equation (37), the objective function is obtained. It can be seen from Figure 10c that the six side peaks of BOC(2,1) signal can be completely eliminated and the width of is .
Figure 10.
Reconstruction process of BOC(2,1) signal by LASOA. (a) The sub-correlation functions of and at M = 1; (b) the correlation functions of and at M = 1; (c) the unfuzzy reconstruction correlation function .
Regarding the acquisition frame diagram of the LASOA, it is only necessary to change the RSSA reconstruction rules in Figure 8 to the reconstruction rules of LASOA (Equations (35)–(37)) and the local auxiliary signals only need to keep and . For the acquisition frame diagram of the LASOA, please refer to Figure 8.
Figure 11 shows the graph of the normalized correlation function obtained by using the LASOA. The method is able to completely eliminate 2(N-1) subpeaks of the BOC signal, as well as completely eliminate 2 subpeaks of the CBOC signal. At , the BOC and CBOC(6,1,1/11) signals use the reconstruction rule of Equation (37) to obtain the reconstruction correlation function . In Figure 11, when is over 1, the width of the main peak of is and multipath resistance can be improved. For more information about multipath, please see Section 3.6.
Figure 11.
The unfuzzy reconstructed correlation functions of BOC and CBOC by LASOA at ; (a) the unfuzzy correlation functions of BOC(1,1); (b) the unfuzzy correlation functions of BOC(2,1); (c) the unfuzzy correlation functions of CBOC(6,1,1/11).
2.6.2. Acquisition Probability and Phase Discrimination Output about the LASOA
From the rules proposed in Section 2.6.1, it is known that the detection quantity at the signal acquisition can be expressed as Equation (38), where the expressions of and are shown in Equations (39) and (40).
Equation (38) is divided according to the nonpure noise term and the noise term. In this case, the expressions of and are shown in Equations (41) and (42).
U1 obeys Gaussian distribution, having a mean and a variance . has a mean of 0 and a variance of with Gaussian-like distribution.
When only noise is included in U, the false alarm probability can be expressed as Equation (43). When the signal and noise coexist in U, U obeys the Rice distribution, and the mean and variance can be expressed as Equations (44) and (45). The detection probability is shown in Equations (46) and (47) as the expression of .
According to Equation (37), the output of the phase discriminator is Equation (48). The expressions of , and are shown in Equations (49) and (50), . Regarding the tracking loop of the LASOA, it is only necessary to keep and in Figure 9, and the output of the phase discriminator is changed from Equations (16)–(18) to Equations (35)–(37). For the tracking loop of the LASOA, please refer to Figure 9.
3. Results and Discussion
3.1. Deblurring Validity
As the modulation order increases, the number of the side peaks increases, and the effective removal of ambiguity for signal synchronization will increase the accuracy of signal acquisition and tracking. In order to verify the effectiveness and generality of the deblurring of the methods proposed in this paper, BOC(1,1), BOC(2,1), and CBOC(6,1,1/11) signals with = 1 are used for simulation experiments. The algorithms in [40,41] and the ASPeCT [42] are used to compare with the RSSA and LASOA proposed in this paper about normalized correlation peak, respectively. In Figure 12, normalized correlation peaks are compared by five algorithms. For the autocorrelation function of BOC, the side peaks are at (). As can be seen from Figure 12, for the BOC(1,1) signal, there is a side peak at 0.5 with an amplitude of 0.09 by the ASPeCT. For BOC(2,1) signals, the amplitude of the side peak at 0.24 is 0.5 and is 0.25 at 0.48 by using the ASPeCT. In addition, at 0.24 and 0.48, the subpeak is 0 by using the two algorithms in this paper. The amplitude of the normalized correlation peaks of BOC is 0 at (). Therefore, the side peaks of the BOC signal are eliminated using the two algorithms in this paper. Compared with the ASPeCT, for the BOC signal, the amplitude of the side peaks of the normalized correlation peak is reduced by at least 0.09, as shown in Figure 12. From Figure 12, it is clear that both algorithms in this paper have the advantage of removing the ambiguity of these three signals and keeping the bandwidth of the main peak less than or equal to . The algorithm in [41] is also able to eliminate the secondary peaks of the signal. The algorithm in [40] can completely eliminate the subpeaks of BOC(1,1) and CBOC(6,1,1/11) signals; for BOC signals, when the modulation order increases, the algorithm in [40] cannot completely eliminate the signal subpeaks. The ASPeCT has similar characteristics to the algorithm in [40] for BOC low-order signals and CBOC(6,1,1/11) signals. When the modulation order is raised, the signal processed by the ASPeCT has more secondary peaks than the algorithm in [40].
Figure 12.
Comparison of the normalized correlation peaks. (a) Comparison of the normalized correlation peaks for BOC(1,1); (b) comparison of the normalized correlation peaks for BOC(2,1); (c) comparison of the normalized correlation peaks for CBOC(6,1,1/11). Algorithm A represents the algorithm in [40]; and Algorithm B represents the algorithm in [41].
3.2. Probability of Detection
The detection performance of the signal is influenced by the secondary peaks and noise. Combining the analysis in Section 2.4 and Section 2.6.2, we compare the algorithms in [40,41], and the ASPeCT with the two algorithms in this paper to verify the reasonableness of the algorithms. The coherent integration time is 1 ms, the Monte Carlo method is repeated 20,000 times, the signal-to-noise ratio is [−40,−20] dB, and the sampling frequency is 98.208 MHz. The correct detection is based on the error between the position of the maximum peak and the set phase code being within the range of .
For M = 1 as an example, it is shown in Figure 13a that, for the BOCs(1,1) signal, the LASOA has approximately the same detection probability as the algorithm in [40] and the ASPeCT algorithm, and the RSSA has roughly the same probability profile as the algorithm in [41]. When the detection probability reaches 90%, the acquisition sensitivity of the LASOA is 0.8 dB higher than that of the algorithm in [41]. For the BOCs(2,1) signal, the algorithm in [41] was chosen to compare with the two algorithms in this paper due to the existence of secondary peaks by using the algorithm in [40] and the ASPeCT. From Figure 13b, it can be observed that, at −30 dB, the RSSA all achieve more than 90% detection probability, and the LASOA achieves 0.5 dB higher detection accuracy than the algorithm in [41]. Therefore, the RSSA and the LASOA can still be higher than the algorithm [41] by at least 0.5 dB for the BOC(2,1) signal based on the elimination of signal side peaks, which is the advantage of the two algorithms in terms of detection probability. To achieve a 90% detection probability, the signal-to-noise ratio required for BOC(2, 1) is 3 dB higher than the signal-to-noise ratio required for BOC(1,1) using the LASOA. At −30 dB, the detection probability of BOC(1,1) is higher than (2,1) by 4.6% using the RSSA. Figure 13c shows the detection probability curves of the five methods for the CBOC(6,1,1/11) signal. To achieve 90% detection probability, the detection accuracy of the RSSA is lower than that of the ASPeCT and algorithm in [40] by 1.5 dB. As seen in Figure 12c, the ASPeCT cannot completely eliminate the secondary peaks of the CBOC(6,1,1/11) signal, so the attenuation of the detection performance of the RSSA can be neglected. The detection performance of the RSSA and the LASOA is lower than that of the algorithm [40], which is the disadvantage of both algorithms; the reason for the disadvantage is that the energy of the reconstructed correlation function is small in order to ensure that the main peak occupies a smaller bandwidth as well as to remove the side peaks of the signal. In Figure 13, the detection performance of the RSSA, the LASOA, and the algorithm in [41] are basically the same at low-order signals. When the modulation order increases, the detection performance of the RSSA is higher than that of the algorithm in [41] by more than 2 dB, and the detection performance of the LASOA is higher than that of the algorithm in [41] by about 0.3 dB.
Figure 13.
The detection probability comparison. (a) Comparison of the detection probability for BOC(1,1); (b) comparison of the detection probability for BOC(2,1); (c) comparison of the detection probability for CBOC(6,1,1/11). Algorithm A represents the algorithm in [40], and algorithm B represents the algorithm in [41].
3.3. Peak-to-Average Ratio
The main reason for ambiguity in signal acquisition is that the main peak value is too small or the side peak value is too large. This section shows the acquisition performance of each algorithm by simulating the peak-to-average ratio of each algorithm under different signal-to-noise. It is another method to evaluate the acquisition performance, where the peak-to-average ratio is higher in the same case, indicating a better acquisition performance.
From [43,44], the peak-to-average ratio can be expressed as Equation (51) and is denoted as the correlation function for each type of algorithm. It is another method to evaluate the acquisition performance, where the peak-to-average ratio is higher in the same case, indicating a better acquisition performance. The simulation environment is kept consistent with Section 3.2 and the Monte Carlo method is repeated 20,000 times. Figure 14 shows the peak-to-average ratio results obtained using the five algorithms.
Figure 14.
Comparison of the peak-to-average ratio. (a) Comparison of the peak-to-average ratio for BOC(1,1); (b) comparison of the peak-to-average ratio for BOC(2,1); (c) comparison of the peak-to-average ratio for CBOC(6,1,1/11). Algorithm A represents the algorithm in [40]; and Algorithm B represents the algorithm in [41].
As can be seen from Figure 14, the peak-to-average ratio of the algorithm in [41] is smaller than the other four algorithms, which is due to the fact that only modulo and addition and subtraction operations are included in the reconstruction rules of the method in [41], while the other four types of algorithms contain square and multiplication operations. The signal-to-noise ratio ranges from −40 dB to −20 dB. The peak-to-average ratios of the five algorithms are basically the same at signal-to-noise ratios less than −30 dB. As the signal-to-noise ratio increases, the peak-to-average ratio of each algorithm also increases. For example, the signal-to-noise ratio increases from −25 dB to −20 dB, except for the algorithm in [41], where the peak-to-average ratios of the BOC(1,1), BOC(2,1), and CBOC(1,1,1/11) signals are all increased by 1 time, using the remaining four algorithms.
For the BOC(1,1) signal at the signal-to-noise ratio of −20 dB, the peak-to-average ratio of the RSSA is 1.1 times that of the ASPeCT, 1.7 times that of the algorithm in [40], and 15.5 times that of the algorithm in [41]. For the BOC(2,1) signal at −20 dB, the peak-to-average ratio of the RSSA is 1.9 times that of the ASPeCT, 2.6 times that of the algorithm in [40], and 36.6 times that of the algorithm in [41]. For the CBOC(1,1,1/11) signal at −20 dB, the peak-to-average ratio of the RSSA is 1.8 times that of the ASPeCT, 2.3 times higher than that of the algorithm in [40], and 45.6 times higher than that of the algorithm in [41]. According to Figure 14, at the signal-to-noise ratio from −25 dB to −20 dB, comparing the three signals used in the simulation, it is known that both algorithms of this paper are superior to the algorithm in [41]. For instance, the peak-to-average ratio of the RSSA is more than 15 times higher than that of the algorithm in [41], and the peak-to-average ratio of the LASOA is more than 5 times higher than that of the algorithm in [41] at the signal-to-noise ratio from −25 dB to −20 dB.
3.4. Algorithm Complexity Comparison
From [45], the ASPeCT requires eight FFT operations, four complex multiplications, and two real multiplication operations. The algorithm in [40] involves five FFT operations, two complex multiplication operations, and two real multiplications. The algorithm in [41] needs five FFT operations and two complex multiplications. The RSSA takes nine FFT operations, four complex multiplications, and one real multiplication. The LASOA demands five FFT operations, two complex multiplications, and two real multiplications. Assuming that there are N points for FFT operation, N points FFT requires complex addition and complex multiplication . One complex addition can be regarded as two real additions, and one complex multiplication can be split into four real multiplications and three real additions.
Table 1 shows that the calculations of the LASOA, the algorithm in [40], and the algorithm in [41] are small. The computation of the RSSA is slightly larger than that of the ASPeCT, which is within the acceptable range.
Table 1.
Five methods of computation comparison.
3.5. Phase Discrimination Curve
False lock point and tracking slope directly affect the tracking accuracy. The fewer the false lock points and the higher the tracking slope, the better the tracking effect. Assuming an infinite receiver front-end bandwidth, we use a coherent early minus late (C-EML) discriminator [46]. The phase discriminator outputs of the two algorithms in this paper are given by Equations (34) and (48). Figure 15 shows the phase discrimination curves of the BOC(1,1) signal, BOC(2,1), and CBOC(6,1,1/11) signal, respectively. Regarding the BOC(1,1) signal, setting the discriminative interval to 0.06 Tc, the slope gains of the RSSA compared to the ASPeCT, the algorithm in [40], the LASOA, and the algorithm in [41] are 3db, 3db, 3db, and 6db. For the BOC(2,1) signal, setting the discriminative interval to 0.04 Tc, the slope gains of the RSSA compared to the ASPeCT, the algorithm in [40], the LASOA, and the algorithm in [41] are 2db, 2db, 5.1db, and 8.2db. For the BOC(1,1) signal, there is no false lock point by the algorithm in [40] but, for the BOC(2,1) signal, there are two false lock points by the algorithm in [40]. As the modulation order grows, the algorithm in [40] cannot eliminate the false lock point of the signal. For the CBOC signal, setting the discriminative interval to 0.04 Tc, both the RSSA and the LASOA are able to maintain a high discriminative slope and both improve the discriminative slope by 11.2 dB relative to the ASPeCT and the algorithm in [40]. The discriminative slope obtained using the two algorithms processed in this paper is improved by 2.5 dB over the algorithm in [41]. From the above analysis, it is noted that, under the same discriminative interval, the advantages of the RSSA and the LASOA compared with the other three algorithms are that they not only eliminate the false lock point of the BOC and CBOC(6,1,1/11) signals, but also maintain a high phase discrimination gain, which is more than 2 dB higher than the other algorithms.
Figure 15.
Comparison of the discrimination curves. (a) Comparison of the discrimination curves for BOC(1,1); (b) comparison of the discrimination curves for BOC(2,1); (c) comparison of the discrimination curves for CBOC(6,1,1/11). Algorithm A represents the algorithm in [40]; and Algorithm B represents the algorithm in [41].
3.6. Anti-Multipath
The envelope extremes, the envelope interval length, and the envelope area are important indicators of multipath performance. The smaller the value of the three indicators, the better the performance of resistance to multipath. Figure 16 shows the comparison of the multipath error envelopes (MEE) of the BOC(1,1) signal, BOC(2,1) signal, and CBOC(6,1,1/11) signal at a correlator interval of 0.05 Tc, respectively, where the number of multipaths is 1 and the amplitude attenuation of the multipath signal relative to the direct signal is 3 dB. It can be seen from the figure that, for BOC(1,1) signal and BOC(2,1), the three indicators obtained by using the RSSA in this paper are the smallest, reflecting the good performance of the reconstruction algorithm against multipath. The indicators of the LASOA are inferior to the RSSA. For the CBOC(6,1,1/11) signal, there is little difference between the three indicators of the RSSA and the LASOA in this paper. Therefore, the method proposed in this paper has enhanced resistance to multipath.
Figure 16.
Comparison of the MEE. (a) Comparison of the MEE for BOC(1,1); (b) comparison of the MEE for BOC(2,1); (c) comparison of the MEE for CBOC(6,1,1/11). Algorithm A represents the algorithm in [40]; and Algorithm B represents the algorithm in [41].
The correlator interval is 0.05 Tc. In addition, Figure 17 and Figure 18 represent the MEE of the BOC(1,1), BOC(2,1), and CBOC(6,1,1/11) signals using the RSSA and the LASOA, where M takes 1, 2, 3, and 4, respectively. For the RSSA, M from 1 to 4, it can be seen from Figure 17 that the multipath envelope area of the signal decreases when M increases, with the maximum envelope area at M = 1 and the minimum envelope area at M = 4. The envelope area at M = 4 is reduced by about 20% compared to the envelope at M = 1. For the LASOA, when M is bigger than 1 and less than or equal to 4, the envelope area gradually decreases and, for every 1 times increase in M, the envelope area decreases by about 5% in Figure 18. This shows that the envelope area decreases with increasing NC in a certain range, which is due to the preservation of the narrow correlation using LASOA. The narrow correlation characteristic is that, with the increase in NC, the width of its main peak changes within .
Figure 17.
Comparison of the MEE by the RSSA. (a) comparison of the MEE for BOC(1,1); (b) comparison of the MEE for BOC(2,1); (c) comparison of the MEE for CBOC(6,1,1/11).
Figure 18.
Comparison of the MEE by the LASOA. (a) Comparison of the MEE for BOC(1,1); (b) comparison of the MEE for BOC(2,1); (c) comparison of the MEE for CBOC(6,1,1/11).
The anti-multipath performance also shows that the two algorithms in this paper can change the number of groups of signals as needed, which is where the two algorithms in this paper are different from and better than other algorithms.
4. Conclusions
In this paper, the RSSA and LASOA are proposed. Four local auxiliary signals are designed to correlate with the received signal in the RSAA and the side peaks of the signal are completely eliminated by Equations (16)–(18). The local auxiliary signal is reduced from four to two in the LASOA algorithm, and the signal subpeaks are completely eliminated by Equations (35)–(37). Theory and simulation show that RSSA and LASOA algorithms can solve the problems of fuzzy synchronization and are applicable to both BOC and CBOC signals. Both solve the problem that the ASPeCT and algorithm in [40] are only suitable for low-order signals.
In theory, Equation (9) gives the cross-correlation subfunction between BOC signals with different modulation orders. At the same time, it proves the rationality of the BOC autocorrelation function being divided into NC subfunctions. Since CBOC and TMBOC signals contain two BOC signals with different modulation orders, it is important to solve the reconstruction deblurring of CBOC and TMBOC.
The width of the reconstructed correlation peak is small and can reach using the LASOA. It is worth noting that, about anti-multipath, the range of is set from 2 to 4 and the multipath envelope area of the auxiliary signal optimization algorithm will be reduced by 5% with every 1 times increase in . Moreover, the RSSA and LASOA have smaller envelope areas than the algorithm in [40], algorithm in [41], and ASPeCT and superior anti-multipath performance compared to the other three algorithms.
In terms of signal detection, the detection probabilities of the RSSA and the LASOA are basically the same for low-order signals. To achieve 90% detection probability, the signal-to-noise ratio required for BOC(2,1) is higher than that of BOC(1,1) by 3 dB using the LASOA, which is the direction for future improvement. In tracking, the RSSA and LASOA have more than 2 dB higher phase discrimination gain than other algorithms, no false lock point, and a good tracking effect.
In the next work, we plan to apply the algorithms of this paper to actual satellite signals and explore the application in joint acquisition.
Author Contributions
Conceptualization, Y.J. and Y.Z.; methodology, Y.J.; validation, Y.J., Y.Z. and X.S.; investigation, X.J. and J.L.; data curation, X.J. and J.L.; writing—original draft preparation, Y.J. and Y.Z.; writing—review and editing, Y.J., Y.Z. and X.S. All authors have read and agreed to the published version of the manuscript.
Funding
This research was funded by the National Natural Science Foundation of China, grant number 62061010 and 62161007; Guangxi Science and Technology Department Project, grant number AA20302022, AB21196041, AB22035074, AD22080061; Guilin City Science and Technology Project, grant number 20210222-1.
Data Availability Statement
Not applicable.
Conflicts of Interest
The authors declare no conflict of interest.
References
- Juang, J.-C.; Lin, C.-T.; Tsai, Y.-F. Comparison and Synergy of BPSK and BOC Modulations in GNSS Reflectometry. IEEE J. Sel. Top. Appl. Earth Obs. Remote Sens. 2020, 13, 1959–1971. [Google Scholar] [CrossRef]
- Wang, X.; Guo, Y.; Zhu, Z.; Lu, X. Coherency evaluation of GNSS MBOC pilot and data signal in joint tracking. Int. J. Space Sci. Eng. 2020, 6, 49–63. [Google Scholar] [CrossRef]
- Zhao, X.; Huang, X.; Liu, Z.; Xiao, Z.; Sun, G. Improved MBOC modulations based on periodic offset subcarrier. IET Commun. 2021, 15, 1831–1848. [Google Scholar] [CrossRef]
- Xue, L.; Li, X.; Wu, W.; Dong, J. Multifunctional Signal Design for Measurement, Navigation and Communication Based on BOC and BPSK Modulation. Remote Sens. 2022, 14, 1653. [Google Scholar] [CrossRef]
- Chronopoulos, S.K.; Koliopanos, C.; Pappa, A.; Angelis, C.T. Simulation of a Feasible Galileo System Operating in L1 and E5 Bands. Pers. Satell. Serv. 2010, 43, 35–43. [Google Scholar] [CrossRef]
- Setlak, L.; Kowalik, R. E1 Signal Processing of the Galileo System in the Navigation Receiver. Commun.-Sci. Lett. Univ. Zilina 2021, 23, E46–E55. [Google Scholar] [CrossRef]
- Pan, Y.; Zhang, T.; Zhang, G.; Luo, Z. A novel acquisition algorithm based on two-dimensional delay estimation for BOC signals. Phys. Commun. 2019, 37, 100875. [Google Scholar] [CrossRef]
- Burian, A.; Lohan, E.S.; Renfors, M. BPSK-like methods for hybrid-search acquisition of Galileo signals. In Proceedings of the 2006 IEEE International Conference on Communications, Istanbul, Turkey, 11–15 June 2006; pp. 5211–5216. [Google Scholar]
- Han, Q.; Zhu, K.; Hu, C.; Zhao, H.; Wu, S.; Fu, Y. BOC signal acquisition algorithm based on similar enfoldment. Int. J. Aerosp. Eng. 2020, 2020, 4314132. [Google Scholar] [CrossRef]
- Hang, R.; Lei, Z.; Jian, L. The design and assessment of mboc side-peak tracking detection strategy based on bump jump. In Proceedings of the 28th International Technical Meeting of The Satellite Division of the Institute of Navigation (ION GNSS+ 2015), Tampa, FL, USA, 14–18 September 2015; pp. 3626–3637. [Google Scholar]
- Hao, W.; Gong, W. Research on Tracking Algorithm of Beidou B1C Signal. In Proceedings of the 2019 IEEE 9th International Conference on Electronics Information and Emergency Communication (ICEIEC), Beijing, China, 12–14 July 2019; pp. 226–229. [Google Scholar]
- Zhen, L.; Jie, H.; Jian-Tao, W.; Yong-Jun, Z.; Shi-Wen, C. Generalized unambiguous tracking method based on pseudo correlation function for multi-level coded symbol modulated signals. Acta Phys. Sin. 2017, 66, 139101. [Google Scholar] [CrossRef]
- Hao, W.; Gong, W. Research on Beidou B1C Signal Joint Tracking Algorithm Based on Pseudo Correlation Function. J. Phys. Conf. Ser. 2020, 1544, 012013. [Google Scholar] [CrossRef]
- Zhongliang, D.; Yue, X.; Lu, Y. Unambiguous sine-phased BOC (kn, n) signal acquisition based on combined correlation functions. TELKOMNIKA (Telecommun. Comput. Electron. Control) 2015, 13, 502–509. [Google Scholar] [CrossRef]
- Lee, Y.; Lee, S.; Yoo, S.; Liu, H.; Yoon, S. An unambiguous tracking scheme using partial-pulses for boc signals. J. Appl. Res. Technol. 2014, 12, 1103–1114. [Google Scholar] [CrossRef]
- Li, T.; Tang, Z.; Wei, J.; Zhou, Z.; Wang, B. Unambiguous tracking technique based on combined correlation functions for sine BOC signals. J. Navig. 2019, 72, 140–154. [Google Scholar] [CrossRef]
- Lucjan Setlak, R.K. Study and Analysis of Interference Signals of the LTE System of the GNSS Receiver. Sensors 2021, 21, 4901. [Google Scholar] [CrossRef]
- Dovis, F.; Fantino, L.L.P.M. Comparison between Galileo CBOC Candidates and BOC(1,1) in Terms of Detection Performance. Int. J. Navig. Obs. 2008, 2008, 793868. [Google Scholar] [CrossRef]
- Ma, J.; Yang, Y.; Li, H.; Li, J. Expressions for the autocorrelation function and power spectral density of BOC modulation based on convolution operation. Math. Probl. Eng. 2020, 2020, 2063563. [Google Scholar] [CrossRef]
- Yang, P.; Li, Y.; Pan, J.; Wang, F.; Mao, L. An unambiguous acquisition algorithm for BOC modulated signals Based on weighting adjustment. In Proceedings of the 2021 3rd International Conference on Intelligent Control, Measurement and Signal Processing and Intelligent Oil Field (ICMSP), Xi’an, China, 23–25 July 2021; pp. 147–151. [Google Scholar]
- Zhang, Y.; Ma, L.; Zhang, L.; Xu, Z. Acquisition Algorithm of Beidou B1C Signal based on Improved Pseudo Correlation Function. In Proceedings of the 2022 7th International Conference on Signal and Image Processing (ICSIP), Suzhou, China, 20–22 July 2022; pp. 23–28. [Google Scholar]
- Longji, Z.; Ju, W. Ambiguity mitigating tracking method for BOC (1, 1) and MBOC (6, 1, 1/11) signals. In Proceedings of the 2017 First International Conference on Electronics Instrumentation & Information Systems (EIIS), Harbin, China, 3–5 June 2017; pp. 1–4. [Google Scholar]
- Yoon, S.; Chae, K.; Kim, S.Y. A New Approach to Local Signal Design for Enhanced TMBOC Signal Tracking. J. Electr. Eng. Technol. 2020, 15, 1837–1845. [Google Scholar] [CrossRef]
- Ren, J.; Zhou, S.; Jia, W.; Yao, M. Non-Coherent Unambiguous Tracking Method for Composite Binary Offset Carrier Modulated Signals Based on S-Curve Shaping Technique. IEEE Commun. Lett. 2013, 17, 1540–1543. [Google Scholar] [CrossRef]
- Yao, Z.; Lu, M.; Feng, Z.H.R. Unambiguous Technique for Multiplexed Binary Offset Carrier Modulated Signals Tracking. IEEE Signal Process. Lett. 2009, 16, 608–611. [Google Scholar] [CrossRef]
- Rouabah, K.; Flissi, M.; Attia, S.; Chikouche, D. Unambiguous multipath mitigation technique for BOC (n, n) and MBOC-modulated GNSS signals. Int. J. Antennas Propag. 2012, 2012, 895390. [Google Scholar] [CrossRef]
- Sousa, F.M.G.; Nunes, F.D. New expressions for the autocorrelation function of BOC GNSS signals. NAVIGATION J. Inst. Navig. 2013, 60, 1–9. [Google Scholar] [CrossRef]
- Yarlykov, M.S. Correlation functions of BOC and AltBOC signals as the inverse Fourier transforms of energy spectra. J. Commun. Technol. Electron. 2016, 61, 857–876. [Google Scholar] [CrossRef]
- Nunes, F.D.; Sousa, F.M.; Leitao, J.M. Gating Functions for Multipath Mitigation in GNSS BOC Signals. IEEE Trans. Aerosp. Electron. Syst. 2007, 43, 951–964. [Google Scholar] [CrossRef]
- Xue, Z.; Wang, J.; Yan, F. Generalized Unambiguous acquisition technique for BOC modulated signals. In Proceedings of the 2019 IEEE International Conference on Signal Processing, Communications and Computing (ICSPCC), Dalian, China, 20–22 September 2019. [Google Scholar]
- Hao, F.; Gan, X.; Yu, B. Unambiguous Tracking Technique Based on Shape Code for BOC Signals. IEEE Access 2020, 8, 33954–33965. [Google Scholar] [CrossRef]
- Wen, L.; Yue, X.; Zhongliang, D.; Jichao, J.; Lu, Y. Correlation combination ambiguity removing technology for acquisition of sine-phased BOC (kn, n) signals. China Commun. 2015, 12, 86–96. [Google Scholar] [CrossRef]
- Yan, T.; Wei, J.; Tang, Z.; Qu, B.; Zhou, Z. Unambiguous combined correlation functions for sine-BOC signal tracking. GPS Solut. 2015, 19, 623–638. [Google Scholar] [CrossRef]
- Zitouni, S.; Rouabah, K.; Chikouche, D.; Mokrani, K.; Atia, S.; Harba, R.; Ravier, P. General analytical models characterizing MBOC modulated signal. Aerosp. Sci. Technol. 2016, 50, 112–126. [Google Scholar] [CrossRef]
- Yang, L.; Wang, Z.; Huang, Q.; Zhao, L. Unambiguous Tracking Method Based on a New Combination Function for BOC Signals. IEICE Trans. Commun. 2014, E97B, 923–929. [Google Scholar] [CrossRef]
- Yan, T.; Wei, J.; Tang, Z.; Qu, B.; Zhou, Z. Unambiguous acquisition/tracking technique for high-order sine-phased binary offset carrier modulated signal. Wirel. Pers. Commun. 2015, 84, 2835–2857. [Google Scholar] [CrossRef]
- Yuanfa, J.; Xiaoqian, C.; Qiang, F.; Xiyan, S.; Weimin, Z. Reconstruction of sub cross-correlation cancellation technique for unambiguous acquisition of BOC (kn, n) signals. J. Syst. Eng. Electron. 2019, 30, 852–860. [Google Scholar]
- Hao, F.; Yu, B.; Gan, X.; Jia, R.; Zhang, H.; Huang, L.; Wang, B. Unambiguous acquisition/tracking technique based on sub-correlation functions for GNSS sine-BOC signals. Sensors 2020, 20, 485. [Google Scholar] [CrossRef] [PubMed]
- Wang, B.; Li, T.; Wei, J.; Tang, Z. A new unambiguous tracking algorithm for sine-BOC (m, n) signals. GPS Solut. 2019, 23, 58. [Google Scholar] [CrossRef]
- Ji, Y.-F.; Liu, Y.; Zhen, W.-M.; Sun, X.-Y.; Yu, B.-G. An unambiguous acquisition algorithm based on unit correlation for BOC (n, n) signal. IEICE Trans. Commun. 2017, 100, 1507–1513. [Google Scholar] [CrossRef]
- Ren, J.; Yang, G.; Jia, W.; Yao, M. Unambiguous tracking method based on combined correlation functions for sine/cosine-BOC CBOC and AltBOC modulated signals. Radioengineering 2014, 23, 244–251. [Google Scholar]
- Liu, X.; Yin, C.; Yu, Q.; Li, B. Implementation of PMF and FFT acquisition design for B1C signal based on ASPeCT. J. Phys. Conf. Ser. 2021, 1952, 042135. [Google Scholar] [CrossRef]
- Wang, E.; Zhao, H.; Lin, D.; Wang, J.; Liu, M. An improved method for eliminating deputy peak of BOC navigation signal. IEICE Commun. Express 2022, 11, 589–595. [Google Scholar] [CrossRef]
- Zhu, F.; Zhang, Y.; Su, X.; Li, H.; Guo, H. Performance evaluation of three BOC signal acquisition techniques. In Proceedings of the 2015 International Conference on Optoelectronics and Microelectronics (ICOM), Changchun, China, 16–18 July 2015. [Google Scholar]
- Teng, F.; Zhu, C.; Yi, Y.; Pei, C. Performance evaluation of acquisition algorithm for BOC-modulated signal against interference. In Proceedings of the 2013 IEEE International Conference of IEEE Region 10 (TENCON 2013), Xi’an, China, 22–25 October 2013; pp. 1–4. [Google Scholar]
- Xiong, H.; Wang, S.; Gong, S.; Peng, M.; Shi, J.; Tang, J. Improved synchronisation algorithm based on reconstructed correlation function for BOC modulation in satellite navigation and positioning system. Iet Commun. 2018, 12, 743–750. [Google Scholar] [CrossRef]
Disclaimer/Publisher’s Note: The statements, opinions and data contained in all publications are solely those of the individual author(s) and contributor(s) and not of MDPI and/or the editor(s). MDPI and/or the editor(s) disclaim responsibility for any injury to people or property resulting from any ideas, methods, instructions or products referred to in the content. |
© 2023 by the authors. Licensee MDPI, Basel, Switzerland. This article is an open access article distributed under the terms and conditions of the Creative Commons Attribution (CC BY) license (https://creativecommons.org/licenses/by/4.0/).

















