Abstract
Distributed static compensators (DSTATCOMs) are grid-connected power electronic equipment dedicated to compensating reactive power as well as improving voltage regulation in distribution networks. They eclipse conventional compensation approaches, such as capacitor banks, in terms of flexibility and effectiveness. Despite their identified advantages, STATCOMs with voltage droop are subject to weak grid-induced stability problems, as first revealed by this paper. Specifically, the voltage droop controller that couples the amplitude of point of common coupling (PCC) voltages to the reactive current reference creates a local control loop. Such a loop greatly deteriorates system stability in weak grids, which feature large and variable grid impedances. To address such stability problems, we propose a novel virtual resistance control scheme, which improves system stability through mitigation of local control loop gains in the low-frequency band. Experimental results obtained from a DSTATCOM prototype clearly demonstrate the correctness of stability analysis and the effectiveness of stability improvement.
1. Introduction
The global energy sector witnesses a fast-increasing penetration level of renewable energy resources, such as wind and solar photovoltaics (PVs), due to a strong desire for clean electricity and decarbonization. Along with the growth of renewable energy resources is the widespread deployment of grid-tied power converters. However, the switching feature of power converters, together with the intermittent and stochastic behaviors of renewable energy sources, challenge the power quality (PQ) of modern power systems [1,2,3,4,5,6]. Typical PQ issues, such as voltage sags/swells, reactive currents, voltage/current harmonics, and voltage/current imbalances, may cause undesirable power losses, equipment malfunction, and even blackouts [7,8,9,10]. As such, grid codes, e.g., IEEE Standard 519-2014 [11], set clear requirements on current and voltage qualities of grid-tied power converters.
To resolve PQ issues and comply with grid codes, various stand-alone power electronic equipment, including active power filters (APFs) [12,13], dynamic voltage restorers (DVRs) [14,15], uninterruptible power supplies (UPSs) [16], unified power quality conditioners (UPQCs) [17], and distributed static compensators (DSTATCOMs), have been proposed. Among them, DSTATCOMs aim to compensate reactive power and improve voltage regulation in distribution networks [18]. Specifically, the voltage droop, which links the grid voltage to the current control loop, allows the DSTATCOM to regulate the PCC voltage in an acceptable range by absorbing and generating reactive power. As compared to their passive alternatives, such as capacitor banks, DSTATCOMs benefit mostly from their flexibility and effectiveness. As a result, DSTATCOMs are increasingly employed in the replacement of passive approaches for reactive power and voltage compensation [19,20].
Despite obvious benefits, DSTATCOMs are subject to stability problems due to the interaction with other power electronic converters [21,22]. The interaction among multiple STATCOMs may also deteriorate system stability [23].
Notably, DSTATCOMs are frequently installed at the point of common coupling (PCC) for better voltage regulation in weak grids. Characterized by large and variable grid impedances, weak grids may interact with current control, LCL filter resonances, phase-locked-loops (PLLs), and virtual inertia control, resulting in stability degradation of grid-tied power conversion systems [24,25,26,27]. It should be noted that the large grid impedance can also interact with the voltage droop control. However, the effects of such interactions on the stability of DSTATCOMs have so far not been investigated.
To bridge the research gap, we investigated the stability of DSTATCOMs with voltage droop in weak grids. First, the instability mechanisms of DSTATCOMs with voltage droop in weak grids are revealed. As we introduce in the following sections, the voltage droop control, on top of reactive power compensation, may possibly introduce stability issues, particularly when exposed to weak grids. Specifically, the increment in voltage droop coefficients, paired with large grid impedances, degrades system stability. Second, to address such instability problems, we put forward a novel virtual resistance control scheme that ensures stable operations of DSTATCOMs. It improves system stability without any additional hardware. Therefore, no power losses are generated.
The remainder of this paper is organized as follows. Section 2 presents the fundamental operating principle of DSTATCOMs. In Section 3, we investigate the mechanisms behind instabilities of DSTATCOMs with voltage droop. Section 4 details the proposed control scheme for stability improvement. Section 5 provides experimental results for verification purposes. Finally, Section 6 provides concluding remarks.
2. Fundamental Principles of DSTATCOMs
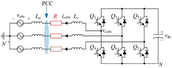
As shown in Figure 1, the DSTATCOM system consists of a three-phase grid-connected inverter, three filter inductors Lc, and a DC capacitor. Notably, three-phase quantities are differentiated by the subscripts a, b, and c. The DSTATCOM is connected through the PCC to a weak grid, which is modeled as a series connection of the grid inductors Lg and an ideal three-phase voltage source vabc. To yield the worst stability case, equivalent series resistors (ESRs) of inductors are all ignored. Figure 1 presents the control scheme of DSTATCOMs, which is implemented in the synchronous dq0-frame, where a standard cosine signal in phase A will be transformed into a constant in the d-axis. Correspondingly, d-axis or q-axis quantities are denoted by the subscript d or q, respectively. In additional, the subscript “ref” designates the reference notation. As shown, the control scheme features an outer voltage controller and an inner current controller. In Figure 1, a phase-lock loop (PLL) captures the phase of PCC voltages vgabc for abc/dq and dq/abc transformations. It is worth mentioning that the voltage control not only regulates the DC-link voltage vdc but also offers voltage droop control by linking the PCC voltage magnitude Vgd to the q-axis current reference icq_ref. Subsequently, the output signals of the voltage controller are sent to the current controllers as the d- and q-axes’ current references. In what follows, the current controller generates duty cycles for the PWM block that drives semiconductor switches.
Figure 1.
System schematic and control scheme of DSTATCOMs.
Figure 2 provides the vector diagrams of DSTATCOMs. In most scenarios, DSTATCOMs supply (inductive) reactive power to power grids, where the reactive current Icq lags the PCC voltage Vgd by 90 degrees. However, DSTATCOMs may also absorb reactive power by making Icq lead Vcd. For illustration, Figure 2a shows a condition where the converter voltage magnitude Vcd is greater than Vgd (i.e., Vcd > Vgd). In this case, DSTATCOMs act as capacitors and inject reactive power. Alternatively, DSTATCOMs serve as inductors and absorb reactive power from the grid if Vcd < Vgd, as shown in Figure 2b. Figure 2c demonstrates a case where no exchange of reactive power is expected, as Vcd and Vgd are identical.
Figure 2.
Vector diagrams of DSTATCOMs: (a) providing reactive power; (b) absorbing reactive power; (c) no reactive power exchange.
The fundamental operating principle of DSTATCOMs with voltage support can be explained as follows. Given that the demanded reactive power exceeds the generated reactive power, the grid voltage amplitude drops (known as voltage sags). Accordingly, the PCC voltage amplitude Vgd decreases. DSTATCOMs should then respond promptly to increase their current Icq and inject more reactive power to the grid. In this way, the injected reactive power helps mitigate voltage drops at PCC. The opposite is true in the case of voltage swells.
3. Weak Grid-Induced Stability Problems of DSTATCOMs with Voltage Droop
This section investigates the influence of voltage droop and weak grids on the stability of DSTATCOMs. It is worthwhile to note that voltage droop mainly affects current control through a link between the PCC voltage amplitude and the reactive current reference. As such, we focus on the modeling of current controller and voltage droop in this section.
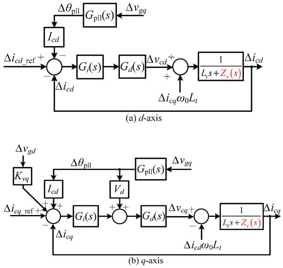
For illustration, the detailed control block diagrams of DSTATCOMs without and with voltage droop are shown in Figure 3, where ∆ represents the small-signal perturbation, the capital letter X stands for the steady-state value, and the current regulator Gi(s) is implemented as a PI regulator:
where Kcp and Kci are the proportional and integral coefficients of the current regulator, respectively. Gd(s) represents the linearized control delay, which is given as [28]:
where Td = 0.75/fs, and fs refers to the sampling frequency.
Figure 3.
Control block diagrams of DSTATCOMs (a) without voltage droop; (b) with voltage droop.
According to [26], the interactions between power converters and grids are mathematically described by
where Lt = Lc + Lg. ω0 represents the fundamental angular frequency. ∆icqω0Lt and −∆icdω0Lt are cross-coupling terms introduced by frame transformations. Additionally, the plant transfer function Gplant(s) is
In Figure 3, Gpll(s) models the small-signal PLL transfer function from the PCC voltage q-axis component ∆vgq to the phase angle ∆θpll, which can be derived as [26]:
where Kpll_p and Kpll_i are the proportional and integral coefficients of the PI controller with PLL, respectively.
In Figure 3a, the PLL introduces the terms Icq∆θpll, Icd∆θpll, and Vd∆θpll [26]. Since the main purpose of DSTATCOMs is to compensate reactive power, the d-axis current reference can be designed as zero (icd_ref = 0), and the steady-state d-axis current Icd is also 0. In this case, the converter voltage and PCC voltage are almost in alignment with identical phase angles. Hence, there is only reactive power exchange between DSTATCOMs and the grid.
Moreover, the grid voltages vabc are assumed to be ideal sinusoidal voltages. Therefore, the small-signal perturbations of grid voltages ∆vd and ∆vq are ignored, i.e., ∆vd = ∆vq = 0. Under this assumption, there are only two control inputs (i.e., ∆icd_ref and ∆icq_ref) in Figure 3a. Correspondingly, ∆icd and ∆icq stand as two control outputs. System stability can be evaluated by the transfer matrix given in (6). Notably, the system will be stable only when all the four matrix elements are with stable poles. Otherwise, unstable pole(s) result in system instabilities. Comparing Figure 3a and Figure 3b, one can find that the major influence of voltage droop is reflected on the q-axis current control loop. Therefore, we will analyze the effect of voltage droop mainly through Gicq_cl(s) (without and with voltage droop) in the following subsections.
3.1. Control without Voltage Droop
Recapping Figure 3a, we first derive the transfer function of the local control loop from ∆vcq_pll(s) to ∆vcq(s) as
Furthermore, we derive the closed-loop transfer function of the q-axis current control Gq_cl(s) as
In contrast, the closed-loop transfer function of the d-axis current control Gd_cl(s) is derived as
Referring to Figure 3a, we can express ∆icq as
where Gicd_icq(s) denotes the transfer function from ∆icd to ∆icq, which is derived as
when deriving Gicq_cl(s), we should keep in mind that ∆icd is an intermediate variable and ∆icd_ref equals zero. As a step further, ∆icd can be expressed as
where Gicq_icd(s) denotes the transfer functions from ∆icq to ∆icd, which is derived as
To eliminate ∆icd in (10), we first express ∆θpll as
Next, by substitution of (14) into (12), we obtain
where Gvcq_icd(s) designates the transfer function from ∆vcq to ∆icd. Specifically, we represent Gvcq_icd(s) as
For clarity, the q-axis control block diagram is redrawn as Figure 4 based on (10) and (15). As observed from Figure 4, we can readily derive the overall loop gain of the q-axis current control as
Figure 4.
Control in the q-axis without voltage droop.
Finally, we express the closed-loop transfer function from ∆icq_ref to ∆icq as
3.2. Control with Voltage Droop
To achieve the objective of reactive power compensation, the PCC voltage amplitude ∆vgd is linked to the q-axis current reference ∆icq_dr through a voltage droop gain Kvq, as visualized in Figure 3b.
Due to the employment of voltage droop, ∆icq in (16) should be reorganized as
where ∆vgd is an additional intermediate variable that is influenced by ∆icq and ∆vcq. Recapping Figure 3b, we calculate the transfer function from ∆icq to ∆vgd as
For illustration, the q-axis current control with voltage droop is redrawn as Figure 5, where the modifications introduced by voltage droop are highlighted. In Figure 5, ∆icq_dr models the effect of ∆vgd on the q-axis current control. In this case, the sum of ∆icq_dr and ∆icq should be regarded as the output of the q-axis control loop. Correspondingly, the loop gain of the q-axis control with voltage droop is derived as
Figure 5.
Control in the q-axis with voltage droop.
Finally, we present the closed-loop transfer function from ∆icq_ref to ∆icq as
3.3. Stability Analysis
Based on the previous derivations, we present the pole-zero maps of Gicq_cl(s) and Gicq_cl_dr(s) in Figure 6 and Figure 7, respectively, where the insets highlight the poles and zeros near the imaginary axis. The corresponding system and control parameters are tabulated in Table 1. It is clear from Figure 6 that Gicq_cl(s) is stable since all the poles are located at the left-hand plane in Figure 6. However, right-hand plane (RHP) poles appear in Figure 7, indicating that Gicq_cl_dr(s) registers instabilities due to voltage droop.
Figure 6.
Pole-zero map of Gicq_cl(s).
Figure 7.
Pole-zero map of Gicq_cl_dr(s).
Table 1.
System and control parameters.
Similarly, the other three matrix elements in (6) can also be derived. However, the detailed deriving procedures are excluded here due to page limits. For demonstration, their pole-zero maps without and with voltage droop are shown in Figure 8 and Figure 9, respectively. The subscript “dr” denotes the matrix elements in (6) that are modified by voltage droop. Clearly, there is no RHP pole of the transfer functions without voltage droop. In contrast, the presence of RHP poles in Figure 9 confirms that the employment of voltage droop causes stability problems. This is as expected by noting the strong coupling effects between the d- and q-axes.
Figure 8.
Pole-zero maps of transfer functions without voltage droop: (a) Gicd_cl(s); (b) Gicdref_icq(s); (c) Gicqref_icd(s).
Figure 9.
Pole-zero map of transfer functions with voltage droop: (a) Gicd_cl_dr(s); (b) Gicdref_icq_dr(s); (c) Gicqref_icd_dr(s).
To investigate the root cause of stability problems, Figure 10 compares the Bode plots of Gicq_ol(s) and Gicq_cl_dr(s). As seen, the considerable magnitude amplification, together with the phase decrease of Gicq_cl_dr(s), can destabilize DSTATCOM systems. The mechanism behind instabilities can be found in Figure 5, where two additional loops from ∆icq and ∆vcq to ∆icq_dr are introduced due to voltage droop. The transfer functions from ∆icq and ∆vcq to ∆icq_dr can be obtained from Figure 5 as
Figure 10.
Bode plots of Gicq_ol(s) and Gicq_ol_dr(s).
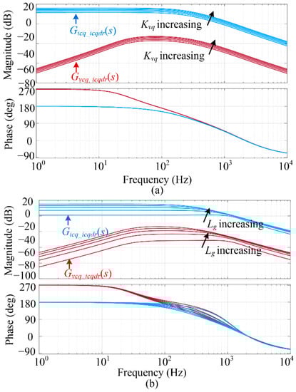
The magnitudes of the two transfer functions Gicq_icqdr(s) and Gvcq_icqdr(s) are both proportionally related to the droop coefficient Kvq. In addition, according to (20) and (21), they are also positively related to the grid inductance Lg. Figure 11 shows the Bode plots of Gicq_icqdr(s) and Gvcq_icqdr(s) with various Kvq and Lg. In Figure 11a, Kvq is swept from 1.2 to 2 with a step size of 0.2. In Figure 11b, Lg is gradually changed from 2 mH to 10 mH. Figure 11 implies that Gicq_icqdr(s) should be responsible for the magnitude amplification of Gicq_cl_dr(s). Moreover, the increment in Kvq or Lg further amplifies the magnitude of Gicq_icqdr(s), which means that ∆icq_dr becomes more sensitive to ∆icq. This tends to degrade the stability of DSTATCOM systems.
Figure 11.
Bode plots of Gicq_icqdr(s) and Gvcq_icqdr(s) with (a) various Kvq; (b) various Lg.
Furthermore, the influences of Kvq and Lg are visualized by the root loci of Gicq_cl_dr(s) shown in Figure 12, where Kvq ranges from 0 to 10. Figure 12 demonstrates the negative effect of voltage droop on system stability. For a fixed Lg, the closed-loop poles are gradually shifted rightwards as Kvq increases. Furthermore, the increment in Lg will lower the critical value of Kvq. These observations can be explained by the fact that the negative effect of voltage droop is essentially caused by the multiplication of Kvq and a gain of Lg/Lt (see Figure 3b). The above analysis discloses the necessity of stability improvement for DSTATCOMs under weak grid conditions.
Figure 12.
Root loci of Gicq_cl_dr(s).
4. Proposed Control Scheme for Stability Improvement
According to the previous analysis, the magnitude amplification of Gicq_icqdr(s) by the droop controller is responsible for instabilities. This amplification effect is positively related to the product of Kvq and Lg/Lt that links ∆vcd to ∆vgd. This implies that stability problems can be solved by decreasing this voltage gain. For instance, the instability phenomenon will disappear in stiff grids, where Lg = 0 mH. Moreover, Figure 11a illustrates that the Gicq_icqdr(s) shows the low-pass filter characteristics. Referring to (20) and (24), the cut-off frequency ωc of Gicq_icqdr(s) is essentially the bandwidth of Gd_cl(s), which is designed to be 1600 rad/s in this paper.
Thus, we can improve system stability by decreasing the gain from ∆vcd to ∆vgd in the low-frequency band. A straightforward method is adding resistors R in series with the filter inductors Lc, as shown in Figure 13.
Figure 13.
Schematic diagram of DSTATCOMs with filter resistors.
With the employment of resistors, the relationship between ∆vgd and ∆vcd is modified as
Similarly, the relationship between ∆vgq and ∆vcq with resistors R should be rewritten as
Correspondingly, the system plant is changed into
The remaining control blocks in Figure 3b remain unchanged.
Equation (26) essentially replaces the gain Lg/Lt in Gicq_icqdr(s) by a high-pass filter:
whose cut-off frequency is derived as
The magnitude of Gicq_icqdr(s) can be attenuated at low frequencies by setting ωc_hp = ωc, which gives R = 19.2 Ω. However, high resistance generally deteriorates the dynamic response. In fact, it is conservative to set ωc_hp as the same as ωc. Note that ωc_hp denotes the frequency at which the magnitude of Ghp(s) falls 3 dB from its high-frequency value, and that ωc denotes the frequency where the magnitude of Gd_cl(s) declines 3 dB from its low-frequency value. Since the magnitude of Gicq_icqdr(s) is positively related to the multiplication of Ghp(s) and Gd_cl(s), setting ωc_hp = ωc actually makes the magnitude of Gicq_icqdr(s) drop 6 dB at ωc. Therefore, ωc_hp is lowered to 0.2 ωc. Considering the inductances listed in Table 1, the value of R can then be determined as
The effectiveness of R is evaluated by the pole-zero maps of Gicq_cl_dr(s) shown in Figure 14. As seen, the stability of DSTATCOMs can be improved by increasing R. Specifically, RHP poles disappear when R is greater than or equal to 5 Ω, indicating that DSTATCOM systems are stabilized. This agrees well with (31).
Figure 14.
Pole-zero map of Gicq_cl_dr(s) with filter resistors.
Although adding extra resistors is effective, the associated power loss deteriorates system efficiency. Therefore, an active control scheme is further proposed to mimic the behavior of filter resistors. The proposed virtual resistance control scheme is shown in Figure 15, where Gad(s) and Gaq(s) stand for the proposed controllers on the d-axis and q-axis, respectively.
Figure 15.
Proposed virtual resistance control scheme.
For better illustration, the control block diagrams that incorporate resistors are given in Figure 16. To fully emulate resistors, Gad(s) and Gaq(s) should be designed as
Figure 16.
Equivalent control block diagrams with the proposed control scheme.
When the proposed controller is designed as (32) and (33), the systems in Figure 15 and Figure 16 will be identical. However, note that the inverse transfer functions of time delay Gd(s) and Gq_pll(s) are not necessarily available in practice. Since Gd(s) and Gq_pll(s) both exhibit a unity gain in the low-frequency band, as proved by Figure 17, Gad(s) and Gaq(s) can be designed as pure gains to approximate the virtual resistance behavior, i.e.,
Figure 17.
Bode plots of Gd(s) and Gq_pll(s).
5. Experimental Results
To validate the theoretical analysis and the effectiveness of the proposed control scheme, a laboratory prototype was developed based on the schematic diagram shown in Figure 1 and parameters listed in Table 1. A three-phase inverter, together with filter inductors, operated as a DSTATCOM, while three additional inductors were inserted between the inverter and an AC programable power supply to emulate weak grids. All the control algorithms were implemented by a dSPACE controller (Microlabbox).
Figure 18 shows the experimental waveforms of the DSTATCOMs without and with voltage droop (of different droop coefficients). Clearly, the DSTATCOM system is stable without voltage droop, as proved by Figure 18b. As seen in Figure 18c, when the voltage droop with Kvq = 1.2 is applied, the inductor currents icabc and PCC voltages vgabc remain stable shortly. However, when Kvq is increased to 1.8, the currents icabc diverge rapidly, indicating that instability occurs. This is as expected, since Kvq exceeds the upper limit 1.65 according to the previous analysis.

Figure 18.
Experimental results of the DSTATCOMs without and with voltage droop: (a) overall view; (b) zoomed-in view without voltage droop; (c) zoomed-in view with a small voltage droop coefficient Kvq = 1.2.
When Kvq is designed as 1.8, the stability problems of STATCOMs can be successfully addressed by the proposed control scheme, as demonstrated in Figure 19. With Kad = 7, the PCC voltages vgabc and the converter currents icabc are all stable, as shown in Figure 19b. When the proposed controller is disabled, i.e., Kad = 0, the system becomes unstable again. These experimental results demonstrate the effectiveness of the proposed control scheme in terms of stability improvement.

Figure 19.
Experimental results of DSTATCOMs with and without the proposed control scheme: (a) overall view; (b) zoomed-in view with the proposed control scheme.
6. Conclusions
We identified the potential stability problems of DSTATCOMs with voltage droop support to weak power grids. Through analyzing system stability, it is revealed that the increment in voltage droop coefficients tends to destabilize DSTATCOMs in weak grids. The mechanism of instabilities lies in the additional local control loop that links the PCC voltage amplitude to the reactive current. To mitigate the adverse effect of voltage droop, we proposed a novel control scheme that can improve system stability by emulating resistors and making PCC voltages less sensitive to converter control. Finally, experimental results demonstrate that DSTATCOMs with the proposed control scheme can operate stably even under weak grid conditions.
Author Contributions
Conceptualization, J.F. and F.F.; methodology, J.F.; software, F.F.; validation, F.F.; formal analysis, F.F.; investigation, F.F.; resources, J.F.; data curation, F.F.; writing—original draft preparation, F.F.; writing—review and editing, J.F.; visualization, F.F.; supervision, J.F.; project administration, J.F.; funding acquisition, J.F. All authors have read and agreed to the published version of the manuscript.
Funding
This research was funded by Shandong University Distinguished Young Scholars Project grant number 31400082260522.
Conflicts of Interest
The authors declare no conflict of interest.
References
- Bollen, M.H. Understanding power quality problems. In Voltage Sags and Interruptions; IEEE Press: Piscataway, NJ, USA, 2000. [Google Scholar]
- Roselund, C.; Bernhardt, J. Lessons learned along europe’s road to renewables. IEEE Spectr. 2015, 4. [Google Scholar]
- Liang, X. Emerging power quality challenges due to integration of renewable energy sources. IEEE Trans. Ind. Appl. 2016, 53, 855–866. [Google Scholar] [CrossRef]
- Fatama, A.Z.; Khan, M.A.; Kurukuru, V.B.; Haque, A.; Blaabjerg, F. Coordinated reactive power strategy using static synchronous compensator for photovoltaic inverters. Int. Trans. Electr. Energy Syst. 2020, 30, e12393. [Google Scholar] [CrossRef]
- Khan, M.A.; Haque, A.; Kurukuru, V.B.; Saad, M. Advanced control strategy with voltage sag classification for single-phase grid-connected photovoltaic system. IEEE J. Emerg. Sel. Top. Ind. Electron. 2020, 3, 258–269. [Google Scholar] [CrossRef]
- Khan, M.A.; Haque, A.; Kurukuru, V.B. Dynamic Voltage Support for Low-Voltage Ride-Through Operation in Single-Phase Grid-Connected Photovoltaic Systems. IEEE Trans. Power Electron. 2021, 36, 12102–12111. [Google Scholar] [CrossRef]
- Arseneau, R.; Baghzouz, Y.; Belanger, J.; Bowes, K.; Braun, A.; Chiaravallo, A.; Cox, M.; Crampton, S.; Emanuel, A.; Filipski, P.; et al. A survey of North American electric utility concerns regarding nonsinusoidal waveforms. IEEE Trans. Power Deliv. 1996, 11, 73–78. [Google Scholar] [CrossRef]
- Fujita, H.; Akagi, H. Voltage-regulation performance of a shunt active filter intended for installation on a power distribution system. IEEE Trans. Power Electron. 2007, 22, 1046–1053. [Google Scholar] [CrossRef]
- Muljadi, E.; McKenna, H.E. Power quality issues in a hybrid power system. IEEE Trans. Ind. Appl. 2002, 38, 803–809. [Google Scholar] [CrossRef]
- Reid, W.E. Power quality issues-standards and guidelines. IEEE Trans. Ind. Appl. 1996, 32, 625–632. [Google Scholar] [CrossRef]
- IEEE Recommended Practices and Requirements for Harmonic Control in Electrical Power Systems; IEEE: New York, NY, USA, 1993. [CrossRef]
- Jain, S.; Agrawal, P.; Gupta, H. Fuzzy logic controlled shunt active power filter for power quality improvement. IEE Proc.-Electr. Power Appl. 2002, 149, 317–328. [Google Scholar] [CrossRef]
- Singh, B.; Al-Haddad, K.; Chandra, A. A review of active filters for power quality improvement. IEEE Trans. Ind. Electron. 1999, 46, 960–971. [Google Scholar] [CrossRef] [Green Version]
- Sadigh, A.K.; Smedley, K. Review of voltage compensation methods in dynamic voltage restorer (DVR). In Proceedings of the 2012 IEEE Power and Energy Society General Meeting, San Diego, CA, USA, 22–26 July 2012; IEEE: Piscataway, NJ, USA, 2012; pp. 1–8. [Google Scholar]
- Praveen, J.; Muni, B.P.; Venkateshwarlu, S.; Makthal, H. Review of dynamic voltage restorer for power quality improvement. In Proceedings of the 30th Annual Conference of IEEE Industrial Electronics Society, Busan, Korea, 2–6 November 2004; IEEE: Piscataway, NJ, USA, 2004; Volume 1, pp. 749–754. [Google Scholar]
- Yeh, C.-C.; Manjrekar, M.D. A reconfigurable uninterruptible power supply system for multiple power quality applications. IEEE Trans. Power Electron. 2007, 22, 1361–1372. [Google Scholar] [CrossRef]
- Fujita, H.; Akagi, H. The unified power quality conditioner: The integration of series-and shunt-active filters. IEEE Trans. Power Electron. 1998, 13, 315–322. [Google Scholar] [CrossRef] [Green Version]
- Latran, M.B.; Teke, A.; Yoldaş, Y. Mitigation of power quality problems using distribution static synchronous compensator: A comprehensive review. IET Power Electron. 2015, 8, 1312–1328. [Google Scholar] [CrossRef]
- Ghosh, A.; Ledwich, G. Load compensating DSTATCOM in weak AC systems. IEEE Trans. Power Deliv. 2003, 18, 1302–1309. [Google Scholar] [CrossRef]
- Singh, B.; Jayaprakash, P.; Kothari, D.P.; Chandra, A.; al Haddad, K. Comprehensive study of DSTATCOM configurations. IEEE Trans. Ind. Inform. 2014, 10, 854–870. [Google Scholar] [CrossRef]
- Shu, D.; Xie, X.; Rao, H.; Gao, X.; Jiang, Q.; Huang, Y. Sub-and super-synchronous interactions between STATCOMs and weak AC/DC transmissions with series compensations. IEEE Trans. Power Electron. 2017, 33, 7424–7437. [Google Scholar] [CrossRef]
- Parniani, M.; Iravani, M. Voltage control stability and dynamic interaction phenomena of static VAR compensators. IEEE Trans. Power Syst. 1995, 10, 1592–1597. [Google Scholar] [CrossRef]
- Li, C.; Burgos, R.; Wen, B.; Tang, Y.; Boroyevich, D. Stability Analysis of Power Systems With Multiple STATCOMs in Close Proximity. IEEE Trans. Power Electron. 2019, 35, 2268–2283. [Google Scholar] [CrossRef]
- Fang, J.; Xiao, G.; Yang, X.; Tang, Y. Parameter Design of a Novel Series-Parallel-ResonantLCLFilter for Single-Phase Half-Bridge Active Power Filters. IEEE Trans. Power Electron. 2016, 32, 200–217. [Google Scholar] [CrossRef]
- Agorreta, J.L.; Borrega, M.; López, J.; Marroyo, L. Modeling and control of N-paralleled grid-connected inverters with LCL filter coupled due to grid impedance in PV plants. IEEE Trans. Power Electron. 2010, 26, 770–785. [Google Scholar] [CrossRef]
- Fang, J.; Li, X.; Li, H.; Tang, Y. Stability improvement for three-phase grid-connected converters through impedance reshaping in quadrature-axis. IEEE Trans. Power Electron. 2017, 33, 8365–8375. [Google Scholar] [CrossRef]
- Fang, J.; Lin, P.; Li, H.; Yang, Y.; Tang, Y. An improved virtual inertia control for three-phase voltage source converters connected to a weak grid. IEEE Trans. Power Electron. 2018, 34, 8660–8670. [Google Scholar] [CrossRef] [Green Version]
- Buso, S.; Mattavelli, P. Digital control in power electronics. Lect. Power Electron. 2006, 1, 1–229. [Google Scholar] [CrossRef] [Green Version]
Publisher’s Note: MDPI stays neutral with regard to jurisdictional claims in published maps and institutional affiliations. |
© 2022 by the authors. Licensee MDPI, Basel, Switzerland. This article is an open access article distributed under the terms and conditions of the Creative Commons Attribution (CC BY) license (https://creativecommons.org/licenses/by/4.0/).