You are currently viewing a new version of our website. To view the old version click .
Electronics
  • Review
  • Open Access

31 March 2022

An Overview on Fault Management for Electric Vehicle Onboard Chargers

,
,
,
,
and
1
Electronics Department, Tecnológico Nacional de México en Celaya, Celaya 38010, Mexico
2
Faculty of Engineering, Universidad Panamericana, Josemaria Escriva de Balaguer 101, Aguascalientes 20290, Mexico
3
Tecnológico Nacional de México, Regional Center for Optimization and Device Development (CRODE), Diego Arenas Guzmán No. 901, Fracc. Zona de Oro 1, Celaya 38020, Mexico
4
CONACYT-Tecnológico Nacional de México en Celaya, Celaya 38010, Mexico
This article belongs to the Section Electrical and Autonomous Vehicles

Abstract

Onboard charging systems (OBCs) convert AC power from an external charging source into a DC voltage used to charge the battery pack of an electric vehicle (EV). OBCs are versatile since they can convert energy from almost every AC source, including standard household electrical receptacles, without needing wall chargers or charging stations. Since the same motor-drive electronics are reconfigured for onboard charging, weight and cost barely increase. However, the power quality and reliability of the OBCs are essential elements for proper grid interconnection. This article reviews the failures of power electronic converters that can be used for onboard charging and their most prominent fault-tolerance techniques. The various fault-tolerance methods are evaluated and compared in terms of complexity, cost, and performance to provide insights for future developments and research directions.

1. Introduction

Power electronic converters (PECs) with high efficiency and power density play an increasingly important role not only in OBCs but in adjustable speed drives, renewable energy interfaces, flexible high-voltage direct current (HVDC) transmission systems, EVs, plugin hybrid electric vehicles (PHEV), and hybrid electric vehicles (HEVs) [1]. However, failures on PECs have been an important issue in various applications, such as vehicular OBCs and renewable energy generation, where a state of deviation from standard and usual conditions is shown.
Particular electronic configurations or topologies of PECs can be used in the OBCs for EVs, HEVs, and PHEVs. Those configurations include many electric and electronic components, but power semiconductors are considered the weakest and most fragile parts [2]. Power metal-oxide field-effect transistors (MOSFETs) are standard power semiconductors in various applications, including OBCs. Many methods that allow the diagnosis of both individual MOSFETs and the complete systems that comprise them can be found in the literature [3].
In the last decades, diverse research has been carried out on fault detection systems in PECs and their fault-tolerant methods. The first fault-tolerant studies focus on hardware redundancy [1]. Associated with increasing demands for system safety and reliability, fault detection (FD) and fault-tolerant control (FTC) have attracted considerable attention lately in both research and application fields due to the continuous increase in automation, integration, and complexity of systems [4].
Although some years ago, some authors provided a basic review of fault-tolerance methods, many fault detection and tolerance techniques have emerged in the last decade, and a deep actualization becomes necessary [1]. Efficiency, reconfiguration, isolation, and other characteristics of the existing topologies and fault-tolerance techniques must be compared to show a general state-of-the-art perspective. Additionally, future research directions must be established so that the reader can have a comprehensible guide in a vast information world.
This paper presents an updated classification of the faults encountered in PECs for onboard charging and their associated tolerance techniques. A comparison of the most relevant fault-tolerance capabilities is developed to analyze the possibility of new techniques and future research directions. The fault-tolerance techniques in this paper were selected on an onboard charging capability basis of PECs, including AC and DC drive systems. Power quality in PECs is not the subject of this paper; however, some references combine its enhancement with fault-tolerance techniques in this review.
Note that every presented configuration/topology can operate as a bidirectional PEC and hence, an OBC; the three-phase sources can be replaced by an AC motor or grid sources, and the load or DC bus could be connected to the battery bank of the vehicle.
This paper is organized as follows. Section 2 presents the general classification of PEC/OBC faults and a brief description of the fault-tolerance techniques. Section 3 compares relevant characteristics of these techniques; power density, control type, control complexity, bidirectional capability, input voltage level, output voltage level, efficiency, hardware reconfiguration capability, isolation, and the number of additional devices are considered. Finally, Section 4 presents insights for future developments and research directions.

2. General Classification

Nowadays, different fault-tolerant solutions have been reported for power electronic converters focused on the robustness to specific failures. These faults can be classified into six categories: switch level, leg level, module level, system level, measurement level, and network level.
A switch-level fault refers to a short or open circuit in some power semiconductor such as a Diode, SCR, MOSFET, or BJT. A leg-level fault is a short/open circuit of one or more components that degrade/disable the power conversion of an AC phase. Module-level faults mean faults in some cascaded multilevel converter (CMC) or modular multilevel converter (MMC) sections (modules); if any module fails, other modules are reconfigured to maintain operation. Cascaded or paralleled configurations consist of several simpler PECs connected this way; a system-level failure refers to the damage of one of these converters. Series/parallel switches are regularly added to bridge/disable the faulty converter.
Measurement-level faults occur in current or voltage sensors that degrade the system performance and cause severe misfunctions in PECs. Grid or network-level faults are related to power quality issues, including phase unbalance, sags, and swells, damaging the PECs/OBCs.
Figure 1 categorizes the faults in power electronic converters for onboard charging. This classification is based on [1], but new categories are included due to recent research that does not fit previous ones.
Figure 1. Fault classification for PECs/OBCs. Symbology shows common fault origins.
Many solutions have been proposed for switch-level faults that focus on control methods without reconfiguring or adding electronics to the PEC/OBC [1,5,6,7,8,9,10,11,12,13,14,15,16,17,18,19,20,21,22] and using backup devices [23,24,25,26].
Switch-level failures can be caused by a controller malfunction or an output short circuit, provoking their breakdown. Open-circuit failures of the power semiconductor probably do not lead to a catastrophic failure but do decrease OBC/PEC performance and efficiency. Therefore, the first answer for the problem has been a control method to isolate the defective open-circuit switch [5,6,7,8,9,10,11,12,13]. The second solution for switch level reconfiguration is to connect the faulty converter to a midpoint of the DC bus utilizing additional auxiliary switches [14,15,16,17,18,19,20].
For leg-level scenarios, a solution for the fault is to add supplementary legs in parallel with the main legs. Using the backup devices to replace the damaged ones can guarantee a regular operation of the converter after failure, including faults on other leg components and not only on semiconductors. Hence, the converter can be designed with an auxiliary leg connected to a DC midpoint like the switch level solution [21,22,23,24,25,26,27,28,29,30,31,32,33,34,35,36,37,38,39,40,41,42,43,44].
CMC and MMC are typical topologies with module-level redundancy. Module redundancy controllers are specific for this kind of power converter and operate by residual values obtained by calculating the difference between measured and observed variables. If some modules/stages fail, a supervisory control uses fault-tolerant reconfiguration to maintain continuous operation [45,46,47,48,49,50,51,52,53,54,55,56,57,58]. A particular scenario is presented with asymmetric converters. It has been proposed to use Clarke’s transform to detect the fault by separating the positive and negative sequence current components. Additionally, there have been studied proportional-resonant current controllers in the ab frame [59]; still, at the moment, research on fault-tolerance techniques for asymmetric converters is scarce.
In a measurement failure or communication breakdown scenario, techniques such as DC voltage and AC frequency control are used to cope with a signal deficiency [60,61,62,63,64,65,66]. Network-level faults include three-phase systems and refer also to power quality issues, including phase unbalance. These faults can cause poor performance in three-phase loads, and regularly, higher than normal currents/voltages are manifested. Different fault-tolerant solutions to phase-unbalance have been proposed; one solution is to use a control method that can operate in both ideal and unbalanced modes. A fix to minimize the problem is to add hardware components to absorb the additional power ripple during phase unbalance [59,67,68,69,70,71,72,73,74,75,76,77].
System-level failures occur only in cascaded and parallel converters, and their mitigation includes significant hardware reconfigurations [78,79,80,81,82].

2.1. Switch-Level Fault Tolerance Techniques

When a single switch fails in a three-phase PEC, two possibilities to cope with it are compensation by the remaining circuitry or the addition of redundant hardware during the design stage. This section is dedicated to overview control techniques with and without hardware reconfiguration/redundancy at the switch level.

2.1.1. Control Strategies for Switch-Level Faults

Different fault-tolerant control methods for OBCs requiring no converter reconfiguration or additional devices have been proposed.
In Ref. [5], the deviation of voltage vectors and the affected voltage space sectors under fault conditions are analyzed for a three-phase two-level converter with DC output. A fault control approach based on twelve-sector splitting is proposed (Figure 2a).
Figure 2. Fault partitioning schemes for a three-phase two-level converter with DC output.
The sectors indicate the combinations of the switches. Eight combined states are obtained since a three-phase converter has three bridge arms, and each one has two interrupters. They constitute eight active vectors, including six effective vectors: V 1 ( 100 ) , V 2 ( 110 ) , V 3 ( 010 ) , V 4 ( 011 ) , V 5 ( 001 ) , V 6 ( 101 ) , and two null vectors: V 0 ( 000 ) , V 7 ( 111 ) . In the one with 12 sectors, the three-phase currents i a = 0 , i b = 0 , and i c = 0 are used to subdivide the 6 sectors into 12. This splitting scheme allows the sectors affected by faulty switches to be effectively separated from the unaffected. Space vector pulse width modulation (SVPWM) strategies are implemented to compensate for each sector’s distorted reference voltage vector. In Refs. [6,7,8], a six-sector partitioning scheme (Figure 2b) is used for the fault detection system. The detection regions are independent because each switch has an assigned circuit region. Therefore, the superposition principle is used during multi-fault conditions; a DPWM (discontinuous PWM)-based control scheme is proposed to compensate for the faulted voltage vectors. A similar six-sector fault detection scheme is used in topologies as a Vienna-type rectifier [9] and a three-level T-type inverter [10]. The six-sector fault detection technique is also employed in matrix converters, using the current vector angle time-derivative to determine the faulty switch accurately [11].
In most fault-tolerant solutions, deficiency detection and isolation are the first steps, especially at the switch level. Different methods have been proposed for fault detection at the switch level; in Ref. [12], an analogic circuit-based fault detection system for IGBT transistors is proposed for open-circuit and short-circuit faults. This technique is based on gate signal monitoring, and an essential characteristic is a reduction in fault detection time. In Ref. [13], a method based on the calculation of the rectifier phase voltage errors is used; their values and signs are analyzed to locate the faulty transistors.
In Ref. [83], the authors present a digital optimal battery charger that has an inherent characteristic of detecting the fault within one switching cycle. The charger consists of a synchronous buck converter, and a novel carrier generation (synthetic ripple) digital feedback clamped hysteresis modulator. The proposed charger charges the battery with the constant current for less battery state of charge (SOC) and charges it with the constant voltage when the battery SOC reaches near 100%.

2.1.2. Hardware Redundancy for Switch-Level Faults

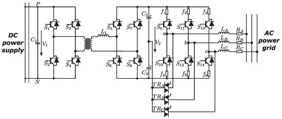
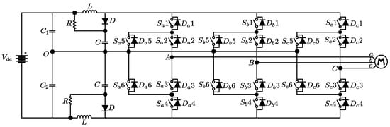
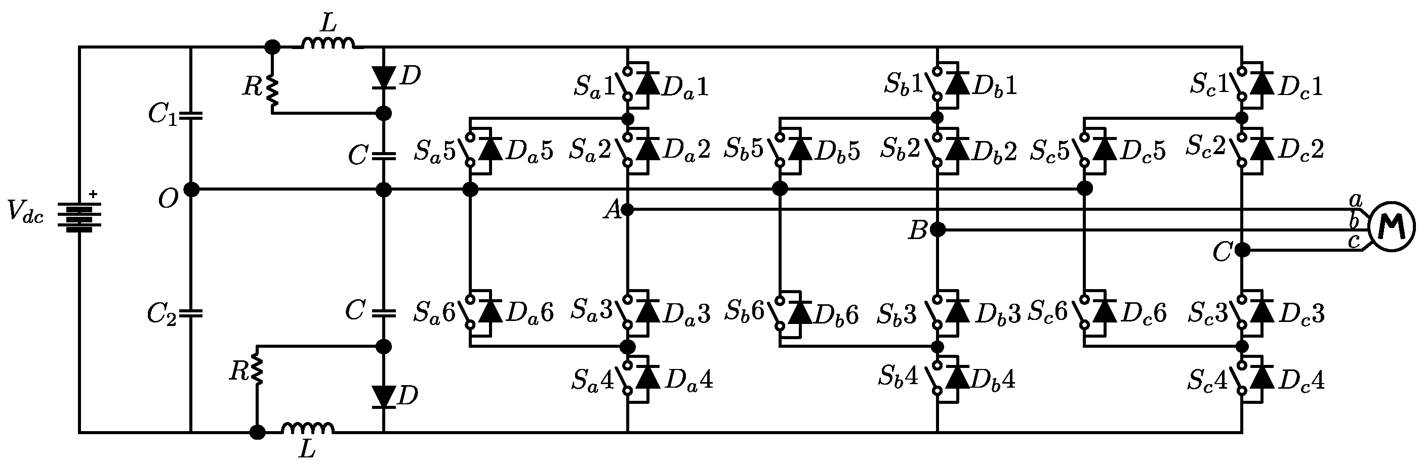
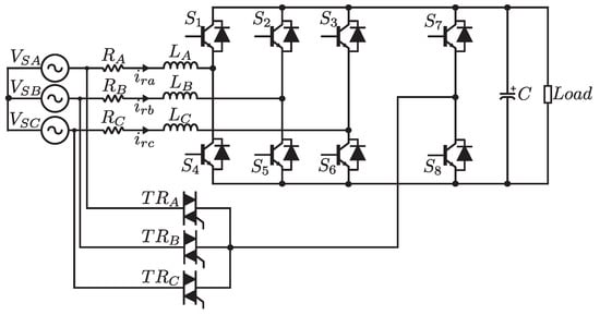
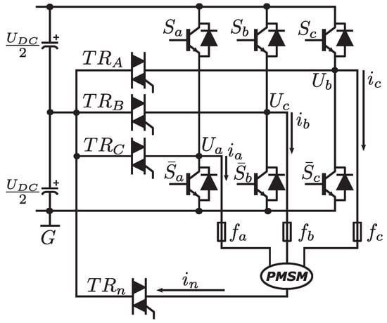
When an open-circuit fault occurs in a switch, the deficiency can be initially identified and the faulty section of the converter can be isolated by eliminating the gate signal from the damaged device. Figure 3 shows a typical fault isolation scheme at the switch level [14,15]. This fault-tolerant scheme directly measures the currents i a , i b , and DC voltage. Each leg is directly connected to the midpoint N of the DC current link by the bidirectional switches T R A , T R B , and T R C . If a S 1 , …, S 6 switch failure occurs, the diagnostic scheme identifies the fault, and the defective switch is isolated from the circuit by eliminating its gating signal. The corresponding TRIAC ( T R A , T R B , T R C ) is gated to connect the phase with the midpoint of the DC link.
Figure 3. Fault-isolation scheme strategy at the switch level.The TRIAC ( T R A , T R B , T R C ) of the faulty switch ( S 1 , . . . , S 6 ) is gated to connect the phase to the midpoint of the DC link.
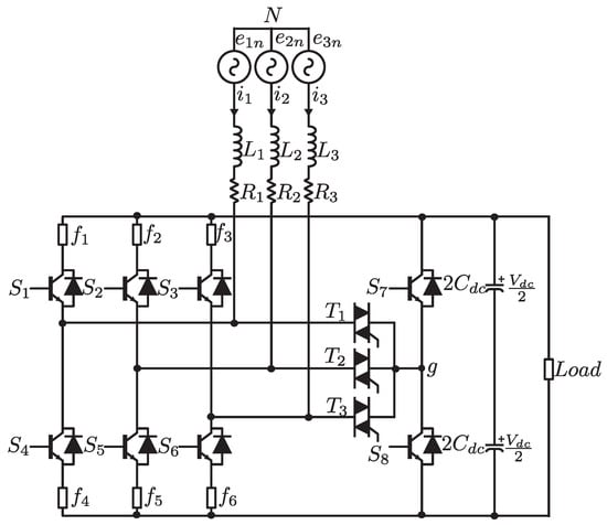
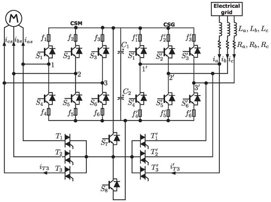
An enhanced strategy to achieve fault tolerance at the switch level is depicted in Figure 4; bidirectional switches connect a classic three-leg power converter topology to a redundant circuit consisting of two semiconductors ( S 7 and S 8 ) [16]. When a fault occurs in one of the power switches ( S 1 , …, S 6 ), a supervisor circuit detects the occurrence and isolates the faulty leg by eliminating the gate signal. In the case of a short circuit, the defective leg is supposed to be isolated by fast-acting fuses ( f 1 , …, f 6 ); however, this might not work in practice, as the short-circuit protection of the transistor driver circuits should react in microseconds to avoid the propagation of the fault. In both cases, the reconfiguration scheme activates the appropriate bidirectional switch ( T 1 , T 2 , or T 3 ) to connect the faulty phase to the midpoint (g) of the redundant circuit. The strategy allows the redirection of the control commands of the defective section to the redundant switch, restoring the complete operation of the PEC.
Figure 4. Fault-isolation at the switch level.The defective switch is isolated, and control commands are redirected to the redundant switch.
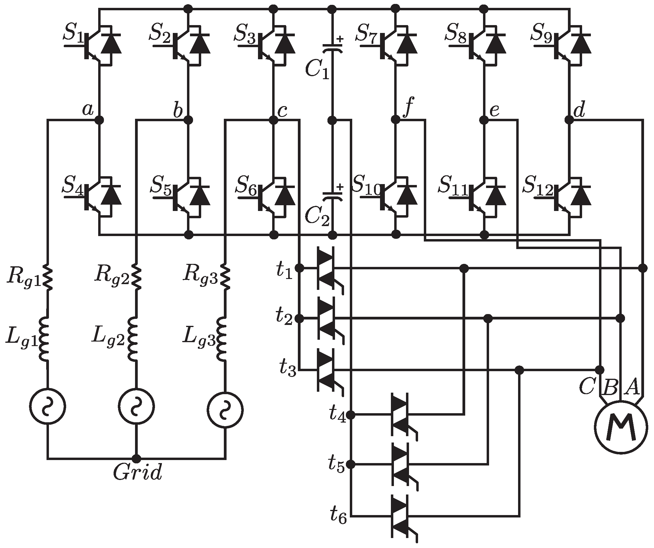
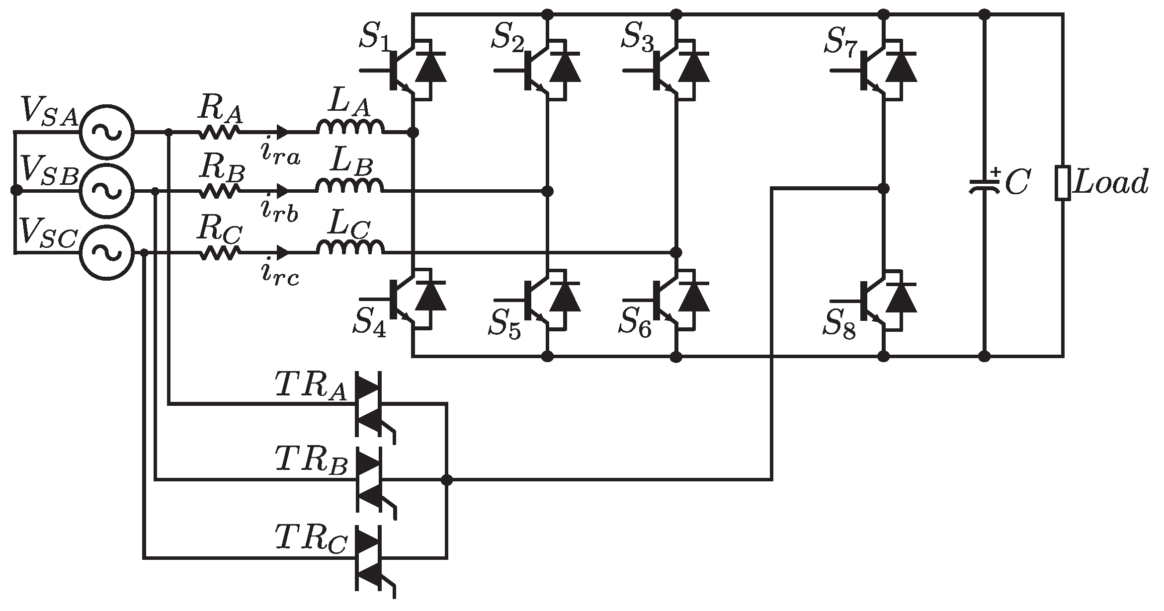
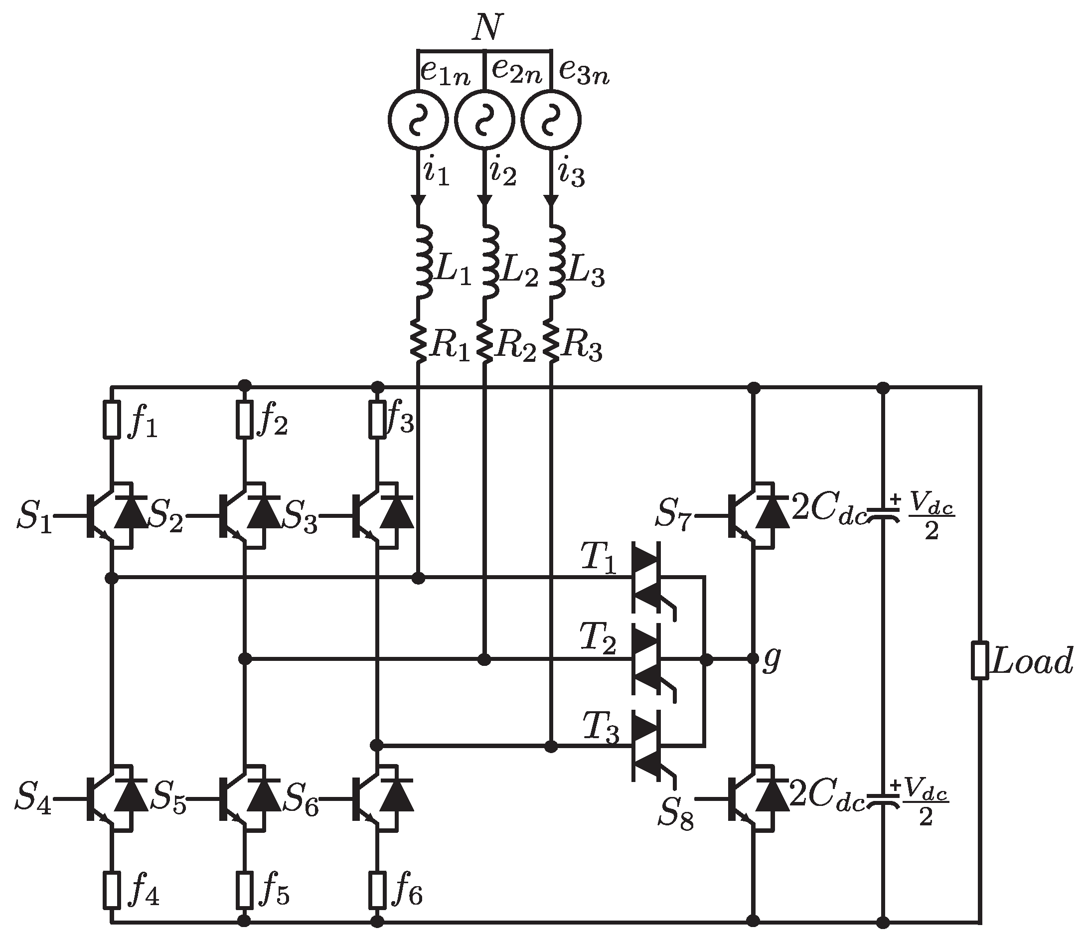
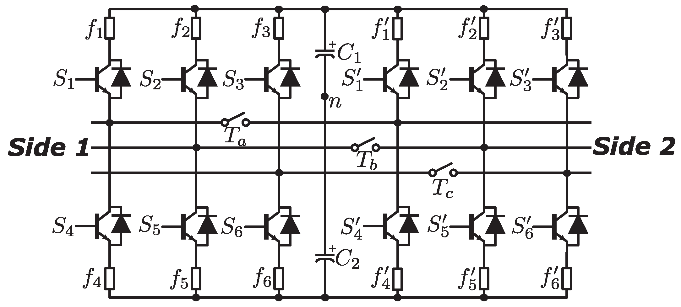
Figure 5 shows a third strategy for switch-level fault protection in a back-to-back power converter with three additional bidirectional switches T a , T b , and T c [17]. These bi-directional switches are used for converter reconfiguration after fault isolation; i.e., these switches are all off before the fault occurs. The bidirectional switches T a , T b , or T c are gated during a switch failure, replacing the faulty switch ( S 1 , …, S 6 , S 1 , …, S 6 ). Each side of the converter may be connected to a source, load, or machine, depending on its utilization.
Figure 5. Switch-level fault protection in a back-to-back power converter.The bidirectional switches T a , T b or T c are gated during a switch failure, replacing the faulty switch ( S 1 , …, S 6 , S 1 , …, S 6 ).
Some researchers have proposed detection solutions that identify the fault in a single switching device. In Ref. [18], such an IGBT open-circuit fault diagnosis strategy is based on error estimation of the three-phase two-level AC/DC voltage-controlled converter. The technique allows finding the faulty IGBT in rectification and regeneration modes faster than in an entire period of the AC.
Bridgeless rectifiers are widely used due to unity power factor, lower conduction loss, high efficiency, and absence of bidirectional power switches. However, failures in these converters threaten reliability in critical applications such as motor drives with OBCs; due to this, in Ref. [19], a method of fault detection, location, and tolerance using additional switches is proposed.
With the increase of renewable energy in smart grids and electric vehicles, fault-tolerant control techniques and artificial intelligence-based fault detection techniques have gained attention. For instance, in Ref. [20], a redundant topology consisting of three extra TRIACs (Figure 6) is combined with a fuzzy detection system. This strategy uses the average rotor current (load) values to detect the faulty switch briefly.
Figure 6. Redundant topology consisting of three extra TRIACs. If a switch fails ( S 1 , . . . , S 6 ), the respective TRIAC ( T R A , T R B , or T R C ) is triggered.

2.2. Leg-Level Fault Tolerance Techniques

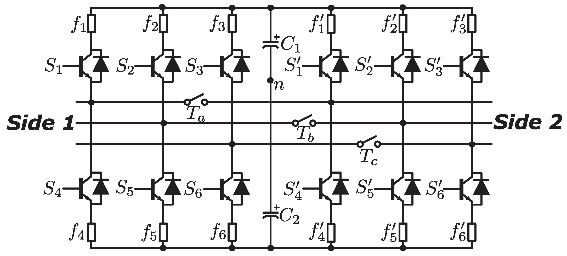
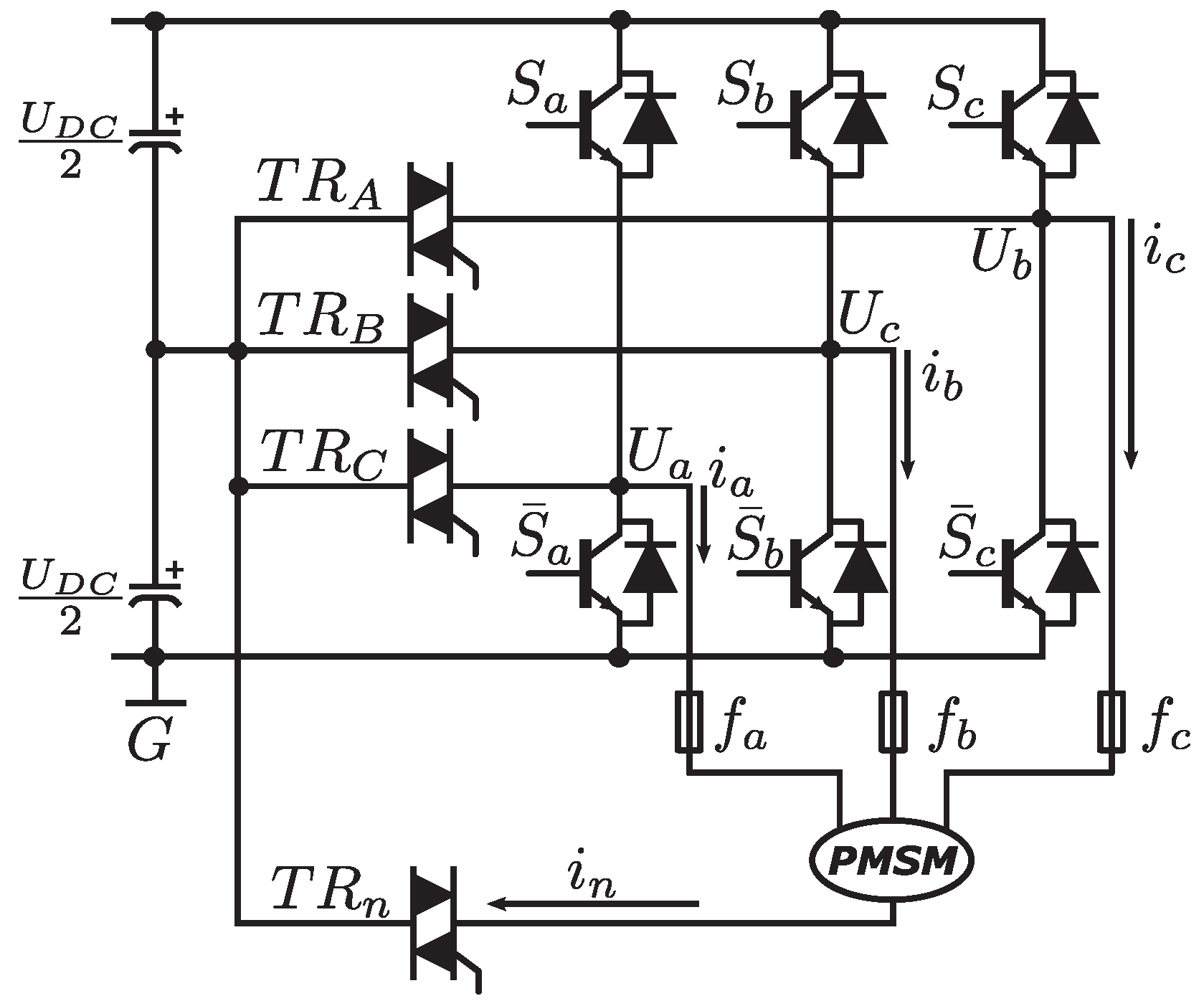
Bidirectional AC/DC converters are widely used in uninterruptible power supplies, energy adapters, and OBCs. However, their susceptibility to failure due to many components is a significant disadvantage. Research has demonstrated that the six-switch AC-DC converter of Figure 3 can be reconfigured to a four-switch converter connected to a split capacitor upon leg failure.
In Ref. [34], the same bidirectional converter is controlled by a hybrid SVM (HBSVM) strategy; the authors include a vector plane distribution for reduced DC-link capacitor currents to achieve a reduced ripple voltage on the DC capacitors. Model predictive control (MPC) has been widely used in this converter to minimize power quality issues during leg failure (see [35,36,37,38], for instance) by analyzing disturbances that cause changes in the converter behavior or the control system itself. Additionally, by finite-state model predictive direct power control (MPDPC), an optimal voltage vector has been selected by a power prediction model, and a cost function to achieve flexible switching between inverter and rectifier modes [39,40,41]. The exciting scheme is that injecting bias during a phase current absence (leg) can achieve the DC-link splitting capacitor voltage balance control.
Several AC/DC converter fault detection systems that operate both single-switch and leg faults in the same phase for the converter of Figure 3 have been proposed. In Refs. [42,43], measurements between current links in a period are saved in a data list. A background analysis is used to describe the converter symmetry, divide the faults into three classes, and thus locate and isolate the broken leg or switch faults. In Ref. [44], the fault detection method is based on monitoring diagnostic signals. These signals include detecting sustained near-zero output current values by the ratio of the average phase current and the average magnitude thereof; this allows isolation of the faulty leg/switch.

Hardware Redundancy for Leg-Level Faults

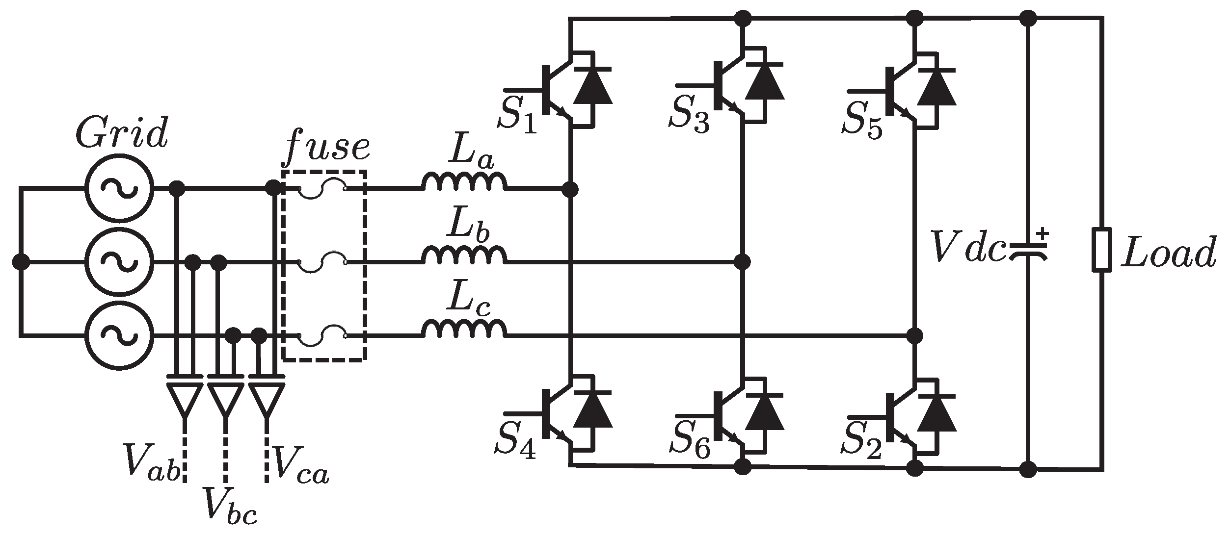
Redundancy for leg-level faults is implemented by adding parallel or series legs. A solution based on a parallel leg is presented in Figure 7 [21]. In this configuration, on the AC side, three TRIACS ( T R A , T R B , and T R C ) are connected as bidirectional switches between the phases and the center point of the split capacitance ( C 2 , C 3 ); when a fault occurs in the phase leg, the fuse f 1 , f 2 , or f 3 is disconnected, and the respective TRIAC ( T R A , T R B , or T R C ) is triggered; however, this might not work in practice, as the short-circuit protection of the transistor driver circuits should react in microseconds to avoid the propagation of the fault. A similar approach is used in induction motor systems [22]; the strategy utilizes minimal devices and predictive torque control to achieve reconfiguration.
Figure 7. Topology of bidirectional AC/DC converter. On the AC side, three TRIACS are connected as bidirectional switches between the phases and the center point of the split capacitance; when a fault occurs in the phase leg, the fuse f 1 , f 2 or f 3 is disconnected, and the respective TRIAC ( T R A , T R B , or T R C ) is triggered.
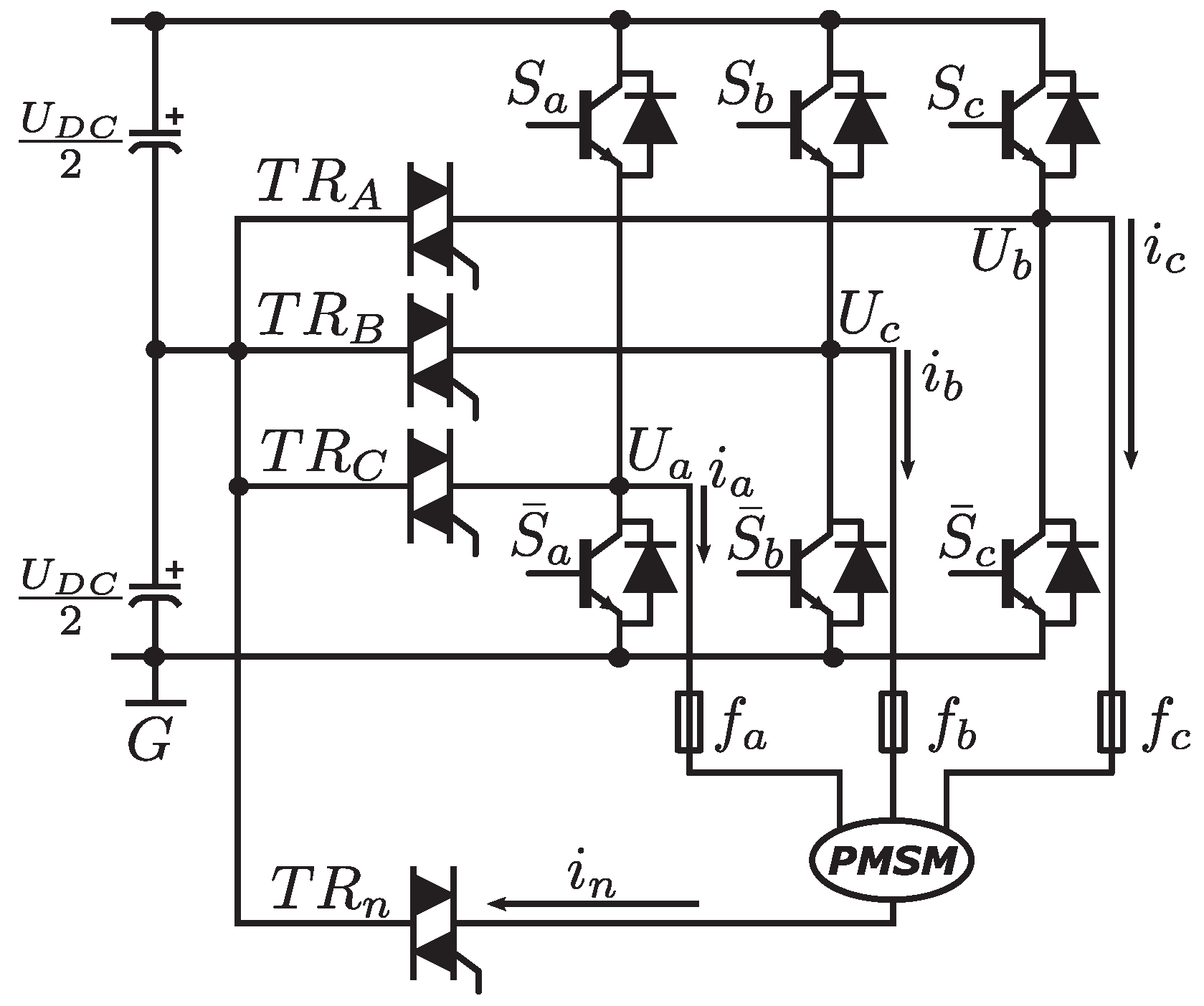
Another approach for fault tolerance on permanent magnet sync motor (PMSM) control is proposed in Ref. [23]. A six-switch inverter with direct torque control is used (Figure 8); if the OBC faults a phase, the converter is reconfigured to a four-switch inverter by the respective TRIAC ( T R A , T R B , or T R C ). In Ref. [24] two different fault-tolerant topologies (Figure 9) are proposed for a marine current turbine (MCT) built with a permanent magnet synchronous generator (PMSG). The first structure presents a four-leg converter capable of isolating the faulty leg using the fourth auxiliary leg. The second structure connects the TRIACs T R a , T R b , and T R c to the DC split bus; this structure has several advantages: simplicity, good compatibility, low cost, and fault tolerance.
Figure 8. Six-switch inverter for PMSM direct torque control. If the OBC faults a phase, the converter is reconfigured to a four-switch inverter by the respective TRIAC ( T R A , T R B , or T R C ).
Figure 9. Fault-tolerant topologies. (a) PEC for PMSG turbine. The four-leg converter can isolate the faulty leg using the fourth auxiliary leg. (b) PEC for PMSG turbine. The respective faulty-phase TRIAC T R A , T R B , or T R C is connected to the DC split bus to isolate the leg.
Substantial attention is attracted to the synchronous motor, fed by a dual inverter with a current bus in electric vehicle applications because of its simple structure, wide speed range, and fault tolerance. Different fault-tolerance control methods have been proposed for such scenarios. In Ref. [25], a technique based on winding reconnection is proposed (Figure 10). Such a proposal is based on the idea of leg sharing and can achieve regular operation by reconnecting the windings, providing fault-tolerant operation of up to three legs. In Ref. [26], a simplified PWM strategy for fault-tolerant control is proposed; as in the previous PEC, the converter comprises two three-phase six-switch inverters. When a fault happens, the circuit can be reconfigured to a four-switch inverter; unlike the earlier work, it has the disadvantage of working only for single-leg defects.
Figure 10. Fault-tolerant control of an open-end winding permanent magnet synchronous motor (OW-PMSM). The TRIACs allow reconnection of the winding with the faulty leg.
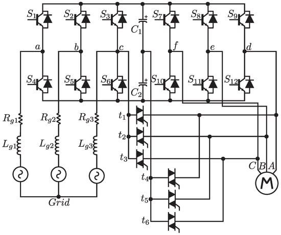
With the advantages of bidirectional power flow and adjustable dc-link tension, the back-to-back converter is widely used in many motor applications. In Ref. [27], this PEC feeds an induction motor, and the TRIACs can replace any inverter-side faulty leg. This six-leg PEC, shown in Figure 11, can be reconfigured into a four-leg converter by employing one motor phase connected to the midpoint of the capacitors ( C 1 , C 2 ). In Ref. [28], a fault-tolerant control method is based on a Luenberger observer for this PEC. This method uses input variables already available in the control system; hence no additional measuring is necessary. This method also avoids using other hardware that increases complexity and cost.
Figure 11. Fault-tolerant back-to-back converter. The t 1 , t 2 , or t 3 TRIACs can replace any inverter-side faulty leg and be reconfigured to a four-leg converter by connecting the midpoint of the capacitors (using t 4 , t 5 , or t 6 ).
The service continuity of wind power conversion systems and their reliability and performance are some of the main concerns in the electricity generation field, particularly on wind energy conversion systems (WECS) based on a doubly fed induction generator (DFIG). Because of this, six-legged fault-tolerant AC/DC/AC PECs have been suggested [29,30], and these can also be used for OBCs. The topology described in Figure 12 is based on a classical DC back-to-back converter with a redundant joint leg on both sides. The redundant portion consists of two switches ( S 7 and S 8 ) and will replace the faulty leg in case of a failure on the primary or motor converter sides. On the other hand, since fast fault detection and reconfiguration of the converters are necessary to avoid losses and enable continuity of services, in Ref. [31], a similar topology based on five legs is proposed. After fault detection, it operates on four legs, and using an FPGA makes high-speed fault detection possible.
Figure 12. Fault-tolerant WECS topology with DFIG. The redundant switches S 7 and S 8 , replace the faulty leg in case of a failure on the primary or motor converter side.
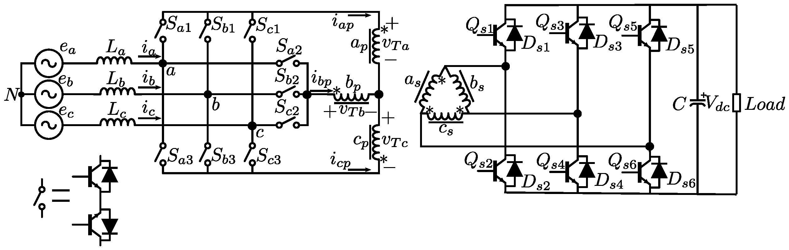
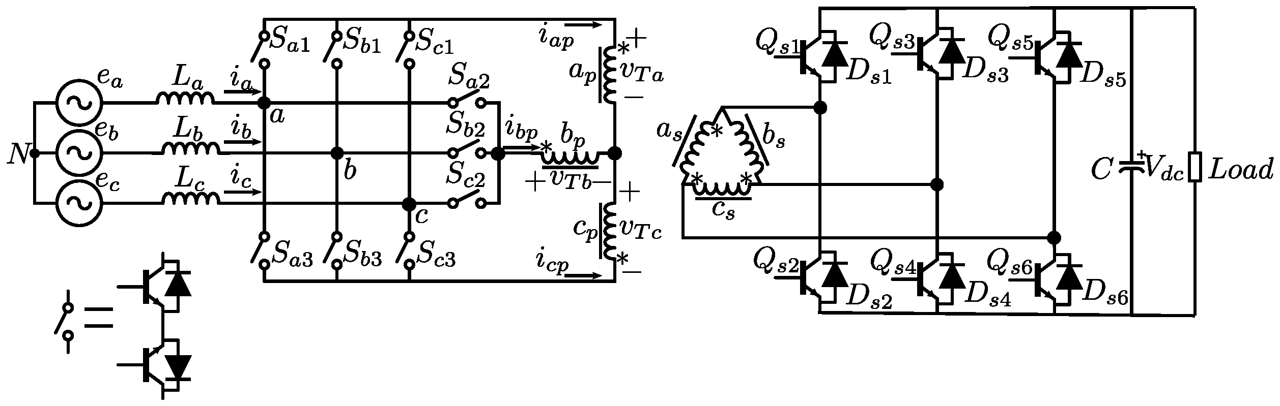
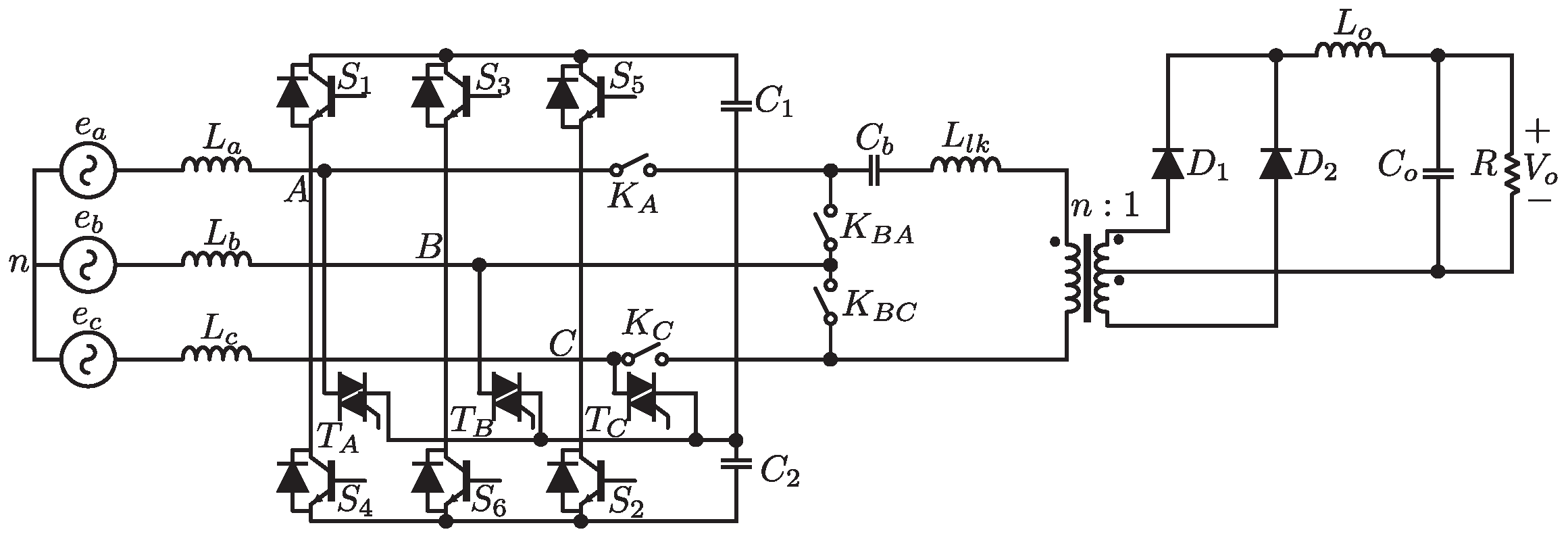
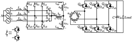
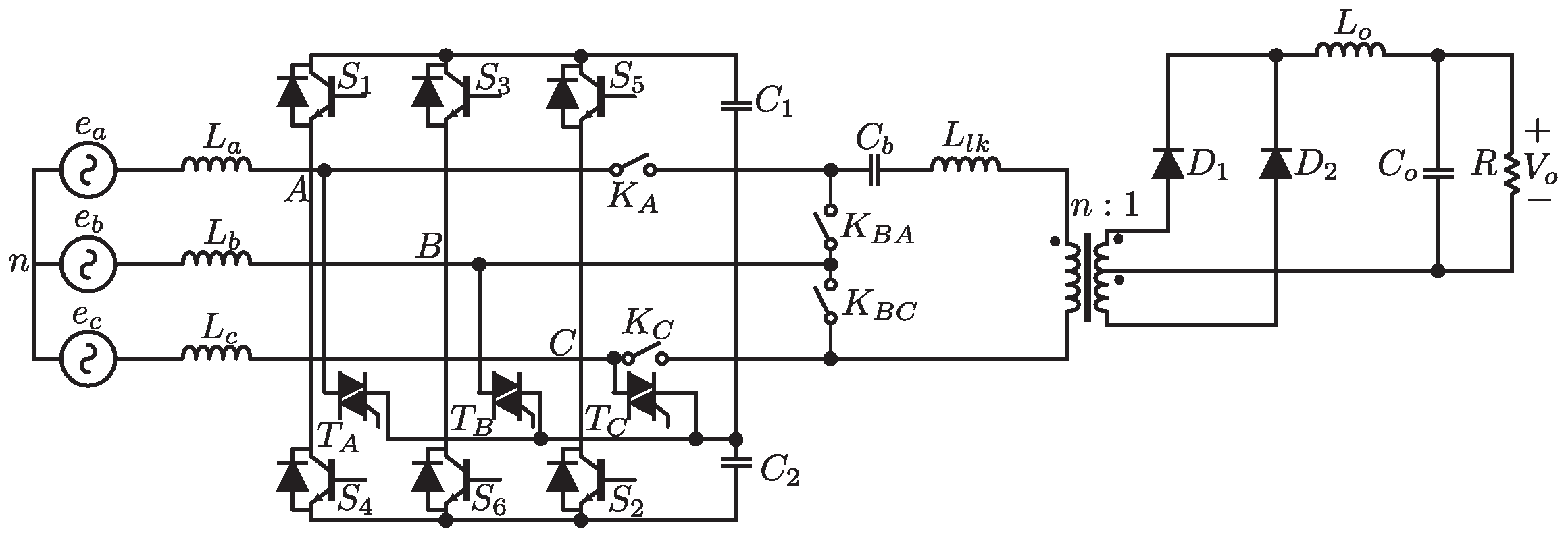
Isolated three-phase AC-DC PECs have become prevalent for industrial uses, and recently, more attention has been set to their reliability. In Ref. [32], a single-phase isolated AC/DC converter with fault-tolerant capability is proposed (Figure 13). The proposed three-phase fault-tolerant isolated AC-DC converter can be implemented with only six main switches and has the advantage of being simple to control. In Ref. [33], a single-stage isolated three or two-phase AC/DC converter with Y- Δ connected symmetrical transformers is presented (Figure 14); this topology is used for isolated buck conversion with a high power factor. The converter provides high power conversion in normal operation because the transformer operates in symmetry and shares the power equally. When there is a fault or at light load conditions the converter operates in dual transformer mode. For instance, during S c 1 fault the switches S a 1 , S b 1 , and S c 3 are switched on, and the current flows into the dotted terminal of a p and out of the dotted terminal of c p . Hence, the diodes D s 1 , D s 3 , and D s 6 are on, providing uninterrupted output power.
Figure 13. Fault-tolerant AC-DC single-stage isolated PEC. Combining T A , T B , T C TRIACs, and K A , K C , K B A , and K B C bidirectional switches, a faulty leg can be replaced.
Figure 14. Single-stage isolated three or two-phase AC/DC converter with Y- Δ connected symmetrical transformers. When there is a fault or at light load conditions the converter operates in dual transformer mode. For instance, during S c 1 fault the switches S a 1 , S b 1 , and S c 3 are switched on, and the current flows into the dotted terminal of a p and out of the dotted terminal of c p . Hence, the diodes D s 1 , D s 3 , and D s 6 are on, providing uninterrupted output power.
Variable speed drives for induction motors operating by voltage source inverter (VSI), and vector pulse width modulation (SVPWM), are used for various purposes requiring high reliability. The authors in Ref. [76] use a novel space vector modulation strategy for a fault-tolerant inverter supplying an induction motor (IM) (Figure 15). This system uses two space vector modulation strategies to switch from healthy to faulty operation. The modulation strategy proposed for flawed processes has the symmetry of a classical six-switch inverter. Under normal operating conditions, switch f 1 is closed, f 2 is open, and the motor is supplied from the typical inverter ( S 1 S 6 ). Additionally, a model of the three-phase voltage converter is presented in Ref. [77]; this model can be used to simulate its operating modes in standard and fault states.
Figure 15. Schematic diagram of a typical fault-tolerant inverter. Under normal operating conditions, switch f 1 is closed, f 2 is open, and the motor is supplied from the typical inverter ( S 1 S 6 ).

2.3. Module-Level Fault Tolerance Techniques

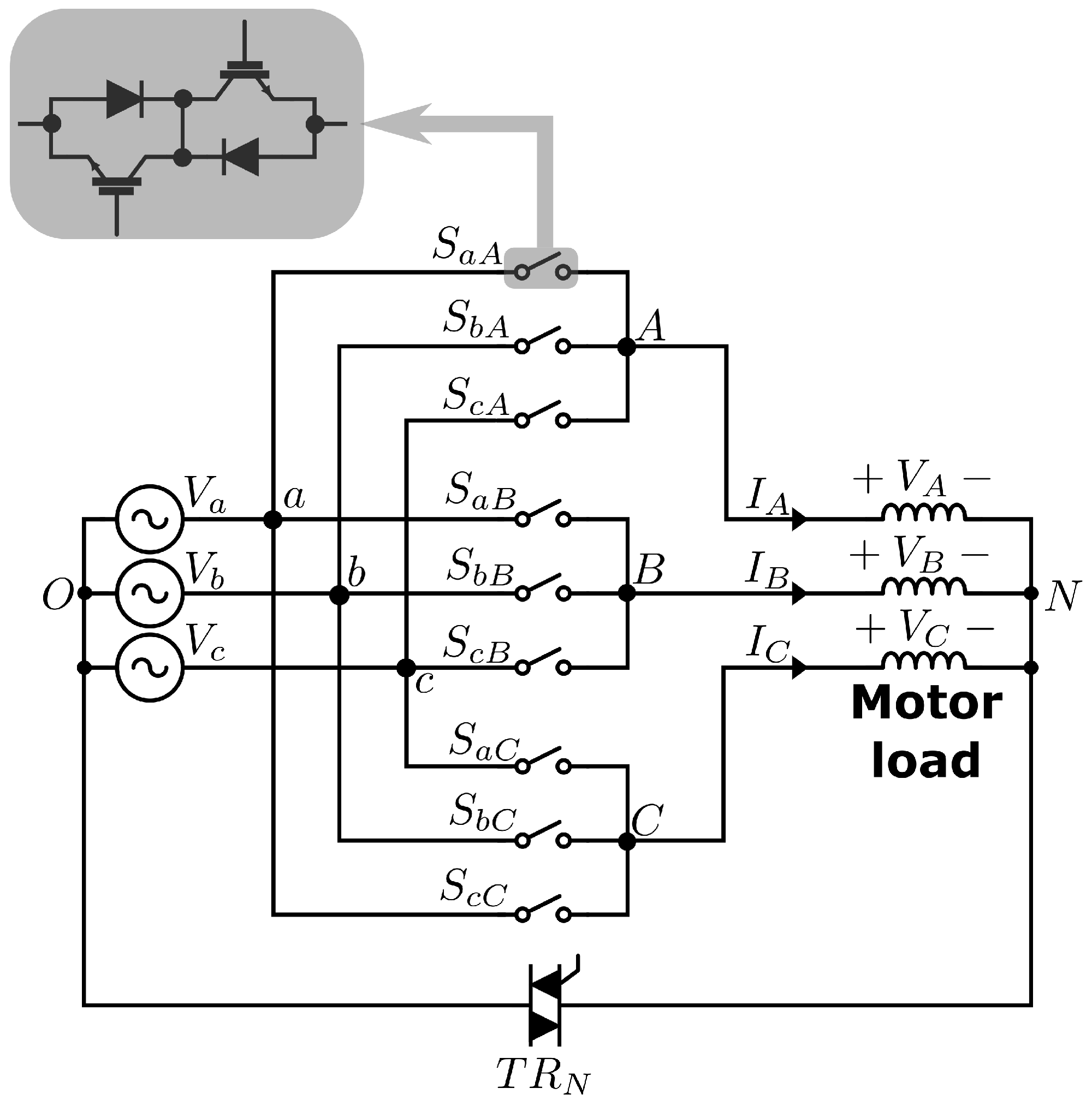
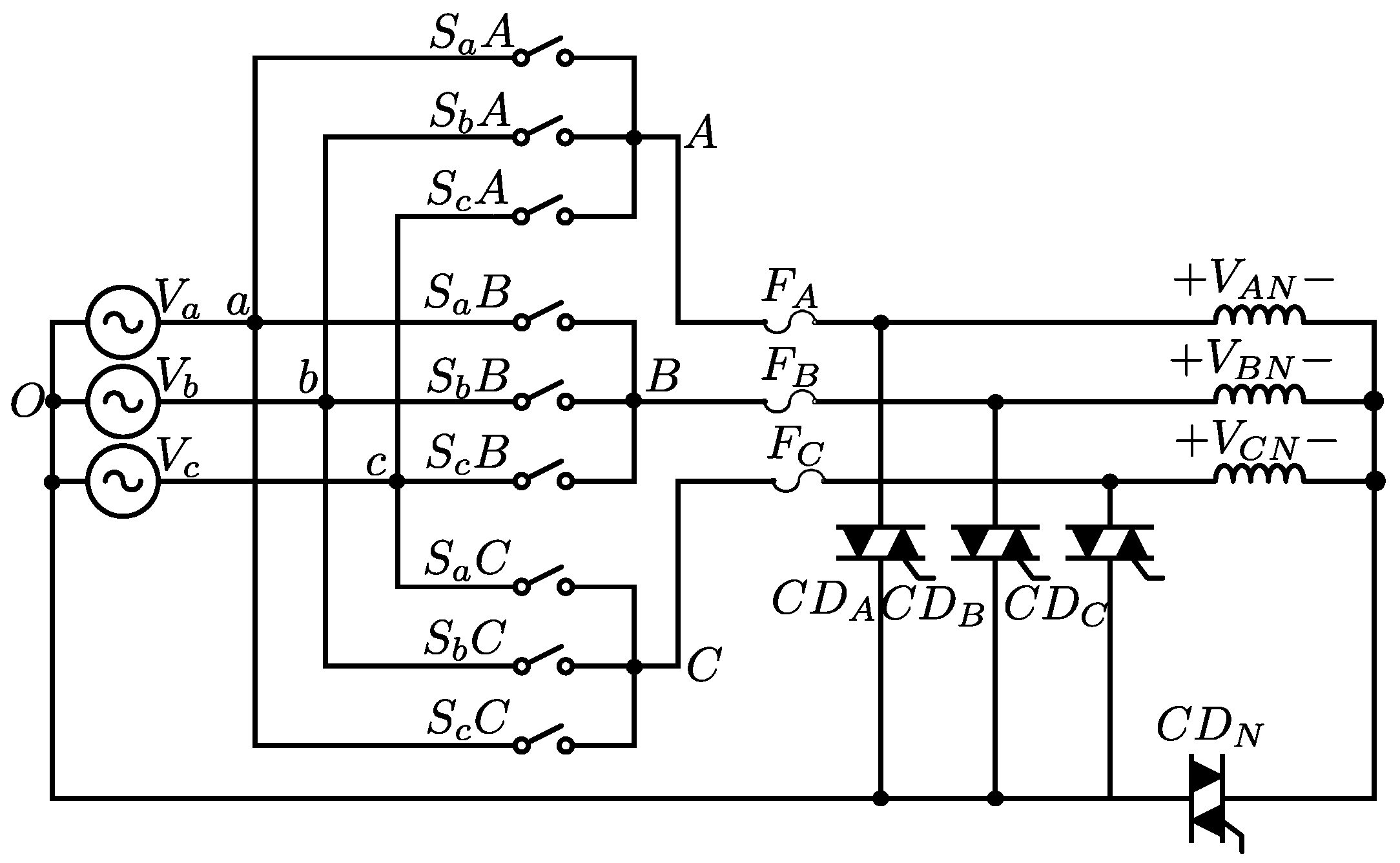
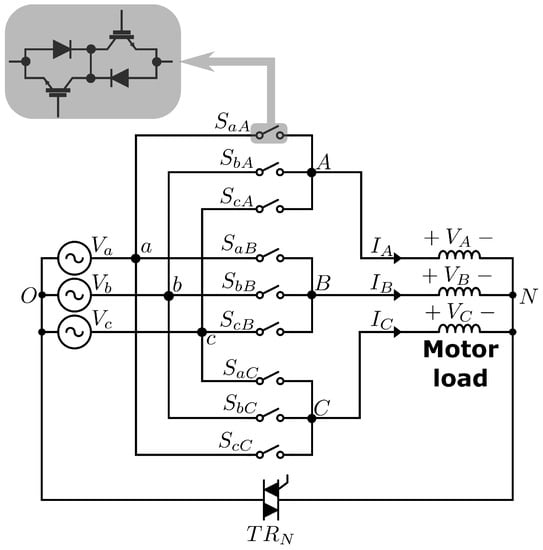
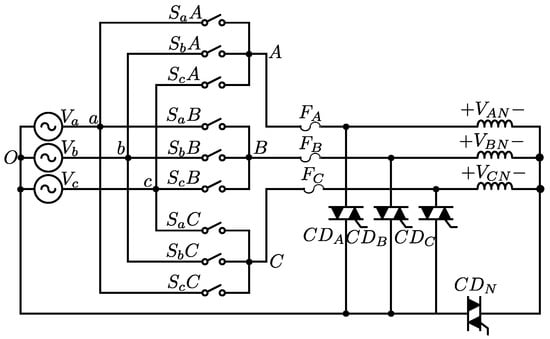
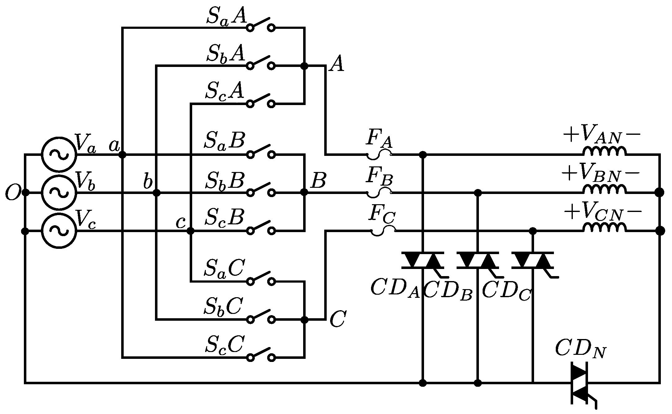
The matrix converter system is becoming an up-and-coming candidate to replace the conventional two-stage AC/DC/AC converter. However, the reliability of the system is still an open problem. In Ref. [45], output currents are used for fault detection since no additional devices or modifications are required by this technique, offering a very economical solution. In Ref. [46], a fault diagnosis method to identify a single switch failure is proposed; this method is based on finite set model predictive control (FCS-MPC), which employs a discrete-time model of the matrix converter topology. A short-circuit fault-tolerant system for conventional matrix converter (MC) is proposed in Ref. [47]. When a short-circuit fault occurs, it is detected quickly. The semiconductors are shut down smoothly to prevent the short-circuit fault from spreading to the healthy semiconductors. The authors in Ref. [48] propose a new matrix converter topology and modulation techniques for short-circuit and open-circuit fault tolerance (Figure 16). During normal operation, this PEC operates as a standard matrix converter (without TRIACS and fuses). When the system controller detects a fault ( S a A for instance), the two remaining switches in the faulty output leg ( S b A and S c A ) open to avoid the short circuit condition of the other power sources. The connecting device linked to the output leg with the short-faulted switch ( C D A ) is then triggered. As a result, the short-circuit condition is redirected through the input voltage V a , the short-failed switch S a A , the connecting device C D A , and the fast-acting fuse F A that is finally burned.
Figure 16. Matrix converter structure with short-circuit and open-circuit fault tolerance. When the system controller detects a fault ( S a A for instance), the two remaining switches in the faulty output leg ( S b A and S c A ) open to avoid the short circuit condition of the other power sources. The connecting device linked to the output leg with the short-faulted switch ( C D A ) is then triggered. As a result, the short-circuit condition is redirected through the input voltage V a , the short-failed switch S a A , the connecting device C D A , and the fast-acting fuse F A that is finally burned.
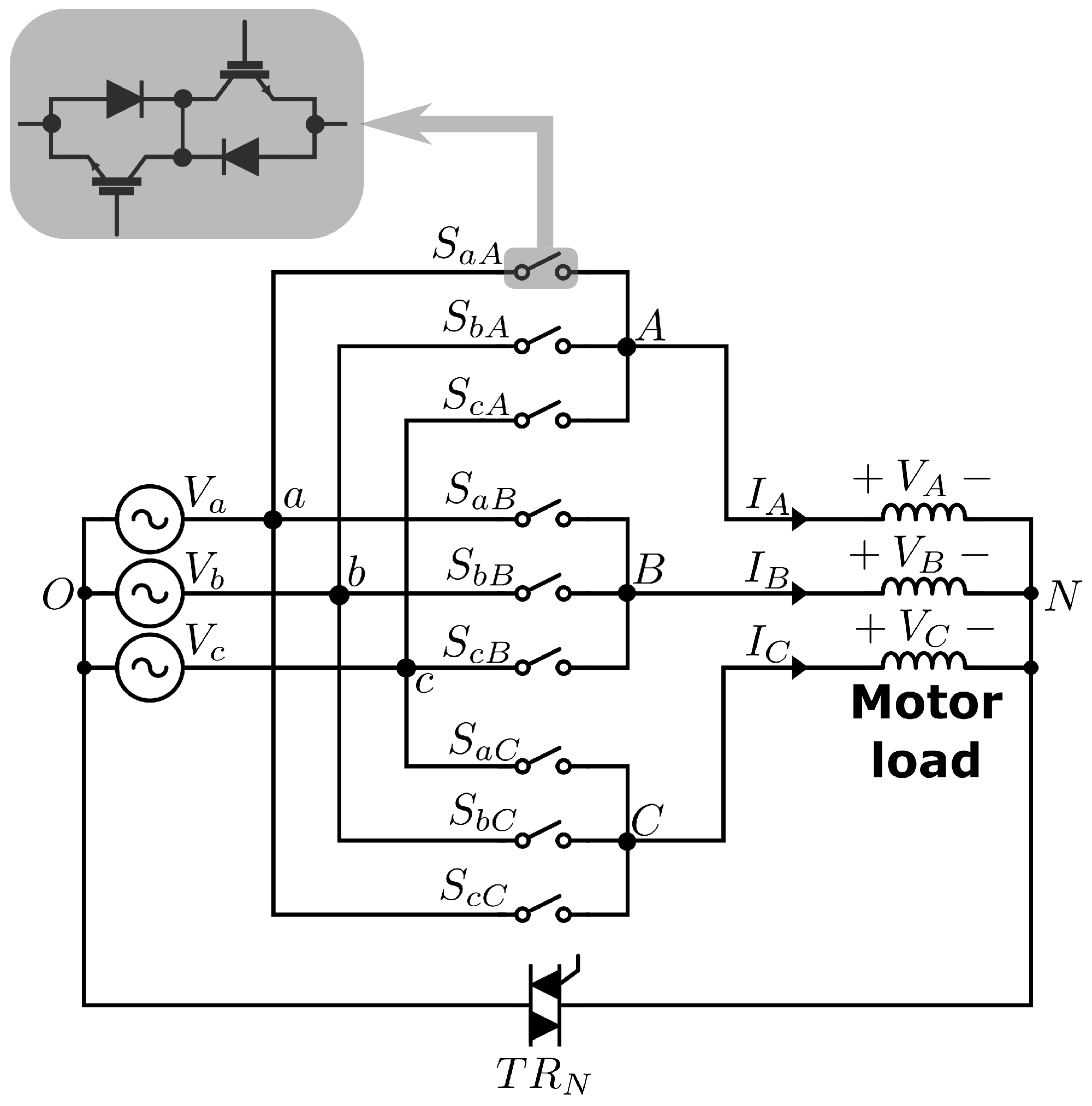
In Ref. [49], a single-phase fault-tolerant matrix converter is proposed (Figure 17); fault compensation is achieved by reconfiguring the matrix topology with the help of a switching device ( T R N ). Based on the redefined structure of the converter, a fault-tolerant modulation algorithm is developed to reshape the output currents of the two non-fault phases to obtain continuous operation. Similarly, in Ref. [50], a fault-tolerant four-legged matrix converter topology combined with space vector modulation is proposed. The four-leg-based fault-tolerant structure uses an additional redundant phase module.
Figure 17. Fault-tolerant single-phase matrix PEC. Fault compensation is achieved by reconfiguring the matrix topology with the help of a switching device ( T R N ). Based on the redefined structure of the converter, a fault-tolerant modulation algorithm is developed to reshape the output currents of the two non-fault phases to obtain continuous operation.
Multilevel converter topologies offer advantages in increased permissible DC-link voltage and improved input current harmonics compared to conventional two-level converters. Therefore, three-level topology systems with neutral point clamping (NPC) have been widely used. In Ref. [51], the DC link voltage and the phase angle of the input are used for the fault detection system; this method significantly minimizes the fault effect by compensating for the distorted reference voltage. In Ref. [52], open-switch and short-circuit fault detection strategies for a single device based on a reconfiguration of the NPC PEC are proposed (Figure 18).
Figure 18. Active NPC. Open-switch and short-circuit faults are faced by proper bidirectional switches reconfiguration. For instance, when S a 1 open failure occurs at the positive stage, the AC phase output is connected to neutral-point (O) of DC link instead of positive DC bus by S a 2 and S a 5 .
Similarly, in Ref. [53], an instantaneous-voltage error algorithm requires only signals already available in the control system, avoiding the use of additional hardware. The algorithm is independent of the load and the control strategy used and provides high-speed fault detection and identification, with diagnostic times as low as two sample periods. In Ref. [54], a phase disposition pulse width modulation (PDPWM) technique based on an adaptive carrier for MMCs using only one carrier for fault-tolerance capability is presented. Power-based control is also used in this study to regulate the balance of SMs during and after a fault.
Due to the increased reliability of the MMCs, the capacitors must guarantee the proper operation of the converter and voltage reduction of the submodules; due to the above, Ref. [55] presents an adaptive voltage balancing strategy based on capacitor voltage estimation using a hybrid ADALINE-RLS scheme. The proposed method eliminates the need to measure the capacitor voltages of the submodules and the associated communication link with the central controller. In addition, the estimated capacitor voltages are used to detect and locate different types of faults in the submodules. After isolating the faulty submodules, the proposed fault-tolerant control unit (FTCU) modifies the parameters of the voltage balancing strategy to overcome the derating of the active submodules. Similarly, a comparison of capacitor voltage ripple suppression methods under unbalanced conditions is presented in Ref. [56]. Three methods are explained and compared in simulation: the circulating current specific sequence elimination method (CCSSE), the instantaneous circulating current optimization method (ICCO), and the arm current control method (ACC).
DC line faults have a substantial impact on the converter power electronics. Fault-tolerant multilevel converters must limit and control these fault currents upon detection. Therefore, [57] presents a dynamic internal overcurrent control (DIOC) for full-bridge multilevel converters (FB-MMC). The control protects the converter power electronics against thermal overload without locking the converter. The DIOC does not rely on fault detection and effectively limits the arm currently in stable and transient situations.
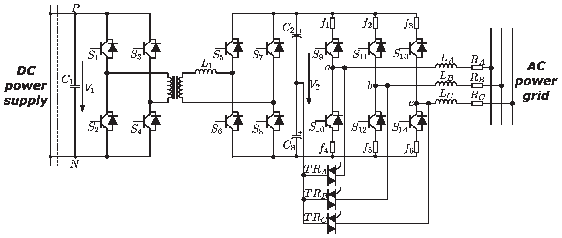
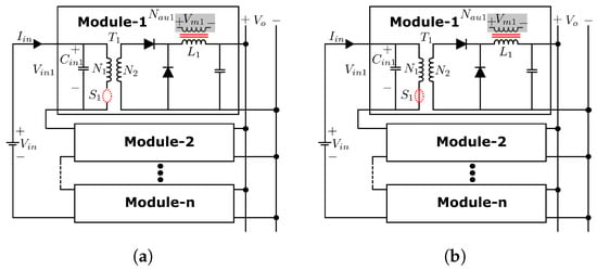
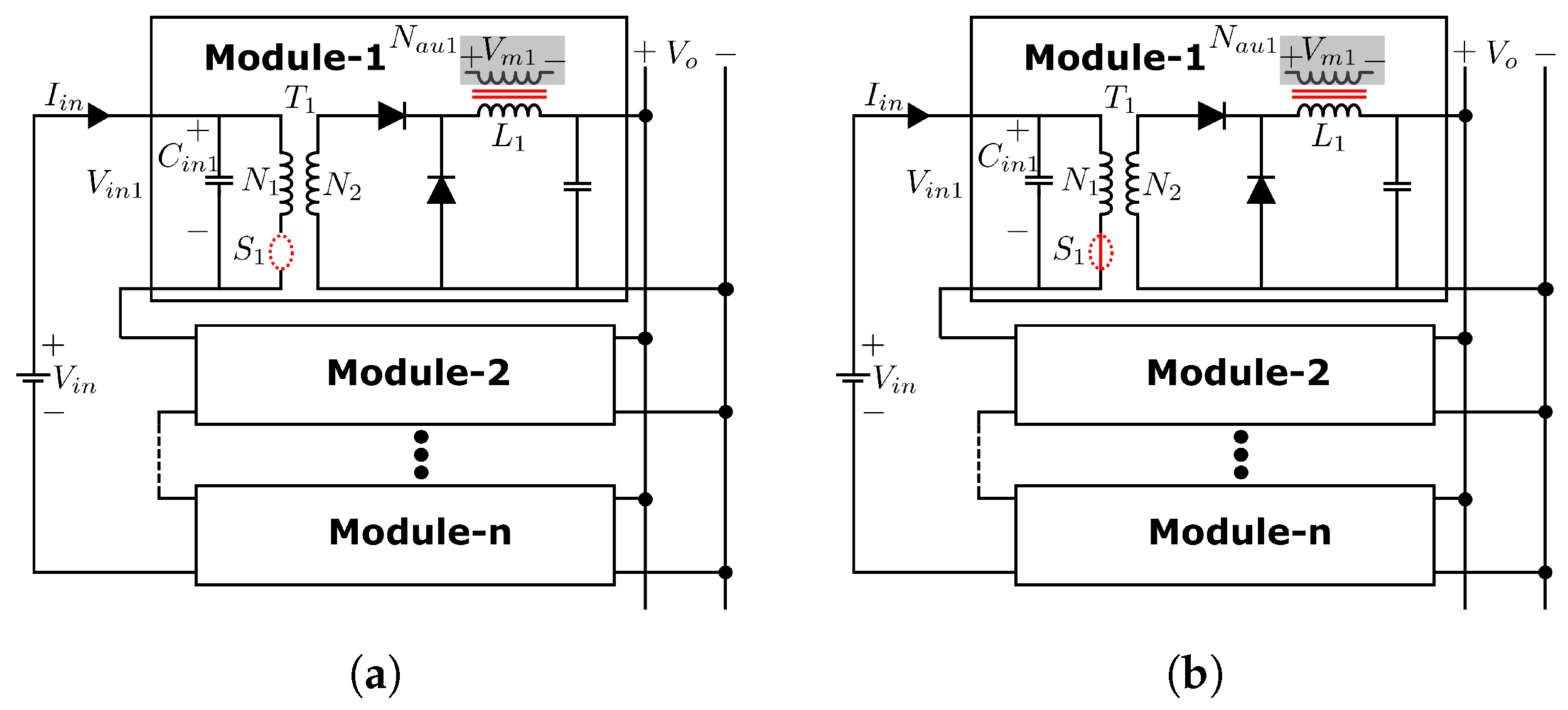
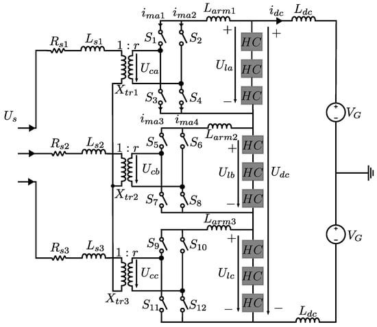
Modular series-to-parallel DC-DC converters (MSPDDC) are good choices in high power and high voltage applications (Figure 19). The reliable operation should be a significant concern in critical situations. A general switching fault-tolerance method for MSPDDCs is proposed in Ref. [58] for open and short circuit faults (Figure 20). Fault diagnosis is achieved using a small winding ( L 1 ) integrated into the inductor magnetic core to measure the output inductor voltage in each module. A diagnostic circuit allows isolating the defective module by combining additional switches.
Figure 19. Four connections of series-parallel converter system. (a) Input-series–output-parallel. (b) Input-parallel–output-series. (c) Input-series–output-series. (d) Input-parallel–output-parallel.
Figure 20. Circuit structure after switch fault for input-series–output-parallel PEC. (a) Open-circuit fault. (b) Short-circuit fault.
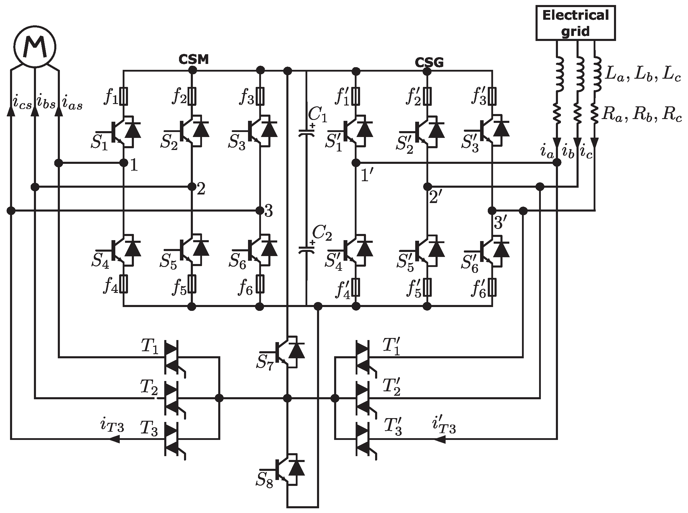
In Ref. [84], the authors propose connecting a six-phase machine and three-phase AC source by a symmetrical six-phase open-end winding machine, a twelve-leg inverter, and a DC–DC converter. The charger circuit is constructed by directly connecting the three-phase grid to the middle point of the machine phase winding. The grid currents split into equal portions and flow in opposite directions without adding an extra mechanical switch (or relay). From this concept, the proposed system has the advantages of obtaining high-power density with a significant inductance value for grid-side filter during charging and avoiding an electromagnetic torque, and providing a high fault-tolerant capability. Moreover, the proposed system can operate under the unity power factor (UPF) with a total harmonic distortion (THD) below 5%.

2.4. System-Level Fault Tolerance Techniques

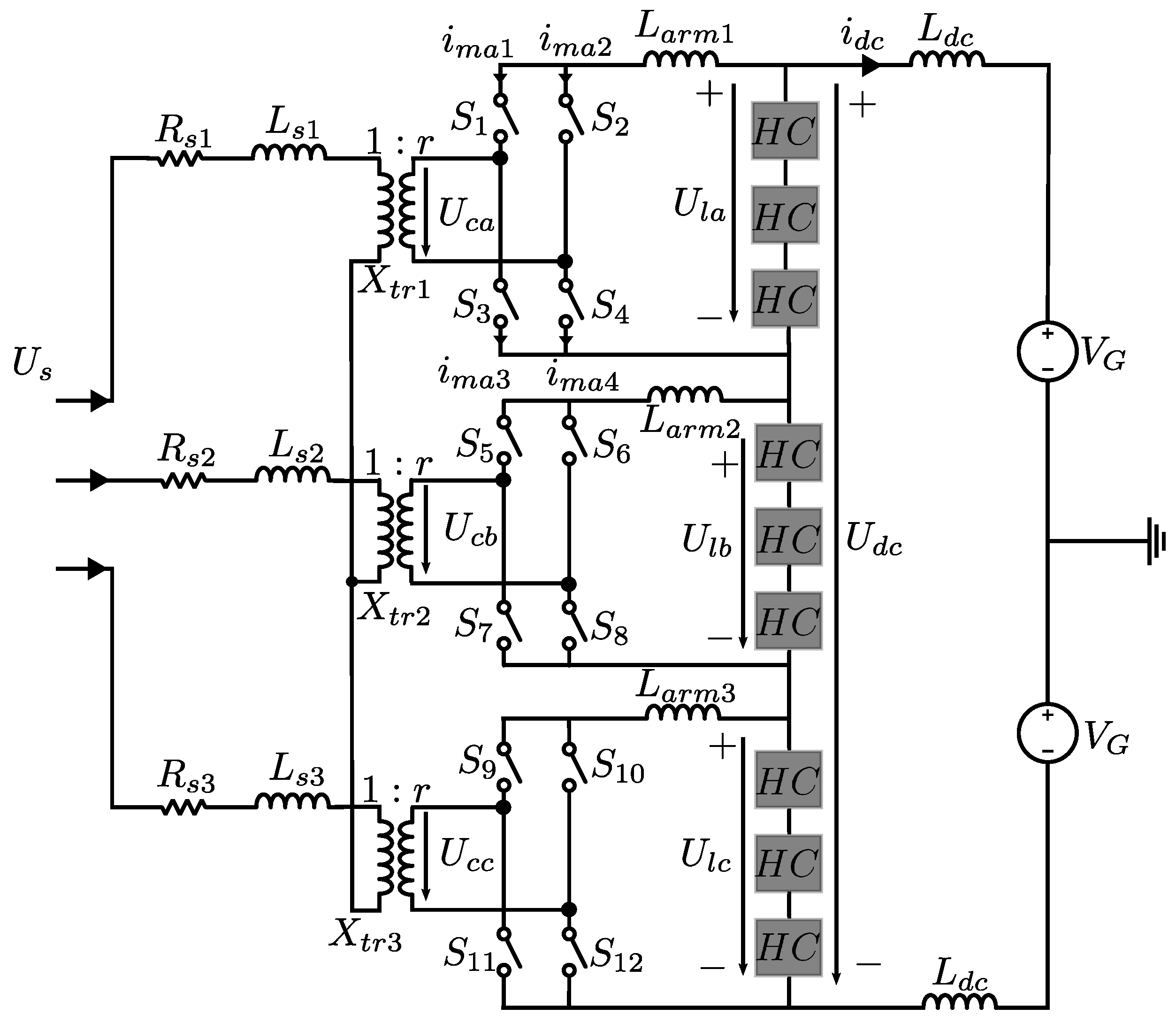
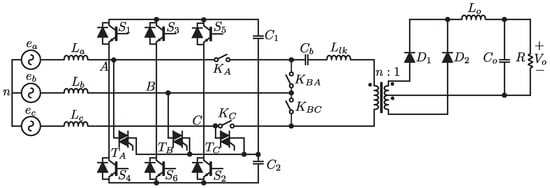
The parallel hybrid multilevel converter (PHMC) (Figure 21) is gaining popularity for HVDC applications due to its modular structure and independent active and reactive power control. However, this PEC requires twice as many semiconductor switches ( S 1 S 12 ) and many DC capacitors; it significantly increases its volume compared to the two-level voltage source converter [78]. The PHMC circuit has gained much interest due to its two main advantages. It requires fewer components than the typical MMC and has lower conduction losses because the daisy-chain-link HBSMs are not in the primary conduction path [79]. Due to this, in Ref. [80], a modified parallel hybrid converter (MPHC) for HVDC applications with a wide operating range and DC fault-tolerance capabilities is presented. A new control technique for capacitor voltage balancing is also proposed; performance evaluations are carried out using PSCAD/EMTDC for the under modulation index and overmodulation range.
Figure 21. PHMC topology. HC are half-bridge (HB) cell stacks. The cell stack is used to produce the absolute value of a sinusoidal wave, and then its polarity will be rotated to produce the required AC by the IGBT H-bridge.
In Ref. [81], the authors propose an open-switch fault-tolerant control method for a single IGBT in two parallel-connected three-phase AC/DC converters. The paper presents a new fault-tolerant control method using the combined control of the two converters to compensate for the distorted current of the fault-side converter. Similarly, in Ref. [82], the fault operation mechanism of a parallel wind converter is analyzed in detail. A fault-tolerant control strategy based on negative sequence current compensation is proposed, and a non-faulty converter module is used to compensate for the negative sequence current of the faulty converter module. When the system power is less than or equal to 0.5 percentual units (pu), the maximum output power of the converter is achieved under the condition of ensuring the current balance of the grid-connected side. When the system power is more significant than 0.5 pu, the grid-side negative sequence is controlled to the minimum under the condition of producing the maximum capacity.
The authors in Ref. [85] propose a fully integrated onboard DC fast charger, which is compatible with permanent magnet synchronous machines (PMSMs), DC excited synchronous machines, and induction motors as well as single or dual inverter drive systems. The sum of the energy storage sources’ voltages must be higher than the input voltage. Therefore, the proposed OBC offers fault blocking possibility in cases where the energy storage sources’ voltages drop below the input voltage.

2.5. Measurement-Level Fault Tolerance Techniques

Due to aging devices, human errors, environmental disturbances, and mechanical vibrations, the sensors of the PEC/OBC system may malfunction. As a result, the feedback value of the control system deviates, which directly affects the system performance and even causes permanent damage to the electrical devices. In Ref. [60], the authors propose replacing an erroneous measured value with the output of a state observer for the rectifier stage of a basic single-phase to three-phase PEC. The exciting item is the design of the observer to be digitally implemented, preventing its output from chattering because of the discretization procedure of the PEC model. An intelligently coupled filtering scheme achieves the above.
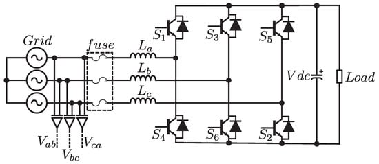
The authors in Ref. [61] propose a fault-tolerant algorithm consisting of the following steps using the circuit exposed in Figure 22. Firstly, measurement of line voltages ( V a b , V b c , and V c a ) and summation of voltages ( V s u m = 0 ) are performed. Significant V s u m values are compared with a failure threshold. If a fault is advised, resolution of the faulty sensor is achieved, and it is determined if the measured value of the faulty sensor can be replaced by the value of the other two sensors.
Figure 22. Three-phase AC/DC PWM PEC. Comparison of V a b , V b c , and V c a with a threshold is performed, and the value of the other sensors replaces a faulty sensor signal.
In Ref. [62], the authors use a Luenberger observer built from a nonlinear model of the PEC. The algorithm improves reliability, preventing the system from tripping when sensor faults occur. The authors in Ref. [63] proposed a control strategy for coping with lacking AC voltage signal. This fault condition may be caused by a measurement fault or a communication malfunction.
A fault-tolerant supervisory controller for a hybrid AC/DC microgrid is proposed in Ref. [64]. In a hybrid microgrid, DC sources, energy storage, and loads are connected to the main bus, while AC sources and sinks are coupled to an AC main bus. The authors in Ref. [65] use a fault sensor detection method for single-phase PWM rectifiers in railway electric traction applications; this method is based on observers and residuals generation. The algorithm enables the detection and isolation of the faulty sensor.
In Ref. [86], the authors propose online estimation of the battery model parameters such as battery state of charge, voltage, and temperature. The charging response information of the model is compared with the actual to determine whether the charging process is normal. This method can identify more than ten types of faults, including the failure of the battery management system function.

2.6. Network-Level Fault Tolerance Techniques

Unbalanced three-phase grid voltages and loads can cause unexpected power ripples. These power ripples can result in current and voltage ripples in the output, possibly creating instability in the whole system, reducing its efficiency, or shortening the lifetime of DC sources (e.g., batteries). Once the three-phase unbalance problem occurs in the power supply and distribution system, it could cause damage to lines, transformers, and power equipment. Due to the above, several control solutions have been proposed. In Ref. [67], a control method for a line-side connected AC/DC converter operating under generalized unbalance conditions is presented. By nullifying the oscillating components of the instantaneous active power at the poles of the converter instead of the front-end, the output harmonics can be more effectively eliminated even under generalized unbalanced operating conditions ( e a e c ). In Ref. [68], an active power filter is used to compensate for the unbalanced load of a three-phase system. This filter dramatically improves three-phase imbalance, compensates reactive power, and opposes harmonics.
The authors in Ref. [69] propose three methods to handle the unbalance, synchronous detection, power equality, and similar-current approaches. Their merit is the ability to operate in three-phase unbalanced systems by phase-wise calculation avoiding conversion errors. However, this method has several disadvantages as it requires additional hardware to implement the algorithms, increasing its monetary cost. Recently, other proposals to control three-phase boost type converters with PWM rectifiers under unbalanced input voltage conditions have been proposed. In Ref. [70], the instantaneous power of the PWM rectifier in a two-phase steady-state converter is analyzed; three control methods, input power, input-output, and output power controllers, are proposed. Compared with the existing techniques, simplicity may be the most significant advantage of the method.
Control methods operating under balanced and unbalanced network conditions have become widely used. In Ref. [71], a simple control method based on direct power control (DPC) using space vector modulation (SVM) is proposed; the controller uses an extension of the original instantaneous power theory. After deriving the power slopes of both active and reactive power, the appropriate PEC voltage reference is analytically derived from canceling the dynamic energy and reactive power errors, which are subsequently synthesized by SVM. To improve the steady-state performance of rectifiers under non-ideal grid voltage conditions, the authors in Ref. [72] propose a multi-vector predictive power control (MV-MPPC) scheme. The proposed method features constant switching frequency and better steady-state control performance without increasing sampling frequency. The optimal vector range for active and reactive power regulation can be extended for arbitrary phase and magnitude by selecting active and zero vectors.
Power quality can be defined as measuring, analyzing, and improving the bus voltage to maintain a sinusoidal waveform at rated voltage and frequency and is elementary in a disturbance-free electrical network. An essential characteristic of power quality is the absence or treatment of undesirable harmonic components in the AC signals. In Ref. [73], a new stationary frame control scheme for three-phase rectifiers is proposed (Figure 23); the proposed control scheme regulates the instantaneous active power at the input ( e a b c ) and output ( V d c ) of the converter to minimize such harmonics. The novelty of this research is the development of a new current-reference generator implemented directly in the stationary reference frame.
Figure 23. Schematic diagram of the power quality improvement scheme. The proposed control scheme regulates the instantaneous active power at the input ( e a b c ) and output ( V d c ) of the converter to minimize the harmonics.
For the case of network peak voltage variations, the authors in Ref. [59] use Clarke’s transform to separate positive and negative voltage sequences, and the model is also extended to harmonics; in the case of harmonic disturbances, an optimized regulation is presented. Together with identifying the network parameters, this line current compensation loop method offers an excellent solution to stabilize the PWM rectifier in an unbalanced network.
In Ref. [74], a control method that uses a virtual network flux and a fundamental voltage harmonic is presented; the method calculates the instantaneous reference power oscillations to maintain the sinusoidal current. Due to the number of devices connected to the power grid through power electronic converters, the stability of the power grid can be decrescent. Hence, a three-phase converter is proposed for grid recovery as a virtual synchronous generator (VSG). In Ref. [75], an MPC strategy for a virtual synchronous generator (MPC-VSG) is proposed. The MPC can automatically control the output power of the converter despite grid frequency and voltage changes, providing fault-tolerant capabilities without a proportional-integral (PI) controller.
In Ref. [87], the authors investigate the winding design and configuration effect on the current quality of a six-phase-based non-isolated OBC. First, the relation between the winding design and the induced low order harmonics in the charging current is clarified. The proposed current controller structure ensures balanced grid line currents with high power quality under either healthy or one-phase fault conditions.

3. Comparison of Fault Tolerance Techniques

Table 1, Table 2, Table 3, Table 4, Table 5 and Table 6 compare the techniques focusing on OBCs for electric vehicles from the above-presented research on fault tolerance. Power density, control complexity (computational burden), bidirectional capability, input voltage, output voltage, efficiency, required hardware reconfiguration, type of isolation, and additional devices are compared. This is to show the reader an updated and general perspective of the type of research that can encounter for the fault tolerance for OBCs and PECs.
Table 1. Comparison of the different fault-tolerant switch-level techniques.
Table 2. Comparison of the different fault-tolerant leg-level techniques.
Table 3. Comparison of the different fault-tolerant module-level techniques.
Table 4. Comparison of the different fault-tolerant system level techniques.
Table 5. Comparison of the different fault-tolerant measurement-level techniques.
Table 6. Comparison of the different fault-tolerant network-level techniques.
Table 1 shows a comparison of the different switch-level fault-tolerance methods; values for power density and efficiency are also provided. The presented references demonstrate good performance for diverse uses, including OBCs; an advantage of some of these PECs is that they do not require hardware reconfiguration for fault tolerance, which improves the PEC efficiency, power density, and cost. However, in general, the control method becomes complex, causing the fault to take longer to be detected. Most importantly, fault tolerance by the control method is limited to three-phase AC-DC converters, and the power quality detriment by phase unbalance is considerable. Comparatively, hardware reconfiguration at the switch level is faster but has higher cost and volume; also, dynamics during switching at failure conditions must be analyzed since these shortcomings are not easy to reproduce. Even more, the increase in the number of devices causes the efficiency and power density of the PEC/OBC to decrease. For OBCs, the fault has to be detected and isolated quickly; although [14,15,16,17] are a good starting point to catch and handle faults efficiently, hardware quality and good algorithms are crucial. It is important to note that only three proposals use a three-phase bidirectional converter that can be used in OBCs, but OBCs should operate in one, two, or three phases to be versatile. Hence, switch-level fault tolerance for isolated, reconfigurable single, dual, or three-phase feeding is an open problem. Note that a possible advantage of switch-level against leg-level hardware fault tolerance could be a reduced number of additional devices since only some must be redundant instead of all legs.
Table 2 compares the fault-tolerant at leg level techniques. It is observed that most of the references also propose additional devices to operate, thus decreasing the power density. Despite the above, using a redundant leg in parallel is one of the most useful fault-tolerant solutions at a hardware level, instead of coping with only a switch failure (maybe at the same cost). Combining the faulty leg to the midpoint of the DC bus and two-phase control, widely used in motor drives, optimizes the design and reduces the cost. Still, bidirectional PECs that can charge with single, dual, and three-phase sources are an open problem. Attention is caught by the fact that few authors consider galvanic isolation, and for a Level 1 or Level 2 charge it seems a little-studied promising safety alternative for domestic users. Note that most leg-level fault-tolerance techniques involve a high computational burden; many of these can be synthesized in FPGA implementations to improve response and dynamical switching behavior.
In Table 3 and Table 4, module and system-level converters are good options for managing an entire module fail and switch and leg level faults. Advantages of these are that control methods are uncomplicated and easy to implement [52,53,54,55,56,57,58]. These are ideal characteristics for critical or industrial applications with very high power transfer. However, due to the high number of additional devices in the MMC/CMC, one can discard them for OBCs due to the weight and higher mass production cost. Despite the above, one can note that bidirectionality is absent at modular PECs (and very scarce for system-level configurations) and could be attractive research for other MIMO uses.
Fault-tolerant methods based on the measurement level are compared in Table 5. It is worth noting that few literary works on the topic could be found, and these techniques could be easily combined with any other fault-tolerant approach. Their complexity is low, and none were designed for bidirectional/isolated PECs. Even more, advanced deep learning models can be designed to predict and classify failure with minimal error.
Power quality issues are quite common, especially in domestic AC systems. Although is not the objective of this review to deepening on power quality enhancement on PECs, some relevant references are compared in Table 6. These compared references are good choices for OBCs in combination with other fault-tolerant techniques at the switch, leg, or module level; they do not require hardware reconfiguration or additional devices and are compatible with OBC controllers. Note that there are scarce single or dual-phase PEC fault-tolerant network-level techniques; smart grids and microgrids generally include those subsystems.

4. Discussion

As mentioned in the introduction, diverse PECs with fault-tolerant capabilities have been proposed in the literature. These strategies can be classified into six categories, switch, leg, module, system, measurement, and network levels. While hardware redundancy is relatively standard at almost all levels, fault tolerance at a network level has been widely addressed, from prediction to automated interconnection with smart and microgrids. Diverse systems allow coping with power quality issues, from ripple and harmonic minimization to uninterruptible power systems. Indeed, updated classifications and reviews on network-level issues are nowadays open problems. Additionally, studies on the diverse causes of PEC faults could be a call for designing robust production devices.
Most PEC/OBC topologies are characterized by using additional devices for operation such as switches and, in some cases, passive components such as capacitors. Indeed, there is a tendency to develop switched-capacitor inductor-less PECs. However, research on fault detection and reconfiguration for passive devices is insufficient; especially, electrolytic capacitors are prone to die back from diverse causes, damaging active components such as MOSFETs, IGBTs, and TRIACs in PECs.
A particular scenario is presented for asymmetric converters in which series or parallel stages have different energy transfer capabilities. In such systems, hardware redundancy must consider that duplicative stages (switch, level, or module) may be incompatible with some asymmetric circuits. One can also note that bidirectionality is absent at modular PECs (and very scarce for system-level configurations) and could be attractive research for other MIMO uses with fault tolerance.
On the other hand, fault tolerance for OBCs operating in single, dual, or three-phase systems must be further analyzed since they are increasing due to their versatility. Power quality, automated reconfiguration, hardware redundancy, and measurement fault tolerance are possible research directions for smart grid scenarios. It is worth noting that isolation is a safety premise. Most of the PECs/OBCs presented here do not prevent unwanted current from flowing between two units sharing a ground conductor.
Another little-researched phenomenon is the dynamics during the switching to redundant hardware at failure conditions. It is well known that switched systems can be unstable even if their subsystems are globally stable because of the commutation state jump. This represents an exciting challenge since some shortcomings producing failures in PECs/OBCs are not easy to be experimentally reproduced.
FPGA implementations must be studied to handle fault-tolerance techniques. This could allow the central controller or supervisor to decentralize fault-tolerance tasks in cooperative/distributed systems.
Some fault-tolerant methods could be unified in a single system to increase the fault-tolerance capability in an OBC. For instance, the proposals [5,40,75] can be combined since the fault detection and tolerance methods are compatible with a predictive control method in a bidirectional converter topology tolerant to leg-level faults. As another example, the strategies in Refs. [40,75] can be used altogether since the same control method is used. In the same way, Refs. [6,76] can be combined for both switch level faults and leg level faults and phase unbalance conditions preserving the number of devices and hence efficiency. Refs. [7,23,72] can also perform together since [7,23] use similar control methods, and the technique presented in Ref. [72] uses model predictive control, making it a good choice for network-level faults. The works presented in Refs. [8,32,77] are also excellent options to combine in a single fault-tolerant converter. All measurement-level techniques can be combined with the rest of the methods. Finally, one can exchange control strategies for fault tolerance to compare and gain in performance, production cost, PEC efficiency, et cetera.

5. Conclusions

This paper presents a review of the different fault-tolerant techniques in power electronic converters that could be used for OBcs. Fault-tolerant solutions are always associated with hardware redundancy and control strategies, but other types can also occur. Therefore, the different fault-tolerant techniques are classified into switch level, leg level, measurement level, network level, module level, and system level. Several representative approaches are presented, and different fault-tolerant methods are discussed. For OBCs, many fault-tolerant converters are good choices since they demonstrate effective operation for various faults. Much research can be directed for fault tolerance from single electronic devices to the entire system; new OBCs and fault-tolerant techniques for them are emerging, so there is a vast work field, and here are presented only some of the most obvious.

Author Contributions

Writing—original draft preparation, L.-F.G.-C. and M.-A.R.-L.; writing—review and editing, L.-F.G.-C., M.-A.R.-L., N.V.-N., O.-F.R.-M., A.E.-C. and A.-I.B.-G.; visualization, L.-F.G.-C. and M.-A.R.-L.; supervision, M.-A.R.-L.; project administration, M.-A.R.-L.; funding acquisition, M.-A.R.-L., N.V.-N., O.-F.R.-M., A.E.-C. and A.-I.B.-G. All authors have read and agreed to the published version of the manuscript.

Funding

This research was partially financed by the Tecnológico Nacional de México en Celaya.

Acknowledgments

The authors would like to thank CONACYT México for the Cátedra ID 4155, and the scholarship of L.-F.G.-C.

Conflicts of Interest

The authors declare no conflict of interest.

Abbreviations

The following abbreviations are used in this manuscript:
ACAlternating Current
ACCArm Current Control
BJTBipolar Junction Transistor
BCBackstepping
CMCCascaded Multilevel Converters
CCSSECirculant Current Specific Sequence Elimination Method
DCDirect Current
DPWM       Discontinuous Pulse Width Modulation
DIOCDynamic Interval Overcurrent Control
DFIGDoubly Fed Induction Generator
DPCDirect Power Control
DSPDigital Signal Processing
DPCSVMDirect Power Control-Space Vector Modulation
EVElectric Vehicle
EMTDCElectromagnetic Transients including DC
FDFault Detection
FTCFault-Tolerant Control
FCS-MPCFinite Control Set-Model Predictive Control
FPGAField Programmable Gate Arrays
FSMPPCFinite State Model Predictive Power Control
FTCUFault-Tolerant Control Unit
FB-MMCFull-Bridge Modular Multilevel Converters
HVDCHigh-Voltage Direct Current
HEVHybrid Electric Vehicle
HBSVMHybrid Space Vector Modulation
HBSMHalf-Bridge Submodules
IGBTInsulated Gate Bipolar Transistor
IMInduction Motor
ICCOInstantaneous Circulating Overcurrent Control
MOSFETMetal Oxide Semiconductor Field-Effect Transistor
MMCModular Multilevel Converters
MPCModel Predictive Control
MPDPCModel Predictive Direct Power Control
MCTMarine Current Turbine
MCMatrix Converters
MSPDDCModular Series-to-Parallel DC-DC Converters
MPHCModified Parallel Hybrid Converter
MV-MPPCMulti-Vector Model Predictive Power Control
MPCModel Predictive Control
MPC-VSGModel Predictive Control-Virtual Synchronous Generator
MPDPCModel Predictive Direct Power Control
MIMOMulti-Input-Multi-Output
MTDCMulti-Terminal High-Voltage Direct Current
NPCNeural Point Clamping
OBCsOnboard Charging systems
OW-PMSMOpen-end Winding Permanent Magnet Sync Motor
PECPower Electronic Converters
PHEVPlugin Hybrid Electric Vehicles
PHMCParallel hybrid multilevel converter
PWMPulse Width Modulation
PMSMPermanent Magnet Sync Motor
PDPWMPhase Disposition Pulse Width Modulation
PHMCParallel Hybrid Multilevel Converter
PSCADPower System Computer-Aided Design
puPercent Unit
PIProportional-Integral
PLLPhase-Locked Loop
PMSGPermanent Magnet Synchronous Generator
SCRSilicon Controlled Rectifier
SFCSStationary Frame Control Scheme
SMCSliding Mode Control
SOCState of Charge
SPWMSinusoidal Pulse Width Modulation
SVPWMSpace Vector Pulse Width Modulation
SVMSpace Vector Modulation
TRIACTriode for Alternating Current
VSGVirtual Synchronous Generator
VSIVoltage Source Inverter
WECSWind Energy Conversion Systems

References

  1. Zhang, W.; Xu, D.; Enjeti, P.N.; Li, H.; Hawke, J.T.; Krishnamoorthy, H.S. Survey on Fault-Tolerant Techniques for Power Electronic Converters. IEEE Trans. Power Electron. 2014, 29, 6319–6331. [Google Scholar] [CrossRef]
  2. Kim, S.H.; Kim, S.M.; Park, S.; Lee, K.B. Switch Open-Fault Detection for a Three-Phase Hybrid Active Neutral-Point-Clamped Rectifier. Electronics 2020, 9, 1437. [Google Scholar] [CrossRef]
  3. Witczak, M.; Mrugalski, M.; Lipiec, B. Remaining Useful Life Prediction of MOSFETs via the Takagi–Sugeno Framework. Energies 2021, 14, 2135. [Google Scholar] [CrossRef]
  4. Li, L. Fault Detection and Fault-Tolerant Control for Nonlinear Systems; Springer: Berlin/Heidelberg, Germany, 2016. [Google Scholar]
  5. Qin, W.; Qiu, Y.; Sun, C.; Feng, Y. Modified SVPWM Scheme for Fault-Tolerant Control of AC–DC PWM Converter. IEEE J. Emerg. Sel. Top. Power Electron. 2021, 9, 4715–4725. [Google Scholar] [CrossRef]
  6. Im, W.S.; Moon, J.J.; Kim, J.M.; Lee, D.C.; Lee, K.B. Fault tolerant control strategy of 3-phase AC-DC PWM converter under multiple open-switch faults conditions. In Proceedings of the 2012 Twenty-Seventh Annual IEEE Applied Power Electronics Conference and Exposition (APEC), Orlando, FL, USA, 5–9 February 2012; pp. 789–795. [Google Scholar] [CrossRef]
  7. Im, W.S.; Kim, J.M.; Lee, D.C.; Lee, K.B. Diagnosis and Fault-Tolerant Control of Three-Phase AC–DC PWM Converter Systems. IEEE Trans. Ind. Appl. 2013, 49, 1539–1547. [Google Scholar] [CrossRef]
  8. Zakaria, A.; Marei, M.I.; Sattar, A.A. A fault-tolerant strategy for current controlled PWM rectifier. In Proceedings of the 2016 Eighteenth International Middle East Power Systems Conference (MEPCON), Cairo, Egypt, 27–29 December 2016; pp. 461–467. [Google Scholar] [CrossRef]
  9. Park, J.H.; Lee, J.S.; Kim, M.Y.; Lee, K.B. Diagnosis and Tolerant Control Methods for an Open-Switch Fault in a Vienna Rectifier. IEEE J. Emerg. Sel. Top. Power Electron. 2021, 9, 7112–7125. [Google Scholar] [CrossRef]
  10. Chen, J.; Chen, A.; Xing, X.; Zhang, C. Fault-tolerant control strategy for T-type three-level inverter with neutral-point voltage balancing. In Proceedings of the 2017 IEEE Applied Power Electronics Conference and Exposition (APEC), Tampa, FL, USA, 26–30 March 2017; pp. 3420–3425. [Google Scholar] [CrossRef]
  11. Eunsil Lee, K.B.L. Fault-Tolerant Strategy to Control a Reverse Matrix Converter for Open-Switch Faults in the Rectifier Stage. J. Power Electron. 2016, 16, 57–65. [Google Scholar] [CrossRef]
  12. Rodríguez-Blanco, M.A.; Claudio-Sánchez, A.; Theilliol, D.; Vela-Valdés, L.G.; Sibaja-Terán, P.; Hernández-González, L.; Aguayo-Alquicira, J. A Failure-Detection Strategy for IGBT Based on Gate-Voltage Behavior Applied to a Motor Drive System. IEEE Trans. Ind. Electron. 2011, 58, 1625–1633. [Google Scholar] [CrossRef]
  13. Sobanski, P.; Orlowska-Kowalska, T. Open switch fault diagnosis methods for an AC/DC line-side converter. In Proceedings of the 2017 IEEE International Conference on Industrial Technology (ICIT), Toronto, ON, Canada, 22–25 March 2017; pp. 1580–1585. [Google Scholar] [CrossRef]
  14. Zhou, D.; Tang, Y. An Online Open-Circuit Fault Diagnosis and Fault Tolerant Scheme for Three-Phase AC-DC Converters with Model Predictive control. In Proceedings of the 2018 International Power Electronics Conference (IPEC-Niigata 2018-ECCE Asia), Niigata, Japan, 20–24 May 2018; pp. 434–438. [Google Scholar] [CrossRef]
  15. Zhou, D.; Tang, Y. A Model Predictive Control-Based Open-Circuit Fault Diagnosis and Tolerant Scheme of Three-Phase AC–DC Rectifiers. IEEE J. Emerg. Sel. Top. Power Electron. 2019, 7, 2158–2169. [Google Scholar] [CrossRef]
  16. Karimi, S.; Gaillard, A.; Poure, P.; Saadate, S. FPGA-Based Real-Time Power Converter Failure Diagnosis for Wind Energy Conversion Systems. IEEE Trans. Ind. Electron. 2008, 55, 4299–4308. [Google Scholar] [CrossRef]
  17. Shahbazi, M.; Poure, P.; Saadate, S.; Zolghadri, M.R. FPGA-Based Reconfigurable Control for Fault-Tolerant Back-to-Back Converter without Redundancy. IEEE Trans. Ind. Electron. 2013, 60, 3360–3371. [Google Scholar] [CrossRef]
  18. Sobanski, P.; Orlowska-Kowalska, T. IGBT open-circuit fault diagnosis based on the voltage estimation in the line-side AC/DC converter. In Proceedings of the 2017 IEEE 26th International Symposium on Industrial Electronics (ISIE), Edinburgh, UK, 19–21 June 2017; pp. 1832–1836. [Google Scholar] [CrossRef]
  19. Cheng, H.; Chen, W.; Wang, C.; Deng, J. Open Circuit Fault Diagnosis and Fault Tolerance of Three-Phase Bridgeless Rectifier. Electronics 2018, 7, 291. [Google Scholar] [CrossRef]
  20. Bouzekri, A.; Allaoui, T. Fuzzy-Expert System Fault Tolerant Control of IGBT Open Switch Fault for RSC in Wind Turbine System. In Proceedings of the 4th International Conference on Electrical Engineering and Control Applications; Springer Nature: Berlin/Heidelberg, Germany, 2020; pp. 871–883. [Google Scholar] [CrossRef]
  21. Li, J.; Lv, H.; Shang, S.; Jin, N. Topology and Control of Two-Stage Bidirectional AC/DC Fault Tolerant Converter. In Proceedings of the 2018 5th International Conference on Information Science and Control Engineering (ICISCE), Zhengzhou, China, 20–22 July 2018; pp. 1006–1010. [Google Scholar] [CrossRef]
  22. Zhou, D.; Li, Y.; Zhao, J.; Wu, F.; Luo, H. An Embedded Closed-Loop Fault-Tolerant Control Scheme for Nonredundant VSI-Fed Induction Motor Drives. IEEE Trans. Power Electron. 2017, 32, 3731–3740. [Google Scholar] [CrossRef]
  23. Sun, D.; He, Z.; He, Y.; Guan, Y. Four-Switch Inverter Fed PMSM DTC with SVM approach for Fault Tolerant operation. In Proceedings of the 2007 IEEE International Electric Machines Drives Conference, Antalya, Turkey, 3–5 May 2007; Volume 1, pp. 295–299. [Google Scholar] [CrossRef]
  24. Toumi, S.; Amirat, Y.; Elbouchikhi, E.; Trabelsi, M.; Benbouzid, M.; Mimouni, M.F. A comparison of fault-tolerant control strategies for a pmsg-based marine current turbine system under generator-side converter faulty conditions. J. Electr. Syst. 2017, 13, 472–488. [Google Scholar]
  25. Zuo, Y.; Zhu, X.; Si, X.; Lee, C.H.T. Fault-Tolerant Control for Multiple Open-Leg Faults in Open-End Winding Permanent Magnet Synchronous Motor System Based on Winding Reconnection. IEEE Trans. Power Electron. 2021, 36, 6068–6078. [Google Scholar] [CrossRef]
  26. Zhou, W.; Sun, D.; Chen, M.; Lin, B. Simplified PWM for fault tolerant control of open winding PMSM fed by hybrid inverter. In Proceedings of the 2015 IEEE Energy Conversion Congress and Exposition (ECCE), Montreal, QC, Canada, 20–24 September 2015; pp. 2912–2918. [Google Scholar] [CrossRef]
  27. Zhou, D.; Zhao, J.; Liu, Y. Independent Control Scheme for Nonredundant Two-Leg Fault-Tolerant Back-to-Back Converter-Fed Induction Motor Drives. IEEE Trans. Ind. Electron. 2016, 63, 6790–6800. [Google Scholar] [CrossRef]
  28. Jlassi, I.; Estima, J.O.; Khojet El Khil, S.; Mrabet Bellaaj, N.; Marques Cardoso, A.J. Multiple Open-Circuit Faults Diagnosis in Back-to-Back Converters of PMSG Drives for Wind Turbine Systems. IEEE Trans. Power Electron. 2015, 30, 2689–2702. [Google Scholar] [CrossRef]
  29. Shahbazi, M.; Zolghadri, M.R.; Poure, P.; Saadate, S. Wind energy conversion system based on DFIG with open switch fault tolerant six-legs AC-DC-AC converter. In Proceedings of the 2013 IEEE International Conference on Industrial Technology (ICIT), Cape Town, South Africa, 25–28 February 2013; pp. 1656–1661. [Google Scholar] [CrossRef]
  30. Sahraoui, K.; Gaoui, B.; Mokrani, L.; Belarbi, K. Fault tolerant control of redundant topology of PWM AC-DC-AC converter supplying an electromechanical drive. In Proceedings of the 2016 8th International Conference on Modelling, Identification and Control (ICMIC), Algiers, Algeria, 15–17 November 2016; pp. 374–380. [Google Scholar] [CrossRef]
  31. Shahbazi, M.; Poure, P.; Saadate, S.; Zolghadri, M.R. Fault-Tolerant Five-Leg Converter Topology with FPGA-Based Reconfigurable Control. IEEE Trans. Ind. Electron. 2013, 60, 2284–2294. [Google Scholar] [CrossRef]
  32. Khodabakhsh, J.; Moschopoulos, G. A Fault Tolerant Three-Phase Isolated AC-DC Converter. In Proceedings of the 2019 IEEE Applied Power Electronics Conference and Exposition (APEC), Anaheim, CA, USA, 17–21 March 2019; pp. 1220–1225. [Google Scholar] [CrossRef]
  33. Gu, L.; Peng, K. A Single-Stage Fault-Tolerant Three-Phase Bidirectional AC/DC Converter with Symmetric High-Frequency Y-Δ Connected Transformers. IEEE Trans. Power Electron. 2020, 35, 9226–9237. [Google Scholar] [CrossRef]
  34. Zeng, Z.; Zheng, W.; Zhao, R. Space-Vector-Based Hybrid PWM Strategy for Reduced DC-Link Capacitor Current Stress in the Postfault Grid-Connected Three-Phase Rectifier. IEEE Trans. Ind. Electron. 2016, 63, 4989–5000. [Google Scholar] [CrossRef]
  35. Jin, N.; Zhao, C.; Guo, L. Model Predictive Fault Tolerant Control of Bidirectional AC/DC Converter with Voltage Balance of Split Capacitor. In Proceedings of the 2018 International Power Electronics Conference (IPEC-Niigata 2018-ECCE Asia), Niigata, Japan, 20–24 May 2018; pp. 904–910. [Google Scholar] [CrossRef]
  36. Jin, N.; Hu, S.; Gan, C.; Ling, Z. Finite States Model Predictive Control for Fault-Tolerant Operation of a Three-Phase Bidirectional AC/DC Converter Under Unbalanced Grid Voltages. IEEE Trans. Ind. Electron. 2018, 65, 819–829. [Google Scholar] [CrossRef]
  37. Guo, L.; Zhang, K.; Cao, L.; Dai, L.; Jin, N.; Li, Y. A Double-Voltage Vector Based Model Predictive Control Method for Three Phase Four-Switch Fault-Tolerant Converter. In Proceedings of the 2019 22nd International Conference on Electrical Machines and Systems (ICEMS), Harbin, China, 11–14 August 2019; pp. 1–6. [Google Scholar] [CrossRef]
  38. Zhang, Z.; Cai, K.; Kennel, R. Current based open-circuit fault diagnosis and fault-tolerant control for two-level power converters with direct model predictive control. In Proceedings of the IECON 2017—43rd Annual Conference of the IEEE Industrial Electronics Society, Beijing, China, 29 October–1 November 2017; pp. 3179–3184. [Google Scholar] [CrossRef]
  39. Jin, N.; Guo, L.; Yao, G. Model Predictive Direct Power Control for Nonredundant Fault Tolerant Grid-Connected Bidirectional Voltage Source Converter. Energies 2017, 10, 1133. [Google Scholar] [CrossRef]
  40. Li, Y.; Li, G.; Wu, Z.; Hu, S.; Jin, N.; Guo, L.; Luo, K. Multi-vector Model Predictive Direct Power Control for Fault-tolerant Bidirectional AC/DC Converter. In Proceedings of the 2019 IEEE International Symposium on Predictive Control of Electrical Drives and Power Electronics (PRECEDE), Quanzhou, China, 31 May–2 June 2019; pp. 1–5. [Google Scholar] [CrossRef]
  41. Jin, N.; Guo, L.; Zhao, C.; Dou, Z.; Cui, G. Finite states model predictive direct power control for phase leg faults tolerant operation of bidirectional AC/DC converter. In Proceedings of the 2018 IEEE Applied Power Electronics Conference and Exposition (APEC), San Antonio, TX, USA, 4–8 March 2018; pp. 2330–2336. [Google Scholar] [CrossRef]
  42. Tian, L.; Wu, F.; Zhao, J. Current kernel density estimation based transistor open-circuit fault diagnosis in two-level three phase rectifier. Electron. Lett. 2016, 52, 1795–1797. [Google Scholar] [CrossRef]
  43. Wu, F.; Zhao, J. Current Similarity Analysis-Based Open-Circuit Fault Diagnosis for Two-Level Three-Phase PWM Rectifier. IEEE Trans. Power Electron. 2017, 32, 3935–3945. [Google Scholar] [CrossRef]
  44. Sleszynski, W.; Nieznanski, J. Open-transistor fault diagnostics in voltage-source inverters by analyzing the load current. IEEE Trans. Ind. Electron. 2009, 56, 4681–4688. [Google Scholar] [CrossRef]
  45. Nguyen-Duy, K.; Liu, T.H.; Chen, D.F.; Hung, J.Y. Improvement of Matrix Converter Drive Reliability by Online Fault Detection and a Fault-Tolerant Switching Strategy. IEEE Trans. Ind. Electron. 2012, 59, 244–256. [Google Scholar] [CrossRef]
  46. Peng, T.; Dan, H.; Yang, J.; Deng, H.; Zhu, Q.; Wang, C.; Gui, W.; Guerrero, J.M. Open-Switch Fault Diagnosis and Fault Tolerant for Matrix Converter with Finite Control Set-Model Predictive Control. IEEE Trans. Ind. Electron. 2016, 63, 5953–5963. [Google Scholar] [CrossRef]
  47. Tran, V. Short circuit fault tolerant system for Matrix Converter. In Proceedings of the 8th IET International Conference on Power Electronics, Machines and Drives (PEMD 2016), Glasgow, UK, 19–21 April 2016; pp. 1–6. [Google Scholar] [CrossRef]
  48. Kwak, S.; Kim, T. Design of matrix converter topology and modulation algorithms with shorted and opened failure tolerance. In Proceedings of the 2008 IEEE Power Electronics Specialists Conference, Rhodes, Greece, 15–19 June 2008; pp. 1734–1740. [Google Scholar] [CrossRef]
  49. Kwak, S.; Toliyat, H.A. An Approach to Fault-Tolerant Three-Phase Matrix Converter Drives. IEEE Trans. Energy Convers. 2007, 22, 855–863. [Google Scholar] [CrossRef]
  50. Kwak, S. Four-Leg-Based Fault-Tolerant Matrix Converter Schemes Based on Switching Function and Space Vector Methods. IEEE Trans. Ind. Electron. 2012, 59, 235–243. [Google Scholar] [CrossRef]
  51. Jung, J.H.; Ku, H.K.; Son, Y.D.; Kim, J.M. Open-Switch Fault Diagnosis Algorithm and Tolerant Control Method of the Three-Phase Three-Level NPC Active Rectifier. Energies 2019, 12, 2495. [Google Scholar] [CrossRef]
  52. Li, J.; Huang, A.Q.; Liang, Z.; Bhattacharya, S. Analysis and Design of Active NPC (ANPC) Inverters for Fault-Tolerant Operation of High-Power Electrical Drives. IEEE Trans. Power Electron. 2012, 27, 519–533. [Google Scholar] [CrossRef]
  53. Caseiro, L.M.A.; Mendes, A.M.S. Real-Time IGBT Open-Circuit Fault Diagnosis in Three-Level Neutral-Point-Clamped Voltage-Source Rectifiers Based on Instant Voltage Error. IEEE Trans. Ind. Electron. 2015, 62, 1669–1678. [Google Scholar] [CrossRef]
  54. Hashfi, T.B.; Mekhilef, S.; Mubin, M.; Seyedmahmoudian, M.; Horan, B.; Stojcevski, A. Adaptive Carrier-Based PDPWM Control for Modular Multilevel Converter with Fault-Tolerant Capability. IEEE Access 2020, 8, 26739–26748. [Google Scholar] [CrossRef]
  55. Abdelsalam, M.; Marei, M.I.; Tennakoon, S.B. An Integrated Control Strategy with Fault Detection and Tolerant Control Capability Based on Capacitor Voltage Estimation for Modular Multilevel Converters. IEEE Trans. Ind. Appl. 2017, 53, 2840–2851. [Google Scholar] [CrossRef]
  56. Wang, S.; Teodorescu, R.; Chaudhary, S.K. Capacitor Voltage Ripple Reduction Methods of Modular Multilevel Converter under Unbalanced Fault Conditions: A Comparison. In Proceedings of the 2018 IEEE International Power Electronics and Application Conference and Exposition (PEAC), Shenzhen, China, 4–7 November 2018; pp. 1–6. [Google Scholar] [CrossRef]
  57. Ruffing, P.; Petino, C.; Schnettler, A. Dynamic internal overcurrent control for undetected DC faults for modular multilevel converters. In Proceedings of the 13th IET International Conference on AC and DC Power Transmission (ACDC 2017), Manchester, UK, 14–16 February 2017; pp. 1–6. [Google Scholar] [CrossRef]
  58. Wang, H.; Pei, X.; Wu, Y.; Kang, Y. A General Fault-Tolerant Operation Strategy Under Switch Fault for Modular Series–Parallel DC–DC Converter. IEEE J. Emerg. Sel. Top. Power Electron. 2021, 9, 872–884. [Google Scholar] [CrossRef]
  59. Rioual, P.; Pouliquen, H.; Louis, J.P. Regulation of a PWM rectifier in the unbalanced network state using a generalized model. IEEE Trans. Power Electron. 1996, 11, 495–502. [Google Scholar] [CrossRef]
  60. Gong, Z.; Khan Jadoon, H.U.; Huang, D.; Qin, N.; Ma, L. Fault Diagnosis and Tolerant Control for Sensors of PWM Rectifier Under High Switching Frequency. In Proceedings of the 2019 CAA Symposium on Fault Detection, Supervision and Safety for Technical Processes (SAFEPROCESS), Xiamen, China, 5–7 July 2019; pp. 170–175. [Google Scholar] [CrossRef]
  61. Kim, H.S.; Im, W.S.; Kim, J.M.; Lee, D.C.; Lee, K.B. Fault Diagnosis Method of Voltage Sensor in 3-phase AC/DC PWM Converters. J. Int. Conf. Electr. Mach. Syst. 2012, 1, 384–390. [Google Scholar] [CrossRef][Green Version]
  62. Kim, S.C.; Nguyen, T.H.; Lee, D.C.; Lee, K.B.; Kim, J.M. Fault tolerant control of DC-link voltage sensor for three-phase AC/DC/AC PWM converters. J. Power Electron. 2014, 14, 695–703. [Google Scholar] [CrossRef]
  63. Wang, H.; Hu, W.; Li, M.; Huang, Q.; Chen, Z. Tolerant Control of Voltage Signal Fault for Converter Station Based Multi-Terminal HVDC Systems. IEEE Access 2019, 7, 48175–48184. [Google Scholar] [CrossRef]
  64. Hosseinzadeh, M.; Salmasi, F.R. Fault-Tolerant Supervisory Controller for a Hybrid AC/DC Micro-Grid. IEEE Trans. Smart Grid 2018, 9, 2809–2823. [Google Scholar] [CrossRef]
  65. Youssef, A.B.; El Khil, S.K.; Slama-Belkhodja, I. State Observer-Based Sensor Fault Detection and Isolation, and Fault Tolerant Control of a Single-Phase PWM Rectifier for Electric Railway Traction. IEEE Trans. Power Electron. 2013, 28, 5842–5853. [Google Scholar] [CrossRef]
  66. Najafabadi, T.A.; Salmasi, F.R.; Jabehdar-Maralani, P. Detection and Isolation of Speed-, DC-Link Voltage-, and Current-Sensor Faults Based on an Adaptive Observer in Induction-Motor Drives. IEEE Trans. Ind. Electron. 2011, 58, 1662–1672. [Google Scholar] [CrossRef]
  67. Suh, Y.; Lipo, T. Control scheme in hybrid synchronous stationary frame for PWM AC/DC converter under generalized unbalanced operating conditions. IEEE Trans. Ind. Appl. 2006, 42, 825–835. [Google Scholar] [CrossRef]
  68. Feng, D.; Chen, Z.; Jiang, Z.; Yan, L.; Qian, N.; Zong, X. Analysis and Treatment of Three-Phase Unbalance Problem. In Proceedings of the 2020 IEEE 4th Information Technology, Networking, Electronic and Automation Control Conference (ITNEC), Chongqing, China, 12–14 June 2020; Volume 1, pp. 1501–1504. [Google Scholar] [CrossRef]
  69. Lin, C.; Chen, C.; Huang, C. Calculating approach and implementation for active filters in unbalanced three-phase system using synchronous detection method. In Proceedings of the 1992 International Conference on Industrial Electronics, Control, Instrumentation, and Automation, San Diego, CA, USA, 13 November 1992; Volume 1, pp. 374–380. [Google Scholar] [CrossRef]
  70. Li, Z.; Li, Y.; Wang, P.; Zhu, H.; Liu, C.; Xu, W. Control of Three-Phase Boost-Type PWM Rectifier in Stationary Frame Under Unbalanced Input Voltage. IEEE Trans. Power Electron. 2010, 25, 2521–2530. [Google Scholar] [CrossRef]
  71. Zhang, Y.; Qu, C. Direct Power Control of a Pulse Width Modulation Rectifier Using Space Vector Modulation Under Unbalanced Grid Voltages. IEEE Trans. Power Electron. 2015, 30, 5892–5901. [Google Scholar] [CrossRef]
  72. Zhou, D.; Tu, P.; Tang, Y. Multivector Model Predictive Power Control of Three-Phase Rectifiers with Reduced Power Ripples Under Nonideal Grid Conditions. IEEE Trans. Ind. Electron. 2018, 65, 6850–6859. [Google Scholar] [CrossRef]
  73. Roiu, D.; Bojoi, R.; Limongi, L.R.; Tenconi, A. New Stationary Frame Control Scheme for Three Phase PWM Rectifiers under Unbalanced Voltage Dips Conditions. In Proceedings of the 2008 IEEE Industry Applications Society Annual Meeting, Edmonton, AB, Canada, 5–9 October 2008; pp. 1–7. [Google Scholar] [CrossRef]
  74. Wodyk, S.; Iwanski, G. Three-phase converter power control under grid imbalance with consideration of instantaneous power components limitation. Int. Trans. Electr. Energy Syst. 2020, 30, e12389. [Google Scholar] [CrossRef]
  75. Jin, N.; Pan, C.; Li, Y.; Hu, S.; Fang, J. Model Predictive Control for Virtual Synchronous Generator with Improved Vector Selection and Reconstructed Current. Energies 2020, 13, 5435. [Google Scholar] [CrossRef]
  76. Klima, J. Time and frequency domain analysis of fault-tolerant space vector PWM VSI-fed induction motor drive. IEE Proc.-Electr. Power Appl. 2005, 152, 765–774. [Google Scholar] [CrossRef]
  77. Valouch, V.; Šimek, P.; Škramlík, J. Experimental investigation of fault tolerant converter connected to unbalanced grid. In Proceedings of the 2018 19th International Scientific Conference on Electric Power Engineering (EPE), Brno, Czech Republic, 16–18 May 2018; pp. 1–6. [Google Scholar] [CrossRef]
  78. Yang, J.; He, Z.; Tang, G.; Pang, H. DC Voltage Compensation Strategy for Parallel Hybrid Multilevel Voltage-Source Converter. IEEE Trans. Power Deliv. 2016, 31, 465–474. [Google Scholar] [CrossRef]
  79. Amankwah, E.; Watson, A.; Feldman, R.; Clare, J.; Wheeler, P. Experimental validation of a parallel hybrid modular multilevel voltage source converter for HVDC transmission. In Proceedings of the 2013 Twenty-Eighth Annual IEEE Applied Power Electronics Conference and Exposition (APEC), Long Beach, CA, USA, 17–21 March 2013; pp. 1607–1614. [Google Scholar] [CrossRef]
  80. Patro, S.K.; Ghat, M.B.; Shukla, A. DC Fault Tolerant Modified Parallel Hybrid Converter with Enhanced Operating Range. In Proceedings of the 2018 IEEE Energy Conversion Congress and Exposition (ECCE), Portland, OR, USA, 23–27 September 2018; pp. 119–126. [Google Scholar] [CrossRef]
  81. Park, J.W.; Jung, J.H.; Kim, J.M.; Son, Y.D. Fault tolerant control of three phase 2-parallel AC/DC PWM converter systems. In Proceedings of the 2017 IEEE 3rd International Future Energy Electronics Conference and ECCE Asia (IFEEC 2017—ECCE Asia), Kaohsiung, Taiwan, 3–7 June 2017; pp. 846–851. [Google Scholar] [CrossRef]
  82. Wei, L.; Hang, W.; Gen, C.; Wen, Z.J.; Xu, C. Optimal Fault-tolerant Control for Improving the Availability of Parallel Wind Power Converters. In Proceedings of the 2020 4th International Conference on HVDC (HVDC), Xi’an, China, 6–9 November 2020; pp. 1066–1071. [Google Scholar] [CrossRef]
  83. Singh, R.K.; Mishra, S. A digital optimal battery charger with the inbuilt fault detection property. In Proceedings of the 2012 IEEE International Conference on Power Electronics, Drives and Energy Systems (PEDES), Bengaluru, India, 16–19 December 2012; pp. 1–6. [Google Scholar] [CrossRef]
  84. Raherimihaja, H.J.; Zhang, Q.; Na, T.; Shao, M.; Wang, J. A Three-Phase Integrated Battery Charger for EVs Based on Six-Phase Open-End Winding Machine. IEEE Trans. Power Electron. 2020, 35, 12122–12132. [Google Scholar] [CrossRef]
  85. Viana, C.; Keshani, M.; Lehn, P.W. Interleaved Buck-Boost Integrated DC Fast Charger with Bidirectional Fault Blocking Capability. In Proceedings of the 2019 20th Workshop on Control and Modeling for Power Electronics (COMPEL), Toronto, ON, Canada, 17–20 June 2019; pp. 1–7. [Google Scholar] [CrossRef]
  86. Zhang, Y.; Li, T.; Yan, X.; Wang, L.; Zhang, J.; Diao, X.; Li, B. Electric Vehicle Charging Fault Monitoring and Warning Method Based on Battery Model. World Electr. Veh. J. 2021, 12, 14. [Google Scholar] [CrossRef]
  87. Abdel-Majeed, M.S.; Shawier, A.; Abdel-Khalik, A.S.; Hamad, M.S.; Sedky, M.M.; Elmalhy, N.A. General Current Control of Six-Phase-Based Non-Isolated Integrated On-Board Charger with Low Order Harmonic Compensation. Sustainability 2022, 14, 1088. [Google Scholar] [CrossRef]
  88. Kisacikoglu, M.C.; Kesler, M.; Tolbert, L.M. Single-Phase On-Board Bidirectional PEV Charger for V2G Reactive Power Operation. IEEE Trans. Smart Grid 2015, 6, 767–775. [Google Scholar] [CrossRef]
Publisher’s Note: MDPI stays neutral with regard to jurisdictional claims in published maps and institutional affiliations.

Article Metrics

Citations

Article Access Statistics

Multiple requests from the same IP address are counted as one view.