A 112 Gb/s DAC-Based Duo-Binary PAM4 Transmitter in 28 nm CMOS
Abstract
:1. Introduction
2. Basic Theory of SerDes
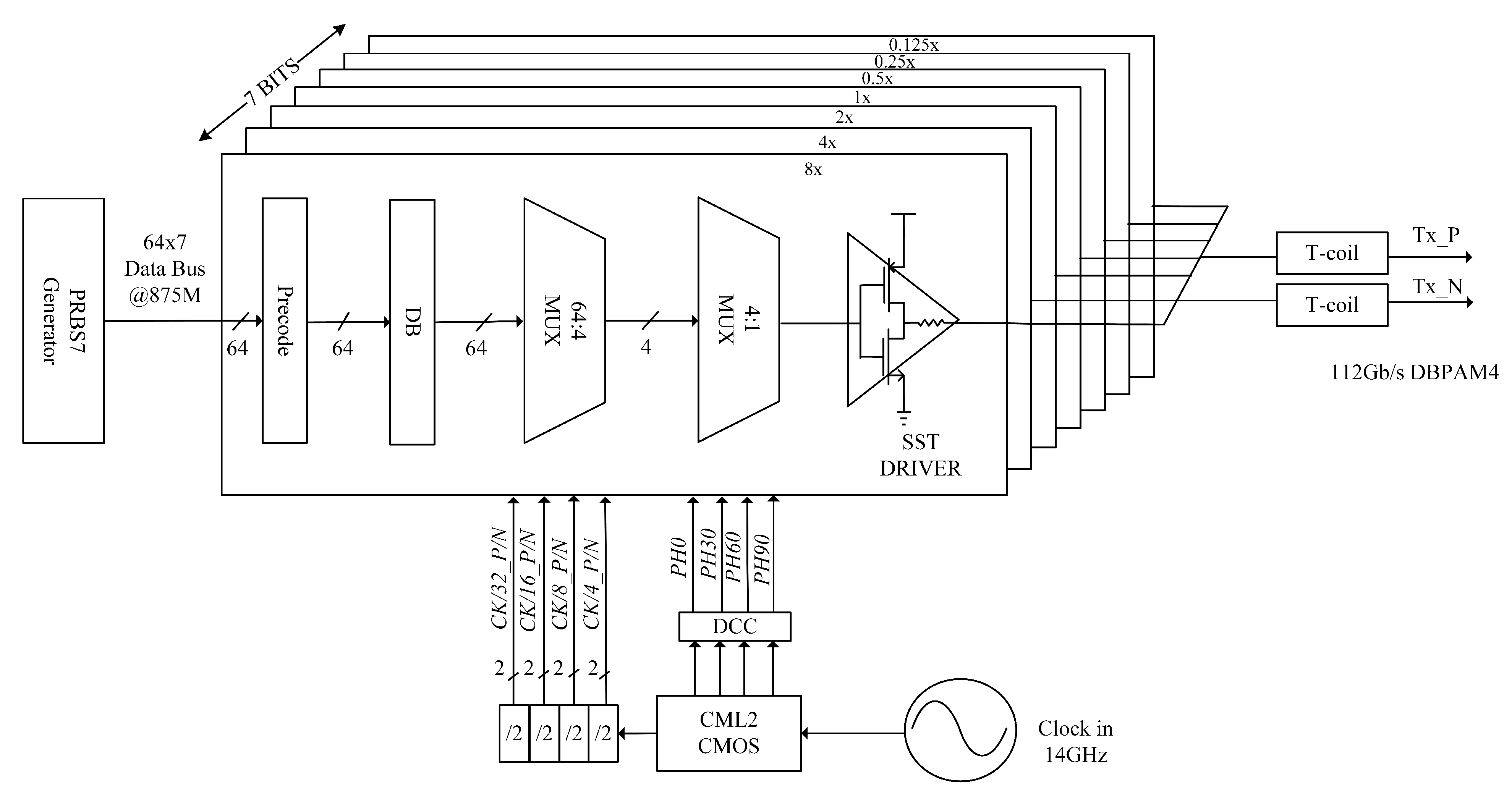
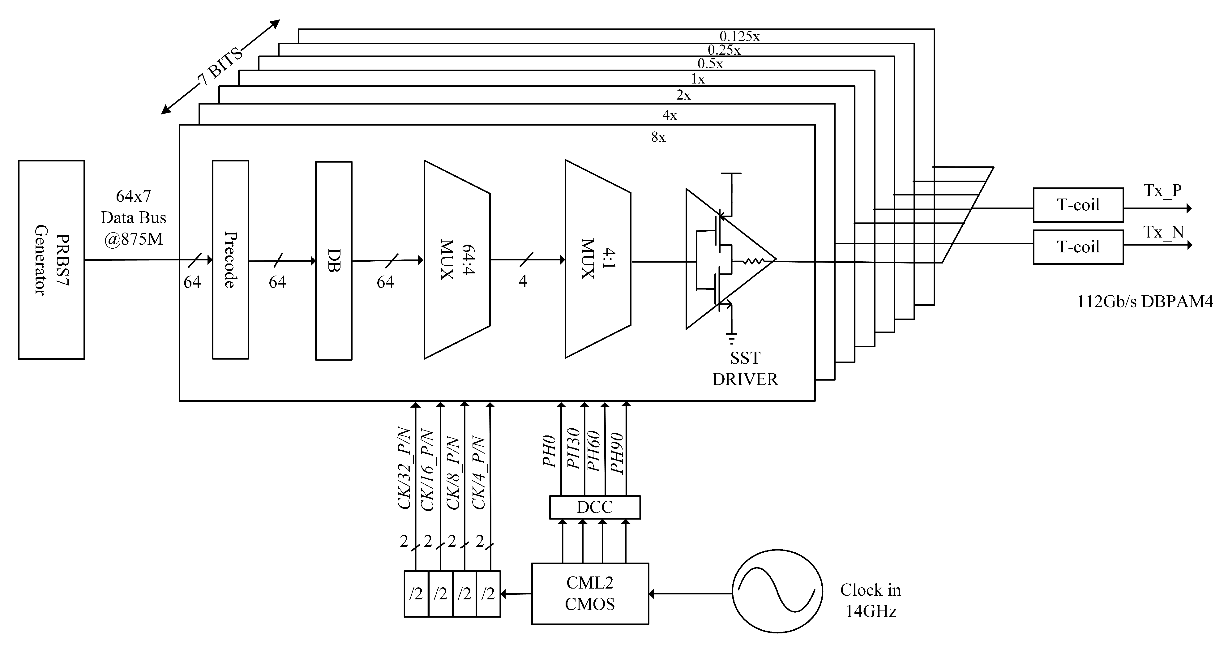
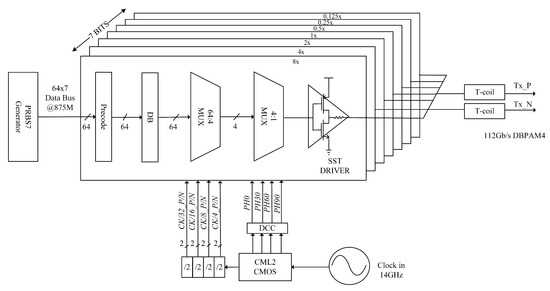
3. Transmitter System Architecture
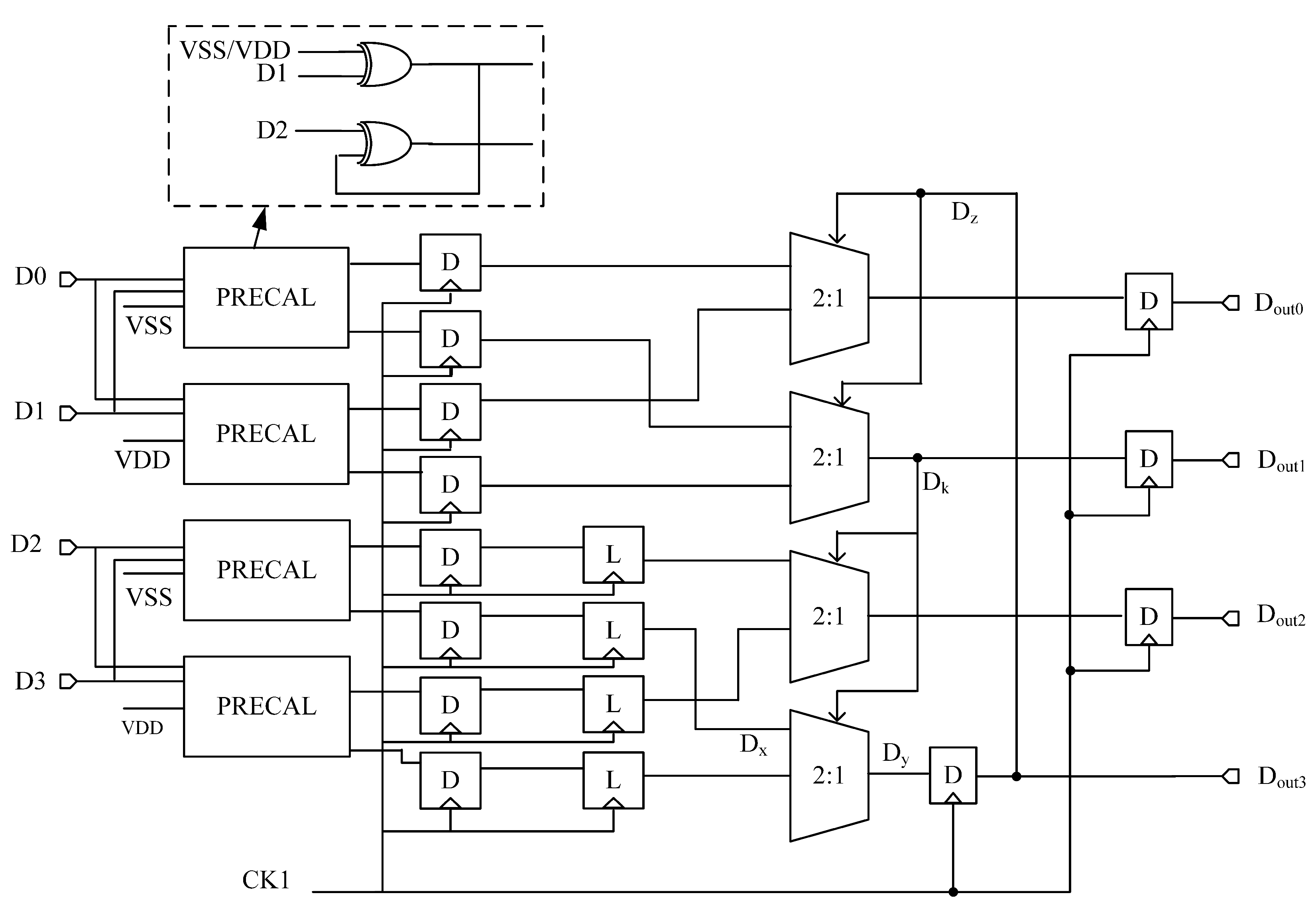
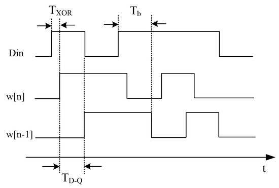
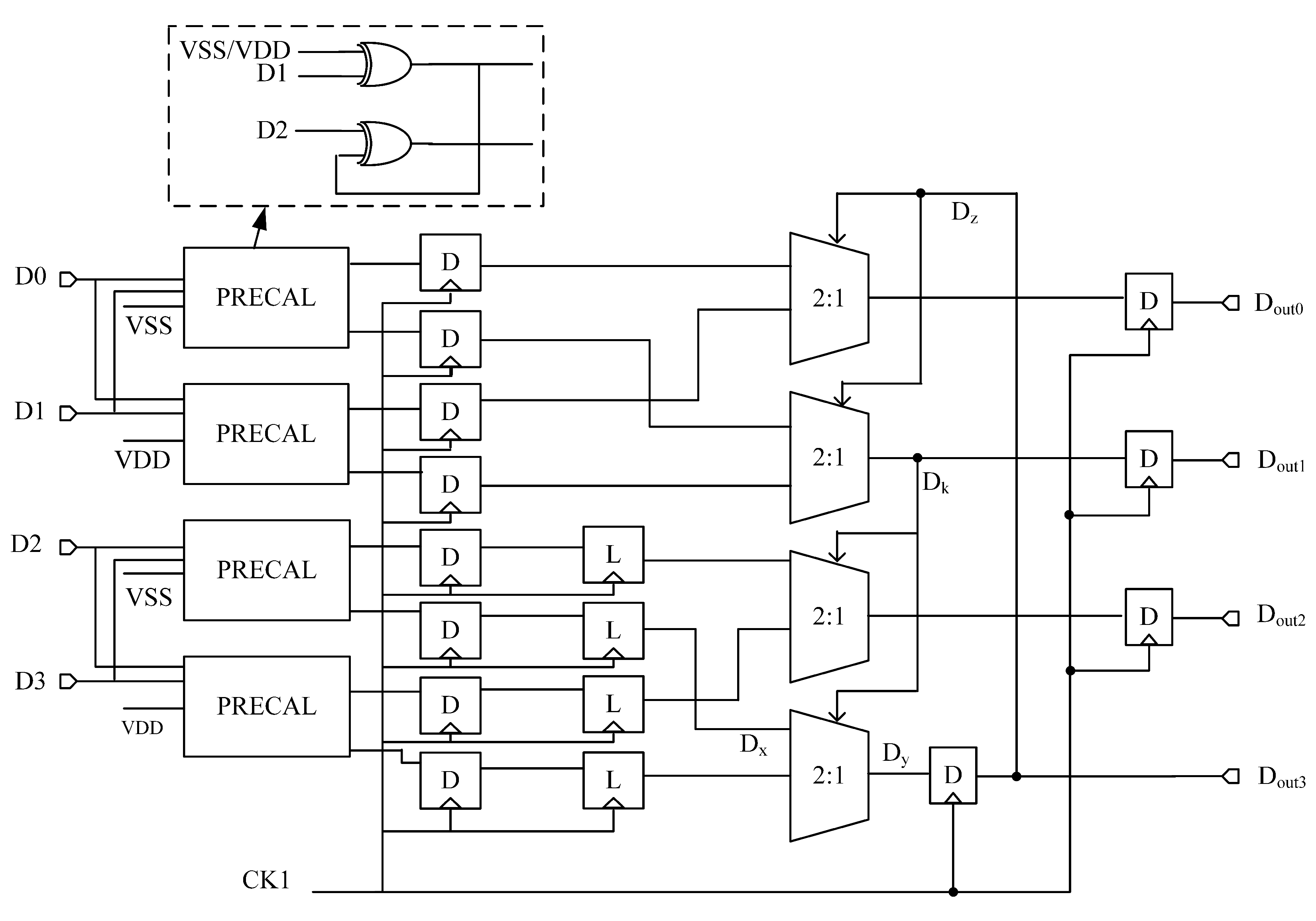
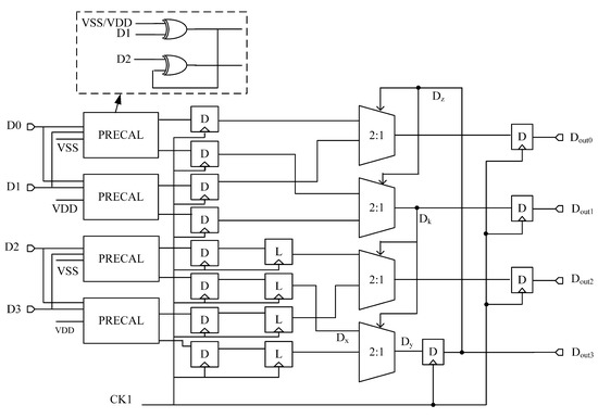
3.1. Precoding Design
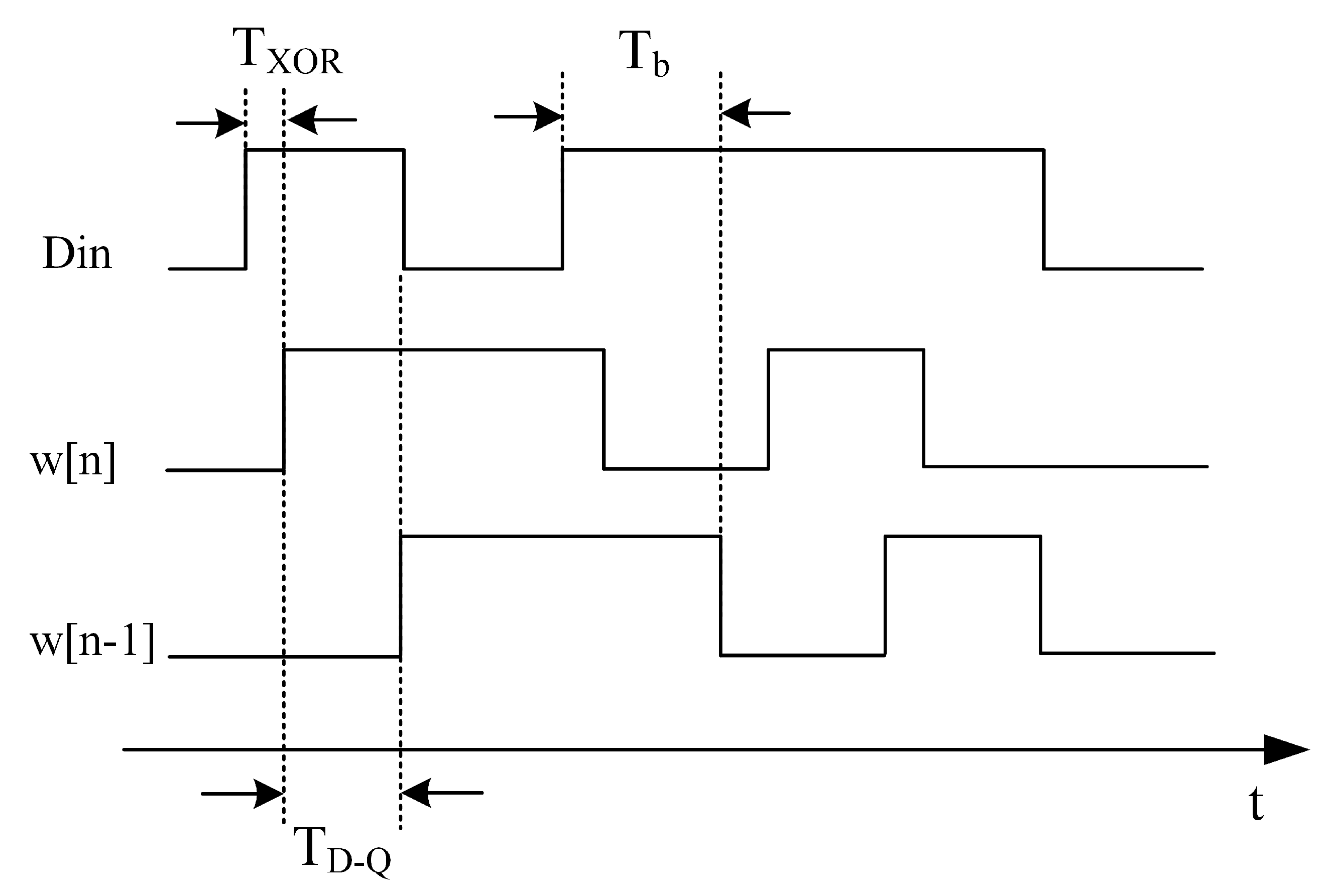
3.2. High Speed 4:1 MUX Circuit Design
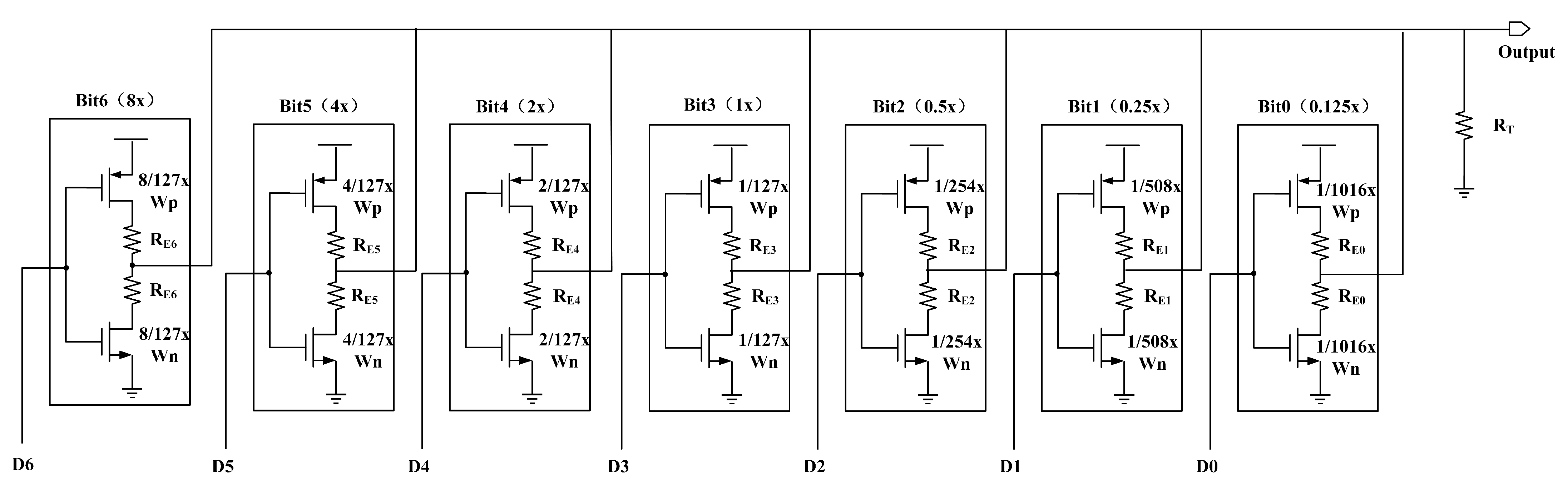
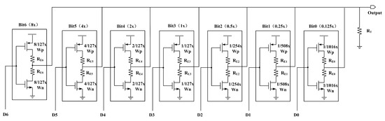
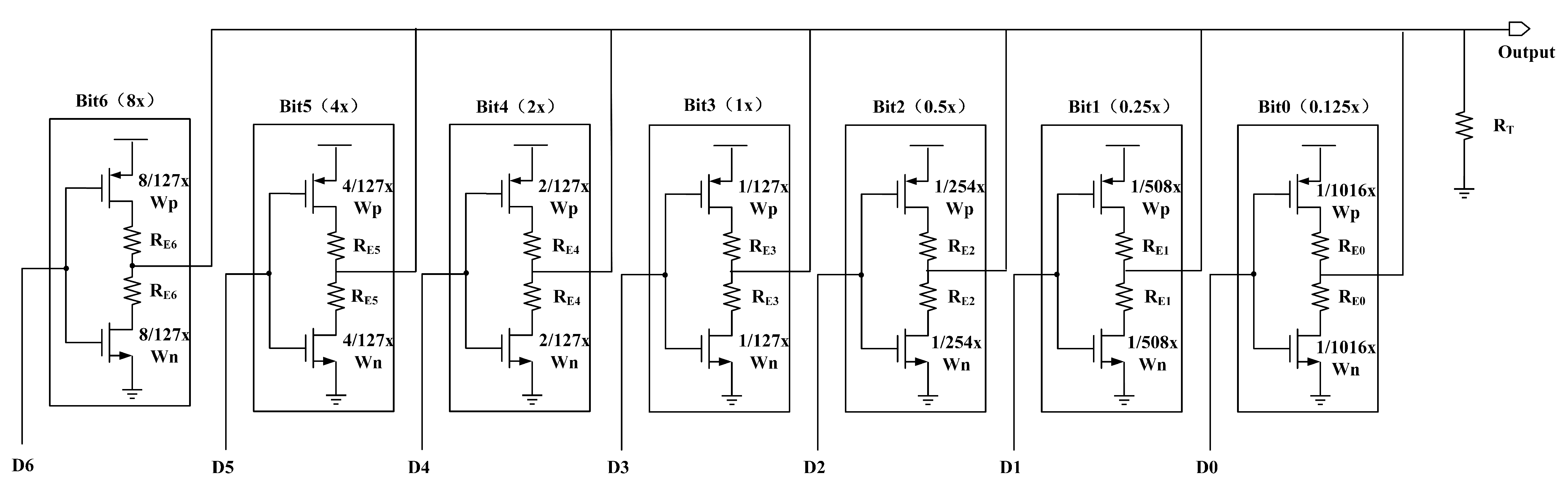
3.3. Driver Circuit Design
4. Results
5. Conclusions
Author Contributions
Funding
Conflicts of Interest
References
- Kim, J.; Kundu, S.; Balankutty, A.; Beach, M.; Kim, B.C.; Kim, S.; Liu, Y.; Murthy, S.K.; Wali, P.; Yu, K.; et al. 8.1 A 224Gb/s DAC-based PAM-4 transmitter with 8-tap FFE in 10 nm CMOS. In Proceedings of the 2021 IEEE International Solid-State Circuits Conference (ISSCC), San Francisco, CA, USA, 13–22 February 2021; Volume 64, pp. 126–128. [Google Scholar]
- Roshan-Zamir, A.; Iwai, T.; Fan, Y.H.; Kumar, A.; Yang, H.W.; Sledjeski, L.; Hamilton, J.; Chandramouli, S.; Aude, A.; Palermo, S. A 56-Gb/s PAM4 receiver with low-overhead techniques for threshold and edge-based DFE FIR-and IIR-tap adaptation in 65-nm CMOS. IEEE J. Solid-State Circuits 2018, 54, 672–684. [Google Scholar] [CrossRef]
- Depaoli, E.; Zhang, H.; Mazzini, M.; Audoglio, W.; Rossi, A.A.; Albasini, G.; Pozzoni, M.; Erba, S.; Temporiti, E.; Mazzanti, A. A 64 Gb/s low-power transceiver for short-reach PAM-4 electrical links in 28-nm FDSOI CMOS. IEEE J. Solid-State Circuits 2018, 54, 6–17. [Google Scholar] [CrossRef]
- Tan, K.; Chiang, P.C.; Wang, Y.; Zhao, H.; Roldan, A.; Zhao, H.; Narang, N.; Lim, S.W.; Carey, D.; Ambatipudi, S.L.C.; et al. A 112-Gb/s PAM4 transmitter in 16nm FinFET. In Proceedings of the 2018 IEEE Symposium on VLSI Circuits, Honolulu, HI, USA, 18–22 June 2018; pp. 45–46. [Google Scholar]
- Tang, Z.; Lv, F.; Shi, J.; Zhang, J.; Wang, Z.; Li, P. 112Gbps High-speed SerDes Transmitter Based on Duo-Binary Pam4 Encoding. In Proceedings of the 2021 6th International Conference on Integrated Circuits and Microsystems (ICICM), Nanjing, China, 22–24 October 2021; pp. 73–76. [Google Scholar]
- Cai, C.; Zheng, X.; Chen, Y.; Wu, D.; Luan, J.; Lu, D.; Zhou, L.; Wu, J.; Liu, X. A 1.55-to-32-Gb/s Four-Lane Transmitter with 3-Tap Feed Forward Equalizer and Shared PLL in 28-nm CMOS. Electronics 2021, 10, 1873. [Google Scholar] [CrossRef]
- Zheng, X.; Ding, H.; Zhao, F.; Wu, D.; Zhou, L.; Wu, J.; Lv, F.; Wang, J.; Liu, X. A 50–112-Gb/s PAM-4 transmitter with a fractional-spaced FFE in 65-nm CMOS. IEEE J. Solid-State Circuits 2020, 55, 1864–1876. [Google Scholar] [CrossRef]
- Upadhyaya, P.; Poon, C.F.; Lim, S.W.; Cho, J.; Roldan, A.; Zhang, W.; Namkoong, J.; Pham, T.; Xu, B.; Lin, W.; et al. A fully adaptive 19–58-Gb/s PAM-4 and 9.5–29-Gb/s NRZ wireline transceiver with configurable ADC in 16-nm FinFET. IEEE J. Solid-State Circuits 2018, 54, 18–28. [Google Scholar] [CrossRef]
- Peng, P.J.; Chen, Y.T.; Lai, S.T.; Chen, C.H.; Huang, H.E.; Shih, T. 6.7 a 112Gb/s PAM-4 voltage-mode transmitter with 4-tap two-step FFE and automatic phase alignment techniques in 40nm CMOS. In Proceedings of the 2019 IEEE International Solid-State Circuits Conference-(ISSCC), San Francisco, CA, USA, 17–21 February 2019; pp. 124–126. [Google Scholar]
- Saber, M.G.; Gutiérrez-Castrejón, R.; Xing, Z.; Alam, M.S.; El-Fiky, E.; Ceballos-Herrera, D.E.; Cavaliere, F.; Vall-Llosera, G.; Lessard, S.; Plant, D.V. Demonstration of 108 Gb/s duo-binary PAM-8 transmission and the probabilistic modeling of DB-PAM-M BER. IEEE Photonics J. 2021, 13, 1–14. [Google Scholar] [CrossRef]
- Suhr, L.F.; Olmos, J.V.; Mao, B.; Xu, X.; Liu, G.; Monroy, I.T. 112-Gbit/s× 4-lane duobinary-4-PAM for 400GBase. In Proceedings of the 2014 The European Conference on Optical Communication (ECOC), Cannes, France, 1–25 September 2014; pp. 1–3. [Google Scholar]
- Loi, C.; Mellati, A.; Tan, A.; Farhoodfar, A.; Tiruvur, A.; Helal, B.; Killips, B.; Rad, F.; Riani, J.; Pernillo, J.; et al. 6.5 A 400Gb/s transceiver for PAM-4 optical direct-detect application in 16nm FinFET. In Proceedings of the 2019 IEEE International Solid-State Circuits Conference-(ISSCC), San Francisco, CA, USA, 17–21 February 2019; pp. 120–122. [Google Scholar]
- Mishra, P.; Tan, A.; Helal, B.; Ho, C.; Loi, C.; Riani, J.; Sun, J.; Mistry, K.; Raviprakash, K.; Tse, L.; et al. 8.7 A 112Gb/s ADC-DSP-based PAM-4 transceiver for long-reach applications with >40 dB channel loss in 7nm FinFET. In Proceedings of the 2021 IEEE International Solid-State Circuits Conference (ISSCC), San Francisco, CA, USA, 13–22 February 2021; Volume 64, pp. 138–140. [Google Scholar]
- Chen, M.S.; Yang, C.K.K. A 50–64 Gb/s serializing transmitter with a 4-tap, LC-ladder-filter-based FFE in 65 nm CMOS technology. IEEE J. Solid-State Circuits 2015, 50, 1903–1916. [Google Scholar] [CrossRef]
- Han, J.; Sutardja, N.; Lu, Y.; Alon, E. Design techniques for a 60-Gb/s 288-mW NRZ transceiver with adaptive equalization and baud-rate clock and data recovery in 65-nm CMOS technology. IEEE J. Solid-State Circuits 2017, 52, 3474–3485. [Google Scholar] [CrossRef]
- Shafik, A.; Tabasy, E.Z.; Cai, S.; Lee, K.; Hoyos, S.; Palermo, S. A 10 Gb/s hybrid ADC-based receiver with embedded analog and per-symbol dynamically enabled digital equalization. IEEE J. Solid-State Circuits 2016, 51, 671–685. [Google Scholar]
- Pisati, M.; De Bernardinis, F.; Pascale, P.; Nani, C.; Sosio, M.; Pozzati, E.; Ghittori, N.; Magni, F.; Garampazzi, M.; Bollati, G.; et al. 6.3 A sub-250mW 1-to-56Gb/s continuous-range PAM-4 42.5 dB IL ADC/DAC-based transceiver in 7nm FinFET. In Proceedings of the 2019 IEEE International Solid-State Circuits Conference-(ISSCC), San Francisco, CA, USA, 13–22 February 2019; pp. 116–118. [Google Scholar]
- Li, J.; An, S.; Zhu, Q.; Li, X.; Su, Y. VSB Modified Duobinary PAM4 Signal Transmission in an IM/DD System with Mitigated Image Interference. IEEE Photonics Technol. Lett. 2021, 492, 126971. [Google Scholar] [CrossRef]
- Peng, P.J.; Lai, S.T.; Wang, W.H.; Lin, C.W.; Huang, W.C.; Shih, T. 6.8 A 100Gb/s NRZ transmitter with 8-Tap FFE using a 7b DAC in 40nm CMOS. In Proceedings of the 2020 IEEE International Solid-State Circuits Conference-(ISSCC), San Francisco, CA, USA, 16–20 February 2020; pp. 130–132. [Google Scholar]
- Cheng, C.; Li, Y.; Yu, Q.; Li, Z.; Li, H.; Song, Y. Comparison of single-lane 100 Gb/s PAM-4 and DB-PAM-4 signals transmission based on 12G receiver with FFE and LDPC. Opt. Commun. 2020, 32, 126971. [Google Scholar] [CrossRef]
- Min, B.; Lee, K.; Palermo, S. A 20 Gb/s triple-mode (PAM-2, PAM-4, and duobinary) transmitter. Microelectron. J. 2012, 43, 687–696. [Google Scholar] [CrossRef]
- Lv, F.; Zheng, X.; Zhao, F.; Wang, J.; Wang, Z.; Yuan, S.; He, Y.; Zhang, C. A 2-40 Gb/s PAM4/NRZ Dual-mode Wireline Transmitter with 4: 1 MUX in 65-nm CMOS. J. Semicond. Technol. Sci. 2018, 18, 270–280. [Google Scholar] [CrossRef]
- Zheng, X.; Zhang, C.; Lv, F.; Zhao, F.; Yuan, S.; Yue, S.; Wang, Z.; Li, F.; Wang, Z.; Jiang, H. A 40-Gb/s quarter-rate SerDes transmitter and receiver chipset in 65-nm CMOS. IEEE J. Solid-State Circuits 2017, 52, 2963–2978. [Google Scholar] [CrossRef] [Green Version]
- Groen, E.; Boecker, C.; Hossain, M.; Vu, R.; Vamvakos, S.; Lin, H.; Li, S.; Van Ierssel, M.; Choudhary, P.; Wang, N.; et al. 6.3 A 10-to-112Gb/s DSP-DAC-Based Transmitter with 1.2 V ppd Output Swing in 7nm FinFET. In Proceedings of the 2020 IEEE International Solid-State Circuits Conference-(ISSCC), San Francisco, CA, USA, 16–20 February 2020; pp. 120–122. [Google Scholar]
- Celik, F.; Akkaya, A.; Tajalli, A.; Leblebici, Y. A 32-Gb/s PAM-4 SST Transmitter With Four-Tap FFE Using High-Impedance Driver in 28-nm FDSOI. IEEE Trans. Very Large Scale Integr. Syst. 2021, 29, 1132–1140. [Google Scholar] [CrossRef]
- Chen, Y.; Mak, P.I.; Boon, C.C.; Martins, R.P. A 36-Gb/s 1.3-mW/Gb/s duobinary-signal transmitter exploiting power-efficient cross-quadrature clocking multiplexers with maximized timing margin. IEEE Trans. Circuits Syst. I Regul. Pap. 2018, 65, 3014–3026. [Google Scholar]
- Ju, H.; Choi, M.C.; Jeong, G.S.; Bae, W.; Jeong, D.K. A 28 Gb/s 1.6 pJ/b PAM-4 transmitter using fractionally spaced 3-tap FFE and G_{m}-regulated resistive-feedback driver. IEEE Trans. Circuits Syst. II Express Briefs 2017, 64, 1377–1381. [Google Scholar] [CrossRef]
- Yang, H.W.; Roshan-Zamir, A.; Song, Y.H.; Palermo, S. A low-power dual-mode 20-Gb/s NRZ and 28-Gb/s PAM-4 voltage-mode transmitter. In Proceedings of the 2017 IEEE Asian Solid-State Circuits Conference (A-SSCC), Seoul, Korea, 6–8 November 2017; pp. 261–264. [Google Scholar]
- Ye, B.; Sheng, K.; Gai, W.; Niu, H.; Zhang, B.; He, Y.; Jia, S.; Chen, C.; Yu, J. A 2.29 pJ/b 112Gb/s Wireline Transceiver with RX 4-Tap FFE for Medium-Reach Applications in 28nm CMOS. In Proceedings of the 2022 IEEE International Solid-State Circuits Conference (ISSCC), San Francisco, CA, USA, 20–26 February 2022; Volume 65, pp. 118–120. [Google Scholar]
- Kossel, M.A.; Khatri, V.; Braendli, M.; Francese, P.A.; Morf, T.; Yonar, S.A.; Prathapan, M.; Lukes, E.J.; Richetta, R.A.; Cox, C. An 8b DAC-Based SST TX Using Metal Gate Resistors with 1.4 pJ/b Efficiency at 112Gb/s PAM-4 and 8-Tap FFE in 7iim CMOS. In Proceedings of the 2021 IEEE International Solid-State Circuits Conference (ISSCC), San Francisco, CA, USA, 13–22 February 2021; Volume 64, pp. 130–132. [Google Scholar]
- Ali, T.; Chen, E.; Park, H.; Yousry, R.; Ying, Y.M.; Abdullatif, M.; Gandara, M.; Liu, C.C.; Weng, P.S.; Chen, H.S.; et al. 6.2 A 460mW 112Gb/s DSP-based transceiver with 38dB loss compensation for next-generation data centers in 7nm FinFET technology. In Proceedings of the 2020 IEEE International Solid-State Circuits Conference-(ISSCC), San Francisco, CA, USA, 16–20 February 2020; pp. 118–120. [Google Scholar]
- Kim, J.; Balankutty, A.; Dokania, R.K.; Elshazly, A.; Kim, H.S.; Kundu, S.; Shi, D.; Weaver, S.; Yu, K.; O’Mahony, F. A 112 Gb/s PAM-4 56 Gb/s NRZ reconfigurable transmitter with three-tap FFE in 10-nm FinFET. IEEE J. Solid-State Circuits 2018, 54, 29–42. [Google Scholar] [CrossRef]



















Publisher’s Note: MDPI stays neutral with regard to jurisdictional claims in published maps and institutional affiliations. |
© 2022 by the authors. Licensee MDPI, Basel, Switzerland. This article is an open access article distributed under the terms and conditions of the Creative Commons Attribution (CC BY) license (https://creativecommons.org/licenses/by/4.0/).
Share and Cite
Tang, Z.; Lv, F.; Shi, J.; Zhang, J.; Wei, J.; Wang, X. A 112 Gb/s DAC-Based Duo-Binary PAM4 Transmitter in 28 nm CMOS. Electronics 2022, 11, 2486. https://doi.org/10.3390/electronics11162486
Tang Z, Lv F, Shi J, Zhang J, Wei J, Wang X. A 112 Gb/s DAC-Based Duo-Binary PAM4 Transmitter in 28 nm CMOS. Electronics. 2022; 11(16):2486. https://doi.org/10.3390/electronics11162486
Chicago/Turabian StyleTang, Zixiang, Fangxu Lv, Jianjun Shi, Jinwang Zhang, Jiahang Wei, and Xinjie Wang. 2022. "A 112 Gb/s DAC-Based Duo-Binary PAM4 Transmitter in 28 nm CMOS" Electronics 11, no. 16: 2486. https://doi.org/10.3390/electronics11162486
APA StyleTang, Z., Lv, F., Shi, J., Zhang, J., Wei, J., & Wang, X. (2022). A 112 Gb/s DAC-Based Duo-Binary PAM4 Transmitter in 28 nm CMOS. Electronics, 11(16), 2486. https://doi.org/10.3390/electronics11162486

