Inductance Simulators and Their Application to the 4th Order Elliptic Lowpass Ladder Filter Using CMOS VD-DIBAs
Abstract
1. Introduction
2. The Compact CMOS Structure of the VD-DIBA
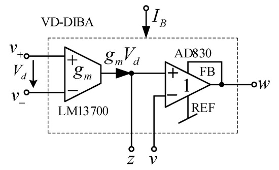
2.1. Basic Concept of VD-DIBA
2.2. Internal Construction of Compact CMOS VD-DIBA
3. Simulation Result of VD-DIBA’s Performances
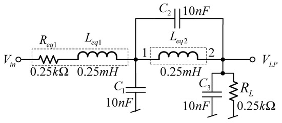
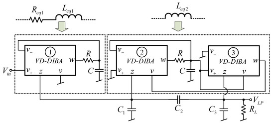
4. The Proposed Floating Inductance Simulators Using VD-DIBAs
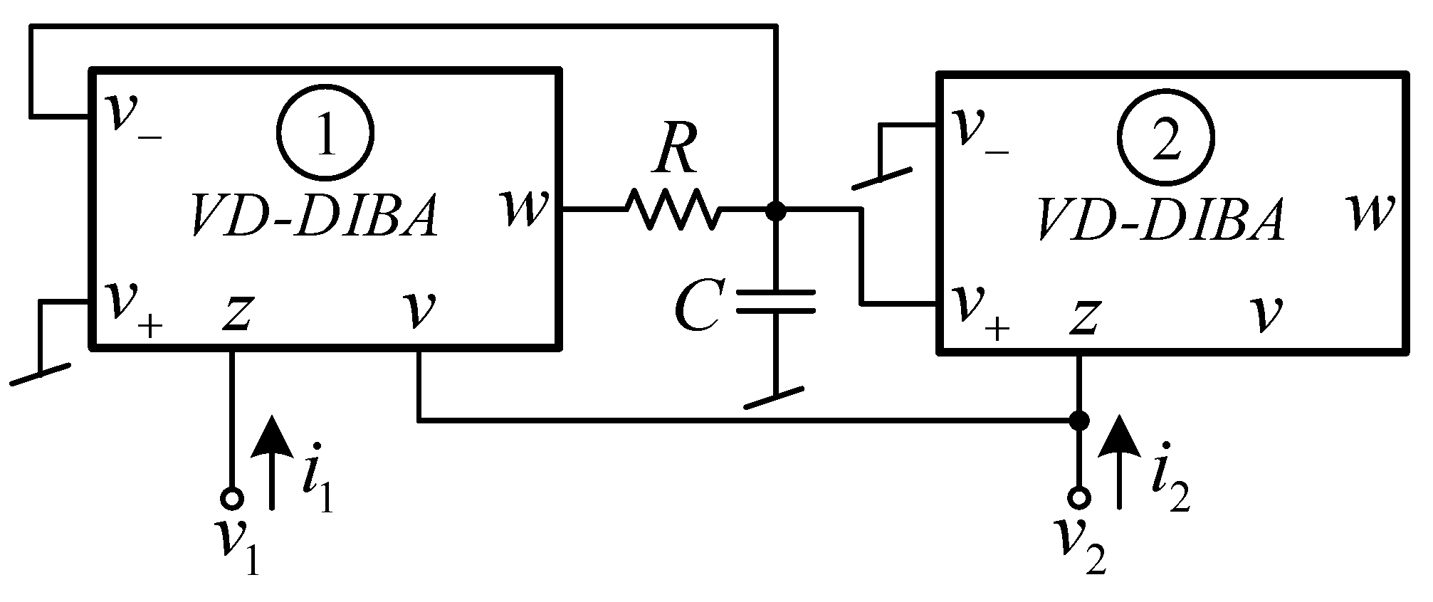
4.1. The Proposed Floating Lossless Inductance Simulator
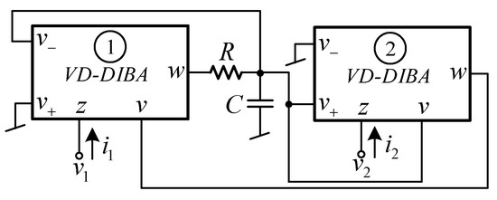
4.2. The Proposed Floating Series Inductance-Resistance Simulator
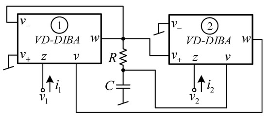
4.3. The Proposed Floating Parallel Inductance-Resistance Simulator
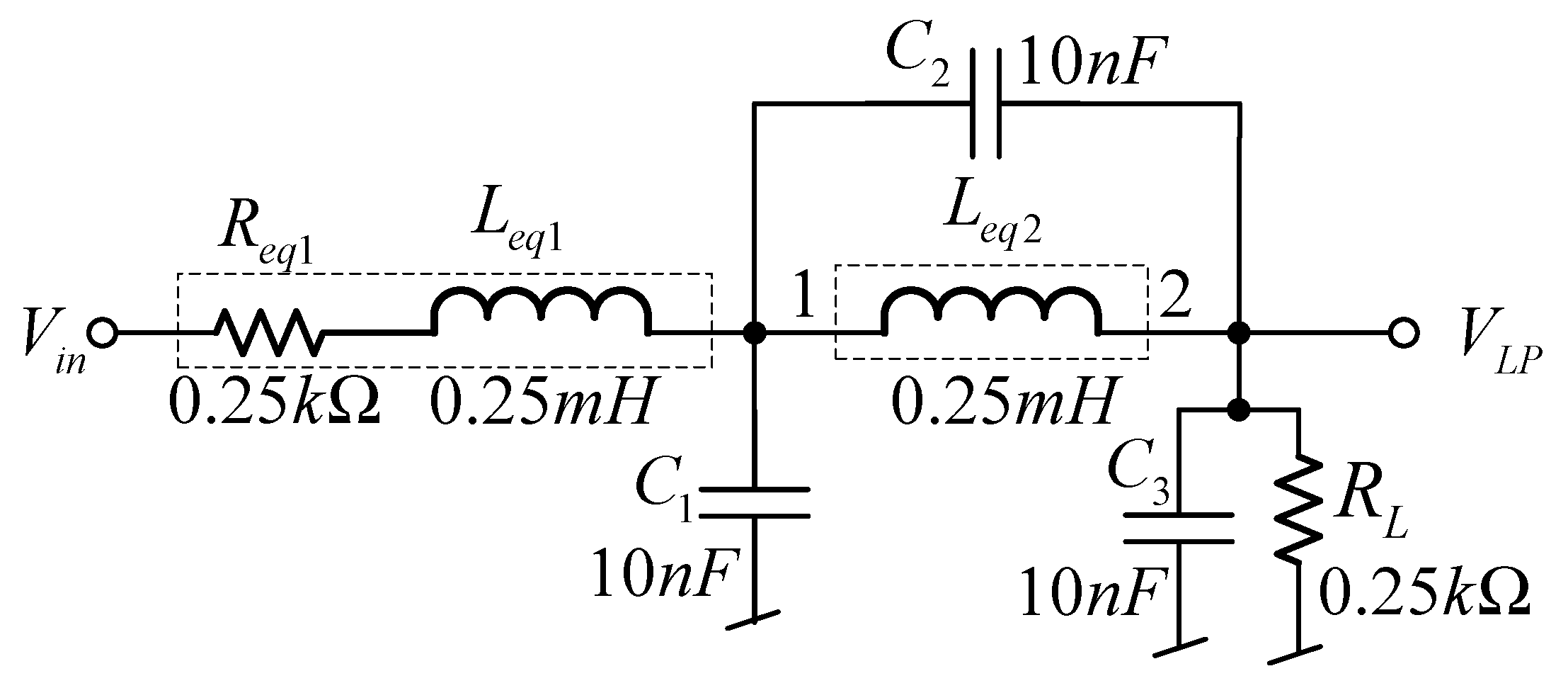
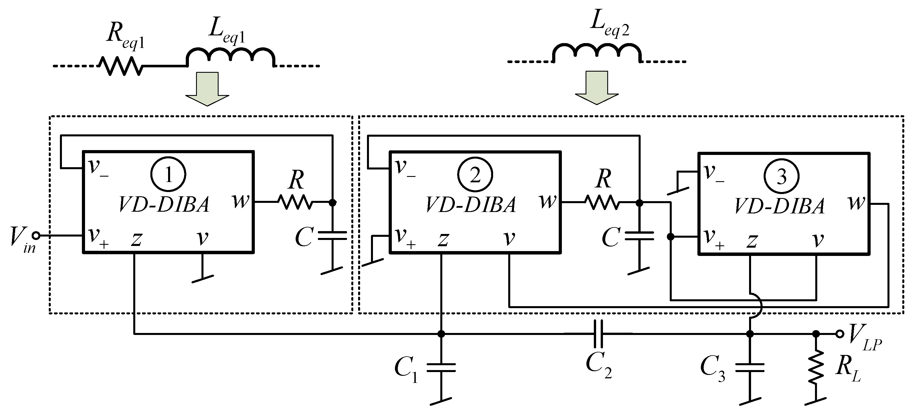
5. Simulation Results of Inductance Simulators
6. Experimental Results of Inductance Simulators
7. Comparison
8. Conclusions
Author Contributions
Funding
Acknowledgments
Conflicts of Interest
References
- Yuan, E. CMOS Active Inductors and Transformers: Principle, Implementation, and Applications; Springer Science & Business Media: New York, NY, USA, 2008. [Google Scholar]
- Sagbas, M.; Ayten, U.E.; Sedef, H.; Koksal, M. Electronically tunable floating inductance simulator. AEU Int. J. Electron. Commun. 2009, 63, 423–427. [Google Scholar] [CrossRef]
- Psychalinos, C.; Spanidou, A. Current amplifier based grounded and floating inductance simulators. AEU Int. J. Electron. Commun. 2006, 60, 68–171. [Google Scholar] [CrossRef]
- Metin, B.; Cicekoglu, O. A novel floating lossy inductance realization topology with NICs using current conveyors. IEEE Trans. Circuits Syst. II Express Briefs 2006, 53, 483–486. [Google Scholar] [CrossRef]
- Biolek, D.; Senani, R.; Biolkova, V.; Kolka, Z. Active elements for analog signal processing: Classification, review, and new proposals. Radioengineering 2008, 17, 15–32. [Google Scholar]
- Gupta, P.; Pandey, R. A low-power voltage differencing buffered amplifier. Int. J. Circ. Theor. Appl. 2019, 47, 1402–1416. [Google Scholar] [CrossRef]
- Mamatov, I.; Özçelep, Y.; Kaçar, F. Voltage differencing buffered amplifier based low power, high frequency and universal filters using 32 nm CNTFET technology. Microelectron. J. 2021, 107, 104948. [Google Scholar] [CrossRef]
- Yadav, N.; Rai, S.K.; Pandey, R. Novel Memristor Emulators using Fully Balanced VDBA and Grounded Capacitor. Iran. J. Sci. Technol. Trans. Elec Eng. 2021, 45, 229–245. [Google Scholar] [CrossRef]
- Tangsrirat, W.; Channumsin, O. Tunable Floating Capacitance Multiplier Using Single Fully Balanced Voltage Differencing Buffered Amplifier. J. Commun. Technol. Electron. 2019, 64, 797–803. [Google Scholar] [CrossRef]
- Tangsrirat, W. Linearly tunable voltage differencing buffered amplifier. Rev. Roum. Sci. Tech.-El. 2019, 64, 247–253. [Google Scholar]
- Gupta, P.; Pandey, R. Voltage differencing buffered amplifier based voltage mode four quadrant analog multiplier and its applications. Int. J. Eng. Trans. A Basics 2019, 32, 528–535. [Google Scholar]
- Gupta, P.; Pandey, N.; Pandey, R. High CMRR wide bandwidth instrumentation amplifier based on VDBA. Recent Adv. Electr. Electron. Eng. 2018, 11, 239–247. [Google Scholar] [CrossRef]
- Yeşil, A.; Kaçar, F. Current and voltage mode quadrature oscillator based on voltage differencing buffered amplifier. Istamb. Univ. J. Electr Electron. Eng. 2018, 18, 6–12. [Google Scholar]
- Yesil, A.; Kacar, F.; Gurkan, K. Design and Experimental Evaluation of Quadrature Oscillator Employing Single Fb-Vdba. J. Electr. Eng.-Slovak. 2016, 67, 137–142. [Google Scholar] [CrossRef]
- Tangsrirat, W. Simple Bicmos Realization of Full Balanced Voltage Differencing Buffered Amplifier. Rev. Roum. Sci. Tech.-El. 2015, 60, 409–415. [Google Scholar]
- Sotner, R.; Jerabek, J.; Herencsar, N. Voltage Differencing Buffered/Inverted Amplifiers and Their Applications for Signal Generation. Radioengineering 2013, 22, 490–504. [Google Scholar]
- Kacar, F.; Yesil, A.; Noori, A. New CMOS Realization of Voltage Differencing Buffered Amplifier and Its Biquad Filter Applications. Radioengineering 2012, 21, 333–339. [Google Scholar]
- Biolek, D.; Biolkova, V. First-order voltage-mode all-pass filter employing one active element and one grounded capacitor. Analog Integr. Circuits Signal. Process. 2010, 65, 123–129. [Google Scholar] [CrossRef]
- Pushkar, K.L.; Bhaskar, D.R.; Prasad, D. Voltage-Mode Universal Biquad Filter Employing Single Voltage Differencing Differential Input Buffered Amplifier. Circ. Syst. 2013, 4, 44–48. [Google Scholar] [CrossRef]
- Pushkar, K.L.; Bhaskar, D.R.; Prasad, D. A New MISO-Type Voltage-Mode Universal Biquad Using Single VD-DIBA. ISRN Electron. 2013, 2013, 1–5. [Google Scholar] [CrossRef]
- Ninsraku, W.; Biolek, D.; Jaikla, W.; Siripongdee, S.; Suwanjan, P. Electronically controlled high input and low output impedance voltage mode multifunction filter with grounded capacitors. AEU Int. J. Electron. Commun. 2014, 68, 1239–1246. [Google Scholar] [CrossRef]
- Jaikla, W.; Biolek, D.; Siripongdee, S.; Bajer, J. High input impedance voltage-mode biquad filter using VD-DIBAs. Radioengineering 2014, 23, 914–921. [Google Scholar]
- Jaikla, W.; Siripongdee, S.; Khateb, F.; Sotner, R.; Silapan, P.; Suwanjan, P.; Chaichana, A. Synthesis of Biquad filter using two VD-DIBAs with independent control of Quality factor and natural frequency. AEU Int. J. Electron. Commun. 2021, 132, 153601. [Google Scholar] [CrossRef]
- Jardrit, P.; Jaikla, W.; Siripogdee, S.; Chaichana, A.; Sotner, R.; Khateb, F. Design of High Input Impedance Voltage-mode Multifunction Biquad Filter with Independent Control of Natural Frequency and Quality Factor. In Proceedings of the International Conference on Electrical Engineering/Electronics, Computer, Telecommunications and Information Technology (ECTI-CON), Phuket, Thailand, 24–27 June 2020; pp. 234–237. [Google Scholar]
- Pushkar, K.L.; Goel, R.K.; Gupta, K.; Vivek, P.; Ashraf, J. New VD-DIBA-Based Single-Resistance-Controlled Sinusoidal Oscillator. Circ. Syst. 2016, 7, 4145–4153. [Google Scholar] [CrossRef]
- Bajer, J.; Vavra, J.; Biolek, D. Voltage-mode quadrature oscillator using VD-DIBA active elements. In Proceedings of the IEEE Asia Pacific Conference on Circuits and Systems (APCCAS 2014), Ishigaki, Japan, 17–20 November 2014; pp. 197–200. [Google Scholar]
- Pushkar, K.L.; Bhaskar, D.R.; Prasad, D. Single-Resistance-Controlled Sinusoidal Oscillator Using Single VD-DIBA. Act. Passiv. Electron. Compon. 2013, 2013, 1–5. [Google Scholar] [CrossRef]
- Bhaskar, D.R.; Prasad, D.; Pushkar, K.L. Fully Uncoupled Electronically Controllable Sinusoidal Oscillator Employing VD-DIBAs. Circ. Syst. 2013, 4, 264–268. [Google Scholar] [CrossRef][Green Version]
- Prasad, D.; Bhaskar, D.R.; Pushkar, K.L. Electronically Controllable Sinusoidal Oscillator Employing CMOS VD-DIBAs. ISRN Electron. 2013, 2013, 1–6. [Google Scholar] [CrossRef]
- Pushkar, K.L. Electronically Controllable Quadrature Sinusoidal Oscillator Using VD-DIBAs. Circ. Syst. 2018, 9, 41–48. [Google Scholar] [CrossRef][Green Version]
- Srivastava, M.; Bhardwaj, K. Compact Lossy Inductance Simulators with Electronic Control. Iran. J. Electr. Electron. Eng. 2019, 15, 343–351. [Google Scholar]
- Bhaskar, D.R.; Prasad, D.; Pushkar, K.L. Electronically-Controllable Grounded-Capacitor-Based Grounded and Floating Inductance Simulated Circuits Using VD-DIBAs. Circ. Syst. 2013, 4, 422–430. [Google Scholar] [CrossRef]
- Prasad, D.; Bhaskar, D.R.; Pushkar, K.L. Realization of new electronically controllable grounded and floating simulated inductance circuits using Voltage Differencing Differential Input Buffered Amplifiers. Act. Passiv. Electron. Compon. 2011, 2011, 1–8. [Google Scholar] [CrossRef]
- Khateb, F.; Kulej, T.; Kumngern, M.; Psychalinos, C. Multiple-input bulk-driven MOS transistor for low-voltage low-frequency applications. Circuits Syst. Signal Process. 2019, 38, 2829–2845. [Google Scholar] [CrossRef]
- Khateb, F.; Kulej, T.; Veldandi, H.; Jaikla, W. Multiple-input bulk-driven quasi-floating-gate MOS transistor for low-voltage low-power integrated circuits. AEU Int. J. Electron. Commun. 2019, 100, 32–38. [Google Scholar] [CrossRef]
- Khateb, F.; Kulej, T.; Kumngern, M.; Jaikla, W.; Ranjan, R.K. Comparative performance study of multiple-input Bulk-driven and multiple-input Bulk-driven Quasi-floating-gate DDCCs. AEU Int. J. Electron. Commun. 2019, 108, 19–28. [Google Scholar] [CrossRef]
- Kumngern, M.; Kulej, T.; Stopjakova, V.; Khateb, F. 0.5 V Sixth-order Chebyshev band-pass filter based on multiple-input bulk-driven OTA. AEU Int. J. Electron. Commun. 2019, 111, 152930. [Google Scholar] [CrossRef]
- Kumngern, M.; Kulej, T.; Khateb, F.; Stopjakova, V.; Ranjan, R.K. Nanopower multiple-input DTMOS OTA and its applications to high-order filters for biomedical systems. AEU Int. J. Electron. Commun. 2021, 130, 153576. [Google Scholar] [CrossRef]
- Kumngern, M.; Aupithak, N.; Khateb, F.; Kulej, T. 0.5 V Fifth-Order Butterworth Low-Pass Filter Using Multiple-Input OTA for ECG Applications. Sensors 2020, 20, 7343. [Google Scholar] [CrossRef]
- Jaikla, W.; Khateb, F.; Kumngern, M.; Kulej, T.; Ranjan, R.K.; Suwanjan, P. 0.5 V Fully Differential Universal Filter Based on Multiple Input OTAs. IEEE Access. 2020, 8, 187832–187839. [Google Scholar] [CrossRef]
- Khateb, F.; Biolek, D. Bulk-Driven Current Differencing Transconductance Amplifier. Circuits Syst. Signal Process. 2011, 30, 1071–1089. [Google Scholar] [CrossRef]
- Kumngern, M.; Khateb, F.; Kulej, T. 0.3 V Differential Difference Current Conveyor Using Multiple-Input Bulk-Driven Technique. Circuits Syst. Signal Process. 2020, 39, 3189–3205. [Google Scholar] [CrossRef]
- Khateb, F.; Kumngern, M.; Kulej, T.; Psychalinos, C. 0.5 V Universal Filter Based on Multiple-Input FDDAs. Circuits Syst. Signal Process. 2019, 38, 5896–5907. [Google Scholar] [CrossRef]
- Jaikla, W.; Sotner, R.; Khateb, F. Design and analysis of floating inductance simulators using VDDDAs and their applications. AEU Int. J. Electron. Commun. 2019, 112, 152937. [Google Scholar] [CrossRef]
- Minaei, S.; Cicekoglu, O.; Kuntman, H.; Turkoz, S. Electronically tunable, active only floating inductance simulation. Int. J. Electron. 2002, 89, 905–912. [Google Scholar] [CrossRef]
- Singh, R.; Prasad, D. Comment- An Active Inductor Employing a New FTFNTA. Int. J. Electron. 2020, 107, 1406–1413. [Google Scholar] [CrossRef]
- Tarunkumar, H.; Shantikumar Singh, Y.; Ranjan, A. An active inductor employing a new four terminal floating nullor transconductance amplifier (FTFNTA). Int. J. Electron. 2020, 107, 683–702. [Google Scholar] [CrossRef]
- Safari, L.; Yuce, E.; Minaei, S.; Ferri, G.; Stornelli, V. A second-generation voltage conveyor (VCII)–based simulated grounded inductor. Int. J. Circ. Theor. Appl. 2020, 48, 1180–1193. [Google Scholar] [CrossRef]
- Abaci, A.; Yuce, E. Single DDCC−Based simulated floating inductors and their applications. IET Circuits Devices Syst. 2020, 14, 796–804. [Google Scholar] [CrossRef]
- Prasad, D.; Haseeb, Z.; Mainuddin; Akram, M. Realization of resistorless floating inductor using modified CDTA. Indian J. Pure Appl. Phys. 2019, 57, 29–32. [Google Scholar]
- Moonmuang, P.; Pukkalanun, T.; Unhavanich, S.; Tangsrirat, W. Actively simulated floating lossless inductor for short range wireless communication. J. Mob. Multimed. 2019, 15, 321–338. [Google Scholar]
- Yesil, A.; Yuce, E.; Minaei, S. Inverting voltage buffer based lossless grounded inductor simulators. AEU Int. J. Electron. Commun. 2018, 83, 131–137. [Google Scholar] [CrossRef]
- Dogan, M.; Yuce, E. CFOA based a new grounded inductor simulator and its applications. Microelectron. J. 2019, 90, 297–305. [Google Scholar] [CrossRef]
- Tangsrirat, W. Actively Floating Lossy Inductance Simulators Using Voltage Differencing Buffered Amplifiers. IETE J. Res. 2018, 65, 446–459. [Google Scholar] [CrossRef]
- Singh, A.K.; Kumar, P.; Senani, R. Electronically tunable grounded/floating inductance simulators using Z-copy CFCCC. Turk. J. Electr. Eng. Comput. Sci. 2018, 26, 1041–1055. [Google Scholar] [CrossRef]
- Singh, A.; Jain, M.K.; Wairya, S. Novel Lossless Grounded and Floating Inductance Simulators Employing a Grounded Capacitor Based on CC-CFA. J. Circuit Syst. Comput. 2019, 28. [Google Scholar] [CrossRef]
- Yuce, E.; Minaei, S. Commercially Available Active Device Based Grounded Inductor Simulator and Universal Filter with Improved Low Frequency Performances. J. Circuit Syst. Comput. 2017, 26, 4. [Google Scholar] [CrossRef]
- Siripongdee, S.; Jaikla, W. Electronically controllable grounded inductance simulators using single commercially available IC: LT1228. AEU Int. J. Electron. Commun. 2017, 76, 1–10. [Google Scholar] [CrossRef]
- Abaci, A.; Yuce, E. Modified DVCC based quadrature oscillator and lossless grounded inductor simulator using grounded capacitor(s). AEU Int. J. Electron. Commun. 2017, 76, 86–96. [Google Scholar] [CrossRef]
- Pathak, J.K.; Singh, A.K.; Senani, R. New canonic lossy inductor using a single CDBA and its application. Int. J. Electron. 2016, 103, 1–13. [Google Scholar] [CrossRef]











































| Component | W/L [µm/µm] |
|---|---|
| M1–M4 | 90/3 |
| M5–M9 | 2 × 90/3 |
| M10, M11, M14, M15, M17 | 30/3 |
| M12, M13, M16 | 2 × 30/3 |
| MR | 4/5 |
| Cc1, Cc2, C1, C2 = 2.6 pF | |
| CGi = 0.5 pF | |
| +VDD = −VSS = 0.9 V | |
| Ib = 50 µA | |
| Min | tt | Max | |
|---|---|---|---|
| Gain Vw/Vv [mdB] | −12.68 | −7.72 | −5.42 |
| Gain Vw/Vz [mdB] | −25.45 | 5.79 | 77.6 |
| −3 dB Vw/Vv [MHz] | 5.33 | 6.36 | 7.48 |
| −3 dB Vw/Vz [MHz] | 5.11 | 6.11 | 7.73 |
| Gm [µS] for Rset = 15 kΩ | 71 | 71.2 | 71.4 |
| Ref | Type | No. of ABB | No. of R + C | Grounded Capacitor | Electronic Tune | Function | Design Procedure | No Need for ABB with Multiple Output Terminal | Free from Passive Element Matching Condition | Technology | Results | Supply Voltages and Power | Application in Filter Design and Performances |
|---|---|---|---|---|---|---|---|---|---|---|---|---|---|
| [31] | Grounded | 1 VD-DIBA | 1 + 1 | Yes | Yes | Series LR Parallel LR | No | Yes | Yes | 0.18 μm TSMC CMOS and Commercial ICs | Simulation | ±0.9 V and N/A | 2nd order LPF and HPF |
| [32] | Grounded | 1 VD-DIBA | 1 + 1 | Yes | Yes | Lossless L | No | Yes | Yes | 0.35 μm MIETEC CMOS | Simulation | ±2 V and N/A | 2nd order BPF |
| Floating | 2 VD-DIBA | 1 + 1 | Yes | Yes | Lossless L | No | Yes | Yes | 0.35 μm MIETEC CMOS | Simulation | ±2 V and N/A | 2nd order BPF | |
| [33] | Grounded | 2 VD-DIBA | 0 + 1 | Yes | Yes | Lossless L | No | Yes | Yes | CMOS and Commercial ICs | Simulation | ±1 V and N/A | 2nd order BPF |
| Floating | 3 VD-DIBA | 0 + 1 | Yes | Yes | Lossless L | No | Yes | Yes | CMOS and Commercial ICs | Simulation | ±1 V and N/A | 2nd order BRF | |
| [44] | Floating | 2 VDDDA | 1 + 1 | Yes | Yes * | Lossless L Series LR Parallel LR | No | Yes | Yes | Commercial ICs | Simulation and Experiment | ±5 V at 0.66 W | 3th order LPF and 4th order BPF |
| [46] | Floating | 2 FTFNA | 1 + 2 | Yes | Yes | Lossless L | No | Yes | No | 0.18 μm TSMC CMOS | Simulation | ±1.65 V at 8.59 mW | 2nd order BPF and LPF |
| [47] | Grounded | 1 FTFNA | 1 + 1 | Yes | Yes | Lossless L | No | Yes | Yes | 0.18 μm TSMC CMOS and Commercial ICs | Simulation and Experiment | ±1.65 V at 1.28 mW | 5th HPF and 2nd universal filter |
| Floating | 1 FTFNA | 1 + 1 | Yes | Yes | Lossless L | No | Yes | Yes | 0.18 μm TSMC CMOS and Commercial ICs | Simulation and Experiment | ±1.65 V at 1.28 mW | 2nd BRF | |
| [48] | Grounded | 1 VCII | 2 + 1 | Yes | No | Lossless L | No | Yes | Yes | 0.18 μm TSMC CMOS and Commercial ICs | Simulation and Experiment | ±0.9 V at 0.65 mW | 2nd HPF |
| [49] | Floating | 1 DDCC | 2 + 1 | No | No | Negaitive lossless L Parallel LR Series LR | No | Yes | Yes | 0.13 μm CMOS and Commercial ICs | Simulation and Experiment | ±0.75 V at 2.06 mW and 1.96 mW | 2nd LPF, HPF, and 4th LPF |
| [50] | Floating | 1 M-CDTA | 0 + 1 | Yes | Yes | Lossless L | No | No | Yes | 0.5 μm CMOS | Simulation | N/A | 2nd BPF and 4th LPF |
| [51] | Floating | 3 VDBA | 0 + 1 | Yes | Yes | Lossless L | No | Yes | Yes | 0.25 μm TSMC CMOS and Commercial ICs | Simulation and Experiment | ±0.75 V at 1.13 mW | 2nd BPF and LPF |
| [52] | Grounded | 1 CCII & 2 IVB | 2 + 1 | No | No | Lossles L | No | Yes | Yes | 0.18 μm TSMC CMOS | Simulation | ±1.25 V and N/A | 2nd BPF with −40 dB of IM3 and 15.34 dBm of IIP3 |
| [53] | Grounded | 2 CFOA | 3 + 1 | Yes | No | Lossless L | No | Yes | No | 0.13 μm IBM CMOS & Commercial ICs | Simulation and Experiment | ±0.75 V at 3.53 mW | 2nd BPF |
| [54] | Floating | 2 VDBA | 1 + 1 | No | Yes | Series LR Parallel LR | No | Yes | Yes | 0.25 μm TSMC CMOS and Commercial ICs | Simulation and Experiment | ±0.75 V at 1.28 mW and 1.15 mW | 2nd LPF |
| [55] | Grounded | 1 ZC-CFCCC | 0 + 1 | Yes | Yes | Lossless L | No | No | Yes | 0.18 μm TSMC CMOS | Simulation | ±2.5 V at 2.47 mW | 2nd BPF with 0.3–2.4% of THD at 10–150 mV of Vin |
| Floating | 2 ZC-CFCCC | 0 + 1 | Yes | Yes | Lossless L | No | No | Yes | 0.18 μm TSMC CMOS | Simulation | ±2.5 V at 4.94 mW | 4th LPF with 0.2–7% of THD at 10–150 mV of Vin | |
| [56] | Grounded | 2 CC-CFA | 0 + 1 | Yes | Yes | Lossless L | No | Yes | Yes | BiCMOS | Simulation | ±1.5 V and N/A | 2nd universal filter |
| Floating | 3 CC-CFA | 0 + 1 | Yes | Yes | Lossless L | No | Yes | Yes | BiCMOS | Simulation | ±1.5 V and N/A | 2nd BPF | |
| [57] | Grounded | 1 CFOA | 3 + 1 | Yes | No | Lossless L | No | Yes | No | 0.13 μm IBM CMOS and Commercial ICs | Simulation and Experiment | ±0.75 V at 3.05 mW | 2nd universal filter |
| [58] | Grounded | 1 LT1228 | 1 + 1 | No | Yes | Lossless L Parallel LR Series LR | No | Yes | Yes | Commercial ICs | Simulation and Experiment | ±5 V at 56.5 mW, 56.4 mW, and 56.8 mW | 2nd BPF |
| [59] | Grouned | 1 MDVCC | 2 + 1 | Yes | No | Lossless L | No | Yes | No | 0.13 μm IBM CMOS and Commercial ICs | Simulation and Experiment | ±0.75 V at 1.62 mW | 2nd BPF |
| [60] | Grounded | 1 CDBA | 2 + 1 | Yes | No | Parallel LR | No | Yes | Yes | Commercial ICs | Simulation | ±12 V and N/A | N/A |
| This work | Floating | 2 VD-DIBA | 1 + 1 | Yes | Yes * | Lossless L Parallel LR Series LR | Yes | Yes | Yes | 0.18 μm TSMC CMOS and Commercial ICs | Simulation and Experiment | ±0.9 V at 1.98 mW | 4th order LPF with 80 dB for 2% THD of DR and 46 µVrms of output noise |
Publisher’s Note: MDPI stays neutral with regard to jurisdictional claims in published maps and institutional affiliations. |
© 2021 by the authors. Licensee MDPI, Basel, Switzerland. This article is an open access article distributed under the terms and conditions of the Creative Commons Attribution (CC BY) license (http://creativecommons.org/licenses/by/4.0/).
Share and Cite
Jaikla, W.; Bunrueangsak, S.; Khateb, F.; Kulej, T.; Suwanjan, P.; Supavarasuwat, P. Inductance Simulators and Their Application to the 4th Order Elliptic Lowpass Ladder Filter Using CMOS VD-DIBAs. Electronics 2021, 10, 684. https://doi.org/10.3390/electronics10060684
Jaikla W, Bunrueangsak S, Khateb F, Kulej T, Suwanjan P, Supavarasuwat P. Inductance Simulators and Their Application to the 4th Order Elliptic Lowpass Ladder Filter Using CMOS VD-DIBAs. Electronics. 2021; 10(6):684. https://doi.org/10.3390/electronics10060684
Chicago/Turabian StyleJaikla, Winai, Sirigul Bunrueangsak, Fabian Khateb, Tomasz Kulej, Peerawut Suwanjan, and Piya Supavarasuwat. 2021. "Inductance Simulators and Their Application to the 4th Order Elliptic Lowpass Ladder Filter Using CMOS VD-DIBAs" Electronics 10, no. 6: 684. https://doi.org/10.3390/electronics10060684
APA StyleJaikla, W., Bunrueangsak, S., Khateb, F., Kulej, T., Suwanjan, P., & Supavarasuwat, P. (2021). Inductance Simulators and Their Application to the 4th Order Elliptic Lowpass Ladder Filter Using CMOS VD-DIBAs. Electronics, 10(6), 684. https://doi.org/10.3390/electronics10060684

