Methods of Assessing Degradation of Supercapacitors by Using Various Measurement Techniques
Abstract
:Featured Application
Abstract
1. Introduction
2. Measurement Set-Up and Procedure
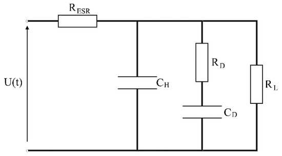
3. Methods of Electrical Parameters Evaluation
- Id—test current (during charging/discharging process),
- Δt—discharging time,
- ΔU1—voltage drop across the resistance RESR, observed due to the change of current direction,
- ΔU2—voltage drop during the discharge process at constant current.
4. Test Results of Prototype Samples of Supercapacitors
5. Conclusions
Author Contributions
Funding
Conflicts of Interest
References
- Yassine, M.; Fabris, D. Performance of Commercially Available Supercapacitors. Energies 2017, 10, 1340. [Google Scholar] [CrossRef]
- Zhang, L.; Hu, X.; Wang, Z.; Sun, F.; Dorrell, D.G. A review of supercapacitor modeling, estimation, and applications: A control/management perspective. Renew. Sustain. Energy Rev. 2018, 81, 1868–1878. [Google Scholar] [CrossRef]
- Beguin, F.; Frackowiak, E. Supercapacitors: Materials, Systems and Applications; John Wiley & Sons: Hoboken, NJ, USA, 2013. [Google Scholar]
- Sahay, K.; Dwivedi, B. Design and Analysis of Supercapacitors Energy Storage System for Energy Stabilization of Distribution Network. Electr. Power Qual. Util. J. 2009, 15, 25–32. [Google Scholar]
- Bohlen, O.; Kowal, J.; Sauer, D.U. Ageing behaviour of electrochemical double layer capacitors: Part I. Experimental study and ageing model. J. Power Sour. 2007, 172, 468–475. [Google Scholar] [CrossRef]
- Bohlen, O.; Kowal, J.; Sauer, D.U. Ageing behaviour of electrochemical double layer capacitors: Part II. Lifetime simulation model for dynamic applications. J. Power Sour. 2007, 173, 626–632. [Google Scholar] [CrossRef]
- Gualous, H.; Louahlia, H.; Gallay, R. Supercapacitor Characterization and Thermal Modelling with Reversible and Irreversible Heat Effect. IEEE Trans. Power Electron. 2011, 26, 3402–3409. [Google Scholar] [CrossRef]
- Chiang, C.-J.; Yang, J.-L.; Cheng, W.-C. Temperature and state-of-charge estimation in ultracapacitors based on extended Kalman filter. J. Power Sour. 2013, 234, 234–243. [Google Scholar] [CrossRef]
- Berrueta, A.; Martín, I.S.; Hernández, A.; Ursúa, A.; Sanchis, P. Electro-thermal modelling of a supercapacitor and experimental validation. J. Power Sour. 2014, 259, 154–165. [Google Scholar] [CrossRef]
- Mejdoubi, A.E.; Chaoui, H.; Sabor, J.; Gualous, H. Remaining Useful Life Prognosis of Supercapacitors Under Temperature and Voltage Aging Conditions. IEEE Trans. Ind. Electron. 2018, 65, 4357–4367. [Google Scholar] [CrossRef]
- Schaeffer, E.; Auger, F.; Shi, Z.; Guillemet, P.; Loron, L. Comparative Analysis of Some Parametric Model Structures Dedicated to EDLC Diagnosis. IEEE Trans. Ind. Electron. 2016, 63, 387–396. [Google Scholar] [CrossRef]
- Szewczyk, A.; Sikula, J.; Sedlakova, V.; Majzner, J.; Sedlak, P.; Kuparowitz, T. Voltage Dependence of Supercapacitor Capacitance. Metrol. Meas. Syst. 2016, 23, 403. [Google Scholar] [CrossRef]
- Szewczyk, A. Measurement of Noise in Supercapacitors. Metrol. Meas. Syst. 2017, 24, 645. [Google Scholar] [CrossRef]
- Kopka, R.; Tarczyński, W. Measurement System for Determination of Supercapacitor Equivalent Parameters. Metrol. Meas. Syst. 2013, 20, 581. [Google Scholar] [CrossRef]
- Sedlakova, V.; Sikula, J.; Majzner, J.; Sedlak, P.; Kuparowitz, T.; Buergler, B.; Vasina, P. Supercapacitor equivalent electrical circuit model based on charges redistribution by diffusion. J. Power Sour. 2015, 286, 58–65. [Google Scholar] [CrossRef]
- Rizoug, N.; Bartholomeus, P.; Le Moigne, P. Study of the Ageing Process of a Supercapacitor Module Using Direct Method of Characterization. IEEE Trans. Energy Convers. 2012, 27, 220–228. [Google Scholar] [CrossRef]
- Martynyuk, V.; Eromenko, O.; Boiko, J.; Kałaczyński, T. Diagnostics of supercapacitors. MATEC Web Conf. 2018, 182, 01009. [Google Scholar] [CrossRef]
- Devillers, N.; Jemei, S.; Péra, M.-C.; Bienaimé, D.; Gustin, F. Review of characterization methods for supercapacitor modelling. J. Power Sour. 2014, 246, 596–608. [Google Scholar] [CrossRef]
- Živčák, J.; Hudák, R.; Madarász, L.; Rudas, I.J. Methodology, Models and Algorithms in Thermographic Diagnostics; Springer Science & Business Media: Berlin, Germany, 2013. [Google Scholar]
- Minkina, W.; Dudzik, S. Infrared Thermography: Errors and Uncertainties; John Wiley & Sons: Hoboken, NJ, USA, 2009. [Google Scholar]
- Meola, C. Infrared Thermography Recent Advances and Future Trends; Bentham Science: Sharjah, UAE, 2012. [Google Scholar]
- Więcek, B.; De May, G. Termowizja W Podczerwieni: Podstawy i Zastosowania; Wydawnictwo PAK: Warsaw, Poland, 2011. [Google Scholar]
- Zhang, H.; Sfarra, S.; Sarasini, F.; Santulli, C.; Fernandes, H.; Avdelidis, N.P.; Ibarra-Castanedo, C.; Maldague, X.P.V. Thermographic Non-Destructive Evaluation for Natural Fiber-Reinforced Composite Laminates. Appl. Sci. 2018, 8, 240. [Google Scholar] [CrossRef]
- Djupkep Dizeu, F.B.; Maldague, X.; Bendada, A. Mapping of the Indoor Conditions by Infrared Thermography. J. Imaging 2016, 2, 10. [Google Scholar] [CrossRef]
- Więcek, B.; Pacholski, K.; Olbrycht, R.; Kałuża, M.; Borecki, M.; Wittchen, W. Termografia i spektrometria w podczerwieni. Zastosowania przemysłowe; Wydawnictwo Naukowe PWN: Warsaw, Poland, 2017. [Google Scholar]
- Galla, S.; Szewczyk, A.; Lentka, Ł. Electrochemical capacitor temperature fluctuations during charging/discharging processes. Metrol. Meas. Syst. 2019, 26, 23–35. [Google Scholar]
- Galla, S. A Thermographic Measurement Approach to Assess Supercapacitor Electrical Performances. Appl. Sci. 2017, 7, 1247. [Google Scholar] [CrossRef]
- Kiwilszo, M.; Smulko, J. Pitting corrosion characterization by electrochemical noise measurements on asymmetric electrodes. J. Solid State Electrochem. 2009, 13, 1681–1686. [Google Scholar] [CrossRef]
- Konczakowska, A. 1/f noise of electrolytic capacitors as a reliability indicator. Qual. Reliab. Eng. Int. 1998, 14, 83–85. [Google Scholar] [CrossRef]
- Szewczyk, A.; Łentka, L.; Smulko, J.; Babuchowska, P.; Béguin, F. Measurements of flicker noise in supercapacitor cells. In Proceedings of the 2017 International Conference on Noise and Fluctuations (ICNF), Vilnius, Lithuania, 20–23 June 2017; pp. 1–4. [Google Scholar]
- ATLAS 1361 Multichannel Potencjostat Galwanostat I Tester. Available online: http://atlas-sollich.pl/produkty/1361.htm (accessed on 6 October 2017).
- VIGOcam v50.pdf. Available online: https://www.vigo.com.pl/pub/File/PRODUKTY/Thermal-imagingsystem/v50.pdf (accessed on 6 October 2017).
- Low-Noise Voltage Preamplifier SR560. Available online: https://www.thinksrs.com/downloads/pdfs/catalog/SR560c.pdf (accessed on 20 March 2018).
- NI USB-4432. Available online: http://www.ni.com/pdf/manuals/372485e.pdf (accessed on 20 March 2018).
- Przygocki, P.; Abbas, Q.; Gorska, B.; Béguin, F. High-energy hybrid electrochemical capacitor operating down to—40 °C with aqueous redox electrolyte based on choline salts. J. Power Sour. 2019, 427, 283–292. [Google Scholar] [CrossRef]









| Parameter | Value/Function Description |
|---|---|
| Detector type | Non-cooled bolometric matrix |
| Spectrum range | 8 ÷ 14 μm |
| Image resolution | 384 × 288 |
| Thermal resolution | ≤0.065 °C (for temperature 30 °C) |
| Field of vision | 15° × 11° |
| Time | C (F) | RESR (mΩ) |
|---|---|---|
| As-fabricated | 11.2 | 350 |
| After 48,000 cycles | 11.1 | 320 |
| After 120,000 | 9.8 | 710 |
© 2019 by the authors. Licensee MDPI, Basel, Switzerland. This article is an open access article distributed under the terms and conditions of the Creative Commons Attribution (CC BY) license (http://creativecommons.org/licenses/by/4.0/).
Share and Cite
Galla, S.; Szewczyk, A.; Smulko, J.; Przygocki, P. Methods of Assessing Degradation of Supercapacitors by Using Various Measurement Techniques. Appl. Sci. 2019, 9, 2311. https://doi.org/10.3390/app9112311
Galla S, Szewczyk A, Smulko J, Przygocki P. Methods of Assessing Degradation of Supercapacitors by Using Various Measurement Techniques. Applied Sciences. 2019; 9(11):2311. https://doi.org/10.3390/app9112311
Chicago/Turabian StyleGalla, Stanislaw, Arkadiusz Szewczyk, Janusz Smulko, and Patryk Przygocki. 2019. "Methods of Assessing Degradation of Supercapacitors by Using Various Measurement Techniques" Applied Sciences 9, no. 11: 2311. https://doi.org/10.3390/app9112311
APA StyleGalla, S., Szewczyk, A., Smulko, J., & Przygocki, P. (2019). Methods of Assessing Degradation of Supercapacitors by Using Various Measurement Techniques. Applied Sciences, 9(11), 2311. https://doi.org/10.3390/app9112311

