Sign in to use this feature.

Years

Between: -

Subjects

remove_circle_outline
remove_circle_outline
remove_circle_outline
remove_circle_outline
remove_circle_outline
remove_circle_outline
remove_circle_outline
remove_circle_outline
remove_circle_outline

Journals

remove_circle_outline
remove_circle_outline
remove_circle_outline
remove_circle_outline
remove_circle_outline
remove_circle_outline
remove_circle_outline
remove_circle_outline
remove_circle_outline
remove_circle_outline
remove_circle_outline
remove_circle_outline
remove_circle_outline

Article Types

Countries / Regions

remove_circle_outline
remove_circle_outline
remove_circle_outline
remove_circle_outline
remove_circle_outline

Search Results (2,809)

Search Parameters:
Keywords = supercapacitor

Order results
Result details
Results per page
Select all
Export citation of selected articles as:
21 pages, 20116 KB  
Article
Hierarchical Data-Driven and PSO-Based Energy Management of Hybrid Energy Storage Systems in DC Microgrids
by Sujatha Banka and D. V. Ashok Kumar
Automation 2026, 7(2), 50; https://doi.org/10.3390/automation7020050 - 13 Mar 2026
Abstract
In the era of renewable dominated grids, integration of dynamic loads such as EV charging stations have increased the operational challenges in multifolds, particularly in DC microgrids (DC MGs). Traditional battery-dominated grid energy management strategies (EMSs) are often not capable of handling fast [...] Read more.
In the era of renewable dominated grids, integration of dynamic loads such as EV charging stations have increased the operational challenges in multifolds, particularly in DC microgrids (DC MGs). Traditional battery-dominated grid energy management strategies (EMSs) are often not capable of handling fast transients due to the limitations of battery electrochemistry. To overcome this limitation, a hierarchical hybrid energy management strategy is proposed that uses the combination of data-driven and metaheuristic algorithms. The designed optimization framework consists of particle swarm optimization (PSO) and a neural network (NN) implemented in the central controller of a 4-bus ringmain DC MG. An efficient decoupling of fast and slow storage dynamics is performed, where the supercapacitor (SC) is optimized using the NN and the battery is optimized using PSO. This selective optimization reduces the computational overhead on the PSO making it more feasible for real-time implementation. The designed hybrid PSO-Neural EMS framework is initially designed on MATLAB and further validated on a real-time hardware setup. Robustness of the control scheme is verified with various case studies, such as renewable intermittency, dynamic loading and partial shading scenarios. An effective optimization of the SC in both transient and heavy load scenarios are observed. LabVIEW interfacing is used for MODBUS-based interaction with PV emulators and DC-DC converters. Full article
Show Figures

Figure 1

23 pages, 9658 KB  
Article
Food Waste-Derived Activated Carbon-Modified Nb2CTx MXene for Supercapacitor Applications
by Mehmet Topuz and Fatma Coskun Topuz
Nanomaterials 2026, 16(6), 349; https://doi.org/10.3390/nano16060349 - 12 Mar 2026
Abstract
In this study, the structural and electrochemical performance of Nb2CTx MXene-based composite electrodes modified with activated carbon (AC) derived from food waste was systematically investigated for supercapacitor applications. Three composites with Nb2CTx:AC mass ratios of 90:10 [...] Read more.
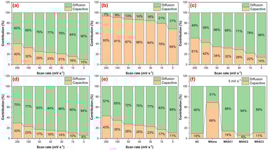
In this study, the structural and electrochemical performance of Nb2CTx MXene-based composite electrodes modified with activated carbon (AC) derived from food waste was systematically investigated for supercapacitor applications. Three composites with Nb2CTx:AC mass ratios of 90:10 (MXAC1), 80:20 (MXAC2), and 70:30 (MXAC3) were prepared and comparatively evaluated. SEM/EDS, XRD, HR-TEM, XPS, and BET analyses revealed that, in the MXAC2 composite, activated carbon was homogeneously distributed between the MXene layers, effectively suppressing restacking and promoting the formation of a hierarchical micro/mesoporous structure. XPS results confirmed the preservation of the Nb–C framework and the enrichment of surface functional groups (–O, –OH, and –F). BET analysis demonstrated that MXAC2 possesses an optimized pore architecture that facilitates efficient ion diffusion. Electrochemical measurements revealed that the MXAC2 electrode exhibited the highest specific capacitance at all scan rates and current densities. At 5 mV·s−1, MXAC2 achieved a specific capacitance of 651.84 F·g−1 and maintained a substantial capacitance even at a high current density of 4 A·g−1. EIS analysis confirmed the very low charge transfer resistance (0.023 Ω) and enhanced capacitive behavior for MXAC2. Additionally, MXAC2 has high cycle stability, demonstrating 82.15% capacitive retention and 92.45% coulombic efficiency after 10000 cycles. These results indicate that food waste-derived AC-optimized Nb2CTx MXene composite materials are a strong candidate for sustainable and high-performance supercapacitor electrodes. Full article
Show Figures

Figure 1

25 pages, 2552 KB  
Article
Bi-Level Optimal Dispatch of Regional Water–Energy Nexus System Considering Flexible Regulation Potential of Seawater Desalination Plants
by Yibo Wang, Zhongxu Zhou, Yuan Fang, Jianing Zhou and Chuang Liu
Energies 2026, 19(6), 1420; https://doi.org/10.3390/en19061420 - 11 Mar 2026
Abstract
The continuous increase in the penetration rate of renewable energy has posed severe challenges to the flexibility of power systems, especially in coastal and island areas where local power supply is insufficient while electricity demand keeps growing. Focusing on the regional water–energy nexus [...] Read more.
The continuous increase in the penetration rate of renewable energy has posed severe challenges to the flexibility of power systems, especially in coastal and island areas where local power supply is insufficient while electricity demand keeps growing. Focusing on the regional water–energy nexus system (WENS), this paper fully taps into the flexibility potential of seawater desalination plants (SWDPs) as adjustable loads, and proposes a bi-level optimal dispatch model. First, the operational characteristics of reverse osmosis (RO) seawater desalination loads are analyzed, and an operational model encompassing water intake equipment, high-pressure pumps, clear water tanks and product water tanks is established. Second, a dispatch framework for the regional WENS incorporating SWDP is designed, on the basis of which a bi-level optimal dispatch model is constructed: the upper-level model takes maximizing wind power accommodation and minimizing wind power output fluctuation as the objectives, so as to determine the wind power output and the charging/discharging strategy of supercapacitors; constrained by the decisions made by the upper-level model, the lower-level model comprehensively takes into account the operation cost of thermal power units (TPUs), the wind curtailment penalty cost of the system, the operation cost of energy storage systems and the operation cost of SWDP, and thus establishes an optimization model with the goal of minimizing the comprehensive operation cost of the system. Finally, a comparative analysis is carried out under different scenarios. The results show that compared with the optimal scheduling scheme in which the seawater desalination load does not participate in regulation, the proposed method can reduce the wind curtailment rate by 43.71%, the energy consumption cost of the seawater desalination load by 50.98%, and the total system operation cost by 22.51%, thus providing a feasible approach for the collaborative optimization of water–energy systems in coastal areas. Full article
Show Figures

Figure 1

28 pages, 5882 KB  
Article
Transient Modeling and Analysis of Short-Circuit Faults in the DC Power System for Hybrid Electric Aircraft
by Bin Liu, Shuguang Wei, Jiaqi Li, Kewei Chen, Feifan Xu and Hengliang Zhang
Aerospace 2026, 13(3), 261; https://doi.org/10.3390/aerospace13030261 - 11 Mar 2026
Abstract
Transient modeling of short-circuit faults in the DC power system of hybrid electric aircraft (HEA) serves as a fundamental basis for effective fault identification, localization, and isolation. Before faults are detected and protective measures are taken, distributed sources and loads maintain their normal [...] Read more.
Transient modeling of short-circuit faults in the DC power system of hybrid electric aircraft (HEA) serves as a fundamental basis for effective fault identification, localization, and isolation. Before faults are detected and protective measures are taken, distributed sources and loads maintain their normal control strategies. However, previous studies frequently overlook the impact of these control dynamics on the transient behavior of DC power systems, leading to reduced accuracy in fault transient models. Therefore, this paper proposes a fault transient modeling method for the DC power system of HEA considering the control effects of distributed sources and loads. Firstly, the transient characteristics of all components in the system are analyzed, including generators and fan motors, batteries and DC load, and supercapacitors. Subsequently, a comprehensive fault transient model of the HEA DC power system is established. Finally, the validity of the proposed method is verified through comparison with results from a semi-physical test platform. The results demonstrate that the proposed modeling approach enhances the accuracy of transient analysis for the faulty HEA DC power systems. Full article
(This article belongs to the Special Issue Aircraft Electric Power System II: Motor Drive Design and Control)
Show Figures

Figure 1

23 pages, 2993 KB  
Article
A Comparative Study of Choline Chloride Deep Eutectic Electrolytes: Towards Sustainable Supercapacitors
by Raquel San Emeterio, Antía Santiago-Alonso, Juan José Parajó, Ana T. S. C. Brandão, Carlos M. Pereira, Carlos Gracia, Pablo Vallet, Renata Costa and Josefa Salgado
Molecules 2026, 31(6), 929; https://doi.org/10.3390/molecules31060929 - 11 Mar 2026
Viewed by 44
Abstract
Over the past few decades, ionic liquids (ILs) have gained attention as electrolytes, although concerns about their environmental persistence and toxicity challenge their status as green solvents. In this framework, choline chloride (ChCl) offers a more sustainable alternative due to its low toxicity, [...] Read more.
Over the past few decades, ionic liquids (ILs) have gained attention as electrolytes, although concerns about their environmental persistence and toxicity challenge their status as green solvents. In this framework, choline chloride (ChCl) offers a more sustainable alternative due to its low toxicity, biodegradability, and cost-effectiveness. Although ChCl has a high melting point, its combination with hydrogen bond donor compounds (HBDs) can result in liquid mixtures at much lower temperatures, known as deep eutectic solvents (DESs). This study presents a comparative evaluation of three ChCl-based DESs, glyceline, ethaline, and reline (obtained from mixtures of ChCl and glycerol, ethylene glycol, and urea), with a focus specifically on their potential as electrolyte candidates for supercapacitors. Using differential scanning calorimetry (DSC), cyclic voltammetry (CV), electrochemical impedance spectroscopy (EIS), and nuclear magnetic resonance (NMR), we assess their thermal, electrochemical, and structural properties. All DESs displayed amorphous behavior and a strong tendency to remain liquid even at very low temperatures. Among them, ethaline showed the most promising electrochemical performance, exhibiting the lowest resistivity and the highest capacity. Full article
Show Figures

Figure 1

20 pages, 894 KB  
Review
Hybrid Energy Storage Systems as Circular and Sustainable Enablers for Electric Mobility: A Comparative Assessment of Batteries and Supercapacitors
by Salik Ahmed, Paolo Sospiro, Michelangelo-Santo Gulino, Maurizio Laschi, Dario Vangi and Daniele Bregoli
Sustainability 2026, 18(6), 2686; https://doi.org/10.3390/su18062686 - 10 Mar 2026
Viewed by 169
Abstract
Electric vehicles (EVs) represent a key pathway toward reducing greenhouse gas emissions and fossil fuel dependence. Although significant advances have been achieved in energy storage technologies for EVs, a structured comparative assessment that jointly evaluates batteries, supercapacitors, and their hybridisation remains lacking. This [...] Read more.
Electric vehicles (EVs) represent a key pathway toward reducing greenhouse gas emissions and fossil fuel dependence. Although significant advances have been achieved in energy storage technologies for EVs, a structured comparative assessment that jointly evaluates batteries, supercapacitors, and their hybridisation remains lacking. This review addresses that gap by systematically comparing lithium-ion, lead-acid, and nickel-based batteries with electrochemical double-layer capacitors (EDLCs), pseudocapacitors, and hybrid capacitors across ten performance and sustainability criteria. A literature-informed scoring framework, supplemented by sensitivity analysis under alternative weighting scenarios, is employed to rank the technologies. Particular attention is given to Hybrid Energy Storage Systems (HESS), which combine the high energy density of lithium-ion batteries with the high power density and long cycle life of supercapacitors. The review synthesises evidence that HESS can improve overall energy efficiency by up to 20% and extend battery lifetime by 30–50%, thereby reducing raw-material extraction, electronic waste, and lifecycle cost. Second-life pathways and circular-economy implications are discussed in depth. The findings demonstrate that neither batteries nor supercapacitors alone can satisfy the full spectrum of EV energy demands; instead, their integration within HESS offers the most balanced, sustainable, and economically viable solution. This work provides actionable insights for engineers, policymakers, and stakeholders engaged in next-generation sustainable mobility. Full article
Show Figures

Figure 1

13 pages, 2367 KB  
Article
PFSA D50-U Proton-Exchange Gel Membrane for Symmetric Supercapacitors
by Borislava Mladenova, Mariela Dimitrova, Gergana Ivanova, Ivan Radev and Antonia Stoyanova
Gels 2026, 12(3), 223; https://doi.org/10.3390/gels12030223 - 10 Mar 2026
Viewed by 101
Abstract
Gel polymer electrolytes are key components in next-generation energy storage systems, particularly supercapacitors, due to their high ionic conductivity, mechanical robustness, and operational safety. Ionomer-based gels derived from perfluorosulfonic acid (PFSA) are particularly promising, as their nanophase-segregated morphology enables the formation of three-dimensional [...] Read more.
Gel polymer electrolytes are key components in next-generation energy storage systems, particularly supercapacitors, due to their high ionic conductivity, mechanical robustness, and operational safety. Ionomer-based gels derived from perfluorosulfonic acid (PFSA) are particularly promising, as their nanophase-segregated morphology enables the formation of three-dimensional ionic clusters capable of absorbing and retaining aqueous electrolytes. In this study, the commercial PFSA D50-U (Thasar S.r.l.) membrane was investigated for the first time as a gel-state ionomer electrolyte and separator in symmetric supercapacitors using coconut shell-derived activated carbon (YP-80F Kuraray Co., Ltd.). The effects of cation type on gel swelling, ionic conductivity, and electrochemical performance were investigated using Na2SO4 and Li2SO4 aqueous electrolytes. The results showed that PFSA D50-U formed stable gel structures, resulting in low internal resistance, high specific capacitance, and excellent long-term cycling stability. These findings demonstrate that PFSA D50-U is a novel proton-exchange gel membrane with strong potential for high-performance symmetric supercapacitors and other gel-based energy storage devices. Full article
(This article belongs to the Special Issue Gel Materials for Advanced Energy Systems and Flexible Devices)
Show Figures

Figure 1

27 pages, 2154 KB  
Review
Modern Energy Storage Methods and Technologies: Comparison, Case Study and Analysis of the Impact on Power Grid Stabilization
by Tomasz Kozakowski, Michał Kozioł, Adam Koniuszy and Krzysztof Tkaczyk
Sustainability 2026, 18(5), 2659; https://doi.org/10.3390/su18052659 - 9 Mar 2026
Viewed by 212
Abstract
This review synthesizes recent progress in modern energy storage technologies and proposes a selection-oriented comparison for power-system stabilization. Technologies are grouped into electrochemical, mechanical, chemical, and thermal storage, and evaluated using harmonized criteria (power and energy capability, response time, round-trip efficiency, lifetime, cost [...] Read more.
This review synthesizes recent progress in modern energy storage technologies and proposes a selection-oriented comparison for power-system stabilization. Technologies are grouped into electrochemical, mechanical, chemical, and thermal storage, and evaluated using harmonized criteria (power and energy capability, response time, round-trip efficiency, lifetime, cost proxies, and maturity level). A comparative dataset and use-case mapping are used to link technology characteristics to grid services, with emphasis on voltage support, operational durability, and waste-heat utilization. The analysis highlights pumped-storage hydropower as the most robust option for long-duration, high-capacity applications, while battery energy storage systems are best suited for fast ancillary services, provided that cycle life, safety, and system integration constraints are met. Finally, the review discusses current technology trends (e.g., LFP and sodium-ion deployment, solid-state development, and commercialization barriers for lithium-sulfur) and identifies evidence-based directions for future research and deployment. Full article
Show Figures

Figure 1

18 pages, 594 KB  
Article
Research on Hybrid Energy Storage Optimisation Strategies for Mitigating Wind Power Fluctuations
by Zhenyun Song and Yu Zhang
Algorithms 2026, 19(3), 204; https://doi.org/10.3390/a19030204 - 9 Mar 2026
Viewed by 108
Abstract
Wind power generation exhibits pronounced volatility and intermittency, and direct grid connection may cause instability in grid frequency. To address this issue, this paper proposes an optimisation strategy for hybrid energy storage systems to mitigate wind power fluctuations, integrating lithium-ion batteries with supercapacitors [...] Read more.
Wind power generation exhibits pronounced volatility and intermittency, and direct grid connection may cause instability in grid frequency. To address this issue, this paper proposes an optimisation strategy for hybrid energy storage systems to mitigate wind power fluctuations, integrating lithium-ion batteries with supercapacitors within wind power systems. Firstly, the grid-connected power of wind turbines and the reference power of the energy storage system are determined through dynamic weight adjustment using a weighted filtering algorithm combining adaptive exponential smoothing and recursive averaging algorithms. Secondly, the fish-eagle optimisation algorithm is employed to refine variational modal decomposition parameters. The modal components derived from decomposing the energy storage system’s reference power are converted into Hilbert marginal spectra. Following determination of the cut-off frequency, high-frequency signal components are managed by supercapacitors, while low-frequency components are handled by lithium-ion batteries. Finally, an optimised configuration model for the hybrid energy storage system is constructed to minimise the annual lifecycle target cost. Case study analysis demonstrates that this approach effectively smooths fluctuations in wind power output while fully leveraging the complementary characteristics of both energy storage types, achieving a balance between system economics and overall performance. Full article
(This article belongs to the Section Algorithms for Multidisciplinary Applications)
Show Figures

Figure 1

16 pages, 5213 KB  
Article
Ce-Doping Strategy for Enhanced NiMn Hydrotalcite Electrodes in Supercapacitor Applications
by Yi Song, Ruifeng Zhang, Yujian Zhang, Xiling Mao and Mengwei Li
Coatings 2026, 16(3), 336; https://doi.org/10.3390/coatings16030336 - 9 Mar 2026
Viewed by 116
Abstract
To enhance the electrochemical performance of NiMn layered double hydroxides (LDH), this study explores the Ce-doped NiMn-LDH (CeNiMn-LDH) as a cathode material for supercapacitors. In the CeNiMn-LDH structure, partial substitution of Ni/Mn ions by Ce increases the number of active sites, facilitates electron [...] Read more.
To enhance the electrochemical performance of NiMn layered double hydroxides (LDH), this study explores the Ce-doped NiMn-LDH (CeNiMn-LDH) as a cathode material for supercapacitors. In the CeNiMn-LDH structure, partial substitution of Ni/Mn ions by Ce increases the number of active sites, facilitates electron transfer, and improves current density, leading to a significant enhancement in the electrochemical properties compared with NiMn-LDH. Experimental results show that the 0.3CeNiMn-LDH electrode delivers excellent electrochemical performance, achieving a specific capacitance of 1928.16 F/g at a current density of 1 A/g. Furthermore, an assembled CeNiMn-LDH//AC asymmetric supercapacitor exhibits an energy density of 36.36 Wh/kg and a power density of 850 W/kg at 1 A/g. Therefore, the strategy of employing CeNiMn-LDH offers an effective technical approach for improving the electrochemical performance of supercapacitor cathode materials, demonstrating considerable potential for practical applications. Full article
Show Figures

Figure 1

16 pages, 6721 KB  
Article
Hierarchically Structured Porous Electro-Conductive Aerogels for All-Solid-State Flexible Planar Supercapacitors with Cyclic Stability
by Huixiang Wang, Kaiquan Zhang and Ya Lu
Gels 2026, 12(3), 221; https://doi.org/10.3390/gels12030221 - 7 Mar 2026
Viewed by 174
Abstract
Flexible supercapacitors have attracted significant attention as promising power sources for portable and wearable electronic devices. However, achieving simultaneous high power density, energy density and long-term cyclic stability in a simple device configuration remains a critical challenge. Herein, we report an all-solid-state flexible [...] Read more.
Flexible supercapacitors have attracted significant attention as promising power sources for portable and wearable electronic devices. However, achieving simultaneous high power density, energy density and long-term cyclic stability in a simple device configuration remains a critical challenge. Herein, we report an all-solid-state flexible planar supercapacitor based on hierarchically structured cellulose nanofiber-carbon nanotube@manganese dioxide (CNF-CNT@MnO2) composite aerogels. The electrode architecture is rationally designed by first dispersing CNTs within a hydrophilic CNF scaffold to form a conductive three-dimensional network, followed by in situ oxidative polymerization of MnO2 onto the CNF-CNT fibrous skeleton. The hydrophilic CNFs network ensures thorough electrolyte penetration, the interconnected CNTs facilitate rapid electron transport, and the uniformly coated MnO2 layer provides substantial pseudocapacitance. The aerogel electrode with a low density of 14.6 mg cm−3 and a high specific surface area of 214.4 m2 g−1 delivers a specific capacitance of 273.0 F g−1 at 0.4 A g−1. The assembled planar supercapacitor, incorporating gel electrolyte and a flexible hydrogel substrate, achieves an impressive areal capacitance of 885.0 mF cm−2 at 2 mA cm−2, energy density of 122.9 μWh cm−2 and corresponding power density of 1000.0 μW cm−2. The device exhibits excellent electrochemical stability, retaining 83.3% capacitance after 2500 charge–discharge cycles, and outstanding mechanical flexibility, with 96.3% capacitance retention after 200 repeated bending cycles. Furthermore, multiple devices can be connected in series or parallel to proportionally increase output voltage or current, meeting the practical power requirements of electronic applications. This work offers a viable pathway toward high-performance, durable energy storage solutions for next-generation wearable electronics. Full article
(This article belongs to the Section Gel Chemistry and Physics)
Show Figures

Graphical abstract

11 pages, 2076 KB  
Article
Metal-Ion-Intercalated MXene for Enhanced Capacitance in Supercapacitors
by Yuhan Zhou and Qiu Jiang
Nanomaterials 2026, 16(5), 331; https://doi.org/10.3390/nano16050331 - 6 Mar 2026
Viewed by 236
Abstract
MXenes are high-performance pseudocapacitive materials known for their excellent conductivity, large surface area and fast redox reactions occurring at the surface. Despite these advantages, their practical application is hindered by the tendency of MXene nanosheets to aggregate and restack, which significantly compromises cycling [...] Read more.
MXenes are high-performance pseudocapacitive materials known for their excellent conductivity, large surface area and fast redox reactions occurring at the surface. Despite these advantages, their practical application is hindered by the tendency of MXene nanosheets to aggregate and restack, which significantly compromises cycling stability. In this work, post-delamination metal-ion intercalation was employed to successfully expand the interlayer spacing of Ti3C2 while simultaneously optimizing its surface functional groups. Benefiting from the enlarged interlayer spacing and improved surface chemistry, the Mn-intercalated MXene (Mn–MXene) delivers a high specific capacitance of 285 F g−1 at a scan rate of 10 mV s−1 in 1 M H2SO4 electrolyte, which represents a 26% enhancement compared with pristine Ti3C2. Notably, Mn–MXene exhibits nearly 100% capacitance retention after 3000 cycles. Full article
Show Figures

Figure 1

25 pages, 6300 KB  
Article
Natural Polymer-Based Mechanically Strong Hydrogel with Fast Self-Healing for Heavy Metal Ions Removal and Supercapacitor Applications
by Nasrin Sultana, Shyla Chowdhury, Aminur Rahman and Abu Bin Imran
Polymers 2026, 18(5), 634; https://doi.org/10.3390/polym18050634 - 4 Mar 2026
Viewed by 583
Abstract
Hydrogels have attracted significant interest in multifunctional applications. Among them, self-healing hydrogel stands out for its ability to autonomously repair damage through reversible interactions, yet achieving both rapid self-healing and superior mechanical strength remains challenging. In this study, we report the fabrication of [...] Read more.
Hydrogels have attracted significant interest in multifunctional applications. Among them, self-healing hydrogel stands out for its ability to autonomously repair damage through reversible interactions, yet achieving both rapid self-healing and superior mechanical strength remains challenging. In this study, we report the fabrication of a dual cross-linked hydrogel (PAA-Alg-B) prepared via free radical polymerization of acrylic acid and alginic acid, employing N,N′-methylenebisacrylamide, or vinyl-modified nanocellulose as primary cross-linker, with Fe3+ or borax serving as an additional dynamic cross-linker. The resulting borax based hydrogel (PAA-Alg-B) exhibits remarkable fast self-healing efficiency enabled by reversible borate ester bonds and hydrogen bonding. It demonstrates tunable mechanical strength with toughness of 137 kJ/m3 and elongation at break up to 1117%, alongside exceptional swelling capacity (448 g/g). The adsorption studies reveal high removal efficiencies for heavy metals, with maximum capacities of 87.57 mg/g (Cr3+), 114.02 mg/g (Ni2+), and 99.42 mg/g (Cu2+), governed by chemisorption kinetics. The PAA-Alg-B can also be used as a promising solid-state electrolyte and separator for flexible supercapacitors. Protonic modulation via H2SO4 soaking significantly enhances ionic conductivity, electrochemical performance, and cycling stability. These findings highlight the potential of natural polymer-based, mechanically robust, self-healing hydrogels for sustainable wastewater treatment and advanced energy storage applications. Full article
Show Figures

Figure 1

15 pages, 4013 KB  
Article
In Situ Synthesized Manganese Ferrite/Carbon Composite Nano-Material: A Novel Electrode Material for High-Performance Supercapacitors
by Tshiamo Baloyi, Ndeye Fatou Diop, Rashed Ali Mohamed Adam, Erence Nkuna, Gift Rutavi, Motlalepula Rebecca Mhlongo, Ncholu Manyala and Vusani Muswa Maphiri
Crystals 2026, 16(3), 171; https://doi.org/10.3390/cryst16030171 - 2 Mar 2026
Viewed by 178
Abstract
This study presents an in situ synthesis of a novel manganese ferrite/carbon (MF/C) composite material via a citrate sol–gel route followed by calcination in an inert argon (Ar) atmosphere. The structural and morphological and porosity properties were characterized using X-ray diffraction (XRD), Fourier [...] Read more.
This study presents an in situ synthesis of a novel manganese ferrite/carbon (MF/C) composite material via a citrate sol–gel route followed by calcination in an inert argon (Ar) atmosphere. The structural and morphological and porosity properties were characterized using X-ray diffraction (XRD), Fourier transform infrared (FTIR) spectroscopy, scanning electron microscopy (SEM), Energy-Dispersive X-ray Spectroscopy (EDX), and N2 gas physisorption analysis. Electrochemical evaluation of the MF/C in a 3 M KOH electrolyte in a three-electrode configuration showed a high specific capacity of 39.26 mAh g−1 at 1 Ag−1 and a rate capability of 69% at 5 Ag−1 and an equivalent series resistance (ESR) of 0.798 Ω. Subsequently, an asymmetric hybrid supercapacitor device (MF/C//AC) was fabricated using MF/C as the positive electrode and human-derived activated carbon (AC) as the negative electrode. The assembled device exhibited remarkable performance, with a wide operating voltage window of 1.4 V, a high sweeping potential of 1 V s−1, a specific capacity, energy, power and maximum power of 42.4 mAhg−1, 16.35 Wh kg−1, 1944 W kg−1 and 236 kW kg−1, respectively, and excellent capacitance retention of 92% after 15,000 charge–discharge cycles. The in situ preparation approach significantly reduced synthesis time and cost compared to conventional multi-step methods, as less equipment was required, while still achieving comparable or superior electrochemical performance to other supercapacitors in the literature. Full article
(This article belongs to the Section Materials for Energy Applications)
Show Figures

Figure 1

30 pages, 4500 KB  
Article
Extensive Validation of the Three-Branch Model in Simulating the Static and the Dynamic Behavior of EDLC Supercapacitors
by Mauro Zucca, Melika Hassanzadeh, Ornella Conti, Valter Giusio and Umberto Pogliano
Energies 2026, 19(5), 1221; https://doi.org/10.3390/en19051221 - 28 Feb 2026
Viewed by 197
Abstract
This study demonstrates the response of the three-branch equivalent circuit model in reproducing the terminal voltage of a supercapacitor that undergoes dynamic galvanostatic pulse trains for frequencies from 0.1 Hz to 100 Hz and signal amplitudes of 1 A, significantly wider than the [...] Read more.
This study demonstrates the response of the three-branch equivalent circuit model in reproducing the terminal voltage of a supercapacitor that undergoes dynamic galvanostatic pulse trains for frequencies from 0.1 Hz to 100 Hz and signal amplitudes of 1 A, significantly wider than the sinusoidal signals used in impedance spectroscopy. Clean and accurate pulse trains were generated at different frequencies using a transconductance power amplifier, and the voltages at the supercapacitor terminals of three different sizes of supercapacitors were successfully compared with the model. The latter was also utilized to check its ability to accurately reproduce charging and self-discharging processes and the ability to simulate voltammetric cycles. This was verified for six supercapacitor sizes from 1 F (rated 1 mWh, 10 W) up to a large 130 F module (rated 70 Wh, 144 kW). In all cases, the relative difference, with respect to the rated voltage, between the terminal voltage provided by the measurements and that yielded by the model simulations did not exceed 3.5%. This extensive multi-level validation demonstrates how the identified three-branch model based on state equations can provide an accurate electrical design tool and a reference for standards. Full article
(This article belongs to the Special Issue Supercapacitors and Their Applications: Advances and Challenges)
Show Figures

Figure 1

Back to TopTop