Dead-Beat Control Cooperating with State Observer for Single-Phase Electric Springs
Abstract
:1. Introduction
2. Operating Principle of Single-Phase ESs
2.1. The Topology of Single-Phase ES
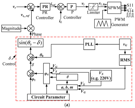
2.2. δ Control of Single-Phase ES
2.3. Issues in the δ Control with PR and P Controllers
3. Dead-Beat Control for Single-Phase ESs
3.1. System Modeling of Single-Phase ES
3.2. Dead-Beat Control for Single-Phase ES
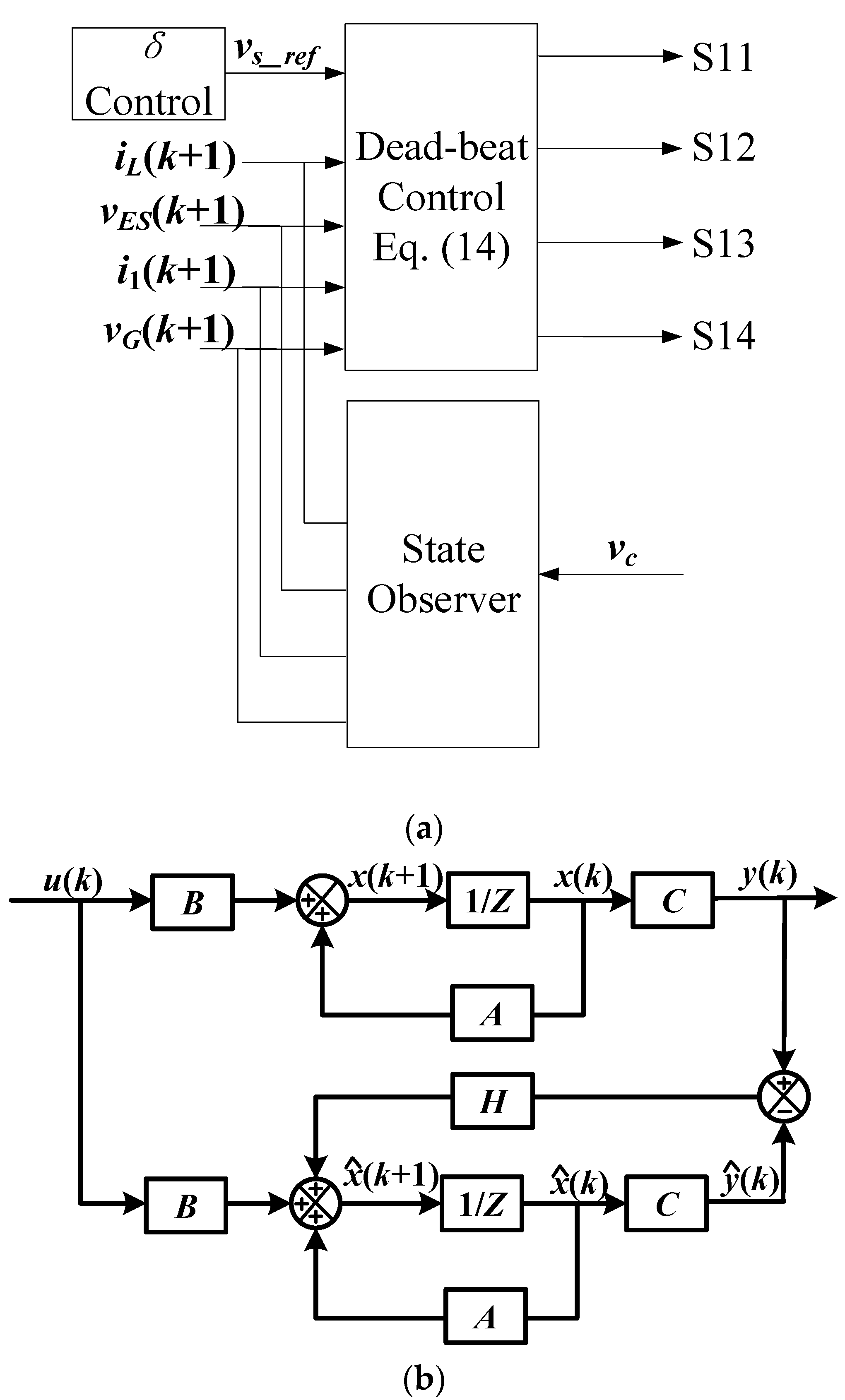
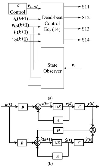
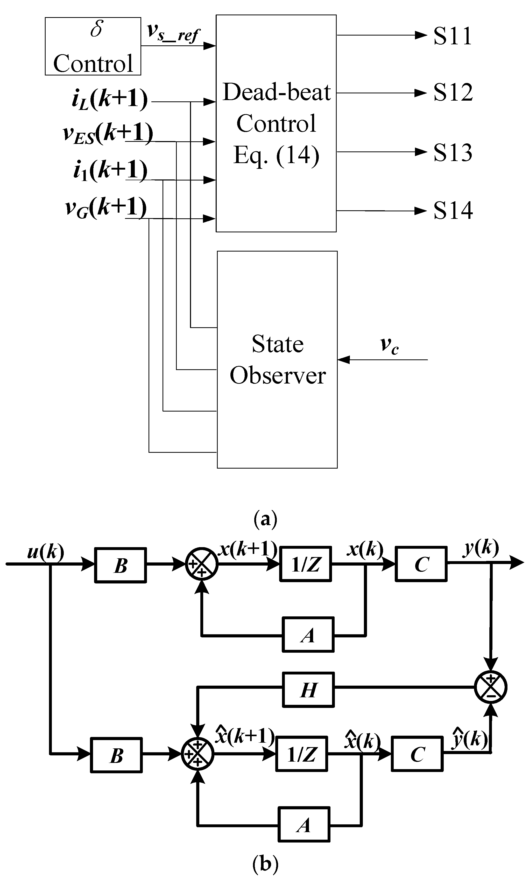
3.3. Dead-Beat Control Cooperating with State Observer for Single-Phase ES
4. Simulation and Discussions
4.1. Flowchart of Dead-Beat Control for δ Control
- Execute vi(k − 1) to the VSI within single-phase ES
- Measure grid voltage vG and PCC voltage vC
- Predict grid current i(k), inductor current iL(k), and capacitor grid vES(k)
- Calculate the reference of CL voltage based on the detected instantaneous phase and RMS value of grid voltage, and also based on circuit parameters
- Calculate the modulation signal vi(k)
4.2. Pure Reactive Power Compensation Mode
4.3. PFC Mode
4.4. Sensitivity Analysis of Circuit Parameters
4.5. Discussions
5. Conclusions
Author Contributions
Funding
Conflicts of Interest
References
- Hui, S.Y.R.; Lee, C.K.; Wu, F. Electric springs—A new smart grid technology. IEEE Trans. Smart Grid 2012, 3, 1552–1561. [Google Scholar] [CrossRef]
- Wang, Q.; Cheng, M.; Chen, Z.; Wang, Z. Steady-state analysis of electric springs with a novel δ control. IEEE Trans. Power Electron. 2015, 30, 7159–7169. [Google Scholar] [CrossRef]
- Tan, S.C.; Lee, C.K.; Hui, S.Y.R. General steady-state analysis and control principle of electric springs with active and reactive power compensations. IEEE Trans. Power Electron. 2013, 28, 3958–3969. [Google Scholar] [CrossRef]
- Wang, W.; Yan, L.; Zeng, X.; Fan, B.; Guerrero, J.M. Principle and design of a single-phase inverter based grounding system for neutral-to-ground voltage compensation in distribution networks. IEEE Trans. Ind. Electron. 2017, 64, 1204–1213. [Google Scholar] [CrossRef]
- Hu, H.; Tao, H.; Blaabjerg, F.; Wang, X.; He, Z.; Gao, S. Train-network interactions and stability evaluation in high-speed railways—Part I: Phenomena and modeling. IEEE Trans. Power Electron. 2018, 33, 4627–4642. [Google Scholar] [CrossRef]
- Gong, Z.; Wu, X.; Dai, P.; Zhu, R. Modulated model predictive control for MMC-based active front-end rectifiers under unbalanced grid conditions. IEEE Trans. Ind. Electron. 2018. [Google Scholar] [CrossRef]
- Wang, Y.; Chen, Z.; Wang, X.; Tian, Y.; Tan, Y.; Yang, C. An estimator-based distributed voltage predictive control strategy for AC islanded microgrids. IEEE Trans. Power Electron. 2017, 30, 3934–3951. [Google Scholar] [CrossRef]
- Li, K.; Xu, H.; Ma, Q.; Zhao, J. Hierarchy control of power quality for wind-battery energy storage system. IET Power Electron. 2014, 7, 2123–2132. [Google Scholar] [CrossRef]
- Guerrero, J.M.; Vasquez, J.C.; Matas, J.; Matas, J.; de Vicuna, L.G.; Castilla, M. Hierarchical control of droop-controlled AC and DC microgrids—A general approach toward standardization. IEEE Trans. Ind. Electron. 2011, 58, 158–172. [Google Scholar] [CrossRef]
- Cheng, M.; Zhu, Y. The state of the art of wind energy conversion systems and technologies: A review. Energy Convers. Manag. 2014, 88, 332–347. [Google Scholar] [CrossRef]
- Chaudhuri, N.R.; Lee, C.K.; Chaudhuri, B.; Hui, S.Y.R. Dynamic modeling of electric springs. IEEE Trans. Smart Grid 2014, 5, 2450–2458. [Google Scholar] [CrossRef]
- Mok, K.T.; Tan, S.C.; Hui, S.Y.R. Decoupled power angle and voltage control of electric springs. IEEE Trans. Power Electron. 2016, 31, 1216–1229. [Google Scholar] [CrossRef]
- Wang, Q.; Cheng, M.; Jiang, Y.; Zuo, W.; Buja, G. A simple active and reactive power control for applications of single-phase electric springs. IEEE Trans. Ind. Electron. 2018, 65, 6291–6300. [Google Scholar] [CrossRef]
- Chen, X.; Hou, Y.; Tan, S.C.; Lee, C.K.; Hui, S.Y.R. Mitigating voltage and frequency fluctuation in microgrids using electric springs. IEEE Trans. Smart Grid 2015, 6, 508–515. [Google Scholar] [CrossRef]
- Yan, S.; Tan, S.C.; Lee, C.K.; Chaudhuri, B.; Hui, S.Y.R. Electric springs for reducing power imbalance in three-phase power systems. IEEE Trans. Power Electron. 2015, 30, 3601–3609. [Google Scholar] [CrossRef]
- Buso, S.; Caldognetto, T.; Brandao, D.I. Dead-beat current controller for voltage-source converters with improved large-signal response. IEEE Trans. Ind. Appl. 2016, 52, 1588–1596. [Google Scholar] [CrossRef]
- Young, H.A.; Perez, M.A.; Rodriguez, J.; Abu-Rub, H. Assessing finite-control-set model predictive control: A comparison with a linear current controller in two-level voltage source inverters. IEEE Ind. Electron. Mag. 2014, 8, 44–52. [Google Scholar] [CrossRef]
- Wassinger, N.; Penovi, E.; Retegui, R.G.; Maestri, S. Open-circuit fault identification method for interleaved converters based on time domain analysis of the state observer residual. IEEE Trans. Power Electron. 2018. [Google Scholar] [CrossRef]











| Parameters | Values | Units |
|---|---|---|
| Regulated SL voltage (VS) | 110 | V |
| ES DC bus voltage (Vdc) | 200 | V |
| Line resistance (R1) | 1.64 | Ω |
| Line inductance (L1) | 30.4 | mH |
| CL (R2) | 1603.4 | Ω |
| NCL (R3) | 51.05 | Ω |
| ES inductance (L) | 2.3 | mH |
| ES capacitance (C) | 26.11 | μF |
| Switching frequency (fs) | 10 | kHz |
© 2018 by the authors. Licensee MDPI, Basel, Switzerland. This article is an open access article distributed under the terms and conditions of the Creative Commons Attribution (CC BY) license (http://creativecommons.org/licenses/by/4.0/).
Share and Cite
Wang, Q.; Zuo, W.; Cheng, M.; Deng, F.; Buja, G. Dead-Beat Control Cooperating with State Observer for Single-Phase Electric Springs. Appl. Sci. 2018, 8, 2335. https://doi.org/10.3390/app8122335
Wang Q, Zuo W, Cheng M, Deng F, Buja G. Dead-Beat Control Cooperating with State Observer for Single-Phase Electric Springs. Applied Sciences. 2018; 8(12):2335. https://doi.org/10.3390/app8122335
Chicago/Turabian StyleWang, Qingsong, Wujian Zuo, Ming Cheng, Fujin Deng, and Giuseppe Buja. 2018. "Dead-Beat Control Cooperating with State Observer for Single-Phase Electric Springs" Applied Sciences 8, no. 12: 2335. https://doi.org/10.3390/app8122335
APA StyleWang, Q., Zuo, W., Cheng, M., Deng, F., & Buja, G. (2018). Dead-Beat Control Cooperating with State Observer for Single-Phase Electric Springs. Applied Sciences, 8(12), 2335. https://doi.org/10.3390/app8122335

