Next Article in Journal
An Original Concept Solution of a Novel Elasto-Poro-Hydrodynamic Damper: Quasi-Static Analysis
Previous Article in Journal
The Role of the Interproximal Enamel Reduction in Orthodontics: A Systematic Review
Previous Article in Special Issue
Life Cycle Analysis of Particleboard Made of Corn Stalk and Citric Acid at Laboratory Scale
 
 
Font Type:
Arial Georgia Verdana
Font Size:
Aa Aa Aa
Line Spacing:
Column Width:
Background:
Article

Analysis of a Sustainable Hybrid Microgrid Based on Solar Energy, Biomass, and Storage for Rural Electrification in Isolated Communities

by
Luis Fernando Rico-Riveros
1,
César Leonardo Trujillo-Rodríguez
2,
Nelson Leonardo Díaz-Aldana
2 and
Catalina Rus-Casas
3,*
1
Facultad de Ingeniería, Universidad ECCI, Bogotá 111311, Colombia
2
Facultad de Ingeniería, Universidad Distrital Francisco José de Caldas, Bogotá 110231, Colombia
3
Department of Electronic and Automatic Engineering, University of Jaen, 23071 Jaen, Spain
*
Author to whom correspondence should be addressed.
Appl. Sci. 2025, 15(19), 10646; https://doi.org/10.3390/app151910646
Submission received: 12 August 2025 / Revised: 23 September 2025 / Accepted: 28 September 2025 / Published: 1 October 2025

Abstract

Rural electrification in isolated communities requires reliable and affordable renewable solutions. This paper analyses a hybrid microgrid case study in a rural area integrating PV–biomass–BESS using mathematical models and simulations in MATLAB/Simulink Version 2025a, characterizing local resources (climate and biomass), and evaluating irradiance, temperature, and demand profiles. On typical days, the system meets demand with overall efficiencies of 93–103%; solar energy contributes 6.8–8.9 kWh/day (37–42%), biomass 9.5–13.2 kWh/day (54–62%), and BESS ≈ 0.6 kWh/day (≈3%), operating at 60–90% SoC. Between March and June, photovoltaic generation increased from 7.2 to 8.9 kWh/day (+23.6%), raising overall efficiency from 97% to 103%; in October, the contribution was 40% PV, 57% biomass, and 3% BESS. Coordinated operation—prioritizing solar and scheduling biomass at peaks—is robust and replicable. It is recommended to increase photovoltaic collection by ~20% and add ≥2.5 kWh of storage to reduce biomass dependence by 15–20% and improve nighttime autonomy. This integrated approach to solar generation, biomass management, and storage for efficient and sustainable supply is applied and validated in a theoretical case study developed in the rural area of Argelia-Viotá, Cundinamarca, Colombia.

1. Introduction

1.1. Context and Issues in Non-Interconnected Zones (NIZs)

Rural electrification continues to be a structural challenge due to geographical dispersion, low load density, and the high costs of extending conventional networks to remote areas [1]. Globally, about 13% of the population lacks reliable access to electricity, and approximately 2.3 billion people depend on traditional fossil fuels, which negatively impacts health, education, productivity, and quality of life in isolated communities [2]. In Colombia, this situation is concentrated in non-interconnected zones (NIZs), where dependence on diesel fuel implies high operating costs, exposure to fuel volatility, and emissions that are incompatible with the country’s climate objectives [3].
Given this scenario, hybrid microgrids that combine photovoltaics (PV), biomass, and electrochemical storage (BESS) are being promoted as an alternative to improve service continuity, reduce costs, and decarbonise rural electricity supply [4]. These solutions have shown potential to overcome the technical and economic limitations of conventional diesel-based schemes [5]. However, their implementation and operation pose technical, environmental, and economic challenges related to resource optimisation, supply stability, and the financial viability of projects in low-scale and high-uncertainty contexts [6].
PV offers wide availability and low environmental impact, making it particularly suitable for rural areas [6]. Biomass allows agricultural and forestry waste to be transformed into dispatchable energy, strengthening the local circular economy and reducing dependence on fossil fuels [7]. The quantification of its potential has been addressed through thermodynamic approaches such as gasification [8], techno-economic sustainability assessments [9], computational simulation platforms to refine processes [10], and specific mathematical models to simulate and control the use of agricultural biomass in gas turbines [11]. Additionally, PV–biomass–BESS integration leverages synergies to mitigate solar intermittency and improve operational stability [12]. PV provides local generation with decreasing costs [13]. Biomass adds controllability and firm backup [14]. BESS modulates peaks and valleys, provides reserve capacity, and facilitates demand management in small-scale microgrids [15].
The sustainability and scalability of these solutions also require detailed modelling, adaptive energy management, optimal sizing, and financing and governance mechanisms appropriate to the rural reality [16,17].
Within this framework, this study develops a simulation analysis of a PV–biomass–BESS microgrid for a rural household in the village of Argelia (Viotá, Cundinamarca, Colombia), integrating mathematical models of each component and local profiles of irradiance, temperature, load, and availability of agricultural waste [1,2,3]. The case study pursues replicable guidelines for NIZs with similar indigenous resources [4].

1.2. Specific Reference Literature Consulted

The recent literature reports that PV microgrids with BESS increase self-consumption, improve resilience, and enable tariff arbitrage through flexible battery dispatch [4]. In the building sector, 3E (energy–environment–economy) analyses show trade-offs between CO2 reduction, LCOE, and payback when comparing PV with batteries, thermal storage, and integration with EV/V2G; they also highlight diminishing returns when capacity is oversized due to curtailment and embodied carbon [18]. Methodological reviews using the 3E approach recommend homogeneous metrics and sensitivity analyses to avoid biases in sizing and facilitate informed decisions [19]. However, these contributions focus mainly on urban contexts and do not sufficiently address PV–biomass co-management with agro-local parameters and seasonal validations in rural NIZs [18,19].
In rural grid operation, cooperative ‘no communication’ strategies have been proposed that use DC bus voltage as an implicit consensus variable and apply AC/DC margins to activate regulation only in the event of voltage violations, thereby mitigating over/undervoltages and reducing losses compared to voltage consistency approaches, which increases the capacity to accommodate DG [20]. These strategies are relevant when communications infrastructure is limited, as is often the case in NIZs [20].
Complementarily, the massive integration of power electronics in microgrids requires consideration of converter stability. The literature on virtual synchronous generators (VSGs) warns that inertia emulation can introduce low-frequency oscillations (LFOs) if inertia and damping are not properly tuned or if couplings occur between control loops (active–reactive, voltage–current, PLL, Vdc) [21]. This suggests prudent operating limits and robust controls when integrating multiple sources and storage into weak networks [21].
Beyond the electrical realm, the literature on thermal systems and infrastructure shows that non-ideal parameters—for example, the heat transfer coefficient at the concrete–soil interface, which varies depending on the mode (heating/cooling)—alter actual capacity and require calibrations and sensitivity analyses in the design [22]. By methodological analogy, studies of rural microgrids should parameterise biomass with lower heating value (LHV) and local humidity and report homogeneous seasonal metrics (energy per source, renewable fraction, biomass/day, SoC) to inform sizing and operation [8,9].
Three gaps are identified: (i) the integration of local biomass as dispatchable backup with comparable metrics in NIZs remains limited [8]; (ii) the absence of multi-month evaluations at hourly resolution that capture daily and seasonal variability [13]; and (iii) the limited use of rule-based EMS explicitly linked to SoC and conditioned to agro-local parameters for biomass [13]. These gaps justify the approach of this work [4].

1.3. Theoretical Foundations of Modelling and Simulation

Biomass generation is as follows: the biomass unit is modelled as a dispatchable source with minimum start-up power, thermal–mechanical constraints, and performance dependent on the PCI and moisture content of the resource. The conceptual basis includes the integration of gas turbines in hybrid microgrids and their interaction with other sources [23]. The mathematical models and control strategies described for CHP cycles and combined cycles guide parameterisation and operation [24]. The microturbine in the microgrid relies on advanced controls to enhance stability and efficiency [25]. Dynamic validation by simulation supports the consistency of the representation under changing conditions [26]. Neuro-fuzzy control provides robustness against uncertainties in torque and power [27].
The photovoltaic (PV) generator is as follows: the PV model is based on the I–V curve with thermal coefficients, parasitic resistances, and orientation and inclination effects, allowing power and energy to be predicted with local irradiance and temperature on an hourly basis and in representative months (January, March, June, October) [28]. Accuracy is improved by incorporating thermal dependencies of the cell [29] and simulating electrical events and losses in specialised tools to compare grid-connected and stand-alone scenarios [30].
The storage system (BESS) is as follows: the BESS is represented by Thévenin or PNGV equivalents, which capture internal resistances, capacitances, charge/discharge efficiencies, SoC, and power limits, enabling the analysis of autonomy, hysteresis, and cycles under different operating policies [31]. It is complemented by control strategies to improve stability and dynamic response (e.g., current/voltage control considering SoC limits) [32]. Charge and discharge optimisation is used to reduce costs and maximise the use of renewables [33].
The simulation is carried out as follows: dispatch algorithms allow for the management of peaks and troughs in demand [34]. The simulation of variable scenarios allows for the validation of performance and the adjustment of parameters prior to implementation [35]. The comparison of results in different contexts strengthens the transferability of the model [36]. Simulation platforms provide a controlled environment for evaluating configurations and strategies with reproducible criteria [37].
The energy management strategy (EMS) is as follows: a rule-based EMS linked to SoC is adopted with charge/discharge thresholds and inhibitions that activate biomass dispatch when demand deficits or peaks are detected, prioritising solar energy and the strategic use of BESS [13]. This approach is traceable, implementable in contexts with limited communications, and consistent with ‘communicationless’ AC/DC approaches that use margins to reduce losses and improve voltage quality in rural networks with high PV [20]. In terms of stability, prudent operating limits are established to avoid LFOs and multiloop couplings in converters, in accordance with VSG guidelines [21].
The metrics and validation are as follows: to compare scenarios and inform decisions, homogeneous metrics are used: energy per source, renewable fraction, biomass/day (kg/day), self-consumption, self-sufficiency, and SoC profiles (minimums, start/end) [28]. These metrics interact with 3E frameworks that balance environmental benefits and design costs [18]. Validation includes sensitivity tests (SoC thresholds and minimum biomass power) and verification of energy balance consistency (EPV + Ebiomass + EBESS ≈ Eload ± losses) [29]. The approach recognises the importance of non-ideal parameters in actual performance and promotes specific calibrations where appropriate [22].

1.4. Scientific Novelty and Contributions

In terms of technological integration of underutilised local resources, local agricultural waste (e.g., coffee, plantain, banana) is incorporated as a traceable energy input, parameterising PCI, moisture for dispatch, and planning, with potential benefits for the circular economy and reduced dependence on imported fuels [8].
In terms of dynamic temporal modelling, hourly simulation is performed with seasonal evaluation (January, March, June, October) and comparable metrics (energy per source, renewable fraction, biomass/day, SoC), avoiding oversizing and capturing daily and seasonal variability [28].
Regarding adaptive energy management logic, an EMS is implemented by SoC thresholds and prioritises PV, followed by biomass, and uses BESS strategically. Based on the results, replicable design guidelines are formulated for NIZs, including PV expansion (~20%) and minimum BESS capacity (≥2.5 kWh), as well as adjustments to SoC thresholds and minimum power of the biomass unit [13].
In terms of compatibility with operation in weak grids, the approach is compatible with ‘communication-free’ AC/DC strategies to improve voltage profile and losses in rural grids with high PV. It also addresses stability recommendations to mitigate LFO and coupling in grid-forming converters [21].
Regarding a link to 3E criteria, the selection of metrics and sensitivities are in line with 3E frameworks, facilitating decisions that balance decarbonisation, LCOE, and payback in the rural context [18].

1.5. Organisation of the Article

Section 2 presents Materials and Methods: study area, data and parameters, PV, biomass and BESS models, EMS, numerical configuration/validation, and metrics [13,23,28,31]. Section 3 reports Results by representative month and a seasonal summary with the defined homogeneous metrics [28]. Section 4 develops the Discussion, contrasting with the 3E literature [18], with 3E methodological recommendations [19], with AC/DC ‘no communication’ strategies, and with VSG/LFO stability guidelines [20], providing physical–operational interpretation and scaling criteria. Section 5 presents Conclusions and recommendations aimed at design, implementation, and replicability in NIZs [1,2,3].

2. Materials and Methods

The methodology established for the development of the study is based on a procedure for modelling and simulating a hybrid microgrid composed of photovoltaic generation, a biomass-based system, and a battery energy storage system. This approach seeks to ensure energy autonomy in non-interconnected rural communities, integrating real climate data, load profiles, and specific technical parameters for each component of the system. The methodology ranges from the collection of reference information to the implementation of mathematical models and their simulation in MATLAB/Simulink. The stages developed are summarised in Figure 1, which presents the general flowchart of the methodology used.

2.1. Input Profile Consultation

An energy analysis is performed on the microgrid located in the rural area of Argelia-Viotá-Cundinamarca-Colombia, whose geographical coordinates are: 4.455266°, −74.466019° (04°27′19″, −074°27′58″). Various meteorological and energy databases have been integrated to provide a detailed profile of local load, irradiance, and temperature conditions. The report was generated on 5 November 2024 with the support of the Global Solar Atlas, which provides crucial irradiance data for the study.
The sources of information include the following:
  • Energy demand: provided by the XM portal, [38], which details official energy consumption forecasts. This data allows for the analysis of hourly demand and its adaptation to the generation capacity of the microgrid.
  • Solar irradiance: consulted through the Global Solar Atlas ) [39], which provides a detailed profile of irradiation in the area, essential for evaluating the potential generation of photovoltaic solar energy in the microgrid at different times of the day and year.
  • Temperature: hourly temperature data is obtained from the Clima.com website, ) [40], which allows for the evaluation of the impact of thermal conditions on the efficiency of photovoltaic panels and the behaviour of the energy storage system.
  • Combined irradiance and temperature: for a comprehensive analysis, daily resolution irradiance and temperature data provided by NASA/POWER through the CERES/MERRA2 system, [41] are used.
This combination of data is essential for more accurately modelling the performance of energy systems under real weather conditions. Together, these databases enable a contextualised assessment of the energy resources available in the area. In addition, the quantity and availability of biomass (kg/day) were determined from studies on the energy potential of agricultural waste in the region [42], taking into account an average humidity of 15–20% and a calorific value ranging from 3600 to 4200 kcal/kg. To assess renewable generation conditions, combined daily resolution irradiation and temperature data were used [41], which made it possible to characterise the environmental conditions that affect the overall performance of the hybrid microgrid. This information is essential for designing and optimising the operation of the microgrid, maximising the use of renewable resources and adapting to local energy demands with greater precision and efficiency.

2.2. Selection of Seasonal Scenarios

The months of January, March, June, and October were selected as representative of the different seasonal conditions characteristic of the study area. January corresponds to the dry season, characterised by high levels of irradiance and high temperatures. March represents a transition period, with moderate variability, and coincides with the start of the first annual coffee harvest. June is associated with the rainy season, during which solar irradiance decreases significantly due to increased cloud cover. Finally, October marks a return to more stable climatic conditions, with average irradiation and the second annual coffee harvest. The selection of these months allows the performance of the system to be evaluated in various climatic and seasonal scenarios, providing a comprehensive understanding of the behaviour of the microgrid throughout the year.

2.3. Selection of Seasonal Scenarios

Geographical and Climatic Characteristics of the Study Area

To model the performance of the microgrid in Viotá, Cundinamarca (Colombia), detailed data on irradiance, temperature, and biomass availability throughout the year were used, selecting the months of January, March, June, and October to represent different climatic conditions and agricultural cycles. These months reflect significant variations in irradiance and temperature, as well as coinciding with the harvest cycles of coffee, plantains, and bananas, which are important agricultural products for the area and whose residues have a high lower heating value (LHV) [42].
January, with the highest irradiance (2785 kWh/m2), represents the best scenario for solar generation, while March, with the lowest irradiance (1684 kWh/m2), coincides with the start of the first coffee harvest of the year, which represents a particular challenge in energy management. June and October experience medium-high irradiance. October coincides with the second coffee harvest and allows both solar energy and biomass to be exploited.
The temperature data for each month allows us to understand the thermal impact on system efficiency. In general, the average temperature in these months ranges between 16 and 17 °C, with highs between 22 and 24 °C and lows of 11–12 °C, conditions that favour both solar generation and storage efficiency.

2.4. Choice of Microgrid Type, Resources, and Storage

The study considered the design and implementation of an isolated (off-grid) microgrid, representative of a rural community without access to the national electricity grid. The proposed system integrates three main energy resources: a photovoltaic generation system to harness available solar resources, a biomass-based generator that acts as a backup source during periods of low solar irradiation or high energy demand, and a battery-based energy storage system to ensure load management, energy balance, and reliability of nighttime supply. The design process was guided by specific technical and operational criteria, including the characterisation of a typical daily load profile, a minimum energy autonomy of one day, and a defined operating state of charge range for the battery system between 20% and 100%. In addition, the design aims to cover at least 50% of the annual energy demand with solar generation, complemented by the efficiency and availability of the biomass generator to ensure the reliability and stability of the system under different operating conditions.

Technical, Electrical, and Functional Parameters Considered

Table 1 summarises the essential parameters for the sizing and dynamic modelling of a hybrid PV–biomass–battery microgrid, including DC-AC conversion elements and the load profile. For each subsystem, only the variables with the greatest effect on operational behaviour and the quality of the simulation results were selected: nominal powers, operating voltages and currents, efficiencies, SoC/DoD ranges, and electrical output conditions. Each parameter is accompanied by a bibliographic reference supporting its typical value or range of application in order to ensure traceability, reproducibility, and consistency with the technical literature and engineering best practices.
These parameters were explicitly incorporated into the integrated microgrid simulation in the modelling environment, serving as boundary conditions and constants/settings for photovoltaic generation, conversion, and storage models, as well as for the biomass module and the aggregate load block. In particular, the powers and efficiencies conditioned the energy balances, the voltages/currents defined the compatibility between buses and equipment, the SoC limits and peak currents in batteries restricted dispatch and autonomy, and the demand profile determined the power peaks for inverter sizing and EMS logic. In this way, the simulation accurately reflects the expected performance of the system under coordinated operation and allows for the derivation of design guidelines and operating criteria that can be transferred to similar contexts.

2.5. Mathematical Models of Each Subsystem

The modelling of the hybrid microgrid components was carried out using validated methodologies that guarantee an accurate representation of their electrical and dynamic behaviour under variable operating conditions. The process followed a sequential approach, beginning with the biomass generation unit, followed by the photovoltaic (PV) system, and concluding with the energy storage system, all of which were subsequently integrated into a centralised energy management system (EMS).

2.5.1. Biomass Plant Modelling

This section presents the modelling of a power plant based on a gas turbine fuelled by agricultural biomass. Figure 2 illustrates the general layout of an open-loop gas turbine power plant, highlighting the fuel system, the compressor, the combustion chamber, the turbine, and the electric generator. Each of these subsystems is described using specific mathematical models which allow for detailed thermodynamic dynamics, energy balances, flow and pressure relationships, and electricity generation, thus facilitating the analysis, design, and simulation of the overall behaviour of the plant to be integrated into the microgrid.
Table 2 presents the detailed mathematical model of the gas turbine power plant designed to operate with agricultural biomass waste as its main fuel. This model covers the main subsystems of the generation cycle, including the compressor, the combustion chamber, the turbine, and the electric generator, with a description of the types of processes involved (dynamic, thermodynamic, and equilibrium), the associated equations, and the physical and functional interpretation of each variable. This model aims to represent the thermal and mechanical behaviour of the plant, which is implemented in the MATLAB/Simulink simulation, allowing its energy performance to be evaluated based on operating conditions and available biomass resources.
The models presented in this table capture the dynamics of energy conversion in a biomass-fuelled gas turbine, including air treatment, combustion, gas expansion, and power generation. The incorporation of parameters such as isentropic efficiencies, compression and expansion ratios, and mass and energy flows, as well as the dynamic shaft equation, allows for a detailed analysis of losses and net system efficiency.

2.5.2. Photovoltaic System Modelling

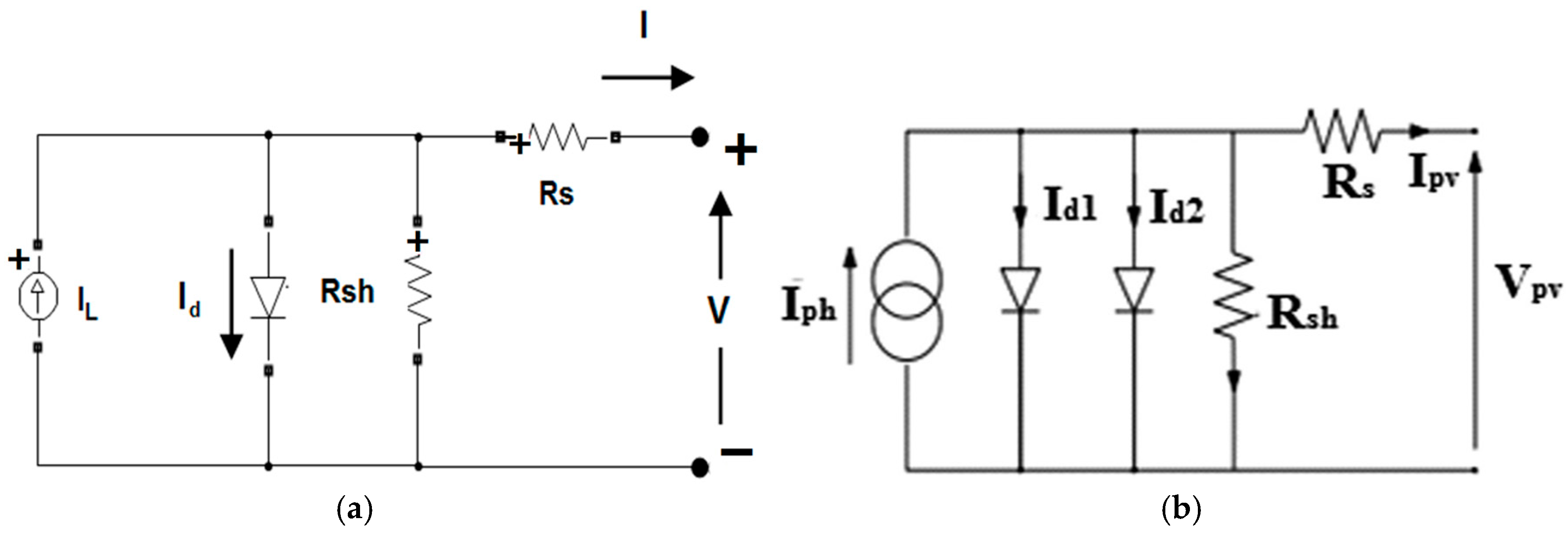
Figure 3 illustrates the most commonly used equivalent electrical models to represent the behaviour of a photovoltaic (PV) panel: the single-diode model (Figure 3a) and the double-diode model (Figure 3b). Both schemes aim to emulate the non-linear characteristics of the solar cell under different irradiance and temperature conditions. These representations are fundamental for the simulation, sizing, and optimisation of photovoltaic systems in environments such as MATLAB/Simulink, where a precise mathematical description is required to estimate the panel’s I-V curve, maximum power, and performance under variable conditions.
Table 3 presents the mathematical models used to characterise the behaviour of photovoltaic solar panels, based on the models in the references consulted. These models describe the relationship between current and voltage at the cell level (using one- and two-diode models), as well as the influence of external variables, such as irradiance and temperature, on the power generated. Formulas are also included to calculate the energy efficiency of the panel, the effects of tilt and orientation, system losses, and estimated annual generation. These elements made it possible to perform simulations, properly size the photovoltaic system, and analyse its efficiency under different climatic conditions.
The models provide a basis for technical and energy analysis of solar photovoltaic systems, enabling their performance to be evaluated. By taking into account factors such as operating temperature, incident irradiation, losses due to external factors, and installation geometry, the ability to predict system performance is improved. These equations integrate the photovoltaic component implemented in the MATLAB/Simulink simulation environment, ensuring a representation of its interaction with other energy resources.

2.5.3. Storage System Modelling

Figure 4 illustrates three representations of equivalent electrical circuits commonly used to model the dynamic behaviour of a battery. These models made it possible to simulate its electrical response under variable charging and discharging conditions, which is particularly useful in environments such as MATLAB/Simulink for the integration of battery banks into microgrids.
Table 4 presents the mathematical models used for the electrical, energy, and degradation characterization of batteries. The table is based on references and ranges from basic internal resistance models to more advanced models such as first- and second-order Thévenin equivalent circuits, the PNGV (Partnership for a New Generation of Vehicles) model, and expressions for calculating state of charge (SoC), energy efficiency, internal losses, and aging due to cycles or temperature.
The models presented provide a basis for analysing battery performance in real environments and are used in the corresponding simulation. Their integration allows the evaluation not only of the electrical response but also of the evolution of the state of charge, internal losses, and system lifetime as a function of operating cycles and environmental conditions.

2.6. Models Implemented in MATLAB/Simulink

The hybrid microgrid was modelled in MATLAB/Simulink using Simscape Electrical libraries, which provided a detailed representation of each subsystem. The photovoltaic panels were parameterised with dynamic irradiation and temperature data from the geographical location under study, while the energy storage system was represented using a parameterised RC battery model. Energy conversion was implemented with bidirectional DC-AC inverters controlled by pulse width modulation (PWM). The biomass generation unit was modelled as a gas turbine integrating the fuel system, combustion chamber, compressor, turbine, plant control, and synchronous generator, represented as an AC source controlled with constraints on power increase, voltage, frequency, and start-up time. This approach allowed for a realistic simulation of its operating dynamics and interaction with the rest of the microgrid.
Figure 5 shows a Matlab/Simulink simulation of the autonomous microgrid consisting of a biomass generator, a photovoltaic system, an energy storage system, and a residential load. The 24 h simulation monitors how energy is distributed among these components, highlighting the use of the biomass generator, solar panel generation, and battery to meet load demand. The analysis focuses on simulating the operation of a microgrid in autonomous mode for 24 h, taking into account load, irradiation, and temperature profiles. Below is a detailed interpretation of the elements that make up the image:
The microgrid system comprises several integrated components that, together, guarantee the supply of energy to a rural home under variable conditions of resource availability. The biomass generator serves as the main backup source, providing energy during periods of low photovoltaic generation or high demand. The photovoltaic system provides renewable energy whose production is determined by the irradiation and temperature profiles of the region studied. The battery-based energy storage system works to meet demand when generation is insufficient, such as during nighttime hours or when renewable generation is limited. The load represents the energy needs of a typical rural home, including lighting, heating, cooling, irrigation, and security, with a demand profile distributed throughout the day.
The interconnection infrastructure allows for bidirectional energy transfer between the biomass generator, the photovoltaic system, the storage units, and the domestic load, ensuring operational flexibility and energy balance. To analyse system performance, an energy–time graph is used, where the X-axis represents time in a 24 h cycle, and the Y-axis represents power in watts. The coloured lines indicate the generation signals: biomass (green, PQ_GRID), storage (orange, P_BESS), solar generation (yellow, P_PV), and load demand (blue, P_LOAD).
In addition, a storage system status panel provides key indicators of battery performance, including state of charge (SoC) at the beginning and end of the simulation, the amount of energy charged and discharged, and the operational status of the battery (BATT). It also summarises total energy demand, photovoltaic production, energy supplied by the biomass generator, surplus energy discharged, and the percentage of self-consumption, reflecting the efficiency of the off-grid microgrid in meeting the household’s energy needs.

2.6.1. Description of the Simulation Model Biomass Generator

Figure 6 presents a simplified block diagram of the biomass generator, a plant that uses a gas turbine as its central component to generate electrical power. This turbine is connected to a synchronous generation system that converts mechanical energy into electrical energy. The system has an excitation control subsystem, a transformer, and electrical measurements to evaluate its performance. Agricultural biomass waste is used as fuel, promoting a renewable energy source and a circular economy.
The analysis of the agricultural biomass-based generation system highlights the functionality and coordination of the main subsystems to ensure an efficient and sustainable energy supply. Details of each component are presented below:
Gas turbine (GTG): The turbine converts fuel energy into mechanical energy, regulated by speed control. Internally, within the simplified block called GTG, shown in Figure 6 (Highlighted with red arrow), is the biomass plant described in the model section, Section 2.4 Table 1 and Section 2.5.1 Table 2. Figure 7 shows the complete model of the plant, highlighting the subsystems: compressor, combustion chamber, turbine, fuel system, plant control, and mechanical power output (Pmec) that connects to the synchronous generator.
The system incorporates a synchronous generator that converts mechanical energy into electrical energy through electromagnetic induction, working in coordination with the excitation system to ensure stability and regulate both active and reactive power [12]. The excitation system controls the excitation voltage of the rotor, thus regulating the magnetic flux and output voltage, which plays a key role in maintaining dynamic stability and regulating the generator voltage. A three-phase transformer is included to raise or maintain the generated voltage for proper integration with the grid, ensuring optimal power transfer.
To support efficient operation, a measurement and monitoring system continuously records voltages, currents, and active and reactive power, providing essential data for control adjustments and operations. The system also includes resistive loads to represent electricity consumption, allowing the generator’s behaviour to be evaluated under various load conditions.
From a design perspective, the system prioritises sustainability by using agricultural biomass as a renewable fuel source, reducing dependence on fossil fuels. In addition, the integration of control and monitoring systems ensures both stability and operational efficiency, while accurate measurement facilitates detailed performance analyses to identify potential improvements.

2.6.2. Description of the Photovoltaic System Simulation Model

Figure 8 represents the internal block diagram of the photovoltaic system configured for the microgrid, establishing the relationships between the different variables that affect solar energy generation and its integration into the system. The components and their operation within the photovoltaic system are described below, from the irradiance and temperature input profiles to the conversion of energy into alternating current by means of the inverter.
The photovoltaic subsystem of the microgrid was modelled taking into account the key variables that determine its energy production and its interaction with the other components of the system. The model is based on and implemented with the information presented in Section 2.4 Table 1 and Section 2.5.2 Table 3. The amount of energy captured depends on solar irradiation and the surface area of the panel, as irradiation varies throughout the day and depending on weather conditions, which directly affects the availability of energy for the PV conversion. The efficiency of the panel defines the proportion of solar energy converted into electricity, and this efficiency is corrected according to the ambient temperature, which can reduce performance in high-temperature conditions.
Maximum power generation was calculated from irradiance, panel surface area, and efficiency and adjusted to take into account the effects of temperature. This adjusted power was then compared with the load profile, which represents the domestic energy demand throughout the day, in order to assess whether PV generation could meet the required demand. The energy produced in direct current (DC) was converted to alternating current (AC) by a bidirectional inverter, enabling the supply of energy to the microgrid loads.
The state of charge (SoC) of the battery was continuously monitored to determine the appropriate control strategy for charging, discharging, or maintaining standby operation. The control logic was implemented using a flip-flop mechanism: when the SoC reached high levels (≥90%), charging was inhibited, while at low levels (≤60%), charging was allowed from PV generation. This control strategy is oriented towards an efficient use of the generated energy, maintaining the operational balance between photovoltaic production, storage, and load supply.

2.6.3. Description of the Storage System Simulation Model

Figure 9 shows the battery energy storage system (BESS) of the microgrid, in which battery charging and discharging is controlled based on grid demand and the battery state of charge. Below is a description of the components and their function within the system.
The battery energy storage system (BESS) was modelled as an active component of the microgrid, allowing bidirectional energy exchange to optimise energy use and maintain system stability. The model implemented is based on the information presented in Section 2.4 Table 1 and Section 2.5.3 Table 4. The inputs Vabc_B2 and Iabc_B2 represent the three-phase voltages and currents associated with the battery, providing the data needed to calculate the energy that is stored or supplied to the microgrid. The ESS controller regulates the charging and discharging processes based on the state of charge (SoC), instantaneous demand, and availability of renewable generation. Control signals, such as On1 and SE%1, indicate whether the system is active and the proportion of energy available for storage or supply. In the figure, a three-pole contactor, driven by the On1/off_battery signal, simultaneously connects or disconnects the BESS phases A–B–C to the three-phase bus.
A control relay acts as a switching mechanism, enabling or interrupting the flow of energy to the battery according to the controller’s instructions. The battery, connected via three-phase terminals, stores energy from renewable sources and supplies it to the microgrid to meet load demand or maintain energy balance. The SoC, calculated as a percentage, serves as a critical parameter to determine whether the battery should be charged or discharged, ensuring efficient utilisation and preventing degradation.
For added protection, a battery disconnect switch (off_battery) is included to prevent overcharging or deep discharging that could compromise battery life. In addition, a three-phase switch controls the proper connection and synchronisation of the battery with the generation system and loads, ensuring safe and efficient power transfer within the microgrid.

3. Results

Figure 10 presents a general diagram that summarising the methodological procedure developed for the presentation and analysis of the results of the simulations of the integrated models implemented for the hybrid microgrid designed based on solar photovoltaic energy, biomass generation, and battery storage. This scheme allows the stages systematically applied to the months representative of annual behaviour (January, March, June, and October) to be visualised, enabling the system’s performance to be compared under different climatic and load conditions. Each block of the scheme represents a phase of the analysis, from the collection of input data to the integration of output signals, the evaluation of results, and the formulation of criteria for improving the design and scalability of the energy system in non-interconnected rural contexts.
Below is the detailed analysis for the month of October 2024, replicating the procedure in Figure 10 for the months of January, March, and June as well. Figure 11, Figure 12, Figure 13 and Figure 14, presented here, groups together the input, output, and integrated signals of the energy system.

3.1. Analysis of Input Components

Figure 11 shows irradiance, temperature, load, and biomass. The analysis of the input parameters for the month studied highlights the interaction between resource availability, system demand, and biomass utilisation within the hybrid microgrid. Solar irradiance peaks between 09:00 and 11:00, exceeding 260 W/m2, followed by a plateau around 180 W/m2 until approximately 16:00. Although these values are lower than those observed in other months of the study, they are sufficient to maintain continuous photovoltaic generation. The ambient temperature varies between 12 °C in the early morning and 22 °C at midday, a range considered adequate to maintain acceptable efficiency of PV modules without significant losses due to overheating.
The load profile shows demand peaks of up to 2200 W at specific times of the day (08:00, 12:00, 18:00, and 21:00), with a minimum base load of approximately 400 W, indicating a constant demand pattern with four blocks of high activity. Consequently, the biomass requirement is approximately 11.2 kg per day, with consumption peaks synchronised with periods of higher load, demonstrating an adequate operational response of the biomass generator to the demand profile and ensuring the reliability of the hybrid system.

3.2. Analysis of Energy Behaviour by Source

Figure 12 shows signals PQ_GRID, PV, BESS, LOAD. Analysis of the operational behaviour of the microgrid components reveals their complementary roles in meeting the energy demand of the rural household. The biomass plant (green curve) operates intermittently, supplying up to 1900 W of power during periods when solar generation is insufficient and responding effectively to afternoon load peaks. The photovoltaic system (yellow curve) begins generating around 07:00, with a progressive increase in power until it reaches maximum values of approximately 700 W, which are maintained for more than five hours, providing significant coverage during the period of highest solar irradiation.
The battery system (orange curve) has an initial discharge peak of about 450 W at the beginning of the day, after which its power stabilises near zero, indicating a limited participation once the load is covered by renewable generation. The load profile (blue curve) shows variable demand with well-defined peaks of up to 2200 W, following a pattern consistent with typical rural household consumption, with higher activity during the morning, midday, and afternoon hours. This coordinated operation highlights the complementary nature of the hybrid microgrid resources, which ensures reliability and continuity of supply thanks to the combined contribution of PV generation, biomass backup, and battery support.

3.3. Analysis of Accumulated Energy by Source

A comprehensive analysis of the microgrid reveals significant challenges in demand management, photovoltaic generation, storage, and biomass use, as well as opportunities to improve the efficiency and sustainability of the system. Figure 13 analyses the following:
Load demand: demand is highly variable, with nighttime peaks requiring backup storage battery and biomass. These peaks, associated with activities such as lighting and air conditioning, highlight the need for adequate storage and better synchronisation of consumption with solar generation. Photovoltaic generation: solar energy covers a large part of the daytime demand, but its generation is limited to daylight hours, forcing reliance on biomass at night. In addition, the current storage system does not capture all the solar surplus, wasting energy that could be used at critical times.
Storage system: the batteries discharge quickly and are not recharged sufficiently during the day, showing insufficient capacity to meet nighttime demand. Expanding storage would allow for greater autonomy and reduce dependence on biomass, improving the energy balance of the microgrid. Biomass generation: biomass acts as the main backup during nighttime demand peaks and periods without solar generation. However, its frequent use increases costs and environmental impact. An advanced control system to manage biomass could reduce dependence on it, improving overall efficiency.
Resource coordination: the microgrid uses solar energy for daytime demand, batteries for transition peaks, and biomass as backup at critical times. It is recommended to synchronise high consumption with solar generation and expand storage capacity to improve efficiency, minimise use, and promote more balanced and sustainable operation.
The analysis of the energy flows accumulated throughout the day highlights the contribution of each component of the hybrid microgrid to meeting energy demand. Figure 14 illustrates the energy behaviour of each component. The net energy of the grid (green curve), supplied by the biomass generator, increases progressively throughout the day, reaching a total of 14.5 kWh and acting as the main backup source of the system. The battery energy (orange curve) stabilises at approximately 0.63 kWh, reflecting the initial discharge observed in the power curve and indicating the absence of recharging during the day.
The accumulated solar energy (yellow curve) increases during the five hours of highest irradiation, reaching a total of 7.8 kWh and representing a medium-high contribution to the total energy supply. Finally, the charging energy (blue curve) accumulates to a total daily consumption of 19.6 kWh, which corresponds to the complete energy demand of the rural household or facility under study. This analysis highlights the complementary functions of PV generation and the biomass generator, with the battery playing only a secondary role under the operating conditions studied.
The operational evaluation of the hybrid microgrid demonstrates its ability to provide a reliable and continuous electricity supply by combining photovoltaic generation and biomass as primary energy sources, with the grid acting as an efficient backup. The energy balance indicates that approximately 26% of total consumption is supplied by the photovoltaic system, 57% by biomass generation, and 17% by battery backup. Despite lower irradiance levels in October compared to January or June, the performance of the PV system remains significant and is well aligned with periods of peak demand.
However, the analysis suggests opportunities for optimisation. It is recommended to adjust the battery control strategy to allow recharging during peaks in solar generation, thus increasing nighttime autonomy and reducing grid dependence. From a design perspective, the addition of at least 2.5 kWh of additional storage capacity would improve energy independence during nighttime hours and cloudy days. Furthermore, improvements could be achieved by optimising biomass use, limiting generator operation to periods of peak demand, and expanding the PV collection area by approximately 20% by October to compensate for lower irradiation. Finally, the integration of an advanced energy management controller that prioritises battery recharging during solar surpluses would further improve the overall efficiency and reliability of the system.
Consequently, the entire methodology presented was applied in the other selected test months. Table 5 presents the results, comparing key energy variables to identify trends in performance, operational efficiency, and load coverage. This quantitative summary forms the basis for assessing the system’s autonomy, its dependence on each energy source, and its ability to adapt to different climatic and demand conditions.
The integrated microgrid highlights the importance of an adaptive operating strategy to maximise the use of renewable energies and minimise dependence on biomass. It is proposed to synchronise demand with solar generation to reduce nighttime load and optimise energy storage by increasing battery capacity and using an intelligent management system. Similarly, the efficiency of the PV system can be improved through seasonal adjustments and the use of high-efficiency panels.

4. Discussion

4.1. Verification and Reliability of Results

Methodology applied (Figure 1 and Figure 10) and traceability of results. Figure 1 summarises the end-to-end workflow: (i) study area selection and data acquisition: irradiance, temperature, hourly load profile, availability, and properties of biomass with moisture/PCI; (ii) parameterisation and verification of models by subsystem—PV (electrical model with thermal coefficients), biomass–group (gasifier + generator with limited yields and minimum start-up power), BESS (LiFePO4 with voltage/current limits and SoC windows); (iii) integration of rule-based EMS with SoC thresholds (prioritises PV, schedules biomass at peaks, and preserves BESS cycles); (iv) numerical configuration in MATLAB/Simulink (ode23t, tolerances, and max step); and (v) verification (energy balance < 2%, sensitivities, order-of-magnitude coherence).
Figure 10 operationalises this framework for each representative month (January, March, June, and October): pre-processing of inputs, simulation run, extraction of P–Q signals, daily integration of energies by source (PV/biomass/BESS), estimation of specific biomass (kg/day), calculation of metric (renewable fraction, efficiency, SoC), and design feedback (e.g., PV +20%, BESS ≥ 2.5 kWh). This methodological chain ensures traceability from assumptions to recommendations and explains the robustness and seasonal consistency of the results. The verifications carried out as a result of applying the methodology are presented below.
The first verification was performed using daily energy consistency: the sum of energy delivered by PV, biomass, and BESS equalled the energy demanded by the load, with a closing error of <2% in the four months analysed (January, March, June, and October), indicating the absence of unmodelled leaks and adequate numerical balance. In the illustrative month of October, the balance was PV = 7.8 kWh, biomass = 11.2 kWh, BESS = 0.63 kWh, and demand = 19.6 kWh, with overall efficiency ≈ 97%, consistent with the instantaneous profiles in Figure 11, Figure 12, Figure 13 and Figure 14.
The second verification was numerical. The model was implemented in MATLAB/Simulink (Simscape Electrical) with ode23t, relative tolerance 1 × 10−3, and maximum step 1 s. Robustness tests with tolerance 1 × 10−4 and 0.5 s produced variations < 0.5% in energy per source, renewable fraction, and stored energy. Sensitivity analyses were also performed on SoC thresholds (85–95% charge, 55–65% discharge) and minimum start-up power of the biomass generator (1.6–2.0 kW), with limited changes (BESS ± 0.2 kWh/day; biomass ± 0.6 kWh/day), demonstrating dispatch stability in the face of small parametric disturbances.
The third verification was of order of magnitude, contrasting: (i) PV currents/voltages with manufacturer data sheets and local thermal range; (ii) PCI and biomass moisture with the regional technical literature; and (iii) typical conversion efficiencies (PV, biomass group, and inverter). The simulated figures remained within the reported ranges, which supports the plausibility of the results. The following limitation was noted: no in situ tests or measured time series were available for this case; therefore, HIL (hardware-in-the-loop) validation and a field pilot are proposed to adjust for wiring losses, battery degradation, and thermal derating of modules.

4.2. Physical Interpretation of the Findings

Seasonality and demand structure explain the patterns observed. PV power follows irradiance with a slight thermal penalty midday; the load profile shows morning, midday, and evening peaks (Figure 12), with maximums of ≈2.2 kW in October. In this context, biomass acts as a dispatchable source that covers deficits during peaks and periods of low irradiance; the BESS (SoC 60–90%) smooths transients and contributes ≈0.6 kWh/day, an intentionally secondary role under an EMS by SoC thresholds (prioritising solar and battery reserve for continuity and micro-peaks).
On an annual basis, between March and June, PV energy grows from 7.2 to 8.9 kWh/day (+23.6%), increasing the renewable fraction and overall efficiency (97% → 103%). The specific biomass required remains at 12.7–17.6 kg/day (humidity 15–20%), consistent with the sizing of group and the policy of scheduled ignition only at peaks. In October, the shares were PV 40%, biomass 57%, and BESS 3%, consistent with moderate irradiance (peak ≈ 270 W/m2) and defined demand peaks.

4.3. Comparison with the Literature and Positioning of the Study

The energy distributions (e.g., PV 40%/biomass 57%/BESS 3% in October) and overall efficiencies of 93–103% are at the high end of what has been reported for rural PV–BESS–biomass microgrids in scenarios of moderate irradiance and evening demand, where biomass contributes 50–65% and PV 30–45% when storage is moderate and EMS is rule-based [55]. Unlike studies that maximise PV self-consumption with larger BESS, this study favours local biomass as a firmly dispatchable backup for short peaks, maintaining BESS for supply quality. This trade-off is consistent with techno-economic assessments that show diminishing returns when oversizing BESS (curtailment and marginal cost/impact), while local thermal backup reduces OPEX and improves continuity compared to pure diesel [56]. In summary, the observed pattern—PV dominant during daylight hours, biomass for peaks, and BESS for continuity—is consistent with the state of the art and reinforces the relevance of EMS rules by SoC in NIZ with agricultural waste availability.

4.4. Environmental and Economic Impact (Monthly Comparison)

A 100% diesel system with specific consumption of 0.27 L/kWh [57] and emission factor of 2.68 kg CO2/L (≈0.724 kg CO2/kWh) [58] is adopted as a baseline. Under this reference, the emissions avoided per typical day (when supplying with PV + biomass + BESS) are as follows:
  • January (17.5 kWh): An amount of 12.66 kg CO2/day (≈4.73 L diesel avoided).
  • March (19.6 kWh): An amount of 14.18 kg CO2/day (≈5.29 L).
  • June (21.4 kWh): An amount of 15.49 kg CO2/day (≈5.78 L).
  • October (19.6 kWh): An amount of 14.18 kg CO2/day (≈5.29 L).
In addition to reducing GHGs, replacing diesel with PV and local biomass decreases exposure to NOx/PM from diesel combustion and reduces fuel transport logistics in NIZs [59]. From an economic standpoint, those reductions translate into direct operational savings. At a price of 1.0 USD/L, daily savings are around USD 4.7–5.8 depending on the month; with higher prices, the gap in favour of the microgrid increases. Local waste biomass also has lower cost and volatility than diesel, stabilising OPEX [60]. The maximum benefit is observed in June (highest irradiance): more PV kWh, more CO2 and combustible avoided; in March/October, the benefit increases as PVs (≈+20% area) and BESS are charged to extend nighttime autonomy.

4.5. Technical and Operational Implications

  • In terms of sizing, increasing PV ≈20% raises the renewable fraction in months of moderate irradiance and displaces biomass; adding ≥2.5 kWh of BESS improves nighttime autonomy and ride-through in the event of dense clouds, avoiding oversizing with low returns.
  • In terms of EMS, maintaining SoC thresholds (90 ± 5% charge, 60 ± 5% discharge) and scheduled start-up of the unit only at peaks protects battery life, reduces start-ups, and improves efficiency.
  • Regarding seasonal operation, in June, biomass can be restricted to short peaks; in March–October, it is advisable to prioritise BESS recharging during the PV plateau [55] to cover post-sunset demand.
  • In terms of scalability/replicability, monthly metrics (energy by source, renewable fraction, biomass/day, SoC) provide guidelines that can be transferred to other Andean NIZs, adjusting for irradiance, load profiles, and PCI/ biomass moisture.

4.6. Limitations and Future Work

Limitations were as follows: (1) a lack of field measurements for the case; (2) the absence of explicit battery/module degradation and generator ageing; (3) a rule-based EMS without MPC or forecasting was used; (4) no stochastic analysis of uncertainties was carried out.
Future work should investigate the following: (1) HIL validation and pilot installation with instrumentation (including air quality) for fine calibration; (2) MPC with irradiation/load forecasting and demand response; (3) multi-objective cost-emissions-cycle sizing and stochastic analysis (Monte Carlo); (4) degradation modelling (BESS internal capacity and resistance, derating, and PV soiling); (5) improvements in thermal control of the biomass group and future interoperability (grid-forming mode).
In closing, we note that verifications (balance, numerical, and order of magnitude) support the reliability of the model. Physical interpretation explains the PV–biomass–BESS distribution and its seasonal variation, comparison places it within the state of the art, and environmental-economic analysis confirms GHG and OPEX reduction compared to diesel. This leads to design and control recommendations—PV +20%, BESS ≥ 2.5 kWh, EMS by SoC, and biomass at peaks—and a roadmap for field validation.

5. Conclusions

In terms of technical feasibility and operational performance, the PV–biomass–BESS hybrid scheme was shown to reliably cover the daily demand of an isolated rural household, with overall efficiencies between 93% and 103% depending on the month analysed. Quantitatively, the PV contribution ranged from 6.8 to 8.9 kWh/day (≈37–42% of demand), biomass ranged from 9.5 to 13.2 kWh/day (≈54–62%), and BESS contributed 0.5–0.65 kWh/day (≈3%), operating at 60–90% SoC. This partition confirms the dispatchable role of biomass for peak and low irradiance, the priority of solar resources during daylight hours, and the buffering role of BESS on transients and continuity.
In terms of the effect of seasonality and comparison between months, the variation in irradiance explains systematic changes in energy distribution. Between March (7.2 kWh PV) and June (8.9 kWh PV), there was a 23.6% increase in solar generation, which raised the renewable fraction and brought overall efficiency from 97% to 103%. In October, typical of moderate irradiance, the shares stabilised at PV of 40%, biomass of 57%, and BESS of 3%, consistent with afternoon demand peaks and a smaller useful solar window.
In terms of the numerical consistency and robustness of the model, daily balances met closing error <2%; tests with ode23T (1 × 10−3 → 1 × 10−4; step 1 s → 0.5 s) produced variations <0.5% in energy metrics. Sensitivities at SoC thresholds (85–95% charge, 55–65% discharge) and minimum biomass group power (1.6–2.0 kW) showed limited changes (BESS ± 0.2 kWh/d; biomass ± 0.6 kWh/d), supporting the reliability and stability of dispatch in the face of reasonable disturbances.
The environmental implications are as follows: using a 100% diesel supply (≈0.27 L/kWh) as a baseline, the hybrid system avoids the use of approximately 4.7–5.8 L of diesel and prevents 12.7–15.5 kg CO2 per typical day, depending on the month (maximum in June). The recovery of agricultural waste as fuel reduces the carbon footprint and promotes the local circular economy, as well as reducing exposure to diesel-related pollutants (NOx/PM), which are particularly relevant in NIZs.
The economic implications are as follows: the shift in fuel (diesel → PV/biomass) translates into direct operational savings proportional to the local price of diesel and lower cost volatility by taking advantage of a local resource. Moderate use of the BESS, aimed at continuity rather than intensive arbitrage, avoids oversizing low returns and preserves useful life.
Our design and operation recommendations are as follows, based on the results and the monthly comparison:
Increase the PV area ≈20% for months with moderate irradiance (e.g., October), increasing the renewable fraction and displacing biomass.
Add ≥2.5 kWh of BESS for nighttime autonomy and ride-through in the event of dense clouds, enabling daytime recharging.
Maintain an EMS by SoC thresholds (charge ~90% ± 5%; discharge ~60% ± 5%) and schedule the biomass unit to start only at peaks and troughs of irradiance, minimising starts and losses.
Synchronise demand-generation (shifting loads to the solar plateau), reinforcing PV utilisation and reducing specific biomass (kg/kWh).
Scope and replicability are as follows: the methodology (climate and load data → modelling by subsystem → integration in MATLAB/Simulink → evaluation with monthly metrics: kWh per source, renewable fraction, biomass/day, SoC, efficiency) is reproducible and transferable to other Andean NIZs, adjusting irradiance, demand profiles, and PCI/humidity of local biomass.
The set of numerical evidence, the seasonal comparison and the physical-operational reading support the conclusion that a well-coordinated PV–biomass–BESS microgrid is technically viable and environmentally and economically advantageous over the diesel alternative, and in NIZs, with the proposed adjustments (PV +20%, BESS ≥ 2.5 kWh, predictive EMS and demand-generation synchronisation), the system can increase its renewable fraction, reduce specific biomass, and deepen decarbonisation with guarantees of a continuity of supply.

Author Contributions

Conceptualization, L.F.R.-R., C.L.T.-R., N.L.D.-A. and C.R.-C.; formal analysis, L.F.R.-R.; investigation, L.F.R.-R., C.L.T.-R. and N.L.D.-A.; methodology, L.F.R.-R., C.L.T.-R., N.L.D.-A. and C.R.-C.; resources, L.F.R.-R., C.L.T.-R., N.L.D.-A. and C.R.-C.; supervision and validation, L.F.R.-R., C.L.T.-R., N.L.D.-A. and C.R.-C.; writing—original draft preparation L.F.R.-R., C.L.T.-R. and N.L.D.-A.; writing—review and editing, C.L.T.-R., N.L.D.-A. and C.R.-C. All authors have read and agreed to the published version of the manuscript.

Funding

The authors would like to thank the program which finances projects aimed at ecological and digital transition (Grant No. TED2021-131137B-I00: “Contribution to the Ecological Transition of the Industrial Sector through Photovoltaic Self-consumption”). The authors also acknowledge the support provided by the Thematic Network 723RT0150 “Red para la integración a gran escala de energías renovables en sistemas eléctricos (RIBIERSE-CYTED)” financed by the call for Thematic Networks of the CYTED (Ibero-American Program of Science and Technology for Development) for 2022.

Data Availability Statement

The original contributions presented in this study are included in the article. Further inquiries can be directed to the corresponding authors.

Conflicts of Interest

The authors declare no conflict of interest.

References

  1. Nawab, F.; Abd Hamid, A.S.; Arif, M.; Khan, T.A.; Naveed, A.; Sadiq, M.; Imad Ud din, S.; Ibrahim, A. Solar–Biogas Microgrid: A Strategy for the Sustainable Development of Rural Communities in Pakistan. Sustainability 2022, 14, 11124. [Google Scholar] [CrossRef]
  2. Tostado-Véliz, M.; Escámez, A.; Aguado, R.; Sánchez-Lozano, D.; Jurado, F.; Vera, D. Optimal sizing of hybrid PV–diesel–biomass gasification plants for electrification of off-grid communities: An efficient approach based on Benders’ decomposition. J. Clean. Prod. 2024, 458, 142360. [Google Scholar] [CrossRef]
  3. Cerón, J.A.; Gómez-Luna, E.; Vasquez, J.C. Driving the Energy Transition in Colombia for Off-Grid Regions: Microgrids and Non-Conventional Renewable Energy Sources. Energies 2025, 18, 1010. [Google Scholar] [CrossRef]
  4. Gamil, M.; Senjyu, T.; Takahashi, H.; Hemeida, A.M.; Krishna, N.; Lotfy, M.E. Optimal multi-objective sizing of a residential microgrid in Egypt with different ToU demand response percentages. Sustain. Cities Soc. 2021, 75, 103293. [Google Scholar] [CrossRef]
  5. Gonzalez-Reina, A.E.; Garcia-Torres, F.; Girona-Garcia, V.; Sanchez-Sanchez-de-Puerta, A.; Jimenez-Romero, F.J.; Jimenez-Hornero, J.E. Cooperative model predictive control for avoiding critical instants of energy resilience in networked microgrids. Appl. Energy 2024, 369, 123564. [Google Scholar] [CrossRef]
  6. Kalkal, P.; Teja, A.V.R. A Sustainable Business Framework Using Solar and Bio-Energy to Instate Incessant Power in Rural India: Optimal Scheduling, Smart Metering, and Economic Viability. IEEE Access 2022, 10, 11021–11035. [Google Scholar] [CrossRef]
  7. Irshad, A.S.; Ueda, S.; Furukakoi, M.; Zakir, M.N.; Ludin, G.A.; Elkholy, M.H.; Yona, A.; Elias, S.; Senjyu, T. Novel integration and optimization of reliable photovoltaic and biomass integrated system for rural electrification. Energy Rep. 2024, 11, 4924–4939. [Google Scholar] [CrossRef]
  8. Cao, Y.; Mihardjo, L.W.W.; Dahari, M.; Tlili, I. Waste heat from a biomass fueled gas turbine for power generation via an ORC or compressor inlet cooling via an absorption refrigeration cycle: A thermoeconomic comparison. Appl. Therm. Eng. 2021, 182, 116117. [Google Scholar] [CrossRef]
  9. Rey, J.R.C.; Pio, D.T.; Tarelho, L.A.C. Biomass direct gasification for electricity generation and natural gas replacement in the lime kilns of the pulp and paper industry: A techno-economic analysis. Energy 2021, 237, 121562. [Google Scholar] [CrossRef]
  10. Ribó-Pérez, D.; Herraiz-Cañete, Á.; Alfonso-Solar, D.; Vargas-Salgado, C.; Gómez-Navarro, T. Modelling biomass gasifiers in hybrid renewable energy microgrids; a complete procedure for enabling gasifiers simulation in HOMER. Renew. Energy 2021, 174, 501–512. [Google Scholar] [CrossRef]
  11. Kaur, H.; Gupta, S.; Dhingra, A. Analysis of hybrid solar biomass power plant for generation of electric power. Mater. Today Proc. 2021, 48, 1134–1140. [Google Scholar] [CrossRef]
  12. El-Maaroufi, A.; Daoudi, M.; Laamara, R.A. Techno-economic analysis of a PV/WT/biomass off-grid hybrid power system for rural electrification in northern Morocco using HOMER. Renew. Energy 2024, 231, 120904. [Google Scholar] [CrossRef]
  13. Arcos–Aviles, D.; Salazar, A.; Rodriguez, M.; Martinez, W.; Guinjoan, F. Model predictive control-based energy management system for an isolated electro-thermal microgrid in the Amazon region of Ecuador. Energy Convers. Manag. 2024, 310, 118479. [Google Scholar] [CrossRef]
  14. Kumar, P.P.; Suresh, V.; Jasinski, M.; Leonowicz, Z. Off-grid rural electrification in india using renewable energy resources and different battery technologies with a dynamic differential annealed optimization. Energies 2021, 14, 5866. [Google Scholar] [CrossRef]
  15. Modu, B.; Abdullah, M.P.B.; Alkassem, A.; Garni, H.Z.A.; Alkabi, M. Optimal Design of a Grid-Independent Solar-Fuel Cell-Biomass Energy System Using an Enhanced Salp Swarm Algorithm Considering Rule-Based Energy Management Strategy. IEEE Access 2024, 12, 23914–23929. [Google Scholar] [CrossRef]
  16. Kamal, M.M.; Ashraf, I. Evaluation of a hybrid power system based on renewable and energy storage for reliable rural electrification. Renew. Energy Focus 2023, 45, 179–191. [Google Scholar] [CrossRef]
  17. Zebra, E.I.C.; van der Windt, H.J.; Nhumaio, G.; Faaij, A.P.C. A review of hybrid renewable energy systems in mini-grids for off-grid electrification in developing countries. Renew. Sustain. Energy Rev. 2021, 144, 111036. [Google Scholar] [CrossRef]
  18. Li, Y.; Li, H.; Miao, R.; Qi, H.; Zhang, Y. Energy–Environment–Economy (3E) Analysis of the Performance of Introducing Photovoltaic and Energy Storage Systems into Residential Buildings: A Case Study in Shenzhen, China. Sustainability 2023, 15, 9007. [Google Scholar] [CrossRef]
  19. Wang, Y.; Chen, S.; Yang, M.; Liao, P.; Xiao, X.; Xie, X.; Li, Y. Low-frequency oscillation in power grids with virtual synchronous generators: A comprehensive review. Renew. Sustain. Energy Rev. 2025, 207, 114921. [Google Scholar] [CrossRef]
  20. Zhang, J.; Ji, Y.; Zhou, J.; Jia, Y.; Shi, G.; Wang, H. Cooperative AC/DC Voltage Margin Control for Mitigating Voltage Violation of Rural Distribution Networks With Interconnected DC Link. IEEE Trans. Power Deliv. 2025, 40, 1014–1029. [Google Scholar] [CrossRef]
  21. Zhang, J.; Feng, X.; Zhou, J.; Zang, J.; Wang, J.; Shi, G.; Cai, X.; Li, Y. Series-Shunt Multiport Soft Normally Open Points. IEEE Trans. Ind. Electron. 2023, 70, 10811–10821. [Google Scholar] [CrossRef]
  22. Qi, H.; Zhou, Y.; Zhang, Z.; Wang, B.; Zhang, Y.; Cui, H.; Wang, X. Heat transfer performance in energy piles in Urban areas: Case studies for Lambeth College and Shell Centre UK. Appl. Sci. 2020, 10, 5974. [Google Scholar] [CrossRef]
  23. Badshah, N.; Al-attab, K.A.; Zainal, Z.A. Design optimization and experimental analysis of externally fired gas turbine system fuelled by biomass. Energy 2020, 198, 117340. [Google Scholar] [CrossRef]
  24. Ordys, A.W.; Pike, A.W.; Johnson, M.A.; Katebi, R.M.; Grimble, M.J. Modelling and Simulation of Power Generation Plants; Springer: Berlin/Heidelberg, Germany, 2000. [Google Scholar]
  25. Jurado, M.F.; Cano, O.A. La Generación Eléctrica Distribuida Con Microturbina de Gas; Koobeht International España: Madrid, Spain, 2005; pp. 125–178. [Google Scholar]
  26. Ortega, V.M.; Modelado, Y. Simulación Dinámica de Esquemas de Cogeneración Tesis Maestría; Universidad Autónoma de Nuevo León: Monterrey, Mexico, 2001; Available online: http://eprints.uanl.mx/4886/1/1020145695.PDF (accessed on 3 April 2023).
  27. Jurado, F.; Ortega, M.; Cano, A. Neuro-fuzzy controller for gas turbine in biomass-based electric power plant. Electr. Power Syst. Res. 2002, 60, 123–135. [Google Scholar] [CrossRef]
  28. Montano, J.; Grisales, L.F.; Tobón, A.; González, D. Estimation of the Parameters of the Mathematical Model of an Equivalent Diode of a Photovoltaic Panel using a Continuous Genetic Algorithm. IEEE Lat. Am. Trans. 2022, 20, 616–623. [Google Scholar] [CrossRef]
  29. Santos, J.R.D.; Lopes, G.P.; Neto, E.T.W. Modeling and implementation of a photovoltaic solar panel in ATPdraw. In Proceedings of the 2021 International Conference on Emerging Power Technologies, ICEPT, Topi, Pakistan, 10–11 April 2021; Institute of Electrical and Electronics Engineers Inc.: Piscataway, NJ, USA, 2021. [Google Scholar] [CrossRef]
  30. Hali, A.; Khlifi, Y. Photovoltaic panel parameters determination using two numerical methods. Mater. Today Proc. 2021, 45, 7377–7382. [Google Scholar] [CrossRef]
  31. Lahmer, A.; Chang, J.W.; Park, S.; Jeong, H.; Chae, S. Consensus-based adaptive distributed hierarchical control of battery energy storage systems in a DC microgrid. J. Energy Storage 2024, 97, 112948. [Google Scholar] [CrossRef]
  32. Sharma, S.; Pradhan, R.; Jena, P. AC Microgrid Control Using PV and Battery in Typhoon HIL. In Proceedings of the 10th IEEE International Conference on Power Electronics, Drives and Energy Systems, PEDES, Jaipur, India, 14–17 December 2022; Institute of Electrical and Electronics Engineers Inc.: Piscataway, NJ, USA, 2022. [Google Scholar] [CrossRef]
  33. Anusha, G.; Arora, K.; Sharma, H.; Thota, S.P.; Joshi, G.P.; Cho, W. Control strategies of 15-level modified cascaded H-bridge MLI with solar PV and energy storage system. Energy Rep. 2024, 12, 2–26. [Google Scholar] [CrossRef]
  34. Alghamdi, H.; Khan, T.A.; Hua, L.-G.; Hafeez, G.; Khan, I.; Ullah, S.; Khan, F.A. A novel intelligent optimal control methodology for energy balancing of microgrids with renewable energy and storage batteries. J. Energy Storage 2024, 90, 111657. [Google Scholar] [CrossRef]
  35. Mathur, A.; Kumari, R.; Meena, V.P.; Singh, V.P.; Azar, A.T.; Hameed, I.A. Data-driven optimization for microgrid control under distributed energy resource variability. Sci. Rep. 2024, 14, 10806. [Google Scholar] [CrossRef]
  36. Sharma, S.B.; Lee, J.T.; Callaway, D.S. Distributed battery dispatch for uncertainty mitigation in renewable microgrids. Electr. Power Syst. Res. 2024, 235, 110671. [Google Scholar] [CrossRef]
  37. Keshta, H.E.; Hassaballah, E.G.; Ali, A.A.; Abdel-Latif, K.M. Multi-level optimal energy management strategy for a grid tied microgrid considering uncertainty in weather conditions and load. Sci. Rep. 2024, 14, 10059. [Google Scholar] [CrossRef]
  38. Portal XM. Available online: https://www.xm.com.co/consumo/informes-demanda/indicadores-de-pronosticos-oficiales-de-demanda (accessed on 5 November 2024).
  39. Global Solar Atlas. Available online: https://globalsolaratlas.info/map?s=4.455266,-74.466019,10&pv=small,180,5,1 (accessed on 5 November 2024).
  40. Clima.com. Available online: https://www.clima.com/colombia/cundinamarca/argelia/por-horas (accessed on 5 November 2024).
  41. CERES/MERRA2, NASA/POWER. Available online: https://power.larc.nasa.gov/data-access-viewer/ (accessed on 5 November 2024).
  42. UPME; IDEAM; COLCIENCIAS; UIS. Anexo B Muestreo y caracterización de la biomasa residual en Colombia. Atlas del Potencial Energético de la Biomasa Residual en Colombia; 2013; pp. 131–142. Available online: https://www1.upme.gov.co/siame/Documents/Atlas-Biomasa/Anexo_B_Muestreo_caracterizacion_biomasa_residual.pdf (accessed on 5 November 2024).
  43. Regemac. Available online: https://regemac.cl/masificacion-de-los-paneles-fotovoltaicos-eficiencia-energetica-en-la-construccion-sustentable/#:~:text=1,haincrementado%20de%20250W%20a%20370W (accessed on 16 September 2025).
  44. SecondSol. Available online: https://www.secondsol.com/en/anzeige/45053/zonnepanelen/kristallijn/poly/yingli/yl-250-p-29b#:~:text=Spare%20part%20No%20Details%20,Open%20circuit%20voltage%2038%20V (accessed on 16 September 2025).
  45. Lackner, M.; Fei, Q.; Guo, S.; Yang, N.; Guan, X.; Hu, P. Biomass Gasification as a Scalable, Green Route to Combined Heat and Power (CHP) and Synthesis Gas for Materials: A Review. Fuels 2024, 5, 625–649. [Google Scholar] [CrossRef]
  46. Aykut, E.; Dursun, B.; Görgülü, S. Comprehensive environmental and techno-economic feasibility assessment of biomass- solar on grid hybrid power generation system for Burdur Mehmet Akif Ersoy University Istiklal Campus. Heliyon 2023, 9, e22264. [Google Scholar] [CrossRef] [PubMed]
  47. Haitai Power. Available online: https://spanish.alibaba.com/product-detail/Discount-Price-5kw-Small-Biomass-Generator-1679048952.html#:~:text=Corriente%20nominal (accessed on 16 September 2025).
  48. Damia Solar, Batería Solar Premium Battery AGM 80Ah C10 100Ah. Available online: https://www.damiasolar.com/bateria-solar-premium-battery-agm-80ah-c10.html#:~:text=86Ah%20C20 (accessed on 16 September 2025).
  49. Redway Power. Available online: https://es.redwaypower.com/%C2%BFCu%C3%A1l-es-la-regla-20-80-para-las-bater%C3%ADas%3F/?g=1 (accessed on 16 September 2025).
  50. Afore, Eficiencia de los Inversores Solares: Lo Que Hay Que Saber. Available online: https://www.aforenergy.com/es/solar-inverter-efficiency-what-you-need-to-know/#:~:text=La%20eficiencia%20de%20un%20inversor,carga%20y%20el%20entorno%20operativo (accessed on 16 September 2025).
  51. Vallvé, X. Rural PV micro grids in Africa. In Proceedings of the Jeju 2011 Symposium on Microgrids, Jeju Island, Republic of Korea, 26–27 May 2011. [Google Scholar]
  52. Asbayou, A.; Soussi, A.; Isknan, I.; Aamoume, A.; El Fanaoui, A.; Ihlal, A.; Bouhouch, L. Method using simple RLC circuit for electrical characterization of PV panels_2022. Mater. Today Proc. 2022, 58, 1033–1038. [Google Scholar] [CrossRef]
  53. Barletta, G.; DiPrima, P.; Papurello, D. Thévenin’s Battery Model Parameter Estimation Based on Simulink. Energies 2022, 15, 6207. [Google Scholar] [CrossRef]
  54. Gómez, C.D. Evaluación de la Incidencia de la Zona Geográfica de Costa Rica en la Composición Fisicoquímica de la Broza de Café Para su Potencial Uso en Sistemas de Gasificación de Lecho Descendente; Ciudad Universitaria Rodrigo Facio: San José, Costa Rica, 2018. [Google Scholar]
  55. Islam, M.S.; Akhter, R.; Rahman, M.A. A thorough investigation on hybrid application of biomass gasifier and PV resources to meet energy needs for a northern rural off-grid region of Bangladesh: A potential solution to replicate in rural off-grid areas or not? Energy 2018, 145, 338–355. [Google Scholar] [CrossRef]
  56. Singh, A.; Basak, P. Conceptualization and techno-economic evaluation of microgrid based on PV/Biomass in Indian scenario. J. Clean. Prod. 2021, 317, 128378. [Google Scholar] [CrossRef]
  57. Generator Source. Diesel & Natural Gas Generator Fuel Consumption Charts. Available online: https://generatorsource.com/tools-info/fuel-consumption-charts/?utm_source=chatgpt.com (accessed on 18 September 2025).
  58. Gómez, D.R.; Watterson, J.D.; Americano, B.B.; Ha, C.; Marland, G.; Matsika, E.; Namayanga, L.N.; Osman-Elasha, B.; Saka, J.D.K.; Treanton, K. Chapter 2: Stationary Combustion. 2006 IPCC Guidelines for National Greenhouse Gas Inventories. 2006. Available online: https://www.ipcc-nggip.iges.or.jp/public/2006gl/pdf/2_Volume2/V2_2_Ch2_Stationary_Combustion.pdf (accessed on 5 August 2025).
  59. Siemons, R.V. Identifying a role for biomass gasiÿcation in rural electriÿcation in developing countries: The economic perspective. Biomass Bioenergy 2001, 20, 271–285. [Google Scholar] [CrossRef]
  60. Energy, S. Improving The Performance of Pv/Diesel Microgrids via Integration of a Battery Energy Storage System: The Case of Bilgo Village in Burkina Faso. Available online: https://energsustainsoc.biomedcentral.com/articles/10.1186/s13705-024-00480-1?utm_source=chatgpt.com (accessed on 18 September 2025).
Figure 1. Flowchart of the methodology developed. Authors’ own work.
Figure 1. Flowchart of the methodology developed. Authors’ own work.
Applsci 15 10646 g001
Figure 2. Gas turbine power plant—GTG. Authors’ own work.
Figure 2. Gas turbine power plant—GTG. Authors’ own work.
Applsci 15 10646 g002
Figure 3. (a) Equivalent circuit of one diode; (b) equivalent circuit of two diodes. Adapted from Ref. [52].
Figure 3. (a) Equivalent circuit of one diode; (b) equivalent circuit of two diodes. Adapted from Ref. [52].
Applsci 15 10646 g003
Figure 4. (a) Equivalent first-order Thévenin model; (b) PNGV (Partnership for a New Generation of Vehicles) model with double-layer capacitance; (c) second-order Thévenin model (two R-C pairs). Adapted from Ref. [53].
Figure 4. (a) Equivalent first-order Thévenin model; (b) PNGV (Partnership for a New Generation of Vehicles) model with double-layer capacitance; (c) second-order Thévenin model (two R-C pairs). Adapted from Ref. [53].
Applsci 15 10646 g004
Figure 5. Hybrid microgrid integration. Authors’ own work.
Figure 5. Hybrid microgrid integration. Authors’ own work.
Applsci 15 10646 g005
Figure 6. Simplified block diagram of biomass plant. Authors’ own work.
Figure 6. Simplified block diagram of biomass plant. Authors’ own work.
Applsci 15 10646 g006
Figure 7. MATLAB/Simulink model: GTG plant. Authors’ own work.
Figure 7. MATLAB/Simulink model: GTG plant. Authors’ own work.
Applsci 15 10646 g007
Figure 8. Simplified block diagram of solar photovoltaic system. Authors’ own work.
Figure 8. Simplified block diagram of solar photovoltaic system. Authors’ own work.
Applsci 15 10646 g008
Figure 9. Simplified block diagram of the battery storage system. Authors’ own work.
Figure 9. Simplified block diagram of the battery storage system. Authors’ own work.
Applsci 15 10646 g009
Figure 10. Methodology for presentation and analysis of results. Authors’ own work.
Figure 10. Methodology for presentation and analysis of results. Authors’ own work.
Applsci 15 10646 g010
Figure 11. Input signals: irradiance, temperature, biomass, and load for the month of October. Authors’ own work.
Figure 11. Input signals: irradiance, temperature, biomass, and load for the month of October. Authors’ own work.
Applsci 15 10646 g011
Figure 12. Power signals: biomass plant, PV panels, battery, load month of October. Authors’ own work.
Figure 12. Power signals: biomass plant, PV panels, battery, load month of October. Authors’ own work.
Applsci 15 10646 g012
Figure 13. Signals of the performance of the power of the integrated microgrid for the month of October 2024. Authors’ own work.
Figure 13. Signals of the performance of the power of the integrated microgrid for the month of October 2024. Authors’ own work.
Applsci 15 10646 g013
Figure 14. Energy signals (kWh) for the month of October 2024. Authors’ own work.
Figure 14. Energy signals (kWh) for the month of October 2024. Authors’ own work.
Applsci 15 10646 g014
Table 1. Technical, electrical, and functional parameters of the devices.
Table 1. Technical, electrical, and functional parameters of the devices.
ComponentParameterUnit/Typical ValueDescriptionSource
Photovoltaic (PV) solar panelNominal power (peak)≈250 W
(per module)
Maximum power output of a module under standard conditions (STC), used to size the photovoltaic array (number of panels required).[43,44]
Conversion efficiency~15–20%Percentage of solar radiation that the panel converts into electricity; influences energy production and the sizing of the required PV area.
Operating voltage (VMP)~30 V DC
(per module)
Voltage at the maximum power point of a typical panel (VMP); defines the series arrangement of panels required to achieve the system DC bus voltage.
Operating current (IMP)~8 A DC
(per module)
Current delivered at the maximum power point (IMP) under STC; used to size conductors and MPPT controllers and to estimate the total current of the PV field.
Biomass generatorNominal electrical power≈10 kW ACNominal output power of the generator (usually a synchronous motor coupled to a biomass gasifier); chosen according to the expected peak demand of the microgrid.[45,46,47]
Conversion efficiency20–35%Thermal–electrical efficiency of the generator (ratio of electrical energy to chemical energy in the biomass). Most gasification systems plus internal combustion engines have ~20–35% electrical efficiency.
Output voltage/frequency 120 V AC, 60 HzStandard alternating output voltage of the biomass generator, compatible with the local grid (single-phase 120 V at 60 Hz or three-phase 400/230 V, depending on design); allows direct feeding of the microgrid’s AC bus.
Battery bankNominal storage capacity≈72 kWh
(e.g., 1500 Ah at 48 V)
Total storable energy capacity. Determines autonomy: in a ~48 V system, 1500 Ah equals ~72 kWh usable to cover nighttime demand or periods without sunlight.[48,49]
Nominal bank voltage48 V DCNominal voltage of the connected battery pack (example: 24 cells of 2 V = 48 V). This is standard in isolated microgrids to balance efficiency and safety and matches the input voltage of the inverter/regulator.
SoC operating range20–80%Typical state of charge range used (minimum SoC ~20%, maximum SoC ~80%) to extend battery life. Avoid deep discharges below 20% and overcharges above 80%, reducing stress on the accumulators.
Cycle efficiency
(round trip)
~90%
(Li-ion; ~70% in lead-acid)
Percentage of energy recovered when discharging the battery relative to the charged battery. Lithium-ion batteries have ~90% full cycle efficiency, while lead–acid batteries have around 70% full cycle efficiency, affecting the system’s energy losses.
Maximum discharge current peaks ≈10–12 C (e.g., ~960 A for 5 s)Maximum instantaneous current that the bank can supply in short intervals. It can reach multiple times the capacity (C) of the battery (e.g., an 80 Ah battery can deliver ~960 A for 5 s), useful for covering high load transients.
DC–AC inverter Nominal output power≈12 kW AC (typical example)Continuous AC power that the inverter can supply to loads. It must be sized above the peak demand of the microgrid (e.g., ~10–15 kW inverters in rural systems).[50]
DC input voltage48 V DCNominal direct current input voltage from the battery bank (or PV array via controller). Commercial off-grid inverters typically operate with ~48 V banks, as this is standard in isolated storage systems.
AC output voltage/frequency120 V AC, 60 HzSinusoidal alternating current output to power loads. Typically 1200 V at 60 Hz in single-phase (or 400/230 V three-phase), equivalent to public grid standards, allowing conventional equipment to be used in the microgrid.
Conversion efficiency~95–98%Inverter efficiency in converting DC (battery/PV) to AC. Modern inverters achieve ≥95% efficiency (2–5% losses as heat), especially near their rated load, an important factor for the energy balance of the microgrid.
Loads (demand)Daily energy demand~70–180 kWh/day (depending on population)Total expected daily electricity consumption in the community. Used to determine generation and storage capacity. Example: an isolated village of ~60 families may require ~74 kWh/day, while larger communities may exceed 150 kWh/day.[51]
Maximum power demand≈20 kW (peak)Aggregate peak load that simultaneous loads may require. Determines the minimum capacity required for the inverter and generators. In small rural microgrids, peaks of around ~20 kW are reported.
Load power factor~0.85–0.9 dimensionlessRatio between active and apparent power consumed by aggregate loads. Typical residential loads (lighting, appliances) have a cosφ of around 0.9 under normal operation, which influences circulating currents and the sizing of generators and inverters.
Prepared by the authors.
Table 2. Mathematical model of a biomass power plant.
Table 2. Mathematical model of a biomass power plant.
SubsystemType of ProcessEquationDescriptionDescription Process
CompressorAir dynamics and compression w a = A 0 2 m a η c ( m a 1 ) ( p c i n ρ i ) ( r c ) 2 m a r c ( m a + 1 ) A 0 : compressor outlet areaThe compressor draws in air and compresses it by raising its pressure, modelled as a nozzle with one-dimensional polytropic flow.
m a : polytropic ratio
p c i n : inlet pressure
ρ i : air density
η c : polytropic efficiency
r c : compression ratio
Thermodynamic relations T c o u t = T c i n r c ( γ a 1 ) γ a η c T i n : inlet temperatureEstimates the air outlet temperature after polytropic compression, relating it to compression ratio and efficiency.
r c : compression ratio
γ a : air heat ratio
η c : isentropic efficiency
Power consumption P c = w a i n h I η c η t r a n t w a i n : air flowCalculates the power that the compressor draws from the shaft to compress the air, taking into account mechanical losses
h I : isentropic enthalpy
η c : compressor efficiency
η t r a n t : transmission efficiency
Combustion chamberMass balance w G = w a + w f + w i s w G : total gas flowCombines air and fuel (and optionally steam) to obtain total flow entering the turbine.
w a : air flow
w f : fuel flow
w i s : injected steam flow (optional)
Energy balance w G c p g T T i n T r e f + w a c p a T r e f T c o u t + w f Δ h 25 + w i s c p s T r e f T i s = 0 c p g , c p a , c p s : specific heatsBalances the input and output enthalpy in combustion, determining turbine inlet temperature.
T T i n : combustion outlet temp.
T c o u t : compressor outlet temp.
Δ h 25 : enthalpy of combustion
T i s : steam temp.
Gas turbineExpansion ratio T o u t = T T i n ( r T ) ( γ g 1 ) ( γ g η T ) T T i n : inlet tempCalculates the outlet temperature of the expanded gas, crucial for evaluating the work extracted by the turbine.
γ g : heat ratio
η T : polytropic efficiency
r T : expansion ratio
Gas mass flow w G = A T 0 2 m c g η T ( m c g 1 ) ( p T i n ρ T i n ) ( r T ) 2 m c g r T ( m c g + 1 ) A T 0 : turbine outlet areaDetermines the gas flow through the turbine, modelled as an expanding nozzle.
m c g : polytropic index gases
p T i n , ρ T i n : pressure and density inlet
η T : polytropic efficiency
Extracted work P T = η T w G Δ h I η T : turbine efficiencyGross power generated by the turbine from the high enthalpy gas.
w G : gas flow
Δ h I : isentropic enthalpy of expansion
Net shaft power P m e c h = P T P c P T : turbine powerNet power delivery available to the generator after subtracting compressor consumption.
P c : power consumed by compressor
Electrical generatorShaft dynamic equation d ω d t = 1 2 H T m t T e t K d Δ ω t H : inertia of the systemDescribes the angular acceleration of the generator-turbine shaft by torque difference, used in frequency control.
T m : mechanical torque
T e : electrical torque
K d : damping
Δ ω : speed deviation
Electrical power delivered P e = V E X sin δ V : terminal voltagePower delivered to the grid by the synchronous generator, classically modelled for stability studies.
E : internal fem
X : synchronous reactance
δ : rotor angle
Prepared by the authors.
Table 3. Characteristic mathematical models of photovoltaic solar panels.
Table 3. Characteristic mathematical models of photovoltaic solar panels.
ModelType ModelEquationParametersDescription Process
Diode modelCell electrical model I = I L I d e V + I R s n V T 1 V + I R s R s h I L : photogenerated currentBasic model representing the current–voltage relationship in a solar cell considering resistive losses.
I d : diode saturation current
R s : series resistor
R s h : shunt resistor
n : diode ideality
V T : thermal voltage
Two-diode modelAdvanced cell electrical model I = I L I d 1 e V + I R s n 1 V T 1 I d 2 e V + I R s n 2 V T 1 V + I R s R s h I d 1 , I d 2 : saturation currentsExtends the previous model by adding a second diode for higher accuracy, especially useful at low voltage.
n 1 , n 2 : ideality factors
R s : series resistor, R s h : shunt
I L : photocurrent
Power as a function of irradianceIrradiance-to-power ratio P m p p G P m p p , S T C x G / 1000   W / m 2 G : solar irradiance (W/m2)Describes how irradiance directly affects the photocurrent generated and thus the power output.
P m p p : maximum power
Power as a function of temperatureTemperature-to-power ratio P m p p T P m p p , S T C 1 + γ T c 25   ° C T c : cell temperatureDescribes the loss of efficiency as the cell temperature rises.
γ : thermal coefficient
Panel efficiencyEnergy efficiency η = P o u t / G × A P o u t : power outputAllows calculation of the percentage conversion of solar energy into electrical energy.
G : irradiance
A : panel area
Tilt angle and orientationGeometrical solar gain G m ó d u l o = G s o l \ c o s Θ G s o l : direct solar irradianceCalculates the effective irradiance on the panel depending on its orientation with respect to the sun.
Θ : angle of incidence
System lossesEffective power reduction P r e a l = Π P i d e a l Π: performance ratio (0.85–0.95), including losses due to dirt, cables, inverter, etc.Describes how losses affect the actual energy production versus the theoretical ideal.
Annual energy estimationEnergy generation calculation E a n u a l P S T C × H s o l × Π P S T C : installed powerAllows estimation of total annual energy generated considering irradiance and system losses.
H s o l : annual irradiance
Π : performance factor
Prepared by the authors.
Table 4. Characteristic mathematical battery models.
Table 4. Characteristic mathematical battery models.
ModelType ModelEquationParametersDescription Process
R i n t (internal resistance)Basic electrical battery model V t e r m i n a l = E S o C I R 0 E S o C : open circuit voltageRepresents the battery as a voltage source in series with a resistor, capturing the internal voltage drop.
I : current
R 0 : internal resistance
First-order ThéveninPolarised electrical model τ 1 d V R C t d t + V R C t = R 1 I t
V t e r m i n a l t = E S o C t I t R 0 V R C t
R1, C1: bias resistance and capacitanceIncludes transient dynamics and polarisation voltage drop; simulates dynamic behaviour of the battery.
V R C : voltage on RC
τ 1 = R 1 C 1
Second-order ThéveninAdvanced electrical model with double polarisation τ 1 d V R C 1 d t + V R C 1 t = R 1 I t
τ 2 d V R C 2 d t + V R C 2 t = R 2 I t
V t e r m t = E S o C t I t R 0 V R C 1 t V R C 2 t
Two R-C pairs, with time constants τ1 y τ2Increased simulation accuracy, considers different polarisation response times and ionic diffusion.
PNGV (simplified Randles)Electrical model with double layer capacityCircuito con R 0 + ( C S O C || ( R C )) C S O C : capacity dependent on SoCModels open-circuit voltage variation with SoC, including dynamic response and charge storage.
State of charge (SoC)Stored energy model S O C t = S O C 0 1 Q m a x 0 t I τ d τ
d S O C d t = I t Q m a x
Q m a x : maximum capacity Calculates the percentage of stored charge to total charge. Indicates the current state of the battery.
I t : current at time t
Energy efficiencyEnergy evaluation η E = P d e s c a r g a d t P c a r g a d t Charging and discharging power
P = V   I
Relates useful energy extracted versus energy required to recharge, considering thermal and electrical losses.
Internal lossesThermal analysis P p e r d i d a ( t ) = I ( t ) 2 R i n t I : current Calculates the thermal losses in the battery, essential for the thermal design and efficiency of the system.
R i n t : total internal resistance
Cyclic degradationAging model λ A H N = 1 k 1 N
λ R 0 N = 1 + k 2 N
λ V 1 N = 1 k 3 N
k 1 , k 2 , k 3 : degradation coefficients per cycle N Reduces the usable capacity and increases the internal resistance as the number of cycles increases.
Temperature effect (Arrhenius)Temperature accelerated degradation L e ( E a R g T ) E a : activation energyModels the reduction in service life due to temperature increase based on chemical reaction theory.
R g : universal constant
T : temperature
Prepared by the authors.
Table 5. Monthly comparative summary of the microgrid.
Table 5. Monthly comparative summary of the microgrid.
MonthPV Energy (kWh)Biomass Energy (kWh)Battery Energy (kWh)Total Energy (kWh)Biomass Required (kg)Peak Irradiance (W/m2)
January6.89.50.517.512.7370
March7.211.80.619.615.7210
June8.913.20.6521.417.6310
October7.811.20.6319.614.9270
Calculation
P V   E n e r g y =
i = 1 60 P P V , i × t
B i o m a s s   E n e r g y = i = 1 60 P G R I D , i × t B a t t e r y   E n e r g y = i = 1 60 P B E S S , i × t T o t a l   E n e r g y = P V + B i o m a s s + B E S S B i o m a s s = B i o m a s s   g e n e r a t i o n
kWh × 0.75   kg kWh [54]
MonthPeak Load (W)Solar Duration (h)BESS Used (%)% PV/Load% Biomass/LoadOverall Efficiency (%)
January21009100395493
March25009100376097
June2650101004262103
October22009100405797
Calculation
% B E S S = B E S S   g e n e r a t i o n D a i l y   d e m a n d × 100 % P V = P V   g e n e r a t i o n D a i l y   d e m a n d × 100 % B i o m a s s = B i o m a s s   g e n e r a t i o n D a i l y   d e m a n d × 100 E f i c i e n c i a = T o t a l   e n e r g y   g e n e r a t e d D a i l y   d e m a n d × 100
Prepared by the authors.
Disclaimer/Publisher’s Note: The statements, opinions and data contained in all publications are solely those of the individual author(s) and contributor(s) and not of MDPI and/or the editor(s). MDPI and/or the editor(s) disclaim responsibility for any injury to people or property resulting from any ideas, methods, instructions or products referred to in the content.

Share and Cite

MDPI and ACS Style

Rico-Riveros, L.F.; Trujillo-Rodríguez, C.L.; Díaz-Aldana, N.L.; Rus-Casas, C. Analysis of a Sustainable Hybrid Microgrid Based on Solar Energy, Biomass, and Storage for Rural Electrification in Isolated Communities. Appl. Sci. 2025, 15, 10646. https://doi.org/10.3390/app151910646

AMA Style

Rico-Riveros LF, Trujillo-Rodríguez CL, Díaz-Aldana NL, Rus-Casas C. Analysis of a Sustainable Hybrid Microgrid Based on Solar Energy, Biomass, and Storage for Rural Electrification in Isolated Communities. Applied Sciences. 2025; 15(19):10646. https://doi.org/10.3390/app151910646

Chicago/Turabian Style

Rico-Riveros, Luis Fernando, César Leonardo Trujillo-Rodríguez, Nelson Leonardo Díaz-Aldana, and Catalina Rus-Casas. 2025. "Analysis of a Sustainable Hybrid Microgrid Based on Solar Energy, Biomass, and Storage for Rural Electrification in Isolated Communities" Applied Sciences 15, no. 19: 10646. https://doi.org/10.3390/app151910646

APA Style

Rico-Riveros, L. F., Trujillo-Rodríguez, C. L., Díaz-Aldana, N. L., & Rus-Casas, C. (2025). Analysis of a Sustainable Hybrid Microgrid Based on Solar Energy, Biomass, and Storage for Rural Electrification in Isolated Communities. Applied Sciences, 15(19), 10646. https://doi.org/10.3390/app151910646

Note that from the first issue of 2016, this journal uses article numbers instead of page numbers. See further details here.

Article Metrics

Back to TopTop