Abstract
Based on the principles of reinjection converter technology and submodule operation, a novel topology for a reinjection multilevel voltage source converter (RMVSC) is proposed. In this topology, submodules are dynamically connected in series as the reinjection circuit. This new topology retains all the functions of the RMVSC while offering flexible control of the reinjection circuit and ease of modularization, making it highly suitable for high-voltage, high-power applications. A circulating drive pulse sequence was developed for the 7-level serial submodule RMVSC, ensuring dynamic stability of the submodule voltage and maintaining low harmonic distortion when interfaced with the grid. Building on this, a double-loop control strategy—comprising an outer power loop and an inner current loop—was proposed for the static synchronous compensator (STATCOM) of RMVSC. A simulation model was constructed in PSCAD/EMTDC, and the simulation results confirm the excellent performance of the proposed topology and the effectiveness of both the modulation strategy and the double-loop control strategy. The RMVSC-STATCOM demonstrates continuous and bidirectional reactive power regulation, with high control accuracy and superior compensation current quality.
1. Introduction
To reduce fossil fuel consumption, lower carbon dioxide emissions, and mitigate the greenhouse effect, the world is accelerating the transformation of energy systems. This transition also prompts reforms in power system architecture, with the installed capacity of renewable energy sources steadily increasing globally. Building large-scale smart grids that integrate clean energy sources, such as wind and solar power, with extensive energy storage systems is a common goal for countries worldwide [1,2,3]. As a result, the use of dc power in the grid has become more prevalent, with examples including high-voltage direct current (HVDC) systems, AC-DC hybrid distribution networks, and large-scale energy storage batteries [4,5,6]. Consequently, the integration of DC-AC converters into the power grid has increased. Among these, a voltage source converter (VSC) is relatively straightforward to configure and helps reduce system costs [7]. Compared to a current source converter (CSC), VSC can achieve bidirectional current flow, simplifying the reversal of power flow direction [8,9]. Additionally, VSCs do not rely on an ac power network as a line commutated converter (LCC) does, allowing them to supply power to passive loads and providing black-start capability (i.e., it can be started by itself without a signal from the grid) [10]. Pulse-width modulation (PWM) converters, known for their excellent controllability, flexible operation, and simple structure, are dominant in applications such as reactive power compensation, renewable energy grid integration, and AC-DC hybrid distribution networks [11,12]. However, inherent characteristics of two-level PWM three-phase converters lead to drawbacks, including switching losses and harmonic distortion [13]. Specifically, the switching devices in PWM converters endure repeated on-off cycles under high voltage conditions, resulting in energy loss and voltage surges within the devices [14]. Consequently, high-capacity snubber circuits are required to absorb surge energy and reduce device stress. Additionally, two-level PWM three-phase converters necessitate large-capacity filters at the ac terminal to suppress harmonics, which increases the size and cost of the equipment. Moreover, these filters may induce resonance, potentially compromising the stability of the power grid [15,16,17].
The reinjection multilevel voltage source converter (RMVSC) effectively reduces output harmonics and enhances power quality without the need for filters by cascading an additional reinjection circuit at the dc side of a traditional 12-pulse converter. This modification shapes the dc voltage into a linear multilevel staircase waveform [18]. Additionally, this approach allows the power electronic switches to operate at lower switching frequencies [19]. Furthermore, the reinjection circuit ensures zero voltage switching (ZVS) conditions for the power electronic switches in the main bridge, significantly reducing their losses, ensuring safe device operation, and improving the converter efficiency and lifespan. This also reduces the switching voltage rating and equipment maintenance costs [20]. Consequently, RMVSC is well suited for widespread application in smart grids.
In the development of smart grids, integrating new energy sources such as photovoltaics and wind power—characterized by their randomness and intermittency—presents challenges to the safe and stable operation of the power system, power quality, and real-time power balance when scaled up [21]. As distributed energy sources with higher penetration rates are increasingly incorporated into the grid, voltage limit violations at the grid connection points, caused by voltage drops at the output side of new energy power plants, impede the advancement of these sources [22,23,24]. Moreover, with the rise in AC-DC hybrid distribution networks and the extensive integration of generalized dc loads, such as electric vehicles and data centers, the demand for low-voltage reactive power compensation is growing annually [25,26,27,28]. Installing flexible, reactive power compensation devices at the points of common coupling for new energy plants and within hybrid distribution grids can enhance power transmission capacity, reduce power loss in electrical equipment, and improve system performance [29].
The Static Synchronous Compensator (STATCOM) is a versatile and advanced device for power quality control, providing continuous and dynamic reactive power support superior to that of the Static Var Compensator (SVC). It also offers a substantial improvement in mitigating harmonic distortions [30]. With its continuous reactive power regulation capability, rapid dynamic response, and significant reductions in harmonic content, STATCOM has seen increased application in power systems, establishing itself as a prominent topic of research in power quality management [31]. To facilitate reactive power compensation in high-voltage transmission and distribution networks, some researchers have suggested integrating a cascaded H-bridge converter or modular multilevel converter (MMC) with STATCOM [32,33]. However, both approaches still involve relatively high switching frequencies (around 1000 Hz), and reducing the switching frequency necessitates a sufficient number of submodules in series, complicating equipment redundancy. To reduce the switching frequency and harmonic impact of STATCOM, a solution combining a cascaded H-bridge RMVSC with STATCOM has been proposed [15]. This solution reduces the number of switching devices and auxiliary capacitors needed for RMVSC, simplifies the complexity of the reinjection circuit, and, since the H-bridge acts as a common intermediate circuit, allows the rated current and voltage of the switches to be designed for only half of the equipment rated voltage. Consequently, this approach significantly reduces the cost of the reinjection circuit. While this design supports high voltage by adjusting the number of H-bridges, it still presents some drawbacks, such as the requirement for large capacitors on the dc side to act as support elements, which can be problematic in high-voltage, high-power applications.
The paper leverages the principles of submodule operation and reinjection multilevel conversion technology to propose a novel submodule series RMVSC topology. This topology is capable of fulfilling all RMVSC functionalities while allowing for the scaling of device voltage and capacity by adjusting the number of series-connected submodules. This approach eliminates the need for large capacitors as dc voltage support components, thereby reducing equipment size and cost and enhancing the system’s dynamic response capability. The proposed topology exhibits several advantages, including strong modularity, low switching frequency, and high output power quality.
When applied as a STATCOM, the RMVSC demonstrates continuous, bidirectional reactive power regulation and superior dynamic performance. This paper provides an in-depth analysis of the novel RMVSC topology and its operational principles, including the design of a cyclic drive pulse sequence to maintain submodule voltage balance within a specified range in the reinjection circuit. Additionally, a reactive power compensation control strategy tailored to this device is proposed. The feasibility and effectiveness of the new topology and control strategy are validated through simulation.
The rest of this paper is organized as follows: Section 2 outlines the working principle of the RMVSC, detailing the operation of the devices and the harmonic elimination mechanism. Section 3 designs a cyclic pulse sequence for the RMVSC to achieve capacitor voltage balancing. Section 4 applies the RMVSC as a STATCOM based on its excellent performance and designs an appropriate control strategy for this application. In Section 5, simulations verify the effectiveness of the proposed modulation and control strategies. Finally, the conclusion is presented in Section 6.
2. Theoretical Study of Serial Submodule RMVSC
2.1. Serial Submodule RMVSC Topology
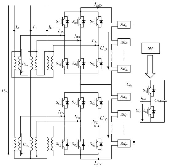
Figure 1 illustrates the m-level (m = n + 1) novel RMVSC topology. The currents IA, IB, and IC represent the ac currents of the RMVSC. The ac currents IDi and IYi (i = A, B, C) correspond to the D and Y main bridge, respectively. The phase voltages UDA and UYA correspond to the D and Y windings on the transformer’s valve side, respectively. The reinjection voltages UjD and UjY correspond to the D and Y bridges, respectively. The dc currents IdcD and IdcY correspond to the D and Y main bridges, respectively. The voltage Udc denotes the dc voltage. The voltage UrA denotes the A-phase voltage. SM refers to the half-bridge submodule. The transformation ratios of the Y/D and Y/Y transformers are Kn: and Kn:1, respectively.
Figure 1.
Serial RMVSC topology submodule.
The RMVSC topology is divided into two components: the main bridge circuit and the reinjection circuit. The main bridge circuit is configured as a 12-pulse voltage source converter and is further divided into two sections: the Y main bridge (connected to the Y/Y transformer) and the D main bridge (connected to the Y/D transformer). The reinjection circuit comprises dynamically connected submodules in series. The Y reinjection circuit is cascaded at both ends of the Y main bridge circuit, while the D reinjection circuit is cascaded at both ends of the D main bridge circuit. Each submodule is capable of generating two voltage levels (1 and 0) by altering the switch state. By adjusting the number of submodules and the on-off intervals, any m-level linear reinjection voltage waveform can be synthesized.
The main bridge circuit operates using a 180° conduction method with a switching frequency of 50 Hz. Given that the reinjection voltage cycle is 60°, the minimum required switching frequency for the reinjection circuit is 300 Hz. The Y and D reinjection circuit is triggered synchronously with the Y and D main bridge, maintaining a 30° phase difference between them. Each reinjection circuit modulates the dc voltage across the main bridge into a linear multilevel reinjection voltage by adjusting the linear combination of connected sub-modules. The Y and D reinjection voltages are superimposed in series with the grid-side windings of the transformers via the main bridge converter, yielding an ac output voltage waveform characterized by high power quality and low harmonic distortion. Additionally, during the commutation period of the main bridge converter, the reinjection circuit enables a ZVS interval for the main bridge switches, facilitating operation at a reduced switching frequency and minimizing voltage spikes. Consequently, the power electronic switches require only low-capacity absorption circuits, which extend their service life and reduce losses.
Compared to the cascaded H-bridge RMVSC, the serial submodule reinjection circuit eliminates the need for a large capacitor as a dc voltage support element, instead utilizing multiple submodules to support the dc bus voltage. This approach significantly enhances the advantages of the system in high-voltage and high-power scenarios and reduces the overall equipment volume. By increasing the number of submodules, the number of output voltage waveform levels are elevated, thereby reducing the voltage of the switch while reducing the harmonic distortion rate of the ac voltage and improving power quality.
2.2. Principle of Harmonic Reinjection
Increasing the number of levels in the reinjection circuit reduces the harmonic content in the RMVSC ac voltage. However, an excessive increase in levels in the number of levels leads to higher equipment costs and volume while complicating the switches and their control systems. Increasing from an 11-level to a 101-level configuration reduces the ac output voltage THD from 2% to 1.1% [15]. However, the quantity of switches has increased tens of times, rendering this harmonic reduction approach impractical. Generally, a 7-level RMVSC is adequate to meet system requirements in voltage classes of 35 kV and below.
The reinjection circuit periodically supplies a specific level of dc voltage to the main bridge, thereby eliminating harmonics. The switching states of the main bridge circuit and the reinjection circuit are synchronized. When a switching state in the main bridge circuit changes, the reinjection voltage increases or decreases periodically in equal-width steps, with the Y and D reinjection circuits showing entirely complementary behaviors. When the triggering angle is α, the 1 m level increment interval of the Y reinjection circuit is
where α represents the triggering angle of the RMVSC. This interval also corresponds to the decreasing interval of the D reinjection circuit. The interval in which the Y reinjection voltage at the ith level (i = 1, 2, … m) is situated can be defined as
The height of this level step is
where Udc is the dc voltage.
The instantaneous value of the dc voltage reinjected into the main bridge circuit can be regulated by adjusting the number of submodules connected at any given moment in the serial submodule reinjection circuit, as illustrated in Figure 1. Assuming each submodule has equal capacity and that the submodule capacitors balance their charge and discharge over one cycle, thereby maintaining a constant average voltage. In an m-level reinjection circuit, (m − 1) submodules are connected at any moment. If the number of submodules connected to the Y-bridge is n, then the remaining (m − 1 − n) submodules will be connected to the D-bridge. The voltage of the reinjection circuit is given by
Simultaneously, the main bridge operates in a 180° conduction mode, with a 30° phase angle difference between the Y and D bridges. Consequently, during one cycle of the RMVSC, the ac voltages of the Y and D bridges are as follows:
In addition, owing to the 180° conduction method, three IGBTs conduct in both the Y and D main bridges at any given moment. Commutation occurs every 60°, with a consistent 30° phase angle difference between the two bridges. During a single cycle, the commutation instances of the switches in the Y and D main bridges of the RMVSC are as follows:
From Equations (2) and (6), it is evident that during the commutation moment of the main bridge, the number of reinjection voltage levels is 1, corresponding to a zero-voltage state, with the zero-voltage interval being . This allows for ZVS in the RMVSC main bridge devices.
Based on the aforementioned analysis of the RMVSC working principle, assuming the reinjection voltage is an ideal multilevel voltage, the dc voltage is the unit voltage, and ignoring device losses, the theoretical waveform of the 7-level RMVSC within one cycle, with a trigger angle of 30°, is shown in Figure 2.
Figure 2.
The theoretical voltage waveforms of 7-level RMVSC. (a) The switching signal of the Y main bridge. (b) The switching signal of the D main bridge. (c) Y reinjection voltage. (d) D reinjection voltage. (e) The A-phase voltage on the valve side of the Y-winding transformer. (f) The A-phase voltage on the valve side of the D-winding transformer. (g) The A-phase voltage on the grid side of the RMVSC. (h) The spectrum of the A-phase voltage.
Figure 2a,b illustrate the trigger pulses of the RMVSC’s Y and D main bridges, where each switch operates for 180° per cycle, with commutation occurring every 60°. As shown in Figure 2c,d, the dc voltage reaches zero at the commutation moment, thereby achieving zero-voltage commutation in the main bridge. For instance, at ωt = 0, the Y main bridge undergoes commutation. When the drive signal fsy1 transitions from low to high, the reinjection voltage is zero, allowing switch Sy1 to achieve zero-voltage turn-on. At ωt = π, the reinjection voltage causes switch Sy1 to achieve zero-voltage turn-off. In each power cycle, the Y bridge and D bridge experience six zero voltage intervals, respectively. The IGBTs in the Y bridge and D bridge undergo commutation during their corresponding six zero voltage intervals. Therefore, the reinjection circuit facilitates the realization of ZVS in the main bridge of the RMVSC by adjusting the access and bypass of a submodule, significantly reducing dynamic losses and the impact on switches while improving device stability.
Figure 2c,d illustrate the reinjection voltages UjY and UjD for the Y bridge and D bridge, respectively. Both voltages are 7-level stepped voltages with a phase difference of 30°, which corresponds to the phase difference in the drive signals of the main bridge. At each moment, the sum of the two reinjection voltages remains a constant dc voltage.
According to Equation (5), the A-phase voltage waveforms UYA and UDA, generated on the valve side of the transformer after the main bridge converter processes the reinjection voltages UjY and UjD, are shown in Figure 2e,f. The two waveforms are serially superimposed through the transformer’s grid-side windings, resulting in the A-phase voltage waveform, as shown in Figure 2g. The corresponding spectrum is presented in Figure 2h, where the total harmonic distortion (THD) of the voltage UA is only 2.36%, which is significantly lower than the 15% THD of a 12-pulse converter. Furthermore, the 11th and 13th harmonic content is significantly reduced compared to that of a 12-pulse converter, thereby greatly improving power quality. Consequently, RMVSC can output high-quality power even under low switching frequency conditions.
3. Voltage-Sharing Driving Method for RMVSC
3.1. Design Principles for Voltage-Sharing Driving Method
Based on theoretical analysis, the focus of RMVSC in eliminating harmonics and operating at low frequencies is to control the reinjection circuit to generate high-quality multilevel reinjection voltage waveforms. Therefore, the driving method of the reinjection circuit is critical to the RMVSC. It governs not only the balance of capacitor voltages across each submodule but also the generation of a linear multilevel stepped voltage by the reinjection circuit, thereby influencing the quality of the ac output power. This factor is essential for maintaining the stable operation of the system.
Each submodule maintains voltage stability by balancing the charge exchange between its capacitor and the main bridge circuit over a single power cycle. For the m-level reinjection circuit, the capacitor voltage of the ith submodule (i = 1, 2, …, m − 1) is given by
where ISMyi and ISMdi are the ith submodule currents of the Y bridge and D bridge, respectively. CSMyi and CSMdi are ith submodule capacitors of the Y bridge and D bridge, respectively. Applying the Laplace transform to this gives
From Equation (8), the condition for voltage equalization across the submodules is that the capacitor values and the current flowing through each submodule over a complete cycle must be identical. The shorter the period, the more effective the capacitor balance. Given that the capacitor values of the submodules are identical, only the current needs to be considered.
The fundamental voltage of the power grid is
where URMS is the RMS value of the phase voltage.
The ac current of the Y main bridge and D main bridge are
where φ is the displacement factor angle. When the converter operates in a state where the current leads the voltage, θ is positive. IRMS is the RMS value of the phase current.
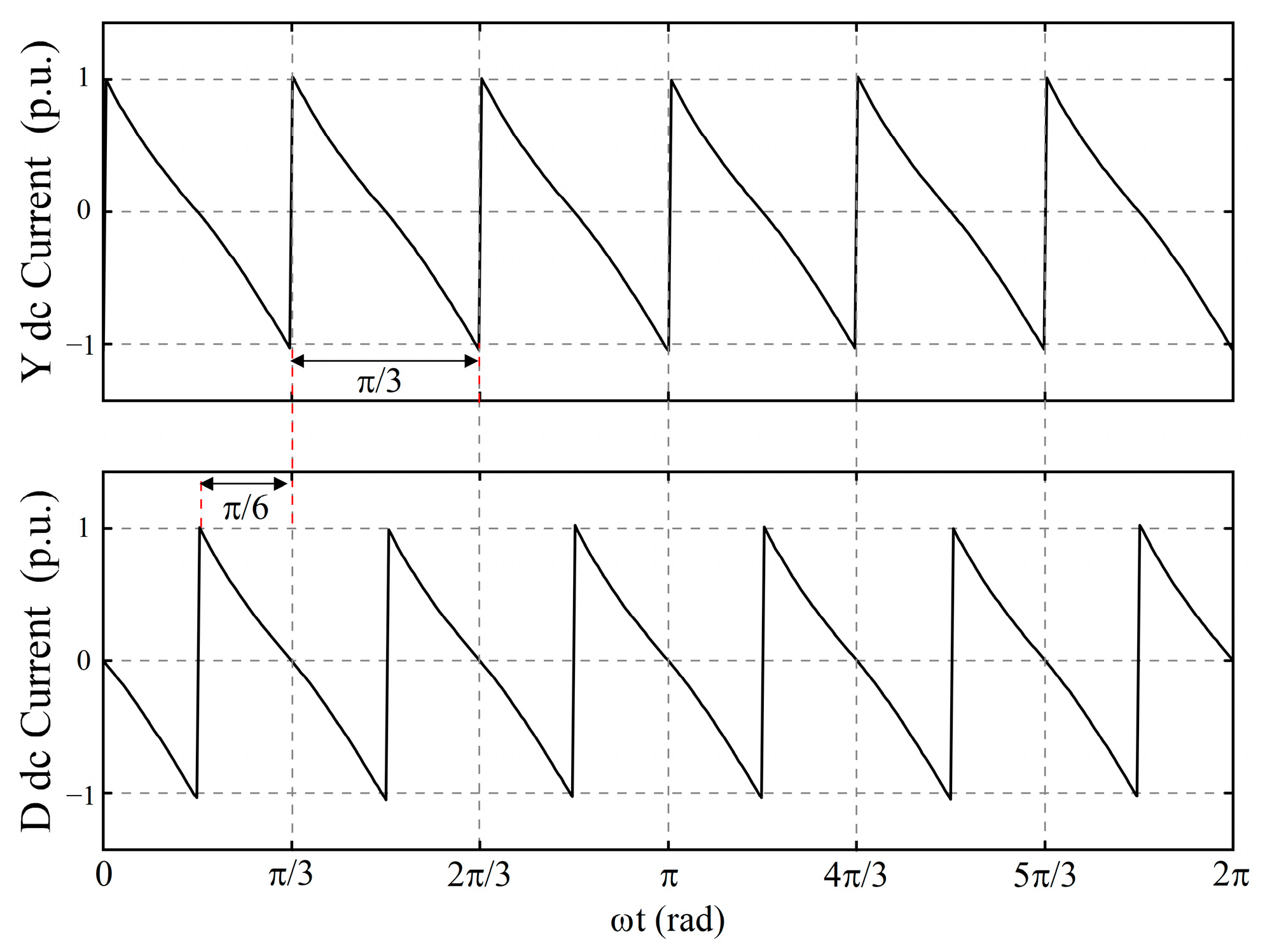
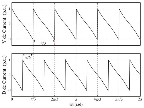
The IdcY and the IdcD exhibit a periodicity of π/3. Over one period, they can be expressed as follows:
where Kn is the transformation ratio of the Y/Y side transformer. Taking the RMVSC dc current as the reference value, the per-unit currents on both sides of the main bridge within one voltage cycle are shown in Figure 3.
Figure 3.
The dc current of the Y and D main bridge.
For an m-level RMVSC, the switching functions of the ith submodule (i = 1, 2 … m − 1) in the Y reinjection circuit and the D reinjection circuit are denoted as fsjyi and fsjdi, respectively. Here, a value of 1 signifies that the submodule is connected (S1 off, S2 on), while a value of 0 indicates that the submodule is bypassed (S1 on, S2 off). The current through the submodule is given by
The period of the reinjection voltage corresponds to the pulsation period of the dc current in the RMVSC. According to the principle of submodule voltage balancing previously discussed, the current flowing through each submodule during an integration period must be equal. The current through each submodule is determined by its switching function. Therefore, by designing appropriate on and off times for the submodules or by generating suitable drive pulses, the current through each submodule can be equalized within each integration period, ensuring both the balance of submodule capacitor voltages and the stability of the system.
3.2. Design for Voltage-Sharing Driving Method
To minimize the switching frequency of the reinjection circuit and reduce energy loss, each submodule should be connected and bypassed exactly once during each current pulsation period (π/3). By designing the drive pulses to be symmetrical about the half-period, the complexity of the submodule drive pulses can be reduced. Since the drive pulses for the Y reinjection circuit and the D reinjection circuit are complementary, only the drive pulses for the Y reinjection circuit need to be designed.
Based on Section 2.2, the instantaneous magnitude of the reinjection voltage is determined by the number of reinjection circuits conducting at any given moment. For an m-level reinjection circuit, a simple drive pulse can be designed to generate an ideal reinjection voltage waveform, meeting the required specifications. The switching function of the ith submodule (i = 1, 2, 3 … m − 1) during the kth reinjection voltage interval (k = 1, 2, 3 …) for the Y reinjection circuit can be expressed as
where α is the trigger angle. The switching function described by Equation (15) is shown in Figure 4.
Figure 4.
The m-level simple drive pulse sequence.
As indicated by Equations (8) and (14), for the aforementioned driving pulse, the current passing through each submodule is not identical, which prevents voltage balance across the submodules. Therefore, the following principle is proposed: within one current pulsation cycle, if a submodule has a longer on-time, its on-time should be shortened in the next conduction interval, and vice versa. Based on this principle, the driving pulses in Figure 4 can be processed cyclically, meaning that each submodule cyclically adopts the switching functions of all submodules in the reinjection circuit. Consequently, a cyclic triggering method is designed, with its switching function expressed as
where π/3 represents the phase shift interval. An m-level RMVSC requires a phase shift period of (m − 1)π/3 to complete one cycle of cyclic triggering, during which each submodule adopts the switching functions of all other submodules in the reinjection circuit once. Using this method, a cyclic driving pulse is designed for the 7-level reinjection circuit, with a cycle period of 2π, and the cyclic driving pulse sequence is illustrated in Figure 5.
Figure 5.
Cyclic drive pulse sequence of 7-level RMVSC. (a) Number of conduction reinjection switches on Y side. (b) Driving pulse waveforms of Y reinjection switches under the phase-shift switching functions.
After adopting cyclic driving pulses for the 7-level RMVSC, the submodules adjust the triggering intervals within each current pulsation cycle. This adjustment enables the driving pulse to circulate to be completed within 2π. Based on Equations (8) and (14), the cyclic driving pulses satisfy the condition for sub-module capacitor voltage balancing, ensuring that each sub-module undergoes an identical charging and discharging process within 2π, thereby achieving sub-module capacitor balance. Thereby satisfying the condition for submodule capacitor voltage balance. Furthermore, each driving pulse is symmetrical with respect to the half-current pulsation cycle without increasing the complexity of the driving sequence. This approach achieves low-frequency operation of the RMVSC switches while maintaining equal voltage of the submodules.
4. RMVSC-STATCOM Control Strategy
When the aforementioned driving pulse sequence is applied in the reinjection circuit of the RMVSC, the switch can operate at a low frequency while maintaining low output voltage harmonic content with no submodule capacitor imbalance issues. Additionally, increasing the number of submodules enables safe and stable operation under high-voltage conditions. This configuration enhances the performance of the RMVSC when employed as a STATCOM. To achieve continuous reactive power control in RMVSC-STATCOM, an appropriate control strategy must be developed.
The equivalent circuit model of the RMVSC-STATCOM system is illustrated in Figure 6. The overall system can be modeled as two voltage sources connected via an interconnecting inductance Ls, with a phase difference α between them. Here, UsA, UsB, and UsC represent the grid voltages, with the grid voltage phase taken as the reference, setting the phase angle to 0. UrA, UrB, and UrC represent the ac voltages of the RMVSC-STATCOM. For simplification, the reference direction is chosen to be opposite to the grid voltage. IA, IB, and IC represent the compensation currents; θ is the power factor angle; and Udc is the dc voltage.
Figure 6.
RMVSC-STATCOM system equivalent model diagram.
The KVL equations for the circuit shown are
The apparent power S of the RMVSC-STATCOM output for the three phases is
The reactive power Q is
From Equation (19), it is evident that the reactive power transfer of the RMVSC-STATCOM is determined by the ac voltage of the RMVSC. When Us > Ur then Q > 0, indicating that the RMVSC-STATCOM absorbs reactive power. Conversely, when Us < Ur, Q < 0, indicating that the RMVSC-STATCOM emits reactive power. Thus, the RMVSC-STATCOM enables bidirectional reactive power regulation, providing flexible compensation for the system’s reactive power requirements.
RMVSC-STATCOM regulates the charging and discharging of the dc-side capacitor by adjusting the firing angle, which in turn determines the dc voltage. This dc voltage subsequently controls the magnitude of the output ac voltage. Consequently, the RMVSC-STATCOM can regulate the transmission of reactive power by modifying the firing angle.
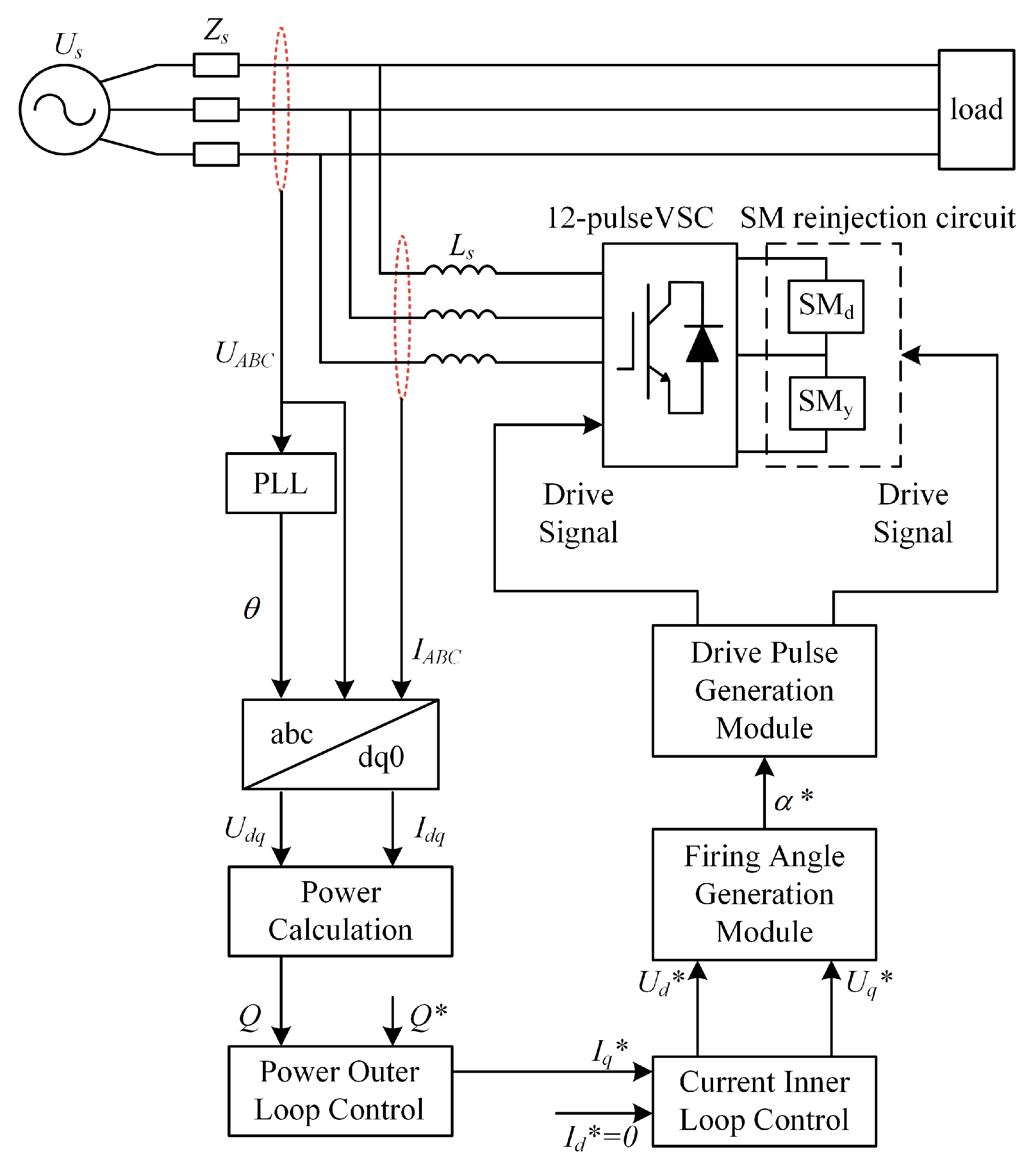
The RMVSC-STATCOM control scheme is constructed, as depicted in the control system block diagram shown in Figure 7. The RMVSC-STATCOM controller utilizes a dual-loop control system comprising an outer power loop and an inner current loop. The control strategy is implemented in the dq rotating coordinate system. Initially, the phase-locked loop (PLL) is employed to synchronize with the grid phase. Subsequently, the voltage at the grid connection point and the compensation current are transformed into the dq coordinates. Real-time reactive power is calculated based on instantaneous power theory and is utilized as the feedback parameter Q for the outer power loop. The RMVSC-STATCOM tracks Q* and Iq* through the outer power loop and inner current loop.
Figure 7.
RMVSC-STATCOM control system block diagram.
As depicted in Figure 8, the control block diagram of the RMVSC-STATCOM illustrates that the outer power loop achieves a grid-side power factor of 1 by tracking Q*. The outer power loop generates the reactive current command Iq*, while active power control is omitted, with Id* set to 0. The current control loop then tracks Iq* and Id*, outputting the active and reactive voltage command values Ud* and Uq* at the converter port. The phase conversion module generates the RMVSC-STATCOM port voltage phase angle command, which serves as the firing angle command for the RMVSC-STATCOM. This ensures continuous and accurate compensation of the system’s reactive power.
Figure 8.
Control block diagram of the inner and outer loops of RMVSC-STATCOM.
5. Simulation Results
To validate the feasibility of the serial submodule reinjection circuit and assess the effectiveness of the modulation and control strategies, a 7-level RMVSC-STATCOM system model was developed using PSCAD/EMTDC. The reactive power capacity of the system is ±10 Mvar, with a rated voltage of 10 kV. It has transformer turn ratios of 1:1 (Y/Y) and 1: (Y/D), with a leakage reactance of 10%.
5.1. System Parameter Design
The parameters are calculated based on system settings. The RMS value of the phase current for the RMVSC-STATCOM is given by
where U1 represents the RMS value of the line voltage. The per-unit value of the connection reactance X* is selected as 0.15 [34], leading to a connection inductance value of
where Zb represents the system base impedance.
When selecting the submodule capacitance, to ensure that the voltage fluctuation ε of the submodule capacitor does not exceed 5% [35], the submodule capacitance value is determined as
where S represents the system capacity, n is the number of submodules, U0 is the submodule capacitor voltage, Us is the RMS value of the grid voltage, Ur is the RMS value of the RMVSC ac phase voltage, and θ is the power factor angle. The capacitance value is selected based on the maximum operating condition. According to Equation (22), the capacitance should be greater than 4842 μF; therefore, a value of 5000 μF is selected. The complete system parameters are listed in Table 1.
Table 1.
System parameters.
5.2. Cyclic Pulse Modulation Method Verification
Firstly, the feasibility of the proposed RMVSC topology and the effectiveness of the cyclic pulse modulation are verified through simulation. The system parameters listed in Table 1 are applied. The main bridge operates in a 180° conduction. mode, while the reinjection circuit employs a cyclic pulse modulation with a system trigger angle set 3°. The corresponding simulation results are presented in Figure 9. The Y reinjection voltage and D reinjection voltage are illustrated in Figure 9a,b, respectively. The reinjection voltages exhibit excellent balance with minimal distortion. The new reinjection circuit demonstrates multilevel output capability and validates the cyclic driving pulse. As shown in Figure 9c, the RMVSC produces an AC voltage waveform that closely resembles a sine wave without requiring a filter. As illustrated in Figure 9d, the three-phase AC current exhibits a high degree of smoothness. In Figure 9e, the A-phase voltage spectrum shows a THD of only 2.57%, which is closely aligned with the theoretical value of 2.36%. Figure 9f presents the current spectrum with a total harmonic distortion (THD) of 0.83%, indicating favorable low-harmonic grid characteristics. Additionally, Figure 9f,g demonstrate the ZVS process of the first IGBT in the Y bridge. When the IGBT approaches its turn-on or turn-off moment, the voltage across it drops to zero, enabling ZVS. These results confirm that the proposed RMVSC topology can achieve high-quality voltage waveform output without the need for a filter and at low switching frequency, demonstrating exceptional performance.
Figure 9.
Simulation results of using circulating pulse modulation strategy. (a) Y rejection voltage. (b) D rejection voltage. (c) RMVSC output three-phase voltage. (d) RMVSC output three-phase current. (e) The spectrum of the A-phase voltage. (f) The spectrum of the A-phase current. (g) Y-bridge No. 1 IGBT voltage and its drive signal. (h) Y-bridge No. 1 IGBT current and its drive signal.
Given a total harmonic distortion (THD) of 0.83% for the current, the harmonic factor can be calculated as follows:
The relationship between the power factor and the displacement factor is expressed as follows:
Since the value is very close to 1, the power factor can be approximated as equal to the displacement factor.
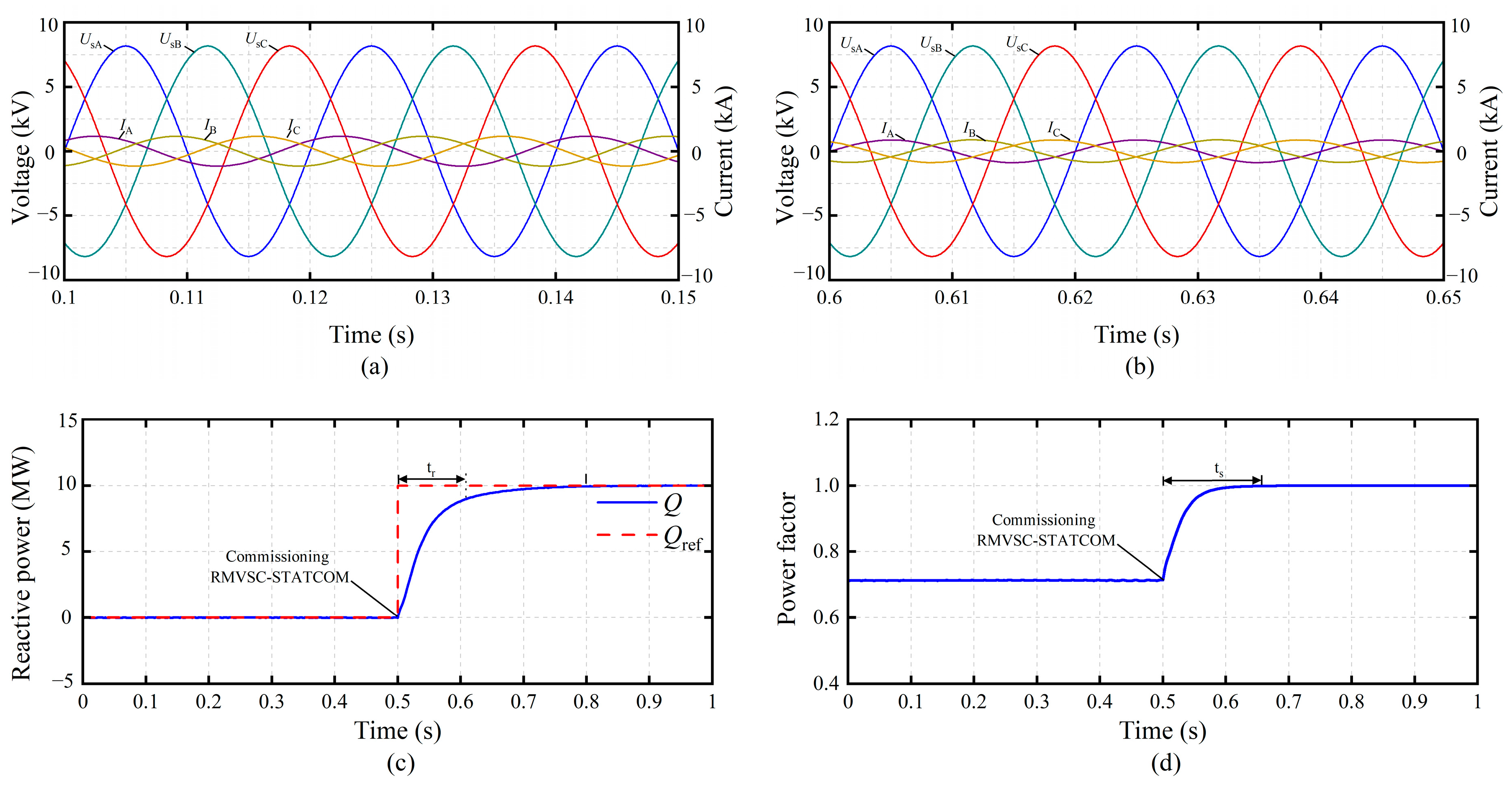
5.3. Analysis of the Adjustment Effect of RMVSC-STATCOM in Capacitive Operation
To verify performance under capacitive conditions, an inductive load of PL + jQL = 10 MW + j10 Mvar is set, with a simulation duration of 1 s. At 0.5 s, the RMVSC-STATCOM is connected to track the reactive power command for compensation. The voltage and current of the three phases before compensation are shown in Figure 10a. There is a phase difference between voltage and current; the current leads the voltage, and the power factor is 0.707. At 0.5 s, the RMVSC-STATCOM is engaged, and after tracking the compensation command, it eventually outputs 0.997 Mvar of reactive power. Following reactive power compensation, the reactive power on the power supply side is nearly 0, and the power factor improves to nearly 1, with the voltage and current phases on the power supply side aligned. The voltage and current waveforms of the three phases after compensation are shown in Figure 10b.
Figure 10.
Simulation results of RMVSC-STATCOM in capacitive operation conditions; (a) three-phase voltage and current waveforms before compensation; (b) three-phase voltage and current waveforms after compensation; (c) reactive power tracking; (d) power factor waveform.
Dynamic performance indicators are used to evaluate the adjustment effect of RMVSC-STATCOM under capacitive conditions, including dynamic response time tr, adjustment time ts, overshoot σ, and steady-state error. The tracking of the compensated reactive power Q to the reactive power command value Qref is shown in Figure 10c. From 0 to 0.5 s, the RMVSC-STATCOM is not engaged, and the reactive power command value is 0, at which point the compensated reactive power Q = 0. At 0.5 s, the RMVSC-STATCOM is engaged, and after a response time of tr = 0.08 s, the change in Q reaches 90% of the difference between the reactive power command value Qref and the initial value. After an adjustment time of ts = 0.1 s, Q remains within the range of 95% to 105% of the reactive power command value Qref, with an overshoot σ of 0, delivering reactive power of 10 Mvar, and the steady-state error with respect to the reactive power command value is 0. The power factor waveform is shown in Figure 10d. After the RMVSC-STATCOM is engaged, the power factor increases from 0.707 to 1.
5.4. Analysis of the Adjustment Effect of RMVSC-STATCOM in Inductive Operation
To verify performance under inductive operation conditions, a capacitive load of PL + jQL = 10 MW−j10 Mvar was applied with a simulation duration of 1 s. At 0.5 s, the RMVSC-STATCOM was connected and began tracking the reactive power command for compensation. The three-phase voltage and current waveforms before compensation are shown in Figure 11a. There is a phase difference between voltage and current, the current leads the voltage, and the power factor is 0.707. Upon activation of the RMVSC-STATCOM at 0.5 s, and after tracking the compensation command, it absorbed 0.995 Mvar of reactive power. Following compensation, the reactive power on the power source side was nearly 0, the power factor improved to nearly 1, and the voltage and current phases aligned. The three-phase voltage and current waveforms after compensation are shown in Figure 11b.
Figure 11.
Simulation results of RMVSC-STATCOM in inductive operation conditions; (a) three-phase voltage and current waveforms before compensation; (b) three-phase voltage and current waveforms after compensation; (c) reactive power tracking; (d) power factor waveform.
The tracking of compensated reactive power Q relative to the reactive power command value Qref is shown in Figure 11c. From 0 to 0.5 s, RMVSC-STATCOM was not involved in regulation, and the reactive power command value was 0, meaning the compensated reactive power Q was also 0. At 0.5 s, RMVSC-STATCOM was activated. After a response time tr of 0.106 s, the change in Q reached 90% of the difference between the reactive power command value Qref and the initial value. After a regulation time ts of 0.155 s, Q remained within 95% to 105% of the reactive power command value Qref. The overshoot was 0, with an absorbed reactive power of 10 Mvar, and the steady-state error relative to the reactive power command value was 0. The power factor waveform is depicted in Figure 11d, where after the activation of RMVSC-STATCOM, the power factor increased from 0.707 to nearly 1.
5.5. Analysis of the Full Range Compensation Effect of RMVSC-STATCOM
To demonstrate the continuous and bidirectional compensation capabilities of RMVSC-STATCOM within its rated range, this simulation settings varying reactive loads—both inductive and capacitive—to verify the effectiveness of reactive power compensation across the full operational spectrum. The maximum reactive power that RMVSC-STATCOM can absorb or generate is 10 Mvar. Initially, a capacitive load of 10 Mvar is applied. At 1 s, the load is reduced to 5 Mvar. At 2 s, the load type is switched to an inductive load of 10 Mvar, and at 3 s, it is reduced to 5 Mvar.
Reactive power tracking, power factor waveform, secondary current tracking, and dc voltage waveform under full-range compensation operation are shown in Figure 12. Initially, the inductive reactive load is 10 Mvar, and the RMVSC-STATCOM is activated at 0 s. The power factor on the power supply side increases from 0.898 to nearly 1. After a response time of 0.09 s and a regulation time of 0.12 s, the reactive power compensation Q accurately tracks the reactive power reference value Qref without overshoot or error, achieving full compensation of the inductive reactive load by the RMVSC-STATCOM. At 1 s, the inductive reactive load is reduced to 5 Mvar, causing the power factor to drop to 0.980, a decrease of approximately 2%. After a response time of 0.06 s and a regulation time of 0.09 s, the reactive power compensation Q again tracks the reactive power reference value Qref without overshoot or error, restoring the power factor to nearly 1. At 2 s, the load changes to a capacitive reactive load of 10 Mvar, causing the power factor to drop to 0.912, a decrease of approximately 8.8%. The response time is 0.11 s, and the regulation time is 0.13 s. The power factor is restored to nearly 1 without overshoot or error, as the RMVSC-STATCOM fully compensates for the capacitive reactive load. At 3 s, the capacitive reactive load is reduced to 5 Mvar, causing the power factor to drop to 0.972, a decrease of approximately 2.3%. After a response time of 0.082 s and a regulation time of 0.091 s, the reactive power compensation Q once again tracks the reactive power reference value Qref without overshoot or error, restoring the power factor to nearly 1.
Figure 12.
Simulation results of RMVSC-STATCOM full-range reactive power compensation capability; (a) reactive power compensation tracking; (b) power factor waveform; (c) dq-axis current tracking; (d) dc voltage waveform.
As illustrated in Figure 12c, the reactive current Iq experiences minor fluctuations during the equipment start-up phase, yet it remains within acceptable limits, avoiding overcurrent conditions. Furthermore, Iq closely tracks the reactive current reference value Iqref, ensuring effective full-range reactive power compensation. Concurrently, as shown in Figure 12d, the dc voltage transitions smoothly in response to varying operating conditions without inducing any surge overvoltage. These observations confirm the effectiveness of the RMVSC-STATCOM control strategy in delivering smooth, continuous, full-range reactive power compensation.
6. Conclusions
This paper proposes a novel topology for a VSC based on reinjection technology. The topology leverages the submodules’ capability to generate multilevel voltages by dynamically connecting them in series as a reinjection circuit while also enabling ZVS for the main bridge switches. Furthermore, the RMVSC can output power with low harmonic distortion without requiring filters. Compared to PWM converters, the switching frequency is significantly reduced, minimizing associated losses. By analyzing the conditions necessary for submodule voltage balancing, a cyclic drive modulation strategy was developed for the reinjection circuit. An equivalent model of the RMVSC-STATCOM system was established and analyzed, forming the foundation for a dual-loop control scheme. Simulations were performed using the designed cyclic drive modulation strategy, reactive power control strategy, and parameter design, leading to the following conclusions:
- The new RMVSC topology draws upon the cascaded H-bridge RMVSC structure and leverages the multilevel output capability of submodules. Submodules are series-connected to replace the cascaded H-bridge in the reinjection circuit. The modular structure of the reinjection circuit, comprising multiple submodules connected in series to form a dc bus, supports high voltage and large capacity while reducing equipment size and cost.
- Through theoretical derivation, a cyclic driving pulse for the 7-level RMVSC reinjection circuit is designed, ensuring dynamic voltage balance in the reinjection circuit. The cyclic driving pulse is symmetrical relative to the half-cycle of the pulsation current, allowing each switch in the reinjection circuit to operate once per pulsation current cycle, thereby reducing switching complexity, frequency, and associated losses.
- A dual-loop control strategy suitable for RMVSC-STATCOM is proposed, consisting of an outer power loop and an inner current loop. This strategy enables continuous, bidirectional reactive power compensation with high control accuracy and excellent regulation performance.
- The validity of the proposed RMVSC topology, as well as the effectiveness of the cyclic drive pulse and reactive power control strategy, has been rigorously validated through simulation results. The results demonstrate that the cyclic drive pulse enables the submodules to maintain excellent voltage balance while allowing the RMVSC to operate at a low switching frequency. This results in a significantly reduced harmonic content in the output voltage. Furthermore, the system exhibits no voltage distortion during dynamic reactive power adjustment, underscoring its robust dynamic performance and overall stability. This study offers new insights into control strategies for reinjection converters and their reactive power compensation.
Author Contributions
Conceptualization, C.H. and B.Y.; methodology, C.H.; software, C.H.; validation, C.H., B.Y. and Z.L.; formal analysis, G.L.; investigation, Z.L.; resources, B.Y.; data curation, C.H.; writing—original draft preparation, C.H.; writing—review and editing, B.Y.; visualization, Z.L.; supervision, G.L.; project administration, B.Y.; funding acquisition, B.Y. All authors have read and agreed to the published version of the manuscript.
Funding
This research was funded by the Project “Organized Scientific Research Project of Inner Mongolia Autonomous Region”, grant number 2024JBGS0052, the Project “Natural Science Foundation of Inner Mongolia”, grant number 2023MS05004, and the Project “Basic Scientific Research Expenses Program of Universities Directly under Inner Mongolia Autonomous Region”, grant number ZTY2024026.
Institutional Review Board Statement
Not applicable.
Informed Consent Statement
Not applicable.
Data Availability Statement
The original contributions presented in the study are included in the article; further inquiries can be directed to the corresponding authors.
Conflicts of Interest
The authors declare no conflicts of interest. The funders had no role in the design of the study; in the collection, analyses, or interpretation of data; in the writing of the manuscript; or in the decision to publish the results.
References
- Yu, L.; Zhang, L.; Meng, G.; Zhang, F.; Liu, W. Research on Multi-Objective Reactive Power Optimization of Power Grid with High Proportion of New Energy. IEEE Access 2022, 10, 116443–116452. [Google Scholar] [CrossRef]
- Tong, J.; Liu, W.; Mao, J.; Ying, M. Role and Development of Thermal Power Units in New Power Systems. IEEE J. Radio Freq. Identif. 2022, 6, 837–841. [Google Scholar] [CrossRef]
- Cheng, Z.; Wang, L.; Zeng, S.; Su, C.; Zhang, R.; Zhou, W. Partition-Global Dual-Layer Collaborative Voltage Control Strategy for Active Distribution Network with High Proportion of Renewable Energy. IEEE Access 2024, 12, 22546–22556. [Google Scholar] [CrossRef]
- Dai, R.; Esmaeilbeigi, R.; Charkhgard, H. The Utilization of Shared Energy Storage in Energy Systems: A Comprehensive Review. IEEE Trans. Smart Grid 2021, 12, 3163–3174. [Google Scholar] [CrossRef]
- Ullah, M.H.; Park, J.-D. Distributed Energy Trading in Smart Grid Over Directed Communication Network. IEEE Trans. Smart Grid 2021, 12, 3669–3672. [Google Scholar] [CrossRef]
- Wang, C.; Xu, J.; Pan, X.; Gong, W.; Zhu, Z.; Xu, S. Impedance Modeling and Analysis of Series-Connected Modular Multilevel Converter (MMC) and its Comparative Study with Conventional MMC for HVDC Applications. IEEE Trans. Power Deliv. 2022, 37, 3270–3281. [Google Scholar] [CrossRef]
- Garrido-Arévalo, V.M.; Gil-González, W.; Montoya, O.D.; Grisales-Noreña, L.F.; Hernández, J.C. Optimal Dispatch of DERs and Battery-Based ESS in Distribution Grids While Considering Reactive Power Capabilities and Uncertainties: A Second-Order Cone Programming Formulation. IEEE Access 2024, 12, 48497–48510. [Google Scholar] [CrossRef]
- Flourentzou, N.; Agelidis, V.G.; Demetriades, G.D. VSC-Based HVDC Power Transmission Systems: An Overview. IEEE Trans. Power Electron. 2009, 24, 592–602. [Google Scholar] [CrossRef]
- Liu, Y.H.; Watson, N.R.; Zhou, K.L.; Yang, B.F. Converter System Nonlinear Modeling and Control for Transmission Applications—Part I: VSC System. IEEE Trans. Power Deliv. 2013, 28, 1381–1390. [Google Scholar] [CrossRef]
- Song, Y.; Breitholtz, C. Nyquist Stability Analysis of an AC-Grid Connected VSC-HVDC System Using a Distributed Parameter DC Cable Model. IEEE Trans. Power Deliv. 2016, 31, 898–907. [Google Scholar] [CrossRef]
- Koutitas, G. Control of Flexible Smart Devices in the Smart Grid. IEEE Trans. Smart Grid 2012, 3, 1333–1343. [Google Scholar] [CrossRef]
- Zhang, Y.; Xu, D.; Yan, C.; Zou, S. Hybrid PWM Scheme for the Grid Inverter. IEEE J. Emerg. Sel. Top. Power Electron. 2015, 3, 1151–1159. [Google Scholar] [CrossRef]
- Zhao, J.Y.; Zhang, F.M. Research on Operation Performance of Low Harmonic and Zero Current Switching Converter. High Volt. Appar. 2023, 59, 52–61. [Google Scholar] [CrossRef]
- Song, Y.M.; You, X.J.; Guo, X.Z. A Novel Five-Level Reinjection Current Source Rectifier under Input Voltage Unbalance. Trans. China Electrotech. Soc. 2017, 32, 199–207. [Google Scholar] [CrossRef]
- Liu, Y.H.; Arrillaga, J.; Watson, N.R. Cascaded H-Bridge Voltage Reinjection—Part I: A New Concept in Multilevel Voltage–Source Conversion. IEEE Trans. Power Deliv. 2008, 23, 1175–1182. [Google Scholar] [CrossRef]
- Liu, Y.H.; Arrillaga, J.; Watson, N.R. Cascaded H-Bridge Voltage Reinjection—Part II: Application to HVDC Transmission. IEEE Trans. Power Deliv. 2008, 23, 1200–1206. [Google Scholar] [CrossRef]
- Yang, B.F.; Wu, Z.J.; Liu, Y.H.; Li, Y.H. A New Topology of Three-Level Reinjection Current Source Converter in Parallel. Trans. China Electrotech. Soc. 2009, 24, 67–72. [Google Scholar] [CrossRef]
- Liu, Y.H.; Arrillaga, J.; Murray, N.; Watson, N.R. Derivation of a Four-Quadrant Control System for MLCR-HVDC Conversion. IEEE Trans. Power Deliv. 2009, 24, 2223–2231. [Google Scholar] [CrossRef]
- Li, Z.; Li, H.; Zhao, L.; Zheng, X.; Pang, H.; Gao, M. A Current-Sharing Driving Method for Multilevel Current Reinjection Converter. IEEE Trans. Power Electron. 2019, 34, 877–888. [Google Scholar] [CrossRef]
- Liu, Y.H.; Arrillaga, J.; Watson, N.R. Capacitor Voltage Balancing in Multi-Level Voltage Reinjection (MLVR) Converters. IEEE Trans. Power Deliv. 2005, 20, 1728–1737. [Google Scholar] [CrossRef]
- Du, W.; Fu, Q.; Wang, H.F. Power System Small-Signal Angular Stability Affected by Virtual Synchronous Generators. IEEE Trans. Power Syst. 2019, 34, 3209–3219. [Google Scholar] [CrossRef]
- Du, W.; Bi, J.; Cao, J.; Wang, H.F. A Method to Examine the Impact of Grid Connection of the DFIGs on Power System Electromechanical Oscillation Modes. IEEE Trans. Power Syst. 2016, 31, 3775–3784. [Google Scholar] [CrossRef]
- Qi, J.; Zhao, W.; Bian, X. Comparative Study of SVC and STATCOM Reactive Power Compensation for Prosumer Microgrids With DFIG-Based Wind Farm Integration. IEEE Access 2020, 8, 209878–209885. [Google Scholar] [CrossRef]
- Sarwar, M. Stability Enhancement of Grid-Connected Wind Power Generation System Using PSS, SFCL and STATCOM. IEEE Access 2023, 11, 30832–30844. [Google Scholar] [CrossRef]
- Veldman, E.; Verzijlbergh, R.A. Distribution Grid Impacts of Smart Electric Vehicle Charging From Different Perspectives. IEEE Trans. Smart Grid 2015, 6, 333–342. [Google Scholar] [CrossRef]
- Qin, W.; Wang, P.; Han, X.; Du, X. Reactive Power Aspects in Reliability Assessment of Power Systems. IEEE Trans. Power Syst. 2011, 26, 85–92. [Google Scholar] [CrossRef]
- Chen, S.X.; Foo, Y.S.; Gooi, E.H.B.; Wang, M.Q.; Lu, S.F. A Centralized Reactive Power Compensation System for LV Distribution Networks. IEEE Trans. Power Syst. 2015, 30, 274–284. [Google Scholar] [CrossRef]
- Zhou, S.; Mi, C.C. Multi-Paralleled LCC Reactive Power Compensation Networks and Their Tuning Method for Electric Vehicle Dynamic Wireless Charging. IEEE Trans. Ind. Electron. 2016, 63, 6546–6556. [Google Scholar] [CrossRef]
- Salih, S.N.; Chen, P. On Coordinated Control of OLTC and Reactive Power Compensation for Voltage Regulation in Distribution Systems with Wind Power. IEEE Trans. Power Syst. 2016, 31, 4026–4035. [Google Scholar] [CrossRef]
- Zeraati, M.; Golshan, M.E.H.; Guerrero, J.M. Voltage Quality Improvement in Low Voltage Distribution Networks Using Reactive Power Capability of Single-Phase PV Inverters. IEEE Trans. Smart Grid 2019, 10, 5057–5065. [Google Scholar] [CrossRef]
- Sonawane, A.J.; Umarikar, A.C. Voltage and Reactive Power Regulation With Synchronverter-Based Control of PV-STATCOM. IEEE Access 2023, 11, 52129–52140. [Google Scholar] [CrossRef]
- Zhong, W.; Gong, J.; Pan, S.; Zha, X. An Improved Negative-Sequence Current Compensation Method for Star-Connected CHB STATCOM. IEEE Trans. Power Deliv. 2022, 37, 4786–4795. [Google Scholar] [CrossRef]
- Zhou, Y.; Tang, M.; Liu, W. Cophase Traction Power Supply System Based on Improved MMC-STATCOM-Vv Wiring. IEEE Access 2024, 12, 5899–5909. [Google Scholar] [CrossRef]
- Jiang, Z.; Zhou, H.; Song, J. Temperature Field Calculation and Experimental Analysis of Dry-Type Air-Core Reactor. Trans. China Electrotech. Soc. 2017, 32, 218–224. [Google Scholar] [CrossRef]
- Wang, S.S.; Zhou, X.X.; Tang, G.F. Selection and Calculation for Sub-module Capacitance in Modular Multi-level Converter HVDC Power Transmission System. Power Syst. Technol. 2011, 35, 26–32. [Google Scholar] [CrossRef]
Disclaimer/Publisher’s Note: The statements, opinions and data contained in all publications are solely those of the individual author(s) and contributor(s) and not of MDPI and/or the editor(s). MDPI and/or the editor(s) disclaim responsibility for any injury to people or property resulting from any ideas, methods, instructions or products referred to in the content. |
© 2024 by the authors. Licensee MDPI, Basel, Switzerland. This article is an open access article distributed under the terms and conditions of the Creative Commons Attribution (CC BY) license (https://creativecommons.org/licenses/by/4.0/).











