Abstract
Oscillations caused by the interaction between voltage source converters (VSCs) and weak grids are vital threats to the stability of power systems. Determining the appropriate parameters for the control of VSCs is essential to prevent the occurrence of oscillations in advance. To achieve this goal, a quantitative evaluation method of system stability for VSCs is proposed in this article to specify the stability boundary of control parameters. Then, an active damping controller for current control and a parameter optimization method for the phase-locked loop (PLL) is proposed, and the related parameters are designed based on the guidance of the proposed evaluation method. With planting the parameters optimization in the control of VSC, the stability boundary of control parameters of VSC is extended, so that the stability of VSC can be significantly improved. Finally, simulations are presented to verify the effectiveness of the theoretical analysis.
1. Introduction
Renewable energy generation has received much attention in recent years [1,2]. As a power interface between renewable energy sources and the grid, voltage source converters (VSCs) have been increasing the penetration in power systems [3]. However, due to the geographical distribution characteristics of renewable energy sources, the long transmission lines of the grid result in grid impedance that cannot be neglected [4] which makes the power grid become a weak grid. Under a weak grid, the interaction between the VSC and the grid easily causes oscillation problems and brings new challenges to the safe and stable operation of power systems [5,6,7].
The stability analysis methods of VSC grid-connected system oscillation are mainly divided into two categories, that is, the eigenvalue analysis method based on state space and the impedance analysis method based on frequency domain theory [8,9,10]. The eigenvalue analysis method relies on detailed models and parameters of converters and grids which is difficult to adapt to the large-scale grid-connected analysis of renewable energy. The impedance analysis method considers the VSC and grid as two independent subsystems, the system stability can be analyzed using only the port characteristics of the two subsystems [10,11]. Depending on the coordinate system used for modeling, there are two types of impedances, that is, dq-domain impedance in a synchronous rotating coordinate system [12,13] and sequence-domain impedance in a stationary coordinate system [14,15]. Based on the impedance model, the generalized Nyquist criterion is usually used for stability analysis. These methods can identify whether the grid-connected VSC is stable and provide a qualitative evaluation for stability. However, they cannot quantitatively evaluate the system stability, and cannot evaluate the difference in the system stability with different parameters.
The stability level of the grid-connected VSC system is different when the control parameters of the VSC are different. If the controller parameters are not designed properly, it will affect the system stability and even cause oscillations [16]. Current loop and phase-locked loop (PLL) are key components in VSCs, the former is responsible for regulating the output power accurately and flexibly, and the latter is responsible for the synchronization between VSC and the power grid. The control parameters of both components can significantly affect the interactions between VSC and the power grid [17]. Moreover, the parameter analysis for the current control loop further indicates that the damping characteristics of the VSC will be reduced by an excessively small proportional coefficient of the current controller which is harmful to the stable operation of VSC [18,19]. For the influence of PLL on system stability, [20,21] indicated that inappropriate PLL parameters can lead to negative resistance of VSC which can decrease the stability of VSC. Therefore, determining the appropriate parameters for the control of VSCs is essential to prevent oscillations in advance [22]. To address the oscillations caused by the interaction between VSCs and weak grids, scholars have proposed solutions based on parameter optimizations of current loops and PLL. A parameter optimization method for VSC current loop control was proposed in [23] which uses the system stability margin as a constraint. [24] limited the selection range of the control parameters based on the relationship between frequency domain indicators and current control parameters, thereby optimizing the parameters of the current control loop. An adaptive PLL parameter design method was proposed to ensure sufficient phase angle margin by adjusting PLL parameters in real time [25]. However, the existing methods did not give the principle of control parameters selection according to the different stability margins of the system nor can quantify the stability level of the system. The core reason is that the existing stability analysis method for VSC is qualitative instead of quantitative. The stability analyses and optimization of VSCs are generally based on stability analysis methods to judge whether VSC is stable [2,4,17,20]. However, these analyses cannot give an intuitive indication of the stability margins of the VSC under different operations. Therefore, the studies on stability analysis cannot clearly and quantitatively describe system instability which makes it difficult to provide intuitive quantitative advice on parameter optimization for VSCs.
To overcome the above issue, this article proposes a quantitative stability evaluation method based on analyzing the relationship between the system stability level and the phase angle of the stability evaluation point and clarifies the stable region of the control parameters. Then, the quantitative stability evaluation method is employed to guide the parameter optimization of the active damping controller and PLL. With the optimization, the stable boundary of the VSC parameters can be effectively expanded to avoid oscillations. The proposed method can quantitatively evaluate the stability of VSC system under different parameters. It can be applied to guide the design of the system control parameters and provide quantitative analysis for the precise selection of control parameters for VSCs in practical engineering.
This article is organized as follows. Section 2 deduces the impedance model of VSC by considering the asymmetric structure of PLL, then a quantitative stability evaluation method is proposed. Based on the quantitative stability evaluation, Section 3 establishes an active damping method in the current control loop and proposes a PLL parameter optimization method. Section 4 illustrates the simulation results to validate the effectiveness of the proposed method. Finally, the conclusions and contributions of this article are summarized in Section 5.
2. VSC System Modeling and Quantitative Evaluation Method of System Stability
2.1. VSC Impedance Modeling
Impedance stability theory requires obtaining the grid-connected equipment and grid impedance under small signals as the basis. This section first derives the impedance model of the VSC.
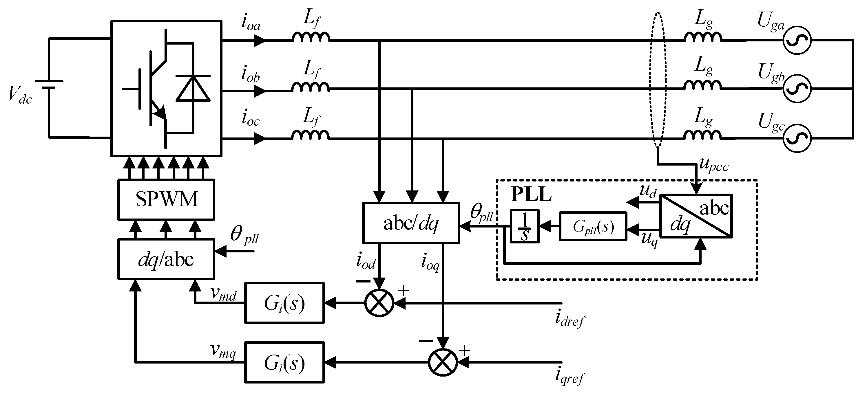
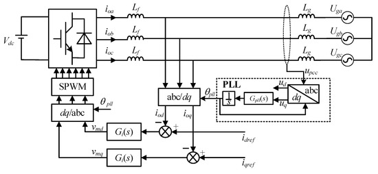
Figure 1 shows the topology and control block diagram of the VSC. Since the dynamic response of the current and PLL of VSC is faster than the DC voltage loop, and this article mainly considers the oscillations caused by the current loop and the PLL, the DC voltage control is replaced by a DC voltage source Vdc.
Figure 1.
VSC structure and control system.
In Figure 1, vox and iox (x = a,b,c, the latter variables are expressed in the same way) are the VSC output voltage and current, respectively. upcc is the point of common coupling (PCC) voltage. Ugx is the grid voltage. Lf is the filter inductance. Grid impedance is equivalent to an inductance Lg. iod and ioq are the values of VSC output current in dq coordinate system. idref and iqref are the reference values of the grid-connected currents. Gi(s)= kp-c + ki-c/s is the current proportional-integral (PI) control link, kp-c is the proportional coefficient, and ki-c is the integral coefficient. PLL is employed to detect the voltage and frequency of the power grid and ensure the synchronization between the VSC and power grid, θpll is the output angle of PLL, Gpll = kp-PLL + ki-PLL/s is the PI controller, where kp-PLL is the proportional coefficient and ki-PLL is the integral coefficient. vmd and vmq are the output modulation signals of the regulator in the dq coordinate system.
It should be pointed out that the frequency range considered in this article is within 500 Hz which is much smaller than the switching frequency of VSC. Therefore, the switching process of modulation can be simplified and regarded as linearized when modeling [26]. Thus, the expressions of vmd and vmq can be written as Equation (1).
where upccd is the d-axis voltage component of upcc, upccq is the q-axis voltage component of upcc, and ω1 is the fundamental wave angular frequency. KPWM is the equivalent gain of the VSC, and its expression is shown in Equation (2), where Utri is the carrier amplitude.
The impedance modeling of VSC starts from the modeling of PLL. For the PLL, if it is ideal, the PLL detects the magnitude and phase of grid voltage without errors, and the output of PLL is identical to the phase of grid voltage, which can be noted as . Thus, the ideal dq coordinate system can be obtained. When considering the small signal perturbations, there is a Δθ difference between the output of PLL and the phase of grid voltage, the output of PLL at this time can be written as Equation (3),
Therefore, when considering the small signal perturbations, the dq transformation achieved by the VSC control is nonideal, the intuitive descriptions for the ideal dq coordinate system, and nonideal dq coordinate system are presented in Figure 2.
Figure 2.
Relationship between ideal and nonideal dq coordinate system considering disturbance.
For any variable x, when they are transferred into the dq coordinate system by the control of VSC, their expressions can be expressed as Equation (4).
where the superscript c is used to represent the variable in the nonideal dq coordinate system, and the superscript s is used to represent the variable in the ideal dq coordinate system.
Thus, based on Equation (4), the PCC voltage in the dq coordinate system built by the control of VSC can be written as Equation (5).
where Δ denotes the small signal perturbation. Subscript pccd denotes the d-axis component of the system PCC and pccq denotes the q-axis component of the system PCC. The subscript 0 denotes the steady-state value.
Meanwhile, based on the transfer function block of PLL in Figure 1, Δθ can be obtained as Equation (6).
Thus, based on Equations (5) and (6), the small-signal model of PLL can be obtained as Equation (7). TPLL is the transfer function of PLL, in which the physical significance of TPLL can be described as the transfer function between the perturbation of PCC voltage and the phase error of PLL in VSC control.
Similar to upcc, the VSC output current and the modulation signal output by current control in the ideal and nonideal dq coordinate system can be described as Equations (8) and (9), where Gy1m(s) represents the transfer function between the output current and the small signal perturbation of the PCC voltage, Gy2m(s) represents the transfer functions between the output modulation signals of VSC, and the small signal perturbation of the PCC voltage.
With the above derivations, the small-signal model of VSC considering PLL can be obtained as shown in Figure 3. The blue region represents the controlled object in reality, the orange region represents the control system of VSC in the artificially constructed synchronous coordinate system. However, according to the above analyses, the small signal perturbation of PCC voltage makes the artificially constructed synchronous coordinate system not synchronized with the controlled object, the variables in reality that need to enter into the control system (orange region) through PLL phase detection should be modified by Equations (8) and (9), which is the red region in Figure 3.
Figure 3.
Mathematical model of VSC control system in dq coordinates.
In Figure 3, the mathematical model of VSC also considers the effects of time delay [27,28] and introduces an equivalent model of time delay. Gim(s), Gdem(s), and YLm are shown in (10)–(12). Gde(s) = (1 − 0.75Tss)/(1 + 0.75Tss) is the control delay link [20]. Ts denotes the sampling period of the system.
According to Figure 3 and Equations (10)–(12), the output impedance of the VSC can be obtained as follows,
where E represents the unit matrix.
The frequency sweeping test is utilized to obtain the simulation results as shown in Figure 4. It can be seen that the analytical model matches the simulation results well which validates the accuracy of the VSC impedance model.
Figure 4.
Validation of the VSC impedance model.
In the same way, the matrix model of the grid impedance can be obtained as,
2.2. Quantitative Evaluation Method of VSC System Stability
To quantitatively evaluate the stability of the VSC system, this article proposes a stability quantitative evaluation method based on the relationship between Nyquist curve and the unit circle. According to the generalized Nyquist criterion, the stability of the VSC system can be determined by whether the eigenvalue of the ratio matrix L(s) surrounds (−1, j0) [10]. L(s) is shown in Equation (15).
A 7 kW weak grid-connected VSC is analyzed as an example here. The parameters of the grid-connected VSC are shown in Table 1.
Table 1.
Main system parameters.
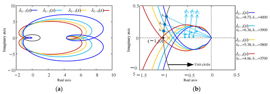
The Nyquist curves of the eigenvalue of L(s) are shown in Figure 5. As seen in Figure 5a, the Nyquist curve of λ2(s) is closer to (−1, j0) than λ1(s), which means that the system stability is determined by λ2(s). Figure 5b shows that λ2(s) and the unit circle have two symmetric intersection points A and B. The distances between A (or B) and (−1, j0) can reveal the system stability. The system stability is weaker if the A (or B) and (−1, j0) are closer [29].
Figure 5.
Nyquist curves of the eigenvalue of L(s). (a) Integrated graph; (b) Partial enlargement of (a).
Figure 6 gives the Nyquist curve λ2(s) under four sets of current controller parameters, the curves are denoted as λ2−x(s), where x is the number of the curves (x = 1,2,3,4). Figure 6a shows the overall plot of λ2−x(s) (x = 1,2,3,4), Figure 6b shows the enlarged plot of λ2−x(s) (x = 1,2,3,4) around (−1, j0), and the current controller parameters of λ2−x(s) are given in Figure 6b. As shown in Figure 6b, note the intersection of λ2-x(s) without an envelope (−1, j0) and the unit circle as Ax(x = 1,2,3). Then, connect point Ax and the origin of the coordinates (O), note the angle between the line OAx, and the negative real axis as ϕx(x = 1,2,3). With this approach, the distance between the intersection and (−1, j0) can be intuitively reflected by ϕx. From the change of curve λ2−x(s), the system stability decreases to instability, ϕ will decrease to 0°, and then λ2(s) will surround (−1, j0) (as λ2−4(s)). Thus, it can be concluded that the system is more stable if ϕ is larger. If the angle ϕ is negative for λ2−x(s) which means the curve of λ2−x(s) will surround (−1, j0), such as λ2−x(s), the grid-connected VSC will be unstable at this time.
Figure 6.
Nyquist curves of λ2(s). (a) Nyquist curve λ2(s) for different parameters; (b) Partial enlargement of (a).
To illustrate the unstable phenomenon caused byλ2−4(s) in Figure 6. Figure 7 gives a Bode plot of Zg and ZVSC for the case of curve λ2−4(s) in Figure 6. The stability of the grid-connected system can be determined by the phase difference at the magnitude intersection of ZVSC and Zg. If the phase difference is less than 180°, the system is stable, otherwise, the system is unstable, and the frequency of the magnitude intersection is the oscillation frequency [30]. Figure 7 shows that the phase difference at the magnitude intersection of Zg and Zqq is greater than 180°, the system is unstable. The oscillation frequency of the system under dq axis is 125 Hz, corresponding to 175 Hz and 75 Hz in the stationary coordinate system.
Figure 7.
Bode diagrams of VSC output impedance and grid impedance.
Here, taking the parameters of the current control as an example to analyze the relationship between the control parameters and ϕ. The analysis is presented in Figure 8. Figure 8a indicates that the proportional coefficient of current control significantly affects the system stability, the system stability increases as the proportional coefficient increases. To intuitively present the relationship between current loop parameters and the ϕ diagram, Figure 8b,c give the partial enlargement of Figure 8a and the contour map of ϕ.
Figure 8.
Relationship between current loop parameters and ϕ diagram. (a) ϕ for different parameters; (b) Partial enlargement of (a); (c) Contour map of ϕ.
The above descriptions indicate that the stability of VSC can be evaluated by the proposed quantitative evaluation method, and the stable level of VSC can be judged by the defined angle of the stability evaluation point. In the following, the proposed quantitative evaluation method is employed to optimize the current control and PLL to improve the stability of VSC.
3. Parameter Optimization of the Current Controller and PLL
3.1. Parameter Optimization of the Current Controller
Since the impedance characteristics of VSC will affect the interaction between VSC and power grid, it is important to optimize parameters of current control to ensure that the impedance of VSC can be matched with the grid impedance. A classical VSC impedance reshaping method based on active damping is given here [31] to illustrate the control parameter optimization effect brought by the proposed method. The implementation of active damping and the corresponding control block diagram of VSC are shown in Figure 9, in which m is the coefficient of damping.
Figure 9.
Implementation method of active damping.
With the active damping control, the mathematical model of the VSC can be updated as shown in Figure 10. The impedance of the VSC can be updated as Equation (16).
Figure 10.
Mathematical model of VSC after active damping.
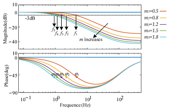
After introducing active damping, the relationship between the current control parameters and ϕ is shown in Figure 11. Compared to Figure 8, ϕ in Figure 11 is larger than the value of ϕ in Figure 8 for the same control parameters, and the stability margin of the system is significantly improved. The difference between Figure 8c and Figure 11c indicates that the proposed active damping control extends the regulation range of the current loop parameters, widens the ϕ = 0° boundary, and narrows the region of unstable parameters, allowing more parameter selection.
Figure 11.
Relationship between current loop parameters and ϕ after active damping. (a) ϕ for different parameters; (b) Partial enlargement of (a); (c) Contour map of ϕ.
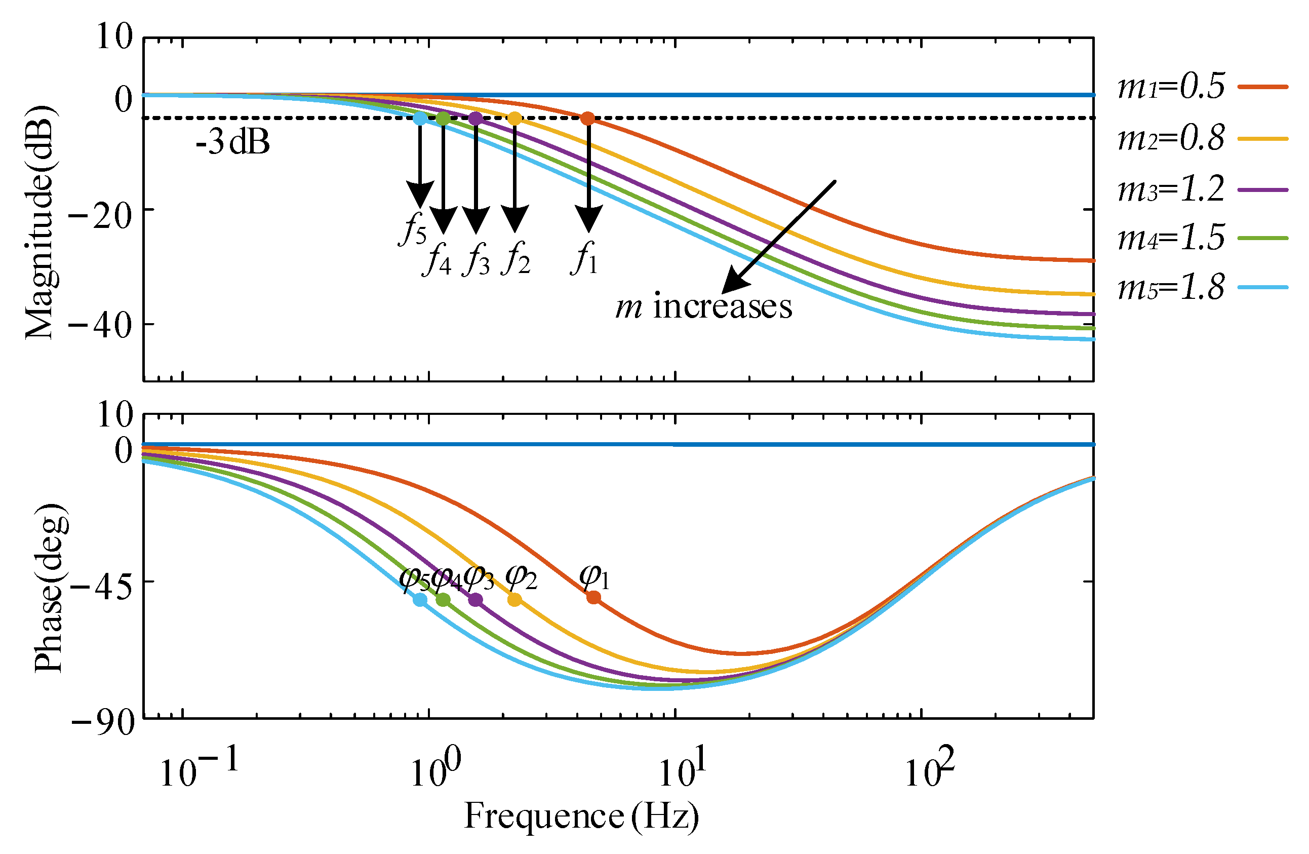
It should be noted that the improvement of the system stability margin brought by the active damping can be influenced by the value of m. Selecting an appropriate value for m is extremely important for stabilizing the grid-connected VSC. Figure 12 shows the variation of ϕ when the system parameters are set to kp-c = 4.66, ki-c = 3700, kp-PLL = 3, ki-PLL = 100, and the value of m is changed. As shown in Figure 12, if m is too small, ϕ is less than 0° which means the system is unstable. With the increases of m, ϕ increases as well. However, with the increase of m, the increase rate of ϕ becomes very slow.
Figure 12.
Damping coefficient m versus ϕ change curve.
While improving the system stability, the introduction of active damping can affect the dynamic response of VSC. Therefore, to further determine the feasible value range of m, it is necessary to analyze the dynamic response of VSC when the value of m varies. From Figure 3, the expression for the VSC output current can be written as the excitation response under grid voltage and current commands:
where Yg is the excitation response of the output current to the grid voltage disturbance. Hg represents the ability of the output current to track the current reference.
The expression Hg is given as follows, which can be deduced by Figure 3.
where YL is the conductance of the filter inductor Lf.
As shown in Figure 13, the dynamic response characteristics of the output current are evaluated by analyzing the magnitude–frequency characteristic of Hg, the cut-off frequency of Hg can be used to evaluate the dynamic response of the system [32]. The frequency corresponding to an amplitude of −3 dB is defined as the cut-off frequency; the lower cut-off frequency represents a lower dynamic response for a grid-connected VSC. As m increases, the cutoff frequency of Hg decreases and the phase margin remains essentially the same. It means that the dynamic response of the system will be weakened with the increase of m.
Figure 13.
Evaluation of system control performance after introduction of active damping.
Based on the above analysis, a larger m is beneficial to stability. However, if m is larger, the dynamic response speed of the system will decrease, and the stability margin of the fundamental frequency control will also decrease. Therefore, combined with the influence of m on the dynamic performance and the stability of VSC, it is more appropriate to choose m between 0.6 and 1.5 as shown in Figure 14. In this article, m is chosen as one as an example in the following verification.
Figure 14.
Range of values for the coefficient m.
3.2. Optimized Design of PLL Parameters
PLL is responsible for the synchronization between VSC and the power grid, it is responsible for ensuring that PLL can strictly synchronize the grid and VSC to avoid oscillation. Therefore, inappropriate parameters of PLL can cause oscillation problems. The existing research has indicated that parameter optimization can improve the anti-interference ability of PLL so that the influence on the interaction between VSC and grid caused by the PLL can be weakened, and the instability risk caused by PLL can be decreased. With this thought, this section further optimizes the parameters of PLL based on the quantitative stability analysis. According to Equation (7), the PLL perturbation transfer function can be equivalently transformed as,
where ωn2 = vmki-PLL, 2ξωn = vmkp-PLL. ξ is the damping ratio, ωn is the natural angular frequency, and vm is the voltage amplitude at the PCC.
From Figure 1 and Equation (7), an equivalent block diagram of PLL can be obtained as shown in Figure 15 in which KP = 2ξωn = vmkp-PLL and KI = ωn2 = vmki-PLL.
Figure 15.
PLL linearization model.
Combining the expressions of KP and KI, may as well suppose that,
where g is a coefficient.
From Figure 15, the open-loop transfer function of PLL is,
Since the output of VSC contains 5th, 7th, 11th, and 13th harmonics, i.e., the voltage at PCC contains 5th, 7th, 11th, and 13th high harmonics. After Park transformation, the input voltage of the PLL contains mainly 6k (k = 1,2...) harmonic disturbances. Therefore, the main consideration is the anti-interference ability of the 6th harmonics, the open-loop transfer function of PLL should satisfy Equation (22), where ωd = 600 π rad/s.
Based on Equations (19)–(21), the stability margin of the open-loop transfer function in the PLL system βpm-PLL can be written as Equation (23),
where ωc is the cut-off frequency of PLL system.
According to Equation (23), the relationship betweenβpm-PLL and g is shown in Figure 16, the curve shows that βpm-PLL decreases with the increase of g. Once the range of βpm-PLL is determined, the corresponding range of g can be found through the curve in Figure 16. Considering the stability of PLL phase tracking and the dynamic response of phase tracking [33], βpm-PLL is selected as 35°–60°. The range of g can be obtained from Equation (23) and Figure 16 as [0.668, 2.489].
Figure 16.
Relationship curve between ϕpm-PLL and g.
When the value of R is [−40 dB, −20 dB], PLL has a better ability of anti-disturbance. The selection range of KP and g can be obtained by combining Equation (22) and Figure 16 as shown in Figure 17. In combination with the stability evaluation method proposed in this article, contours of ϕ are added to Figure 17 as shown in Figure 18. The system has better stability performance by selecting parameters with large ϕ in the dashed range of Figure 18.
Figure 17.
Parameter range of PLL.
Figure 18.
Using stability evaluation methods to guide the selection of PLL parameters.
Figure 19 shows ϕ of the VSC with different PLL parameters. From Figure 19, it can conclude that the system stability is more sensitive to kp-PLL than ki-PLL, with a smaller degree of change in kp-PLL potentially having a larger influence on the system stability, while the impact of a change in ki-PLL is smaller.
Figure 19.
Relationship between PLL parameters and ϕ.
Based on the analysis from Figure 19, the selection of the over-large kp-PLL is negative to the system stability, while ki-PLL has less influence on the system’s stability. A smaller kp-PLL is needed to ensure system stability. It can be seen from Equation (19) that ki-PLL is positively correlated with ωn, and ωn will affect the response speed of the system [33], so a larger ki-PLL is needed to ensure the dynamic characteristics of the system needs.
Therefore, it can be concluded that to enlarge the value of ϕ, kp-PLL should be a small value and ki-PLL should be a large value in the feasible range of Figure 18. Thus, the PLL parameters in this article are selected as KP = 50, g = 2 and KI = 5000.
For the VSC with the parameters in Table 1, Figure 20 shows the Nyquist curves of the system before and after using the selected PLL parameters. Nyquist curves in Figure 20a encloses (−1, j0), which means the system is unstable. After updating the parameters of PLL, Nyquist curves do not enclose (−1, j0), and the system restores to a stable state.
Figure 20.
Nyquist curve before and after using the selected PLL parameters.
4. Simulation Verification and Analysis
In order to verify the effectiveness of the proposed quantitative stability evaluation method for guiding the optimization of active damping coefficients and PLL parameters, the main circuit shown in Figure 1 was built in MATLAB/Simulink for simulation. The main parameters of the grid-connected VSC corresponds to Table 1.
4.1. Optimization for the Current Control Loop
In this section, the control parameters of VSC correspond to the case of λ2−4(s), where the grid-connected VSC is unstable. Figure 21 shows the VSC output current when m = 0, 0.1 and 1, respectively. Table 2 gives the THD and oscillations of grid-connected currents at different m. When m = 0, which means the active damping is disabled, the VSC output current is severely distorted due to oscillation. The oscillation frequencies are 175 Hz and 75 Hz, and the THD of the VSC output current is 91.3%. After enabling the active damping, when m = 0.1, the system is still oscillating. If m is too small, the oscillation cannot be suppressed which corresponds to the conclusion of Figure 14. When m = 1, VSC can operate stably, and the THD is reduced to 0.18%.
Figure 21.
VSC output current when m = 0, 0.1 and 1.
Table 2.
Comparison of grid-connected currents under different m.
Figure 22 shows the dynamic response characteristics of VSC in the process of current regulation when m takes different values. At 1s, the d-axis current reference is adjusted from 4A to 8A. When m = 0, the transient response time is 0.05 s. When m = 0.1, the transient response time is 0.08 s. In addition, when m = 1, the transient response time increases to 0.08 s. Therefore, a larger m is beneficial to the stability, but the dynamic response speed of the system will decrease with the increase of m.
Figure 22.
Current regulation command from 4A to 8A, when m = 0, 0.1 and 1.
It can be concluded that without modifying the control parameters, the proposed stability evaluation method can contribute to selecting the damping coefficient for the active damping to effectively suppress the oscillation of the system, thereby expanding the range of control parameter selection.
4.2. Parameter Optimization of PLL
Figure 23 shows the VSC output current waveforms before and after using the optimized PLL parameters selected in Section 3.2. As can be seen from Figure 23, before using the selected PLL parameters, the VSC output current oscillates severely. The oscillation frequencies are 175 Hz and 75 Hz. Using the selected PLL parameters at 4.055 s, the oscillation is significantly suppressed. Furthermore, the THD of the VSC output current is reduced from 90.09% to 0.65%.
Figure 23.
Changes before and after using selected PLL parameters.
Figure 24 shows the dq-axis current waveforms before and after using the optimized PLL parameters. The frequency of the oscillation waveform is 125 Hz which corresponds to the frequency of the oscillation in Figure 23. It shows that the oscillations are effectively suppressed.
Figure 24.
Dq-axis currents before and after using optimized PLL parameters.
It can be concluded that improving the anti-disturbance ability of PLL can improve system stability, and the stability evaluation method proposed in this article can effectively guide the design of PLL parameters.
The stability evaluation method proposed in this article assists in the design of the parameters of the current control loop and PLL to suppress the oscillations caused by the current control loop or the PLL. It should be pointed out that the parameter optimization of the current loop and PLL are compatible, and they can be used either simultaneously or separately for oscillation suppression. If both the current loop and PLL cause instability of VSC, then both methods are used at the same time.
5. Conclusions
The interactions between the weak grid and VSCs can cause oscillations which severely threaten the stable operation of power grids. However, the existing studies on stability analysis cannot quantitatively describe the system stability, so the parameter optimization of VSCs lacks quantitative guidance to prevent oscillation. To solve this issue, this article proposes a quantitative method for evaluating the system stability, then the current control and PLL of VSC are optimized based on the quantitative method. Specifically, the conclusions and contributions can be summarized as follows:
(1) By introducing the stability evaluation angle between the Nyquist curve of the weak grid-connected VSC and the negative real axis, a quantitative method for assessing the system stability is proposed which can define the stability bounds for the control parameters. Larger values of the defined angle imply a higher level of system stability.
(2) The stability of VSC can be influenced by the current control loop, a decrease in the proportional coefficient will cause oscillations. An active damping method is used in the current loop, it can suppress oscillations without changing the original parameters so that the VSC stability boundary is extended. The optimization of the damping coefficient is given by using the proposed quantitative stability evaluation method.
(3) By improving the anti-disturbance ability of PLL, the stability of the VSC system can be improved and oscillations can be suppressed. In combination with the anti-disturbance ability improvement, the proposed quantitative stability evaluation method can further optimize the parameters of PLL to improve system stability.
The quantitative stability evaluation method proposed in this article has been analyzed in a single VSC grid-connected system. It provides a basis for further analysis and application in multiple VSC systems.
Author Contributions
Conceptualization, X.J., X.H., and P.J.; methodology, X.J.; software, H.S.; validation, X.J.; formal analysis, L.L.; investigation, P.P. and G.C.; resources, X.H., Q.S. and P.J.; data curation, X.J., X.H., and H.S.; writing—original draft preparation, X.J.; writing—review and editing, X.J., X.H. and H.S.; visualization, L.L.; supervision, P.P.; project administration, G.C.; funding acquisition, X.H. and H.S. All authors have read and agreed to the published version of the manuscript.
Funding
This study is supported by the science and technology project of State Grid Sichuan Electric Power Company of China (NO: B1199721009M, Mechanism Analysis and Suppression of Wide-band Oscillation for High Proportion of Power Electronic Equipment Connected to Weak Power Grid). Meanwhile, the authors are grateful to the financial support from the China Postdoctoral Science Foundation under grant 2021M693815.
Institutional Review Board Statement
Not applicable.
Informed Consent Statement
Not applicable.
Data Availability Statement
Not applicable.
Conflicts of Interest
The authors declare no conflict of interest.
Nomenclature
| VSC | voltage source converter |
| PLL | phase-locked loop |
| DC | Direct Current |
| Vdc | front-end DC voltage of VSC |
| vox (x = a,b,c) | VSC output voltage |
| iox (x = a,b,c) | VSC output current |
| PCC | point of common coupling |
| upcc | PCC voltage |
| Ugx (x = a,b,c) | grid voltage |
| Lf | filter inductance |
| Lg | equivalent grid impedance |
| iod | VSC output current d-axis component |
| ioq | VSC output current q-axis component |
| idref | grid-connected current d-axis reference value |
| iqref | grid-connected current q-axis reference value |
| kp-c | proportional coefficient of current control loop |
| ki-c | integral coefficient of current control loop |
| vmd | d-axis modulation signal |
| vmq | q-axis modulation signal |
| θpll | output angle of PLL |
| kp-PLL | proportional coefficient of PLL |
| ki-PLL | integral coefficient of PLL |
| upccd | d-axis voltage component of upcc |
| upccq | q-axis voltage component of upcc |
| ω1 | fundamental wave angular frequency |
| KPWM | equivalent gain of the VSC |
| Utri | carrier amplitude |
| ZVSC | output impedance matrix of VSC |
| Zg | impedance matrix of grid |
| ϕ | quantitative stability evaluation metrics |
| m | coefficient of active damping |
| ξ | damping ratio |
| ωn | natural angular frequency |
| vm | steady-state voltage amplitude at PCC |
| KP | stability and controllability of PLL |
| KI | response performance of PLL |
| g | relationship between KI and KP |
| βpm-PLL | stability margin of the open-loop transfer function of PLL |
| ωc | cut-off frequency of PLL system |
References
- Wang, X.; Qin, K.; Ruan, X.; Pan, D.; He, Y.; Liu, F. A robust grid-voltage feedforward scheme to improve adaptability of grid-connected inverter to weak grid condition. IEEE Trans. Power. Electron. 2021, 36, 2384–2395. [Google Scholar] [CrossRef]
- Wen, B.; Dong, D.; Boroyevich, D.; Burgos, R.; Mattavelli, P.; Shen, Z. Impedance-Based Analysis of Grid-Synchronization Stability for Three-Phase Paralleled Converters. IEEE Trans. Power Electron. 2016, 31, 26–38. [Google Scholar] [CrossRef]
- Wang, X.; Blaabjerg, F. Harmonic stability in power electronic-based power systems: Concept, modeling, and analysis. IEEE Trans Smart Grid 2019, 10, 2858–2870. [Google Scholar] [CrossRef]
- Chen, X.; Zhang, Y.; Wang, S.; Chen, J.; Gong, C. Impedance-Phased Dynamic Control Method for Grid-Connected Inverters in a Weak Grid. IEEE Trans. Power Electron. 2017, 32, 274–283. [Google Scholar] [CrossRef]
- Harnefors, L.; Wang, X.; Yepes, A.G.; Blaabjerg, F. Passivitybased stability assessment of grid-connected VSCs—An overview. IEEE J. Emerg. Sel. Topics Power Electron. 2016, 4, 116–125. [Google Scholar] [CrossRef]
- Zhang, X.; Xia, D.; Fu, Z.; Wang, G.; Xu, D. An Improved Feedforward Control Method Considering PLL Dynamics to Improve Weak Grid Stability of Grid-Connected Inverters. IEEE Trans. Ind Appl. 2018, 54, 5143–5151. [Google Scholar] [CrossRef]
- Zhao, M.; Yuan, X.; Hu, J.; Yan, Y. Voltage dynamics of current control time-scale in a VSC-connected weak grid. IEEE Trans. Power Syst. 2016, 31, 2925–2937. [Google Scholar] [CrossRef]
- Parniani, M.; Iravani, M. Computer analysis of small-signal stability of power systems including network dynamics. IEE Proc. Gener. Transm. Distrib. 1995, 142, 613–617. [Google Scholar] [CrossRef]
- Lu, M.; Wang, X.; Blaabjerg, F.; Muyeen, S.M.; Al-Durra, A.; Leng, S. Grid-voltage-feedforward active damping for grid-connected inverter with LCL filter. In Proceedings of the 2016 IEEE Applied Power Electronics Conference and Exposition (APEC), Long Beach, CA, USA, 20–24 March 2016; pp. 1941–1946. [Google Scholar] [CrossRef]
- Sun, J. Impedance-Based Stability Criterion for Grid-Connected Inverters. IEEE Trans. Power Electron. 2011, 26, 3075–3078. [Google Scholar] [CrossRef]
- Bakhshizadeh, M.K.; Wang, X.; Blaabjerg, F.; Hjerrild, J.; Kocewiak, Ł.; Bak, C.L.; Hesselbæk, B. Couplings in Phase Domain Impedance Modeling of Grid-Connected Converters. IEEE Trans. Power Electron. 2016, 31, 6792–6796. [Google Scholar] [CrossRef]
- Burgos, R.; Boroyevich, D.; Wang, F.; Karimi, K.; Francis, G. Ac stability of high power factor multi-pulse rectifiers. In Proceedings of the 2011 IEEE Energy Conversion Congress and Exposition, Phoenix, AZ, USA, 17–22 September 2011; pp. 3758–3765. [Google Scholar] [CrossRef]
- Wen, B.; Boroyevich, D.; Burgos, R.; Mattavelli, P.; Shen, Z. Small-Signal Stability Analysis of Three-Phase AC Systems in the Presence of Constant Power Loads Based on Measured d-q Frame Impedances. IEEE Trans. Power Electron. 2015, 30, 5952–5963. [Google Scholar] [CrossRef]
- Vieto, I.; Sun, J. Sequence Impedance Modeling and Converter-Grid Resonance Analysis Considering DC Bus Dynamics and Mirrored Harmonics. In Proceedings of the 2018 IEEE 19th Workshop on Control and Modeling for Power Electronics (COMPEL), Padua, Italy, 25–28 June 2018; pp. 1–8. [Google Scholar] [CrossRef]
- Rygg, A.; Molinas, M.; Zhang, C.; Cai, X. A Modified Sequence-Domain Impedance Definition and Its Equivalence to the dq-Domain Impedance Definition for the Stability Analysis of AC Power Electronic Systems. IEEE J. Emerg. Sel. Topics. Power Electron. 2016, 4, 1383–1396. [Google Scholar] [CrossRef]
- Tang, Y.; Loh, P.C.; Wang, P.; Choo, F.H.; Gao, F.; Blaabjerg, F. Generalized Design of High Performance Shunt Active Power Filter With Output LCL Filter. IEEE Trans. Ind. Electron. 2012, 59, 1443–1452. [Google Scholar] [CrossRef]
- Wang, X.; Harnefors, L.; Blaabjerg, F. Unified Impedance Model of Grid-Connected Voltage-Source Converters. IEEE Trans. Power Electron. 2018, 33, 1775–1787. [Google Scholar] [CrossRef]
- Li, C.; Wang, S.; Colas, F.; Liang, J. Dominant Instability Mechanism of VSI Connecting to a Very Weak Grid. IEEE Trans. Power Systems 2022, 37, 828–831. [Google Scholar] [CrossRef]
- Wu, G.; Sun, H.; Zhang, X.; Egea-Àlvarez, A.; Zhao, B.; Xu, S.; Wang, S.; Zhou, X. Parameter Design Oriented Analysis of the Current Control Stability of the Weak-Grid-Tied VSC. IEEE Trans. Power Deliv. 2021, 36, 1458–1470. [Google Scholar] [CrossRef]
- Wen, B.; Boroyevich, D.; Burgos, R.; Mattavelli, P.; Shen, Z. Analysis of D-Q Small-Signal Impedance of Grid-Tied Inverters. IEEE Trans. Power Electron. 2016, 31, 675–687. [Google Scholar] [CrossRef]
- Zou, Z.X.; Liserre, M. Modeling Phase-Locked Loop-Based Synchronization in Grid-Interfaced Converters. IEEE Trans. Energy Convers. 2020, 35, 394–404. [Google Scholar] [CrossRef]
- Reznik, A.; Simões, M.G.; Al-Durra, A.; Muyeen, S.M. LCL Filter Design and Performance Analysis for Grid-Interconnected Systems. IEEE Trans. Ind. Appl. 2014, 50, 1225–1232. [Google Scholar] [CrossRef]
- Zhou, S.; Zou, X.; Zhu, D.; Tong, L.; Zhao, Y.; Kang, Y.; Yuan, X. An Improved Design of Current Controller for LCL-Type Grid-Connected Converter to Reduce Negative Effect of PLL in Weak Grid. IEEE J. Emerg. Sel. Top. Power Electron. 2018, 6, 648–663. [Google Scholar] [CrossRef]
- Wehmuth, G.R.; Busarello, T.D.C.; Péres, A. Step-by-Step Design Procedure for LCL-Type Single-Phase Grid Connected Inverter Using Digital Proportional-Resonant Controller With Capacitor-Current Feedback. In Proceedings of the 2021 IEEE Green Technologies Conference (GreenTech), Denver, CO, USA, 7–9 April 2021; pp. 448–454. [Google Scholar] [CrossRef]
- Ling, Z.; Xu, J.; Wu, Y.; Hu, Y.; Xie, S. Adaptive Tuning of Phase-Locked Loop Parameters for Grid-Connected Inverters in Weak Grid Cases. In Proceedings of the 2021 IEEE 16th Conference on Industrial Electronics and Applications (ICIEA), Chengdu, China, 1–4 August 2021; pp. 821–826. [Google Scholar] [CrossRef]
- Liao, K.; Pang, B.; Yang, J.; He, Z. Compensation Strategy of Wideband Voltage Harmonics for Doubly-Fed Induction Generator. IEEE Trans. Energy Convers. 2023, 38, 674–684. [Google Scholar] [CrossRef]
- Bohner, M.; Tunç, O.; Tunç, C. Qualitative analysis of Caputo fractional integro-differential equations with constant delays. Comput. Appl. Math. 2021, 40, 214. [Google Scholar] [CrossRef]
- Tunç, C.; Tunç, O. On the stability, integrability and boundedness analyses of systems of integro-differential equations with time-delay retardation. Rev. R. Acad. Cienc. Exactas Fís. Nat. Ser. A Mat. RACSAM 2021, 115, 115. [Google Scholar] [CrossRef]
- Gao, Y. Analysis and Improvement of Control Performance of LCL Three-Phase Grid-Connected Converter. Master’s Thesis, Beijing Jiaotong University, Beijing, China, 2020. [Google Scholar]
- Sang, S.; Gao, N.; Cai, X.; Li, R. A Novel Power-Voltage Control Strategy for the Grid-Tied Inverter to Raise the Rated Power Injection Level in a Weak Grid. IEEE J. Emerg. Sel. Top. Power Electron. 2018, 6, 219–232. [Google Scholar] [CrossRef]
- Wang, X.; Li, Y.W.; Blaabjerg, F.; Loh, P.C. Virtual-Impedance-Based Control for Voltage-Source and Current-Source Con-verters. IEEE Trans. Power Electron. 2015, 30, 7019–7037. [Google Scholar] [CrossRef]
- Peng, C. Investigation on Enhanced Operation of DFIG Wind Power System Using Direct-resonant Approach Without Phase-locked Loop. Ph.D. Dissertation, Zhejiang University, Hangzhou, China, 2016. [Google Scholar]
- Yan, W.; Qin, S.; Lin, F. Control Theory CAI Tutorial; Science Press: Beijing, China, 2011; pp. 71–72, 137–138. [Google Scholar]
Disclaimer/Publisher’s Note: The statements, opinions and data contained in all publications are solely those of the individual author(s) and contributor(s) and not of MDPI and/or the editor(s). MDPI and/or the editor(s) disclaim responsibility for any injury to people or property resulting from any ideas, methods, instructions or products referred to in the content. |
© 2023 by the authors. Licensee MDPI, Basel, Switzerland. This article is an open access article distributed under the terms and conditions of the Creative Commons Attribution (CC BY) license (https://creativecommons.org/licenses/by/4.0/).























