Next Article in Journal
Dynamic Characteristic Master Curve and Parameters of Different Asphalt Mixtures
Previous Article in Journal
Research on Passenger Flow Assignment of Integrated Cross-Line and Skip-Stop Operation between State Railway and Suburban Railway
 
 
Font Type:
Arial Georgia Verdana
Font Size:
Aa Aa Aa
Line Spacing:
Column Width:
Background:
Article

Seismic Behavior of a Steel Beam-to-Concrete-Filled Steel Tubular Column Connection Using External Diaphragms

by
Cristhian Ramirez Ortiz
1,
Gilberto Areiza Palma
1,
Albio D. Gutierrez Amador
2,*,
Jose L. Ramirez Duque
3,
Ruth E. Cano Buitron
2 and
Luis F. Gonzales Escobar
2
1
School of Civil Engineering and Geomatics Engineering, Universidad del Valle, Cali 760032, Colombia
2
Research Group in Fatigue and Surfaces, Universidad del Valle, Cali 760032, Colombia
3
Civil and Industrial Engineering Department, Pontificia Universidad Javeriana Cali, Cali 760031, Colombia
*
Author to whom correspondence should be addressed.
Appl. Sci. 2022, 12(7), 3618; https://doi.org/10.3390/app12073618
Submission received: 6 November 2021 / Revised: 4 December 2021 / Accepted: 13 December 2021 / Published: 2 April 2022
(This article belongs to the Section Civil Engineering)

Abstract

:
This paper investigates the seismic behavior of a steel beam-to-concrete-filled steel tubular column connection with external diaphragms. In addition to the multiple advantages observed for manufacturing and assembly, this type of connection is expected to provide an adequate plasticizing mechanism based on its ductility, energy dissipation and moment resistance capacity. However, guidelines have not been provided for this type of connection within the AISC 358 standard, which makes experimental studies under cyclic loads necessary. This work presents such a study, which was carried out in accordance with the FEMA 350 standard for earthquake-resistant structures. The results for the failure modes, hysteretic performance, strength and stiffness degradation, rigidity classification and energy dissipation are provided and analyzed. The results indicate that this connection exhibits large hysteretic loops and develops ductility and dissipation capacity, as expected. More importantly, the maximum rotation of the beam was 0.07 rad with a resistant moment above 80% of the beam capacity measured from the face of the column. Thus, the ductility design requirements for earthquake resistance are met according to the current regulations. Consequently, the proposed connection is suitable for use in special moment frame structures located in areas of high seismic threat.

1. Introduction

Although the concept of a steel special moment frame (SMF) is a relatively recent development in building codes, steel moment frames have been in use for more than one hundred years and date to the earliest use of structural steel in building construction [1].
Over time, the design and construction methods for these steel structures have experienced a constant update aimed at meeting the needs and challenges generated by new construction projects [2,3]. In this context, building codes, such as AISC 358-16 and AISC 341-16 [4,5], have adopted a design philosophy intended to provide safety by avoiding earthquake-induced collapse in severe events. This approach permits extensive structural and nonstructural damage through a systematized and endorsed design and construction of a considerable variety of frames that adapt to a large number of civil steel constructions [6].
At present, there is an increased demand for SMFs in civil construction due to their good dissipation response to seismic events and their versatility in architectural applications. These frames impose smaller forces on foundations when compared to other structural systems, making foundation systems more economical. Nonetheless, a design in compliance with seismic provisions must be guaranteed [7,8,9,10,11,12,13,14,15,16].
SMFs are composed of three basic elements: beams, columns and beam-column connections. Concrete-filled steel tubular (CFST) columns are widely used in architectural application proposals and in several industrial sectors due to their load carrying capacity under various loading conditions [17].
Connections with diaphragms are also usually used in SMFs to guarantee structural integrity [18,19]. In this context, regulations such as AISC 358 present several prequalified connections. However, if a connection is not prequalified, it requires project-specific testing and must pass the criteria specified in AISC 341 [5], which defines the recommended seismic design criteria for SMF buildings, including connections with external diaphragms. Nonetheless, although connections with external diaphragms are widely used, the current regulations impose strong limitations in their design guidelines. In addition, it is necessary to address some issues and explore the influence of various design parameters.
Experimental work has been conducted on different configurations of CFST column to steel beam connections to analyze their seismic behavior. For instance, Schneider, S. P. and Alostaz, Y. M. [12] conducted tests for six different types of circular CFST welded connections utilizing the quasi-static test method. The connections were fabricated by utilizing different elements such as diaphragms, plates, embedded weldable deformed bars, continuous flanges, and continuous through steel tubes. In this work, the connections were tested to failure. The results indicated that welding the connection-stub directly to the skin of the steel tube resulted in a large deformation demand on the tube wall. In addition, they found that large tube wall distortions made the beam flange, the flange weld, and the tube wall highly susceptible to fracture. Therefore, none of these connections qualified to be utilized in systems with special energy dissipation capacity.
Cheng, C.T. and Chung, L. [10] performed testing under cyclic loading on five circular CFST welded connections. They tested four types of joints characterized by the arrangement of weld from beam flange to the external diaphragm and by the tube walls of columns. The results showed that all the connections failed due to welding fracture during nonlinear behavior. According to the authors, the residual stress in the tube wall for this connection built up as a result of the welding of the diaphragm, causing a remarkable reduction in the deformation capacity of the column.
Shin et al. [14] performed testing under cyclic loads on concrete filled tubular (CFT) column to H-beam welded moment connections with external T-stiffeners. They analyzed the strength ratio of the horizontal stiffener to the beam flange and the strength ratio of the vertical stiffener to the beam flange. Three types of failure modes were obtained: horizontal stiffeners failure, vertical stiffener failure, and beam failure. Their results showed that the connections reinforced with T-stiffeners having 130% of strength to beam flanges presented stable hysteretic behavior and good ductility.
Wu et al. [20] conducted a series of cycling load tests for a proposed new design of bolted beam-to-column connections for CFT. In their design, the beam-to-column connection was of bolted type. Their results showed that bolted connections had superior seismic resistance in stiffness, strength, ductility, and energy dissipation mechanisms. They also showed that although the story angular drift reached 7%, the structure still stood with all the connections presenting plastic angular displacements of more than 5%, thus, meeting the specifications for seismic resistance.
Li et al. [21] proposed and analyzed the seismic behavior of a connection for circular CFST column-to-steel beam composite structures. The connection was characterized by an extended endplate welded to a steel beam and bolted to a CFT column using high-strength steel rods. The experimental results indicated that the presence of floor slabs contributed to the strength of joints significantly and reduced beam sections were effective in moving the buckling zone away from the welds. More importantly, the connection exhibited good ductility and energy-dissipation capability, meeting the requirements recommended by AISC.
Sheet et al. [13] tested four different connections with steel beams and CFT columns, under cyclic displacement-controlled load. Square and circular steel tubular columns were considered with two different types of connections: (i) shop welded, flat and curved extended endplates bolted to the CFT column with steel rods passing through the column, and (ii) a through beam connection type, where the beam passes through the joint and is connected with an additional bolted bracket without using any welding between the beam and the column. The experiments demonstrated that all the subassemblies performed in a ductile manner to large displacements with no apparent signs of local distress in the tube wall.
Tao et al. [17] investigated the cyclic behavior of composite joints consisting of (CFST) columns, steel beams, and through-bolt connections. A total of ten specimens, including five specimens with square CFST columns and five specimens with circular CFST columns, were tested under lateral cyclic loading with horizontal displacements imposed at the top of the column. The hysteretic curves of the connections indicated very good energy absorption capacity, showing the potential to be used in earthquake-prone regions.
Mou, B. and Bai, Y. [22] conducted research on the seismic behavior of novel steel-concrete composite beam-to-column connections reinforced by outer-annular-stiffener. This type of connection consisted of beams with varying depths in opposite sides, and a CFST column. Four cruciform connection specimens with varying beam depth ratios were tested under monotonic and cyclic loading protocols to investigate shear capacity, hysteretic behavior, deformation capacity and failure modes within the irregular joint panel zone. All the tested specimens demonstrated good plastic deformation and energy dissipation capacity.
Xu et al. [23] evaluated the seismic performance of a damaged tolerant steel frame. In this steel frame, a composite ultra-high-performance concrete (UHPC) joint and friction damper were applied at the beam-to-column connection. The results showed that the UHPC joint provided excellent crack resistance and deformation capacity, while the friction damper resisted the moment in normal service and dissipated energy under earthquake conditions.
Hu et al. [24] conducted experimental tests to evaluate the seismic performance of concrete-filled double-skin steel tube (CFDST)-steel beam frames with different construction details. The authors concluded that the CFDST structures exhibit better seismic performance, fire and corrosion resistances by comparing with the CFST structures. However, the application of the CFDST structures is much less common than the CFST structures due to the traditional construction processes of the CFDST structures, which are complicated and tedious.
Wang et al. [25] conducted experiments to investigate the ultimate strength, deformation capacity and failure modes of a new irregular connection with reinforced concrete (RC) wing-walls. The hysteresis behavior of the connection was tested subjected to cyclic load with constant axial force. It was concluded that reinforced concrete wing-walls enabled the enhanced ductility and safety margin of the hybrid beam-to-column connections.
Wu et al. [26] studied the seismic performance of a steel-reinforced concrete column-steel beam composite joint (MPCJ). They analyzed three different beam-column connection types: bolted, welded, and bolted-welded. The connections were subjected to low-cycle reversed loading to investigate the elastic and elastoplastic development trends, failure characteristics, and seismic response. The results showed bending failure at the end of the beam that follows the buckling of the flange connecting plate. This, while exhibiting stable hysteretic curves, also had reasonable strength and stiffness degradation, as well as good ductility and energy dissipation performance.
Rong et al. [27] investigated the seismic performance of a steel frame with an external diaphragm joint between a CFST column and H-shaped steel beam. A quasistatic test was conducted to analyze the joint stiffness, beam-to-column stiffness ratio and concrete strength. Failure mode, lateral load versus displacement hysteretic curve, skeleton curve, strength and stiffness degradation effects, ductility, and energy dissipation capacity were analyzed. The experimental results showed hysteretic curves with a plump shuttle shape. In addition, the strength degradation effect and stiffness degradation effect were relatively feeble, and the ductility and energy dissipation capacity was excellent.
Mou et al. [28] conducted experimental investigation on the seismic behavior of a novel connection between a beam and a reinforced concrete-filled steel tube (RCFST) column. The connection was tested under cyclic loading to evaluate the failure modes, hysteretic performance, stiffness degradation, strength degradation, energy dissipation capacity and the strain responses. The hysteretic curves showed obvious pinch phenomena because of the slip around the transfer sleeve which was identified as the key factor to affect the strength of the connection.
Li et al. [29] studied a novel U-shaped diaphragm connection designed to transfer the moment at beam ends in the frame with special-shaped CFST columns and steel beams. The connection was tested under low-cycle horizontal loading. Based on the experimental results, the strength, ductility, and strain distribution of the connections were calculated. The results showed that this connection can develop plastic bending capacity in the beam, satisfying the design code requirements of America, Great Britain, and China.
The aforementioned research highlights the need to explore different types of connections in order to meet earthquake-resistant criteria while improving manufacturing processes; in this way, expanding the catalog of connections to be used depending on the different construction and architectural design requirements.
Despite all the work done so far, the steel beam-to-concrete-filled steel tubular column connection using external diaphragms represents a significant contribution to the state of the art since this connection has not been previously studied, despite its simplicity in the design and multiple constructive advantages. Thus, research aimed at a better understanding of the behavior of this type of connection is required. In this context, this article presents the experimental results of a steel beam-to-concrete-filled steel tubular column connection with external diaphragms and an analysis of its inelastic behavior due to cyclic loads according to the respective normative.

2. Materials and Methods

2.1. Research Framework

Despite of the multiple advantages observed for manufacturing and assembly, the steel beam-to-CFST column connection using external diaphragms is not covered within the AISC 358-16 standard [4], which makes experimental studies under cyclic loads necessary. The hypothesis of this work is that following the design principles of AISC 341, AISC 358, and AISC 360, it is possible to obtain a connection suitable to be used in SMFs located in areas of high seismic threat. The methodology to verify this hypothesis includes design principles, testing and the verification of conditions to be approved for seismic resistance. The testing procedure is performed in accordance with FEMA 350 [3]. Figure 1 illustrates the methodology framework followed in this work.

2.2. Design Procedure and Geometry of the Connection

To guarantee ductility in SMFs, design by capacity must be considered, which requires preparing the column and the elements that are part of the connection to resist the maximum forces that the steel beam can develop when entering the inelastic range. In addition, the damage must be concentrated at a specific location called the plastic hinge [4].
Analytical and experimental considerations indicate that an excellent structural response can be achieved if the formation of a strong column-weak beam mechanism is induced through the design. In this mechanism, plastic hinges at the ends of the beams avoid excessive local ductility while the columns remain in the elastic range with the exception of the base of the columns. Additionally, the columns are subjected to variable axial loads due to seismic effects, which affects their resistance and ductility. In addition, the failure of a column can cause partial or total collapse of the building. These are the main reasons why the columns of the SMF are protected, which is based on the condition that they remain in the elastic range. To achieve this objective, it is of fundamental importance to apply the concepts of capacity design. In this way, a ductile response will be obtained in which the plasticization of the beams occurs progressively, and the system is capable of developing an adequate response [1,4,30,31]. In addition, the column and beam selection for the frame must comply with the seismic requirements of AISC 341-16, section E3 [5], which provides the specifications for SMF with special energy dissipation capacity.
The analyses performed in this work allowed us to show that a strong column-weak beam relationship is guaranteed and that the plasticization mechanism is verified according to AISC 358 [4]. In this work, the value of the moment ratio defined in AISC 341 which quantifies the column to beam strength ratio was equal to 1.26. This value was based on the actual materials strengths and was calculated by considering the actual expected maximum strength of the beam and the summation of the maximum probable moments. In addition, the design of bolts, external diaphragms, welding and connection to shear stresses were also guaranteed according to AISC 358, AISC 360 and AWS D1.1 [4,6,32].
To comply with the above, several conditions were met in the design stage. These conditions are described as follows:
(1) The transverse section of the beam and the column must comply with the width-thickness relationship required to be classified as seismically compact. Likewise, it must be ensured that the beam skids are located laterally to avoid loss of capacity due to torsional lateral buckling.
(2) The strong column-weak beam hierarchy must be fulfilled, which is greater than unity. In addition, the sum of the probable moments in the beams and columns must be calculated from the centerline of the column and must consider the shear force located at the plastic hinge.
(3) The diameter and number of bolts must be obtained by considering the state of shear and crushing stresses in the diaphragm and the beam. The maximum bolt diameter, d bmax , needed to control brittle failure in the beam flange, is determined by the following expression in millimeters [4]:
d bmax = b f 2   ( 1 R y F y R t F u ) 3
where b f is the dimension of the flange of the beam; R y is the overstress factor, which depends on the material of the beam; F y is the creep resistance; and R t is the ratio of the expected tensile strength to the specific minimum tensile strength F u .
The magnitude of the shear force V to which the group of bolts is subjected must also be considered. This force must include the factor C pr and the maximum probable moment of the beam at the face of the column M f , which is calculated as follows [4]:
M f = C pr R y Z x F y + V S h
where Z x is the plastic module of the beam section; V is the shear force at the plastic hinge; and S h is the location of the plastic hinge measured from the center of the column. The factor C pr , which is provided by AISC 358, considers the maximum probable resistance in the connection, including the effect of hardening by deformation of the material, and is calculated as follows [4]:
C pr = min ( F y + F u 2   F y ,   1.2 )
In addition to the previous requirements, the bolts must be pretensioned to at least 70% of F u .
(4) The geometry of the diaphragm must be defined as a function of the diameter of the column. More precisely, the external diameter of the diaphragm ϕ e must be equal to 1.5 times the diameter of the column d c and the tangent length l dg must be equal to 25% of the diameter of the column d c . These dimensions were evaluated by means of numerical modeling, considering even the influence of the angle θ on the flow of efforts and levels of plastic deformation in the diaphragm. As a result, a value of 30 degrees was established for θ.
(5) The thickness of the diaphragm t p must be obtained from the stress states of coarse area creep, net area fracture and shear block, considering the maximum capacity force, F pr . In turn, F pr is obtained by decomposing the maximum probable moment of the beam located on the face of the column between the web of the beam d b and including the thickness of the diaphragm:
F pr = M f d b + t p
The thickness of the diaphragm must coincide with a commercial plate thickness. Thus, the iteration must be started with a preliminary thickness and its compliance with the mentioned stress states must be verified. For the resistance of the diaphragm, a resistance reduction factor for ductile limit state, ϕ d = 1 , must be considered according to AISC 358 [4].
(6) Diaphragms must be connected to the column wall using full penetration welds. For this, it must be ensured that the edges are provided with 45-degree bevels. For this work, the AWS TC-U4b-GF type welding detail with preheating of parts according to AWS D1.1 was utilized [32].
(7) Joining the shear plate to the column can be done using full penetration welds or fillet welds. If fillet welds are implemented, they must be calculated to resist the probable maximum shear V p .
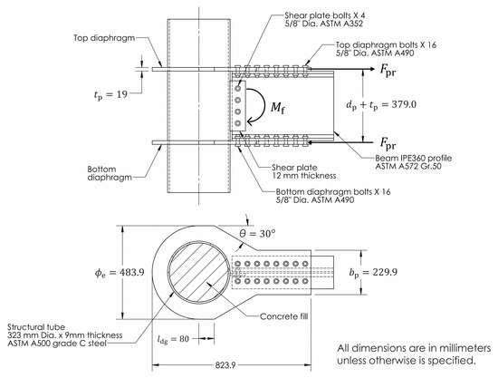
Figure 2 shows the components and main dimensions of the connection obtained from the design process described above. The action of the maximum capacity force F pr and the maximum probable moment M f are also illustrated. As shown in the figure, the column is made of ASTM A500 grade C steel and has a circular section with an outer diameter of 323.9 mm and a nominal wall thickness of 9 mm. The beam corresponds to an IPE360 rolled profile and is made of ASTM A572 grade 50 steel. The actual strengths of the steel were estimated according to the ASTM E8-11 standard [33]. For the column, the values of 410 MPa and 563 MPa were obtained for the yield and ultimate limit of the material respectively, whereas for the beam, the corresponding values were 386 MPa and 540 MPa. The column was filled with concrete of 21 MPa compressive strength. The diaphragm thickness was 19 mm, and the number of bolts per diaphragm was 16 with a bolt diameter of 5/8 inches (15.875 mm) and made of ASTM A490 steel. Table 1 shows all the relevant values of the connection.

2.3. Qualification Conditions

The SFM beam-column connection must satisfy the following conditions:
  • The connection must be able to withstand the plastic rotations corresponding to a total floor distortion level of 0.04 rad. This level of distortion is equivalent to a plastic rotation in the hinges of 0.03 rad, considering that the elastic distortion of the floor is 0.01 rad.
  • The bending capacity of the connection measured at the face of the column must be at least 0.8 M P , where M P is the plasticization moment of the beam calculated with the yield stress for the specified steel, with a floor distortion level of 0.04 rad.
  • The required shear strength of the connection must be determined from load combinations, including the amplified earthquake.
  • In special frame connections, critical demand welds must be considered along with the use of slots or full penetration welds.

2.4. Connection Assembly and Manufacturing Process

The manufacturing process of the full-scale prototype obeyed conventional processes for the manufacture of metal structures. The processes implemented were plasma cutting, inspection, polishing with hand tools, mechanized drilling, and welding with the semiautomatic MIG process. The following points are worth mentioning: the welds that join the diaphragm and the column were made with the full penetration MIG process, while the weld between the cutting plate and the column was a fillet weld; the diaphragm holes were made to a 1/16-inch (1.5875 mm) tolerance in diameter with the bolt; and the contact surfaces between the beam skids and the diaphragms were prepared to meet critical sliding contact and thus were not painted.
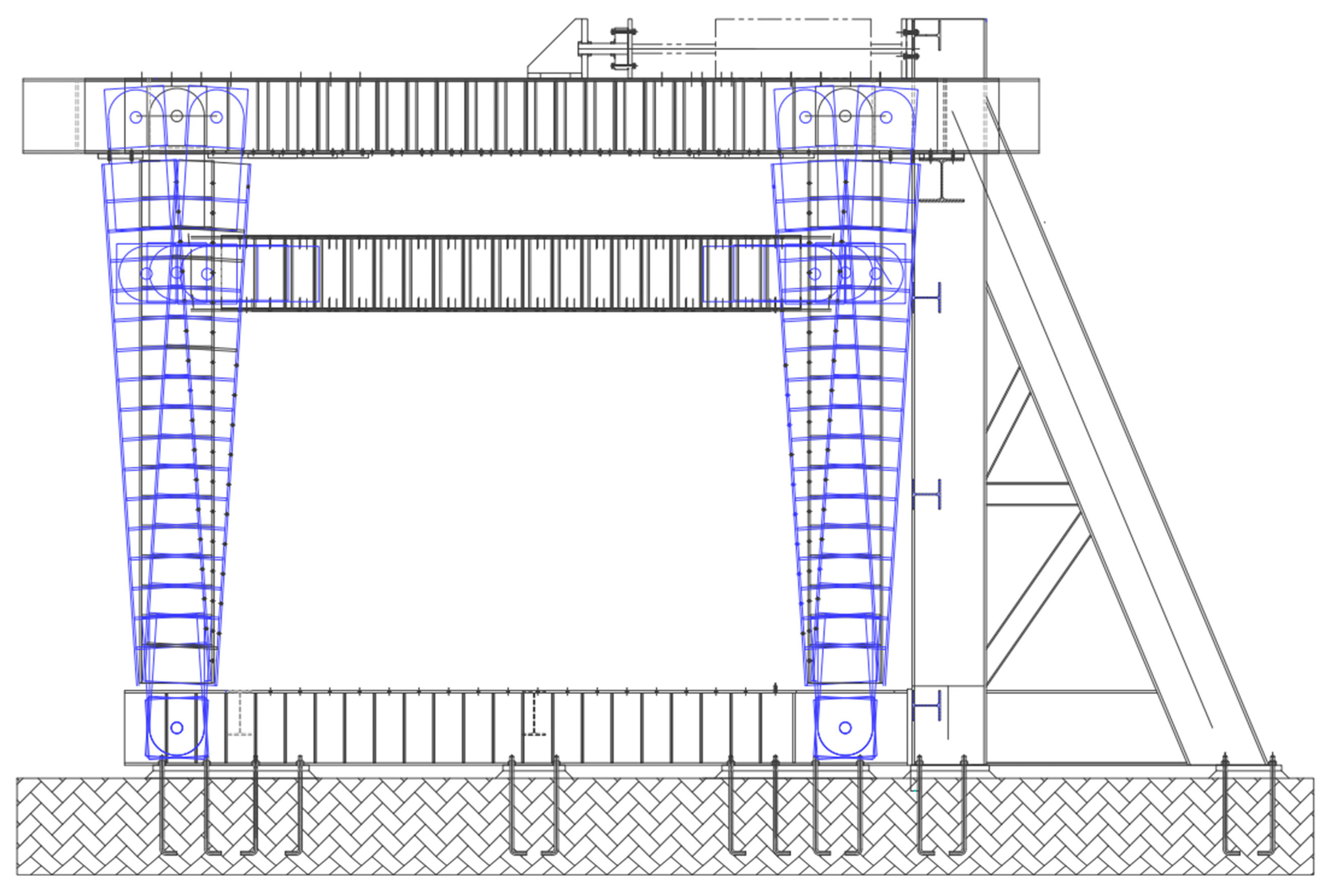
The test was carried out at the homologation framework lab (MaPH for its acronym in Spanish) located at the School of Civil Engineering of the University of Valle. Figure 3 shows the experimental setup, including the mounting details of the beam–column connection. As shown in Figure 3a, two supports were installed at each end of the column under the following constraint conditions: at end 1, translations in the plane and out of the plane were restricted; at end 2, vertical translation and translation outside the plane were also restricted; rotation in the plane was allowed for both ends. Figure 3b illustrates the beams that provide lateral support to the framework.
The test specimen components were transported to the MaPH and assembled on site. Manually pretensioned bolted joints were utilized, thus providing a pre-tensioning force of 107 kN. In addition, direct tension indicator washers were utilized for the 5/8 in A490 bolts.
The MaPH has two auxiliary beams that provide lateral support to the IPE360 beam of the connection, which is located at a fixed distance: H = 2550   mm . This distance is greater than the maximum permissible length of the lateral support that guarantees the possibility of developing ductility: L bmax = 1860   mm . Therefore, it was necessary to implement a geometry in the supports such that the distance H was less than or equal to L bmax . In this case, the length of the beam measured from the axis of the column was L = 3563   mm ; the length of the column was W = 3468   mm and L b = 1800   mm .
The test specimen was mounted on two supports that were installed at each end of the column. Support 1 is shown in Figure 4a, and it was restricted for translations in the plane and out of the plane. The support 2 is shown in Figure 4b. This support was restricted for vertical translation and out-of-plane translation. Rotation in the plane was allowed at both ends. The restriction of the translations was achieved by means of plates connected to the lower base of the MaPH, while rotation was allowed by means of a pin-type connection.
The test specimen was assembled in a T-shape, as shown in Figure 3. In this configuration, the column was positioned horizontally and the beam vertically because the displacement system driven by the hydraulic actuator was located on top of the frame. The actuator allowed a maximum level of cyclic displacement of 270 mm. The deformed position of the frame at its maximum displacement during a displacement cycle can be observed in Figure 5.

2.5. Displacement Protocol

Once the test specimen was assembled to the MaPH framework, the displacement protocol was programmed according to the procedure described in AISC 358 [4]. This protocol corresponds to linear cyclic displacements divided into eleven discrete steps, which are shown in Table 2.
Figure 6 shows the protocol applied for the test. The abscissa of the displacement protocol is presented in units of time in seconds, obtained as the quotient between the displacement ∆ and the loading application speed v. The displacement ∆ is equal to the angle of rotation multiplied by the length of the beam L . In this case v = 1.49 mm/s and depends on the duration of the test, which was estimated at 6732 s to avoid high temperature increases in the hydraulic system.
The test allowed us to obtain the hysteresis curves, the mechanism of plasticization and the form of failure if such failure occurs. The hysteresis curves were obtained from the data acquisition system by utilizing the force and displacement vectors to further obtain the rotation and bending moment for each test load step. The hysteresis curves allowed us to identify the flexural capacity of the connection for a rotation of 0.04 rad and to compare its resistance against the minimum allowed according to the acceptance criteria.
The mechanism and form of failure are obtained visually. For this, three cameras were utilized, and they were located at the front, side and rear side of the setup. In addition, the surface of the connection was covered with a layer of lime, and a grid was drawn on those surfaces where the plastic joint was expected to appear.

3. Results and Discussion

3.1. Hysteresis Curves

Figure 7 shows the moment-angle plot obtained by the test specimen. The hysteresis curves can also be observed in the figure. This plot allowed us to verify that the connection provides the necessary requirements to be qualified. To perform the verification, the limit that must be exceeded for its approval in special energy dissipation systems was drawn in the plot. Four horizontal lines are shown at the top and bottom of the graph. The description of these lines is as follows: the green line represents the minimum flexural capacity ±0.8 M P ; the dark red line represents the plastic moment ± M P ; the black line represents the maximum probable moment ± M Pb ; the line in red on the abscissa at ±0.04 rad is the limit required for approval of the specimen.
Since the general behavior of the specimen before reaching the displacement of 0.04 rad did not show degradation in its resistance in terms of the load applied to the actuator, the protocol was continued to the maximum value allowed by the frame, which was up to a rotation of 0.07 rad. This value was reached with 0.01 rad increments every two cycles.
The pinching effect can also be observed in the hysteresis curve of Figure 7. This effect is a very important characteristic within the evaluation of the power dissipation capacity of a connection. In general, such effect can occur by three main factors: concrete cracks, bolt slip and the sequence of the yield and strength hardening. According to Vallejo and Clement [16], concrete cracks once its tensile strength is overcome, and this effect added to the bolt slip and the sequence of the yield and strength hardening cause a decrease in stiffness that can be observed as the pinching effect in the hysteresis curve. The influence of the three factors causing pinching in the hysteresis curve of this work (Figure 7) is discussed next.
Regarding the effect of the concrete cracks on pinching, the confinement and support provided by the walls of the tubular column contribute to the avoidance of failures because, for this type of connection, the action of the compression forces causes the cracks to close gradually, which contributes to the recovery of the rigidity of the concrete core. Crack nucleation in the concrete core was verified to identify its contribution to the pinching effect. For this, the core of the column was removed, and it was verified that the concrete did not present any cracks. Thus, regarding the column, it was determined that the specimen did not present an incursion into the inelastic range.
Regarding the pinching due to the bolt slip and the sequence of the yield and strength hardening, it occurs when a load overcomes the frictional force exerted by the pretensioning of the bolts that holds said plates together. The smaller diameter of the bolt, the smaller the tension required by the standard, which leads to a lower total force required to overcome the friction component. Additionally, the curve shows slope changes that allow us to identify the displacement between plates due to the clearance between the nominal diameter of the bolt and the diameter of the diaphragm holes.
It is worth mentioning that the slippage effect does not prevent the connection from being utilized in SMFs with special energy dissipation capacities. The slippage effect is well known and has been documented for the qualification process of the bolted flange plate (BFP) moment connection covered by AISC 358-16 [4].
Regarding rotation, before a rotation angle of 0.04 rad, the flexural strength of the connection measured to the face of the column was 402.07 kNm. This value exceeds 1.40 times 80% of the plastic moment (0.8 M P = 285.37 kNm), which satisfies the requirement of the standards for the qualification of connections belonging to special moment resisting frames with special dissipation of energy. The maximum resistant moment of the connection was 472.39 kNm at a rotation of 0.06 rad during the second displacement cycle of step 10 and the envelope graph. Subsequently, degradation in resistance occurs due to the failure of local buckling in the skid of the beam, with a resistance of 454.05 kNm at 0.07 rad.

3.2. Plastification Mechanism

At the design stage, a plastic hinge location was assumed from which the maximum forces at which the connection would be subjected were calculated. The test allowed us to show the plastification zone by visually placing it at the point with the greatest loss of the layer of lime. Additionally, an important concentration of stresses and large inelastic deformations in the plastic joint area at a distance of S h _ exp = 480   mm were observed in the tests.
Figure 8a shows a comparison of the assumed position of the plastic hinge in the design stage and that obtained experimentally. From this, it is concluded that the position of the plastic hinge was 24% further away than the one initially proposed by the AISC 358-16 standard [4], which places it in the last row of bolts. The loss of the layer of lime indicates the plasticized areas of the beam, which are 50 mm from the edge of the diaphragm. It was observed that yielding began in the wings of the beam, and the yielding zone increased with each cycle of displacement until it was distributed over the web by 70%.
During the test, yielding starts at the wings and spreads toward the web of the beam as the displacement increases in loading and unloading cycles (see Figure 8b). In the final displacement step, it was observed that the auxiliary beams that were aimed at guaranteeing adequate lateral support showed deformations outside the plane due to their low rigidity. Consequently, torsional lateral buckling occurred in the beam.
Figure 8b illustrates the effect that describes the contact and separation of the auxiliary profiles attached to the test frame. In the upper right part of Figure 8b, this effect is observed at an amplified scale, which is one of the reasons why a failure was observed in the experiment due to local buckling only. As shown in Figure 8b, this failure occurred in one of the skates, after the maximum rotation imposed of 0.07 rad was reached.
The reason why lateral support should be provided is to ensure that resistance degradation due to lateral torsional buckling is delayed until the connection reaches enough ductility and seismic energy is dissipated by deformation. During the experimentation, it was observed that in the last step of load application the auxiliary beams showed deformations out of the plane due to their lack of stiffness. Thus, torsional lateral buckling occurred in the beam. Nonetheless, this occurred at a 0.07 rad of rotation for a moment resistant capacity of 453.9 kNm. Therefore, the hysteresis diagram did not show a significant loss of resistance due to this phenomenon. Figure 9 shows the final state of the specimen during the test seen from different angles.
The connection exhibited ductile hysterical behavior with stable cycles and large areas of energy dissipation. It should be noted that the inclusion of the diaphragms contributed to the good behavior of the connection. This is achieved by transmitting the compression and tensile stresses generated by flexion, which allows an adequate load distribution over a large part of the periphery of the column. In addition, a positive effect was observed when filling the column with concrete, since this decreased the possibility of local buckling as reported by Raychowdhury and Hutchinson [34], and angular distortion due to deformation in the region of maximum shear stresses on the tubular column as reported by Cheng and Chung [10].

3.3. Experimental Envelope

For the analysis of the dynamic test, it is important to consider the relationship between monotonic curves and hysteretic curves. This was considered according to the provisions of Chapter 2 of FEMA 355D, “Effect of load and deformation history”; [3]. That is, monotonic tests provide an approximate envelope to that obtained from hysteretic curves in cyclic load tests [16].
The envelope curve is obtained by plotting the maximum points in each cycle extracted from the curve obtained from the monotonic or cyclic tests. This envelope is of special importance for defining the inelastic response of the connection to the action of dynamic loads for structural design and numerical modeling. The envelope representing the results obtained in the cyclic test is shown in Figure 10. The figure also shows the equation defining the curve. It is a third order polynomial trend line with a correlation coefficient of 0.9949. This polynomial represents a good correlation up to 0.06 rad, which is the point of maximum resistant moment in the connection.
The momentum-rotation envelope curve characterizes the inelastic behavior of the connection in terms of its resistance; see Figure 11. According to the cyclic test described, the flexural capacity of the connection measured from the column face is greater than the established minimum of 0.8 M P at a distortion level of 0.04 rad. By meeting these conditions, this connection can be implemented in moment-resistant porches with special power dissipation capacity in areas of high seismic threat.

4. Conclusions

Several of the connections utilized in SMF are not homologated under current design regulations. Therefore, studies are required to ensure that the designed frames dissipate their energy in the beams without affecting the connections. In this context, this paper presented an analysis of the inelastic behavior of a steel beam-to-concrete-filled steel tubular column connection using diaphragms.
During the experimentation, it was observed that the auxiliary beams showed deformations out of the plane due to their low rigidity. Thus, torsional lateral buckling occurred in the beam. Nonetheless, this occurred at a 0.07 rad of rotation for a moment resistant capacity of 453.9 kNm. Therefore, the hysteresis diagram did not show a significant loss of resistance due to this phenomenon.
Since the general behavior of the specimen until the displacement of 0.04 rad did not present a degradation in its resistance in terms of the load applied to the actuator, it was decided to continue with the protocol to the maximum allowed by the frame. That is, up to a rotation of 0.07 rad with increments of 0.01 rad for every two cycles. At this point, a local buckling occurred in one of the skates.
It was observed that at a rotation angle of 0.04, the flexural strength of the connection measured to the face of the column was 402.07 kNm. This value exceeded 1.4 times 80% of the plastic moment M P (285.37 kNm). Thus, satisfying the requirement of AISC 358 for the qualification of connections belonging to porticos resistant to moments with special dissipation of energy [4]. The maximum resistance moment achieved by the connection was 472.39 kNm at a rotation of 0.06 rad.
Regarding the pinching effect of the hysteresis curve due to crack nucleation of the concrete, it was determined that the specimen did not present an incursion into the inelastic range. Moreover, pinching due to bolt slip and to the sequence of yield and strength hardening does not prevent the connection from being utilized in an SMF with special energy dissipation capacity. Indeed, this effect is well known and has been documented for the qualification process of the bolted flange plate (BFP) moment connection covered by AISC 358-16 [4].
For the plastic hinge S h , its location was 24% farther from the face of the column than initially assumed at the design stage.
The connection exhibited ductile hysteretic behavior with stable cycles and large areas of energy dissipation. It should be noted that the inclusion of the diaphragms contributed greatly to the beneficial behavior of the connection. This is achieved by transmitting the compression and tensile stresses generated by flexion while allowing adequate distribution over a large part of the periphery of the column. In addition, a positive effect was observed when filling the column with concrete because this decreased the possibility of the local buckling, as reported by Raychowdhury and Hutchinson [34].

Author Contributions

Conceptualization, C.R.O., G.A.P., A.D.G.A. and J.L.R.D.; methodology, C.R.O., G.A.P., A.D.G.A. and J.L.R.D.; software, C.R.O., R.E.C.B. and L.F.G.E.; validation, C.R.O., A.D.G.A. and J.L.R.D.; formal analysis, C.R.O., A.D.G.A. and J.L.R.D.; investigation, C.R.O., G.A.P., A.D.G.A. and J.L.R.D.; resources, C.R.O., G.A.P., A.D.G.A. and J.L.R.D.; data curation, C.R.O., R.E.C.B., L.F.G.E. and A.D.G.A.; writing—original draft preparation, C.R.O. and R.E.C.B.; writing—review and editing, A.D.G.A.; visualization, C.R.O. and A.D.G.A.; supervision, C.R.O. and A.D.G.A.; project administration, R.E.C.B. and L.F.G.E.; funding acquisition, C.R.O., G.A.P., A.D.G.A. and J.L.R.D. All authors have read and agreed to the published version of the manuscript.

Funding

This research was funded by the Universidad del Valle.

Funding

This research was funded by the Universidad del Valle.

Institutional Review Board Statement

Not applicable.

Informed Consent Statement

Not applicable.

Data Availability Statement

The data used to support the findings of this study are available from the corresponding author upon request.

Acknowledgments

We thank the Universidad del Valle for supporting this research through the Internal Call for Presentation of Research Projects and Artistic Creation in Sciences, Arts, Humanities, Technologies and Innovation 2019 Award—Project ID 21090.

Conflicts of Interest

The authors declare no conflict of interest. The funders had no role in the design of the study; in the collection, analyses, or interpretation of data; in the writing of the manuscript, or in the decision to publish the results.

References

  1. Hamburger, R.O.; Krawinkler, H.; Malley, J.O.; Scott, M.A. Seismic Design of Steel Special Moment Frames: A Guide for Practicing Engineers. NEHRP Seism. Des. Tech. Brief 2009, 2, 37. [Google Scholar]
  2. Federal Emergency Management Agency (FEMA). FEMA 350—Recommended Seismic Design Criteria for New Steel Moment-frame Buildings; FEMA: Washington, DC, USA, 2000; p. 302.
  3. Federal Emergency Management Agency (FEMA). FEMA 355D State of the Art Report on Connection Performance FEMA; Constructional Steel Research; FEMA: Washington, DC, USA, 2000; pp. 1–305.
  4. American Institute of Steel and Construction (AISC). AISC 358-16 Prequalified Connections for Special and Intermediate Steel Moment Frames for Seismic Applications; AISC: Chicago, IL, USA, 2016. [Google Scholar]
  5. American Institute of Steel and Construction (AISC). AISC 341-16 Seismic Provisions for Structural Steel Buildings; AISC: Chicago, IL, USA, 2016. [Google Scholar]
  6. American Institute of Steel and Construction (AISC). AISC 360 Specification for Structural Steel Buildings; AISC: Chicago, IL, USA, 2016. [Google Scholar]
  7. Andrade, C. Steel I-Beam Connections Qualification Connected to Column Weak Axis. Master’s Thesis, Universidad Nacional de Colombia, Bogotá, Colombia, 2015. [Google Scholar]
  8. Bustamante, A. Qualification of a Composite Tubular PRM Connection. Bachelor’s Thesis, Universidad EIA, Envigado, Colombia, 2016. [Google Scholar]
  9. Ceron, C. Prequalification of a Beam-Column Moment Welded Connection with Dog Bone Section Reduction in the Beam for Metal Buildings under the Action of Dynamic Loading. Master’s Thesis, Universidad del Valle, Cali, Colombia, 2011. [Google Scholar]
  10. Cheng, C.-T.; Chung, L.-L. Seismic performance of steel beams to concrete-filled steel tubular column connections. J. Constr. Steel Res. 2003, 59, 405–426. [Google Scholar] [CrossRef]
  11. Ramirez, C. Analysis of the Inelastic Behavior of a Double T Connection—HSS Column to Cyclic Loads from Numerical Analysis and Experimental Test. Master’s Thesis, Universidad del Valle, Cali, Colombia, 2019. [Google Scholar]
  12. Schneider, S.P.; Alostaz, Y.M. Experimental Behavior of Connections to Concrete-filled Steel Tubes. J. Constr. Steel Res. 1998, 45, 321–352. [Google Scholar] [CrossRef]
  13. Sheet, I.S.; Gunasekaran, U.; MacRae, G.A. Experimental investigation of CFT column to steel beam connections under cyclic loading. J. Constr. Steel Res. 2013, 86, 167–182. [Google Scholar] [CrossRef]
  14. Shin, K.-J.; Kim, Y.-J.; Oh, Y.-S.; Moon, T.-S. Behavior of welded CFT column to H-beam connections with external stiffeners. Eng. Struct. 2004, 26, 1877–1887. [Google Scholar] [CrossRef]
  15. Torres, C. Qualification of a Rigid Metal Connection I Beam—Composite Column. Master’s Thesis, Universidad Industrial de Santander, Bucaramanga, Colombia, 2012. [Google Scholar]
  16. Vallejo, M.U.; Clement GF, V. Evaluating a Steel Beam’s Rigid Connection to a Concrete Filled Tubular Column when Submitted to Dynamic Load. Ing. Investig. 2009, 29, 24–34. [Google Scholar]
  17. Tao, Z.; Li, W.; Shi, B.-L.; Han, L.-H. Behaviour of bolted end-plate connections to concrete-filled steel columns. J. Constr. Steel Res. 2017, 134, 194–208. [Google Scholar] [CrossRef]
  18. Li, W.; Xu, L.-F.; Qian, W.-W. Seismic performance of concrete-encased CFST column to steel beam joints with different connection details. Eng. Struct. 2019, 204, 109875. [Google Scholar] [CrossRef]
  19. Wang, Z.-B.; Tao, Z.; Li, D.-S.; Han, L.-H. Cyclic behaviour of novel blind bolted joints with different stiffening elements. Thin-Walled Struct. 2016, 101, 157–168. [Google Scholar] [CrossRef]
  20. Wu, L.; Chung, L.; Tsai, S.; Sheng, T.; Huang, G. Seismic Behavior of Bolted Beam to Column Connections for Concrete Filled Steel Tube. J. Constr. Steel Res. 2005, 61, 1387–1440. [Google Scholar] [CrossRef]
  21. Li, X.; Xiao, Y.; Wu, Y. Seismic behavior of exterior connections with steel beams bolted to CFT columns. J. Constr. Steel Res. 2009, 65, 1438–1446. [Google Scholar] [CrossRef]
  22. Mou, B.; Bai, Y. Experimental investigation on shear behavior of steel beam-to-CFST column connections with irregular panel zone. Eng. Struct. 2018, 168, 487–504. [Google Scholar] [CrossRef]
  23. Xu, T.; Zheng, D.; Yang, C.; Deng, K. Seismic performance evaluation of damage tolerant steel frame with composite steel-UHPC joint. J. Constr. Steel Res. 2018, 148, 457–468. [Google Scholar] [CrossRef]
  24. Hu, Y.; Zhao, J.; Zhang, D.; Chen, C. Experimental seismic performance of CFDST- steel beam frames with different construction details. J. Constr. Steel Res. 2019, 162, 105736. [Google Scholar] [CrossRef]
  25. Wang, B.; Guan, S.; Zhang, Y.; Bai, Y. Experimental behavior and failure modes of hybrid beam-to-column connections with RC wing-walls in industrial construction. Constr. Build. Mater. 2019, 218, 628–643. [Google Scholar] [CrossRef]
  26. Wu, C.; Yu, S.; Liu, J.; Chen, G. Development and testing of hybrid precast steel-reinforced concrete column-to- H shape steel beam connections under cyclic loading. Eng. Struct. 2020, 211, 110460. [Google Scholar] [CrossRef]
  27. Rong, B.; Li, H.; Zhang, R. Experimental and Numerical Investigations on Seismic Performance of CFST Frame with External Diaphragm Joint. J. Struct. Eng. 2021, 147, 04021182. [Google Scholar] [CrossRef]
  28. Mou, B.; Liu, X.; Sun, Z. Seismic behavior of a novel beam to reinforced concrete-filled steel tube column joint. J. Constr. Steel Res. 2021, 187, 106931. [Google Scholar] [CrossRef]
  29. Li, B.; Yang, Y.; Liu, J.; Liu, X.; Cheng, Y.; Chen, Y.F. Behavior of T-shaped CFST column to steel beam connection with U-shaped diaphragm. J. Build. Eng. 2021, 43, 102518. [Google Scholar] [CrossRef]
  30. Al-Kamal, M.K. Design of a Steel Special Moment Frame Susceptible to High Seismic Risk. ARPN J. Eng. Appl. Sci. 2017, 12, 7057–7063. [Google Scholar]
  31. Zareian, F.; Lignos, D.G.; Krawinkler, H. Evaluation of Seismic Collapse Performance of Steel Special Moment Resisting Frames using FEMA P695 (ATC-63) Methodology. In Structures Congress 2010; ASCE: Reston, VA, USA, 2010; pp. 1275–1286. [Google Scholar] [CrossRef]
  32. American Welding Society (AWS). AWS.D1.1 Structural Welding Code—Steel; AWS: Miami, FL, USA, 2020. [Google Scholar]
  33. ASTM International. ASTM E8/E8M—16a: Standard Test Methods for Tension Testing of Metallic Materials; ASTM International: West Conshohocken, PA, USA, 2016. [Google Scholar] [CrossRef]
  34. Raychowdhury, P.; Hutchinson, T.C. Performance Evaluation of a Nonlinear Winkler-based Shallow Foundation. J. Int. Assoc. Earthq. Eng. 2009, 38, 679–698. [Google Scholar]
Figure 1. Research framework utilized to evaluate the seismic behavior of the steel beam-to-CFST column connection using external diaphragms.
Figure 1. Research framework utilized to evaluate the seismic behavior of the steel beam-to-CFST column connection using external diaphragms.
Applsci 12 03618 g001
Figure 2. Components and main dimensions of the connection obtained from the design process. The action of the maximum capacity force F pr and the maximum probable moment M f are also illustrated.
Figure 2. Components and main dimensions of the connection obtained from the design process. The action of the maximum capacity force F pr and the maximum probable moment M f are also illustrated.
Applsci 12 03618 g002
Figure 3. Experimental setup, including the mounting details of the beam-column connection: (a) Two supports were installed at each end of the column having the following constrain conditions: at end 1, translations in the plane and out of the plane were restricted; at end 2, vertical translation and translation outside the plane were also restricted; rotation in the plane was allowed for both ends; and (b) beams that provide lateral support to the framework.
Figure 3. Experimental setup, including the mounting details of the beam-column connection: (a) Two supports were installed at each end of the column having the following constrain conditions: at end 1, translations in the plane and out of the plane were restricted; at end 2, vertical translation and translation outside the plane were also restricted; rotation in the plane was allowed for both ends; and (b) beams that provide lateral support to the framework.
Applsci 12 03618 g003
Figure 4. Supports utilized in the assembly: (a) Support restricted for translations in the plane and out-of-plane; and (b) support restricted for vertical translation and out-of-plane translation.
Figure 4. Supports utilized in the assembly: (a) Support restricted for translations in the plane and out-of-plane; and (b) support restricted for vertical translation and out-of-plane translation.
Applsci 12 03618 g004
Figure 5. Frame movement.
Figure 5. Frame movement.
Applsci 12 03618 g005
Figure 6. Displacement protocol. The abscissa is presented in units of time in s, obtained as the quotient between the displacement ∆ and the loading application speed v. In this case v = 1.49 mm/s.
Figure 6. Displacement protocol. The abscissa is presented in units of time in s, obtained as the quotient between the displacement ∆ and the loading application speed v. In this case v = 1.49 mm/s.
Applsci 12 03618 g006
Figure 7. Hysteretic curve (moment–angle).
Figure 7. Hysteretic curve (moment–angle).
Applsci 12 03618 g007
Figure 8. (a) Comparison of plastic hinge location according to design and experimental results; and (b) trial side view showing the torsional lateral buckling effect.
Figure 8. (a) Comparison of plastic hinge location according to design and experimental results; and (b) trial side view showing the torsional lateral buckling effect.
Applsci 12 03618 g008
Figure 9. Final state of the specimen during the test seen from different angles.
Figure 9. Final state of the specimen during the test seen from different angles.
Applsci 12 03618 g009
Figure 10. Experimental envelope of the momentum-rotation curve.
Figure 10. Experimental envelope of the momentum-rotation curve.
Applsci 12 03618 g010
Figure 11. Experimental moment-rotation envelope.
Figure 11. Experimental moment-rotation envelope.
Applsci 12 03618 g011
Table 1. Relevant values of the designed connection.
Table 1. Relevant values of the designed connection.
Geometric Properties
NotationDescriptionValueUnit
A g Thick spine area8903.6mm2
A gb Thick beam area72.7cm2
A gc Thick column design area8280.3mm2
b f Beam flange width (skids)170mm
b p Width of the diaphragm at the base229.9mm
d b Beam profile web length360mm
d c Column outer diameter323.9mm
I yb Moment of inertia about the minor axis of the beam1043cm4
t c Nominal column wall thickness9mm
r b Curvature between the flange and the web of the beam18mm
S h Plastic hinge location385mm
t cw Column wall design thickness   ( 0.93 t c ) 8.37mm
t fb Beam flange (skid) thickness12.7mm
t wb Beam web thickness8mm
Z xb Plastic beam module1019cm3
Z xc Plastic column module892.7cm3
Material Properties
E Modulus of elasticity of steel200,000MPa
F yb Beam yield strength350MPa
F ub Ultimate limit of the beam460MPa
F yc Column yield limit315MPa
F uc Ultimate column limit425MPa
R yb Overyield strength factor for beam1.1-
R tb Overresistance factor at break for the beam1.1-
R yc Overresistance to creep factor for the column1.4-
R tc Overbreaking strength factor for the column1.3-
Table 2. Displacement protocol.
Table 2. Displacement protocol.
StepCyclesAngle of Rotation (Rad) Displacement     ( mm )
160.0037513.36
260.00517.81
360.007526.72
440.0135.63
520.01553.44
620.0271.26
720.03106.89
820.04142.52
920.05178.15
1020.06213.78
1120.07249.41
Publisher’s Note: MDPI stays neutral with regard to jurisdictional claims in published maps and institutional affiliations.

Share and Cite

MDPI and ACS Style

Ramirez Ortiz, C.; Areiza Palma, G.; Gutierrez Amador, A.D.; Ramirez Duque, J.L.; Cano Buitron, R.E.; Gonzales Escobar, L.F. Seismic Behavior of a Steel Beam-to-Concrete-Filled Steel Tubular Column Connection Using External Diaphragms. Appl. Sci. 2022, 12, 3618. https://doi.org/10.3390/app12073618

AMA Style

Ramirez Ortiz C, Areiza Palma G, Gutierrez Amador AD, Ramirez Duque JL, Cano Buitron RE, Gonzales Escobar LF. Seismic Behavior of a Steel Beam-to-Concrete-Filled Steel Tubular Column Connection Using External Diaphragms. Applied Sciences. 2022; 12(7):3618. https://doi.org/10.3390/app12073618

Chicago/Turabian Style

Ramirez Ortiz, Cristhian, Gilberto Areiza Palma, Albio D. Gutierrez Amador, Jose L. Ramirez Duque, Ruth E. Cano Buitron, and Luis F. Gonzales Escobar. 2022. "Seismic Behavior of a Steel Beam-to-Concrete-Filled Steel Tubular Column Connection Using External Diaphragms" Applied Sciences 12, no. 7: 3618. https://doi.org/10.3390/app12073618

APA Style

Ramirez Ortiz, C., Areiza Palma, G., Gutierrez Amador, A. D., Ramirez Duque, J. L., Cano Buitron, R. E., & Gonzales Escobar, L. F. (2022). Seismic Behavior of a Steel Beam-to-Concrete-Filled Steel Tubular Column Connection Using External Diaphragms. Applied Sciences, 12(7), 3618. https://doi.org/10.3390/app12073618

Note that from the first issue of 2016, this journal uses article numbers instead of page numbers. See further details here.

Article Metrics

Back to TopTop