GaN-Based Readout Circuit System for Reliable Prompt Gamma Imaging in Proton Therapy
Abstract
1. Introduction
2. Materials and Methods
3. Results and Discussion
3.1. Operational Amplifier (OPA) as Current to Voltage Converter
3.2. OPA as Adder
3.3. OPA as Integrator
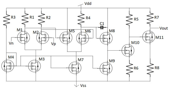
3.4. Gallium Nitride (GaN) Readout Circuit for Position-Sensitive Photomultiplier Tube (PSPMT)
4. Conclusions
Author Contributions
Funding
Conflicts of Interest
References
- Mukherji, A. Particle Beam Therapy: A Quick View. In Basics of Planning and Management of Patients During Radiation Therapy; Springer: Singapore, 2018. [Google Scholar]
- Chuong, M.D.; Mehta, M.P.; Langen, K.; Regine, W.F. The available evidence points to benefits of proton beam therapy. Clin. Adv. Hematol. Oncol. 2014, 12, 861–864. [Google Scholar]
- Radhe, M.; David, G. Proton Therapy—Present and Future. Adv. Drug Deliv. 2017, 109, 26–44. [Google Scholar]
- Paganetti, H.; Fakhri, G.E.L. Monitoring proton therapy with PET. Br. J. Radiol. 2015, 88, 20150173. [Google Scholar] [CrossRef]
- Kurosawa, S.; Kubo, H.; Ueno, K.; Kabuki, S.; Iwaki, S.; Takahashi, M.; Taniue, K.; Higashi, N.; Miuchi, K.; Tanimori, T.; et al. Prompt gamma detection for range verification in proton therapy. Curr. Appl. Phys. 2012, 12, 364–368. [Google Scholar] [CrossRef]
- Wronska, A.; Dauvergne, D. Range verification by means of prompt-gamma detection in particle therapy. In Radiation Detection Systems; hal-03085504; CCSD: Charleston, SC, USA, 2020. [Google Scholar]
- Aldawood, S.; Thirolf, P.G.; Miani, A.; Böhmer, M.; Dedes, G.; Gernhäuser, R.; Lang, C.; Liprandi, S.; Maier, L.; Marinšek, T.; et al. Development of a Compton camera for prompt-gamma medical imaging. Radiat. Phys. Chem. 2017, 140, 190–197. [Google Scholar] [CrossRef]
- Jan, M.L.; Hsiao, I.T.; Huang, H.M. Use of a LYSO-based Compton camera for prompt gamma range verification in proton therapy. Med. Phys. 2017, 44, 6261–6269. [Google Scholar] [CrossRef] [PubMed]
- Zhou, W.; Zhang, Z.M.; Li, D.W.; Wang, P.L.; Feng, B.T.; Huang, X.C.; Hu, T.T.; Li, X.H.; Chen, Y.; Wang, Y.J.; et al. A QTC-based signal readout for position-sensitive multi-output detectors. Nucl. Sci. Tech. 2016, 27, 1–7. [Google Scholar] [CrossRef]
- Zhang, X.H.; Qi, Y.J.; Zhao, C.L. Design and development of compact readout electronics with silicon photomultiplier array for a compact imaging detector. Chin. Phys. C 2012, 36, 973–978. [Google Scholar] [CrossRef]
- Aloufi, K. Neutron Spectroscopy in Proton Therapy; University College of London: London, UK, 2016. [Google Scholar]
- Agosteo, S.; Birattari, C.; Caravaggio, M.; Silari, M.; Tosi, G. Secondary neutron and photon dose in proton therapy. Radiother. Oncol. 1998, 48, 293–305. [Google Scholar] [CrossRef]
- Wroe, A.J. Evaluation and Mitigation of Secondary Dose Delivered to Electronic Systems in Proton Therapy. Technol. Cancer Res. Treat. 2016, 15, 3–11. [Google Scholar] [CrossRef]
- Schneider, U.; Hälg, R. The impact of neutrons in clinical proton therapy. Front. Oncol. 2015, 5, 1–5. [Google Scholar] [CrossRef] [PubMed]
- Swami, H.L.; Rathod, R.; Rao, T.S.; Abhangi, M.; Vala, S.; Danani, C.; Chaudhuri, P.; Srinivasan, R. Experimental study of neutron irradiation effect on elementary semiconductor devices using Am-Be neutron source. Indian J. Pure Appl. Phys. 2021, 59, 40–47. [Google Scholar]
- Borel, T.; Roig, F.; Michez, A.; Azais, B.; Danzeca, S.; Roche, N.J.H.; Bezerra, F.; Calvel, P.; Dusseau, L. A typical Effect of Displacement Damage on LM124 Bipolar Integrated Circuits. IEEE Trans. Nucl. Sci. 2018, 65, 71–77. [Google Scholar] [CrossRef]
- Franco, F.J.; Lozano, J.; Santos, J.P.; Agapito, J.A. Degradation of Instrumentation Amplifiers Due to the Nonionizing Energy Loss Damage. IEEE Trans. Nucl. Sci. 2003, 50, 2433–2440. [Google Scholar] [CrossRef]
- Franco, F.J.; Zong, Y.; Casas-Cubillos, J.; Rodríguez-Ruiz, M.A.; Agapito, J.A. Neutron effects on short circuit currents of Op Amps and consequences. IEEE Trans. Nucl. Sci. 2005, 52, 1530–1537. [Google Scholar] [CrossRef]
- Yan, L.; Wei, C.; Shanchao, Y.; Xiaoming, J.; Chaohui, H. Synergistic effect of mixed neutron and gamma irradiation in bipolar operational amplifier OP07. Nucl. Instruments Methods Phys. Res. Sect. A Accel. Spectrometers Detect. Assoc. Equip. 2016, 831, 334–338. [Google Scholar] [CrossRef]
- Assaf, J. Radiation and annealing effects on integrated bipolar Operational Amplifier. Radiat. Phys. Chem. 2017, 131, 100–104. [Google Scholar] [CrossRef]
- Boley, W.R. Compendia of TID and neutron radiation test results of selected COTS parts. In Proceedings of the 2008 IEEE Radiation Effects Data Workshop, Tucson, AZ, USA, 14–18 July 2008; pp. 142–147. [Google Scholar]
- Amir, H.F.A.; Chee, F.P.; Salleh, S. Effects of high energy neutrons and resulting secondary charged particles on the operation of MOSFETs. In Proceedings of the 2014 International Conference on Computational Science and Technology, ICCST, Kota Kinabalu, Malaysia, 27–28 August 2014. [Google Scholar]
- Chao, D.S.; Shih, H.Y.; Jiang, J.Y.; Huang, C.F.; Chiang, C.Y.; Ku, C.S.; Yen, C.T.; Lee, L.S.; Hsu, F.J.; Chu, K.T.; et al. Influence of displacement damage induced by neutron irradiation on effective carrier density in 4H-SiC SBDs and MOSFETs. Jpn. J. Appl. Phys. 2019, 58, SBBD08. [Google Scholar] [CrossRef]
- Abdul Amir, H.F.; Chik, A. Neutron radiation effects on metal oxide semiconductor (MOS) devices. Nucl. Instrum. Methods Phys. Res. Sect. B Beam Interact. Mater. Atoms 2009, 267, 3032–3036. [Google Scholar] [CrossRef]
- Makowski, D. The Impact of Radiation on Electronic Devices with Special Consideration of Neutron and Gamma Radiation Monitoring; Technical University of Lodz: Lodz, Poland, 2006. [Google Scholar]
- Haider, F.A.; Chee, F.P.; Abu Hassan, H.; Saafie, S.; Afishah, A. Changes in electrical properties of MOS transistor induced by single 14 MeV neutron. In Proceedings of the AIP Conference Proceedings, Online, 22 January 2016; Volume 1704, p. 050015. [Google Scholar]
- Vaidya, S.J.; Sharma, D.K.; Chandorkar, A.N. Neutron induced oxide degradation in MOSFET structures. In Proceedings of the International Symposium on the Physical and Failure Analysis of Integrated Circuits, IPFA 2003, Singapore, 11 July 2003; pp. 151–155. [Google Scholar]
- Angela Chen Gallium Nitride is the Silicon of the Future. Available online: https://www.theverge.com/2018/11/1/18051974/gallium-nitride-anker-material-silicon-semiconductor-energy#:~:text=GaN has a wider band,on GaN in power electronics (accessed on 11 April 2021).
- Where is GaN Going? Available online: https://epc-co.com/epc/GalliumNitride/whereisgangoing.aspx (accessed on 12 April 2021).
- Scharf, A. Gallium Nitride is Moving Forward; Power Electronics Europe: Munich, Germany, 2016. [Google Scholar]
- Zafrani, M. Radiation Performance of Enhancement-Mode Gallium Nitride Power Devices; EE Power: Hatfield, UK, 2020; pp. 40–42. [Google Scholar]
- Hazdra, P.; Popelka, S. Radiation resistance of wide-bandgap semiconductor power transistors. Phys. Status Solidi Appl. Mater. Sci. 2017, 214, 1–8. [Google Scholar] [CrossRef]
- Cha, S.; Chung, Y.H.; Wojtowwicz, M.; Smorchkova, I.; Allen, B.R.; Yang, J.M.; Kagiwada, R. Wideband AlGaN/GaN HEMT low noise amplifier for highly survivable receiver electronics. In Proceedings of the IEEE MTT-S International Microwave Symposium Digest, Fort Worth, TX, USA, 6–11 June 2004; pp. 829–831. [Google Scholar]
- Pengelly, R.; Sheppard, S.; Smith, T.; Pribble, B.; Wood, S.; Platis, C. Commercial Gan devices for switching and low noise applications. In Proceedings of the 2011 International Conference on Compound Semiconductor Manufacturing Technology, CS MANTECH 2011, Palm Springs, CA, USA, 16–19 May 2011; pp. 27–30. [Google Scholar]
- Helali, A.; Gassoumi, M.; Gassoumi, M.; Maaref, H. Design and Optimization of LNA Amplifier Based on HEMT GaN for X-Band Wireless-Communication and IoT Applications. Silicon 2020, 1–9. [Google Scholar] [CrossRef]
- Pandey, V.K.; Tan, C.M. Application of Gallium Nitride Technology in Particle Therapy Imaging. IEEE Trans. Nucl. Sci. 2021, 68, 1319–1324. [Google Scholar] [CrossRef]
- Zafrani, M.; Lidow, A. Radiation Performance of Enhancement-Mode Gallium Nitride Power Devices. Available online: https://epc-co.com/epc/EventsandNews/News/ArtMID/1627/ArticleID/2933/Radiation-Performance-of-Enhancement-Mode-Gallium-Nitride-Power-Devices.aspx (accessed on 26 April 2021).
- Lidow, A.; Smalley, K. Radiation Tolerant Enhancement Mode Gallium Nitride ( eGaN ®) FET Characteristics. In Proceedings of the GOMAC Tech Conference, Las Vegas, NV, USA, 19–22 March 2012. [Google Scholar]
- Lidow, A.; Nakata, A.; Rearwin, M.; Strydom, J.; Zafrani, A.M. Single-event and radiation effect on enhancement mode gallium nitride FETs. In Proceedings of the IEEE Radiation Effects Data Workshop, Paris, France, 14–18 July 2014; pp. 1–7. [Google Scholar]
- Siegel, S.; Silverman, R.W.; Shao, Y.; Cherry, S.R. Simple charge division readouts for imaging scintillator arrays using a multi-channel PMT. IEEE Trans. Nucl. Sci. 1996, 43, 1634–1641. [Google Scholar] [CrossRef]
- Slew Rate. Available online: https://training.ti.com/system/files/docs/1221-Slew Rate 1-slides.pdf (accessed on 22 March 2021).
- Seifert, S.; Van Dam, H.T.; Huizenga, J.; Vinke, R.; Dendooven, P.; Löhner, H.; Schaart, D.R. Simulation of silicon photomultiplier signals. IEEE Trans. Nucl. Sci. 2009, 56, 3726–3733. [Google Scholar] [CrossRef]
- Massari, R.; Soluri, A.; Caputo, D.; Ronchi, S. Low power readout circuits for large area silicon photomultiplier array. In Proceedings of the 6th International Workshop on Advances in Sensors and Interfaces (IWASI), Gallipoli, Italy, 18–19 June 2015; pp. 158–162. [Google Scholar]
- Olcott, P.D.; Talcott, J.A.; Levin, C.S.; Habte, F.; Foudray, A.M.K. Compact readout electronics for Position Sensitive Photomultiplier Tubes. In Proceedings of the IEEE Nuclear Science Symposium Conference Record; IEEE: Piscataway, NJ, USA, 2003; Volume 3, pp. 1962–1966. [Google Scholar]
- Jeon, S.J.; Kim, J.; Ji, M.G.; Park, J.H.; Choi, Y.W. Position Error Correction Using Homography in Discretized Positioning Circuit for Gamma-Ray Imaging Detection System. IEEE Trans. Nucl. Sci. 2017, 64, 816–819. [Google Scholar] [CrossRef]














| Parameter | Value |
|---|---|
| 1000 | |
| G | 7.5 × 105 |
| PDE | 0.40 |
| 50 | |
| 1 |
Publisher’s Note: MDPI stays neutral with regard to jurisdictional claims in published maps and institutional affiliations. |
© 2021 by the authors. Licensee MDPI, Basel, Switzerland. This article is an open access article distributed under the terms and conditions of the Creative Commons Attribution (CC BY) license (https://creativecommons.org/licenses/by/4.0/).
Share and Cite
Pandey, V.K.; Tan, C.; Sangwan, V. GaN-Based Readout Circuit System for Reliable Prompt Gamma Imaging in Proton Therapy. Appl. Sci. 2021, 11, 5606. https://doi.org/10.3390/app11125606
Pandey VK, Tan C, Sangwan V. GaN-Based Readout Circuit System for Reliable Prompt Gamma Imaging in Proton Therapy. Applied Sciences. 2021; 11(12):5606. https://doi.org/10.3390/app11125606
Chicago/Turabian StylePandey, Vimal Kant, Cherming Tan, and Vivek Sangwan. 2021. "GaN-Based Readout Circuit System for Reliable Prompt Gamma Imaging in Proton Therapy" Applied Sciences 11, no. 12: 5606. https://doi.org/10.3390/app11125606
APA StylePandey, V. K., Tan, C., & Sangwan, V. (2021). GaN-Based Readout Circuit System for Reliable Prompt Gamma Imaging in Proton Therapy. Applied Sciences, 11(12), 5606. https://doi.org/10.3390/app11125606

