Abstract
Two-phase flow is encountered in various engineering areas, including the pharmaceutical, chemical, and food industries, desalination facilities, and thermal energy storage systems. Cost-effective and non-invasive monitoring of the solid volume fraction, which governs the thermos-physical properties of two-phase medium, is important for flow assurance. The flow loop having an inner diameter of 21.5 mm and length of about 12.2 m was equipped with square-edged orifice and slash plate pump. Tetrafluroethane (R134a) hydrate slurry of the specified solid volume fraction could be formed within the flow loop by removing an appropriate amount of water, and simultaneously injecting the pertinent amount of R134a while chilled at 275 K. The uncertainty in the thus-obtained solid volume fraction was smaller than 9%, with the largest contribution originating from the uncertain hydration number. The near power-law relationship between the orifice pressure loss coefficient and Metzner–Reed Reynolds number was recognized. However, the nonlinear nature of the Reynolds number with respect to the solid volume fraction inevitably makes the solution procedure iterative. The short span pressure differences across the orifice were regressed to yield empirical correlation, with which the solid volume fraction of R134a slurry could be determined from the measured pressure drop across the orifice and the flow rate. The uncertainty was less than 12% of the thus determined solid volume fraction.
1. Introduction
Over the past decade, the use of phase change material (PCM) as thermal energy storage (TES) medium has received significant research attention. Due to the larger equivalent heat capacity compared to single phase medium and better heat transfer characteristics compared to gas phase, slurries are best suited as a heat transfer fluid and TES medium [1,2,3,4,5,6]. Among numerous phase change materials, ice slurries are one of the commonly available phase change material. Ice slurries are recognized as suitable materials for TES and they have already been used in many practical processes [7,8].
Interest in gas hydrates technology has also grown drastically, because of its diverse disciplines, including the potential utilization as effective phase change material for TES medium [9,10,11]. Clathrate hydrates are ice-like crystalline inclusion compounds that are formed even at above zero temperature through the hydrogen bonding of water molecules, with the assistance of gas molecules if the pressure is high enough [12,13]. Hydrate slurry is a relatively new type of phase change medium, in which the solid phase is clathrate hydrate particles, and the liquid phase is liquid water, which serves as the carrying fluid [14]. The transportation of aqueous hydrate slurry over a range of piping network is vital for almost all industrial applications of hydrate technology [15,16]. The solid volume fraction of hydrate slurry needs to be known to estimate the thermo-physical properties, and to obtain flow assurance.
The solid fraction of the slurry can be measured using Nuclear Magnetic Resonance spectroscopy (NMR) based on the different magnetization decay rates of solid and liquid. In the food industry, estimation of slurry solid content is essential, because it not only dominates rheological factors, but also influences the texture of product, and consequently consumer acceptance [17,18]. Time domain (TD) NMR is considered to be a reliable experimental diagnostics to measure the slurry fat contents related to the food industry. TD-NMR has been employed to quantify the crystalline phase fraction in polysaccharides [19,20,21], lipids [22,23,24], and ice cream [25,26]. The solid fat contents of oils were also measured using low-resolution pulsed NMR [27]. Studies on the evaluation of slurry solid fraction from measured electrical properties of two phase fluid have been reported [28,29]. Electromagnetic (EM) attenuation is another phenomenon that can be exploited to measure the solid fraction, since the microwave absorption of the solid is different from that of the liquid. Utilizing neutrons [30,31], gamma ray [32,33,34], X-ray [35] and microwave [36] solid volume fractions could be determined without invasion. Hales et al. [37] applied the EM attenuation technique to measure the solid fraction of ice and brine slurry during the ice pigging process, where the shear stresses on the pipe walls need to be monitored closely for safe operation.
The solid fraction is a dominant parameter influencing non-Newtonion flow behavior of the clathrate hydrate slurry [38,39,40,41,42], which imposes challenges in designing flow systems, as well as in estimating their performance. Extensive research efforts have focused on developing novel techniques to estimate the solid fraction of the hydrate slurries. The traditional method to theoretically determine the solid fraction of hydrate slurries is momentum law based phase diagrams [43,44]. Langlois et al. [45] proposed an experimental method to determine the hydrate fraction based on ultrasonic interpretation. Due to its destructive nature, ultrasonic technique is not compatible with the industrial on-site setup. Other methods are based on optical properties, such as image analysis, or near infrared spectrometry [46]. The limitation associated with such techniques is the requirement for frequent calibration. The application of TD-NMR has been extended to the studies on the enclathration of CO2 or CH4 within hydrates by Lee et al., Muromachi et al., and Rauh et al. [47,48,49]. Rondeau-Mour et al. [50] demonstrated the feasibility of TD-NMR spectroscopy to quantify the crystal content of the tetra-n-butyl ammonium bromide (TBAB) hydrates. Although NMR is relatively reliable, it is expensive. Therefore, the accumulated knowledge regarding the phase fraction measurement of slurry for research purposes does not provide the tool applicable for in situ monitoring of the hydrate slurry solid fraction.
The present study sets out to devise a nondestructive yet cost-effective method to monitor the solid fraction of hydrate slurries with minimal apparatus, which can be easily aligned with the industrial setup. The flow loop equipped with square-edged orifice and slash plate pump was constructed, in which R134a hydrate slurry of the specified solid volume fraction was formed and circulated. The measured pressure differences were analyzed to develop empirical correlation, with which the solid volume fraction of R134a slurry can be determined from the measured pressure drop across the orifice and the flow rate, without iteration.
2. Experiments
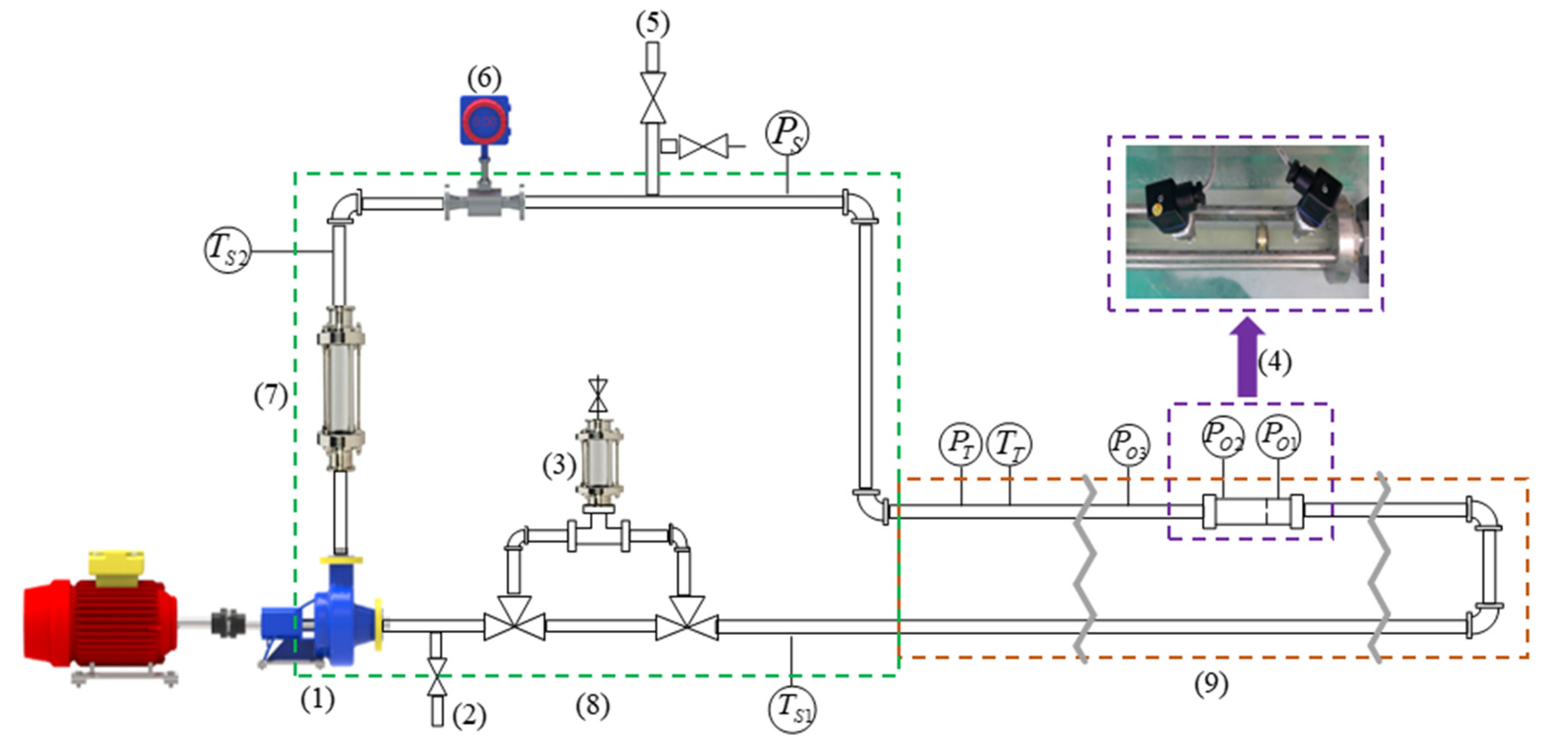
The formation and circulation of aqueous tetraflouroethane (R134a) hydrate slurry were made to occur within a flow loop having an inner diameter of 21.5 mm. Figure 1 shows a schematic of the experimental apparatus. The flow loop consisted of a rectangular service flow loop section, and extended test flow loop section.
Figure 1.
Schematic of the flow loop: (1) swash plate pump, (2) water supply/drain port, (3) bubble removal chamber, (4) orifice test segment, (5) gas supply port, (6) volumetric flow meter, (7) sight glass, (8) acrylic water bath for service flow loop section, and (9) SUS water bath for test flow loop section.
The service flow loop section was about 4000 mm long, and rigged with flow driving pump, bubble removal chamber, water supply/drain port, volumetric flow meter, R134a gas supply port, sight glass assembly, and tabs to measure the service loop pressure (PS) and temperatures (TS1 and TS2). The flow is driven by the swash plate pump manufactured by Parker (Model F12-090-MF-IV-D), which had a displacement volume of 90 cm3 per revolution. The rotation speed of the pump driving motor was controlled by a Rexroth (EFC 3600) inverter. The bubble removal chamber was a commercially available 1 L size sight glass assembly. The top of the bubble removal chamber was closed by a blank plate with a vent valve, and the bottom was welded to the T-type pipe fitting. A pneumatic control valve was installed between the gas supply port and the R134a storage tank to control the flow loop pressure close to the desired value engaged with a pressure transducer for (PS). The volumetric flow rate was measured using an electromagnetic flowmeter (KTM-800), whose measuring range is a maximum 10 m/s with an uncertainty of ±0.5% for the flow velocity larger than 0.3 m/s. The correlation coefficient between the pump rotation speed and volume flow rate was 99.99% for the experimental conditions of the present study. The flow velocity can be estimated from the pump rotation speed with the same uncertainty as the flow meter after calibration. Flow visualization was enabled using sight glass assemblies installed upstream and downstream of the pump.
The test flow loop section was connected to the first downstream corner from the pump of the service flow loop and was about 8200 mm long. The orifice test segment was located 1.5 m downstream from the 180-degree bend of the test flow loop. For the non-Newtonian flow it is important to know required pipe length for the fluid to become fully developed as given by Poole and Ridely et al. [51]. In this study the calculated entry length of straight pipe was smaller than 0.97 m for the test conditions employed in the discussion. The orifice test segment was a glass tube having a concentric square-edged orifice in the middle. The thickness of the orifice plate was 6 mm, and the bore diameter of the orifice was either (10 or 15) mm. SENSUS differential pressure transducers having an uncertainty of 0.025% up to 200 kPa were employed to measure the differences in pressure at 50 mm upstream (PO1) and 100 mm downstream (PO2) from the upstream face of the orifice. The pressure at 1000 mm downstream of the orifice (PO3), as well as the representative pressures of the service flow loop (PS) and test flow loop (PT), were measured with SENSUS pressure transducers having an uncertainty of 0.4%, and maximum range of 1000 kPa.
The service flow loop was immersed in an acrylic water bath. The test flow loop was immersed in a stainless steel water bath, which had a chilling water supply tube, and a chilling water overflow drain tube. The temperatures of the water baths were maintained close to 275 K by circulating the chilled water from constant temperature baths, both with the flow rate of 28 LPM. The R134a storage tank was also immersed in the water bath, whose temperature was maintained close to 295 K, to avoid condensation. The temperatures of the flow loop and (TS1, TS2, TT), chilling water baths, and R134a storage tank were measured with T-type thermocouples having an uncertainty of ±0.3 K after calibration. Pressure and temperature data were processed and recorded by data logger (Agilent, 34970A) and software program HP-VEE.
R134a hydrate is a nonstoichiometric inclusion solid compound formed from guest gas molecules and host water molecules under sufficiently high-pressure condition at a given temperature. The hydration number of gas hydrate is defined as the average number of water molecules per unit cell that contains one gas molecule. As the measured average hydration number (r) of R134a hydrate is 17 [52], the fraction of water molecule (x) is 73.86 wt.%, and that of R134a molecule (x) is 26.14 wt.%, considering that the molecular weight of water (MH₂O) is 18.02 kg/kmol, and that of R134a (M) is 102.03 kg/kmol:
The rheological characteristics of two-phase flow strongly depend on the solid volume fraction, especially in the laminar regime [39].
In order to obtain the valid empirical correlation for the pressure difference across the orifice, the solid volume fraction needs to be precisely acquired or evaluated. In the present work, hydrate slurry having the prespecified solid volume fraction of (15, 20, 25, 28, or 30)% was formed within the flow loop. Considering the difference in liquid water density and hydrate density [33,34] shown in Table 1, the net amount of water to be removed from the flow loop (mH₂O,remove) and the amount of R134a to be injected (MR) to attain specific hydrate solid fractions () can be calculated as follows:
where, VT ( = 5.68 L) is the total volume of the flow loop. Table 2 presents the mass of water that needs to be removed from the flow loop, and the mass of the R134a that needs to be injected into the flow loop for each specific hydrate volume fraction.
Table 1.
Densities and formation enthalpies of relevant phases.
Table 2.
The amounts of removed water from the flow loop and of injected R134a to the flow loop for each predetermined hydrate volume fraction.
In order to prepare for an experimental run, the flow loop was completely filled with water. At the same time, air bubbles were eliminated through the bubble removal chamber, while the pump was running with a volume flow rate of 15.8 LPM, which is equivalent to a flow velocity of 0.73 m/s. When the removal of air bubble was complete, the pump was paused, and the valves connecting the air removing chamber to the flow loop were closed. Then, the gas supply port was opened to pressurize the flow loop to help push the water out. The calculated amount of water in Table 2 was withdrawn. During the intermittent manual withdrawal of liquid water, the loop pressure fluctuated as shown in Figure 2 The peak pressures were less than 400 kPa, due to the dissolution of R134a gas. After water removal, the gas supply port was closed, and the pump operation was resumed to check the stabilized loop pressure. The flow loop pressure after 40 s of stabilization was about 120 kPa. When the temperature of H2O and R134a binary system is 275 K, hydrate formation is driven at pressures larger than 79.6 kPa (the three-phase equilibrium pressure among water, vapor R134a, and hydrate). If the pressure is larger than 314.6 kPa (saturation pressure of R134a), the condensation of injected gas occurs simultaneously [53]. The duration of stabilization was determined taking two opposite influences into account: to allow for the significant dissolution of gas, and to prevent the hydrate formation. Since the flow loop pressure was larger than 79.6 kPa, R134a hydrate can form past the induction time. The stabilized flow loop pressure smaller than 314.6 kPa indicated that the void resulted from water withdrawal was filled with gaseous R134a.
Figure 2.
Transient changes in R134a storage tank pressure (PT), temperature (TT), flow loop pressure (PS), and temperature (TS) during the typical test run.
When the gas supply port was opened again, the flow loop was pressurized with R134a up to 400 kPa, to initiate the formation of hydrate. The gauging of injected gas was also started by marking the pressure and temperature of the gas storage tank as the initial state. The gas supply under near constant pressure condition was continued while the flow of hydrate slurry was qualitatively observed with the help of the sight glass. The gas supply was ceased when the amount of injected gas, which was calculated by the Peng–Robinson equation of state, reached the predetermined value. Figure 2 shows that the flow loop pressure (Ps) decreased afterwards approaching steady state, which indicated the completion of hydrate formation. The hydrate formation took about five min for the solid fraction of 15 vol.%, and about 25 min for the solid fraction of 30 vol.%.
Finally, the pressure drops across the orifice were measured for the steady slurry flow of different flow rates. The pressure measurements for a specific combination of flow rate and solid fraction were made at least five times while the flow rates were increased and decreased, to check for the presence of any hysteresis effect, which was not found. After completing a series of pressure measurements for a given solid fraction, the entire flow loop was emptied and flushed with water, before repeating the experiment for the different hydrate fractions.
1. The uncertainty in the thus-obtained solid volume fraction is mainly attributed to four contributions:
2. The amount of R134a that filled the void created by the water removal is neglected in the calculation of the required gas injection amount. For example, the void having 6.8% of total volume is created in order to form the 30% hydrate volume fraction slurry. The void at the pressure and temperature of 275 K and 120 kPa (the stabilized pressure in Figure 2) contains the R134a amount equivalent to 0.03% of the required gas injection.
3. The amount of R134a dissolved into liquid water, which does not participate in hydrate formation, is neglected. The solubility of R134a at the pressure and temperature of 275 K and 140 kPa (the steady flow condition of Figure 2) is about 570 ppm, which is equivalent to 1.9% of the required gas injection amount to form the slurry of 10% hydrate volume fraction.
4. The largest contribution originates from the uncertain hydration number. The hydration number can increase 7% due to hydrate clathrate unoccupied with guest molecule. This contribution is equivalent to an uncertainty of 5.2% [Equation (1)].
The contribution caused by the error in measuring the mass of removed water is about 0.5%, the error in measuring the pressure is about 0.4%, etc.
Therefore, it can be concluded that the uncertainty in the solid volume fraction is smaller than 9%.
During the pressure drop measurements, the hydrate slurry within the flow loop was brought into near phase equilibrium, even though the pressure and temperature fluctuated within the limited extents. If the amount of water remaining after removal or the amount of injected gas was less than the calculated value, gas bubbles would be enclosed within the flow loop after hydrate formation to balance the insufficient volume, and the flow loop would be at a pressure of three-phase equilibrium among water, vapor R134a, and hydrate (79.6 kPa). In contrast, if the amount of remaining water or the amount of injected gas was more than the calculated value, liquid R134a droplets would be enclosed. The flow loop pressure would be equal to or larger than the pressure of three-phase equilibrium among liquid R134a, vapor R134a, and hydrate (314.6 kPa), owing to the comparable density values of the condensed phases (Table 1). Figure 2 shows that the steady flow loop pressure can exceed 79.6 kPa, due to the inclusion of volatile impurity gases. As the migration of bubbles could not be observed through sight glass, the R134a and impurity gas mixture is believed to be trapped at relatively higher spaces within the flow loop, or to be of negligible amount.
3. Results and Discussion
The measurements of pressure drop across the orifice were made at different flow velocities, for different solid volume fractions of (15, 20, 25, 28, and 30)%, and for orifice bores of (10 and 15) mm. Figure 3 exhibits the pressure difference (ΔP13) between the pressures measured at 50 mm upstream (PO1) and 1100 mm downstream (PO3) from the upstream face of the orifice. For a given solid fraction, ΔP13 increases almost linearly with the increase of flow velocity for both orifice bores of (10 and 15) mm.

Figure 3.
Pressure difference between 50 mm upstream and 1100 mm downstream from the upstream face of the orifice with respect to the flow velocity at various solid volume fractions for the orifice bores of (a) 10 mm, and (b) 15 mm.
The net pressure loss (ΔP) caused by the orifice is calculated by subtracting from ΔP13 the pressure loss (ΔPLd) caused by the straight pipe having the same length between pressure difference measuring locations:
The empirical equation reported by Zabd et al. [39] is utilized to evaluate ΔPLd for the pipe length of 1150 mm:
where, LLd is the pipe length, and D is the pipe diameter.
The pressure loss coefficient (K) is calculated according to the common definition:
The Metzner–Reed Reynolds number (), frequently employed in non-Newtonian fluid analysis [54], is introduced:
where, is the density of hydrate slurry. Empirical correlations for the consistency index k and behavior index n of Equation (8) were also available [39], which revealed the pseudoplastic non-Newtonian behavior of aqueous R134a hydrate slurry:
Figure 4 presents the variations of the pressure loss coefficients with the Metzner-Reed Reynolds number. Based on the near linear relationship between ln(K) and ln() recognized from plots with both axes scaled logarithmically, regression can be performed with the dimensionless model equation of the following type:
Figure 4.
Pressure loss coefficient as a function of the Metzner-Reed Reynolds number for the orifice bores of (a) 10 mm, and (b) 15 mm.
The exponent m is a constant having the same value for both orifice bores. A model equation for the multiplier C in Equation (11) can be further constructed as a function of , which may contain different sets of coefficient estimates for the respective orifice bore.
However, the highly nonlinear nature of Equation (11), especially with respect to [Equations (8)–(10)], causes a serious disadvantage when used for in situ determination of the solid volume fraction. The solution procedure of Equation (11) for from the measured pair of net pressure loss and flow velocity data is inevitably iterative. In order to determine the solid volume fraction of slurry without iteration, the net pressure loss (ΔP) is regressed as the simplest polynomial function of :
The results of regression shown in Figure 5 imply that Equation (12) well characterizes the linear relation between ΔP and for the given pair of U and orifice bore (d), despite the average value of slope m in Equation (11) being −0.616, which is noticeably different from −1, as shown in Figure 4. The minimum R2 value is larger than (0.99 and 0.97), when the orifice bore is (10 and 15) mm, respectively. The linear relation between ΔP and is better validated for the smaller orifice bore.
Figure 5.
Regression of net pressure loss drop as a linear function of solid volume fraction for the orifice bores of (a) 10 mm, and (b) 15 mm.
Figure 6 and Figure 7 present the results of regression for the slope “A” and intercept “B” of Equation (12) for the orifice bore of (10 and 15) mm, respectively. The minimum R2 values are larger than 0.99 for the slope, and 0.97 for the intercept, which values are not notable, because only four data are curve-fitted with the second order polynomial.
Figure 6.
Regression results of coefficients A (a) and B (b) in Equation (12) for the 10 mm orifice.

Figure 7.
Regression results of coefficients A (a) and B (b) in Equation (12) for the 15 mm orifice bore, using the net pressure loss.
Empirical correlations to determine the solid volume fraction of slurry from the measured values of net pressure loss and velocity are developed separately for the (10 and 15) mm orifice bores from Equation (12) and the regression results:
Figure 8 presents the reproduced solid volume fractions () using Equation (13) for the 10 mm bore orifice. The maximum error is 2.47 vol.%, and the standard error is 0.73 vol.%.
Figure 8.
Reproduced solid volume fractions using Equation (13) for the 10 mm bore orifice.
Figure 9 presents the reproduced solid volume fractions using Equation (14) for the 15 mm bore orifice. The maximum error is 8.45 vol.%, and the standard error is 2.6 vol.%. The relatively larger errors with the 15 mm bore orifice originate from the smaller R2 values (Figure 5).
Figure 9.
Reproduced solid volume fraction using Equation (14) for the 15 mm bore orifice.
The application of Equations (13) and (14) still requires iterative solution procedure, because the evaluation of ΔPLd using Equation (6) needs a priori knowledge of . Moreover, the pressure measurement location at far downstream distance of 1100 mm may not be acceptable for the compact desalination facility design. Figure 10 presents the short span pressure difference (ΔP12) between the pressures measured at 50 mm upstream (PO1) and 100 mm downstream (PO2) from the upstream face of the orifice.

Figure 10.
Regression of pressure drop as a linear function of the solid volume fraction for the orifice bores of (a) 10 mm, and (b) 15 mm.
The ΔP12 data were processed in the same way as the net pressure loss (ΔP), to yield the following empirical correlations;
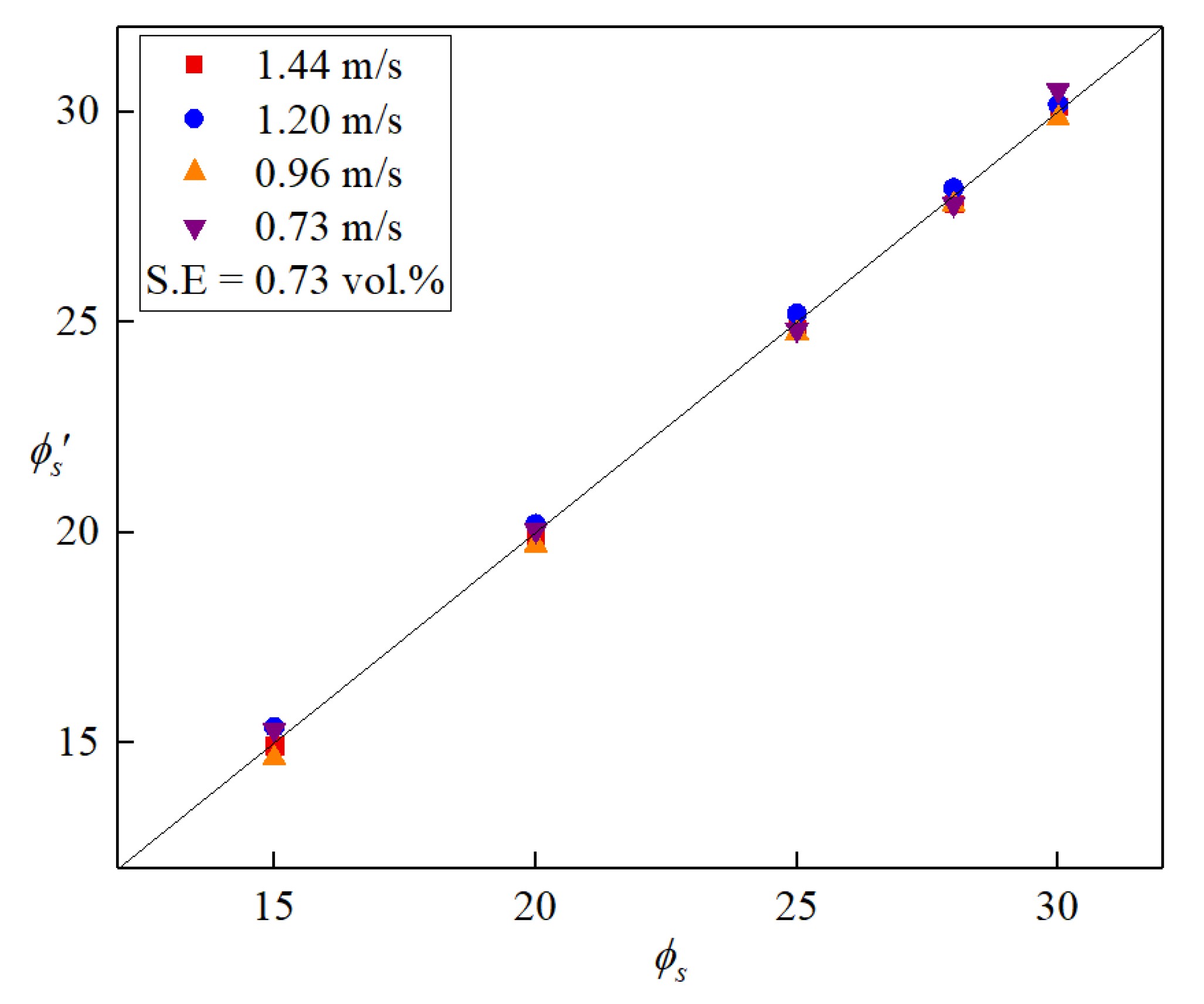
Figure 11 presents the reproduced solid volume fractions () using Equation (15). The maximum error is 2.33 vol.%, and the standard error is 0.68 vol.% (less than 4.6% of the determined solid volume fraction).
Figure 11.
Reproduced solid volume fractions using Equation (15) for the 10 mm bore orifice.
Figure 12 presents the reproduced solid volume fractions using Equation (16). The maximum error is 6.45 vol.%, and the standard error is 2.5 vol.%. The performance of Equation (15) is not inferior to that of Equation (13).
Figure 12.
Reproduced solid volume fraction using Equation (16) for the 15 mm bore orifice.
It is concluded that the solid volume fraction of aqueous R134a hydrate slurry can be monitored using Equation (15) from the measured flow rate and pressure difference between 50 mm upstream and 100 mm downstream from the upstream face of the square-edged orifice having a bore of 10 mm. The uncertainty is less than 12% of the determined solid volume fraction, in which about 7.2% is the biased uncertainty in obtaining raw solid volume fraction data [contributions (1)–(3) to the uncertainty in the solid volume fraction, as discussed in the “Experiments”], while about 4.6% is the random error resulting from the regression process, in addition to contribution (4). A short span between pressure measuring locations is advisable to ease the complexity of facility layout design and cost constraints. Comparing to the other technologies, this method is non-destructive, cost effective and does not require frequent calibration.
4. Conclusions
The empirical correlations were developed for in situ determination of the solid volume fraction from the measured pressure drop across the orifice and flow rate of R134a hydrate slurry. The conclusions drawn from the experimental results are as follows:
1. R134a hydrate slurry of the specified solid volume fraction can be formed within the flow loop chilled at 275 K by removing an appropriate amount of water, and simultaneously injecting the pertinent amount of R134a. The uncertainty in the thus-obtained solid volume fraction is smaller than 9%, with the largest contribution originating from the uncertain hydration number.
2. The velocity of slurry flow can be estimated from the rotation speed of the slash plate pump with the same uncertainty as employed for the volume flow meter after calibration.
The near linear relationship between ln(K) and ln() was recognized with the average value of slope m to be −0.616. However, the nonlinear nature with respect to inevitably makes the solution procedure for iterative. The evaluation of pressure loss (ΔPLd) caused by the straight pipe also requires a priori knowledge of .
3. The short span pressure difference (ΔP12) between the pressures measured at 50 mm upstream and 100 mm downstream of the 10 mm bore orifice were regressed as linear functions of to yield the empirical correlation, Equation (15), which showed excellent reproducibility.
4. The uncertainty is less than 12% of the thus-determined solid volume fraction, which includes about 7.2% of biased uncertainty in obtaining the raw solid volume fraction data, and about 4.6% of random error.
Author Contributions
Experiments, M.U. and Z.R.; conceptualization, Z.R.; analysis and data curation, M.U. and Z.R.; supervision, K.S. and M.H.S.; writing original draft, M.U.; reviewing and editing, M.H.S. All authors have read and agreed to the published version of the manuscript.
Funding
This work was supported by the Dongguk University Research Fund of 2019 and by the Korean government Ministry of Oceans and Fisheries (No. 20110141, “Development of key technology in seawater desalination using gas hydrate process”).
Conflicts of Interest
The authors declare no conflict of interest.
Nomenclature
| A | slope of equation regression Equation (12) | PO3 | pressure 1000 mm downstream of orifice | |
| B | intercept of equation regression Equation (12) | ΔP13 | difference between PO1 and PO3 | |
| D | pipe diameter | ΔPLd | pressure loss | |
| K | pressure loss coefficient | VT | total volume of the flow loop | |
| k | consistency index | PS | service loop pressure | |
| L | pipe length | r | hydration number | |
| LLd | straight pipe length | TS | service loop temperature | |
| MH2O | molecular weight of water | TT | tank temperature | |
| MR | molecular weight of R134a | XH2O | mass fraction of water | |
| mH2O,remove | net amount of water to be removed from the flow loop | ReMR | Metzner-Reed Reynold number | |
| n | behavior index | XR | mass fraction of R134a | |
| ΔP | net pressure loss | Greek Symbols | ||
| PT | test flow loop pressure | slurry solid fraction | ||
| PO1 | pressure upstream of orifice | Δ | difference | |
| PO2 | pressure 100 mm downstream of orifice | density of hydrate slurry | ||
References
- Zhang, P.; Ma, Z.W.; Wang, R.Z. An overview of phase change material slurries: MPCS and CHS. Renew. Sustain. Energy Rev. 2010, 14, 598–614. [Google Scholar] [CrossRef]
- Ma, F.; Zhang, P. A review of thermo-fluidic performance and application of shellless phase change slurry: Part 1 – Preparations, properties and applications. Energy 2019, 189, 116246. [Google Scholar] [CrossRef]
- Ma, F.; Zhang, P. A review of thermo-fluidic performance and application of shellless phase change slurry: Part 2—Flow and heat transfer characteristics. Energy 2020, 192, 116602. [Google Scholar] [CrossRef]
- Huang, L.; Petermann, M.; Doetsch, C. Evaluation of paraffin/water emulsion as a phase change slurry for cooling applications. Energy 2009, 34, 1145–1155. [Google Scholar] [CrossRef]
- Venkitaraj, K.P.; Suresh, S. Experimental study on thermal and chemical stability of pentaerythritol blended with low melting alloy as possible PCM for latent heat storage. Exp. Therm. Fluid Sci. 2017, 88, 73–87. [Google Scholar] [CrossRef]
- Gasia, J.; Miró, L.; de Gracia, A.; Barreneche, C.; Cabeza, L. Experimental Evaluation of a Paraffin as Phase Change Material for Thermal Energy Storage in Laboratory Equipment and in a Shell-and-Tube Heat Exchanger. Appl. Sci. 2016, 6, 112. [Google Scholar] [CrossRef]
- Kauffeld, M.; Wang, M.J.; Goldstein, V.; Kasza, K.E. Ice slurry applications. Int. J. Refrig. 2010, 33, 1491–1505. [Google Scholar] [CrossRef] [PubMed]
- Lee, H.-K.; Choi, K.-H.; Yoon, J.-I.; Moon, C.-G.; Jeon, M.-J.; Lee, J.-H.; Lee, K.-S.; Son, C.-H. Performance Characteristics of a Seawater Ice-Making Device Using a Scraped Surface Double Tube Evaporator. Appl. Sci. 2018, 8, 2063. [Google Scholar] [CrossRef]
- Youssef, Z.; Delahaye, A.; Huang, L.; Trinquet, F.; Fournaison, L.; Pollerberg, C.; Doetsch, C. State of the art on phase change material slurries. Energy Convers. Manag. 2013, 65, 120–132. [Google Scholar] [CrossRef]
- Chatti, I.; Delahaye, A.; Fournaison, L.; Petitet, J.P. Benefits and drawbacks of clathrate hydrates: A review of their areas of interest. Energy Convers. Manag. 2005, 46, 1333–1343. [Google Scholar] [CrossRef]
- Fukushima, S.; Takao, H.; Ogoshi, H.; Ida, S.; Matsumoto, T.; Akiyama, T.O. Development of High-Density Cold Latent Heat with Clathrate Hydrate. NKK Tech. Rep. 1999, 166, 65–70. [Google Scholar]
- Dendy Sloan, E. Clathrate Hydrates of Natural Gases; CRC Press: Boca Raton, FL, USA, 2008; ISBN 978-0-8493-9078-4. [Google Scholar]
- Englezos, P. Clathrate Hydrates. Ind. Eng. Chem. Res. 1993, 32, 1251–1274. [Google Scholar] [CrossRef]
- Lv, X.; Shi, B.; Wang, Y.; Gong, J. Study on gas hydrate formation and hydrate slurry flow in a multiphase transportation system. Energy Fuels 2013, 27, 7294–7302. [Google Scholar] [CrossRef]
- Ding, L.; Shi, B.; Lv, X.; Liu, Y.; Wu, H.; Wang, W.; Gong, J. Investigation of natural gas hydrate slurry flow properties and flow patterns using a high pressure flow loop. Chem. Eng. Sci. 2016, 146, 199–206. [Google Scholar] [CrossRef]
- Jai, S.; Sahith, K.; Pedapati, S.R. Applied sciences Investigation on Gas Hydrates Formation and Dissociation in Multiphase Gas Dominant Transmission Pipelines. Appl. Sci. 2020, 10, 5052. [Google Scholar]
- Saeedi, A.H.; Akbari, M.; Toghraie, D. An experimental study on rheological behavior of a nanofluid containing oxide nanoparticle and proposing a new correlation. Phys. E Low Dimensional Syst. Nanostructures 2018, 99, 285–293. [Google Scholar] [CrossRef]
- Yan, S.-R.; Toghraie, D.; Abdulkareem, L.A.; Alizadeh, A.; Barnoon, P.; Afrand, M. The rheological behavior of MWCNTs–ZnO/Water–Ethylene glycol hybrid non-Newtonian nanofluid by using of an experimental investigation. J. Mater. Res. Technol. 2020, 9, 8401–8406. [Google Scholar] [CrossRef]
- Derbyshire, W.; Van Den Bosch, M.; Van Dusschoten, D.; MacNaughtan, W.; Farhat, I.A.; Hemminga, M.A.; Mitchell, J.R. Fitting of the beat pattern observed in NMR free-induction decay signals of concentrated carbohydrate-water solutions. J. Magn. Reson. 2004. [Google Scholar] [CrossRef]
- Le Botlan, D.J.; Ouguerram, L. Spin-spin relaxation time determination of intermediate states in heterogeneous products from free induction decay NMR signals. Anal. Chim. Acta 1997, 349, 339–347. [Google Scholar] [CrossRef]
- Dejong, A.E.; Hartel, R.W. Determination of sorbitol crystal content and crystallization rate using TD-NMR. J. Food Eng. 2016, 178, 117–123. [Google Scholar] [CrossRef]
- Adam-Berret, M.; Boulard, M.; Riaublanc, A.; Mariette, F. Evolution of fat crystal network microstructure followed by NMR. J. Agric. Food Chem. 2011, 59, 1767–1773. [Google Scholar] [CrossRef] [PubMed]
- Adam-Berret, M.; Riaublanc, A.; Rondeau-Mouro, C.; Mariette, F. Effects of crystal growth and polymorphism of triacylglycerols on nmr relaxation parameters. 1. evidence of a relationship between crystal size and spin-lattice relaxation time. Cryst. Growth Des. 2009, 9, 4273–4280. [Google Scholar] [CrossRef]
- Trezza, E.; Haiduc, A.M.; Goudappel, G.J.W.; van Duynhoven, J.P.M. Rapid phase-compositional assessment of lipid-based food products by time domain NMR. In Magnetic Resonance in Chemistry; John Wiley & Sons, Ltd: Hoboken, NJ, USA, 2006; Volume 44, pp. 1023–1030. [Google Scholar]
- Lucas, T.; Le Ray, D.; Barey, P.; Mariette, F. NMR assessment of ice cream: Effect of formulation on liquid and solid fat. Int. Dairy J. 2005, 15, 1225–1233. [Google Scholar] [CrossRef]
- Mariette, F.; Lucas, T. NMR signal analysis to attribute the components to the solid/liquid phases present in mixes and ice creams. J. Agric. Food Chem. 2005, 53, 1317–1327. [Google Scholar] [CrossRef] [PubMed]
- Gribnau, M.C.M. Determination of solid/liquid ratios of fats and oils by low-resolution pulsed NMR. Trends Food Sci. Technol. 1992, 3, 186–190. [Google Scholar] [CrossRef]
- Muhamedsalih, Y.; Lucas, G.P.; Meng, Y.Q. A two-phase flow meter for determining water and solids volumetric flow rates in stratified, inclined solids-in-water flows. Flow Meas. Instrum. 2015, 45, 207–217. [Google Scholar] [CrossRef]
- Nasr-El-Din, H.; Shook, C.A.; Colwell, J. A conductivity probe for measuring local concentrations in slurry systems. Int. J. Multiph. Flow 1987, 13, 365–378. [Google Scholar] [CrossRef]
- Abouelwafa, M.S.A.; Kendall, E.J.M. The measurement of component ratios in multiphase systems using alpha -ray attenuation. J. Phys. E 1980, 13, 341–345. [Google Scholar] [CrossRef]
- Wang, J.; Li, F.; Gardner, R.P. On the use of prompt gamma-ray neutron activation analysis for determining phase amounts in multiphase flow. Meas. Sci. Technol. 2008, 19. [Google Scholar] [CrossRef]
- Roshani, G.H.; Feghhi, S.A.H.; Mahmoudi-Aznaveh, A.; Nazemi, E.; Adineh-Vand, A. Precise volume fraction prediction in oil-water-gas multiphase flows by means of gamma-ray attenuation and artificial neural networks using one detector. Meas. J. Int. Meas. Confed. 2014, 51, 34–41. [Google Scholar] [CrossRef]
- Tajouri, T.; Hommel, H. Dynamics and conformations of PEO chains chemically bonded on silica: Comparison between 1H and 2H NMR. Magn. Reson. Chem. 2007, 45, 488–495. [Google Scholar] [CrossRef] [PubMed]
- Roshani, G.H.; Nazemi, E.; Roshani, M.M. Intelligent recognition of gas-oil-water three-phase flow regime and determination of volume fraction using radial basis function. Flow Meas. Instrum. 2017, 54, 39–45. [Google Scholar] [CrossRef]
- Mennell, J.; Byrne, B.; Yan, Y. Appraisal of radiometric techniques to determine absolute solids fraction in pneumatic suspensions of particulate solids. Flow Meas. Instrum. 2000, 11, 213–221. [Google Scholar] [CrossRef]
- Lucas, G.P.; Cory, J.; Waterfall, R.C.; Loh, W.W.; Dickin, F.J. Measurement of the solids volume fraction and velocity distributions in solids-liquid flows using dual-plane electrical resistance tomography. Flow Meas. Instrum. 1999, 10, 249–258. [Google Scholar] [CrossRef]
- Hales, A.; Quarini, G.; Hilton, G.; Ash, D.; Lucas, E.; McBryde, D.; Yun, X. Ice fraction measurement of ice slurries through electromagnetic attenuation. Int. J. Refrig. 2014, 47, 98–104. [Google Scholar] [CrossRef]
- Delahaye, A.; Fournaison, L.; Jerbi, S.; Mayoufi, N. Rheological properties of CO2 hydrate slurry flow in the presence of additives. Ind. Eng. Chem. Res. 2011, 50, 8344–8353. [Google Scholar] [CrossRef]
- Rehman, Z.; Seong, K.; Lee, S.; Song, M.H. Experimental study on the rheological behavior of tetrafluoroethane (R-134a) hydrate slurry. Chem. Eng. Commun. 2018, 205, 822–832. [Google Scholar] [CrossRef]
- Ruhani, B.; Toghraie, D.; Hekmatifar, M.; Hadian, M. Statistical investigation for developing a new model for rheological behavior of ZnO–Ag (50%–50%)/Water hybrid Newtonian nanofluid using experimental data. Phys. A Stat. Mech. Appl. 2019, 525, 741–751. [Google Scholar] [CrossRef]
- Ruhani, B.; Barnoon, P.; Toghraie, D. Statistical investigation for developing a new model for rheological behavior of Silica–ethylene glycol/Water hybrid Newtonian nanofluid using experimental data. Phys. A Stat. Mech. Appl. 2019, 525, 616–627. [Google Scholar] [CrossRef]
- Xiao, P.; Yang, X.M.; Sun, C.Y.; Cui, J.L.; Li, N.; Chen, G.J. Enhancing methane hydrate formation in bulk water using vertical reciprocating impact. Chem. Eng. J. 2018, 336, 649–658. [Google Scholar] [CrossRef]
- Zhang, P.; Shi, X.J.; Ma, Z.W. Solid fraction determination in cold storage by tetra-n-butyl ammonium bromide clathrate hydrate slurry. Int. J. Refrig. 2013. [Google Scholar] [CrossRef]
- Clain, P.; Delahaye, A.; Fournaison, L.; Mayoufi, N.; Dalmazzone, D.; Fürst, W. Rheological properties of tetra-n-butylphosphonium bromide hydrate slurry flow. Chem. Eng. J. 2012. [Google Scholar] [CrossRef]
- Langlois, V.; Gautherin, W.; Laurent, J.; Royon, L.; Fournaison, L.; Delahaye, A.; Jia, X. Ultrasonic determination of the particle concentration in model suspensions and ice slurry. Int. J. Refrig. 2011, 34, 1972–1979. [Google Scholar] [CrossRef]
- Fournaison, L.; Chourot, J.M..; Guilpart, J. Different ice mass fraction measurement methods. In Proceedings of the 4th Workshop on Ice Slurries IIR-IIF, Osaka, Japan, 12–13 November 2001; pp. 41–48. [Google Scholar]
- Lee, J.W.; Lu, H.; Moudrakovski, I.L.; Ratcliffe, C.I.; Ohmura, R.; Alavi, S.; Ripmeester, J.A. 13C NMR studies of hydrocarbon guests in synthetic structure H gas hydrates: Experiment and computation. J. Phys. Chem. A 2011, 115, 1650–1657. [Google Scholar] [CrossRef] [PubMed]
- Muromachi, S.; Udachin, K.A.; Shin, K.; Alavi, S.; Moudrakovski, I.L.; Ohmura, R.; Ripmeester, J.A. Guest-induced symmetry lowering of an ionic clathrate material for carbon capture. Chem. Commun. 2014, 50, 11476–11479. [Google Scholar] [CrossRef]
- Rauh, F.; Mizaikoff, B. Spectroscopic methods in gas hydrate research. Anal. Bioanal. Chem. 2012, 402, 163–173. [Google Scholar] [CrossRef]
- Rondeau-Mouro, C.; Delahaye, A.; Cambert, M.; Fournaison, L.; Mariette, F. Characterization of solid content and distinction between type A and B crystals of TBAB hydrates by Time Domain NMR. Chem. Eng. Sci. 2015, 138, 544–551. [Google Scholar] [CrossRef]
- Poole, R.J.; Ridley, B.S. Development-length requirements for fully developed laminar pipe flow of inelastic non-Newtonian liquids. J. Fluids Eng. Trans. ASME 2007, 129, 1281–1287. [Google Scholar] [CrossRef]
- Hashimoto, S.; Makino, T.; Inoue, Y.; Ohgaki, K. Three-phase equilibrium relations and hydrate dissociation enthalpies for hydrofluorocarbon hydrate systems: HFC-134a, -125, and -143a hydrates. J. Chem. Eng. Data 2010, 55, 4951–4955. [Google Scholar] [CrossRef]
- Jeong, K.; Choo, Y.S.; Hong, H.J.; Yoon, Y.S.; Song, M.H. Tetrafluoroethane (R134a) hydrate formation within variable volume reactor accompanied by evaporation and condensation. Rev. Sci. Instrum. 2015, 86. [Google Scholar] [CrossRef]
- Metzner, A.B.; Reed, J.C. Flow of Non-Newtonian Fluids-Correlation of the Laminar, Transition, and Turbulent-flow Regions. Aiche J. 1955, 1, 434–440. [Google Scholar] [CrossRef]
© 2020 by the authors. Licensee MDPI, Basel, Switzerland. This article is an open access article distributed under the terms and conditions of the Creative Commons Attribution (CC BY) license (http://creativecommons.org/licenses/by/4.0/).














