Horizontal Deformation Monitoring of Concrete Pile with FRP-Packaged Distributed Optical-Fibre Sensors
Abstract
:1. Introduction
2. Introduction to FRP-Packaged Distributed Optical-Fibre Sensors
2.1. Strain-Sensing Principle
2.2. FRP-Packaged Distributed Optical-Fibre Sensors
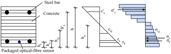
3. Distributed Deformation Monitoring of Concrete Piles under Horizontal Loads Based on Distributed Strain Sensing
4. FE Model Simulation
4.1. Description of FE Model
4.2. FE Simulation Results
4.3. Verification of Deformation Calculation
5. Static Experiments of Concrete Pile Specimen
5.1. Description of Experiments
5.2. Experimental Results and Analysis
5.2.1. Strain Measurement Results
5.2.2. Results of Horizontal Deformation
5.3. Verification of Deformation Calculation
6. Conclusions and Remarks
- (1)
- The proposed FRP-packaged distributed optical-fibre sensor can be applied to monitor the distributed strain distribution of concrete pile structures, even in great-damage cases, such as reinforcement yielding.
- (2)
- Based on the typical Winkler beam model, the horizontal deformation of a concrete pile can be calculated with the input of the distributed strain measurements, even when considering the development of structural damage, such as concrete cracking and reinforcement yielding.
- (3)
- The proposed method is verified to have good accuracy by the results of the FE simulation and static experiments. Before the case of reinforcement yielding, the deformation measurement error with the proposed method is about 1 mm. It can be up to several millimetres after reinforcement yielding due to the large gap between the calculation model and the actual structure, while the relative measurement error is still about 10%.
Author Contributions
Funding
Data Availability Statement
Conflicts of Interest
Abbreviations
| LVDTs | Linear-variable differential transformers |
| VWSGs | Vibrating-wire strain gauges |
| BOTDA | Brillouin optical time-domain analysis |
| BOFDA | Brillouin optical frequency-domain analysis |
| FBG | Fibre Bragg grating |
| FRP | Fibre-reinforced polymer |
| FE | Finite element |
References
- Pei, H.F.; Teng, J.; Yin, J.H.; Chen, R. A review of previous studies on the applications of optical fiber sensors in geotechnical health monitoring. Measurement 2014, 58, 207–214. [Google Scholar] [CrossRef]
- Yu, P.Y.; Shen, Y.L.; Ren, Y.Z. Long-term performance of a deep excavation in silty clay in Xi’an-A case Study. Buildings 2022, 12, 1952. [Google Scholar] [CrossRef]
- Seo, H. Monitoring of CFA pile test using three dimensional laser scanning and distributed fiber optic sensors. Opt. Lasers Eng. 2020, 130, 106089. [Google Scholar] [CrossRef]
- Zhang, Y.; Hu, X.; Tannant, D.D.; Zhang, G.; Tan, F. Field monitoring and deformation characteristics of a landslide with piles in the Three Gorges Reservoir area. Landslides 2018, 15, 581–592. [Google Scholar] [CrossRef]
- Asua, E.; Feutchwanger, J.; García-Arribas, A.; Etxebarria, V. Sensorless control of SMA-based actuators using neural networks. J. Intell. Mater. Syst. Struct. 2010, 21, 1809–1818. [Google Scholar] [CrossRef]
- Xiang, B.; Zhang, L.M.; Zhou, L.R.; He, Y.Y.; Zhu, L. Field lateral load tests on slope-stabilization grouted pipe pile groups. J. Geotech. Geoenviron. Eng. 2015, 141, 04014124. [Google Scholar] [CrossRef]
- Kershaw, K.A.; Luna, R. Full-scale field testing of micropiles in stiff clay subjected to combined axial and lateral loads. J. Geotech. Geoenviron. Eng. 2014, 140, 255–261. [Google Scholar] [CrossRef]
- Lirer, S. Landslide stabilizing piles: Experimental evidences and numerical interpretation. Eng. Geol. 2012, 149, 70–77. [Google Scholar] [CrossRef]
- Krisada, C.; Nazam, A.; Phatthanayu, P.; Nakhorn, P.; Panuwat, J.; Hisham, M.; Mingliang, Z.; Qudeer, H. Flexural behavior of natural hybrid FRP-strengthened RC beams and strain measurements using BOTDA. Polymers 2021, 13, 3604. [Google Scholar]
- Xu, D.S.; Yin, J.H.; Liu, H.B. A new measurement approach for deflection monitoring of large-scale bored piles using distributed fiber sensing technology. Measurement 2018, 117, 444–454. [Google Scholar] [CrossRef]
- Li, D.N.; Ma, D.S.; Su, D.; Rao, S.H.; Wang, W.B.; Hong, C.Y. Monitoring Axial Force Development in a Super-Long Pile during Construction Using BOFDA and Data Interpretation Approaches: A Case Study. Buildings 2022, 12, 1462. [Google Scholar] [CrossRef]
- Pelecanos, L.; Soga, K.; Chunge, M.P.M.; Ouyang, Y.; Kwan, V.; Kechavarzi, C.; Nicholson, D. Distributed fibre-optic monitoring of an Osterberg-cell pile test in London. Géotech. Lett. 2017, 7, 152–160. [Google Scholar] [CrossRef]
- Mohamad, H.; Soga, K.; Pellew, A.; Bennett, P.J. Performance monitoring of a secant-piled wall using distributed fiber optic strain sensing. J. Geotech. Geoenviron. Eng. 2011, 137, 1236–1243. [Google Scholar] [CrossRef]
- Motamedi, M.H.; Feng, X.; Zhang, X.; Sun, C.; Ansari, F. Quantitative investigation in distributed sensing of structural defects with Brillouin optical time domain reflectometry. J. Intell. Mater. Syst. Struct. 2012, 24, 1187–1196. [Google Scholar] [CrossRef]
- Hong, C.Y.; Zhang, Y.F.; Liu, L.Q. Application of distributed optical fiber sensor for monitoring the mechanical performance of a driven pile. Measurement 2016, 88, 186–193. [Google Scholar] [CrossRef]
- Zhou, Z.; He, J.; Chen, G.; Ou, J. A smart steel strand for the evaluation ofprestress loss distribution in post-tensioned concrete structures. J. Intell. Mater. Syst. Struct. 2009, 20, 1901–1912. [Google Scholar] [CrossRef]
- Tang, Y.S.; Wu, Z.S.; Yang, C.Q.; Wu, G. A model-free damage identification method for flexural structures using dynamic measurements from distributed long-gage macro-strain sensors. J. Intell. Mater. Syst. Struct. 2014, 25, 1614–1630. [Google Scholar] [CrossRef]
- Tang, Y.S.; Wu, Z.S. Distributed long-gauge optical fiber sensors based self-sensing FRP bar for concrete structure. Sensors 2016, 16, 286. [Google Scholar] [CrossRef]
- Zhou, G.; Zhang, Z.; Ren, L.; Li, D.; Zhao, X. Design of smart cable for distributed cable force measurement in cable dome structures and its application. Buildings 2023, 13, 2186. [Google Scholar] [CrossRef]
- Shafighfard, T.; Mieloszyk, M. Model of the temperature influence on additively manufactured carbon fibre reinforced polymer samples with embedded fibre Bragg grating sensors. Materials 2022, 15, 222. [Google Scholar] [CrossRef]
- Zeni, L.; Picarelli, L.; Avolio, B.; Coscetta, A.; Papa, R.; Zeni, G.; Di Maio, C.; Vassallo, R.; Minardo, A. Brillouin optical time-domain analysis for geotechnical monitoring. J. Rock Mech. Geotech. Eng. 2015, 7, 458–462. [Google Scholar] [CrossRef]
- Zhang, H.; Wu, Z.S. Performance evaluation of BOTDR-based distributed fiber optic sensors for crack monitoring. Struct. Health Monit. 2008, 7, 143–156. [Google Scholar] [CrossRef]
- Tang, Y.S.; Wu, Z.S.; Yang, C.Q.; Wu, G. A new type of smart BFRP bars as both reinforcements and sensors for civil engineering application. Smart Mater. Struct. 2010, 19, 115001. [Google Scholar] [CrossRef]
- Wu, G.; Dong, Z.Q.; Wang, X.; Zhu, Y.; Wu, Z.S. Prediction of long-term performance and durability of BFRP bars under the combined effect of sustained load and corrosive solutions. J. Compos. Constr. 2015, 19, 04014058. [Google Scholar] [CrossRef]
- Ali, A.H.; Mohamed, H.M.; Benmokrane, B.; Adel ElSafty, A.; Chaallal, O. Durability performance and long-term prediction models of sand-coated basalt FRP bars. Compos. Part B Eng. 2018, 157, 248–258. [Google Scholar] [CrossRef]
- Abdul-Shafi, A.K. Solutions Using Conjugate Elements. J. Struct. Div. 1980, 106, 1–5. [Google Scholar] [CrossRef]
- GB50010-2010; Code for Design of Concrete Structure. Ministry of Housing and Urban–Rural Development of the People’s Republic of China. Code of China: Beijing, China, 2010.
- Wu, S.C.; Xiong, L.F.; Zhang, S.H. Strength reduction method for slope stability analysis based on a dual factoring strategy. Int. J. Geomech. 2018, 18, 04018123. [Google Scholar] [CrossRef]
















| Material | Elastic Modulus (GPa) | Density (kg/m3) | Poisson’s Ratio | Compressive Strength (MPa) | Tensile Strength (MPa) | Cohesive Force (kPa) | Internal Friction Angle (°) |
|---|---|---|---|---|---|---|---|
| Concrete | 29.8 | 2500 | 0.17 | 20.1 | 2.01 | ||
| Steel | 200 | 7800 | 0.30 | 400 | 400 | ||
| FRP | 60 | 2000 | 0.2 | 500 | 1000 | ||
| Soil | 0.26 | 1900 | 0.42 | 19 | 31 |
Disclaimer/Publisher’s Note: The statements, opinions and data contained in all publications are solely those of the individual author(s) and contributor(s) and not of MDPI and/or the editor(s). MDPI and/or the editor(s) disclaim responsibility for any injury to people or property resulting from any ideas, methods, instructions or products referred to in the content. |
© 2023 by the authors. Licensee MDPI, Basel, Switzerland. This article is an open access article distributed under the terms and conditions of the Creative Commons Attribution (CC BY) license (https://creativecommons.org/licenses/by/4.0/).
Share and Cite
Tang, Y.; Cao, M.; Li, B.; Chen, X.; Wang, Z. Horizontal Deformation Monitoring of Concrete Pile with FRP-Packaged Distributed Optical-Fibre Sensors. Buildings 2023, 13, 2454. https://doi.org/10.3390/buildings13102454
Tang Y, Cao M, Li B, Chen X, Wang Z. Horizontal Deformation Monitoring of Concrete Pile with FRP-Packaged Distributed Optical-Fibre Sensors. Buildings. 2023; 13(10):2454. https://doi.org/10.3390/buildings13102454
Chicago/Turabian StyleTang, Yongsheng, Mengfei Cao, Bo Li, Xuhui Chen, and Zhenyu Wang. 2023. "Horizontal Deformation Monitoring of Concrete Pile with FRP-Packaged Distributed Optical-Fibre Sensors" Buildings 13, no. 10: 2454. https://doi.org/10.3390/buildings13102454
APA StyleTang, Y., Cao, M., Li, B., Chen, X., & Wang, Z. (2023). Horizontal Deformation Monitoring of Concrete Pile with FRP-Packaged Distributed Optical-Fibre Sensors. Buildings, 13(10), 2454. https://doi.org/10.3390/buildings13102454

