You are currently viewing a new version of our website. To view the old version click .
Buildings
  • Review
  • Open Access

31 October 2022

Large Panel System Technology in the Second Half of the Twentieth Century—Literature Review, Recycling Possibilities and Research Gaps

,
and
1
Department of Materials Engineering and Construction Processes, Wroclaw University of Science and Technology, Wybrzeże Wyspiańskiego 27, 50-370 Wroclaw, Poland
2
Faculty of Civil Engineering, Cracow University of Technology, 24 Warszawska Str., 31-155 Cracow, Poland
*
Author to whom correspondence should be addressed.
This article belongs to the Collection Utilization of Waste Materials in Building Engineering

Abstract

Large panel system (LPS) buildings, during the 1950s–1990s, were the most widespread among precast systems and are still a huge part of some national housing stocks. Disadvantages in characteristics, poor quality of all construction stages, sudden disasters and poor retrofit and repair techniques can result in demolishing some LPS buildings and thus the creation of huge amounts of waste. There is urgent need of evaluating the possibility of reusing the elements of LPS buildings. The novelty of the article is based on the formulation of research gaps in terms of recycling these buildings and the justification of such need. The authors reviewed the current state of knowledge regarding characteristics of LPS buildings, directions of retrofitting, durability and their locations within cities. The possibility of recycling elements of LPS buildings was analysed. The findings are that concrete load bearing panels, proved to be in satisfactory conditions in terms of strength and durability, have the possibility to be recycled into recycled coarse aggregate (RCA), so such waste could be beneficial for concrete. However, there are research gaps of such an application highlighted in the text. The authors suggest that conducting comprehensive basic research in this area could have significant benefits for the next generation of researchers and engineers.

1. Introduction

Prefabricated (also known as “precast”) systems can be divided into four categories, as shown in Figure 1, based on the load bearing structure. Below are the characteristics of the individual systems.
Frame system sub-assemblages can be placed away from the critical frame regions; linear elements are easier to assemble in terms of forming, handling and erecting spatial elements []. Linear elements are generally preferred and their assembly means placing the connecting faces at the beam–column junctions. The beams that are seated on corbels at the columns to aid the shear transfer from the beam to the column are called hinged. Rigid beam–column connection can be used when the continuity of longitudinal reinforcement through the joint must be provided. Figure 2a,b present elements of a frame system [,].
The lift-slab system consists of prefabricated concrete columns (usually two storeys high) and slabs []. All precast elements are connected by using joints. Slabs are poured in forms on the ground, then lifted by cranes to the final height (Figure 2c,d) [].
Another category is a system based on prefabricated slabs and columns to form a frame structure–slab-column system. (shown in Figure 2e). Slabs and columns are prestressed in two directions so the whole construction can be stable and continuous. (Figure 2f) []. Although the slab-column system was designed particularly for high-rise buildings, it can to be applied in public utility buildings (schools, hospitals, offices) and single-family row housing units [,,,].
Figure 1. Four typical types of prefabricated constructions based of the load bearing structure (based on the information provided in [,]).
Figure 2. Elements of frame system: (a) a cruciform, (b) key load-bearing elements in a perspective. Elements of lift-slab: (c) key load-bearing elements (d) plan of a typical building. Elements of slab-column or IMS system: (e) axonometric view of basic components (f) column–slab joint (based on the information provided in []).
Large panel systems are multistorey structures composed of prefabricated panels for floors and walls, connected in the vertical and horizontal directions to form a box-like structure. Wall panels are usually one storey high; roof and floor panels act as one-way or two-ways slabs []. All the panels (vertical and horizontal) resist gravity loads—joined horizontal panels act as diaphragms, transferring lateral loads to the walls []. Typically, walls are sandwich panels, consisting of two concrete leaves separated by a layer of expanded polystyrene with stainless steel ties to connect the leaves.
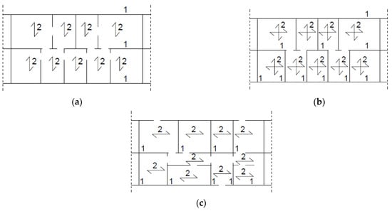
LPS can be typically divided into three categories based on wall layout: longitudinal, cross-wall and transverse, as showed in Figure 3. The key structural components in these structures are panel connections–joints []. They can be classified based on their location and construction method, as shown in Table 1.
Figure 3. Typical configuration of panels: (a) longitudinal (b) cross-wall (c) transverse, where 1—load bearing walls and 2—direction of floor spans.
Table 1. Classification of joints based on their location and construction method (based on the information provided in [,]).
This manuscript focuses mainly on the large panel system, due to its greatest contribution in European and national (especially in Eastern Europe) housing stock among other precast systems. According to [], if only urban residents are taken into account, 50% of the population of Poland lives in LPS estates. In [], the authors revised the condition state of multifamily housing stock in the Russian Federation. Total area of LPS buildings equals 776.3 mln m2, from which 4.5 mln m2 are recognised as accident-prone. In [], comparison between several countries’ LPS stock was presented. Several problems when applying LPS in the local Malaysian market were highlighted, such as lack of skilled workers, importing prefabricated elements from other countries and low quality with high construction cost. Authors of [] noted that in former socialist European countries, up to 40% of people live in a mass housing development, while in Western European countries, it is 10% of people. In Russia, about 50% of the big cities’ housing fund includes panel buildings, block and brick houses from 1950–1970. This creates problems, such as aging in the same manner, forcing renovation of many buildings at the same time, visually questionable modernist style and technical standards not complying with modern ones. The contribution of LPS construction is shown in Figure 4. From the 1970s to 1990s, depending on the country, LPS construction was abandoned due to criticism of the building’s monotony, low technical standards of construction and high operating costs. From then on, endless discourses take place regarding what to do with the large panels, whether the blocks are technically efficient and whether the residents should be worried about their flats being demolished. Large-scale demolitions took or have been taking place in Western Europe as an attempt to mitigate social segregation and due to urban area shrinkage. It is assumed that Eastern European countries will follow this trend. Emphasising the circular economy concept, there is a potential of recycling demolition waste from LPS buildings into new concrete mixes. However, no data was found on such topic in the Scopus database.
Figure 4. Contribution of LPS flats: (a) in selected EU countries (b) in Poland in years 1946–1992 (based on the information provided in [,]).
According to [], old buildings should be seen as resources of building materials. The only research studies available present possibilities of re-using concrete panels from buildings. Huuhka et al. was analysing Finnish housing stock. In [], it was concluded that floor slabs and wall panels from one average residential building could build up to nine single-family houses. However, even if some systems such as Dutch DC-20 were thought to be deconstructed and re-used, the majority of large panel systems were not designed this way []. Additionally, especially during random causes, such as a gas explosion that occurred in Magnitogorsk, Russia [], concrete panels can be broken, damaged or even crushed.
Niemela et al. [] determined the cost-optimal renovation concepts of typical large panel-structured apartment buildings located in cold climate conditions in Finland. The survey indicated that the external concrete layer and the original thermal insulation are typically demolished when the outer concrete layer is showing signs of carbonization.
Meanwhile, large-scale demolitions took or have been taking place in Western Europe, mainly UK, Germany, France and Netherlands, as an attempt to mitigate social segregation and due to urban area shrinkage []. The demolishing operation of a high-rise building is very complicated and leaves huge amounts of waste, impossible to re-use as complete and undamaged panels in new constructions [].
To identify such possibilities, the article provides an overview of the current state of knowledge on the large panel system technology in civil engineering in the second half of the 20th century. Based on the literature, the authors identified trends in other research studies and described selected characteristics of LPS buildings. The novelty of the manuscript lies in formulating knowledge gaps regarding maintenance, demolitions and the possibility of elements’ recycling.

2. Scientometric Analysis of the Bibliometric Data

In order to investigate what is the trend of research studies concerning large panel system buildings, a scientometric analysis of the bibliometric data has been carried out. It enables creation of scientific visualization to analyse data for a variety of purposes and establishes a connection between sources, keywords, authors, articles and countries within a given research area. By using maps and connections between bibliometric data, one can relatively easily spot the most frequently recurring topics in which the searched keywords appear. Scientometric analysis is used by authors of various scientific fields [,,,], including the concrete and construction industry [].
The endless discussion on LPS technology resulted in numerous documents on various topics. Because of the highest coverage of all databases (20% more than Web of Science), the disadvantage of Google Scholar results in inconsistent accuracy; therefore, Scopus was chosen for further citation analysis [,]. Scopus covers nearly 36,377 titles from approximately 11,678 publishers [] and was used to compile the bibliometric data for the current analysis on large panel system technology in civil engineering. A data search was conducted in January 2022. The searched keywords in Scopus were “Large Panel System Building”. The subject area included the following fields: engineering, material science, environmental science, computer science and energy, and resulted in 1446 documents written in English. Data from Scopus were exported in the comma separated values (CSV) format to import it in a suitable software tool. The science mapping and visualization were created using VOSviewer version: 1.6.17 (developed by Leiden University’s Centre for Science and Technology Studies, Ledien, The Netherlands). VOSviewer is a software tool for constructing and visualizing bibliometric networks based on citation, bibliographic coupling, co-citation or co-authorship relations. []. Maps to illustrate the various parameters, their relationships and co-occurrence with the most frequently occurring keywords were analysed. The minimum number of occurrences for a keyword was set to 10, and among 12,476 keywords, 292 of them met the threshold.
The results—the co-occurrence visualization of keyword networks, their connections and the density associated with their correlation frequency—are presented in Figure 5a. The size of a keyword node denotes its frequency, whereas its location denotes its co-occurrence in publications. The colours red, green, blue, yellow and purple were used to identify five clusters and to highlight their co-occurrence in distinct publications. Cluster 1 (red) contained 102, cluster 2 (green) 101, cluster 3 (blue) 66, cluster 4 (yellow) 22 and cluster 5 (purple) 1 keyword. In Figure 5b, yellow, green and blue colours represent the density concentration of keywords. Yellow represents the highest density while blue the lowest. The visualisation can not only help in finding trends in large panel system buildings, but also guide future authors to choose presented keywords to find published data on a specific topic. From the results, one can see that the topics concerning large panel system technology are grouped in four large clusters. The red cluster represents the construction: structural design of buildings, construction materials and durability of structures (stiffness, seismology, deformation and retrofitting). The green cluster is connected to the environment and sustainable development, with the most used keyword photovoltaic cells. The blue cluster deals with energy efficiency and its utilization. The last big cluster, yellow, presents social factors in large panel system technology. Considering all keywords together, there is a strong trend in broadly understood modernization of LPS. Improving living conditions, limited environmental impact and extending service life seem to be popular topics. However, there are no keywords for words reusing, recycling or demolition, indicating that there are few or no research studies concerning re-use of panels or recycling concrete in the event of planned or accidental demolition.
Figure 5. Results of scientometric analysis: (a) keywords network visualisation (b) keywords density visualisation.

3. History of Large Panel System

Due to many reasons, including economic development and the political situation after World War II, the history of LPS technology and its usage is different for Western and Eastern Europe. The authors do understand that every country has its own history regarding LPS technology. However, for simplicity, one can observe similar trends in the West and separately for the East, as shown in Figure 6.
Figure 6. The most important dates from history of large panel system technology with (a) Western Europe (b) Eastern Europe—Polish example (based on information provided in [,,,,,]).
For the first time, precast concrete elements were used in the Netherlands during the construction of the Betondorp estate in the suburbs of Amsterdam in 1923–1927 []. In the year 1968, the perspective of LPS technology changed. A gas explosion in Ronan Point apartment tower in London resulted in a partial collapse of the structure that killed four people and injured 17. The causes of the disaster were the lack of alternative paths to redirect the load in case of an unexpected event and poor connections between panels []. Due to the Ronan Point collapse, building codes in many countries were updated with structural integrity or “robustness” provisions [,]. Due to the tragedy and the increasing costs of heavy transport, as early as the mid-1970s, Western countries started to abandon the construction of further facilities in large panel technology on a large scale, and later on, started the process of gradual demolition of some of them.
In contradiction, Eastern European countries started to use LPS technology only after the Second World War. This was justified as most of the major cities were destroyed and the industry was devastated [,]. Firstly, large block system technology (LBS) was introduced with prefabricated concrete slabs/blocks with a height of the entire storey and a width of less than 2.40 m. In the following years, LBS technology was superseded with LPS, allowing for a greater flexibility in dimensions, thus better satisfying the growing housing need. Different types of LPS technology were based on modular grid, storey height, spans and spacing []. The urbanization of Eastern Europe after World War II followed a dynamic course, completely transforming the country from rural to urban. Between 1950 and 1997, the share of urban areas in Poland has increased from 42.5% to 61.7% of total population []. Contribution of buildings per year in Figure 7 confirms that one of the key factors in dynamic urbanization was the usage of large panel system technology in construction. It can be easily noticed that with the introduction of LPS, LBS and other construction techniques began to be less and less popular. However, in the 1990s, LPS technologies were abandoned due to criticism of the building’s monotony, low technical standards of construction and high operating costs. This chapter aims to demonstrate that some LPS buildings still in use in Eastern Europe are now a similar age as when LPS buildings from Western Europe started to be demolished. If the trend will be followed, the result can be the creation of huge amounts of waste that should be, if possible, recycled and re-used.
Figure 7. Contribution of buildings in years 1970–1985 in Poland (based on the information provided in []).

4. Selected Characteristics of Large Panel System Technologies Having Impact on Their Durability

After the construction boom period involving LPS technology in the 1960s, two main events occurred: in 1963 many LPS buildings in Skopje, North Macedonia, were destroyed because of the earthquake and, in 1968, the partial collapse of Ronan Point occurred due to a gas explosion. Both events led, ultimately, to the creation of huge amounts of waste []. After that, attention was focused on the need of addressing abnormal loads in the design of towers and joints, the weakest points in the structure, in order to prevent accidental collapses. Unfortunately, even today, regulations remain rather generic and there are no specific, exhaustive codes against abnormal loads. This and the poor quality of all construction stages show LPS technology in a very bad light. These are the reasons LPS technology was abandoned in Western Europe in 1970 (see Section 3), and the authors believe similar processes will happen in Eastern and Central Europe. The disadvantages having an impact on LPS durability have been discussed in this section. Authors suggest there is an urgent need of evaluating waste from LPS buildings for recycling as some of the buildings will be destroyed. However, one of the still valid advantages is concrete load bearing panels are—even today—in good condition. In case of a demolition (planned or accidental), there is potential to re-use them in new constructions, which would be beneficial for the environment.

4.1. Seismic Resistance

Firstly, one should ask why LPS buildings are so vulnerable to earthquakes. During ground motions arising from earthquakes, the ductility of steel framed or in-situ concrete structures is responsible for dissipating energy. In LPS structures, developing flexural ductility is difficult to achieve due to the limited vertical continuity. A. Pall, C. Marsh and P. Fazio, in [], stated that for LPS buildings designed for earthquake resistance, the damage of developing cracks usually affects only the joints with minor or no damage to panels. A non-linear behaviour is applied to the entire building along the joints, while the panels remain in the elastic range. The suggestion was that panel connection should be maximized for energy dissipation capacity since it is the only location possible for this process. In [], A. Pall suggests that the vertical joints are the most suitable for it. Under the flexible action of the cantilevered shear walls, even after an energy dissipation slip, they can return to their previous position. To the best of the authors’ knowledge, no jointing system in 1980 and before could function as an efficient means of energy dissipation and at the same time fulfil basic design assumptions and carry the usual service loads without exceeding the elastic range. Thus, A. Pall, C. Marsh and P. Fazio, in [], concluded that only developing the limited slip bolted joint (Figure 8) meets the requirements of an efficient energy dissipating connection with elasto-plastic behaviour and stable hysteretic characteristics.
Unfortunately, especially in the beginning of designing LPS buildings, in areas where earthquake is marked as a major risk, because of no codes available, seismic resistance of buildings was no major concern. As an example, in Bosnia and Hercegowina, structures built up to about 1965 had no seismic code applied, as no such regulations existed in that time there []. Another example is North Macedonia, where a lot of LPS multi-storey family houses suffered a wide range of damage or collapsed, implicating serious causalities during the 1963 earthquake []. The remaining ones were subject to structural rehabilitation and strengthening by means of inserting new extra horizontal and vertical reinforced concrete strips and throwing in supporting pillars within massive structural walls []. After 1963, LPS buildings in North Macedonia started to be better quality and safer to resist strong seismic activity in the region. According to the survey, buildings that were built after the earthquake (the most in the 1970s, around 70% of national stock) are mostly in good condition [,]. Still, no evidence was found that LPS waste from the earthquake was somehow re-used or recycled, which would be beneficial if such events ever occurred again.
Figure 8. Details of limited wall-to-wall slip bolted joint: (a) elevation (b) insert (c) connecting plate (d) section (based on the information provided in []).

4.2. Structural Integrity and Progressive Collapse

The Ronan Point example showed that progressive or disproportionate collapse (Figure 9) occurs when a small part of the building is damaged by any form of abnormal load, and the whole structure losses its stability. LPS buildings are structures vulnerable to it, lacking flexural ductility and continuity []. Because identifying and eliminating the hazard can be in some cases impossible, designing all elements to be robust to withstand abnormal loads is expensive; the most acceptable solution seems to be designing alternative paths to redirect the load while the local failure occurs [].
In order to develop a design for alternative load paths, a maximum damage volume or area must be defined. It can be achieved using []:
  • direct approach (notional removal of structural elements, accurate but troublesome and time-consuming);
  • indirect approach (seeking and verifying alternate load paths, allows to evaluate indirect design, can be applied to many forms of structure).
Because of the structure with vertical and horizontal joints, other research studies lean towards the indirect approach in the case of LPS buildings [,].
In the 1970s, the Portland Cement Association (PCA), under the sponsorship of Housing and Urban Development (HUD), conducted research on the structural integrity and progressive collapse resistance of LPS structures. The results of their work are shown in Table 2 and Table 3.
Table 2. Results of tests by the Portland Cement Association (based on the information provided in [,,,,]).
Table 2. Results of tests by the Portland Cement Association (based on the information provided in [,,,,]).
Analysed ElementTestingResults
Cantilever behaviour of walls while removing a panelScale model depicting a six-storey building where five of them acted as a cantilever over the removed wall. The loading included floor dead load, partition dead load and 1/3 of the live load for the catastrophic conditionThe cantilever behaviour of the walls is the main mechanism for unfolding alternate load paths. The cantilever rest moment depends on the tension at the joints on each storey and the compression at the lowest level.
The slab suspension mechanismRemoval of the support between two full-size floor slabs (jointed in the centre)The slab suspension provided an additional alternate load path. Tensile joints above the damaged area provided partial support for the load.
Horizontal joints, the transmission to the vertical loads and the potential for wall splittingHorizontal joints with platform framing. The analysed properties: mortar strength, amount of wall transverse reinforcement, filled or unfilled slab cores, applied moment and rotationResults enabled the design of guidelines for the joints based on the variables investigated.
Table 3. Horizontal and vertical joints–recommendations based on results (based on the information provided in [,,,,]).
Table 3. Horizontal and vertical joints–recommendations based on results (based on the information provided in [,,,,]).
Name of the JointRoleCharacteristics
Transverse jointTo transfer vertical shear from the walls above the damage to adjacent walls in the line of the damaged wall by providing cantilever and beam actionTo be installed in floor and roof systems and over interior wall supports and between members and exterior walls, the joints should provide a nominal strength of 2.03 kNm (1500 lb*ft) with enough shear strength to prevent horizontal panels from sliding. Spacing of bearing walls should also be the maximal spacing of joints perpendicular to floor or roof slab spans.
Longitudinal jointTo develop membrane action of the floorSpacing of the joints parallel to the span of the ceiling or the roof slab should be at intervals of maximum 3 m. It must be ensured that the forces are transmitted around the openings.
Vertical jointTo develop suspension action on ineffective walls to reduce debris loadTo be installed in all walls and along the height of the building, the joints should provide a nominal tensile strength not less than 4.07 kNm (3000 lb*ft). Each panel should have at least two joints.
Figure 9. Problems with structural integrity in LPS buildings: (a) immediate local damage followed by (b) progressive collapse (based on the information provided in []).
Currie et al. [] defined typical defects of joints in LPS buildings: lack of or poorly compacted dry-pack, reinforcement bars and anchors not correctly located or lapped in the joints, small diameter bars and their different end treatment or reinforcement cut-off or bent back from the concrete element, all resulting in weak connections. Although, after the Ronan Point collapse, efforts have been made to require a minimum level of resistance to progressive collapse, they remain rather generic and there are no specific, exhaustive codes against abnormal loads []. Thus, there is still a possible danger when an accident generates huge amounts of waste that must be disposed of.

4.3. Reliability and Fire Safety

Folic, Laban and Milanko [] investigated large panel system residential buildings in three countries: Bulgaria, North Macedonia and Serbia, in terms of reliability and sustainability. According to their research, most of the LPS buildings in the Balkans lack essential fire safety regulations. The authors suggest that improving fire protection means and analysing risks should be key aspects during renovations. However, even when improved fire regulations over time were mandatory to follow, the authors stated that in many cases they failed to be implemented. For example, in North Macedonia, according to [,], only 30% of LPS buildings are being well maintained, repaired and renovated over time, despite the fact that numerous amendments to fire safety regulations have appeared since erecting the estates. In Serbia, only in 1984 did detailed regulations on fire protection appear, even while using LPS technology since 1960. Even then, these rules were often being neglected, reduced to the simple solution and extrapolated to larger models []. Still, one of the key problems is the lack of maintaining buildings in terms of fire safety, even if it is required by law [].
In 2011, three LPS buildings, each in a different Balkan country, were comparatively analysed and evaluated (Table 4). Unfortunately, despite constant renovations and maintenance, no analysed buildings met the current fire safety regulations. If many LPS buildings (according to the literature survey) are not properly maintained, based on their disadvantages (see Section 4.1 and Section 4.2), they might not fulfil their planned service life.
Table 4. Analysed three large panel system residential towers in terms of reliability (based on the information provided in []).

4.4. Defects during Design, Execution and Exploitation Stages

Although the LPS structure remains one of the most significant construction technologies of the 20th century, it is impossible not to mention the disadvantages of all construction stages, especially when analysing buildings from the post-war period 1945–1990, as presented in Table 5.
Table 5. The most popular defects on each stage of erecting a building in large panel system technology (based on the information provided in [,]).
Although initially, LPS buildings appeared to be innovative and a relatively cheap housing option for the working class, the perception of the large panel system has changed dramatically over the years. The prefabricated elements were often heavy and required to be delivered to the construction site by expensive means of transport, adapted to heavy and large-size elements. Loading, unloading and assembly required the use of a crane. A significant problem, especially for the construction industry of socialist Poland, was the low quality of workmanship. Salaries were low and production plants, together with construction sites, were characterized by poor work organization. A large percentage of elements, which did not meet the dimensional standards, often disorganized work on the site. Some of the problems appeared only in ready-made facilities, and therefore remedial actions were taken, such as additional board anchoring or patching cracks with tar sealants. The classic large panel was uniformly flat, and slight damage to the edges resulted in gaps that were difficult to fill.
LPS housing estates are generally grey, often built with the use of materials harmful to health—e.g., asbestos. Flats are small and too expensive to operate (related to the fact that an uninsulated large slab has very high thermal transmittance, thus heating costs are very high). Despite many improvements, the joints between panels are still difficult to seal. The wall thermal insulation standards were over three times lower than those required today []. Insulating buildings began in the mid-1980s, and this tendency intensified in the later years due to a significant increase in the cost of heat supplied to apartments. In many housing estates, works are carried out to improve the insulating properties—usually the facades []. However, a layer of insulation with a thickness of several centimetres, and a new plaster and colour, can change the appearance of a building. Many such renovations are controversial because the original facade is lost, and new colour and patterns are sometimes inconsistent with modernist architecture.

4.5. Concrete Load-Bearing Elements

It is worth noticing that the research studies below, in many cases, focus on other topics connected with concrete (for instance, durability of interlayer connections or insulation in external sandwich walls). Concrete itself is hardly ever the primary case in studies on large panel system buildings. The authors of various studies agree that the concrete is still in satisfactory condition. Possible cracks and scratches in concrete and unsealing of partitions are usually caused by reinforcement defects of structural and textured concrete layers and methods of their bonding.
Jasiczak and Girus, in [], examined the external layer of the external wall of the edifice completed in 1986 with LPS technology (R-76, version of Rataje closed variant) with 13 overground storeys in Poznan, Poland. The thickness of triple-layer curtain wall layers were: external concrete layer of 6cm (expanded clay concrete C12/15 or standard concrete C16/20), thermal insulation of 9cm and structural concrete layer of 21 cm (expanded clay concrete C12/15 or standard concrete C16/20). The structure was transverse and longitudinal, with 4.8 m and 2.4 m spacing of load-bearing walls. The condition of concrete was determined by hardness and compressive strength. For a non-destructive test, authors used a Schmidt sclerometer. The tested concrete was in the air-dry state, and the temperature was 20–25 °C. The surface was prepared for measurement by splitting the surface layer of grit and grinding with smoothing with a wire end. Significant differences may result from conducting the test on the not-rigid-enough component (minimum thickness of the element, according to recommendations, should be 100 mm). Results are presented in Figure 10a. To determine compressive strength, the cored boreholes of 43–44 mm diameter were taken from the same structure. In order to avoid reinforcement in the samples, the location of steel rods was determined using a ferromagnetic device. For testing, a universal testing machine SATEC was used, and the results are shown in Figure 10b. Errors during construction stages, years of exploitation and poor maintenance [] resulted in a great number of scratched panels, falling grit, visible hangers and pins in the examined building. However, results regarding the state of concrete are favourable.
Figure 10. Results of concrete strength parameters: (a) hardness using Schmidt hammer (b) compressive strength using SATEC machine (based on the information provided in []).
Girus [] evaluated the external layer of the external wall of the edifice completed in 1988 with LPS technology (SL-85, version of S-Sz closed variant) with five overground storeys in Poznan, Poland. The thickness of triple-layer curtain wall layers were: external concrete layer of 8 cm (expanded clay concrete C12/15 or standard concrete C16/20), thermal insulation of 6cm and structural concrete layer of 22 cm (expanded clay concrete C12/15 or standard concrete C16/20). The structure was transverse with 4.8 m and 2.4 m spacing of load-bearing walls. To determine compressive strength, again, the cored boreholes of about 44 mm diameter were taken from the structure. The test was carried out on the Instron SATEC testing machine. Differences in strength, shown in Figure 11a, can be related to concrete segregation and depend on the arrangement of the expanded clay aggregate []. However, in most cases, the results are satisfactory and confirm the design assumptions.
Bacharz et. al. [] analysed loggia wall in W-70/M-K system in Kielce, Poland. The precast walls were made of concrete class C12/15 (B17.5). To evaluate the compressive strength of concrete, N-type Schmidt hammer was used at six points. The results are presented in Figure 11b and indicate that the concrete class was C25/30 (B30) and so higher than the assumed design class.
Knyziak [] analysed the durability of 95 apartment buildings in Warsaw, Poland—33 in large block technology and 62 in large panel technology. Although he noted several defects, including insufficient thermal insulation, devastated window frames, bad condition of water drains and old building’s infrastructure, the conclusion was that concrete load-bearing elements are in good condition. The results from the research are shown in Figure 12. The vast majority of elements present good condition. The inspection was carried out according to [].
Knyziak et al. [] noted that the thickness of concrete in the façade layers often exceeded the design values. Although it resulted in reduction of thermal insulation and increase in weight, objectively speaking, there is a relatively thick layer of load-bearing wall made of good quality concrete.
Tofiluk et al. [], based on their own research and experience of other scientists, created a list of typical necessary work to perform in large panel system buildings as part of repairs and assuring the safety of exploitation. The list includes:
  • Strengthening of hangers fixing external panels;
  • Modernization of thermal insulation;
  • Improvement of acoustic insulation;
  • Replacement of improvement of old ironwork of balconies;
  • Replacement of dry rises.
The authors suggest that the main factor determining the technical usefulness of a structure is the deterioration degree of the foundation and load-bearing walls. However, the list of works to perform do not include improvement of concrete precast elements. The authors agree that concrete is in good condition.
Krentowski et al. [] examined the condition of external curtain walls used in common late LPS systems (1980s) in Poland. He stated that the durability of the external partition (concrete structural layer, thermal insulation, outer layer of textured concrete) is highly influenced by the quality of the connections of layers. The state of the external partition is important as it affects LPS resistance to the possibility of a progressive collapse of the whole building. The conducted research and observations of buildings proved that the tested concrete of precast wall elements had sufficient tightness. It has been noticed that the internal structural concrete layer is not exposed to the direct weather influence and, from the external side of the building, it is covered by insulation material. In terms of durability estimation, the work conditions of the wall panels are good.
Szlendak et al. [] presented the results of load capacity of the anchorage system connecting the textured layer with the structural wall.
The above statements seem true also for LPS buildings in other countries. In [], the authors analysed the durability of estates in Bulgaria, Serbia and Macedonia. In all three countries, despite a lot of deteriorations (especially connected with façade), concrete bearing elements are in good condition. Additionally, thickness of the concrete in the façade layers often exceeded the design values.
Botici et al. [] used three large panel typologies: T744R, 770 and 1340 to determine possibilities of sustainable retrofitting. The reinforced concrete structural layer was 11 cm thick for T744R and 1340, while 9.5–12 cm for 770. The external layer was 5–6 cm for all systems. All layers were made with C16/20 equivalent concrete class and preserved the strength at the time of research.
Muntean et al. [] analysed the building with one of the most popular typologies in Romania—770. According to the authors, this five-storey residential unit built during the 1970s, offered 14 cm C12/15-equivalent concrete panels in the interior floors. The exterior wall panels were made of two layers of C16/20-equivalent concrete class. The ultimate cubic compressive strength of concrete for the tested wall panel was 17.5 MPa []. Joints between the panels were made by welding the concrete steel reinforcements and C18/22.5-equivalent concrete class.
From previous paragraphs, one can assume that large panel system buildings constructed during the 1945–1990 period approach or have already exceeded their service life. However, from the information presented in this section, one can find out the concrete used in the construction of panels seems to be in satisfactory condition. This creates opportunities of re-using or recycling panels.
Figure 11. Results of concrete strength parameters: (a) on loggia wall, using Schmidt hammer, based on [] (b) on external wall, using SATEC machine (based on the information provided in []).
Figure 12. Technical state of bearing elements (based on the information provided in []).

5. Possibilities of Recycling Concrete Panels

No doubt, large panel system dwellings built in the second half of the twentieth century require constant maintenance and repair works. They were designed to last 50 years [], and some of them have already exceed this period. For many years, there has been a discussion whether these buildings should be demolished, or their service life should be extended by means of repair works. The whole problem is extremely diverse, and the solution can be based on urban planning, social and technical issues and the economy.

5.1. Concrete Load-Bearing Elements

The direction of change and revitalization potential can differ in countries, which is shown in Table 6, or even regions.
Table 6. Trends of revitalization in selected European countries (based on the information provided in [,]).
There are many techniques of structural retrofit, depending on the country and region. In Poland, this usually takes the form of modernization works, similar to ones presented in Figure 13. Meanwhile, research studies pay attention to, still, a lack of knowledge in those techniques. Nowakowski, in [], concludes that it is necessary to develop new construction and technological solutions to properly organise renovation of LPS buildings. Protection of the natural environment, energy and other resources should be taken into consideration. The review of LPS retrofit techniques was presented in []. The authors demonstrated the need for more precise characterization of LPS buildings subjected to blast. It was stated that structural deficiencies in LPS blocks are still evident in all of Europe. In [], the authors admitted that a huge number of analysed blocks have undergone, more or less, unskilled renovation. Special attention should be considered by the government, architects and urban designers, taking into account also cultural and social issues.
Figure 13. Example of improving residential functions—thermo-modernization of the estate.
Additionally, to still present lack of full knowledge of retrofit techniques, these actions cannot fully stop the end of service life. LPS buildings were designed to last 50 years. It is assumed, theoretically, that properly managed maintenance can extend the service life for another 50 years []. At the same time, some of the buildings are already older than their design age. Exceeding their service life brings us inevitably to the prognosed end of service life. According to provisions of the Paris Agreement, the civil engineering sector should decarbonise globally by 2050. Thus, effective strategies, based on the lifecycle of redesigned materials to be less resource intensive, acquiring waste as a resource to manufacture new materials, are needed. Antonini et al. [] assumed that reversibility and durability features can improve the circular resource flow. The durability was defined as the intensive correlation between the maintenance of a building object and its features and the ability to maintain technical efficiency. Thus, the aging of materials due to exploitation and environmental impact results in the process of gradual durability loss. The durability of load-bearing elements, according to [], is determined by two parameters: the ultimate limit state (strength and stability) and the limit of stiffness (serviceability limit state). Konior, in his research on durability [], stated that the durability of building materials and their components depends on the period in which a properly operated product remains fit for the intended use. If the serviceability falls below the established minimum standard, this results in a partial or complete loss of durability, thus a renovation is needed (Figure 14).
Figure 14. Reliability of construction over time.
Konior [] noticed several problems concerning durability periods of buildings and their elements:
  • no publication of guidelines and instructions exists for various civil engineering sections;
  • appropriate maintenance is the key factor in reaching the required durability of a residential building;
  • maintenance is given up or not carried out in time and with no quality required, resulting in lowering the value of the building;
  • expenditure on maintenance will increase in time;
  • making an assessment of the pace of progressive degradation is of high importance.
Furthermore, the actual technical wear in the initial stage of an element’s exploitation is greater than the theoretical one and represents overdurability. When time tp reaches a certain value (which can be calculated), the wear ratio is reversed and remains in this state until the end value of the age of the structure tmax, which represents infradurability. With age, the disproportion only increases, exposing a great discrepancy in calculations using theoretical time methods. However, according to [], buildings with errors, flaws during design, construction and exploitation stages are much more complicated cases. Unforeseen degradation phenomena, difficult to diagnose and remove, can take place, which does not satisfy the durability condition. This makes it possible to correctly calculate the remaining service life, including tmax and tp, for properly constructed and designed buildings only. In Section 4.4, it was proven that LPS buildings built in the years 1950–1990 had many errors during all construction phases. In Section 4.3, it was emphasized that maintenance is often of poor performance. Thus, it seems impossible to correctly assess remaining service life of many large panel system buildings.
Although complete replacement of LPS technology with new buildings is yet to come, taking into account sudden disasters, such as gas explosions, progressive collapse and planned demolitions, the trend can result in the creation of huge amounts of waste. There is urgent need of evaluating the possibility of reusing the elements of large panel system buildings. Looking back at Section 4.5, the most reliable part seems to be concrete panels.

5.2. The Amount of Waste and Its Localization

Housing construction generates approx. 1/3 of the demand for ready-mixed concrete []. Concrete is the basic material in the segment of housing construction, enabling the production of every element—from the foundation through the construction of walls, ceilings, terraces and balconies to the roof. The strength of concrete in the case of residential construction guarantees the durability of the building. However, it is worth knowing that in the event of demolition of even a small percentage of the total LPS number, landfills will be filled with tons of construction waste. According to official government reports [], in Poland, there are about 60 thousand LPS buildings with approx. 2.5 million apartments, which is 20% of the national housing stock.
Undoubtedly, a major problem in the future demolition of tower blocks is their location. LPS technology in Poland was considered a “mass solution” to satisfy the growing housing need. The policy of the post-war government resulted in the construction of new housing estates and reconstruction from war damages in a new architectural style. Due to social changes, sometimes whole cities were built of prefabricated panels. An example of such a solution is Tychy. A rural commune until 1954, the expansion of the city of Tychy began, which was to fulfil the role of a bedroom city for the Upper Silesian Industrial District. The first housing estate built was marked with the letter “A”. The next housing estates were named according to the letters of the alphabet (Figure 15a). According to data from the Central Statistical Office of Poland from 31 December 2020, the city is inhabited by 126,871 people []. The problem of large panel location is shown in Figure 15b. In the event of demolition, all LPS housing estates of the city of Tychy are located in the centre, complicating the entire operation logistically. Additionally, two housing estates are located in the immediate vicinity of the historic city centre. This is just one example out of thousands of cities in the country. In [], the author stated that intensive economic growth forces finding an alternative approach to the development of the world that next generations will use. According to the author, eco-towns are the only sure and safe direction towards a sustainable approach. The presented example of Tychy and thousands of more towns with LPS estates unfortunately do not fit into the concept of eco-towns anymore.
Figure 15. Example of LPS technology in Tychy, Poland: (a) housing estates built in 1950–1990. The letters of the alphabet stand for the names of the estate [] (b) administrative borders of the city in 2022. The red colour shows housing estates from (a), blue colour indicates the historical centre [] (c,d) estate O buildings.
In 2015 in Poland alone, 6474.2 thousand tonnes of building waste were accumulated in landfills, similar to the one in Figure 16, and only 1249.9 thousand tonnes of it were recycled []. Considering repair works and maintenance as only extending the service life of already old LPS buildings, in the near future in Eastern Europe, there will be an inevitable problem concerning their demolition. This will, in turn, significantly increase the size of construction waste landfills.
Figure 16. Example of construction waste landfill.
For the sake of the environment, there is a trend of replacing natural coarse aggregate in a concrete mix with recycled aggregate from construction waste that has caused the beginning of emerging codes and guidelines for designers []. As coarse aggregate constitutes about 70% of the volume of concrete [], such recycling would contribute to a real reduction in the size of landfills. While the poor quality of construction joints is the main issue in LPS, as proven before, concrete in these buildings was still in fairly good condition. Due to the fact that the concrete in LPSs made in Poland in the 1970s and 1980s has very good strength parameters, it can be reused as a recycled aggregate in new concrete mixes. Recycling of materials through recovery is part of the circular economy. The goal of recycling is to keep the circularity of materials in a product chain for a long period. Preferably recycled construction and demolition waste should have original quality. As a result, in principle, fewer natural resources are needed to produce new concrete. Thus, avoiding new material sourcing and their production can have a positive impact on the environment [].
Although the use of recycled coarse aggregate (RCA) can lower the durability of concrete, even 80% of natural coarse aggregate can be replaced by RCA, resulting in obtaining concrete with satisfactory properties []. This could offer an opportunity to overcome sustainability problems. Thanks to this, it would be possible to use recycled coarse aggregate from the dismantling of large panel system buildings for the purpose of designing new concrete. Conducting comprehensive basic research in this area could have significant benefits for the next generation of researchers and engineers. Some researchers claimed that manufacturing recycled aggregate concrete can contribute to a worse carbon footprint than virgin aggregate concrete []. However, Xiao et al. [] investigated the carbon footprint of two identical twin towers, with one tower made of recycled aggregate concrete and the other made of natural aggregate concrete. Replacing natural aggregate concrete with recycled one in the high-rise structure resulted in about a 2.175 × 105 kg Ce decrease in carbon footprint. Another research [], confirmed that applying recycled aggregate results in carbon dioxide equivalent emissions slightly decreasing with cement having the greatest influence on greenhouse gas emission generation of all materials.
Although RCA has been widely used in many applications, it generally lowers properties of concrete [,]. LPS technology is a special issue as the concrete used for these structures present good strength parameters. There is a possibility that such waste could be beneficial for concrete. Analysis of RCA from precast concrete suggests that the compressive strength can stay the same or even increase with the addition of RCA [,]. However, researchers tend to not focus on sources of RCA, but rather check the replacement percentage and chosen concrete properties [,]. LPS buildings are a huge part of national stocks, and some of them might be demolished in the near future. If decent quality of concrete for recycling influences concrete properties, LPS buildings can make a significant contribution to the creation of durable eco-concrete and greater attention to the source of the waste. Cement-based mortars and concrete have been successfully applied in retrofitting and strengthening structures []. Because no research proved this theory, there is urgent need for the evaluation of recycling concrete panels.

6. Research Gaps

Does the morphology of large-panel recycled coarse aggregate affect the durability of concrete and the properties of the fresh and hardened mix? How does large-panel recycled coarse aggregate affect the homogeneity of the concrete’s cross-section, transition zone and bleeding? Does recycled aggregate have a higher water absorption rate than natural aggregate? How much natural aggregate can be replaced by RCA? How is it best to select waste from the dismantling of large panel buildings to be used as aggregate? What are the obstacles that need to be solved when using such RCA (for example heterogeneity of the aggregate, alkaline reactivity)? To the best of the authors’ knowledge, there is no publication concerning recycled coarse aggregate from large panel system buildings in the investigated database (Table 7). Answering the above questions to be further developed can satisfy reduction of construction waste from LPS buildings. Even though RCA from various types of demolished buildings has been successfully applied in many research studies, LPS technology is a special issue with good quality of concrete and great presence in national housing stocks. The Scopus database was searched based on selected keywords. The document type was limited to article, conference paper, book chapter and book, and language to English only.
Table 7. Number of articles that were found using phrases below when searching in article titles, abstracts and keywords in the Scopus database (date of search: 7 January 2022).
Only one research study came close with searched keywords, in three keywords label, the combination Large Panel System Building + Recycled Coarse Aggregate + Concrete. I. Pečur, M. Bagarić and B. Milovanović, in [], developed prefabricated façade panels containing recycled construction and demolition waste (CDW). The authors replaced a maximum 50% of natural coarse aggregate with recycled CDW, acquiring durable material with satisfactory mechanical and hygrothermal properties. A possibility of producing a system from recycled CDW that meets all performance requirements seems promising. However, the authors did not consider existing large panel system dwellings built in the second half of the twentieth century.

7. Conclusions and Perspectives

Precast constructions include buildings, where the majority of structural components are standardized and produced in plants, transported to the site and then assembled. Large panel system technology is the most widespread among precast systems with a great contribution in European (especially Eastern) housing stock. Due to the disadvantages presented in the article, which even led to catastrophes, increasing costs of heavy transport, as early as the mid-1970s, Western countries stopped the construction of LPS buildings on a large scale. While they started the process of gradual demolition, in Eastern Europe, especially from 1970s, transforming countries from rural to urban was possible thanks to the mass usage of large panel system technology. In the 1990s, LPS construction was abandoned due to criticism of the building’s monotony, low technical standards of construction and high operating costs. The authors believe that the following conclusions from a literature survey suggest some of the buildings will have to be demolished:
  • While LPS buildings were designed to last 50 years, it is assumed that properly managed maintenance can extend the service life for another 50 years. However, it only brings us inevitably to the prognosed end of service life;
  • Research studies pay attention to, still, a lack of knowledge in retrofit techniques. A huge number of analysed blocks have undergone, more or less, unskilled renovation;
  • Despite a number of catastrophes, weak connections at joints between panels are still the biggest concern.
Authors verified the possibility of recycling elements of LPS buildings in the case of accidental or planned demolitions with the following conclusions:
  • Concrete used in the construction of panels seems to be in satisfactory condition with a possibility to re-use it as a recycled coarse aggregate in new structures;
  • The influence of RCA on the homogeneity of concrete along the thickness of concrete should be studied in more depth, especially with regards to the properties of concrete at its early stage;
  • To the best of the authors’ knowledge, there is no publication concerning concrete with recycled coarse aggregate from large panel system buildings from the second half of the twentieth century.
Further research should focus on the properties of concrete with the addition of recycled coarse aggregate paying attention to the preparation of aggregate and mix phases. The research results will contribute to the reduction of construction waste resulting from the demolition of large panel system buildings. Ideally, transport to storage of waste in landfills would be significantly reduced, structures with acquired recycled coarse aggregate could be easily concreted (even in city centres) and the desired material properties could be obtained by controlling the morphology of coarse aggregate.

Author Contributions

Conceptualization, S.M., K.A.O., Ł.S.; writing—original draft preparation, S.M.; writing—review and editing, K.A.O., Ł.S.; visualization, S.M.; supervision, K.A.O., Ł.S.; project administration, K.A.O., Ł.S.; funding acquisition, Ł.S. All authors have read and agreed to the published version of the manuscript.

Funding

This research was funded from a project supported by the National Centre of Science, Poland [Grant no. 2020/39/O/ST8/01217 “Experimental evaluation of the fundamental properties of self-compacting concrete made of recycled coarse aggregate sourced from the demolition of large panel system buildings (RECSCCUE)”].

Data Availability Statement

Not applicable.

Conflicts of Interest

The authors declare no conflict of interest. The funders had no role in the design of the study; in the collection, analyses, or interpretation of data; in the writing of the manuscript; or in the decision to publish the results.

References

  1. Alcocer, S.M.; Carranza, R.; Perez-Navarrete, D.; Martinez, R. Seismic tests of beam-to-column connections in a precast concrete frame. PCI J. 2002, 47, 70–89. [Google Scholar] [CrossRef]
  2. Pittore, M.; Bindi, D.; Tyagunov, S.; Wieland, M.; Picozzi, M.; Pilz, M.; Mikhailova, N. Seismic Hazard and Risk in Central Asia STR11/14; Deutsches GeoForschungsZentrum GFZ: Potsdam, Germany, 2011. [Google Scholar]
  3. King, S.A.; Khalturin, V.I.; Tucker, B.E. Seismic Hazard and Building Vulnerability in Post-Soviet Central Asian Republics; Springer Science & Business Media: Berlin/Heidelberg, Germany, 2013; Volume 52. [Google Scholar]
  4. Types of Precast Systems . Available online: https://db.world-housing.net/ (accessed on 7 January 2022).
  5. Baghchesaraei, O.R.; Lavasani, H.H.; Baghchesaraei, A. Behavior of prefabricated structures in developed and developing countries. Bull. Société Sci. Liège 2016, 85, 1229–1234. [Google Scholar] [CrossRef]
  6. Jovanović, J. From Yugoslavia to Angola: Housing as Postcolonial Technical Assistance City Building through IMS Žeželj Housing Technology. Archit. Urban. 2019, 53, 170–181. [Google Scholar]
  7. Nikolic, J. New challenging approach for analysis and upgrading of massive building structure: Case study of New Belgrade post-war mega blocks. In CESB 2013 PRAGUE-Central Europe Towards Sustainable Building 2013: Sustainable Building and Refurbishment for Next Generations; Grada for Faculty of Civil Engineering; Czech Technical University in Prague: Prague, Czechia, 2013; pp. 1–10. [Google Scholar]
  8. Jovanović, J.; Grbić, J.; Petrović, D. Prefabricated construction in former Yugoslavia. Visual and aesthetic features and technology of prefabrication. In Graue Reihe des Instituts für Stadt-Und Regionalplanung; Technische Universität Berlin: Berlin, Germany, 2012; p. 175. [Google Scholar]
  9. Alfirević, Đ.; Simonović Alfirević, S. Urban housing experiments in Yugoslavia 1948–1970. Spatium 2015, 1, 1–9. [Google Scholar] [CrossRef]
  10. Jule, L.; Zhuye, H.; Cedric, M.; Xiaosheng, J. Structural Installation of Precast Concrete Elements. J. Eng. 2020, 8, 1–8. [Google Scholar] [CrossRef]
  11. Brzev, S.; Guevara-Perez, T. Precast Concrete Construction; British Columbia Institute of Technology: Burnaby, BC, Canada, 2010. [Google Scholar]
  12. Shemie, M. Bolted connections in large panel system buildings. PCI J. 1973, 18, 27–33. [Google Scholar] [CrossRef]
  13. Berkowski, P.; Barański, J. 3D Fem Analysis of Precast Concrete Apartment Buildings Under Mining Tremors–A Case Study. In Proceedings of the 6th International Conference on Mechanics and Materials in Design, Porta Delgada, Portugal, 26–30 July 2015. [Google Scholar]
  14. Trzcińska, M. Add, Transform, and Utilize. Possibilities of Applying Druot, Lacaton, and Vassal’s Modernization Strategies and Solutions in Polish Large-Panel Housing Estates. Land 2021, 10, 1308. [Google Scholar] [CrossRef]
  15. Salnikov, V.A.; Mikheeva, O.M. Analysis and Forecast of Russian Housing Stock Based on New Data Sources. Stud. Russ. Econ. Dev. 2019, 30, 442–450. [Google Scholar] [CrossRef]
  16. Thanoon, W.A.; Peng, L.W.; Kadir, M.R.A.; Jaafar, M.S.; Salit, M.S. The Experiences of Malaysia and other countries in industrialised building system. In Proceedings of the International Conference on Industrialised Building Systems, Kuala Lumpur, Malaysia, 10–11 September 2003; Volume 10, pp. 255–261. [Google Scholar]
  17. Peshkov, V.V.; Gorbach, P.S.; Shcherbin, S.A.; Savenkov, A.I. Some aspects of the organization of the processes of renovation of the housing stock in Irkutsk. In IOP Conference Series: Earth and Environmental Science; IOP Publishing: Bristol, UK, 2021; Volume 751, p. 012078. [Google Scholar]
  18. Romano, E.; Iuorio, O.; Nikitas, N.; Negro, P. A review of retrofit strategies for Large Panel System buildings. In Proceedings of the Sixth International Symposium on Life-Cycle Civil Engineering, Ghent, Belgium, 28–31 October 2018. [Google Scholar]
  19. Ostanska, A. Basics of the methodology of creating programs for revitalization of large housing estates erected in industrialized technology on the example of the housing estate St. Moniuszki in Lublin. In Monographs of the Faculty of Building and Sanitary Engineering; Lublin University of Technology: Lublin, Poland, 2009; Volume 1, pp. 1–173. [Google Scholar]
  20. Agudelo-Vera, C.M.; Leduc, W.R.; Mels, A.R.; Rijnaarts, H.H. Harvesting urban resources towards more resilient cities. Resour. Conserv. Recycl. 2012, 64, 3–12. [Google Scholar] [CrossRef]
  21. Huuhka, S.; Kaasalainen, T.; Hakanen, J.H.; Lahdensivu, J. Reusing concrete panels from buildings for building: Potential in Finnish 1970s mass housing. Resour. Conserv. Recycl. 2015, 101, 105–121. [Google Scholar] [CrossRef]
  22. Kibert, C.J.; Chini, A.R. Overview of Deconstruction in Selected Countries; CIB Publication: Rotterdam, The Netherlands, 2000; Volume 252. [Google Scholar]
  23. Kadela, M.; Cincio, A.; Fedorowicz, J.; Gerylo, R. Attempt at Numerical Representation of Gas Explosion in a Large Panel Building. In IOP Conference Series: Materials Science and Engineering; IOP Publishing: Bristol, UK, 2019; Volume 603, p. 052023. [Google Scholar]
  24. Niemelä, T.; Kosonen, R.; Jokisalo, J. Energy performance and environmental impact analysis of cost-optimal renovation solutions of large panel apartment buildings in Finland. Sustain. Cities Soc. 2017, 32, 9–30. [Google Scholar] [CrossRef]
  25. Deilmann, C.; Effenberger, K.H.; Banse, J. Housing stock shrinkage: Vacancy and demolition trends in Germany. Build. Res. Inf. 2009, 37, 660–668. [Google Scholar] [CrossRef]
  26. Mah, C.M.; Fujiwara, T.; Ho, C.S. Construction and demolition waste generation rates for high-rise buildings in Malaysia. Waste Manag. Res. 2016, 34, 1224–1230. [Google Scholar] [CrossRef] [PubMed]
  27. Perron, B.E.; Victor, B.G.; Hodge, D.R.; Salas-Wright, C.P.; Vaughn, M.G.; Taylor, R.J. Laying the foundations for scientometric research: A data science approach. Res. Soc. Work. Pract. 2017, 27, 802–812. [Google Scholar] [CrossRef]
  28. Zitt, M.; Bassecoulard, E. Challenges for scientometric indicators: Data demining, knowledge-flow measurements and diversity issues. Ethics Sci. Environ. Politics 2008, 8, 49–60. [Google Scholar] [CrossRef]
  29. Singh, V.K.; Banshal, S.K.; Singhal, K.; Uddin, A. Scientometric mapping of research on ‘Big Data’. Scientometrics 2015, 105, 727–741. [Google Scholar] [CrossRef]
  30. Gile, D. Analyzing translation studies with scientometric data: From CIRIN to citation analysis. Perspectives 2015, 23, 240–248. [Google Scholar] [CrossRef]
  31. Ahmad, W.; Ahmad, A.; Ostrowski, K.A.; Aslam, F.; Joyklad, P.A. scientometric review of waste material utilization in concrete for sustainable construction. Case Stud. Constr. Mater. 2021, 15, e00683. [Google Scholar] [CrossRef]
  32. Falagas, M.E.; Pitsouni, E.I.; Malietzis, G.A.; Pappas, G. Comparison of PubMed, Scopus, web of science, and Google scholar: Strengths and weaknesses. FASEB J. 2008, 22, 338–342. [Google Scholar] [CrossRef]
  33. Vieira, E.; Gomes, J. A comparison of Scopus and Web of Science for a typical university. Scientometrics 2009, 81, 587–600. [Google Scholar] [CrossRef]
  34. Analysis of Titles and Publishers. Available online: https://www.scopus.com/ (accessed on 7 January 2022).
  35. Visualising Scientific Landscapes. Available online: https://www.vosviewer.com/ (accessed on 7 January 2022).
  36. Heinemann, H.A.; Nijland, T.G. Concrete in the Netherlands: Historic use of components and conservation. In Proceedings of the Third International Congress on Construction History, Cottbus, Germany, 20–24 May 2009. [Google Scholar]
  37. MacCarthy, F. Walter Gropius: Visionary Founder of the Bauhaus; Faber & Faber: London, UK, 2019. [Google Scholar]
  38. Gropius, W.; Gropius WA, G. The New Architecture and the Bauhaus; MIT Press: Cambridge, MA, USA, 1965; Volume 21. [Google Scholar]
  39. Boesiger, W.; Girsberger, H. Le Corbusier 1910–65; Editorial Gustavo Gili: Barcelona, Spain, 2000. [Google Scholar]
  40. Millais, M. A critical appraisal of the design, construction and influence of the Unité d’Habitation, Marseilles, France. J. Archit. Urban. 2015, 39, 103–115. [Google Scholar] [CrossRef]
  41. Pearson, C.; Delatte, N. Ronan point apartment tower collapse and its effect on building codes. J. Perform. Constr. Facil. 2005, 19, 172–177. [Google Scholar] [CrossRef]
  42. Newland, P. After Ronan Point: Re-imagining the Territory. In The Cultural Construction of London’s East End; Brill Rodopi: Paderborn, Germany, 2008; pp. 149–182. [Google Scholar]
  43. Russell, J.M.; Sagaseta, J.; Cormie, D.; Jones, A.E.K. Historical review of prescriptive design rules for robustness after the collapse of Ronan Point. In Structures; Elsevier: Amsterdam, The Netherlands, 2019; Volume 20, pp. 365–373. [Google Scholar]
  44. Crowley, D. Building the world anew: Design in Stalinist and post-Stalinist Poland. J. Des. Hist. 1994, 7, 187–203. [Google Scholar] [CrossRef]
  45. Nowakowski, P. Functional and aesthetic aspects of modernization of large panel residential buildings. In International Conference on Applied Human Factors and Ergonomics; Springer: Cham, Switzerland, 2019; pp. 335–346. [Google Scholar]
  46. Górski, W. Problems of Early Large Panel Structures in Poland. Acta Sci. Pol. Archit. 2021, 20, 45–53. [Google Scholar] [CrossRef]
  47. Szymańska, D.; Matczak, A. Urbanization in Poland: Tendencies and transformation. Eur. Urban Reg. Stud. 2002, 9, 39–46. [Google Scholar] [CrossRef]
  48. Apostolska, R.; Necevska-Cvetanovska, G.; Bojadjiev, J.; Bojadjieva, J. Seismic performance of RC high-rise buildings–a case study of 44 storey structure in Skopje (Macedonia). Tech. Gaz. 2016, 23, 1177–1183. [Google Scholar]
  49. Pall, A.S.; Marsh, C.; Fazio, P. Friction joints for seismic control of large panel structures. J. Prestress. Concr. Inst. 1980, 25, 38–61. [Google Scholar] [CrossRef]
  50. Pall, A.S. Limited slip bolted joints: A device to control the seismic response of large panel structures. Ph.D. Thesis, Concordia University, Montreal, QC, Canada, 1979. [Google Scholar]
  51. Ademović, N.; Oliveira, D.V.; Lourenço, P.B. Seismic evaluation and strengthening of an existing masonry building in Sarajevo, B&H. Buildings 2019, 9, 30. [Google Scholar]
  52. Lintz, C.A.; Bulka, L. Skopje, Macedonia 1965 to 2014: In Search of a Modern European Capital. In Planning Forum; The University of Texas at Austin: Austin, TX, USA, 2015; p. 19. [Google Scholar]
  53. Stojkov, T. State of the Art: FYR of Macedonia. In Cost C16, Improving the Quality of Existing Urban Building Envelopes; State of the Art; COST (European Cooperation in Science and Technology): Brussels, Belgium, 2007; p. 195. [Google Scholar]
  54. Folić, R.; Laban, M.; Milanko, V. Reliability and sustainability analysis of large panel residential buildings in Sofia, Skopje and Novi Sad. Facta Univ.-Ser. Archit. Civ. Eng. 2011, 9, 161–176. [Google Scholar] [CrossRef]
  55. Home, R. Reconstructing Skopje, Macedonia, after the 1963 earthquake: The Master Plan forty years on. Pap. Land Manag. 2007, 7, 660–663. [Google Scholar]
  56. Ellingwood, B.; Leyendecker, E.V. Approaches for design against progressive collapse. J. Struct. Div. 1978, 104, 413–423. [Google Scholar] [CrossRef]
  57. Cleland, N.M. Structural integrity and progressive collapse in large-panel precast concrete structural systems. PCI J. 2008, 53, 55. [Google Scholar] [CrossRef]
  58. Fintel, M.; Schultz, D.M.; Iqbal, M. Philosophy of Structural Response to Normal and Abnormal Loads; Portland Cement Association: Skokie, IL, USA, 1976. [Google Scholar]
  59. Hanson, N.W.; Burnett, E.F. Wall Cantilevers and Slab Suspension Tests; US Department of Housing and Urban Development, Office of Policy Development and Research: Washington, DC, USA, 1978.
  60. Kripanarayanan, K.M. Wall Panels: Analysis and Design Criteria; US Department of Housing and Urban Development, Office of Policy Development and Research: Washington, DC, USA, 1976; Volume 3.
  61. Fintel, M.; Schultz, D.M. A philosophy for structural integrity of large panel buildings. PCI J. 1976, 21, 46–69. [Google Scholar] [CrossRef]
  62. Johal, L.S.; Hanson, N.W. Design for vertical load on horizontal connections in large panel structures. PCI J. 1982, 27, 62–79. [Google Scholar] [CrossRef]
  63. Breen, J.E. Developing structural integrity in bearing wall buildings. PCI J. 1980, 25, 42–73. [Google Scholar] [CrossRef]
  64. Palmisano, F. Mitigation of progressive collapse by the activation of the elasto-plastic catenary behaviour of RC slab structures. Open Constr. Build. Technol. J. 2014, 8, 122–131. [Google Scholar] [CrossRef]
  65. Currie, R.J.; Reeves, B.R.; Moore JF, A. The Structural Adequacy and Durability of Large Panel System Dwellings; Building Research Establishment: Watford, UK, 1987. [Google Scholar]
  66. Gramatikov, K.; Bozinovski, Z.L. Enlargement of Balconies of Existing Residential Building “Karpos” in Skopje. Cost C16 Improv. Qual. Exist. Urban Build. Envel. Struct. 2007, 3, 91. [Google Scholar]
  67. Laban, M.; Milanko, V. Fire safety assessment in urban environment. Int. Sci. Publ. Ecol. Saf. 2008, 2, 121–133. [Google Scholar]
  68. Building Research Institute. Available online: https://www.itb.pl/en (accessed on 7 January 2022).
  69. Rybka, A. Large-panel dwelling building, current state-ways of construction and architectural modifications. In COST Action C; COST (European Cooperation in Science and Technology): Brussels, Belgium, 2003; Volume 12, pp. 207–216. [Google Scholar]
  70. Podawca, K.; Pawłat-Zawrzykraj, A.; Dohojda, M. Analysis of the possibilities for improvement of thermal comfort of living quarters located in multi-family large-panel prefabricated buildings. In E3S Web of Conferences; EDP Sciences: Les Ulis, France, 2018; Volume 44, p. 00145. [Google Scholar]
  71. Ligęza, W. Renovation of Large-Panel Buildings in Context of Urban Renewal/Remonty Budynków Wielkopłytowych, Jako Element Rewitalizacji Miast. Civ. Environ. Eng. Rep. 2015, 17, 83–95. [Google Scholar] [CrossRef][Green Version]
  72. Jasiczak, J.; Girus, K. Maintenance and Durability of the Concrete External Layer of Curtain Walls in Prefabricated Technological Poznan Large Panel System. In IOP Conference Series: Materials Science and Engineering; IOP Publishing: Bristol, UK, 2017; Volume 245, p. 032015. [Google Scholar]
  73. Jasiczak, J. Influence of technological processes on homogeneity and strength of concrete. Build. Eng. 1985, 12, 561–564. [Google Scholar]
  74. Girus, K. Evaluation of the condition of the external layer of walls in the national technological system″ S-Sz″ (Szczecin System) of large-panel prefabricated construction. In MATEC Web of Conferences; EDP Sciences: Les Ulis, France, 2019; Volume 284, p. 07003. [Google Scholar]
  75. Bacharz, K.; Raczkiewicz, W.; Bacharz, M.; Grzmil, W. Manufacturing Errors of Concrete Cover as a Reason of Reinforcement Corrosion in a Precast Element—Case Study. Coatings 2019, 9, 702. [Google Scholar] [CrossRef]
  76. Knyziak, P. The quality and reliability in the structural design, production, execution and maintenance of the precast residential buildings in Poland in the past and now. In Key Engineering Materials; Trans Tech Publications Ltd: Wollerau, Switzerland, 2016; Volume 691, pp. 420–431. [Google Scholar]
  77. The Rules for Determining the Technical Deterioration of Buildings; WACETOB: Warsaw, Poland, 1998; pp. 43–44. Available online: https://wacetob.com.pl/en/ (accessed on 7 January 2022).
  78. Knyziak, P.; Krentowski, J.R.; Bieranowski, P. Risks of the durability of large-panel buildings elevations in reference to the conclusions from technical conditions audits. In MATEC Web of Conferences; EDP Sciences: Les Ulis, France, 2017; Volume 117, p. 00080. [Google Scholar]
  79. Tofiluk, A.; Knyziak, P.; Krentowski, J. Revitalization of twentieth-century prefabricated housing estates as interdisciplinary issue. In IOP Conference Series: Materials Science and Engineering; IOP Publishing: Bristol, UK, 2019; Volume 471, p. 112096. [Google Scholar]
  80. Krentowski, J.R.; Knyziak, P.; Mackiewicz, M. Durability of interlayer connections in external walls in precast residential buildings. Eng. Fail. Anal. 2021, 121, 105059. [Google Scholar] [CrossRef]
  81. Tomaszewicz, D.; Jablonska-Krysiewicz, A.; Gryniewicz, M. Pull-Out Tests and Numerical Simulations of Bonded Threaded Anchors in Concrete Blocks with Thermal Insulation Layer. In International Scientific Conference Environmental Challenges in Civil Engineering; Springer: Cham, Switzerland, 2020; pp. 45–61. [Google Scholar]
  82. Botici, A.A.; Ungureanu, V.; Ciutina, A.; Botici, A.; Dubina, D. Sustainable retrofitting of large panel prefabricated concrete residential buildings. In Proceedings of the Central Europe towards Sustainable Building 2013 Conference–Sustainable Building and Refurbishment for Next Generations, Prague, Czech Republic, 26–28 June 2013; pp. 39–42. [Google Scholar]
  83. Muntean, D.M.; Ungureanu, V.; Petran, I.; Georgescu, M. Large Prefabricated Concrete Panels Collective Dwellings from the 1970s: Context and Improvements. In IOP Conference Series: Materials Science and Engineering; IOP Publishing: Bristol, UK, 2017; Volume 245, p. 052050. [Google Scholar]
  84. Todut, C.; Stoian, V.; Demeter, I.; Nagy-György, T.; Ungureanu, V. Retrofitting strategy for earthquake damaged precast concrete wall using FRP composites. In Proceedings Engineering a Concrete Future: Technology, Modeling & Construction; Tel-Aviv; Technion-Israel Institute of Technology: Haifa, Israel, 2013; pp. 573–576. [Google Scholar]
  85. Lyublinskiy, V.A. The deformability of shear bonds in the load-bearing systems of panel buildings. J. Phys. Conf. Ser. 2019, 1425, 012159. [Google Scholar] [CrossRef]
  86. Kuusk, K.; Kalamees, T.; Link, S.; Ilomets, S.; Mikola, A. Case-study analysis of concrete large-panel apartment building at pre-and post low-budget energy-renovation. J. Civ. Eng. Manag. 2017, 23, 67–75. [Google Scholar] [CrossRef]
  87. Antonini, E.; Boeri, A.; Lauria, M.; Giglio, F. Reversibility and durability as potential indicators for Circular building Technologies. Sustainability 2020, 12, 7659. [Google Scholar] [CrossRef]
  88. Nowogońska, B. Prognosis of the technical condition of masonry walls in residential buildings. Bud. I Archit. 2014, 13, 027–032. [Google Scholar] [CrossRef]
  89. Konior, J. Overdurability and Technical Wear of Materials Used in the Construction of Old Buildings. Materials 2021, 14, 378. [Google Scholar] [CrossRef]
  90. Lee, S.; Lee, S.; Kim, J. Evaluating the impact of defect risks in residential buildings at the occupancy phase. Sustainability 2018, 10, 4466. [Google Scholar] [CrossRef]
  91. Available online: https://stat.gov.pl/en/ (accessed on 7 January 2022).
  92. Błaszczyński, T. Eco-Cities; Inżynieria i Budownictwo: Warsaw, Poland, 2022; pp. 436–444. [Google Scholar]
  93. Available online: http://www.abc.tychy.pl/en/mapa (accessed on 7 January 2022).
  94. Available online: https://polska.geoportal2.pl/map/www/mapa.php?mapa=polska (accessed on 7 January 2022).
  95. Tošić, N.; Torrenti, J.M.; Sedran, T.; Ignjatović, I. Toward a codified design of recycled aggregate concrete structures: Background for the new fib Model Code 2020 and Eurocode 2. Struct. Concr. 2020, 22, 2916–2938. [Google Scholar] [CrossRef]
  96. Ostrowski, K.; Stefaniuk, D.; Sadowski, Ł.; Krzywiński, K.; Gicala, M.; Różańska, M. Potential use of granite waste sourced from rock processing for the application as coarse aggregate in high-performance self-compacting concrete. Constr. Build. Mater. 2020, 238, 117794. [Google Scholar] [CrossRef]
  97. Potting, J.; Hekkert, M.P.; Worrell, E.; Hanemaaijer, A. Circular Economy: Measuring Innovation in the Product Chain; (No. 2544); PBL Publishers: Lemesos, Cyprus, 2017. [Google Scholar]
  98. Kwan, W.H.; Ramli, M.; Kam, K.J.; Sulieman, M.Z. Influence of the amount of recycled coarse aggregate in concrete design and durability properties. Constr. Build. Mater. 2012, 26, 565–573. [Google Scholar] [CrossRef]
  99. Xiao, J.; Wang, C.; Ding, T.; Akbarnezhad, A. A recycled aggregate concrete high-rise building: Structural performance and embodied carbon footprint. J. Clean. Prod. 2018, 199, 868–881. [Google Scholar] [CrossRef]
  100. Jiménez, L.F.; Dominguez, J.A.; Vega-Azamar, R.E. Carbon footprint of recycled aggregate concrete. Adv. Civ. Eng. 2018, 2018, 1–6. [Google Scholar] [CrossRef]
  101. Panda, K.C.; Bal, P.K. Properties of self compacting concrete using recycled coarse aggregate. Procedia Eng. 2013, 51, 159–164. [Google Scholar] [CrossRef]
  102. Duan, Z.; Singh, A.; Xiao, J.; Hou, S. Combined use of recycled powder and recycled coarse aggregate derived from construction and demolition waste in self-compacting concrete. Constr. Build. Mater. 2020, 254, 119323. [Google Scholar] [CrossRef]
  103. Salesa, Á.; Pérez-Benedicto, J.Á.; Esteban, L.M.; Vicente-Vas, R.; Orna-Carmona, M. Physico-mechanical properties of multi-recycled self-compacting concrete prepared with precast concrete rejects. Constr. Build. Mater. 2017, 153, 364–373. [Google Scholar] [CrossRef]
  104. Fiol, F.; Thomas, C.; Muñoz, C.; Ortega-López, V.; Manso, J.M. The influence of recycled aggregates from precast elements on the mechanical properties of structural self-compacting concrete. Constr. Build. Mater. 2018, 182, 309–323. [Google Scholar] [CrossRef]
  105. Pereira-de Oliveira, L.A.; Nepomuceno, M.; Rangel, M. An eco-friendly self-compacting concrete with recycled coarse aggregates. Inf. Constr. 2013, 65, 31–41. [Google Scholar] [CrossRef]
  106. Kou, S.C.; Poon, C.S. Properties of self-compacting concrete prepared with coarse and fine recycled concrete aggregates. Cem. Concr. Compos. 2009, 31, 622–627. [Google Scholar] [CrossRef]
  107. Conde Silva, J.; Serra, C. A Review on Cement-Based Materials and Practices for Rehabilitation, Retrofitting, and Strengthening of Hydraulic Structures. Pract. Period. Struct. Des. Constr. 2022, 27, 03122002. [Google Scholar] [CrossRef]
  108. Pečur, I.B.; Bagarić, M.; Milovanović, B. Development and Application of a Prefabricated Façade Panel Containing Recycled Construction and Demolition Waste. J. Facade Des. Eng. 2020, 8, 101–126. [Google Scholar]
Publisher’s Note: MDPI stays neutral with regard to jurisdictional claims in published maps and institutional affiliations.

Article Metrics

Citations

Article Access Statistics

Multiple requests from the same IP address are counted as one view.