Influence of Stress on Kinetics and Transformation Plasticity of Ferrite Transformation Based on Hysteresis Effects
Abstract
1. Introduction
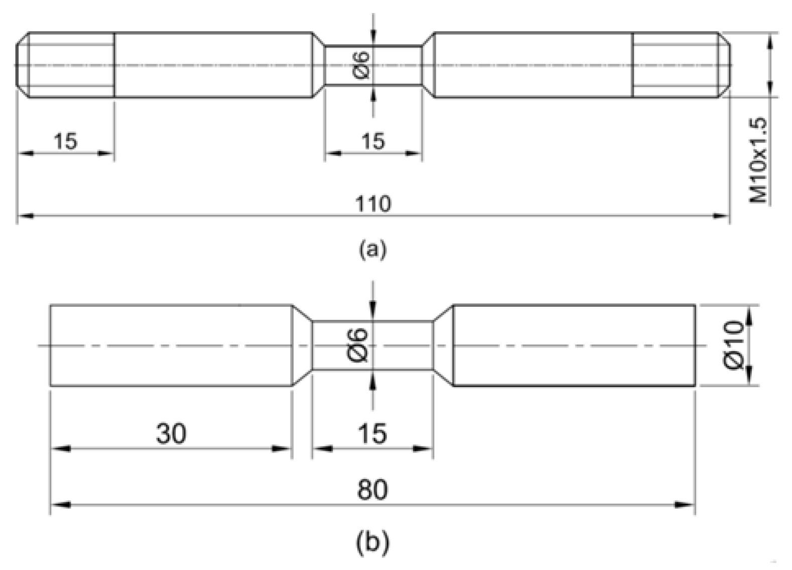
2. Materials and Methods
3. Results
3.1. Initiation Temperature
3.2. Accelerated Phase Transition
3.3. Transformation Plasticity Coefficient
4. Discussion
4.1. Modeling the Transformation Hysteresis Effects
4.2. Analysis of Transformation Hysteresis Effects
4.3. Kinetics Function Based on Hysteresis Effects
4.4. Hysteresis effects on Transformation Plasticity
5. Conclusions
Author Contributions
Acknowledgments
Conflicts of Interest
References
- Denis, S.; Gautier, E.; Simon, A.; Beck, G. Stress-Phase-Transformation Interactions-Basic Principles, Modeling, and Calculation of Internal Stresses. Mater. Sci. Technol. 1985, 1, 805–814. [Google Scholar] [CrossRef]
- Fischer, F.D.; Reisner, G.; Werner, E.; Tanaka, K.; Cailletaud, G.; Antretter, T. A new view on transformation induced plasticity (TRIP). Int. J. Plast. 2000, 16, 723–748. [Google Scholar] [CrossRef]
- Johnson, W.A.; Mehl, R.F. Reaction Kinetics in Processes of Nucleation and Growth. Metall. Mater. Trans. A 1939, 35, 1–27. [Google Scholar]
- Avrami, M. Kinetics of Phase Change. I General Theory. J. Chem. Phys. 1939, 7, 1103–1112. [Google Scholar] [CrossRef]
- Avrami, M. Kinetics of Phase Change. II Transformation-Time Relations for Random Distribution of Nuclei. J. Chem. Phys. 1940, 8, 212–224. [Google Scholar] [CrossRef]
- Fernandes, F.M.B.; Denis, S.; Simon, A. Mathematical model coupling phase transformation and temperature evolution during quenching of steel. Mater. Sci. Technol. 1985, 1, 838–841. [Google Scholar] [CrossRef]
- Magee, C.L. Transformation Kineties, Micro-Plasticity and Aging of Martensite in Fe-3Ni. Ph.D. Thesis, Carnegie Institute of Technology, Pittsburgh, PA, USA, 1966. [Google Scholar]
- Fischer, F.D. A micromechanical model for transformation plasticity in steels. Acta Metall. Mater. 1990, 38, 1535–1546. [Google Scholar] [CrossRef]
- Greenwood, G.W.; Johnson, R.H. The Deformation of Metals under Small Stresses during Phase Transformations. Proc. R. Soc. Lond. Ser. A Math. Phys.Sci. 1965, 283, 403–422. [Google Scholar]
- Taleb, L.; Petit, S. New investigations on transformation induced plasticity and its interaction with classical plasticity. Int. J. Plast. 2006, 22, 110–130. [Google Scholar] [CrossRef]
- Taleb, L.; Cavallo, N.; Waeckel, F. Experimental analysis of transformation plasticity. Int. J. Plast. 2001, 17, 1–20. [Google Scholar] [CrossRef]
- Leblond, J.B.; Devaux, J.; Waeckel, F. Mathematical modelling of transformation plasticity in steels I: Case of ideal-plastic phases. Int. J. Plast. 1989, 5, 551–572. [Google Scholar] [CrossRef]
- Jiang, W.C.; Woo, W.; Wan, Y.; Lou, Y.; Xie, X.F.; Tu, S.T. Evaluation of through-thickness residual stresses by neutron diffraction and finite-element method in thick weld plates. J. Press. Vess. Technol. 2017, 139, 031401. [Google Scholar] [CrossRef]
- Domański, T.; Bokota, A. The numerical model prediction of phase components and stresses distributions in hardened tool steel for cold work. Int. J. Mech. Sci. 2015, 96, 47–57. [Google Scholar] [CrossRef]
- Liu, Y.; Qin, S.; Zhang, J.; Wang, Y.; Rong, Y.; Zuo, X.; Chen, N. Influence of Transformation Plasticity on the Distribution of Internal Stress in Three Water-Quenched Cylinders. Metall. Mater. Trans. A 2017, 48, 4943–4956. [Google Scholar] [CrossRef]
- Hamelin, C.J.; Muránsky, O.; Smith, M.C.; Holden, T.M.; Luzin, V.; Bendeich, P.J.; Edwards, L. Validation of a numerical model used to predict phase distribution and residual stress in ferritic steel weldments. Acta Mater. 2014, 75, 1–19. [Google Scholar] [CrossRef]
- Jiang, W.; Chen, W.; Woo, W. Effects of low-temperature transformation and transformation-induced plasticity on weld residual stresses: Numerical study and neutron diffraction measurement. Mater. Des. 2018, 147, 65–79. [Google Scholar] [CrossRef]
- Weisz-Patrault, D. Multiphase model for transformation induced plasticity. Extended Leblond’s model. J. Mech. Phys. Solids 2017, 106, 152–175. [Google Scholar] [CrossRef]
- Ni, J.; Wang, X.; Gong, J.; Wahab, M.A. A multi-phase model for transformation plasticity using thermodynamics-based metallurgical algorithm. Int. J. Mech. Sci. 2018, 148, 135–148. [Google Scholar] [CrossRef]
- Hu, G.; Cai, X. Fundamentals of Materials Science; Shanghai Jiaotong University Press: Shanghai, China, 2006; pp. 228–229. [Google Scholar]
- Ferry, M.; Humphrey, J. Discontinuous subgrain growth in deformed and annealed {110} <001> aluminium single crystals. Acta Mater. 1996, 44, 1293–1308. [Google Scholar] [CrossRef]
- Gottstein, G.; Molodov, D.A.; Shvindlerman, L.S.; Winning, M. Grain Boundary Dynamics: A Novel Tool for Microstructure Control. Interface Sci. 2001, 9, 297–306. [Google Scholar] [CrossRef]
- Jahanian, S.; Mosleh, M. The mathematical modeling of phase transformation of steel during quenching. J. Mater. Eng. Perform. 1999, 8, 75–82. [Google Scholar] [CrossRef]
- Xu, Z. Martensitic Transformation and Martensite, 2nd ed.; Science Press: Beijing, China, 1999; pp. 593, 700. [Google Scholar]
- Xu, Z. Effect of stress on bainitic transformation in steel. Acta Metall. Sin. 2004, 2, 113–119. [Google Scholar]
- Yong, Q. Second Phases in Structural Steels; Metallurgical Industry Press: Beijing, China, 2006; pp. 258–293. [Google Scholar]











| C | Mn | Si | Nb | Cu | Cr | Ti | Fe |
|---|---|---|---|---|---|---|---|
| 0.068 | 0.7 | 0.05 | 0.026 | 0.015 | 0.037 | 0.02 | Bal. |
| F (MPa) | 0 | −15 | −30 | −45 | 15 | 30 | 45 |
| Onset Temperature (°C) | 802 | 742 | 749 | 780 | 727 | 756 | 779 |
| Hysteresis temperature (°C) | 0 | 60 | 53 | 22 | 75 | 46 | 23 |
| Hysteresis time (s) | 0 | 6 | 5.3 | 2.2 | 7.5 | 4.6 | 2.3 |
| σ (MPa) | 45 | 30 | 15 | 0 | −15 | −30 | −45 |
| Δt (s) | 16.3 | 18.9 | 22.3 | 25.7 | 22 | 21 | 19.2 |
| σ (MPa) | 0 | −15 | −30 | −45 | 15 | 30 | 45 |
| εtp (%) | 0 | −0.145 | −0.362 | −0.611 | 0.209 | 0.374 | 0.512 |
| k (10−4 MPa−1) | 0 | 0.964 | 1.21 | 1.36 | 1.39 | 1.25 | 1.14 |
| - | Leblond | Abrassart | Desalos |
|---|---|---|---|
| f(ξ) |
© 2019 by the authors. Licensee MDPI, Basel, Switzerland. This article is an open access article distributed under the terms and conditions of the Creative Commons Attribution (CC BY) license (http://creativecommons.org/licenses/by/4.0/).
Share and Cite
Ding, W.; Liu, Y.; Xie, J.; Sun, L.; Liu, T. Influence of Stress on Kinetics and Transformation Plasticity of Ferrite Transformation Based on Hysteresis Effects. Metals 2019, 9, 73. https://doi.org/10.3390/met9010073
Ding W, Liu Y, Xie J, Sun L, Liu T. Influence of Stress on Kinetics and Transformation Plasticity of Ferrite Transformation Based on Hysteresis Effects. Metals. 2019; 9(1):73. https://doi.org/10.3390/met9010073
Chicago/Turabian StyleDing, Wenhong, Yazheng Liu, Jianxin Xie, Li Sun, and Tianwu Liu. 2019. "Influence of Stress on Kinetics and Transformation Plasticity of Ferrite Transformation Based on Hysteresis Effects" Metals 9, no. 1: 73. https://doi.org/10.3390/met9010073
APA StyleDing, W., Liu, Y., Xie, J., Sun, L., & Liu, T. (2019). Influence of Stress on Kinetics and Transformation Plasticity of Ferrite Transformation Based on Hysteresis Effects. Metals, 9(1), 73. https://doi.org/10.3390/met9010073

