Influence of Non-Metallic Inclusions on Very High-Cycle Fatigue Performance of High-Strength Steels and Interpretation via Crystal Plasticity Finite Element Method
Abstract
1. Introduction
2. Materials and Methods
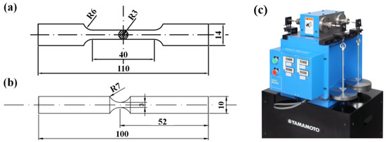
2.1. Materials and Specimens
2.2. Experimental Methods
2.3. Microstructure Characterization
3. Crystal Plasticity Finite Element Simulation
3.1. Crystal Plasticity Theory
3.2. Finite Element Modeling and Model Parameters Calibration
4. Results and Discussions
4.1. S-N Curves
4.2. Fractography
4.3. Fracture Mechanics Analysis of Inclusions and FGA
4.4. Residual Stress Distribution and Accumulated Plastic Strain
5. Conclusions
- (1)
- The specimens continue to break beyond 107, and the fatigue strength corresponding to fatigue lives of 109 is about 100 MPa lower than that of 107, which is already beyond the scope of the fatigue lifetime scatter, and a new failure mechanism appears.
- (2)
- Fractography observation reveals that the failure originates from surface defects at LCF regimes and interior inclusions at HCF/VHCF regimes, showing a typical pattern containing FGA, fish-eye, and outer perimeter zones, which exhibit different surface roughness values as evidenced by both SEM and AFM.
- (3)
- It is shown that the inclusion size is randomly distributed in the range from 10 μm to 55 μm, while that of the FGA is in the range from 30 μm to 50 μm. In addition, an FGA does not occur in the presence of very large inclusions. On the contrary, an FGA still occurs around large prior austenite grains even if there are no inclusions.
- (4)
- The distribution of local residual stress and accumulated plastic strain after 100 cycles of loading for six different inclusion sizes under three different loading amplitudes is calculated by 2D CPFEM, and the results are adopted to interpret the influences of inclusion size. The value of accumulated plastic strain around different inclusion sizes also resembles the crack nucleation or propagation of materials. The plastic strain accumulated around smaller inclusions resembles the damage process of an FGA, while that around larger inclusion resembles the crack propagation process of a fish-eye zone. The Pac around smaller inclusions are very small, suggesting that the crack nucleation process is very slow in the FGA zone, while the Pac around large inclusions is very large, suggesting that the crack propagation rate is very fast in the fish-eye zone.
- (5)
- The accumulated plastic strain after 100 cycles of loading calculated by 2D CPFEM reveals that inclusions smaller than 5 μm have little influence on fatigue lifetimes, while inclusions larger than 10 μm have significant influences on fatigue lifetimes. This conclusion can be evidenced by the experimental results. During fractography observation, it is also seen that the inclusion acting as a failure originating site is seldom smaller than 10 μm, while prior austenite grains could also act as the originating source of failure when inclusion is absent. The simulation and experimental results could provide a solid suggestion for critical inclusion size control during the steel formation process.
Author Contributions
Funding
Data Availability Statement
Acknowledgments
Conflicts of Interest
References
- Sabrina, V.; Camilla, R.; Daniela, S.; Andrea, Z.; Lucas, C.A.; José, A.A. Influence of non-metallic inclusions on the high cycle fatigue strength of steels. Int. J. Fatigue 2022, 154, 106553. [Google Scholar]
- Yukitaka, M.; Toshio, T.; Kentaro, W.; Hisao, M. Essential structure of S-N curve: Prediction of fatigue life and fatigue limit of defective materials and nature of scatter. Int. J. Fatigue 2021, 146, 106138. [Google Scholar]
- Schuller, R.; Fitzka, M.; Irrasch, D.; Tran, D.; Pennings, B.; Mayer, H. VHCF properties of nitrided 18Ni maraging steel thin sheets with different Co and Ti content. Fatigue Fract. Eng. Mater. Struct. 2015, 38, 518–527. [Google Scholar]
- Gu, C.; Bao, Y.-P.; Lin, L. Cleanliness distribution of high-carbon chromium bearing steel billets and growth behavior of inclusions during solidification. Rev. Met. 2017, 53, e089. [Google Scholar]
- Cai, X.-F.; Bao, Y.-P.; Wang, M.; Lin, L.; Dai, N.-C.; Gu, C. Investigation of precipitation and growth behavior of Ti inclusions in tire cord steel. Metall. Res. Technol. 2015, 112, 407. [Google Scholar]
- Murakami, Y.; Endo, M. Effects of defects, inclusions and inhomogeneities on fatigue strength. Int. J. Fatigue 1994, 16, 163–182. [Google Scholar]
- Murakami, Y. Metal Fatigue: Effects of Small Defects and Nonmetallic Inclusions; Elsevier: London, UK, 2002. [Google Scholar]
- Furuya, Y.; Hirukawa, H.; Kimura, T.; Hayaishi, M. Gigacycle fatigue properties of high strength steels according to inclusion and ODA sizes. Metall. Mater. Trans. A 2007, 38, 1722–1730. [Google Scholar]
- Lu, L.T.; Zhang, J.W.; Shiozawa, K. Influence of inclusion size on S-N curve characteristics of high-strength steels in the giga-cycle fatigue regime. Fatigue Fract. Eng. Mater. Struct. 2009, 32, 647–655. [Google Scholar]
- Zhao, A.; Xie, J.; Sun, C.; Lei, Z.; Hong, Y. Effects of strength level and loading frequency on very-high-cycle fatigue behavior for a bearing steel. Int. J. Fatigue 2012, 38, 46–56. [Google Scholar]
- Zhao, A.G.; Xie, J.J.; Sun, C.Q.; Lei, Z.Q.; Hong, Y.S. Prediction of threshold value for FGA formation. Mater. Sci. Eng. A 2011, 528, 6872–6877. [Google Scholar]
- Deng, H.L.; Liu, Q.C.; Liu, H.; Yu, H. Long-Life Fatigue of Carburized 12Cr2Ni Alloy Steel: Evaluation of Failure Characteristic and Prediction of Fatigue Strength. Metals 2018, 8, 1006. [Google Scholar] [CrossRef]
- Xing, Z.G.; Wang, Z.Y.; Wang, H.D.; Shan, D.B. Bending Fatigue Behaviors Analysis and Fatigue Life Prediction of 20Cr2Ni4 Gear Steel with Different Stress Concentrations near Non-metallic Inclusions. Materials 2019, 12, 3443. [Google Scholar] [CrossRef]
- An, X.; Shi, Z.; Xu, H.; Wang, C.; Wang, Y.; Cao, W.; Yu, J. Quantitative Examination of the Inclusion and the Rotated Bending Fatigue Behavior of SAE52100. Metals 2021, 11, 1502. [Google Scholar] [CrossRef]
- Fan, Y.; Gui, X.; Liu, M.; Wang, X.; Feng, C.; Gao, G. High-Cycle Fatigue Life and Strength Prediction for Medium-Carbon Bainitic Steels. Metals 2022, 12, 856. [Google Scholar] [CrossRef]
- Michael, H.; Michael, S.; Stefan, F. Fatigue strength study based on geometric shape of bulk defects in cast steel. Int. J. Fatigue 2022, 163, 107082. [Google Scholar]
- Benedetti, M.; Santus, C.; Raghavendra, S.; Lusuardi, D.; Zanini, F.; Carmignato, S. Multiaxial plain and notch fatigue strength of thick-walled ductile cast iron EN-GJS-600-3: Combining multiaxial fatigue criteria, theory of critical distances, and defect sensitivity. Int. J. Fatigue 2022, 156, 106703. [Google Scholar]
- Tanaka, K.; Akiniwa, Y. Fatigue crack propagation behaviour derived from S-N data in very high cycle regime. Fatigue Fract. Eng. Mater. Struct. 2002, 25, 775–784. [Google Scholar]
- Chapetti, M.D.; Tagaw, T.; Miyata, T. Ultra-long cycle fatigue of high-strength carbon steels part II: Estimation of fatigue limit for failure from internal inclusions. Mater. Sci. Eng. A 2003, 356, 236–244. [Google Scholar]
- Paolino, D.S.; Tridello, A.; Chiandussi, G.; Rossetto, M. Estimation of P-S-N curves in very-high-cycle fatigue: Statistical procedure based on a general crack growth rate model. Fatigue Fract. Eng. Mater. Struct. 2018, 41, 718–726. [Google Scholar]
- Deng, H.L.; Liu, B.; Guo, Y.; Guo, Y.P.; Yu, H. Effect of local equivalent stress on fatigue life prediction of carburized Cr-Ni alloy steel based on evaluation of maximum crack sizes. Eng. Fract. Mech. 2021, 248, 107718. [Google Scholar]
- Murakami, Y.; Yokoyama, N.N.; Nagata, J. Mechanism of fatigue failure in ultralong life regime. Fatigue Fract. Eng. Mater. Struct. 2002, 25, 735–746. [Google Scholar]
- Murakami, Y.; Nomoto, T.; Ueda, T. Factors influencing the mechanism of superlong fatigue failure in steels. Fatigue Fract. Eng. Mater. Struct. 1999, 22, 581–590. [Google Scholar]
- Zhu, M.L.; Jin, L.; Xuan, F.Z. Fatigue life and mechanistic modeling of interior microdefect induced cracking in high cycle and very high cycle regimes. Acta Mater. 2018, 157, 259–275. [Google Scholar]
- Al-Tameemi, H.A.; Long, H.; Dwyer-Joyce, R.S. Initiation of sub-surface micro-cracks and white etching areas from debonding at non-metallic inclusions in wind turbine gearbox bearing. Wear 2018, 406–407, 22–32. [Google Scholar]
- Vegter, E.; Krock, H.; Kadin, Y.; Ocelík, V. Nonmetallic Inclusion Bonding in Bearing Steel and the Initiation of White-Etching Cracks. In 11th International Symposium on Rolling Bearing Steels: Progress in Bearing Steel Technologies and Bearing Steel Quality Assurance; ASTM International: West Conshohocken, PA, USA, 2017; Volume 11, pp. 519–532. [Google Scholar]
- Nikolic, K.; De Wispelaere, J.; Ravi, G.; Hertelé, S.; Depover, T.; Verbeken, K.; Petrov, R.H. Confirming Debonding of Non-Metallic Inclusions as an Important Factor in Damage Initiation in Bearing Steel. Metals 2023, 13, 1113. [Google Scholar] [CrossRef]
- Yves, N. Fatigue from Defect: Influence of Size, Type, Position, Morphology and Loading. Int. J. Fatigue 2022, 154, 106531. [Google Scholar]
- Kerscher, E.; Lang, K.-H.; Löhe, D. Increasing the Fatigue Limit of a High-Strength Bearing Steel by Thermomechanical Treatment. Mater. Sci. Eng. A 2008, 483–484, 415–417. [Google Scholar]
- Guan, J.; Wang, L.; Zhang, C.; Ma, X. Effects of Non-Metallic Inclusions on the Crack Propagation in Bearing Steel. Tribol. Int. 2017, 106, 123–131. [Google Scholar]
- Moshtaghi, M.; Safyari, M. Effect of Work-Hardening Mechanisms in Asymmetrically Cyclic-Loaded Austenitic Stainless Steels on Low-Cycle and High-Cycle Fatigue Behavior. Steel Res. Int. 2021, 92, 2000242. [Google Scholar]
- Spriestersbach, D.; Grad, P.; Kerscher, E. Influence of different non-metallic inclusion types on the crack initiation in high-strength steels in the VHCF regime. Int. J. Fatigue 2014, 64, 114–120. [Google Scholar]
- Zhao, P.; Wang, X.R.; Yan, E.; Misra, R.D.K.; Du, C.M.; Du, F. The influence of inclusion factors on ultra-high cyclic deformation of a dual phase steel. Mater. Sci. Eng. A 2019, 754, 275–281. [Google Scholar]
- Shi, Y.; Yang, D.D.; Yang, X.G.; Miao, G.L.; Shi, D.Q.; Li, S.L.; Hu, X.A.; Liu, F.C.; Huang, W.Q. The effect of inclusion factors on fatigue life and fracture-mechanics-based life method for a P/M superalloy at elevated temperature. Int. J. Fatigue 2020, 131, 105365. [Google Scholar]
- Driss, E.K.; Franck, M.; Nicolas, S.; Daniel, B.; Pierre, O.; Viet-Duc, L. Probabilistic modeling of the size effect and scatter in High Cycle Fatigue using a Monte-Carlo approach: Role of the defect population in cast aluminum alloys. Int. J. Fatigue 2021, 147, 106177. [Google Scholar]
- Shi, Z.; Li, J.; Zhang, X.; Shang, C.; Cao, W. Influence Mechanisms of Inclusion Types on Rotating Bending Fatigue Properties of SAE52100 Bearing Steel. Materials 2022, 15, 5037. [Google Scholar] [CrossRef]
- Guerchais, R.; Morel, F.; Saintier, N. Effect of defect size and shape on the high-cycle fatigue behavior. Int. J. Fatigue 2017, 100, 530–539. [Google Scholar]
- Przybyla, C.P.; McDowell, D.L. Microstructure-sensitive extreme value probabilities for high cycle fatigue of Ni-base superalloy IN100. Int. J. Plast. 2010, 26, 372–394. [Google Scholar]
- Przybyla, C.P.; Musinski, W.D.; Castelluccio, G.M.; McDowell, D.L. Microstructure-sensitive HCF and VHCF simulations. Int. J. Fatigue 2013, 57, 9–27. [Google Scholar]
- Musinski, W.D.; McDowell, D.L. Simulating the effect of grain boundaries on microstructurally small fatigue crack growth from a focused ion beam notch through a three-dimensional array of grains. Acta Mater. 2016, 112, 20–39. [Google Scholar]
- Castelluccio, G.M.; McDowell, D.L. Microstructure-sensitive small fatigue crack growth assessment: Effect of strain ratio, multiaxial strain state, and geometric discontinuities. Int. J. Fatigue 2016, 82, 521–529. [Google Scholar]
- Gu, C.; Lian, J.H.; Bao, Y.P.; Xie, Q.G.; Münstermann, S. Microstructure-based fatigue modelling with residual stresses: Prediction of the fatigue life for various inclusion sizes. Int. J. Fatigue 2019, 129, 105158. [Google Scholar]
- Gu, C.; Lian, J.H.; Bao, Y.P.; Münstermann, S. Microstructure-based fatigue modelling with residual stresses: Prediction of the microcrack initiation around inclusions. Mater. Sci. Eng. A 2019, 751, 133–141. [Google Scholar]
- Gu, C.; Lian, J.H.; Bao, Y.P.; Xiao, W.; Münstermann, S. Numerical study of the effect of inclusions on the residual stress distribution in high-strength martensitic steels during cooling. Appl. Sci. 2019, 9, 455. [Google Scholar] [CrossRef]
- Cong, T.; Li, R.; Zheng, Z.; Ma, X.; Wu, S.; Zhang, R.; Berto, F.; Sun, J.; Qian, G. Experimental and computational investigation of weathering steel Q450NQR1 under high cycle fatigue loading via crystal plasticity finite element method. Int. J. Fatigue 2022, 159, 106772. [Google Scholar]
- Zhang, W.; Hu, Y.; Ma, X.; Qian, G.; Berto, F. Very-high-cycle fatigue behavior of AlSi10Mg manufactured by selected laser melting: Crystal plasticity modeling. Int. J. Fatigue 2021, 145, 106109. [Google Scholar]














| C | Cr | Mn | Si | P | S | Fe |
|---|---|---|---|---|---|---|
| 1.01 | 1.45 | 0.35 | 0.28 | 0.015 | 0.01 | Balance |
| Slip System | n | h0 (MPa) | τs (MPa) | τ0 (MPa) |
|---|---|---|---|---|
| {110}<111> | 10 | 490 | 1200 | 570 |
| {112}<111> | 10 | 380 | 1100 | 540 |
| Number | Stress Amplitude σmax (MPa) | Radius R (μm) | Inclusion Size (μm) |
|---|---|---|---|
| A-1 | 800 | 0 | 0 |
| A-2 | 5 | 8.86 | |
| A-3 | 10 | 17.72 | |
| A-4 | 20 | 35.44 | |
| A-5 | 30 | 53.16 | |
| A-6 | 40 | 70.88 | |
| B-1 | 900 | 0 | 0 |
| B-2 | 5 | 8.86 | |
| B-3 | 10 | 17.72 | |
| B-4 | 20 | 35.44 | |
| B-5 | 30 | 53.16 | |
| B-6 | 40 | 70.88 | |
| C-1 | 1000 | 0 | 0 |
| C-2 | 5 | 8.86 | |
| C-3 | 10 | 17.72 | |
| C-4 | 20 | 35.44 | |
| C-5 | 30 | 53.16 | |
| C-6 | 40 | 70.88 |
Disclaimer/Publisher’s Note: The statements, opinions and data contained in all publications are solely those of the individual author(s) and contributor(s) and not of MDPI and/or the editor(s). MDPI and/or the editor(s) disclaim responsibility for any injury to people or property resulting from any ideas, methods, instructions or products referred to in the content. |
© 2024 by the authors. Licensee MDPI, Basel, Switzerland. This article is an open access article distributed under the terms and conditions of the Creative Commons Attribution (CC BY) license (https://creativecommons.org/licenses/by/4.0/).
Share and Cite
Zhao, Y.; Ren, G.; Chen, L.; Gu, G.; Zhu, J.; Zhao, A. Influence of Non-Metallic Inclusions on Very High-Cycle Fatigue Performance of High-Strength Steels and Interpretation via Crystal Plasticity Finite Element Method. Metals 2024, 14, 948. https://doi.org/10.3390/met14080948
Zhao Y, Ren G, Chen L, Gu G, Zhu J, Zhao A. Influence of Non-Metallic Inclusions on Very High-Cycle Fatigue Performance of High-Strength Steels and Interpretation via Crystal Plasticity Finite Element Method. Metals. 2024; 14(8):948. https://doi.org/10.3390/met14080948
Chicago/Turabian StyleZhao, Yingxin, Guoqiang Ren, Liming Chen, Guoqing Gu, Junchen Zhu, and Aiguo Zhao. 2024. "Influence of Non-Metallic Inclusions on Very High-Cycle Fatigue Performance of High-Strength Steels and Interpretation via Crystal Plasticity Finite Element Method" Metals 14, no. 8: 948. https://doi.org/10.3390/met14080948
APA StyleZhao, Y., Ren, G., Chen, L., Gu, G., Zhu, J., & Zhao, A. (2024). Influence of Non-Metallic Inclusions on Very High-Cycle Fatigue Performance of High-Strength Steels and Interpretation via Crystal Plasticity Finite Element Method. Metals, 14(8), 948. https://doi.org/10.3390/met14080948

