Effect of High Deformation without Preheating on Microstructure and Corrosion of Pure Mg
Abstract
1. Introduction
2. Materials and Methods
2.1. Materials and Extrusion Method
2.2. Microstructural Observations
2.3. Corrosion Tests
3. Results
3.1. Microstructural Observations
3.2. Corrosion Tests
4. Discussion
5. Conclusions
- The KoBo method enables significant microstructural refinement for pure Mg without preheating of the initial billet, having a positive influence on its corrosion resistance.
- During KoBo deformation, there is no clear tendency for grain size reduction with increasing extrusion ratios. The grain size decreased from coarseness typical of cast material to 2.88 µm, 3.88 µm, and 1.20 µm for R1 5:1, R2 7:1, and R3 10:1.
- The corrosion resistance of the KoBo-extruded samples is related not solely to grain refinement but also to other microstructural factors, particularly the dislocation density accumulated during deformation.
Author Contributions
Funding
Data Availability Statement
Conflicts of Interest
References
- Esmaily, M.; Svensson, J.E.; Fajardo, S.; Birbilis, N.; Frankel, G.S.; Virtanen, S.; Arrabal, R.; Thomas, S.; Johansson, L.G. Fundamentals and Advances in Magnesium Alloy Corrosion. Prog. Mater. Sci. 2017, 89, 92–193. [Google Scholar] [CrossRef]
- Murai, T.; Matsuoka, S.I.; Miyamoto, S.; Oki, Y. Effects of Extrusion Conditions on Microstructure and Mechanical Properties of AZ31B Magnesium Alloy Extrusions. J. Mater. Process. Technol. 2003, 141, 207–212. [Google Scholar] [CrossRef]
- Cerreta, E.K.; Fensin, S.J.; Perez-Bergquist, S.J.; Trujillo, C.P.; Morrow, B.M.; Lopez, M.F.; Roach, C.J.; Mathaudhu, S.N.; Anghel, V.; Gray, G.T. The High-Strain-Rate Constitutive Behavior and Shear Response of Pure Magnesium and AZ31B Magnesium Alloy. Metall. Mater. Trans. A 2021, 52, 3152–3170. [Google Scholar] [CrossRef]
- Park, S.S.; You, B.S.; Yoon, D.J. Effect of the Extrusion Conditions on the Texture and Mechanical Properties of Indirect-Extruded Mg-3Al-1Zn Alloy. J. Mater. Process. Technol. 2009, 209, 5940–5943. [Google Scholar] [CrossRef]
- Wong, T.W.; Hadadzadeh, A.; Wells, M.A. High Temperature Deformation Behavior of Extruded AZ31B Magnesium Alloy. J. Mater. Process. Technol. 2018, 251, 360–368. [Google Scholar] [CrossRef]
- Mu, T.; Yuan, J.; Zhang, K.; Li, Y.; Li, X.; Ma, M.; Shi, G.; Sun, Z.; Zhang, K. Effect of Extrusion Ratio on Microstructures, Mechanical Properties, and High Cycle Fatigue Behavior of Mg–5Zn–1Mn Alloy. J. Mater. Res. Technol. 2024, 30, 992–1008. [Google Scholar] [CrossRef]
- Kasaeian-Naeini, M.; Sedighi, M.; Hashemi, R. Severe Plastic Deformation (SPD) of Biodegradable Magnesium Alloys and Composites: A Review of Developments and Prospects. J. Magnes. Alloy. 2022, 10, 938–955. [Google Scholar] [CrossRef]
- Sepahi-Boroujeni, S.; Sepahi-Boroujeni, A. Improvements in Microstructure and Mechanical Properties of AZ80 Magnesium Alloy by Means of an Efficient, Novel Severe Plastic Deformation Process. J. Manuf. Process. 2016, 24, 71–77. [Google Scholar] [CrossRef]
- Hutchinson, W.B.; Barnett, M.R. Effective Values of Critical Resolved Shear Stress for Slip in Polycrystalline Magnesium and Other Hcp Metals. Scr. Mater. 2010, 63, 737–740. [Google Scholar] [CrossRef]
- Mansoor, P.; Dasharath, S.M. Microstructural and Mechanical Properties of Magnesium Alloy Processed by Severe Plastic Deformation (SPD)—A Review. Mater. Today Proc. 2020, 20, 145–154. [Google Scholar] [CrossRef]
- Imandoust, A.; Barrett, C.D.; Al-Samman, T.; Inal, K.A.; El Kadiri, H. A Review on the Effect of Rare-Earth Elements on Texture Evolution during Processing of Magnesium Alloys. J. Mater. Sci. 2017, 52, 1–29. [Google Scholar] [CrossRef]
- Xu, J.; Wang, X.; Shirooyeh, M.; Xing, G.; Shan, D.; Guo, B.; Langdon, T.G. Microhardness, Microstructure and Tensile Behavior of an AZ31 Magnesium Alloy Processed by High-Pressure Torsion. J. Mater. Sci. 2015, 50, 7424–7436. [Google Scholar] [CrossRef]
- Dobkowska, A.; Adamczyk-Cieślak, B.; Chlewicka, M.; Towarek, A.; Zielińska, A.; Koralnik, M.; Kuc, D.; Mizera, J. Evolution of Microstructure Dependent Corrosion Properties of Ultrafine AZ31 under Conditions of Extrusion with a Forward Backward Oscillating Die. J. Mater. Res. Technol. 2022, 18, 4486–4496. [Google Scholar] [CrossRef]
- Bochniak, W.; Korbel, A. KOBO Type Forming: Forging of Metals under Complex Conditions of the Process. J. Mater. Process. Technol. 2003, 134, 120–134. [Google Scholar] [CrossRef]
- Bochniak, W.; Marszowski, K.; Korbel, A. Theoretical and Practical Aspects of the Production of Thin-Walled Tubes by the KOBO Method. J. Mater. Process. Technol. 2005, 169, 44–53. [Google Scholar] [CrossRef]
- Bochniak, W.; Korbel, A.; Ostachowski, P.; Łagoda, M. Plastic Flow of Metals under Cyclic Change of Deformation Path Conditions. Arch. Civ. Mech. Eng. 2018, 18, 679–686. [Google Scholar] [CrossRef]
- Korbel, A.; Bochniak, W.; Ostachowski, P.; Błaż, L. Visco-Plastic Flow of Metal in Dynamic Conditions of Complex Strain Scheme. Metall. Mater. Trans. A Phys. Metall. Mater. Sci. 2011, 42, 2881–2897. [Google Scholar] [CrossRef]
- Dobkowska, A.; Zielińska, A.; Donik, Č.; Łojkowski, M.; Adamczyk-Cieślak, B. Microstructure and Properties of an AZ61 Alloy after Extrusion with a Forward-Backward Oscillating Die without Preheating of the Initial Billet. J. Alloys Compd. 2023, 169843. [Google Scholar] [CrossRef]
- Dobkowska, A.; Adamczyk–Cieślak, B.; Koralnik, M.; Chromiński, W.; Kubasek, J.; Ciftci, J.; Kuc, D.; Mizera, J. Corrosion Behavior of Fine-Grained Mg-7.5Li-3Al-1Zn Fabricated by Extrusion with a Forward-Backward Rotating Die (KoBo). J. Magnes. Alloy. 2021, 10, 811–820. [Google Scholar] [CrossRef]
- Wójcik, M.; Skrzat, A. Numerical Modelling of the KOBO Extrusion Process Using the Bodner–Partom Material Model. Meccanica 2022, 57, 2213–2230. [Google Scholar] [CrossRef]
- Liang, J.; Liu, S.; Peng, Z.; Li, R.; Wang, B. Galvanic Corrosion Behavior of AZ31 Mg Alloy Coupled with Mild Steel: Effect of Coatings. J. Mater. Res. Technol. 2023, 24, 7745–7755. [Google Scholar] [CrossRef]
- Beausir, B. ATEX-Software. Lorraine University, Metz, France. Available online: www.atex-software.eu (accessed on 12 June 2024).
- Ribárik, G.; Gubicza, J.; Ungár, T. Correlation between Strength and Microstructure of Ball-Milled Al-Mg Alloys Determined by X-Ray Diffraction. Mater. Sci. Eng. A 2004, 387–389, 343–347. [Google Scholar] [CrossRef]
- Gubicza, J. X-ray Line Profile Analysis in Materials Science; IGI Global: Hershey, PI, USA, 2014; pp. 1–343. [Google Scholar] [CrossRef]
- Song, G.; Atrens, A. Understanding Magnesium Corrosion. A Framework for Improved Alloy Performance. Adv. Eng. Mater. 2003, 5, 837–858. [Google Scholar] [CrossRef]
- Song, G.L.; Unocic, K.A. The Anodic Surface Film and Hydrogen Evolution on Mg. Corros. Sci. 2015, 98, 758–765. [Google Scholar] [CrossRef]
- Jiang, M.G.; Yan, H.; Chen, R.S. Twinning, Recrystallization and Texture Development during Multi-Directional Impact Forging in an AZ61 Mg Alloy. J. Alloys Compd. 2015, 650, 399–409. [Google Scholar] [CrossRef]
- Zeng, J.; Wang, F.; Dong, S.; Nie, X.; Fan, Y.; Dong, J. A New Dynamic Recrystallization Kinetics Model of Cast-Homogenized Magnesium Alloys. Metall. Mater. Trans. A Phys. Metall. Mater. Sci. 2021, 52, 316–331. [Google Scholar] [CrossRef]
- Mirzadeh, H. Grain Refinement of Magnesium Alloys by Dynamic Recrystallization (DRX): A Review. J. Mater. Res. Technol. 2023, 25, 7050–7077. [Google Scholar] [CrossRef]
- Fan, G.D.; Zheng, M.Y.; Hu, X.S.; Xu, C.; Wu, K.; Golovin, I.S. Improved Mechanical Property and Internal Friction of Pure Mg Processed by ECAP. Mater. Sci. Eng. A 2012, 556, 588–594. [Google Scholar] [CrossRef]
- Roodposhti, P.S.; Sarkar, A.; Murty, K.L.; Scattergood, R.O. Dislocation Density Evolution during Creep of AZ31 Mg Alloy: A Study by X-ray Diffraction Line Profile Analysis. Metallogr. Microstruct. Anal. 2015, 4, 337–343. [Google Scholar] [CrossRef]
- King, A.D.; Birbilis, N.; Scully, J.R. Accurate Electrochemical Measurement of Magnesium Corrosion Rates; A Combined Impedance, Mass-Loss and Hydrogen Collection Study. Electrochim. Acta 2014, 121, 394–406. [Google Scholar] [CrossRef]
- Bahmani, A.; Lotfpour, M.; Taghizadeh, M.; Kim, W.J. Corrosion Behavior of Severely Plastically Deformed Mg and Mg Alloys. J. Magnes. Alloy. 2022, 10, 2607–2648. [Google Scholar] [CrossRef]
- Pawar, S.; Slater, T.J.A.; Burnett, T.L.; Zhou, X.; Scamans, G.M.; Fan, Z.; Thompson, G.E.; Withers, P.J. Crystallographic Effects on the Corrosion of Twin Roll Cast AZ31 Mg Alloy Sheet. Acta Mater. 2017, 133, 90–99. [Google Scholar] [CrossRef]
- Zhao, P.; Xie, T.; Ying, T.; Zhu, H.; Zeng, X. Role of Alloyed Sc on the Corrosion Behavior of Mg. Metall. Mater. Trans. A Phys. Metall. Mater. Sci. 2022, 53, 741–746. [Google Scholar] [CrossRef]
- Li, Z.; Zhou, S.-j.; Huang, N. Effects of ECAE Processing Temperature on the Microstructure, Mechanical Properties, and Corrosion Behavior of Pure Mg. Int. J. Miner. Metall. Mater. 2015, 22, 639–647. [Google Scholar] [CrossRef]
- Birbilis, N.; Ralston, K.D.; Virtanen, S.; Fraser, H.L.; Davies, C.H.J. Grain Character Influences on Corrosion of ECAPed Pure Magnesium. Corros. Eng. Sci. Technol. 2010, 45, 224–230. [Google Scholar] [CrossRef]
- Op’t Hoog, C.; Birbilis, N.; Estrin, Y. Corrosion of Pure Mg as a Function of Grain Size and Processing Route. Adv. Eng. Mater. 2008, 10, 579–582. [Google Scholar] [CrossRef]
- Ambat, R.; Aung, N.N.; Zhou, W. Evaluation of Microstructural Effects on Corrosion Behaviour of AZ91D Magnesium Alloy. Corros. Sci. 2000, 42, 1433–1455. [Google Scholar]
- Bahmani, A.; Arthanari, S.; Shin, K.S. Formulation of Corrosion Rate of Magnesium Alloys Using Microstructural Parameters. J. Magnes. Alloy. 2020, 8, 134–149. [Google Scholar] [CrossRef]
- Li, G.; Pan, X.; Jiang, J.; Li, J.; Xie, L.; Liu, H.; Zhang, M. Achieving Ultra-Fine Grains and High Corrosion Resistance of Al–Zn–Mg–Cu Alloy by ECAP and Post Cold Rolling. J. Mater. Res. Technol. 2023, 26, 7354–7368. [Google Scholar] [CrossRef]
- Xue, D.; Wei, W.; Shi, W.; Guo, Y.W.; Wen, S.P.; Wu, X.L.; Huang, H.; Nie, Z.R. Effect of Cold Rolling on Mechanical and Corrosion Properties of Stabilized Al–Mg–Mn–Er–Zr Alloy. J. Mater. Res. Technol. 2021, 15, 6329–6339. [Google Scholar] [CrossRef]










| Sample | Ø40 mm | Ø8 mm (R1 5:1) | Ø6 mm (R2 7:1) | Ø4 mm (R3 10:1) |
| Dislocation density | Below detection limit | (7 ± 1) × 1013 m−2 | Below detection limit | (5 ± 1) × 1013 m−2 |
| Material | Ecorr (V/Ref) | Eb (V/Ref) | ΔE |
|---|---|---|---|
| Initial billet Ø40 mm | −1.47 | n/a | n/a |
| Ø8 mm | −1.44 | n/a | n/a |
| Ø6 mm | −1.5 | −0.76 | 0.74 |
| Ø4 mm | −1.5 | −0.88 | 0.62 |
| (a) | (b) | (c) | |
![]() | ![]() | ![]() | |
| Sample/immersion time | |||
| Ø40 mm/1 h | Ø40 mm/6 h | Ø40 mm/12 h | Ø8 mm/6 h |
| Ø8 mm/1 h | Ø6 mm/1 h | Ø8 mm/12 h | |
| Ø6 mm/6 h | Ø6 mm/12 h | Ø4 mm/1 h | |
| Ø4 mm/6 h | Ø4 mm/12 h | ||
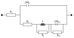
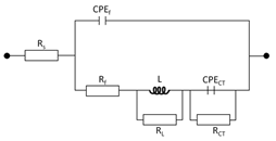
| Sample | Immersion Time | Rs (Ω∙cm2) | Rct (Ω∙cm2) | CPEct (µSsa/cm2) | a | RL (Ω∙cm2) | L (H∙cm2) | Rf (Ω∙cm2) | CPEf (µSsa/cm2) | a2 |
|---|---|---|---|---|---|---|---|---|---|---|
| Ø40 mm | 1 h | 189 | 380 | 0.003 | 0.83 | 2115 | 7 | 1906 | 0.00002 | 0.86 |
| Ø40 mm | 6 h | 189 | 320 | 0.004 | 0.88 | 841 | 8 | 2085 | 0.0004 | 0.82 |
| Ø40 mm | 12 h | 168 | 340 | 0.000205 | 0.73 | 1388 | 3130 | 35 | 0.000016 | 0.60 |
| Ø8 mm | 1 h | 232 | 937 | 0.000202 | 0.75 | 17,520 | 8 | 2114 | 0.000019 | 0.85 |
| Ø8 mm | 6 h | 247 | 1557 | 0.000054 | 0.73 | 3300 | 247 | n/a | n/a | n/a |
| Ø8 mm | 12 h | 245 | 1057 | 0.000071 | 0.86 | 3390 | 52,000 | n/a | n/a | n/a |
| Ø6 mm | 1 h | 506 | 5508 | 0.000004 | 0.89 | 35,000 | 22 | 5318 | 0.000006 | 0.91 |
| Ø6 mm | 6 h | 569 | 3635 | 0.000006 | 0.81 | 9771 | 22 | 8099 | 0.000007 | 0.87 |
| Ø6 mm | 12 h | 632 | 4600 | 0.000005 | 0.75 | 6703 | 20 | 9359 | 0.000006 | 0.88 |
| Ø4 mm | 1 h | 451 | 2929 | 0.000006 | 0.85 | 8959 | 868,000 | 5425 | 0.000006 | 0.88 |
| Ø4 mm | 6 h | 458 | 3638 | 0.000521 | 0.90 | 3716 | 12 | 7722 | 0.000006 | 0.86 |
| Ø4 mm | 12 h | 462 | 3521 | 0.000613 | 0.83 | 4840 | 26 | 8142 | 0.000006 | 0.87 |
Disclaimer/Publisher’s Note: The statements, opinions and data contained in all publications are solely those of the individual author(s) and contributor(s) and not of MDPI and/or the editor(s). MDPI and/or the editor(s) disclaim responsibility for any injury to people or property resulting from any ideas, methods, instructions or products referred to in the content. |
© 2024 by the authors. Licensee MDPI, Basel, Switzerland. This article is an open access article distributed under the terms and conditions of the Creative Commons Attribution (CC BY) license (https://creativecommons.org/licenses/by/4.0/).
Share and Cite
Dobkowska, A.; Adamczyk-Cieślak, B.; Gonzalez Garcia, M.A.; Bednarczyk, W.; Gubicza, J.; Jenei, P.; Mukhtarova, K.; Tkocz, M.; Kuc, D.; Mizera, J. Effect of High Deformation without Preheating on Microstructure and Corrosion of Pure Mg. Metals 2024, 14, 949. https://doi.org/10.3390/met14080949
Dobkowska A, Adamczyk-Cieślak B, Gonzalez Garcia MA, Bednarczyk W, Gubicza J, Jenei P, Mukhtarova K, Tkocz M, Kuc D, Mizera J. Effect of High Deformation without Preheating on Microstructure and Corrosion of Pure Mg. Metals. 2024; 14(8):949. https://doi.org/10.3390/met14080949
Chicago/Turabian StyleDobkowska, Anna, Bogusława Adamczyk-Cieślak, Marlene Aydee Gonzalez Garcia, Wiktor Bednarczyk, Jenő Gubicza, Péter Jenei, Kamilla Mukhtarova, Marek Tkocz, Dariusz Kuc, and Jarosław Mizera. 2024. "Effect of High Deformation without Preheating on Microstructure and Corrosion of Pure Mg" Metals 14, no. 8: 949. https://doi.org/10.3390/met14080949
APA StyleDobkowska, A., Adamczyk-Cieślak, B., Gonzalez Garcia, M. A., Bednarczyk, W., Gubicza, J., Jenei, P., Mukhtarova, K., Tkocz, M., Kuc, D., & Mizera, J. (2024). Effect of High Deformation without Preheating on Microstructure and Corrosion of Pure Mg. Metals, 14(8), 949. https://doi.org/10.3390/met14080949




