Surface Morphology and Formation of Nanocrystals in an Amorphous Zr55Cu30Al10Ni5 Alloy under High-Pressure Torsion
Abstract
1. Introduction
2. Materials and Methods
3. Results and Discussion
4. Conclusions
- -
- It was found that in the alloy deformed by HPT, the uneven distribution of deformation along the radius of the sample led to the formation of a heterogeneous partially crystalline structure: the formation of nanocrystals began in the peripheral part of the sample; the central part of the sample remained amorphous.
- -
- The threshold value of deformation required for crystallization to begin was established; nanocrystal formation occurred when the true deformation value was e = 4.83.
- -
- The nanocrystals formed were nanocrystals of the Zr2Cu phase and had the sizes of 1–4 nm.
- -
- An increase in the deformation degree led to an increase in the height of steps on the deformed sample surface and an increase in the roughness of the surface.
- -
- It was established that the thickness of an elementary step that was formed when one shear band came out to the surface was 10 nm, and its height was about 1 nm.
- -
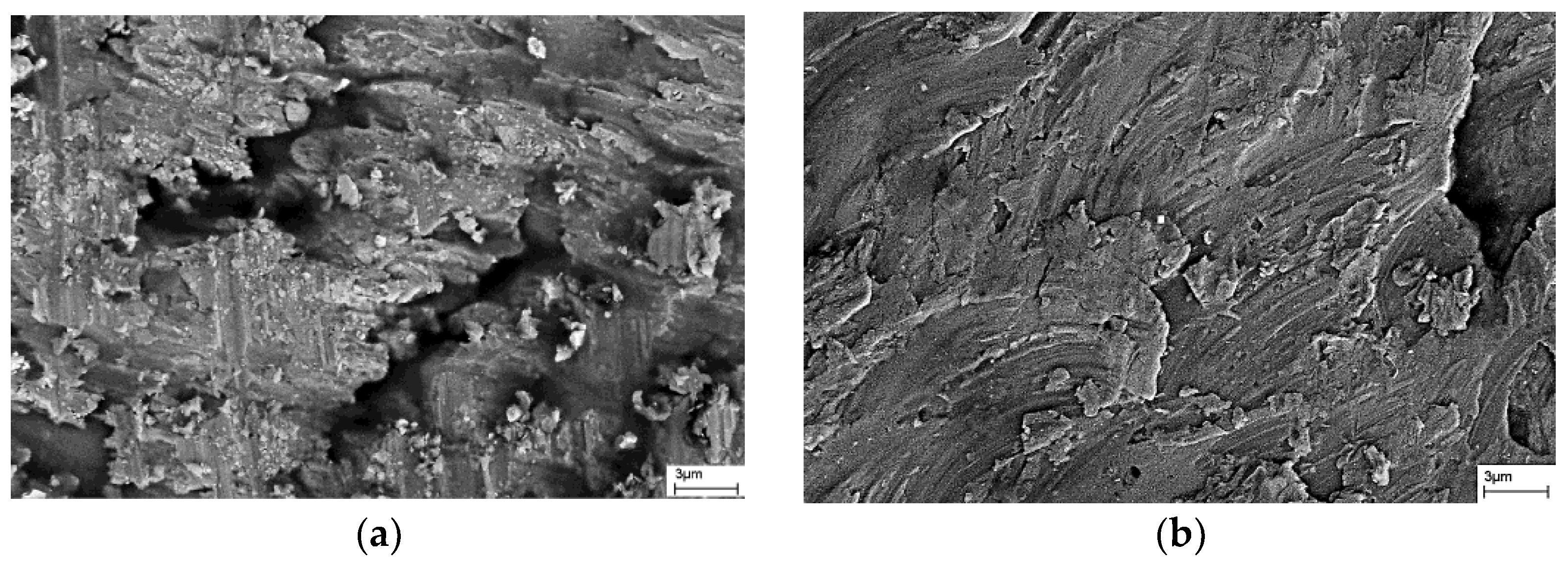
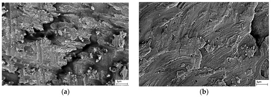
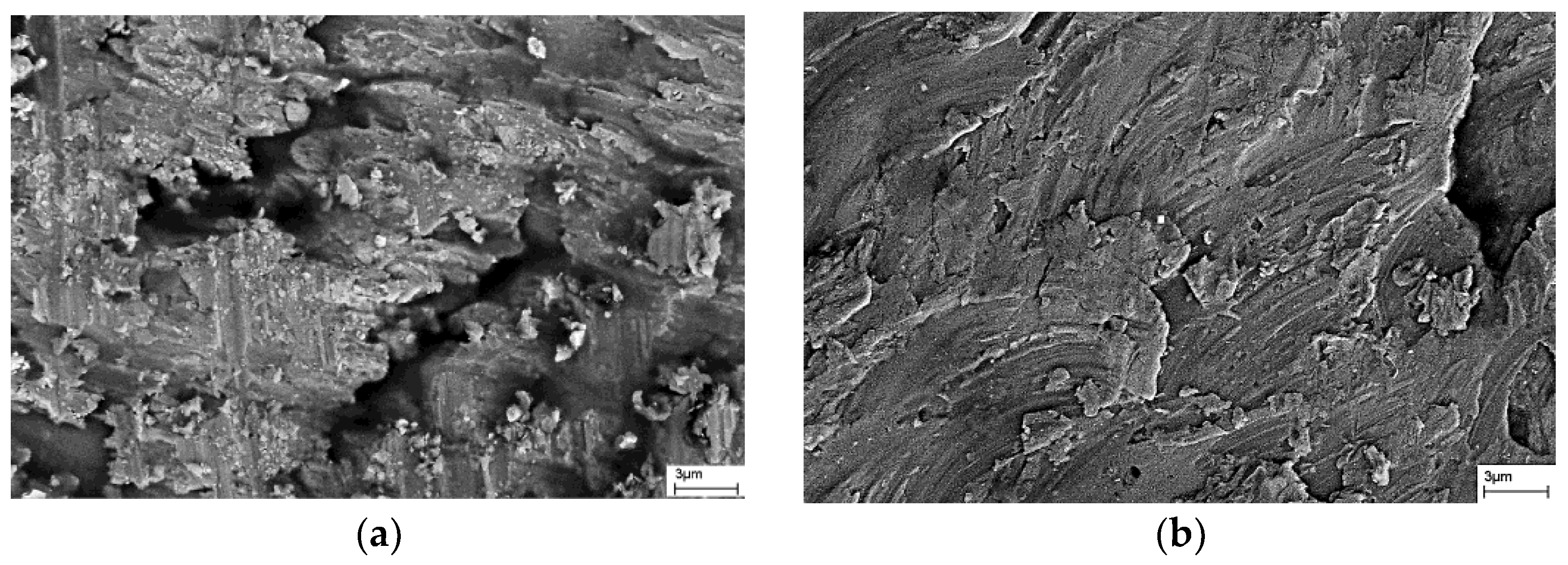
- It was found that large steps on the deformed surface of the sample had a complex structure and consisted of a large number of elementary steps.
- -
- The last conclusion is especially important for the analysis of the stress distribution and the concentration of free volume in a deformed material since it largely affects the formation of an amorphous-nanocrystalline structure.
Author Contributions
Funding
Data Availability Statement
Acknowledgments
Conflicts of Interest
References
- Yokoyama, Y. Ductility improvement of Zr–Cu–Ni–Al glassy alloy. J. Non. Cryst. Solids 2003, 316, 104. [Google Scholar] [CrossRef]
- Chen, M.W.; Inoue, A.; Zhang, W.; Sakurai, T. Extraordinary plasticity of ductile bulk metallic glasses. Phys. Rev. Lett. 2006, 96, 245502. [Google Scholar] [CrossRef]
- Louzguine-Luzgin, D.V. Structural Changes in Metallic Glass-Forming Liquids on Cooling and Subsequent Vitrification in Relationship with Their Properties. Materials 2022, 15, 7285. [Google Scholar] [CrossRef] [PubMed]
- Chunchu, V.J.; Markandeyulu, G. Magnetoimpedance studies in as quenched Fe73.5Si13.5B8CuV3-xAlNbx nanocrystalline ribbons. Appl. Phys. 2013, 113, 17A321. [Google Scholar] [CrossRef]
- Zhukov, A.; Ipatov, M.; Talaat, A.; Blanco, J.M.; Hernando, B.; Gonzalez-Legarreta, L.; Suñol, J.J.; Zhukova, V. Correlation of Crystalline Structure with Magnetic and Transport Properties of Glass-Coated Microwires. Crystals 2017, 7, 41. [Google Scholar] [CrossRef]
- Abrosimova, G.; Chirkova, V.; Pershina, E.; Volkov, N.; Sholin, I.; Aronin, A. The Effect of Free Volume on the Crystallization of Al87Ni8Gd5 Amorphous Alloy. Metals 2022, 12, 332. [Google Scholar] [CrossRef]
- Louzguine, D.V.; Inoue, A. Structural and thermal investigations of a high-strength Cu-Zr-Ti-Co bulk metallic glass. Phil. Mag. Lett. 2003, 83, 191. [Google Scholar] [CrossRef]
- Ding, J.; Inoue, A.; Kong, F.L.; Zhu, S.L.; Pu, Y.L.; Shalaan, E.; Al-Ghamdi, A.A.; Greer, A.L. Novel heating- and deformation-induced phase transitions and mechanical properties for multicomponent Zr50M50, Zr50(M,Ag)50 and Zr50(M,Pd)50 (M = Fe, Co, Ni, Cu) amorphous alloys. J. Mater. Sci. Technol. 2022, 104, 109. [Google Scholar] [CrossRef]
- Axinte, E. Metallic glasses from “alchemy” to pure science: Present and future of design, processing and applications of glassy metals. Mater. Des. 2012, 35, 518. [Google Scholar] [CrossRef]
- Abrosimova, G.; Aronin, A.; Matveev, D.; Zverkova, I.; Molokanov, V.; Pan, S.; Slipenyuk, A. The Structure and Mechanical Properties of Bulk Zr50Ti16.5Cu14Ni18.5 Metallic Glass. J. Mater. Sci. 2001, 36, 3933–3939. [Google Scholar] [CrossRef]
- Chen, Y.M.; Ohkubo, T.; Mukai, T.; Hono, K. Structure of shear bands in Pd40Ni40P20 bulk metallic glass. J. Mater. Res. 2009, 24, 1. [Google Scholar] [CrossRef]
- Greer, A.L.; Cheng, Y.Q.; Ma, E. Shear bands in metallic glasses. Mater. Sci. Eng. R 2013, 74, 71–132. [Google Scholar] [CrossRef]
- Liu, C.; Roddatis, V.; Kenesei, P.; Maaß, R. Shear-band thickness and shear-band cavities in a Zr-based metallic glass. Acta Mater. 2017, 140, 206–216. [Google Scholar] [CrossRef]
- Shao, Y.; Yao, K.; Li, M.; Liu, X. Two-zone heterogeneous structure within shear bands of a bulk metallic glass. Appl. Phys. Lett. 2013, 103, 171901. [Google Scholar] [CrossRef]
- Aronin, A.S.; Aksenov, O.I.; Matveev, D.V.; Pershina, E.A.; Abrosimova, G.E. On the formation of steps on the surface under the rolling of an amorphous Al87Ni8La5 alloy. Mater. Lett. 2023, 344, 134478. [Google Scholar] [CrossRef]
- Rösner, H.; Peterlechler, M.; Kűbel, C.; Schmidt, V.; Wilde, G. Density changes in shear bands of a metallic glass determined by correlative analytical transmission electron microscopy. Ultramicroscopy 2014, 142, 1–9. [Google Scholar] [CrossRef] [PubMed]
- Pan, J.; Chen, Q.; Liu, L.; Li, Y. Softening and dilatation in a single shear band. Acta Mater. 2011, 59, 5146–5158. [Google Scholar] [CrossRef]
- Maaß, R.; Samwer, K.; Arnold, W.; Volkert, C.A. A single shear band in a metallic glass: Local core and wide soft zone. Appl. Phys. Lett. 2014, 105, 171902. [Google Scholar] [CrossRef]
- Shahabi, H.; Scudino, S.; Kaban, I.; Stoica, M.; Escher, B.; Menzel, S.G.; Vaughan, B.M.; Kühn, U.; Eckert, J. Mapping of residual strains around a shear band in bulk metallic glass by nanobeam X-ray diffraction. Acta Mater. 2016, 111, 187. [Google Scholar] [CrossRef]
- Aronin, A.S.; Louzguine-Luzgin, D.V. On nanovoids formation in shear bands of an amorphous Al-based alloy. Mech. Mater. 2017, 113, 19–23. [Google Scholar] [CrossRef]
- Meng, F.; Tsuchiya, K.; Seiichiro, I.I.; Yokoyama, Y. Reversible transition of deformation mode by structural rejuvenation and relaxation in bulk metallic glass. Appl. Phys. Lett. 2012, 101, 121914. [Google Scholar] [CrossRef]
- Schmidt, V.; Rösner, H.; Peterlechler, M.; Wilde, G. Quantitative Measurement of Density in a Shear Band of Metallic Glass Monitored Along its Propagation Direction. Phys. Rev. Lett. 2015, 115, 035501. [Google Scholar] [CrossRef] [PubMed]
- Gunderov, D.; Astanin, V.; Churakova, A.; Sitdikov, V.; Ubyivovk, E.; Islamov, A.; Wang, J.T. Influence of High-Pressure Torsion and Accumulative High-Pressure Torsion on Microstructure and Properties of Zr-Based Bulk Metallic Glass Vit105. Metals 2020, 10, 1433. [Google Scholar] [CrossRef]
- Abrosimova, G.E.; Astanin, V.V.; Volkov, N.A.; Gunderov, D.V.; Postnova, E.Y.; Aronin, A.S. The Change in the Radius of a First Coordination Sphere in Amorphous Alloys under Deformation. Phys. Met. Metallogr. 2023, 124, 698. [Google Scholar] [CrossRef]
- Aronin, A.; Budchenko, A.; Matveev, D.; Pershina, E.; Tkatch, V.; Abrosimova, G. Nanocrystal formation in light metallic glasses. Rev. Adv. Mater. Sci. 2016, 46, 53. [Google Scholar]
- Wilde, G.; Rösner, H. Nanocrystallization in a shear band: An in situ investigation. Appl. Phys. Lett. 2011, 98, 251904. [Google Scholar] [CrossRef]
- Davani, F.A.; Hilke, S.; Rösner, H.; Geissler, D.; Gebert, A.; Wilde, G. On the Shear-Affected Zone of Shear Bands in Bulk Metallic Glasses. J. Alloys Compd. 2020, 837, 155494. [Google Scholar] [CrossRef]
- Révész, Á.; Kovács, Z. Severe plastic deformation of amorphous alloys. Mater. Trans. 2019, 60, 1283. [Google Scholar] [CrossRef]
- Şopu, D.; Scudino, S.; Bian, X.L.; Gammer, C.; Eckert, J. Atomic-scale origin of shear band multiplication in heterogeneous metallic glasses. Scripta Mater. 2020, 178, 57. [Google Scholar] [CrossRef]
- Gunderov, D.; Astanin, V. Influence of HPT Deformation on the Structure and Properties of Amorphous Alloys. Metals 2020, 10, 415. [Google Scholar] [CrossRef]
- Zhilyaev, A.P.; Langdon, T.G. Progress in Materials Science Using high-pressure torsion for metal processing: Fundamentals and applications. Prog. Mater. Sci. 2008, 53, 893. [Google Scholar] [CrossRef]
- Liu, C.; Inoue, A.; Kong, F.; Zhu, S.L.; Shalaan, E.; Greer, A.L. Zr-rich Zr-Al-Ni-Ag metallic glass composites with high strength and plastic strain. J. Alloy Compd. 2022, 918, 165683. [Google Scholar] [CrossRef]
- Greer, A.L.; Costa, M.B.; Houghton, O.S. Metallic glasses. MRS Bull. 2023, 48, 1. [Google Scholar] [CrossRef]
- Sasaki, S.; Seiryu, M.; Ida, H.; Miyashita, S.; Takeshita, N.; Irie, D.; Yokoyama, Y.; Takano-Yamamoto, T. Mechanical properties and biocompatibility of a novel miniscrew made of Zr70Ni16Cu6Al8 bulk metallic glass for orthodontic anchorage. Sci. Rep. 2023, 13, 3038. [Google Scholar] [CrossRef] [PubMed]
- Yavari, A.; Le Moulec, A.; Botta, W.J.; Inoue, A.; Rejmankova, P.; Kvick, A. In Situ crystallization of Zr55Cu30Al10Ni5 bulk glass forming from the glassy and undercooled liquid states using synchrotron radiation. J. Non-Cryst. Solids. 1999, 247, 31–34. [Google Scholar] [CrossRef]
- Yavari, A.; Le Moulec, A.; Inoue, A.; Botta, W.J.; Vaughan, G.; Kvick, A. Metastable phases in Zr-based bulk glass-forming alloys detected using a synchrotron beam in transmission. Mater. Sci. Eng. A 2001, 304–306, 34–38. [Google Scholar] [CrossRef]
- Wang, Y.B.; Qu, D.D.; Wang, X.H.; Cao, Y.; Liao, X.Z.; Kawasaki, M.; Ringer, S.P.; Shan, Z.W.; Langdon, T.G.; Shen, J. Introducing a strain-hardening capability to improve the ductility of bulk metallic glasses via severe plastic deformation. Acta Mater. 2012, 60, 253. [Google Scholar] [CrossRef]
- Lee, A.Y.; Kim, S.Y.; Jang, H.; Kim, Y.D.; Spieckermann, F.; Wilde, G.; Eckert, J.; Lee, M.H. Strain perceptibility of elements on the diffusion in Zr-based amorphous alloys. Sci. Rep. 2020, 10, 4575. [Google Scholar] [CrossRef] [PubMed]
- Mironchuk, B.; Abrosimova, G.; Bozhko, S.; Pershina, E.; Aronin, A. Correlation between phase transformation and surface morphology under severe plastic deformation of theAl87Ni8La5 amorphous alloy. J. Non-Crystal. Solids 2022, 577, 121279. [Google Scholar] [CrossRef]
- Aronin, A.S.; Volkov, N.A.; Pershina, E.A. Shear Bands in Amorphous Alloys and Their Role in the Formation of Nanocrystals. J. Surf. Investig. X-ray Synchrotron Neutron Tech. 2024, 18, 27. [Google Scholar] [CrossRef]
- Glezer, A.M.; Khriplivets, I.A.; Sundeev, R.V.; Louzguine-Luzgin, D.V.; Pogozhev Yu, S.; Rogachev, S.O.; Bazlov, A.I.; Tomchuk, A.A. Quantitative characteristics of shear bands formed upon deformation in bulk amorphous Zr-based alloy. Mater. Lett. 2020, 281, 128659. [Google Scholar] [CrossRef]









| Z1, nm | Z2, nm | Hmax, nm | Sa, nm | |
|---|---|---|---|---|
| Central region of the sample | 266.3 | −332.7 | 599 | 67.8 |
| Region at the distance R/2 from the center | 440.3 | −718.2 | 1158.5 | 112.8 |
Disclaimer/Publisher’s Note: The statements, opinions and data contained in all publications are solely those of the individual author(s) and contributor(s) and not of MDPI and/or the editor(s). MDPI and/or the editor(s) disclaim responsibility for any injury to people or property resulting from any ideas, methods, instructions or products referred to in the content. |
© 2024 by the authors. Licensee MDPI, Basel, Switzerland. This article is an open access article distributed under the terms and conditions of the Creative Commons Attribution (CC BY) license (https://creativecommons.org/licenses/by/4.0/).
Share and Cite
Abrosimova, G.; Aksenov, O.; Volkov, N.; Matveev, D.; Pershina, E.; Aronin, A. Surface Morphology and Formation of Nanocrystals in an Amorphous Zr55Cu30Al10Ni5 Alloy under High-Pressure Torsion. Metals 2024, 14, 771. https://doi.org/10.3390/met14070771
Abrosimova G, Aksenov O, Volkov N, Matveev D, Pershina E, Aronin A. Surface Morphology and Formation of Nanocrystals in an Amorphous Zr55Cu30Al10Ni5 Alloy under High-Pressure Torsion. Metals. 2024; 14(7):771. https://doi.org/10.3390/met14070771
Chicago/Turabian StyleAbrosimova, Galina, Oleg Aksenov, Nikita Volkov, Danila Matveev, Elena Pershina, and Alexandr Aronin. 2024. "Surface Morphology and Formation of Nanocrystals in an Amorphous Zr55Cu30Al10Ni5 Alloy under High-Pressure Torsion" Metals 14, no. 7: 771. https://doi.org/10.3390/met14070771
APA StyleAbrosimova, G., Aksenov, O., Volkov, N., Matveev, D., Pershina, E., & Aronin, A. (2024). Surface Morphology and Formation of Nanocrystals in an Amorphous Zr55Cu30Al10Ni5 Alloy under High-Pressure Torsion. Metals, 14(7), 771. https://doi.org/10.3390/met14070771

