Effect of Dissolved CO2 on the Interaction of Stress and Corrosion for Pipeline Carbon Steels in Simulated Marine Environments
Abstract
1. Introduction
2. Experimental Procedures
2.1. Exposed Materials
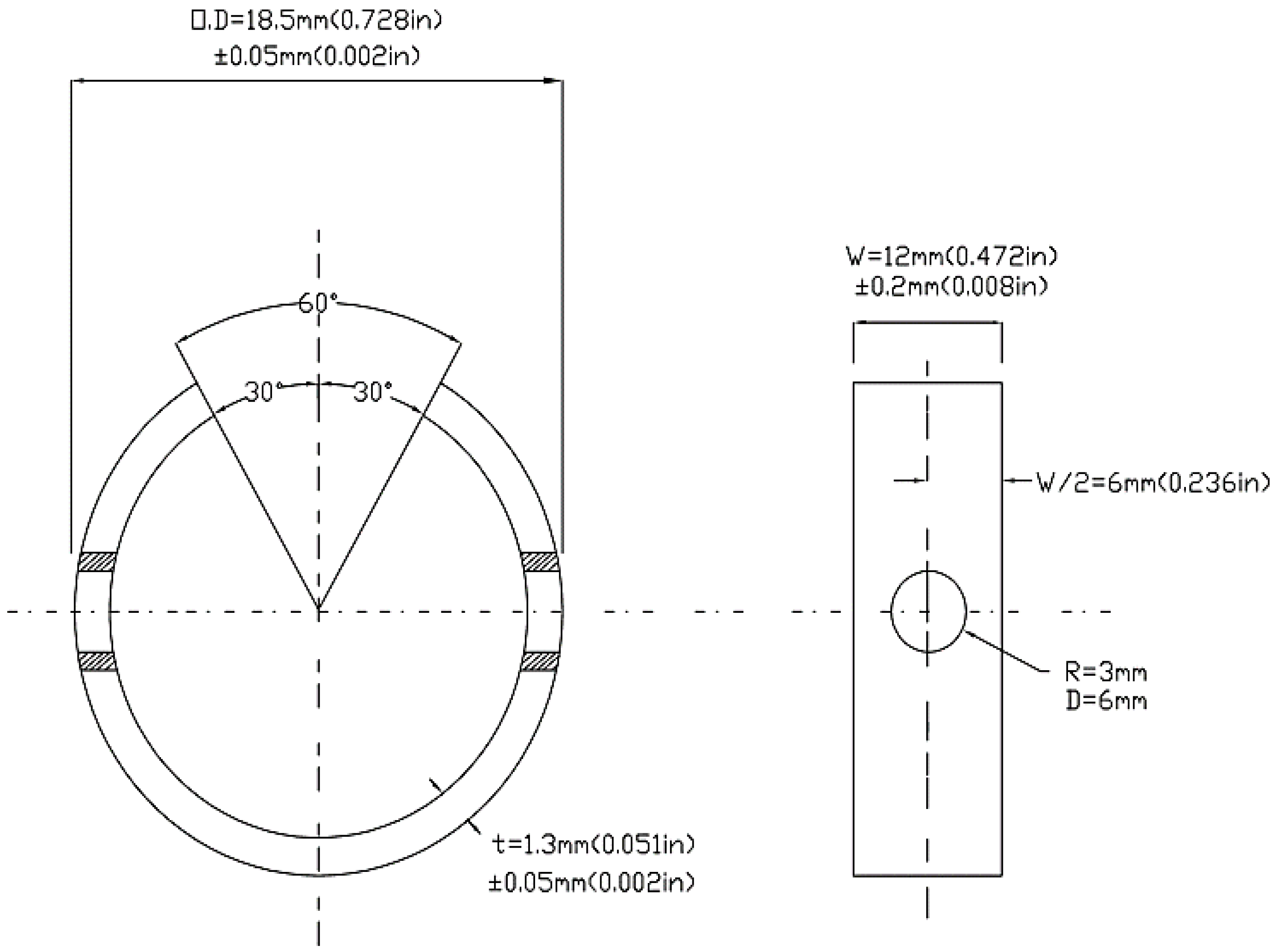
2.2. C-Ring Loading Tests
2.3. Exposure Solutions
2.4. Electrochemical Analysis: Linear Polarization Resistance Measurements
2.5. Post-Exposure Analysis
3. Results and Discussion
3.1. Corrosion Rates and Potentials
3.2. Cumulative Probability of Metal Loss Exceedance
3.3. Scanning Electron Microscopy and EDS Analysis
4. Conclusions
- (1)
- An increase in the solution temperature increased the corrosion rates of the carbon steels. As the temperature increased from 5 °C to 25 °C, the corrosion rate of the exposed carbon steel samples increased by more than 100%.
- (2)
- The corrosion rates of the different exposed alloys (X70 and X100) increased with changes in microstructure and increasing ultimate tensile strength.
- (3)
- The increase in the applied stress levels from 80% Y.S. to 95% Y.S. presented no significant difference in the corrosion rates and metal loss exceedance on the exposed carbon steels in the simulated 3.5% NaCl solution bubbled with either N2 or CO2 at both 5 °C and 25 °C.
- (4)
- The formation of an iron carbonate surface layer on the exposed carbon steels in 3.5% NaCl with CO2 (as detected via XRD) strongly depends on the steel’s microstructure and the solution’s temperature.
- (5)
- The solution temperature, the microstructure of carbon steels, trace gases, and the applied stress level have direct impacts on corrosion morphology and crack initiation of the exposed carbon steels.
Author Contributions
Funding
Institutional Review Board Statement
Data Availability Statement
Conflicts of Interest
References
- Liu, H. Introduction. In Pipeline Engineering; Lewis Publishers: Boca Raton, FL, USA; CRC Press Company LLC.: Washington, DC, USA, 2003; pp. 1–3. [Google Scholar]
- Menon, E.S. Corrosion Protection. In Pipeline Planning and Construction Field Manual; Gulf Professional Publishers: Houston, TX, USA; Elsevier: Amsterdam, The Netherlands, 2011; pp. 293–297. [Google Scholar]
- Aloqaily, A. Foreword and Book Description. In Cross Country Pipeline Risk Assessments and Mitigation Strategies; Gulf Professional Publishing: Houston, TX, USA, 2018; p. 334. [Google Scholar]
- Silva, S.C.; Souza, E.A.; Pessu, F.; Hua, Y.; Barker, R.; Neville, A.; Gomes, J.A.D.C.P. Cracking Mechanism in API 5L X65 Steel in a CO2-Saturated Environment. Eng. Fail. Anal. 2019, 99, 273–291. [Google Scholar] [CrossRef]
- De Oliveira, M.A.; Folena, M.C.; Cruz, S. Comparative Assessment of Environment-Assisted Cracking Susceptibility of Different Grade API 5L Steels in CO2, CO2/H2S, and H2S Environments. Steel Res. Int. 2023, 2200732, 1–12. [Google Scholar] [CrossRef]
- Shaposhnikov, N.A.; Tsvetkov, N.O.; Strekalovskaya, A.S.; Nikolaeva, D.A.; Devyaterikova, A.G. Physical Modeling of Steel Resistance to Hydrogen Embrittlement. Key Eng. Mater. 2023, 943, 91–96. [Google Scholar] [CrossRef]
- Wei, H.; Djukic, M.B.; Basaran, C. Modeling Fatigue Life and Hydrogen Embrittlement of BCC Steel with Unified Mechanics Theory. Int. J. Hydrogen Energy 2023, 48, 20773–20803. [Google Scholar]
- Papavinasam, S. Monitoring Internal Corrosion. In Corrosion Control in the Oil and Gas Industry; Gulf Professional Publishing: Houston, TX, USA; Elsevier: Amsterdam, The Netherlands, 2014; pp. 425–514. [Google Scholar]
- Cicek, V. Types of Corrosion. Non-uniform Corr. In Corrosion Engineering; John Wiley and Sons: Hoboken, NJ, USA, 2014; pp. 67–70. [Google Scholar]
- Sastri, V.S. Introduction and forms of Corrosion. In Challenges in Corrosion: Costs, Causes, Consequences, and Control; John Wiley & Sons Inc.: Hoboken, NJ, USA, 2015; pp. 1–95. [Google Scholar]
- Cole, I.S.; Corrigan, P.; Sim, S.; Birbilis, N. Corrosion of Pipelines used for CO2 Transport n CCS: Is it a Real Problem? Int. J. Greenh. Gas Control 2011, 5, 749–756. [Google Scholar] [CrossRef]
- Wei, L.; Pang, X.; Gao, K. Effect of Small Amount of H2S on the Corrosion Behavior of Carbon Steel in the Dynamic Supercritical CO2 Environments. Corros. Sci. 2016, 103, 132–144. [Google Scholar] [CrossRef]
- Nesic, S.; Postlethwaite, J.; Olsen, S. An Electrochemical Model for Prediction of Corrosion of Mild Steel in Aqueous Carbon Dioxide Solutions. Corros. Sci. 1996, 52, 280–294. [Google Scholar] [CrossRef]
- Mu, L.J.; Zhao, W.Z. Investigation on Carbon Dioxide Corrosion Behaviour of HP13Cr110 Stainless Steel in Simulated Stratum Water. Corros. Sci. 2010, 52, 82–89. [Google Scholar] [CrossRef]
- Karimi, S.; Taji, I.; Hajilou, T.; Palencsár, S.; Dugstad, A. Role of Cementite Morphology on Corrosion Layer Formation of High-Strength Carbon Steels in Sweet and Sour Environments. Corros. Sci. 2023, 214, 1–19. [Google Scholar] [CrossRef]
- Srivastava, S.; Jacklin, R.; Snellings, R.; Barker, R.; Spooren, J. Experiments and Modelling to Understand FeCO3 Cement Formation Mechanism: Time-evolution of CO2-species, dissolved-Fe, and pH during CO2-induced dissolution of Fe (0). Constr. Build. Mater. 2022, 345, 1–10. [Google Scholar] [CrossRef]
- Yang, X.; Sun, F.; Li, Q.; Zhu, R.; Liu, Z.; Du, C.; Li, X. Effect of Hydrogen Charging on the Stress Corrosion Cracking Behavior of X70 Steel in Simulated Deep Seawater Environment. Metals 2022, 12, 334. [Google Scholar] [CrossRef]
- Longfei, S.; Zhiyong, L.; Xiaogang, L.; Xingpeng, G.; Yinxiao, Z.; Wu, W. Influence of Microstructure on Stress Corrosion Cracking of X100 Pipeline sSeel in Carbonate/Bicarbonate solution. J. Mater. Res. Technol. 2022, 17, 150–165. [Google Scholar] [CrossRef]
- Zhang, C.; Ran, M.; Wang, Y.; Zheng, W. Microstructural Effects in the Development of Near-Neutral pH. Materials 2022, 15, 4372. [Google Scholar] [CrossRef] [PubMed]
- Torres-Islas, A.; Gonzalez-Rodriguez, J.G.; Uruchurtu, J.; Serna, S. Stress Corrosion Cracking Study of Microalloyed Pipeline Steels in Dilute NaHCO3 Solutions. Corros. Sci. 2008, 50, 2831–2839. [Google Scholar] [CrossRef]
- Majchrowicz, K.; Brynk, T.; Wieczorek, M.; Miedzi, D. Exploring the Susceptibility of P110 Pipeline Steel to Stress Corrosion Cracking in CO2-Rich Environments. Eng. Fail. Anal. 2019, 104, 471–479. [Google Scholar] [CrossRef]
- Omura, T.; Amaya, H.; Asahi, H.; Sawamura, M.; Kimura, M.; Ishikawa, N. Near Neutral SCC Properties of Grade X80 Linepipe. In Proceedings of the NACE-International Corrosion Conference and Expo, Atlanta, GA, USA, 22–26 March 2009; pp. 1–16. [Google Scholar]
- Alsit, A.; Alkhedher, M.; Hamdan, H. Crack Propagation in Pipelines Under Extreme Conditions of Near-Neutral. Comput. Mater. Contin. 2022, 73, 5315–5329. [Google Scholar] [CrossRef]
- Farhad, F.; Smyth-Boyle, D.; Zhang, X. Fatigue of X65 steel in the Sour Corrosive Environment—A Novel Experimentation and Analysis Method for Predicting Fatigue Crack Initiation Life from Corrosion Pits. Fatigue Fract. Eng. Mater. Struct. 2021, 44, 1195–1208. [Google Scholar] [CrossRef]
- De Motte, R.; Joshi, G.R.; Chehuan, T.; Legent, R.; Kittel, J.; Desamais, N. CO2 -SCC in Flexible Pipe Carbon Steel Armour Wires. Corrosion 2022, 78, 547–562. [Google Scholar] [CrossRef]
- Jeon, J.; Ahmed, R.; Elgaddafi, R.; Teodoriu, C. Hydrogen Embrittlement of High-Strength API carbon steels in H2S and CO2 containing environments. J. Nat. Gas Sci. Eng. 2022, 104, 1–12. [Google Scholar] [CrossRef]
- Bodlos, R. Detailed Microstructure Characterization of a Grade X70 Steel Modified with TiO2 Using Friction Stir Processing. Master’s Thesis, Graz University of Technology, Graz, Austria, 2018; pp. 4–10. [Google Scholar]
- Natividad, C.; Falcon, L. Mechanical and Metallurgical Properties of Grade X70 Steel Linepipe Produced by Non-conventional Heat Treatment. In Characterization of Metals and Alloys; Springer: Berlin/Heidelberg, Germany, 2017; pp. 3–11. [Google Scholar]
- Hwang, B.; Kim, Y.M.; Lee, S.; Kim, N.J.; Ahn, S.S. Correlation of Microstructure and Fracture Properties of API X70 Pipe-line Steels. Research gate. Metall. Mater. Trans. A 2005, 36, 725–739. [Google Scholar] [CrossRef]
- Wang, X.Q.; Yuan, G.; Zhao, J.H.; Wang, G.D. Microstructure and strengthening/toughening mechanisms of heavy gauge pipeline steel processed by ultrafast cooling. Metals 2020, 10, 1323. [Google Scholar] [CrossRef]
- ASTM G38-01; Standard Practice for Making and Using C-Ring Stress-Corrosion Test Specimens. ASTM International: West Conshohocken, USA, 2013; Volume 1, pp. 1–8.
- NACE TM-0177-05; Laboratory Testing of Metals for Resistance to Sulfide Stress Corrosion Cracking and Stress Corrosion Cracking in H2S Environments. NACE International: Houston, TX, USA, 2005.
- Baboian, R. Corrosion Testing. In NACE Corrosion Engineer’s Reference Book, 4th ed.; NACE International: Houston, TX, USA, 2016; pp. 115–160. [Google Scholar]
- ASTM G102-89; Standard Practice for Calculation of Corrosion rates and Related Information from Electrochemical Measurements. ASTM International: West Conshohocken, USA, 2015; Volume 89, pp. 1–7.
- ASTM G96-90; Standard Guide for Online Monitoring of Corrosion in Plant Equipment (Electrical and Electrochemical Methods). ASTM International: West Conshohocken, USA, 2018; Volume 90, pp. 1–10.
- Taylor, J.R. An Introduction to Error Analysis. In The Study of Uncertainties in Physical Measurements, 2nd ed.; Maple-Vail Book Manufacturing Group: Sausalito, CA, USA, 1997; pp. 45–62. [Google Scholar]
- Newbury, D.E.; Ritchie, N.W.M. Is scanning electron microscopy/energy dispersive X-ray spectrometry (SEM/EDS) quantitative? Scanning 2013, 35, 141–168. [Google Scholar] [CrossRef] [PubMed]
- Sumner, J.; Simms, N.; Shin, A.; Pearson, J. Kinetics of Duplex Oxide Growth on 9Cr Steels Exposed in CO2: Application of Dimensional Metrology. Oxid. Met. 2017, 87, 617–629. [Google Scholar] [CrossRef]
- Sumner, J.; Potter, A.; Simms, N.J.; Oakey, J.E. Hot corrosion resistance of gas turbine materials in combusted syngas environments. Mater. High Temp. 2015, 32, 177–187. [Google Scholar] [CrossRef]
- Davies, P.J.B.; Scott, M. Environmental Assisted Cracking. In Guide to the Use of Materials in Waters; NACE International: Houston, TX, USA, 2003; pp. 50–53. [Google Scholar]
- Davies, P.J.B.; Scott, M. Oilfield Water Technology; NACE International: Houston, TX, USA, 2006; pp. 73–77. [Google Scholar]
- Fontana, M.G. Stress Corrosion. In Corrosion Engineering, 3rd ed.; McGraw-Hill International Book Company: Columbus, OH, USA, 1987; pp. 109–138. [Google Scholar]
- Kreysa, G.; Schütze, M. DECHEMA Corrosion Handbook-Revised and Extended, 2nd ed.; Dechema: Frankfurt, Germany, 2008. [Google Scholar]
- Zhang, L.; Li, X.G.; Du, C.W.; Cheng, Y.F. Corrosion and Stress Corrosion Cracking Behavior of X70 Pipeline Steel in a CO2-Containing Solution. ASM Int. 2009, 18, 319–323. [Google Scholar] [CrossRef]
- Kahyarian, A.; Singer, M.; Nesic, S. Modeling of uniform CO2 corrosion of mild steel in gas transportation systems: A review. J. Nat. Gas Sci. Eng. 2016, 29, 530–549. [Google Scholar] [CrossRef]
- Wang, G.; Wang, C.; Shi, L. CO2 Corrosion Rate Prediction for Submarine Multiphase Flow Pipelines Based on Multi-Layer Perceptron. Atmosphere 2022, 13, 1833. [Google Scholar] [CrossRef]
- Alsalem, M.M.; Ryan, M.P.; Campbell, A.N.; Sedransk, K. Modelling of CO2 corrosion and FeCO3 formation in NaCl solutions. Chem. Eng. J. 2023, 451, 1–19. [Google Scholar] [CrossRef]
- Phlibeat, J. Diffusion and Stresses. Defect Diffus. Forum. 1996, 129–130, 3–8. [Google Scholar]
- Larché, F.C.; Voorhees, P.W. Diffusion and Stresses: Basic Thermodynamics. Defect Diffus. Forum. 1996, 129–130, 31–36. [Google Scholar] [CrossRef]
- Gadala, I.M.; Alfantazi, A. Electrochemical behavior of API-X100 pipeline steel in NS4, near-neutral, and mildly alkaline pH simulated soil solutions. Corros. Sci. 2014, 82, 45–57. [Google Scholar] [CrossRef]
- Barker, R.; Hua, Y.; Neville, A. Internal corrosion of carbon steel pipelines for dense-phase CO2 transport in carbon captur and storage (CCS)–A review. Int. Mater. Rev. 2017, 62, 1–31. [Google Scholar] [CrossRef]
- Dugstad, A.; Hemmer, H.; Seiersten, M. Effect of steel microstructure upon corrosion rate and protective iron carbonate film formation. Corrosion 2001, 57, 369–378. [Google Scholar] [CrossRef]
- Choi, Y.; Nesic, S.; Young, D. Effect of Impurities on the Corrosion Behavior of CO2 Transmission Pipeline Steel in Supercritical CO2-Water Environments. Environ. Sci. Technol. 2010, 44, 9233–9238. [Google Scholar] [CrossRef] [PubMed]
- Wang, L.; Dong, C.; Man, C.; Hu, Y.; Yu, Q.; Li, X. Effect of microstructure on Corrosion Behaviour of High Strength Martensite Steel—A literature review. Int. J. Miner. Met. Mater. 2021, 28, 754–773. [Google Scholar] [CrossRef]
- Johnson, J.T.; Durr, C.L.; Beavers, J.A.; Delanty, B.S.; Pipelines, T. Effects of O2 and CO2 on Near-Neutral-pH Stress Corrosion Crack Propagation. In Proceedings of the NACE -International Corrosion Conference Series, Orlando, FL, USA, 26–31 March 2000; Volume 356, pp. 1–22. [Google Scholar]


















| Grade | C | Si | Mn | P | S | Cr | Mo | Ni | Al | Cu | Nb | Ti | Fe |
|---|---|---|---|---|---|---|---|---|---|---|---|---|---|
| X70 | 0.05 | 0.26 | 1.66 | 0.007 | 0.001 | 0.02 | 0.07 | 0.24 | 0.045 | 0.015 | 0.045 | 0.015 | Bal. |
| X100 | 0.06 | 0.22 | 1.96 | 0.007 | 0.002 | 0.02 | 0.18 | 0.30 | 0.003 | 0.210 | 0.045 | 0.014 | Bal. |
| Material Grade | Yield Strength, MPa (As Received) | Desired Yield Strength, MPa | |
|---|---|---|---|
| 80% Y.S. | 95% Y.S. | ||
| X70 | 510 | 408.00 | 484.50 |
| X100 | 698 | 558.40 | 663.10 |
| S/N | Material Grade | Sample Label | Yield Strength, % | Sol. Temp., °C | Gas |
|---|---|---|---|---|---|
| 1 | X70 | X70N2-5a | 80 | 5 | N2 |
| 2 | X70 | X70N2-5b | 95 | 5 | N2 |
| 3 | X70 | X70N2-Notched-5 | 80 | 5 | N2 |
| 4 | X70 | X70N2-25a | 80 | 25 | N2 |
| 5 | X70 | X70N2-25b | 95 | 25 | N2 |
| 6 | X70 | X70N2-Notched-25 | 80 | 25 | N2 |
| 7 | X70 | X70CO2-5a | 80 | 5 | CO2 |
| 8 | X70 | X70CO2-5b | 95 | 5 | CO2 |
| 9 | X70 | X70CO2-Notched-5 | 80 | 5 | CO2 |
| 10 | X70 | X70CO2-25a | 80 | 25 | CO2 |
| 11 | X70 | X70CO2-25b | 95 | 25 | CO2 |
| 12 | X70 | X70CO2-Notched-25 | 80 | 25 | CO2 |
| 13 | X100 | X100N2-5a | 80 | 5 | N2 |
| 14 | X100 | X100N2-5b | 95 | 5 | N2 |
| 15 | X100 | X100N2-Notched-5 | 80 | 5 | N2 |
| 16 | X100 | X100N2-25a | 80 | 25 | N2 |
| 17 | X100 | X100N2-25b | 95 | 25 | N2 |
| 18 | X100 | X100N2-Notched-25 | 80 | 25 | N2 |
| 19 | X100 | X100CO2-5a | 80 | 5 | CO2 |
| 20 | X100 | X100CO2-5b | 95 | 5 | CO2 |
| 21 | X100 | X100CO2-Notched-5 | 80 | 5 | CO2 |
| 22 | X100 | X100CO2-25a | 80 | 25 | CO2 |
| 23 | X100 | X100CO2-25b | 95 | 25 | CO2 |
| 24 | X100 | X100CO2-Notched-25 | 80 | 25 | CO2 |
Disclaimer/Publisher’s Note: The statements, opinions and data contained in all publications are solely those of the individual author(s) and contributor(s) and not of MDPI and/or the editor(s). MDPI and/or the editor(s) disclaim responsibility for any injury to people or property resulting from any ideas, methods, instructions or products referred to in the content. |
© 2023 by the authors. Licensee MDPI, Basel, Switzerland. This article is an open access article distributed under the terms and conditions of the Creative Commons Attribution (CC BY) license (https://creativecommons.org/licenses/by/4.0/).
Share and Cite
Abubakar, S.A.; Mori, S.; Sumner, J. Effect of Dissolved CO2 on the Interaction of Stress and Corrosion for Pipeline Carbon Steels in Simulated Marine Environments. Metals 2023, 13, 1165. https://doi.org/10.3390/met13071165
Abubakar SA, Mori S, Sumner J. Effect of Dissolved CO2 on the Interaction of Stress and Corrosion for Pipeline Carbon Steels in Simulated Marine Environments. Metals. 2023; 13(7):1165. https://doi.org/10.3390/met13071165
Chicago/Turabian StyleAbubakar, Shamsuddeen Ashurah, Stefano Mori, and Joy Sumner. 2023. "Effect of Dissolved CO2 on the Interaction of Stress and Corrosion for Pipeline Carbon Steels in Simulated Marine Environments" Metals 13, no. 7: 1165. https://doi.org/10.3390/met13071165
APA StyleAbubakar, S. A., Mori, S., & Sumner, J. (2023). Effect of Dissolved CO2 on the Interaction of Stress and Corrosion for Pipeline Carbon Steels in Simulated Marine Environments. Metals, 13(7), 1165. https://doi.org/10.3390/met13071165
