Alternative Approach for the Intercritical Annealing of (Cr, Mo, V)-Alloyed TRIP-Assisted Steel before Austempering
Abstract
1. Introduction
2. Materials and Methods
2.1. Material and its Manufacturing Process
2.2. Heat Treatment Mode Selection
2.3. Structure-Properties Evaluation
3. Results
3.1. Mechanical Properties Assessment
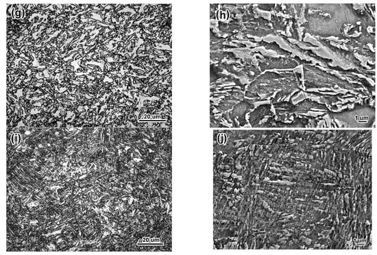
3.2. Structure and Phase Characterization
3.3. Fracture Surface Evaluation
4. Discussion
5. Conclusions
- With an increase in the austenitization temperature, the volume fraction of proeutectoid ferrite decreased from 50 vol.% (at TA = 770 °C) to 0 vol.% (at TA = 950 °C), followed by a monotonous increase in UTS from 821 MPa to 1207 MPa. Total elongation changed along a curve with a maximum (25%) associated with austenitization at 830 °C. Furthermore, this temperature corresponded to the lowest impact toughness.
- When steel was austenitized at 770 °C, the bainitic transformation proceeded through the precipitation of coarse cementite carbides, leading to lowered ductility and a minimum amount of RA (2.5 vol.%). At higher austenitization temperatures, carbide-free bainite was formed with a 2.5–3.5 times increase in the RA volume fraction (to 5.5–8.5 vol.%) and 1.5 times increase in the concentration of carbon in RA.
- The optimal temperature of intercritical annealing was determined to be 900 °C, which, after austempering, resulted in a structure consisting of carbide-free bainite (∼86 vol.%), retained austenite (RA) (∼9 vol.%), and proeutectoid ferrite (∼5 vol.%). Here, RA exhibited a moderate tendency to strain-induced martensite transformation. Furthermore, this structure ensured an advanced combination of mechanical properties (UTS of 1040 MPa, TEL of 23%, KCV of 95 J/cm2, and PSE of 23.9 GPa·%).
- The addition of Cr and Mo into C-Si-Mn TRIP-assisted steel promotes cementite formation during austempering holding by decreasing the coefficient of carbon activity in austenite. This adversely affects the mechanical properties of the steel. Therefore, it is crucial to employ an alternative approach to select the intercritical annealing temperature. This strategy involves decreasing the volume fraction of proeutectoid ferrite to prevent excessive carbon enrichment of austenite before the austempering holding.
Author Contributions
Funding
Acknowledgments
Conflicts of Interest
References
- Bleck, W.; Guo, X.; Ma, Y. The TRIP effect and its application in cold formable sheet steels. Steel Res. Int. 2019, 88, 1700218. [Google Scholar] [CrossRef]
- Guo, R.; Zhou, J.; Shi, Y. Application of the high strength steel in the automobile. Adv. Mater. Res. 2013, 748, 227–230. [Google Scholar] [CrossRef]
- Zhang, Y.; Ma, Y.; Kang, Y.; Yu, H. Mechanical properties and microstructure of TRIP steels produced using TSCR process. J. Univ. Sci. Technol. Beijing 2006, 13, 416–419. [Google Scholar] [CrossRef]
- Sugimoto, K.; Iida, T.; Sakaguchi, J.; Kashima, T. Retained austenite characteristics and tensile properties in a TRIP type bainitic sheet steel. ISIJ Int. 2000, 40, 902–908. [Google Scholar] [CrossRef]
- Injeti, V.S.Y.; Li, Z.C.; Yu, B.; Misra, R.D.K.; Cai, Z.H.; Ding, H. Macro to nanoscale deformation of transformation-induced plasticity steels: Impact of aluminum on the microstructure and deformation behavior. J. Mater. Sci. Technol. 2018, 34, 745–775. [Google Scholar] [CrossRef]
- Sakuma, Y.; Matsumura, O.; Takechi, H. Mechanical properties and retained austenite in intercritically heat-treated bainite-transformed steel and their variation with Si and Mn additions. Metall. Mater. Trans. A 1991, 22, 489–498. [Google Scholar] [CrossRef]
- He, Z.; Liu, H.; Zhu, Z.; Zheng, W.; He, Y.; Li, L. Quantitative Description of external force induced phase transformation in silicon–manganese (Si–Mn) transformation induced plasticity (TRIP) steels. Materials 2019, 12, 3781. [Google Scholar] [CrossRef]
- Girault, E.; Mertens, A.; Pascal, J.; Houbaert, Y.; Verlinden, B.; Humbeeck, J. Comparison of the effects of silicon and aluminium on the tensile behaviour of multiphase TRIP-assisted steels. Scr. Mater. 2001, 44, 885–892. [Google Scholar] [CrossRef]
- Lee, K.; Ryu, J.H.; Lee, S.W.; Lee, W.H.; Kim, J.I.; Suh, D.-W. Influence of the initial microstructure on the heat treatment response and tensile properties of TRIP-assisted steel. Metall. Mater. Trans. A 2016, 47, 5259–5265. [Google Scholar] [CrossRef]
- Ennis, B.L.; Jimenez-Melero, E.; Atzem, E.H.; Krugl, M.; Azeem, M.A.; Rowley, D.; Daisenberger, D.; Hanlon, D.N.; Lee, P.D. Metastable austenite driven work-hardening behaviour in a TRIP-assisted dual phase steel. Int. J. Plast. 2017, 88, 126–139. [Google Scholar] [CrossRef]
- Sohn, S.S.; Song, H.; Kwak, J.-H.; Lee, S. Dramatic improvement of strain hardening and ductility to 95% in highly-deformable high-strength duplex lightweight steels. Sci. Rep. 2017, 7, 1927. [Google Scholar] [CrossRef] [PubMed]
- Cheiliakh, O.P.; Cheiliakh, Y.O. Implementation of physical effects in the operation of smart materials to form their properties. Usp. Fiz. Met. 2020, 21, 363–463. [Google Scholar] [CrossRef]
- Malinov, L.S.; Malysheva, I.E.; Klimov, E.S.; Kukhar, V.V.; Balalayeva, E.Y. Effect of particular combinations of quenching, tempering and carburization on abrasive wear of low-carbon manganese steels with metastable austenite. Mater. Sci. Forum 2019, 945, 574–578. [Google Scholar] [CrossRef]
- Shen, Y.F.; Qiu, L.N.; Sun, X.; Zuo, L.; Liaw, P.K.; Raabe, D. Effects of retained austenite volume fraction, morphology, and carbon content on strength and ductility of nanostructured TRIP-assisted steels. Mater. Sci. Eng. A 2015, 636, 551–564. [Google Scholar] [CrossRef]
- Sugimoto, K.; Srivastava, A.K. Microstructure and mechanical properties of a TRIP-aided martensitic steel. Metallogr. Microstruct. Anal. 2015, 4, 344–354. [Google Scholar] [CrossRef]
- Tang, S.; Lan, H.; Li, J.; Liu, Z.; Wang, G. The Role of Microstructural constituents on strength–ductility–local formability of a transformation-induced plasticity-aided bainitic steel. Steel Res. Int. 2021, 92, 2000474. [Google Scholar] [CrossRef]
- Koval’, A.D.; Efremenko, V.G.; Brykov, M.N.; Andrushchenko, M.I.; Kulikovskii, R.A.; Efremenko, A.V. Principles for developing grinding media with increased wear resistance. Part 1. Abrasive wear resistance of iron-based alloys. J. Frict. Wear 2012, 33, 39–46. [Google Scholar] [CrossRef]
- Hesse, O.; Merker, J.; Brykov, M.; Efremenko, V. Zur Festigkeit niedriglegierter Stähle mit erhöhtem Kohlenstoffgehalt gegen abrasiven Verschleiß. Tribologie und Schmierungstechnik 2013, 60, 37–43. [Google Scholar]
- Song, C.; Wang, H.; Sun, Z.; Wei, Z.; Chen, H.; Wang, Y.; Lu, J. Effect of multiphase microstructure on fatigue crack propagation behavior in TRIP-assisted steels. Int. J. Fatigue 2020, 133, 105425. [Google Scholar] [CrossRef]
- Rykavets, Z.M.; Bouquerel, J.; Vogt, J.-B.; Duriagina, Z.A.; Kulyk, V.V.; Tepla, T.L.; Bohun, L.I.; Kovbasyuk, T.M. Investigation of the microstructure and properties of TRIP 800 steel subjected to low-cycle fatigues. Usp. Fiz. Met. 2019, 20, 620–633. [Google Scholar] [CrossRef]
- Oja, O.; Saastamoinen, A.; Patnamsetty, M.; Honkanen, M.; Peura, P.; Järvenpää, M. Microstructure and mechanical properties of Nb and V microalloyed TRIP-assisted steels. Metals 2019, 9, 887. [Google Scholar] [CrossRef]
- Abbasi, E.; Rainforth, M. Microstructural evolution of Nb–V–Mo and V containing TRIP-assisted steels during thermomechanical processing. J. Mater. Sci. Technol. 2017, 33, 311–320. [Google Scholar] [CrossRef]
- Krizan, D.; De Cooman, B.C. Mechanical properties of TRIP Steel microalloyed with Ti. Metall. Mater. Trans. A 2014, 45, 3481–3492. [Google Scholar] [CrossRef]
- Mohrbacher, H.; Yang, J.-R.; Chen, Y.-W.; Rehrl, J.; Hebesberger, T. Effect of Nb and Mo additions in the microstructure/tensile property relationship in high strength quenched and quenched and tempered boron steels. Metals 2020, 10, 504. [Google Scholar] [CrossRef]
- Abbasi, E.; Rainforth, W.M. Effect of Nb-Mo additions on precipitation behaviour in V microalloyed TRIP-assisted steels. Mater. Sci. Technol. 2016, 32, 1721–1729. [Google Scholar] [CrossRef]
- Kučerová, L.; Bystrianský, M. The effect of chemical composition on microstructure and properties of TRIP steels. J. Achiev. Mater. Manuf. Eng. 2016, 77, 5–12. [Google Scholar] [CrossRef]
- Kim, S.-J.; Lee, C.G.; Lee, T.-H.; Oh, C.-S. Effect of Cu, Cr and Ni on mechanical properties of 0.15 wt.% C TRIP-aided cold rolled steels. Scr. Mater. 2003, 48, 539–544. [Google Scholar] [CrossRef]
- Zinsaz-Borujerdi, A.; Zarei-Hanzaki, A.; Abedi, H.R.; Karam-Abian, M.; Ding, H.; Han, D.; Kheradmand, N. Room temperature mechanical properties and microstructure of a low alloyed TRIP-assisted steel subjected to one-step and two-step quenching and partitioning process. Mater. Sci. Eng. A 2018, 725, 341–349. [Google Scholar] [CrossRef]
- Sukhova, O.V. The effect of carbon content and cooling rate on the structure of boron-rich Fe–B–C alloys. Phys. Chem. Solid State 2020, 21, 355–360. [Google Scholar] [CrossRef]
- Jacques, P.; Girault, E.; Catlin, T.; Geerlofs, N.; Kop, T.; van der Zwaag, S.; Delannay, F. Bainite transformation of low carbon Mn–Si TRIP-assisted multiphase steels: Influence of silicon content on cementite precipitation and austenite retention. Mater. Sci. Eng. A 1999, 273–275, 475–479. [Google Scholar] [CrossRef]
- Lee, S.-J.; Lee, S.; De Cooman, B.C. Mn partitioning during the intercritical annealing of ultrafine-grained 6% Mn transformation-induced plasticity steel. Scr. Mater. 2011, 64, 649–652. [Google Scholar] [CrossRef]
- Hu, B.; Luo, H. A novel two-step intercritical annealing process to improve mechanical properties of medium Mn steel. Acta Mater. 2019, 176, 250–263. [Google Scholar] [CrossRef]
- Efremenko, V.; Kussa, R.; Petryshynets, I.; Shimizu, K.; Kromka, F.; Zurnadzhy, V.; Gavrilova, V. Element partitioning in low-carbon Si2Mn2CrMoVNb trip-assisted steel in intercritical temperature range. Acta Metall. Slovaca 2020, 26, 116–121. [Google Scholar] [CrossRef]
- Zurnadzhy, V.I.; Efremenko, V.G.; Petryshynets, I.; Shimizu, K.; Brykov, M.N.; Kushchenko, I.V.; Kudin, V.V. Mechanical properties of carbide-free lower bainite in complex-alloyed constructional steel: Effect of bainitizing treatment parameters. Kov. Mater. 2020, 58, 129–140. [Google Scholar] [CrossRef]
- Franceschi, M.; Pezzato, L.; Settimi, A.G.; Gennari, C.; Pigato, M.; Polyakova, M.; Konstantinov, D.; Brunelli, K.; Dabalà, M. Effect of different austempering heat treatments on corrosion properties of high silicon steel. Materials 2021, 14, 288. [Google Scholar] [CrossRef]
- Zurnadzhy, V.I.; Efremenko, V.G.; Wu, K.M.; Petryshynets, I.; Shimizu, K.; Zusin, A.M.; Brykov, M.N.; Andilakhai, V.A. Tailoring strength/ductility combination in 2.5 wt% Si-alloyed middle carbon steel produced by the two-step QP treatment with a prolonged partitioning stage. Mater. Sci. Eng. A 2020, 791, 139721. [Google Scholar] [CrossRef]
- Jacques, P.J.; Delannay, F. Ladrière On the influence of interactions between phases on the mechanical stability of retained austenite in transformation-induced plasticity multiphase steels. Metall. Mater. Trans. A 2001, 32, 2759–2768. [Google Scholar] [CrossRef]
- Fu, B.; Yang, W.Y.; Li, L.F.; Sun, Z.Q. Effect of bainitic transformation temperature on the mechanical behavior of cold-rolled TRIP steels studied with in-situ high-energy X-ray diffraction. Mater. Sci. Eng. A 2014, 603, 134–140. [Google Scholar] [CrossRef]
- Guzmán, A.; Monsalve, A. Effect of bainitic isothermal treatment on the microstructure and mechanical properties of a CMnSiAl TRIP steel. Metals 2022, 12, 655. [Google Scholar] [CrossRef]
- Kurdjumov, G.V.; Utevskyi, L.M.; Entin, R.I. The Transformations in Iron and Steel; Nauka: Moscow, Russia, 1977. (In Russian) [Google Scholar]
- Garcia-Mateo, C.; Caballero, F.G.; Sourmail, T.; Kuntz, M.; Cornide, J.; Smanio, V.; Elvira, R. Tensile behaviour of a nanocrystalline bainitic steel containing 3 wt% silicon. Mater. Sci. Eng. A 2012, 549, 185–192. [Google Scholar] [CrossRef]
- Kussa, R.; Zurnadzhy, V.; Dabala, M.; Franceschi, M.; Efremenko, V.; Petryshynets, I.; Kromka, F.; Brykov, M. Comparative study on the effect of (Cr, Mo, V)-alloying on transformation and mechanical behavior of 0.2 wt.% C TRIP-assisted steel. Kov. Mater. 2022, 60, 31–43. [Google Scholar] [CrossRef]
- Zurnadzhy, V.I.; Efremenko, V.G.; Wu, K.M.; Lekatou, A.G.; Shimizu, K.; Chabak, Y.G.; Zotov, D.S.; Dunayev, E.V. Quenching and partitioning–based heat treatment for rolled grinding steel balls. Metall. Mater. Trans. A 2020, 51, 3042–3053. [Google Scholar] [CrossRef]
- Zare, A.; Ekrami, A. Influence of martensite volume fraction on tensile properties of triple phase ferrite–bainite–martensite steels. Mater. Sci. Eng. A 2011, 530, 440–445. [Google Scholar] [CrossRef]
- Fadel, A.; Radovic, N.; Glišić, D.; Drobnjak, D. Intragranular ferrite morphologies in medium carbon vanadium-micro alloyed steel. J. Min. Metall. Sect. B Metall. 2013, 49, 237–244. [Google Scholar] [CrossRef]
- Bhadeshia, H.K.D.H.; Edmonds, D.V. The bainite transformation in a silicon steel. Metall. Trans. 1979, 10A, 895–907. [Google Scholar] [CrossRef]
- Edmonds, D.V.; He, K.; Rizzo, K.; De Cooman, B.C.; Matlock, D.K.; Speer, J.G. Quenching and partitioning martensite—A novel steel heat treatment. Mater. Sci. Eng. A 2006, 438, 25–34. [Google Scholar] [CrossRef]
- Barnard, S.J.; Smith, G.D.W.; Garratt-Reed, A.J.; Vander Sande, J. Advances in the Physical Metallurgy and Applications of Steels; TMS: London, UK, 1982. [Google Scholar]
- Koyama, T.; Kubota, M.; Yoshida, S. Effect of Si concentration on carbon concentration in surface layer after gas carburizing. ISIJ Int. 2016, 56, 1638–1645. [Google Scholar] [CrossRef]
- Million, B.; Kučera, J.; Michalička, P. The influence of silicon on carbon redistribution in steel weldments. Mater. Sci. Eng. A 1995, 190, 247–252. [Google Scholar] [CrossRef]
- Lakhtin, Y.M.; Rakhshtadt, A.G. Heat Treatment in Machine Building; Mashine Building: Moscow, Russia, 1980. [Google Scholar]
- Chabak, Y.G.; Fedun, V.I.; Shimizu, K.; Efremenko, V.G.; Zurnadzhy, V.I. Phase-structural composition of coating obtained by pulsed plasma treatment using eroded cathode of T1 high speed steel. Probl. At. Sci. Technol. 2016, 104, 100–106. [Google Scholar]
- Wada, T.; Wada, H.; Elliott, J.F.; Chipman, J. Activity of carbon and solubility of carbides in the FCC Fe-Mo-C, Fe-Cr-C, and Fe-V-C alloys. Metall. Trans. 1972, 3, 2865–2872. [Google Scholar] [CrossRef]
- Lobo, J.A.; Geiger, G.H. Thermodynamics of carbon in austenite and Fe-Mo austenite. Metall. Trans. A 1976, 7, 1359–1364. [Google Scholar] [CrossRef]
- Mogutnov, B.M.; Tomilin, I.A.; Shvarzman, L.A. Thermodynamics of Iron-Based Alloys; Metallurgija: Moskva, Russia, 1984. (In Russian) [Google Scholar]
- Tu, Y.; Huang, L.; Zhang, Q.; Zhou, X.; Jiang, J. Effect of Si on the partitioning of Mn between cementite and ferrite. Mater. Sci. Technol. 2017, 34, 780–785. [Google Scholar] [CrossRef]
- Tkachenko, F.K. On the issue of the effect of silicon on the graphitization of industrial white cast iron. Izv. Vuzov. Ferr. Metall. 1959, 10, 131–138. [Google Scholar]
- Kumar, A.; Dutta, A.; Makineni, S.K.; Herbig, M.R.; Petrov, H.; Sietsma, J. In-situ observation of strain partitioning and damage development in continuously cooled carbide-free bainitic steels using micro digital image correlation. Mater. Sci. Eng. A 2019, 757, 107–116. [Google Scholar] [CrossRef]
- Zhang, B.; Du, L.X.; Dong, Y.; Han, D.X.; Wu, H.Y.; Lu, F.H.; Misra, R.D.K. Structure-property relationship in novel low carbon hot-rolled TRIP steels via thermo-mechanical controlled processing and coiling. Mater. Sci. Eng. A 2020, 771, 138643. [Google Scholar] [CrossRef]
- Vasylyev, M.O.; Mordyuk, B.M.; Voloshko, S.M.; Zakiyev, V.I.; Burmak, A.P.; Pefti, D.V. Hardening of surface layers of Cu–39Zn–1Pb brass at holding and high-frequency impact deformation in liquid nitrogen. Metallofiz. Noveishie Tekhnol. 2019, 41, 1499–1517. [Google Scholar] [CrossRef]
- Chabak, Y.; Efremenko, B.; Petryshynets, I.; Efremenko, V.; Lekatou, A.G.; Zurnadzhy, V.; Bogomol, I.; Fedun, V.; Kovaľ, K.; Pastukhova, T. Structural and tribological assessment of biomedical 316 stainless steel subjected to pulsed-plasma surface modification: Comparison of LPBF 3D printing and conventional fabrication. Materials 2021, 14, 7671. [Google Scholar] [CrossRef]
- Horn, R.M.; Gordon, G.M.; Ford, F.P.; Cowan, R.L. Experience and assessment of stress corrosion cracking in L-grade stainless steel BWR internals. Nucl. Eng. Des. 1997, 147, 313–325. [Google Scholar]
- Gao, G.; Bai, B.; Zhang, H.; Gui, X.; Tan, Z.; Weng, Y. Enhanced TRIP effect in a lean alloy steel treated by a ‘disturbed’ bainitic austempering process. Heat Treat. Surf. Eng. 2019, 1, 72–77. [Google Scholar] [CrossRef]
- Emadoddin, E.; Akbarzadeh, A.; Daneshi, G. Effect of intercritical annealing on retained austenite characterization in textured TRIP-assisted steel sheet. Mater. Charact. 2006, 57, 408–413. [Google Scholar] [CrossRef]
- Soleimani, M.; Kalhor, A.; Mirzadeh, H. Transformation-induced plasticity (TRIP) in advanced steels: A review. Mater. Sci. Eng. A 2020, 795, 140023. [Google Scholar] [CrossRef]













Publisher’s Note: MDPI stays neutral with regard to jurisdictional claims in published maps and institutional affiliations. |
© 2022 by the authors. Licensee MDPI, Basel, Switzerland. This article is an open access article distributed under the terms and conditions of the Creative Commons Attribution (CC BY) license (https://creativecommons.org/licenses/by/4.0/).
Share and Cite
Zurnadzhy, V.; Efremenko, V.; Petryshynets, I.; Dabalà, M.; Franceschi, M.; Wu, K.; Kováč, F.; Chabak, Y.; Puchy, V.; Brykov, M. Alternative Approach for the Intercritical Annealing of (Cr, Mo, V)-Alloyed TRIP-Assisted Steel before Austempering. Metals 2022, 12, 1814. https://doi.org/10.3390/met12111814
Zurnadzhy V, Efremenko V, Petryshynets I, Dabalà M, Franceschi M, Wu K, Kováč F, Chabak Y, Puchy V, Brykov M. Alternative Approach for the Intercritical Annealing of (Cr, Mo, V)-Alloyed TRIP-Assisted Steel before Austempering. Metals. 2022; 12(11):1814. https://doi.org/10.3390/met12111814
Chicago/Turabian StyleZurnadzhy, Vadym, Vasily Efremenko, Ivan Petryshynets, Manuele Dabalà, Mattia Franceschi, Kaiming Wu, František Kováč, Yuliia Chabak, Viktor Puchy, and Michail Brykov. 2022. "Alternative Approach for the Intercritical Annealing of (Cr, Mo, V)-Alloyed TRIP-Assisted Steel before Austempering" Metals 12, no. 11: 1814. https://doi.org/10.3390/met12111814
APA StyleZurnadzhy, V., Efremenko, V., Petryshynets, I., Dabalà, M., Franceschi, M., Wu, K., Kováč, F., Chabak, Y., Puchy, V., & Brykov, M. (2022). Alternative Approach for the Intercritical Annealing of (Cr, Mo, V)-Alloyed TRIP-Assisted Steel before Austempering. Metals, 12(11), 1814. https://doi.org/10.3390/met12111814

