Abstract
The paper presents the design of an active seat suspension system for a medium-sized passenger vehicle (installation height of 180 mm), which is aimed at enhancing passenger comfort, with an emphasis on autonomous vehicle applications. The system is developed in two design variants based on Scott–Russell and Kempe mechanisms. The former is characterized by high rigidity and low friction, and it serves as a benchmark solution in this research. The latter is distinguished by cost-effectiveness and, thus, targeted for production vehicle applications once it is verified against the benchmark solution. Both designs are developed to satisfy the operational requirements derived from system computer simulations (suspension stroke of ±40 mm, speed of up to 0.5 m/s, and acceleration of up to 1 g), which are based on a half-car vehicle model extended with seat suspension dynamics and controlled by a linear quadratic regulator. The paper also outlines the electrical, measurement, and basic control subsystem of the overall active seat suspension mechatronic system. Finally, it presents experimental identification results to illustrate that the designed system complies with the specified requirements.
1. Introduction
Vehicle suspension is designed to reduce vertical vibrations caused by uneven roads, thereby improving ride comfort, vehicle handling performance, and safety, as reported by More and Deshpande [1]. It also prevents health issues associated with long-term exposure to vibrations, such as intervertebral disc degeneration and persistent lower back pain, as stated by Desai et al. [2]. Xie et al. [3] also mention bone pain, low back pain, cardiovascular and gastrointestinal diseases, and a higher risk of cancer, all related to exposure to low-frequency, large-amplitude vibrations. In addition to chassis suspensions, seat suspensions are also investigated and applied as a means of localized vibration dampening by Colpo and Gomes [4].
As with chassis suspensions, there are three types of seat suspension systems: passive, semi-active, and active, classified by Xie et al. [3]. Passive suspension is a low-cost, simple design solution (Xie et al. [3]) that is typically based on a scissor mechanism and an air spring (Pham [5]). In addition to systems that rely solely on vertical vibration suppression, three-dimensional linear passive seat suspensions for construction vehicles are also reported by Yan et al. [6]. Semi-active suspensions are reported to reduce vertical acceleration amplitude by up to 20%, as stated by Sebesta et al. [7] and 40% reported by Dong et al. [8] compared to passive systems. Feng et al. [9] state that they represent a good trade-off between performance and cost/energy efficiency. Actuation solutions include electromagnetic dampers (Zhao et al. [10], Wu et al. [11], magnetorheological fluid dampers (Ramalingam [12]), pneumatic springs (Wos and Dziopa, [13]), and pneumatic muscles (Maciejewski et al. [14]), with target applications in agricultural machines (Chen et al. [15]), civil engineering machinery (Ye and Li [16]), and heavy-duty vehicles (Zhan et al. [17]). More complex semi-active suspensions can include a flywheel that stores vibration energy and generates seat force, bringing them closer to active suspension, as proposed by Cao et al. [18]. Active seat suspensions excel at vertical vibration suppression, providing up to 90% reduction in root-mean-square (RMS) vertical acceleration compared to passive suspension, at the cost of 10% increase in vertical displacement/stroke (Desai et al. [2]). An alternative active seat suspension system for suppression of solely horizontal vibrations in agricultural tractors is presented by Maciejewski et al. [19]. Application of a delayed resonator, which combines a dynamic vibration absorber and a partial-state feedback controller with a time delay, is reported by Zhang et al. in [20] to reduce the seat vibration response. When referring to production systems available on the market, in addition to air cushion-based passive seat suspension systems, a couple of manufacturers offer seats for commercial vehicles [21,22]. These are semi-active suspension systems based on a scissor mechanism and characterized by a relatively high installation height.
The focus of different available references is on modeling the active seat suspension system dynamics as reported by Papaioannou et al. in [23] and, particularly, the design of their control systems. Various control approaches are considered, including output-feedback event-triggered H∞ control (Li et al. [24]), multiple sliding-surface control, (More and Deshpande [1]), and fuzzy fault-tolerant control (Zhang et al. [25]). More recently, there has been a tendency to apply machine learning-based control algorithms, as reported by Zhao et al. [26]. In the broader area of chassis suspension controls and semi-active actuation, hybrid Skyhook-based control is considered in (Papaioannou and Koulocheris [27]) through multi-objective optimization, while a constant-frequency control strategy is proposed by Zhang et al. in [28] to maintain a nearly constant natural frequency of a two-stage leaf spring suspension. An inerter-based suspension concept with frequency-varying negative stiffness is reported by Shen et al. in [29] to enhance broadband vibration isolation. Characteristic fully-active suspension control approaches include MPC strategy relying on road preview and vehicle speed-dependent dynamics (Li et al. [30]), and intelligent hybrid control methods involving PSO-optimized fuzzy-LQR control and bio-inspired optimization combined with fuzzy control (Abut and Salkim in [31], and Abut et al. in [32]).
When it comes to mechanical solutions, the scissor mechanism is most common, regardless of whether the suspension is active (Antonelli et al. [33]) or semi-active (Chen et al. [15]). The application is targeted at commercial or agricultural vehicles characterized by ample clearance between the chassis and the seat. A scissor-based mechanism is also developed for a passenger vehicle by Zhang et al. [34], where a small installation height is required, but this solution concerns semi-active suspension. Other reported designs include linear motors (Davie et al. [35]), which are again primarily targeted for commercial vehicle applications, because they are quite tall relative to the suspension stroke.
Enabling comfortable execution of non-driving-related tasks (e.g., reading/typing, drawing) in automated vehicles requires effective mitigation of motion sickness, which is primarily associated with low-frequency vibrations (approximately in the range from 0.05 to 0.5 Hz, as reported by Papaioannou et al. in [23]). One of the mitigation measures recently investigated relates to advanced seat suspension concepts capable of isolating low-frequency excitations. Passive solutions based on embedded negative stiffness elements have demonstrated improved vibration isolation suitable for ride comfort enhancement (Papaioannou et al. [36], and Papaioannou et al. [37]). Active seat suspension systems further extend these capabilities by actively controlling seat motion, achieving significant reductions in vibration levels, seat displacements, and motion sickness indicators compared with conventional passive designs as reported by Papaioannou et al. [38]. In addition, novel seat concepts such as the K-seat have shown promising results in both objective vibration isolation and subjective motion sickness mitigation, particularly in the critical low-frequency range (Papaioannou et al. [23], and Farzam et al. [39]).
This publication has been preceded by a study that assesses different combinations of seat and chassis suspension types for autonomous vehicle applications (Cvok et al. [40]). Moreover, a linear motor-based shaker rig (Figure 1a, Cvok et al. [41]) was used to evaluate subjective and objective ride comfort metrics for a group of 44 examinees (Cvok et al. [40]). It was discovered that the quality of performing non-driving related tasks (reading-typing and drawing) remains close to that observed under stationary conditions when the RMS vertical seat acceleration is reduced below 0.42 m/s2. This was found to be possible only by applying the fully active type of chassis suspension with road preview incorporated into the full-state linear quadratic regulator (LQR) law (see Figure 1b for an illustration of the drawing task example), (Cvok et al. [40]). However, the study has indicated that, when an active seat suspension is added, comfortable operation below the specified RMS acceleration threshold can be achieved with a less-expensive, lighter, and more efficient semi-active chassis suspension (Cvok et al. [40]). The same study outlines two complementary concepts of active seat suspensions that fit into the limited space of a mid-class passenger car seat (Figure 1), which are based on the Scott–Russell and Kempe mechanisms. Preliminary designs of mechanical subsystems for both concepts have been presented in recent conference papers (Hoić et al. [42] and Hoić et al. [43]). This paper presents the final, consolidated designs of the overall mechatronic systems and gives the corresponding experimental identification results.
Figure 1.
Photograph of existing shaker rig used in ride comfort evaluation (a), example of evaluation result for drawing task and fully active chassis suspension with LQR control and road preview incorporated (b), and functional schematic of active seat suspension structure (c).
The main contribution includes mechanical designs of two complementary active seat suspension solutions with sufficiently low height for application in personal vehicles. The first solution, based on the Scott–Russell mechanism as the carrier, is intended to serve as a high-performance benchmark, while the second one, based on the Kempe mechanism, is a cost-effective solution suitable for production following verification against the benchmark. Additionally, the paper presents the results of experimental identification of the developed system to demonstrate its functionality.
The remaining part of the paper is organized as follows. Section 2 presents a theoretical background of active suspension modeling and control, resulting in requirements on active seat suspension design. Design of the mechanical subsystem for the Scott–Russell and Kempe concepts is proposed in Section 3 and Section 4, respectively. The electrical, measurement, and basic control subsystem is outlined in Section 5. The results of experimental identification of the realized Scott–Russell mechanism-based system are reported in Section 6. Concluding remarks are drawn in Section 7.
2. Design Requirements and Principal Solutions
To define the key design requirements of the active seat suspension mechatronic system, the system dynamics are analyzed through computer simulation. The simulation is based on a half-car vehicle model, extended with an active seat suspension submodel and controlled by an LQR law (Cvok et al. [40]).
2.1. Active Seat Suspension Control
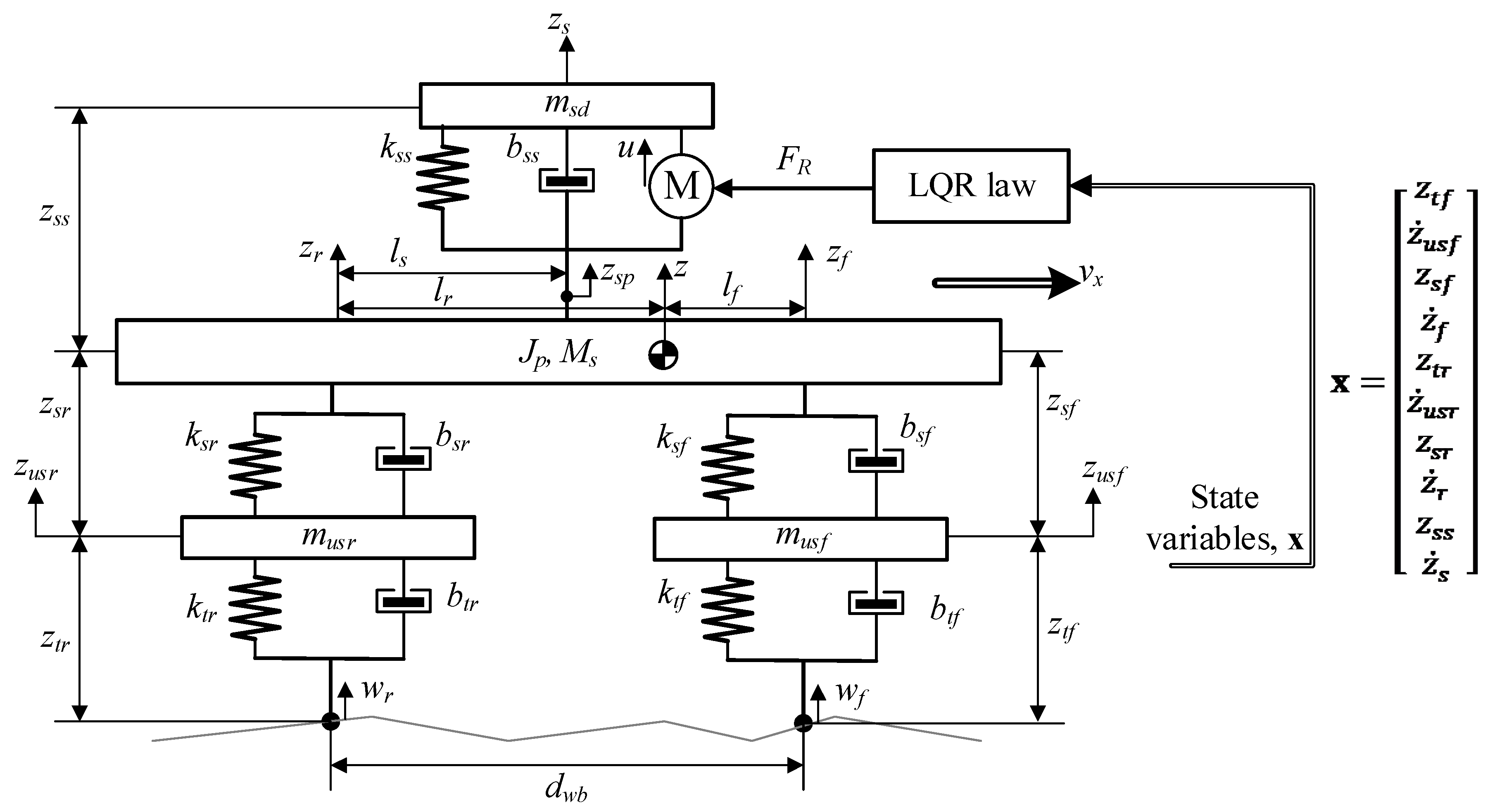
The extended half-car model (Figure 2) describes the vehicle vertical and pitch dynamics, characterized by the front and rear unsprung masses , the sprung mass , the pitch moment of inertia , and the seat and driver mass , which are connected through passive, spring-damper elements and a four-quadrant active seat suspension actuator (motor) M. The system dynamics can be represented by a tenth-order state-space model:
where the state vector x is defined in Figure 2, u is the actuator force, and is the road disturbance vector. Note that the rear road velocity represents a delayed replica of the front one: where the delay depends on the vehicle’s longitudinal velocity and is the front/rear axle distance. The model is detailed by Cvok et al. in [40]. The model parameters are listed in Appendix A based on the report by Hrovat [44].
Figure 2.
Schematic of a half-car vehicle model extended with active seat suspension and LQR control law.
The LQR-type controller is selected as a well-established optimal state-feedback regulator, which is often used for systematic performance evaluation, hardware configuration assessment, and hardware requirement setting [44]. It is formulated based on the time-discretized version of the vehicle state-space model (1) and minimization of the following cost function:
where the sum squared seat vertical acceleration term accounts for the ride comfort requirement, while the sum squared seat suspension deflection term represents a soft constraint related to suspension stroke physical limits. The weighting coefficient q is tuned to satisfy the physical constraint for the considered road disturbance. The LQR gains are determined by transforming the cost function (2) into the standard quadratic matrix form and inserting the corresponding cost function and discrete-time state-space vehicle model matrices into the Riccati equation. The details of the LQR design are given by Cvok et al. in [45] and summarized by Cvok et al. in [40].
Two LQR feedback control configurations are considered by Cvok et al. in [45]: (i) full-state feedback, where all ten state variables constitute the LQR law, and (ii) reduced-state feedback, where only the local, seat subsystem states, and , are fed back into the controller. The former represents an idealized scenario and serves as a performance benchmark. The latter is more practical as it substantially reduces the requirements on the sensors/estimators. In both configurations, the same cost function (2) is used.
A covariance analysis is performed by Hrovat in [46] to quantify the trade-off between ride comfort and seat suspension stroke. The results shown in Figure 3 indicate that the RMS vertical seat acceleration, as a basic ride comfort metric, can be reduced by up to 90% when compared to the passive seat suspension, provided that an ample seat suspension stroke (±5 cm here) is allowed by making the active suspension softer through reduction of the cost function weighting coefficient q9. Also, the more practical, reduced-state feedback configuration is quite competitive compared to its idealized, full-state feedback counterpart.
Figure 3.
Performance plot of active seat suspension with full- and reduced-state feedback control.
2.2. Simulation Results
Figure 4 shows comparative simulation results for three configurations: (i) passive seat suspension (PAS), (ii) active seat suspension with full-state feedback (FAS) and (iii) active seat suspension with reduced-state feedback (FASr). Based on the covariance analysis, the suspension stroke penalization factor is set to for the FAS case and for the FASr case, which results in the RMS seat suspension stroke cm in both cases. The mass of the driver and seat (including seat suspension) is set to kg, which results in the spring static load of 2000 N. The seat suspension spring stiffness is set to , based on literature review and the static load. The suspension damper is omitted () since its action would be taken over by the actuator. In the PAS configuration, the damper is included (). The road disturbance is represented by a cosine-shaped bump with the amplitude of 10 cm and the frequency of 10 Hz (Figure 4h) for the vehicle velocity . The results show that the fully active seat suspension significantly reduces seat acceleration amplitudes compared to the passive suspension (Figure 4c), thereby improving the ride comfort. The seat acceleration suppression ability is somewhat improved when the full-state feedback is used instead of the reduced-state feedback controller (see Figure 4c and cf. Figure 3). Both active suspension configurations take advantage of significantly longer suspension stroke compared to passive suspension to suppress the seat acceleration (Figure 4c).
Figure 4.
Comparative simulation responses of systems with passive seat suspension (PAS), and active seat suspensions with full-state (FAS) and reduced-state feedback LQR (FASr) (cosine-shaped bump road disturbance): (a) heave acceleration; (b) suspension acceleration; (c) seat acceleration; (d) suspension stroke; (e) actuator force; (f) suspension velocity; (g) ground velocities; and (h) road profile.
The simulations have been repeated for different controller settings (i.e., different weighting factors q) and various cosine-shaped bump frequencies to ensure that the drawn design requirements are representative for a wide range of operating conditions. Furthermore, a stochastic road profile corresponding to an OEM proving ground and augmented with artificial, worst-case-scenario bumps and potholes, was additionally considered to represent realistic driving conditions [40]. The corresponding results (presented in Figure 5 in the latter case) lead to qualitatively the same observations regarding the active seat suspension-related ride performance improvement as discussed with Figure 4.
Figure 5.
Comparative simulation responses of systems with passive seat suspension (PAS), and active seat suspensions with full-state (FAS) and reduced-state feedback LQR (FASr) (stochastic road disturbance with added bumps and potholes): (a) heave acceleration; (b) suspension acceleration; (c) seat acceleration; (d) suspension stroke; (e) actuator force; (f) suspension velocity; (g) ground velocities; and (h) road profile.
Based on the overall set of simulation results (including the characteristic ones in Figure 4 and Figure 5), it has been concluded that the seat suspension stroke remains within ±3 cm for the great majority of operating conditions. Furthermore, the identified maximum values of suspension velocity and suspension acceleration (i.e., relative seat-chassis acceleration) equal 0.4 m/s and 1 g, respectively. The peak actuator force was found to be up to 1000 N. After taking a certain reserve for some of the above operating parameters’ requirements, their final values are listed in the first five rows of Table 1. Requirements 5 and 6 were already discussed above, while Requirement 7 on the actuation system bandwidth of at least 30 Hz is to approach the performance of the idealized actuation system considered above (infinite bandwidth; see [41] by Cvok et al. and references therein). Other requirements in Table 1 are discussed in the next subsection.
Table 1.
Main requirements for seat suspension design.
2.3. Design Requirements and Solution Concepts
Design requirements for the active seat suspension are summarized in Table 1 and categorized into three distinct groups. The first group includes requirements that define the suspension operating range for favorable performance, and they were discussed in Section 2.2. The second group comprises requirements related to control system performance (bandwidth, backlash minimization, low friction, and high lateral stiffness). Backlash and friction should be minimized to improve the seat force tracking accuracy and suppress the related vibration phenomena (e.g., stick-slip vibrations; see friction modeling, compensation, and assessment studies in (Ruškan et al. [47], and Ruškan et al. [48]). High lateral stiffness is favorable to avoid the associated reduction in natural frequency and/or the introduction of additional, typically cross-coupled lateral vibrational modes.
The third group includes additional requirements that cover practical aspects related to design suitability for laboratory setup and/or vehicle application. Bumpers prevent damage in the event of a stroke overshoot. The manual lock enables optional investigation of the rigid seat (no suspension). The initial seat position should be adjustable (to the central position) to accommodate passengers of various heights and weights, while allowing for the full suspension stroke in both directions. Furthermore, the system should fit into the space between the existing rigid seat and chassis connectors, be cost-effective, fail-safe, and have low mass to be suitable for vehicle application. Detachable dampers provide the opportunity to compare the suspension performance (including energy efficiency) of the spring-actuator and spring-damper-actuator configurations (see Figure 2). Finally, installation of specific sensors—a seat accelerometer and a suspension stroke encoder (supplemental to motor position/speed/current sensors) is necessary for comprehensive experimental characterization and potentially for the realization of feedback control loops.
Most of the requirements relate to the actuator and carrier subsystems (see the last column of Table 1 and Figure 1c), which puts a focus on the first design phase on calculations and selection of catalog components of these subsystems. Assessment of the posed requirements has led to the actuator concept based on a rotary servo motor and a threaded spindle. Given the motor and spindle dimensions relative to the available space, specifically the height-to-length ratio (see Figure 1c), it has been concluded that the motor axis and the threaded spindle should be aligned horizontally. As a result, the carrier mechanism needs to convert linear input motion into linear perpendicular output motion. Two design solutions are proposed to fulfill this requirement while accounting for available space: (1) Scott–Russell and (2) the Kempe mechanism (see Figure 6 and Section 1).
Figure 6.
Schematics of common scissor mechanisms (a), Scott–Russell (b) and Kempe (c) mechanisms for use in active seat suspension Design 1 and Design 2, respectively.
Design 1 is estimated to have high lateral rigidity, small backlash, and low friction, under the assumption that (i) high-performance components are used, such as linear guides, ball spindles, ball bearings, and servo couplings, and (ii) custom-made components, such as levers, are designed and manufactured with high rigidity and tight tolerances. A downside would be a higher cost. Therefore, Design 1 is targeted to serve as a benchmark for the more cost-effective Design 2. Note that linear guides are preferred over wheels because the suspension needs to generate vertical force in both directions. It is envisioned to use a dual mechanism configuration (see Figure 6b) to support parallel vertical displacement of the seat. Although it may be argued that a single scissor mechanism achieves the same function, the dual Scott–Russell arrangement provides a more favorable range of lever angles (for a given, limited available height), thus resulting in a smaller actuator force and lower lever bending loads. Additionally, while both the scissors and dual Scott–Russell mechanisms have two linear guides, the latter requires a single rail, compared to two rails for the former, thereby reducing complexity and cost to some extent.
Design 2 is based on a two-dimensional exact straight-line linkage called the Kempe mechanism. The proposed mechanism (Figure 6c) is a linkage composed of three lengths of levers whose lengths should abide by the ratio 1:2:4 (thus labeled here as , , and ). Two sets of linkages are envisioned, one on the front and one on the back of the seat, with shared outer () levers (Figure 6c). Additionally, the available space within the Kempe mechanism accommodates an additional set of diamond-arranged levers, which transfers the actuation force from the spindle-based linear actuator to the Kempe mechanism, thus making the overall transfer ratio constant (equal to 1, see Section 4 for details). The proposed design is expected to yield the following manufacturing cost advantages over Design 1 and the scissor mechanism. Firstly, it does not include linear guides. Secondly, the constant transfer ratio arrangement reduces the actuator motor’s power requirements and facilitates the control system design. Thirdly, levers can be designed for mass production in the same way (e.g., by stamping and welding of sheet metal) in which the original rigid seat suspension is produced. Fourthly, joints are based on the mass-produced, readily available and affordable ball bearings. However, a number of levers and joints is considered a source of low lateral rigidity, making this design potentially sensitive to vibrations.
3. Design 1: Scott–Russell Mechanism-Based Solution
As outlined in Section 2, Design 1 is based on a dual Scott–Russell mechanism serving as the carrier, with a spindle powered by a rotational servomotor acting as the actuator (see Figure 7). The dual Scott–Russell mechanism, deployed at the front and back of the seat, is widened across the entire seat width, providing four seat support points for stability. Details of the design, including dimensioning of its components, are presented in the next subsections.
Figure 7.
Principal schematic of the solution based on the Scott–Russell mechanism (Design 1), back (a) and front (b) view.
3.1. Achieving Key Performance Requirements (Requirements 1 to 4)
3.1.1. Basic Calculations
The requirements for the range of key operational parameters (Requirements 1–4 in Table 1) are met by selecting the motor, spindle, and lever lengths. The actuator horizontal position (x) and the vertical seat position (y) are functions of the lever length and the angular position of the mechanism (φ) (see Figure 7b):
For the given range of vertical displacement (Δy), which is equal to the difference between the highest () and lowest seat positions (), the related extreme angular positions of the mechanism ( and ) can be calculated by using Equation (3). The corresponding extreme actuator position (, ), and then the actuator displacement range, , can then be calculated from the extreme angular positions (φhigh and φlow) by using Equation (4).
The actuator force () and speed () are also functions of the angular mechanism position φ:
The maximum required actuator force () and speed () can be calculated by using Equations (5) and (6), respectively, based on the required maximum seat force and speed (see Table 1) and the lowest () and highest angular positions () of the mechanism, respectively.
The rotational speed () and torque () of the motor depend on the spindle transfer ratio i (which itself is a function of the spindle pitch : ) and the efficiency of the mechanism (η):
The maximum required motor speed and torque can be calculated by using Equations (7) and (8), respectively, from the corresponding maximum actuator values and discussed above.
3.1.2. Selection of Lever Length
The height of the existing rigid suspension (180 mm, see Figure 1c) was considered to correspond to the highest position of the mechanism, which, after accounting for the width of 20 mm, relates to the radial dimension of the bearings in the joints connecting the mechanism to the seat, yields mm. The lowest mechanism positions then equal mm. To prevent the lever from reaching the vertical position for the highest seat position (i.e., for mm means that the lever length must be constrained as mm (see Equation (3)). For the lowest mechanism position ( mm), one may assume that each of the two Scott–Russell mechanisms would not occupy more than a half of the overall seat length 500 mm (Figure 1c), i.e., mm, to facilitate placement of both mechanisms without collisions. The corresponding lever angle and its length can, thus, be determined from Equations (3) and (4) as and mm.
A lever shorter than 260 mm would result in greater angular positions (Equation (3)), which would then give shorter actuator displacement (Equation (4)), smaller actuator force (Equation (5)), and greater actuator speed (Equation (6)). For a given spindle pitch, this would lead to greater motor speed (Equation (7)) and smaller motor torque (Equation (8)), and hence the smaller motor dimensions, mass, and cost, i.e., motor choice favors shorter levers. The maximum feasible speed is determined by the spindle’s limitations (see the following section). In addition, Zou et al. [49] recommends keeping the spindle and, thus, the actuator acceleration g, which favors smaller lever angles (). Hence, the spindle choice prefers longer levers. Although multiple solutions are possible in principle, feasible solutions are constrained by the combined characteristics of catalogue components (spindle and motor). Provisionally, a spindle pitch of 10 mm and the maximum lever length of 260 mm were selected, which resulted in the maximum/required actuator force kN (at the lowest mechanism position Equation (5)) and the corresponding required motor torque Nm (Equation (7)), as well as the maximum actuator linear and rotational speed m/s (Equation (6)) and rpm (Equation (8)), corresponding to the highest angular position (φhigh = 38°). The maximum required seat acceleration g necessitates spindle acceleration g at maximum seat position, and below 1 g for seat positions below + 2 cm, which is acceptable. Using Equation (4) then yields the maximum actuator displacement mm.
3.1.3. Selection of Spindle
Ball spindle with a 10 mm pitch (model BASA 16 × 10 R × 3 FEM- E-B by Bosch Rexroth, Lohr am Main, Germany) has been selected. This spindle, with a nominal diameter of 16 mm and a maximum load of 11.5 kN, exceeds the calculated maximum force of 3.1 kN by a factor larger than 3, as recommended by the manufacturer [50]. Spindles with smaller pitch values (the next standard value is 5 mm) would lead to smaller motor torque and dimensions, but the disadvantage would be that the maximum speed would be doubled to 4684 rpm, well beyond the maximum speed of 3000 rpm for the spindles with a length below 240 mm [50]. Note that the manufacturer recommends keeping the speed below 80% of the maximum speed for a given spindle (i.e., 2400 rpm herein), which supports the chosen lever length, as shorter levers would result in greater maximum rotational speed due to greater lever angle (see Equation (6)).
Taking into account the maximum displacement of 42 mm (Section 3.1.2), and adding the nut length of 45 mm, one obtains the minimum required threaded length of 87 mm. A threaded length of 130 mm been selected to enable the same spindle to be used for Design 2 (which requires maximum displacement of 80 mm plus nut length of 45 mm plus 5 mm, which were added since the screw is tapered at both ends, i.e., the screw spiral is not functional over the full length, see Section 4).
The same spindle can be matched to various nut types, including two types related to different backlash levels and three types related to different preload levels. Nuts with preload were preferred over nuts with backlash, since, although they have higher friction, it is easier for the control system to compensate for friction than for backlash. The lowest preload level was chosen because it still provides sufficient rigidity to meet the bandwidth requirement (see Section 3.3.1), while reducing friction for better control performance. Additionally, a low-friction seal [50] was selected over standard or reinforced seal options, because the latter would introduce additional friction losses, while the related increased protection from pollutants was considered unnecessary for the intended application.
For the selected spindle, the pitch and diameter values (10 mm and 16 mm) yield a pitch angle of 11°, for which the spindle efficiency equals 95% [50]. Overall efficiency must also account for other losses, specifically those in the bearings. Spindle manufacturer states that systems that convert rotation to linear motion typically have an efficiency of 90% [50]. The efficiency of bearings and linear guides was estimated at approximately 95%. Thus, it was decided to adopt a conservative lower-efficiency value of 80% for the overall system to calculate the required motor torque in the next subsection.
3.1.4. Motor Selection
By applying the above conservative value of efficiency (80%) and the required actuator force ( kN), the motor torque can be calculated by using Equation (8), yielding the required motor torque of Nm for the target seat force ( N, note that the inertial effects are neglected for now). Among several Siemens servomotor models meeting the requirements, the model 1FT2104-5AF10-2CB0-Z has been selected, as it provides the required torque and speed while providing minimum size and weight. Note that the required values in Table 2 are different for Designs 1 and 2. Catalogue components (see Table 3 for detailed motor data) are chosen so that the actual value meets the required values of both design solutions.
Table 2.
Required and actual parameters of selected spindle, coupling and servomotor.
Table 3.
Specification of sensors.
By considering the moments of inertia of the motor (), spindle (), and coupling (), and the characteristic values of motor torque (nominal and maximum, Table 2), more precise values of the seat force and acceleration can be calculated:
where kg is the estimated mass of the carrier mechanism components moving along the linear guides (e.g., the H frame and the linear guides, vagonets etc.) and kg is the realistic expected combined mass of seat, passenger, and the carrier mechanism parts (e.g., the seat frame) that move vertically with the seat.
Using Equation (9), together with the mechanism parameters determined in Section 3.1.2 and Section 3.1.3 and the maximum and nominal motor torque values from Table 2, gives the maximum and nominal seat force graphs shown in Figure 8 in dependence on seat displacement. The maximum seat force exceeds the required force over the entire seat displacement range (Figure 8a). The nominal seat force , related to nominal motor torque, covers from approximately 30 to 50% of the required force . This is deemed satisfactory since the intervals of motor torque being higher than the nominal ones (to cover peak seat forces) would be relatively short and much smaller than the motor thermal time constant (Table 2). The required acceleration of the seat () can be obtained at the maximum motor torque for the upper 75% portion of the seat displacement range (Figure 9b), while 80% of the requested acceleration (0.8 g) is covered in the whole displacement range. This is viewed as satisfactory, having in mind conservative requirements, and rare and very short-term occurrences of 1g acceleration peaks (see Figure 3 and Figure 4).
Figure 8.
Comparison of requested and achieved seat forces (a) and accelerations (b) for Design 1.
Figure 9.
3D CAD model of active seat suspension assembly solution for Design 1—positioning of actuator (a), levers (b), seat frame (c), and spring (d).
3.1.5. Spatial Arrangements
The actuator, consisting of the motor, coupling, and spindle, is positioned along the central symmetry plane (Figure 9a), with the motor protruding to prevent cable damage (see detail of Figure 9a shown at the top of the figure). A small vertical gap between the actuator components and the base plate and the seat frame (Figure 9a) indicates that a larger motor would not fit within the target volume.
The spindle nut connects to all four linear guides via an H-shaped frame (Figure 9a), enabling simultaneous engagement of both Scott–Russell mechanisms. Long levers are narrowed towards the lower end and cut in the middle (see Figure 9b) to avoid collision with the H-frame and the actuator. Short levers are connected across the entire width of the suspension to increase the lateral stiffness. The overall mechanism width is maximized across the width of the suspension, save for the volume needed to place the springs (see Figure 9b,c).
3.2. Balancing of Static Mass (Requirements 5, 6, 12, and 13)
Requirements 5 and 6 relate to suspension spring static load and stiffness, respectively. Relatively small stiffness compared to static load necessitates a large spring deflection: 2000 N/10 N/mm = 200 mm, indicating that the spring will need a long nominal length. A feasible solution is a torsional spring: a long wire rolled into a closely packed spiral, with two symmetrical springs positioned on either side of the seat. The coils of the springs are positioned around the shaft with bearings to ensure purely torsional deformation of each spring and negligible friction (see Figure 9c). The levers of the springs support the seat via four seat support points (see Figure 9d), which are positioned on the outer edges of the seat frame, thereby providing the most stable seat-support configuration. In addition, the spring shafts can be fixed at different circumferential positions, thus enabling different spring preloads and an adjustable initial seat position (Requirement 12).
The spring stiffness () and stress () are described by the following equations derived from the static model in Figure 10a in accordance with Rothbart and Brown [51]:
Figure 10.
Models for calculating spring parameters (a), system natural frequency (b), and forces on the levers (c) for Design 1.
The coil mean diameter, was set to 60 mm due to spatial limitations. The chosen material is 51CrV4 spring steel (E = 210 kN/mm2), typically used for coil springs, with a yield stress . A feasible solution was found for a standard wire diameter mm, the number of coils , and the length of spring lever mm, which results in the total wire length mm coiled into a spring with the length mm (the distance of 2 mm was added between the wire pitch in the coil to facilitate free deformation). The stiffness of individual springs, given by Equation (10), thus equals N/mm, resulting in the total stiffness of N/mm for all four springs (close to the requirement of 10 N/mm, Table 2). The maximum force acting on the spring can be calculated by summing up the maximum spring static load of 500 N per spring and the additional force corresponding to the maximum spring deflection: N. Equation (11), thus, yields the maximum stress , which is below the yield stress of 900, thereby confirming that the spring can withstand the maximum load without damage. A more optimized design would require a custom wire diameter, which remains a viable option for serial production.
3.3. Control Performance (Requirements 7 to 10)
3.3.1. Natural Frequency (Requirement 7)
The system has been modeled by a constrained two-mass elastic linear system (see Figure 10b). The system’s natural frequencies are given by [51]:
The mass m1 includes the maximum expected combined mass of seat, i.e., it equals msd from Equation (9). The mass includes the actuator-side inertia referred to the seat axis, i.e., it equals the term multiplying the seat acceleration aseat in Equation (9).
The system is constrained towards the base plate through the suspension spring with the stiffness N/mm (Section 3.2), while the ball screw functions as the spring element between the two masses, referred to the seat axis, depending on the mechanism angular position . The system stiffness is calculated as the stiffness of a series connection of the spindle axial bearing ( kN/mm, [50]), the spindle nut ( kN/mm, [50]), the spindle screw (), the lever and actuator joints bearings ( kN/mm), and the main lever ( kN/mm). The spindle screw is modelled as the axially loaded shaft, i.e., its stiffness is determined by the length of the screw between the nut and the axial bearing, plus half of the length of the nut and the bearing [50]. For a target maximum axial displacement of the nut of mm, the spindle screw stiffness kscrew ranges from 383 to 784 kN/mm depending on the distance between the nut and the bearings (for details on spindle screw stiffness calculation, see [50]). The stiffness of the joint’s ball bearings was estimated to be 1/10th of the spindle axial bearing stiffness, because the axial bearing transfers force over 20 balls in the axial direction, while joint bearings are loaded radially, where only two balls are transferring loads. The lever stiffness was estimated at 5 kN/mm based on the results of stress and deflection analysis presented in Section 3.4. Hence, the total spindle stiffness ranges from 7.9 to 8.9 kN/mm.
Inserting the above mass and stiffness parameters into Equation (12) and varying the mechanism angular position in the range yields the natural frequencies in the range from 1.2 to 1.3 Hz for the sprung mass mode and from 89 to 98 Hz for the drivetrain mode. Since the levers, guides, and other components were designed to be as rigid as possible, and because the load spreads over multiple levers, their elasticity is not expected to lower the drivetrain’s natural frequency significantly below the theoretical range (89, 98) Hz, i.e., it remains significantly larger than the required minimum bandwidth of 30 Hz.
3.3.2. Backlash and Efficiency (Requirements 8 and 9)
The drivetrain components, including the coupling, spindle, long lever, short lever, wheel, and three joints within the carrier (see Figure 9), are chosen to achieve minimum backlash and high rigidity. In addition to the preloaded spindle, the selected coupling (see Figure 9a) is a torsion-rigid, backlash-free model BKL 10 by R&W, West Chicago, IL, USA. The linear guides based on linear ball bearings, specifically Bosch Rexroth KWE-015-SLS with the slider and rail, are used to serve as the Scott–Russell mechanism wheel. These guides allow vertical force transfer in both directions, feature zero backlash, high rigidity, and low friction. The chosen rail guide is the smallest available model from the selected manufacturer. The rated load of 12.8 kN is by an order of magnitude higher than the required maximum force on the seat of 1 kN. The linear guides can be configured with either no preload (i.e., with a clearance) or with various preload levels. Based on the same reasoning as for the spindle (Section 3.1), a variant with the minimal preload was selected. The four joints of the Scott–Russell mechanism, as well as the two joints of the actuator (see Figure 9a), are based on ball bearings (2200-2RS and 6201-2Z, respectively), each with up to 0.018 mm of clearance, which would amount to 0.108 mm of backlash.
Friction losses on the spindle are the primary cause of drivetrain efficiency. The selected spindle model should achieve an efficiency of , while the efficiency of linear guides () and bearings () ranges from 90% to 98% [50]. The maximum friction torque can be provisionally calculated from the efficiency values and the motor maximum torque (). Power is transferred from the motor via the spindle, linear guides, and three sets of bearings (one in each joint on the long lever). Hence, the maximum friction torque can be expressed as:
Using the mid efficiency value of 94% for linear guides and bearings yields Nm. Note that this does not include additive load-independent (idling) friction or friction in short lever joints. The former is not stated by the manufacturer, while for the latter it is estimated that it may be neglected, as it does not relate to the main path of power transfer.
The joints (see Figure 9a) utilize self-aligning ball bearings with integrated seals. Self-alignment prevents increased friction under bending loads in non-symmetrical load conditions, and the integrated seals save space compared to separate seal solutions.
3.3.3. Lateral Stiffness of the System (Requirement 10)
Lateral stiffness of the seat suspension is dominantly influenced by the levers of the Scott–Russell mechanism and the corresponding joints. The long lever is designed as a plate spanning the entire available volume between the springs (see Figure 9b) to maximize the lateral stiffness, with only a marginal increase in weight compared to a solution with separate levers on each side (especially when compared to the mass of the seat and passenger). The width of the long lever decreases towards the lowest point to provide sufficient space for the short levers and the linear guides (Figure 9b). The short lever is designed as a beam with joints at both ends and a broad cross-section to prevent buckling (Figure 9b).
3.4. Other Requirements (Requirements 11 to 20)
3.4.1. Bumpers, Initial Position Adjustment, Manual Locking, Dampers, and Sensors (Requirements 11 to 15)
Two sets of bumpers are placed at the opposing maximum positions of the H-frame (see Figure 9a) to prevent mechanism damage in the event of power loss or faulty controls. Rigid plates can be installed in parallel with springs to lock the suspension system in its mid position, turning the system into a rigid suspension (see Figure 9c). Passive adjustable dampers can be mounted in parallel to the spindle and attached to the H-shaped frame, allowing for easy detachment or replacement (Figure 9a). The shafts of the springs can be fixed at different circumferential positions, allowing for the same static seat position for different passenger weights.
Mechanical connections between the shaker and the active seat suspension, and between the active seat suspension and the seat, are achieved via a connection plate and a connection frame, respectively (see Figure 9a,d), thus avoiding rework of the shaker test rig. In addition to two existing accelerometers attached to the shaker top plate, an additional accelerometer is placed on the seat frame, and a linear encoder is installed between the seat frame and the base plate (see Figure 9d). Details on the sensory equipment are given in Section 5.
3.4.2. Low Mass of the System (Requirement 16)
The maximum loads acting on the levers can be calculated from the static force model shown in Figure 10c. The main (long) lever is under maximum load in terms of maximum bending and maximum actuator force for the case :
where the factor 0.5 is used since the total seat force is transferred via two sets of levers. For N (see Figure 8a), one obtains and N. The short levers have joints at each end and are thus exposed only to compression. For the related maximum actuator force obtained from Equation (5) ( N), the maximum compression force acting on each of the four short levers is determined as (note that the factor 0.25 accounts for the seat force transfer via four short levers):
which yields N.
The selected material for both long and short levers is 5083 aluminum alloy, which has a sufficient yield strength of 145 MPa, and significantly lower density (2650 kg/m3 vs. 7850 kg/m3) and modulus of elasticity (72 vs. 210 GPa) when compared to steel, thus resulting in a smaller mass compared to more commonly used steel. The results of CAD model-based finite element analysis (FEA) of lever stress and deformation are shown in Figure 11, where the related forces and fixtures are defined by the static model in Figure 10c. The maximum stress values for long (Figure 11a) and short levers (Figure 11c) are 10.4 and 22.3 MPa, respectively, i.e., they are well within the material yield strength of 145 MPa. The corresponding maximum deformations of 0.1 mm for the long lever (Figure 11b) and 0.005 mm for the short lever (Figure 11d) indicate that the chosen design is highly rigid. It should be noted that the FEA analysis does not include dynamic or asymmetric load scenarios. It is reasoned that, based on the FEA analysis results, the design is sufficiently over-dimensioned to satisfy these more complex load scenarios.
Figure 11.
FEA results for mechanism levers for Design 1—long lever stress (a) and deformation (b), and short lever stress (c) and deformation (d).
The same aluminum alloy was chosen for most other components, most notably the base plate, the H frame, and the upper frame. Components subject to concentrated loads (mostly bearing shaft and hubs) are manufactured from carbon steel (S355) or high-strength steel (42CrMo4), depending on the stress level.
3.4.3. Cost and Volume Limitations (Requirements 17 and 18)
Design 1 is evaluated as a high-cost solution and thus unsuitable for mass production because of: (i) high-torque and high-speed requirements due to the variable transfer ratio of the Scott–Russell mechanism, (ii) application of linear guides, (iii) choice of materials (aluminum alloys and high-strength steel). It is, thus, concluded that this design is unlikely to be suitable for mass production in a medium-sized vehicle application.
The size of the developed solution mostly conforms to the target volume, except that the motor protrudes from the back due to the cable arrangement (see Figure 9c). In addition, the linear encoder and accelerometers are also positioned outside of the target volume; however, sensors are only needed for the system prototype.
3.4.4. Feet Support Placed on Suspended on Unsuspended Side (Requirement 19)
The existing feet support (see Figure 1a) is replaced with a solution that can be fixed either to the shaker top plate (unsuspended side) or to the seat itself (suspended side). The former corresponds to the situation where the feet lean against the cabin floor as in a conventional vehicle, which can disturb the passenger’s ability to perform non-driving-related tasks as the legs move for the suspended body. This is avoided in the latter case of an integral seat designed for AVs, where the whole body is suspended for more natural/effective task execution. To implement these options, the base plate and the seat frame have threaded holes that facilitate the connection of the foot support on either side of the active seat.
3.4.5. Fail-Safe Operation (Requirement 20)
The motor is equipped with a brake, which activates in the case of faulty actuator or control unit conditions, thus making the suspension rigid as in conventional seats. Another anticipated option is to avoid the use of the brake and install the suspension damper in addition to the spring (Requirement 14), so that the faulty system reduces to passive seat suspension. In both cases, the faulty conditions cannot pose a danger to the passenger, i.e., it is a fail-safe system. In the case of a spindle malfunction, i.e., if the nut is locked, the suspension becomes a rigid, fail-safe system, as well. If the passenger, for any reason, prefers the rigid seat suspension for the given driving conditions, he/she can activate the brake manually.
4. Design 2: Kempe Mechanism-Based Solution
Design 2 is based on the dual Kempe mechanism serving as the carrier (Figure 6). The spindle, powered by the rotational servomotor, serves as the actuator that runs a diamond-shaped lever connected to the Kempe mechanism.
4.1. Achieving Key Performance Requirements (Requirements 1 to 4)
The schematic of Design 2 is shown in Figure 12. Due to the volume restrictions, the spindle is again positioned along the length of the seat (cf. Figure 7). Since the actuator is now positioned perpendicular to the horizontal displacement of the Kempe mechanism, an additional diamond-shaped set of levers connects the spindle to the carrier (Figure 12a). Two opposing Kempe mechanism sets of levers are positioned on the front and back sides of the seat (Figure 12b). The outer levers are shared between the Kempe mechanisms, and they are connected to the diamond-arranged levers of the actuator.
Figure 12.
Principal schematic of the solution based on the Kempe mechanism (Design 2), back (a), front view (b) and top view (c).
The length of these additional, actuator levers is set to , and the mechanism is arranged so that the distance between the opposing joints of the Kempe mechanisms, placed on the base plate and the seat frame (see the y in Figure 12a) is equal to the distance between the joints of the diamond-arranged levers on the motor and the nut (see Figure 12c). Equations (3) and (4) apply to the Kempe mechanism, as well, with being substituted by . Since the same equations are valid for the diamond-arranged levers, one obtains and similarly . Hence, the transfer ratio , present in Equations (5) and (6), is now replaced by the constant transfer ratio equal to 1 (a linear mechanism). Equations (7) and (8) remain valid for Design 2, as well.
Requirements 1 to 4 guide the selection of motor and spindle, length of the diamond-arranged linkage (), and Kempe mechanism lever lengths (, , ), which in turn define the range of lever angles. The results shown in Figure 13 point out that the spindle and servomotor from Design 1 are satisfactory for this application for the whole operating range (Figure 13). The maximum seat force and acceleration are significantly higher than for Design 1 (cf. Figure 8), owing to the mechanism linearity (i.e., the constant transfer ratio). Hence, a significantly smaller motor and spindle than the selected ones would suffice in a vehicle application, thus promising potential for substantial savings in cost and mass. Here, the same actuator is shared for both designs to simplify switching between the designs when conducting comparative tests.
Figure 13.
Comparison of requested and achieved seat forces (a) and accelerations (b) for Design 2.
The choice of lever length affects the range of lever angle and thus the range of force F acting on the connection between the diamond-arranged levers and the Kempe mechanism. Additionally, the lever length determines the maximum vertical displacement. For the maximum suspension stroke , the length of the outer levers must satisfy to avoid the levers from reaching the upright position, i.e., mm. Note that, due to the bearing width in the joints, the actual minimum is somewhat larger. The maximum length of the levers is determined by the available volume. Longer levers lead to smaller lever angles and thus smaller forces, resulting in smaller bearings and a smaller lever cross-section, which is favorable. Hence, the longest feasible levels should be chosen. A feasible solution was found for lever length mm (Figure 14), in which case the lever angle φ is found to equal 26°, 45.8°, and 78.6° for minimum, central and maximum seat position. The main motor, coupling, and spindle axes are aligned in the central symmetry plane (Figure 14a).
Figure 14.
3D CAD model of active seat suspension assembly solution for Design 2—positioning of actuator (a), levers (b), seat frame (c), and spring (d).
4.2. Balancing of Static Mass (Requirements 5, 6, 12, and 13)
The suspension springs of Design 1 are used in Design 2, as well (cf. Figure 9c and Figure 14c), as the carrier structure fits in approximately the same volume for the two designs. Additionally, torsional springs are suitable for low-cost mass production, which aligns with the target application of Design 2. Since the springs and the seat frame are reused from Design 1 to Design 2, the fixing levers were also adopted in the same way.
4.3. Control Performance (Requirements 7 to 10)
The same two-mass elastic model is used for calculating the system natural frequencies as in the case of Design 1 (Figure 10b), except that the “” terms are omitted, and the spindle displacement equals 80 mm (instead of 42 mm for Design 1). The spindle screw stiffness is found to be in the range from 263 to 784 kN/mm, while the total spindle’s stiffness ranges from 76 to 94 kN/mm. The corresponding sprung mass and drivetrain mode natural frequencies are in a narrow range around 1.1 Hz and the range from 309 to 348 Hz, respectively.
All lever joints use deep groove ball bearings with steel labyrinth seals and factory lubrication, chosen for their balanced features: zero clearance, moderate rigidity, low friction, compact size, and low cost. Unlike in Design 1, the self-aligned bearings are not used because they are larger than standard deep-grove ball bearings. Since all levers experience axial loads, minimizing bending, it is sufficient to have a slight angular adjustment in the ball bearings for proper function.
The maximum required axial force for Design 2 is lower compared to Design 1, approximately by a factor of 3 (see Table 2). Therefore, the selected spindle model from Design 1 satisfies Design 2, as well, and is, thus, kept here to simplify switching between the two designs. The actuator Efficiency will thus be the same for both designs.
The main difference from Design 1 is the increased number of bearings due to the large number of joints; however, power is transferred in parallel over equivalent sets of joints. Hence, the single path of power transfer includes four joints: two on the diamond arranged levers, and two on the outer levers. The levers of the front and the back Kempe mechanisms do not transfer power from the actuator; they ensure pure vertical displacement. Hence, their losses are omitted herein. Preinstalled seals and grease on the bearings help minimize size and ensure consistent, low friction. Assuming that the four lever bearings (Design 2) have comparable efficiency as three two bearings and a linear guide (Design 1) results in similar efficiency for both designs, i.e., . Maximum friction losses are thus expected to be similar for both designs (estimated to 1.13 Nm in Section 3).
The lateral stiffness of a seat suspension primarily depends on the actuator and carrier levers. The actuator’s diamond-shaped levers have bearing-based joints at each end (see Figure 9a). Their design is asymmetrical relative to the central axis to avoid collisions with other levers. Lateral stiffness in the transverse direction of the entire system relates to the axial stiffness of individual levers. Since bending does not occur, high stiffness is expected. The outer levers are shaped as plates running from front to back, linking the two Kempe mechanisms. This configuration was chosen over two separate outer lever sets because it offers greater lateral stiffness in the longitudinal direction, where bending torque may occur in the case of non-uniform load of the seat, i.e., if the passenger does not sit straight.
For the prototype solutions of both Design 1 and 2 presented herein, it may be argued that manufacturing tolerances result in deviation from the straight-line motion by as low as ±0.02 mm. For a serial production version of Design 2, this deviation may be higher by an order of magnitude, which would equal around ±0.2 mm or 0.5% of the maximum suspension stroke. A more dominant influence on non-linearity is expected from bearing clearance, which is typically around 0.02 mm for a single bearing, i.e., approximately 0.1 mm for the entire set of bearings, which should be visible as backlash.
4.4. Other Requirements (Requirements 11 to 20)
The bumpers are placed on the outer Kempe levers (see Figure 14a,b). The dampers are adopted from Design 1 and positioned in parallel with the actuator (see Figure 14c). Springs, base plate, connection frame, and sensors are also transferred from Design 1.
The maximum loads acting on the levers () are determined by using the static model shown in Figure 15. The maximum load for all levers occurs in the case of minimum seat position (corresponding to ) and maximum actuator force ( N):
thus yielding N, as the FEA model input. High-strength steel 42CrMo4 and aluminum alloy 5083 were selected for the diamond-shaped and Kemper mechanism levers, respectively. The FEA results, shown in the left column of Figure 16, indicate that the maximum stress values for the diamond-arranged levers and the two forms of outer levers equal 281, 113 and 84 MPa, respectively. The higher value obtained for the diamond-arranged levers is expected for the same load due to their smaller dimensions (see Figure 9a), which is the reason why higher-strength material was chosen in that case. The calculated stresses are within the strength of the chosen materials (415 MPa for 42CrMo4 steel and 145 MPa for 5083 aluminum alloy). The corresponding low values of maximum deformations equal 0.078, 0.161, and 0.053 mm (right column of Figure 16), indicating high lever rigidity Again, it is reasoned that the ample reserve in static FEA analysis results indicates that the design is sufficiently over-dimensioned to satisfy the more complex dynamic and asymmetric load scenarios, especially since the loads were calculated for the maximum seat force rather than the required one (see Figure 13).
Figure 15.
Model for calculating forces on the levers for Design 2.
Figure 16.
Results of FEA for levers of the mechanism for Design 2—Diamond-arranged lever stress (a) and deformation (b), Upper outer Kempe mechanism lever stress (c) and deformation (d), and Lower outer Kempe mechanism lever stress (e) and deformation (f).
The dimensions, materials, and shape of the levers are a consequence of the design for maximum motor torque and the application of manufacturing technologies suitable for production of a single prototype. It may be argued that for a properly dimensioned motor and spindle, significantly lower loads would result in significantly smaller dimensions. It is reasoned that smaller dimensions combined with materials and manufacturing technologies, which are regularly employed in the production of existing automotive seats, would lead to cost-effective manufacturing of levers.
5. Electrical and Control Subsystem
This section describes hardware and software of the active seat suspension electrical subsystem depicted by the schematic in Figure 17. The emphasis is on the electric servomotor with a corresponding power converter, sensors, and basic control loops and logic including safety features.
Figure 17.
Functional diagram of active seat suspension electrical subsystem.
5.1. Overview of Electrical Subsystem
The active seat suspension system is based on the spindle drive actuator comprising a permanent-magnet synchronous servomotor (Siemens, Munich, Germany, 1FT2104-5AF10-2CB0) with the rated power of 750 W (see Table 2). The motor is driven by a power converter (Siemens, 6SL3210-1PE14-3AL1) with the rated voltage and power of 400 V and 1.5 kW, respectively. The motor is equipped with a holding brake and an absolute 26-bit rotary encoder. The encoder is connected directly to the power converter through a Siemens’ proprietary digital Drive CLiQ interface (24 V/450 mA), based on the modified 100 Mbit/s Ethernet protocol for fast, serial communication.
The controller hardware platform dSPACE MicroLabBox I has been selected for measurement signals acquisition and implementation of a real-time monitoring and control system of the active suspension system. The selected control unit provides substantial computational capability by means of a dual-core 2 GHz real-time grade processor, and as such, it can execute complex control strategies such as implicit model predictive controls. It also ensures a high level of configurability of hardware resources through a user-programmable FPGA architecture. The controller is implemented within the MATLAB/Simulink software v23.2 (2023b) environment and deployed to the dSPACE control unit by means of the Simulink Real-Time interface framework. System visualization, monitoring, control, and controller parameter setting are performed by means of an operator’s laptop equipped with dSPACE Control Desk software 25.1 (Release 2025-A).
5.2. Sensors
The seat vertical acceleration is measured by a high-precision, low-noise, DC-response, capacitive accelerometer (Kiestler, Winterthur, Switzerland, 8316A2D0B0AC03), which is mounted on the seat frame and has a measurement range of ±2 g and sensitivity of 1 V/g (Table 3). Due to the gravity acceleration component, the effective range of the sensor is 1 g in the upward direction and 3 g in the downward direction. The measurement bandwidth is 250 Hz, and the linearity is ±0.3% FSO. The accelerometer signal is sampled by a 16-bit A/D converter, which has the input voltage range of ±10 V, thus providing the acceleration resolution of 0.31 mg.
The incremental encoder emulation terminal model TM41 is connected to the power converter to convert the motor encoder information into incremental quadrature TTL signals, which can be accepted by the control unit. The emulated signals have the position measurement resolution of 16,384 ppr for nominal high-speed operation, while the resolution can be increased to 131,072 ppr for low-speed identification experiments (up to 469 rpm).
A linear incremental encoder (Heidenhain, Traunreut, Germany, LS177) is used to measure the suspension displacement and velocity. The encoder TTL output signals are directly connected to the control unit’s differential digital inputs. The zero-mark encoder output signal is used for initialization of the mechanism. The encoder position measurement resolution, after internal 10-fold signal interpolation, is 2 μm with an accuracy of 5 μm. The corresponding suspension speed measurement resolution is 4 mm/s for the control unit sampling time of 0.5 ms.
Two limit switches (Omron, Kyoto, Japan, D4C-6301; LS_up and LS_down in Figure 17) are used to switch off the motor and activate the motor brake if the actuator mechanism limit positions are reached, in order to avoid hitting the mechanical bumpers or to reduce the collision kinetic energy. The upper and lower limit switches are positioned at the ends of the actuator’s displacement range (±38 mm) to ensure their activation 3 mm before reaching the mechanical bumpers. The limit switch signals are connected to the power converter, and they activate the internal emergency stop procedure.
For monitoring purposes and offline analysis, the estimated motor torque and the measured motor speed analog signals are supplied by the power converter to the control unit.
5.3. Basic Control and Monitoring System
The active suspension servomotor is controlled by feeding the control unit-generated analog torque reference signal to the power converter TM31 extension module. The torque/current controller is implemented within the power converter CPU. The superimposed proportional-integral (PI) speed controller and the most superimposed proportional (P) position controller are implemented within the dSPACE control unit in support of the implementation of the initialization procedure (e.g., initial seat positioning) and identification tests (e.g., friction identification). Tuning and testing of these controllers is discussed in Section 6. The basic control logic generates the WDT (“Watch Dog Timer”), DRV_ENB (“Drive Enable”), and CTRL_ON (“Controller ON”) digital output signals, and acquires the power converter READY and FAULT digital inputs. The WDT signal ensures that the power converter stops the motor in the case of irregular operation of the control unit or its software (a safety feature), while the CTRL_ON indicates that the controller is online and ready to start running the system. After the power converter acknowledges its readiness by setting READY = ‘1’ and FAULT = ‘0’, the controller starts the experiment execution by setting the DRV_ENB signal to ON and the motor torque reference to zero. The control logic then starts the active suspension system initialization procedure, followed by the high-level suspension control or identification routine. The experiment automatically stops after execution of the high-level control/identification routine, or in the case of a fault condition issued by the power converter through the FAULT signal (covering activation of limit switches, as well), or after the operator’s stop command is issued or the safety switch is activated.
The system initialization procedure uses the speed controller to initiate a slow descent of the seat from its initial position (the central position if the previous experiment ended regularly) until it detects the linear encoder zero-mark position, thus resetting the position measurement counter and providing the absolute position information. Subsequently, the seat is positioned in the central position by means of the position controller, and from that position, the execution of the high-level control or identification routine starts. After this routine completes, the seat is again parked in the central position, and the power converter is commanded to stop the motor and activate the holding brake.
6. Experimental Identification
This section describes the assemblies of active suspension systems for both designs and focuses on initial system experimental identification for Design 1. Assembly was conducted on the top of the shaker from Figure 1a (not used here). The experimental identification was conducted for motor speeds up to 350 rpm, corresponding to the high motor encoder resolution (Section 5). The suspension springs are not installed for straightforward identification (unless otherwise stated). Since the emphasis is on identifying the actuator and the carrier mechanism, the experiments were conducted with no seat and passengers involved.
6.1. Assembled Active Suspension Systems
Technical drawings have been generated from CAD models shown in Figure 9 and Figure 14. The supplied and manufactured components have been assembled, as shown by photographs in Figure 18a–c for Design 1 and Figure 18d for Design 2. The corresponding video clips can be found in Supplementary Materials. The photograph of the electric compartment is shown in Figure 18e (still not fully assembled within the compartment).
Figure 18.
Photographs of Design 1 solution installed on the Shaker test rig ((a) partially assembled, (b) fully assembled, (c) back view), Design 2 solution (d) (partially assembled), and electric compartment (e) (partially assembled).
6.2. Servomotor Parameter Identification and Control
This section presents experimental identification of servomotor dynamics parameters and verification of the motor speed and position control loops.
6.2.1. Motor Parameter Identification
Prior to integrating the servomotor into the mechanical assembly, a set of open-loop experiments was conducted to identify the motor torque constant , where and denote the motor torque actual and reference values. The identification follows the procedure proposed by Deur et al. [52], with a simplification related to the assumption that the motor moment of inertia is known from the manufacturer’s catalog (see Table 3).
The considered motor starting and stopping identification experiment is illustrated in Figure 19a, including the recorded motor speed response and fourth-order polynomial-based interpolation curves. The motor torque reference equals 2.4 Nm and 0 during the starting (I) and stopping intervals (II). The interpolation corresponds to the speed interval [] to ensure operation under the constant actual motor torque, i.e., to avoid the influence of torque transients and voltage saturation effects at low and high speeds, respectively. The motor angular accelerations for the two intervals, are obtained by analytical differentiation of the fitting polynomials . The motor drag torque , including the friction and iron loss-related components, is determined from the stopping phase response and the motor rotational dynamics state equation (with 0 set) as:
and then re-expressed in speed rather than time domain, . On the other hand, the rotational dynamics state equation for the starting interval can be expressed as follows to give the torque constant:
where both and are re-interpolated to the same speed axis ω. Figure 19b,c shows the friction torque and torque constant plots obtained by using Equations (18) and (19) for different magnitudes of the motor torque reference . The fact that the torque constant curves in Figure 19c vary slightly with speed and are close to each other confirms the validity of the identification procedure. The final value of the torque constant = 1.27 Nm is obtained by averaging the identified torque constant values obtained for different torque references. This excess of 27% compared to the nominal value 1 means that it is apparently because the motor torque is declared with some reserve to ensure it would be met for a warmed and aged motor (i.e., its permanent magnets). The drag torque monotonically grows with motor speed (Figure 19b) due to the influence of bearing viscous friction component and iron losses. The maximum drag torque of around 0.112 Nm at 3000 rpm equals only 1.5% of the declared maximum torque of 7.1 Nm.
Figure 19.
Motor speed response illustration for starting and stopping identification experiment (a), identified motor drag torque vs. speed curve (b) and identified motor torque constant (c).
The current/torque control loop is a part of the power converter control system. The step response recorded using the active seat suspension control unit is shown in Figure 20. The response may be approximated by the pure delay term with a delay ≅ of 1 ms, connected in series with the first-order lag term with the time constant ≅ 0.5 ms. From the standpoint of a much slower speed control loop, this model may further be approximated by the first-order term with the time constant ≅ 1.5 ms (see Deur and Pavković, [53] and references therein). The corresponding, equivalent actuator bandwidth is larger than the required bandwidth of 30 Hz (Table 1).
Figure 20.
Recorded step response of motor current/torque control loop.
6.2.2. Motor Speed and Position Control
The PI motor speed controller is tuned according to the symmetrical optimum criterion. This tuning approach ensures a fast step response with a modest overshoot (so-called quasi-aperiodic response [53]). Since the masses of mechanism () and seat and driver () refer to the motor shaft via a variable transfer ratio of the Scott–Russell mechanism, the total motor-side inertia, varies with the H-carrier position according to Ruškan et al. [47]:
where (Section 3) is the spindle pitch and is the lever length (Section 3). The H-carrier position can be determined analytically from the reading of the motor position encoder or suspension deflection encoder (the latter approach is applied herein, see [47].
Thus, the speed controller gain is online adapted with respect to varying inertia obtained from Equation (20) (gain scheduling approach). The recorded speed control loop step response is shown in Figure 21a for the small-signal operating mode (no torque reference saturation) and kg (no seat and driver in identification). The settling time is around 20 ms. Certain pulsations superimposed on the speed response are due to the cogging (reluctance) torque, which is characteristic of permanent magnet motors.
Figure 21.
Step responses of motor (a) and position control loops (b), recorded for the assembled active suspension system.
The fixed gain of the most superimposed P position controller is tuned for the fastest aperiodic response [53]. The recorded step response shown in Figure 21b does have the aperiodic form, with the settling time of around 50 ms.
6.3. Mechanism Kinematics Characteristics
The mechanism kinematics has been identified by slowly traversing the full active seat displacement range through imposing a low-frequency sinusoidal position reference (0.5 Hz). Figure 22 shows the recorded, input-output mechanism kinematics characteristics, as well as the corresponding theoretical characteristics obtained from the following model [47]:
where is the suspension deflection measured by the linear encoder, and is the H-carrier position proportional to the motor position ( measured by the rotational encoder. Figure 22 points to a very good agreement between the experimentally recorded and theoretical kinematics characteristics. A small discrepancy observed is attributed to manufacturing tolerances and assembly-related position adjustments affecting the actual lever angles.
Figure 22.
Comparison of motor and seat kinematic variables (position (a), speed (b) and acceleration (c)) obtained experimentally and from the equations.
6.4. Friction
6.4.1. Sliding Friction
To identify the sliding friction in the mechanism, the mechanism is again moved slowly through the full stroke region by applying a sinusoidal position reference, this time with a frequency of 0.05 Hz. The low frequency is to minimize the acceleration amplitudes and, consequently, the inertial torque, so that the observed motor torque corresponds to the friction torque. Since the motor does not reach significant rotational speeds for the low excitation frequency, additional tests are conducted at higher frequencies (0.1 Hz and 0.5 Hz).
Figure 23 shows the identified sliding friction curves, referred to the motor shaft. When compared to motor-only low-speed/Coulomb friction (0.075 Nm, black line), the overall system assembly has around 2.5 times larger friction (0.19 Nm, blue line), meaning that the mechanism’s Coulomb friction contribution is around 0.115 Nm. Also, there is a notable tendency of the full system to add speed-dependent (viscous) friction (0.03 Nm per 100 rpm, red line).
Figure 23.
Identified sliding friction curves referred to the motor shaft.
6.4.2. Presliding
Accurate identification of the presliding friction behavior is essential from the perspective of friction dynamics modeling for accurate model-based friction compensation as reported by Ruškan et al. in [48]. To identify the static friction characteristic, a low-amplitude, low-frequency (0.05 Hz) sinusoidal position reference is applied to the motor position control loop around the central mechanism position. Figure 24 presents the recorded presliding friction curves (referred to the motor shaft) for different amplitudes of the position reference. Evidently, the static friction exhibits the well-known Dahl hysteresis with respect to displacement, indicating the presliding dynamics. As the position amplitude grows, the Dahl hysteresis amplitude saturates to the sliding friction level of 0.19 Nm (cf. Figure 23), meaning that the presliding is followed by real sliding for amplitudes of 3° and 4°. The presliding curve stiffness, i.e., the maximum gradient of the rising (left) branch of the Dahl characteristic, is identified to Nm/°.
Figure 24.
Identified presliding friction characteristics for different amplitudes of sinusoidal position reference excitation.
6.5. Inertia and Stiffness Parameters
6.5.1. Inertia of Mechanism
The mechanism inertia is not identified directly through an open-loop experiment, but the estimated theoretical inertia value is rather validated through verification of the speed control loop simulation model. Figure 25 compares the motor speed step responses obtained through experiment and simulation for three mechanism positions (the central, upper and lower ones). The simulation results concern the PI speed controller with fixed parameters (corresponding to the central position) and the one adapted with respect to actual inertia through the gain scheduling approach described in Section 6.2. When the gain scheduling is applied, the simulation speed response is independent of the mechanism position (Figure 25b) and corresponds very well to the corresponding experimental response (Figure 25a). The torque reference response amplitude grows with the mechanism inertia rise, similarly in simulation and experimental responses. In contrast, the simulation responses of the system with a fixed-gain controller are characterized by the influence of mechanism position (i.e., the varying inertia), which is particularly reflected in unmatched simulation and experimental torque reference responses, both in terms of amplitude and phase. Hence, the gain-scheduled controller is properly tuned, thus confirming the validity of the mechanism inertia model.
Figure 25.
Speed control loop step responses obtained through experiment (a) and simulation for cases of gain-scheduled (b) and fixed-parameter PI speed controller (c).
6.5.2. Stiffness of Mechanism
The mechanism stiffness has been identified by locking the seat frame at the central position (corresponding to ) and applying a sinusoidal motor torque reference with the amplitude corresponding to the double rated motor torque (4.8 Nm) and the frequency of 0.05 Hz. The resulting motor torque vs. motor position curve is shown in Figure 26a. The total motor displacement of rad (Figure 26a) corresponds to the actuator displacement mm, which represents the deformation of all components in the system, including the deformation of the locking mechanism, which equals mm (see Figure 26b). The net deformation of the mechanism can, thus, be calculated as while the corresponding actuator force is 7696 N (see Figure 26c). Finally, the mechanism stiffness is obtained as kN/mm, which is relatively close to the theoretically predicted stiffness range 7.9 to 9.8 kN (Section 3). It is reasoned that the discrepancy is caused by the stiffness of other components (short lever, H frame, and similar).
Figure 26.
Motor torque vs. position (a), seat position vs. motor position (b), calculated force in the x axis vs. linear displacement in the x axis, and stiffness in the x axis vs. motor position (c).
The drivetrain natural frequency, calculated from Equation (12) based on the above-identified stiffness value, falls in the range from 73 to 80 Hz, which is still quite distant from the required system bandwidth of 30 Hz. As needed, the natural frequency can be enlarged by increasing the stiffness of the most-compliant elements, including the main lever (dominant source) and the bearings. The lever stiffness can be increased by using steel instead of aluminum and/or by increasing the height of the cross-section of the lever (see Figure 9a), at the expense of increased mass and/or system height, respectively. The bearing stiffness can be increased by using preloaded (super-precision) ball bearings, which would increase the cost and possibly the system dimensions.
The averaged force vs. displacement curve (dashed-line plot in Figure 26c) shows a zero-force zone, whose length of 0.1 mm corresponds to the total backlash size. This reconstructed backlash size corresponds well with the value of 0.108 mm predicted in Section 3 for the particular design (Design 1; and similarly for Design 2 in Section 4). It may be considered small (0.125% of the full actuator stroke), which is preliminarily confirmed by no backlash-related limit-cycle behavior observed in experimental identification tests. Final confirmation can only be gained through full-size tests involving a full control system and wide operating conditions (a future work activity).
6.5.3. Stiffness of Suspension Spring
The suspension spring stiffness has been identified by repeating the sliding friction identification experiment (using the same sinusoidal position reference trajectory with the frequency of 0.5 Hz; see Section 6.4.1), but this time with the springs mounted on the mechanism. By subtracting the previously identified friction torque from the motor torque determined in the spring presence, one obtains the spring-related motor torque. Referring this torque to the seat axis, based on the kinematics model (5), gives the spring force vs. displacement curve shown in Figure 27. The same figure includes the straight line corresponding to the theoretical total spring stiffness value determined in Section 3 (9.23 N/mm vs. the required value of 10 N/mm). Note that the flat part of the shown spring characteristic presents the non-loaded part of the mechanism displacement (the spring was not preloaded in identification since there was no load on the seat frame). A good agreement between the measured spring characteristic and the theoretical (and requested) stiffness value in Figure 27 confirms that the designed spring satisfies the requirement.
Figure 27.
Identified suspension spring force vs. displacement curve.
7. Conclusions
Two designs of active seat suspension suitable for passenger cars have been presented. Design 1 is based on the Scott–Russell mechanisms and is aimed at serving as a benchmark due to its favorable performance. Design 2 relies on the Kempe mechanism and represents a low-cost solution suitable for mass production.
Both solutions have been manufactured and assembled. The functionality of Design 1 has been demonstrated through a series of identification experiments, which show that the actual system largely operates in accordance with the requirements set based on full system simulations.
Immediate next steps include (i) integration of the developed system with the shaker rig to enable experimental investigations of ride comfort enhancement through active seat suspension, (ii) experimental identification of both design solutions over the full seat force and velocity range, (iii) development of an experimentally validated control-oriented model of the system designed (see [48] for initial results), (iv) design of a low-level seat force tracking control system, aimed at compensating for the mechanism nonlinearity, inertia, and friction effects, and a corresponding high-level ride comfort control strategy (see Ruškan and Deur [47], Ruškan et al. [48], and Ruškan et al. [54] for preliminary studies), and (v) experimental verification of the overall control strategy. The high-level strategy will be based on model predictive control (MPC), which, unlike LQR, can explicitly handle the system constraints and nonlinearities for enhanced performance. The overall control system will be subject to sensitivity analysis with respect to system parameter uncertainties and associated controller calibration activity. Evaluation of the ride comfort performance and the design of advanced MPC controllers to be done as a part of future work, including experimental assessment, is intended to involve more accurate metrics employing biodynamic human body models (describing seat-to-head transmissibility) and frequency-dependent vibration sensitivity [23]. Finally, the suitability of proposed solutions for serial production will be assessed through a techno-economic analysis, with the emphasis on Design 2.
Supplementary Materials
The following supporting information can be downloaded at: https://www.mdpi.com/article/10.3390/machines14030288/s1, Video S1: Design_1_dynamic, Video S2: Design_1_spring_characterization, Video S3: Design_2_partial_assembly.
Author Contributions
Conceptualization, M.H. (Matija Hoić) and N.K.; methodology, M.H. (Matija Hoić), M.H. (Mario Hrgetić) and J.D.; software, I.R., M.H. (Mario Hrgetić) and J.D.; validation, I.R., M.H. (Matija Hoić) and J.D.; formal analysis, M.H. (Matija Hoić), I.R. and J.D.; investigation, I.R.; resources, J.D.; data curation, I.R.; writing—original draft preparation, M.H. (Matija Hoić); writing—review and editing, M.H. (Matija Hoić) and J.D.; visualization, I.R.; supervision, J.D.; project administration, M.H. (Mario Hrgetić), I.R. and J.D.; funding acquisition, M.H. (Mario Hrgetić) and J.D. All authors have read and agreed to the published version of the manuscript.
Funding
This work was supported by the Croatian Science Foundation under the project number [IP-2022-10-2894].
Data Availability Statement
The datasets presented in this article are not readily available because they are part of an ongoing study. Requests to access the datasets should be directed to Joško Deutr at josko.deur@fsb.unizg.hr.
Acknowledgments
The authors would also like to recognize the contributions of Ivan Cvok, Krunoslav Haramina, and Ivo Grđan to the collective body of knowledge and effort needed to produce this paper.
Conflicts of Interest
The authors declare no conflicts of interest. The funders had no role in the design of the study; in the collection, analyses, or interpretation of data; in the writing of the manuscript; or in the decision to publish the results.
Appendix A
Parameters of the half-car vehicle model and the associated seat suspension sub-model, used in the simulation study in Section 2, equal: kg, , kg, , N/m, N/m, N/m, , Ns/m, , , , .
References
- More, A.; Deshpande, A. A Multiple Sliding Surface based control for Active Seat Suspension System. In Proceedings of the 5th International Conference on Intelligent Computing and Control Systems (ICICCS), Madurai, India, 6–8 May 2021; pp. 641–647. [Google Scholar]
- Desai, R.; Guha, A.; Seshu, P. Modelling and simulation of active and passive seat suspensions for vibration attenuation of vehicle occupants. Int. J. Dyn. Control 2021, 9, 1423–1443. [Google Scholar] [CrossRef]
- Xie, P.; Che, Y.; Liu, Z.; Wang, G. Research on Vibration Reduction Performance of Electromagnetic Active Seat Suspension Based on Sliding Mode Control. Sensors 2022, 22, 5916. [Google Scholar] [CrossRef] [PubMed]
- Colpo, L.R.; Gomes, H.M. Performance of active control in a vehicle seat under random road excitations. Int. J. Dyn. Control 2024, 12, 3274–3288. [Google Scholar] [CrossRef]
- Pham Ngoc, D. Analyzing the influences of bus driver seat’s suspension system on driver’s comfort level and stability. Noise Vib. Worldw. 2024, 55, 618–631. [Google Scholar] [CrossRef]
- Yan, B.; Zhang, H.; Geng, Y.; Zhang, W. Vibration analysis and control of 2SPS+SR suspension seat for improving vehicle ride comfort. J. Theor. Appl. Mech. 2025, 63, 387–399. [Google Scholar] [CrossRef]
- Sebesta, K.; Zacek, J.; Salva, M. Experimental device for testing of semi-active magnetorheological damper. MM Sci. J. 2023, 1, 6407–6412. [Google Scholar] [CrossRef]
- Dong, X.; Fei, Z.; Zhang, Z.; Deng, X.; Li, P.; Liual, Q. Gray skyhook predictive control of magnetorheological semi-active seat suspension with time delay. Smart Mater. Struct. 2023, 32, 115010. [Google Scholar] [CrossRef]
- Feng, H.; Zhou, Y.; Li, S.; Cheng, G.; Ma, S.; Li, Y. Adaptive Backstepping Control with Time-Delay Compensation for MR-Damper-Based Vehicle Seat Suspension. Actuators 2025, 14, 178. [Google Scholar] [CrossRef]
- Zhao, J.; Liu, P.; Leng, D.; Zhan, H.; Luan, G.; Ning, D.; Yu, J. Prescribed Performance Control-Based Semi-Active Vibration Controller for Seat Suspension Equipped with an Electromagnetic Damper. Vibration 2023, 6, 303–318. [Google Scholar] [CrossRef]
- Wu, S.; Zhou, X.; Xu, H.; Mu, P. Structural Design and Vibration Suppression Characteristics Analysis of Semi-Active Eddy Current Damping Seat. Appl. Sci. 2025, 15, 1811. [Google Scholar] [CrossRef]
- Ramalingam, M.; Arun, K.T.; Jebaseelan, D.; Choi, S.B.; Jebaraj, C. Ride comfort analysis of vehicle seat suspension systems: A co-simulation study. Noise Vib. Worldw. 2023, 54, 498–511. [Google Scholar] [CrossRef]
- Wos, P.; Dziopa, Z. Study of the Vibration Isolation Properties of a Pneumatic Suspension System for the Seat of a Working Machine with Adjustable Stiffness. Appl. Sci. 2024, 14, 6318. [Google Scholar] [CrossRef]
- Maciejewski, I.; Pecolt, S.; Błazejewski, A.; Krzyzynski, T.; Glowinski, S. Controller of Pneumatic Muscles Implemented in Active Seat Suspension. Appl. Sci. 2024, 14, 6385. [Google Scholar] [CrossRef]
- Chen, X.; Wang, Z.; Shi, H.; Jiang, N.; Zhao, S.; Qiu, Y.; Liu, Q. Review of Agricultural Machinery Seat Semi-Active Suspension Systems for Ride Comfort. Machines 2025, 13, 246. [Google Scholar] [CrossRef]
- Ye, T.; Nguyen, V.; Li, S. Enhancing the vibratory roller’s ride comfort with semi-active seat suspension embedded by quasi-zero stiffness structure. Int. J. Dyn. Control 2023, 11, 2069–2081. [Google Scholar] [CrossRef]
- Zhan, H.; Liu, P.; Xia, X.; Ning, D.; Du, H. Modeling and Vibration Control of a Three-Degree-of-Freedom Electrically Interconnected Seat Suspension System for Heavy-Duty Vehicle. IEEE Trans. Ind. Electron. 2025, 72, 9550–9559. [Google Scholar] [CrossRef]
- Cao, J.; Liu, P.; Ning, D.; Sun, S.; Liu, G. Vibration control of the seat suspension with a magnetorheological damper-based controllable inerter. J. Vib. Control 2024, 31, 92–103. [Google Scholar] [CrossRef]
- Maciejewski, I.; Blazejewski, A.; Pecolt, S.; Krzyzynski, T. A sliding mode control strategy for active horizontal seat suspension under realistic input vibration. J. Vib. Control 2022, 29, 2539–2551. [Google Scholar] [CrossRef]
- Zhang, Y.; Ren, C.; Ma, K.; Xu, Z.; Zhou, P.; Chen, Y. Effect of delayed resonator on the vibration reduction performance of vehicle active seat suspension. J. Low Freq. Noise Vib. Act. Control. 2021, 41, 387–404. [Google Scholar] [CrossRef]
- Available online: https://www.searsseating.com/na-en/product/atlas-ii-active-vrs (accessed on 16 February 2026).
- Available online: https://www.seat-specialists.com/products/gramag-mid-back-steadyride-mr-smart-fluid-with-heat-and-vent-truck-seat.html (accessed on 16 February 2026).
- Papaioannou, G.; Ning, D.; Jerrelind, J.; Drugge, L. A K-Seat-Based PID Controller for Active Seat Suspension to Enhance Motion Comfort. SAE Int. J. Connect. Autom. Veh. 2022, 5, 189–199. [Google Scholar] [CrossRef]
- Li, W.; Du, H.; Feng, Z.; Ning, D.; Li, W. Dynamic output-feedback event-triggered H∞ control for singular active seat suspension systems with a human body model. IET Control Theory Appl. 2021, 15, 594–603. [Google Scholar] [CrossRef]
- Zhang, X.; Liu, L.; Liu, Y.J. Adaptive fuzzy fault-tolerant control of seat active suspension systems with actuator fault. IET Control Theory Appl. 2021, 15, 1104–1114. [Google Scholar] [CrossRef]
- Zhao, Y.; Zhang, Y.; Guo, L.; Ding, S.; Wang, X. Advances in machine learning-based active vibration control for automotive seat suspensions: A comprehensive review. Mech. Syst. Signal Process. 2025, 231, 112645. [Google Scholar] [CrossRef]
- Papaioannou, G.; Koulocheris, D. Multi-objective optimization of semi-active suspensions using KEMOGA algorithm. Eng. Sci. Technol. Int. J. 2019, 22, 1035–1046. [Google Scholar] [CrossRef]
- Zhang, X.; Guo, T.; Bai, C.; Nie, J. Constant-frequency control strategy and semi-active implementation of a two-stage leaf spring suspension. Control Eng. Pract. 2026, 168, 106718. [Google Scholar] [CrossRef]
- Shen, Y.; Ren, H.; Zhang, S.Y.; Lin, J.; Yang, X.; Liu, Y. Vehicle semi-active air inerter-spring-damper suspension with frequency-varying negative stiffness: Design, control, and experimental validation. Mech. Syst. Signal Process. 2026, 244, 113740. [Google Scholar] [CrossRef]
- Li, Q.; Chen, Z.; Song, H.; Dong, Y. Model Predictive Control for Speed-Dependent Active Suspension System with Road Preview Information. Sensors 2024, 24, 2255. [Google Scholar] [CrossRef]
- Abut, T.; Salkim, E. Control of Quarter-Car Active Suspension System Based on Optimized Fuzzy Linear Quadratic Regulator Control Method. Appl. Sci. 2023, 13, 8802. [Google Scholar] [CrossRef]
- Abut, T.; Salkim, E.; Tugal, H. Active Suspension Control for Improved Ride Comfort and Vehicle Performance Using HHO-Based Type-I and Type-II Fuzzy Logic. Biomimetics 2025, 10, 673. [Google Scholar] [CrossRef]
- Antonelli, M.G.; Brunetti, J.; D’Ambrogio, W.; Fregolent, A.; Nataletti, P. Development of A Digital Twin for A Hydraulic, Active Seat Suspension System. Machines 2023, 11, 708. [Google Scholar] [CrossRef]
- Zhang, X.; Liu, X.; Sun, C. Research on a novel displacement-dependent semi-active valve damping control mechanism used in the seat suspension system. Adv. Mech. Eng. 2023, 15, 4. [Google Scholar] [CrossRef]
- Davies, H.W.; Wang, F.; Du, B.B.; Viventi, R.; Johnson, P.W. Exposure to Whole-Body Vibration in Commercial Heavy-Truck Driving in On- and Off-Road Conditions: Effect of Seat Choice. Ann. Work Expo. Health 2022, 66, 69–78. [Google Scholar] [CrossRef] [PubMed]
- Papaioannou, G.; Voutsinas, A.; Koulocheris, D. Dynamic performance analysis of vehicle seats with embedded negative stiffness elements. Veh. Syst. Dyn. 2019, 58, 307–337. [Google Scholar] [CrossRef]
- Papaioannou, G.; Voutsinas, A.; Koulocheris, D. Optimal design of passenger vehicle seat with the use of negative stiffness elements. Proc. Inst. Mech. Eng. Part D J. Automob. Eng. 2020, 234, 610–629. [Google Scholar] [CrossRef]
- Papaioannou, G.; Zhao, X.; Velenis, E.; Jerrelind, J.; Drugge, L. Integrated active seat suspension for enhancing motion comfort. In Advances in Dynamics of Vehicles on Roads and Tracks II; Springer International Publishing: Cham, Germany, 2022; pp. 902–911. [Google Scholar]
- Tajdari, F.; Messiou, C.; Happee, R.; Papaioannou, G. Can Seat Suspension Mitigate Motion Sickness and Enhance Vibration Comfort While Being Driven? A Subjective Assessment of the K-Seat. 1 February 2025. Available online: https://papers.ssrn.com/sol3/papers.cfm?abstract_id=5183381 (accessed on 16 February 2026).
- Cvok, I.; Hrgetić, M.; Hoić, M.; Deur, J.; Hrovat, D.; Eric Tseng, H. Analytical and Experimental Evaluation of Various Active Suspension Alternatives for Superior Ride Comfort and Utilization of Autonomous Vehicles. J. Auton. Veh. Syst. 2021, 1, 011004. [Google Scholar] [CrossRef]
- Cvok, I.; Hrgetić, M.; Hoić, M.; Deur, J.; Ivanović, V. Design of a linear motor-based shaker rig for testing driver’s perceived ride comfort. Mechatronics 2021, 75, 102521. [Google Scholar] [CrossRef]
- Hoić, M.; Kranjčević, N.; Birt, D. Design of an active seat suspension based on a Scott-Russell mechanism. In Proceedings of the 2024 20th IEEE/ASME International Conference on Mechatronic and Embedded Systems and Applications (MESA), Genova, Italy, 2–4 September 2024; pp. 1–7. [Google Scholar]
- Hoić, M.; Kranjčević, N.; Birt, D. Design of an Active Seat Suspension Based on the Kempe Mechanism. In Proceedings of the 2024 21st International Conference on Mechatronics—Mechatronika (ME), Brno, Czech Republic, 4–6 December 2024; pp. 1–7. [Google Scholar]
- Hrovat, D. Survey of Advanced Suspension Developments and Related Optimal Control Applications. Automatica 1997, 33, 1781–1817. [Google Scholar] [CrossRef]
- Cvok, I.; Deur, J.; Tseng, H.E.; Hrovat, D. Performance Analysis of Decoupled Control of Active Chassis and Seat Suspensions. In Advances in Dynamics of Vehicles on Roads and Tracks II; Orlova, A., Cole, D., Eds.; IAVSD 2021; Lecture Notes in Mechanical Engineering; Springer: Cham, Germany, 2022. [Google Scholar] [CrossRef]
- Hrovat, D. Optimal Suspension Performance for 2-D Vehicle Models. J. Sound Vib. 1991, 146, 93–110. [Google Scholar] [CrossRef]
- Ruškan, I.; Deur, J. Acceleration feedback-based Low-level Control of an Active Seat Suspension System. In Proceedings of the 2025 International Conference on Electrical Systems & Automation (ICESA), Troyes, France, 22–24 October 2025; pp. 1–6. [Google Scholar] [CrossRef]
- Ruškan, I.; Haramina, K.; Deur, J. Feedforward-type Low-level Control for an Active Seat Suspension Servodrive System. In Proceedings of the 2025 International Conference on Electrical Drives and Power Electronics (EDPE), Dubrovnik, Croatia, 24–26 September 2025; pp. 1–6. [Google Scholar] [CrossRef]
- Zou, C.; Zhang, H.; Zhang, J.; Song, D.; Liu, H.; Zhao, W. Acceleration-Dependent Analysis of Vertical Ball Screw Feed System without Counterweight. Chin. J. Mech. Eng. 2021, 34, 65. [Google Scholar] [CrossRef]
- R999001185_2023_09_EN_Gewindetriebe.pdf. Available online: https://www.boschrexroth.com/media/8516e0f6-8d8e-47ec-9777-b3af5bac1d2a (accessed on 19 January 2025).
- Rothbart, H.A.; Brown, T.B. Mechanical Design Handbook; Mcraw-Hill: New York, NY, USA, 2006. [Google Scholar]
- Deur, J.; Kostelac, M.; Herold, Z.; Ivanović, V.; Pavković, D.; Hrgetić, M.; Asgari, J.; Miano, C.; Hrovat, D. An in-wheel motor-based tyre test vehicle. Int. J. Veh. Syst. Model. Test. 2007, 2, 252–275. [Google Scholar] [CrossRef]
- Deur, J.; Pavković, D. Fundamentals of Electrical Drive Controls. UNESCO Encycl. Life Support Syst. 2012, 6, 21. [Google Scholar]
- Ruškan, I.; Škugor, B.; Deur, J.; Cvok, I. Model Predictive Control of a Car Active Seat Suspension System. In Proceedings of the 2025 International Conference Automatics and Informatics (ICAI), Varna, Bulgaria, 9–11 October 2025; pp. 201–206. [Google Scholar] [CrossRef]
Disclaimer/Publisher’s Note: The statements, opinions and data contained in all publications are solely those of the individual author(s) and contributor(s) and not of MDPI and/or the editor(s). MDPI and/or the editor(s) disclaim responsibility for any injury to people or property resulting from any ideas, methods, instructions or products referred to in the content. |
© 2026 by the authors. Licensee MDPI, Basel, Switzerland. This article is an open access article distributed under the terms and conditions of the Creative Commons Attribution (CC BY) license.


























