Abstract
Agricultural tractors are equipped with air braking systems to supply and control the braking systems of towed vehicles. This system’s functional and operational characteristics significantly impact the compatibility and speed of the braking system of the tractor–trailer combination and are therefore checked during approval tests. This paper presents a test methodology and a description of the instrumentation and apparatus used to test the air braking systems of tractors under stationary conditions, as required by EU Regulation 2015/68. Sample test results of the trailer air supply system are included, such as checking the system for leaks, checking the pressure at the coupling heads, checking the compressor flow rate and air reservoir capacity, and checking the response time of the tractor control line. Approval authorities and tractor manufacturers can use the work results for quality control or product qualification tests.
Keywords:
agricultural tractor; pneumatics; braking system; supply unit; control unit; approval; testing 1. Introduction
The design of braking mechanisms and brake actuation mechanisms in agricultural tractor braking systems varies considerably. A variety of friction braking mechanisms are used, including band brakes, drum brakes, and multi-disc brakes [1]. High-speed agricultural tractors, travelling at speeds of up to 50–60 km/h, mainly use hydraulically actuated wet multi-disc brakes [2].
The choice of energy source and type of brake actuation depends on the design and weight of the tractor. On the smallest tractors, mechanically actuated brakes are still attractive for cost reasons [3]. Simple and inexpensive unassisted hydraulic braking systems are used on low- and medium-horsepower tractors. These systems operate at low operating pressures and require small volumes of hydraulic spreader [4]. On the other hand, higher-power tractors mainly use hydraulic systems assisted by the tractor’s power hydraulics [5,6], as well as air systems [7] supplied by a compressor.
Irrespective of the type of service brakes used, tractors are equipped with an air brake system designed to operate the air brake systems of towed trailers and agricultural machinery. Nowadays, so-called combined systems [8] are usually used, which allow for the operation of both dual-line and single-line braking systems of towed vehicles. A typical combined air system consists of two units, namely a supply unit and a control unit. The purpose of the supply unit is to condition the air and maintain adequate pressure in the tractor and trailer reservoirs to ensure the required braking performance of the trailer. The function of the control unit is to follow (track) the braking system of the towing vehicle during slow braking to synchronise the braking of the vehicle combination and to ensure a high working speed during emergency braking [9]. The main difference between control units is the type of trailer brake control valve, which may be mechanically, hydraulically, or pneumatically actuated, depending on the tractor’s service brakes [8].
For road safety reasons, newly manufactured braking systems for agricultural tractors must meet several requirements regarding their dynamic and static characteristics, which are set out in Delegated Regulation (EU) 2015/68 [10]. These requirements relate, among other things, to braking performance and dynamics (response time less than 0.6 s) and synchronising the braking of the tractor and the towed vehicle [11]. The incompatibility of tractor and trailer braking systems, causing the combination to roll over or skid during braking, was responsible for about 9.7% of tragic accidents in the UK between 1999 and 2004 [12]. Incompatibility results in accelerated wear and premature failure of the trailer’s braking system on the one hand and overload, sudden wear, and eventual failure of the towing vehicle’s braking system on the other [13]. The tractor’s braking characteristics [14] can be determined using a roller brake tester by successively applying the brakes on all axles and measuring the pressure in the trailer’s control line [15]. High-speed tractors (v > 40 km/h) should also meet the requirements for the distribution of braking forces between the vehicle axles to ensure directional stability.
The braking performance of agricultural tractors for type-approval purposes is determined during dynamic road tests [16,17]. The effectiveness of the service and emergency braking systems is based on the stopping distance, i.e., the distance travelled by the tractor from the moment the driver starts to apply the brake control until the tractor stops. Several devices can be used to measure the dynamic parameters of vehicles during braking. The most popular are GPS- and accelerometer-based devices, and the most accurate is the five-wheel [18]. The value of the stopping distance is influenced by the technical conditions of the braking system, as well as the road and weather conditions. Expressions describing the maximum stopping distance values as a function of the initial driving speed for tractors travelling at speeds up to and including 30 km/h and above 30 km/h are given in Regulation 2015/68 [10]. The effectiveness of the parking brake system is based on its ability to hold the tractor stationary on an up-and-down slope of 18%. Stationary tests of the braking performance of vehicles, e.g., during the mandatory periodic technical inspection [19], are carried out in most countries by roller brake testers [20]. The reason for this is that a stationary test on a roller brake tester is faster, safer, independent of weather conditions, and requires less space compared to a dynamic test [21]. The result of a stationary measurement is repeatable and less susceptible to subjective influence by the operator or the environment [22]. This is why manufacturers often use roller brake testers to check tractor brakes on production lines.
The static and dynamic characteristics of the tractor’s air system, which are relevant to the interaction between the tractor and trailer braking systems, are assessed in stationary tests. For approval, the pressure at the coupling heads, the compressor performance, and the capacity of the air reservoir are checked [10]. Trailer air braking systems must operate with air pressure within a specified range to achieve the required performance. The pressure range in the system is controlled by the settings of the air compressor governor, which determines when the air compressor will cut out and cut in. The air system should be sufficiently tight to prevent frequent compressor activations or excessive air loss in the reservoirs during braking. Lowering the brake pressure will result in a reduction in braking torque and an increased stopping distance [23]. The air compressor must be able to meet the demands of the air braking system and quickly return the pressure in tractor and trailer reservoirs to a normal range. This is confirmed by testing whether the air pressure rises to a specified level within a specified time. The reservoirs should contain enough compressed air to allow the brakes to be used several times with at least emergency braking performance, even if the compressor stops working. The application time of trailer air braking systems is usually longer than that of tractor brakes. Brake lag causes the trailer to generate a braking force later than the tractor, which can lead to an impact force between the vehicles and unstable situations such as folding and drifting [24]. Therefore, the response time of the trailer brake control unit is checked on in vehicles designed to tow trailers. If the transient time in the control line between the tractor and trailer systems is too long, this can lead to delayed braking, delayed release of the trailer brakes, and even damage to the tractor service brakes. Inappropriate braking of the tractor–trailer combination due to the longer reaction time of the air transmission can lead to serious road accidents [24,25].
Due to the importance of the issue of testing tractor braking systems for road safety, even before the introduction of Regulation 2015/68 EU, the authors have been involved in the development of a measurement system, mainly for road tests [17,26]. The methodology, instrumentation, and apparatus described in this article fill a gap in the literature on the stationary testing of tractor air brake systems as required by EU Regulation 2015/68. Due to the limited use of single-line systems on tractors until 2025, the focus is only on dual-line systems. The work results can be used not only by type-approval bodies but also by tractor manufacturers for quality control or product qualification tests.
The remainder of the document is structured as follows: Section 2 describes a typical combined air braking system for tractors, the programme of stationary approval tests, and the requirements and conditions for carrying out the various tests. Section 3 discusses the results of example tests on an agricultural tractor. Finally, a summary and conclusions are given in Section 4.
2. Programme and Research Methodology
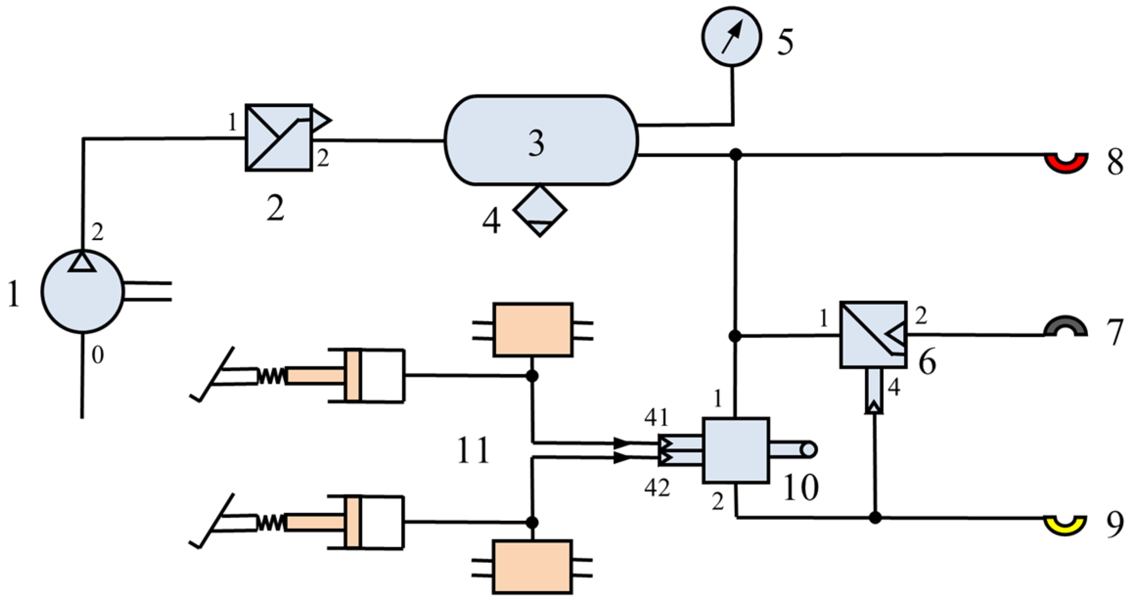
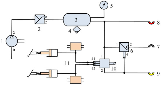
The most common tractors are those equipped with the hydraulic actuation of the service brakes. In these cases, a proportional valve 10 is used to control the trailer air braking system, which is actuated by the fluid pressure from the tractor braking system fed through two control ports 41 and 42 (Figure 1). Usually, this valve is also fitted with a hand lever mechanism to apply the trailer brakes when stationary. Rarely, hydraulically and pneumatically pilot-controlled valve 10 is used. This solution is used to increase the application rate of the trailer brakes, i.e., to improve the synchronisation of the braking of both vehicles [8]. In combination systems, reversing valve 6 is used to control the single-line trailer system. It is also possible to use an integrated trailer brake control valve, which performs the functions of valves 10 and 6 simultaneously. In dual-line systems, valve 6 is not used.
Figure 1.
Diagram of combined tractor pneumatic system with hydraulically controlled valve: 1—compressor; 2—unloader valve (pressure regulator); 3—air reservoir; 4—drain valve; 5—pressure gauge; 6—reverse trailer control valve (single line); 7—single line coupling head; 8—supply coupling head; 9—control coupling head; 10—trailer control valve; 11—tractor hydraulic braking system (based on [27]).
The programme and methodology for testing the air braking system of tractors as part of approval testing, qualification testing, or product quality control has been developed under the requirements of EU Regulation 2015/68 for agricultural and forestry vehicles [10].
The stationary testing programme includes the following:
- Checking the operating range of the unloader valve (cut-in and cut-out pressure);
- Checking coupling pressure;
- Check the tightness of the pneumatic system;
- Checking the capacity of the compressor;
- Checking the capacity of the compressed air reservoir;
- Checking the response time of the pneumatic system and the service braking system of a tractor;
- Checking the emergency brake device of the air brake system (only for tractors towing category R3 and R4 trailers).
2.1. Checking the Regulator’s Operating Range
Test conditions:
- The air pressure in the braking system should be checked with the engine running, either by applying and releasing the brakes by cycling the brake pedal or by simulating air intake by releasing to the atmosphere;
- The place for measuring the pressure is the compressed air tank; it is much easier to check the operation of the unloader valve using the pneumatic accessories shown in Figure 2. For this purpose, it is necessary to perform the following:
Figure 2. Pneumatic accessories for checking the unloader valve and the tightness of the tractor’s pneumatic system.- Connect a 500 cm3 calibration reservoir with a pressure transducer to the coupling head of the tractor’s control line (yellow);
- Connect a 385 cm3 calibration reservoir with a pressure transducer and a 2/2 solenoid valve with an adjustment throttle valve on the air outlet to the atmosphere to the coupling head of the supply line (red).
Requirements:
- After five regulator actions, the average cut-on and cut-out pressures should be within the operating range specified by the manufacturer in the tractor’s technical data (e.g., cut-off pressure 8.1 + 0.2 bar; operating range 0.6 + 0.4 bar [8]).
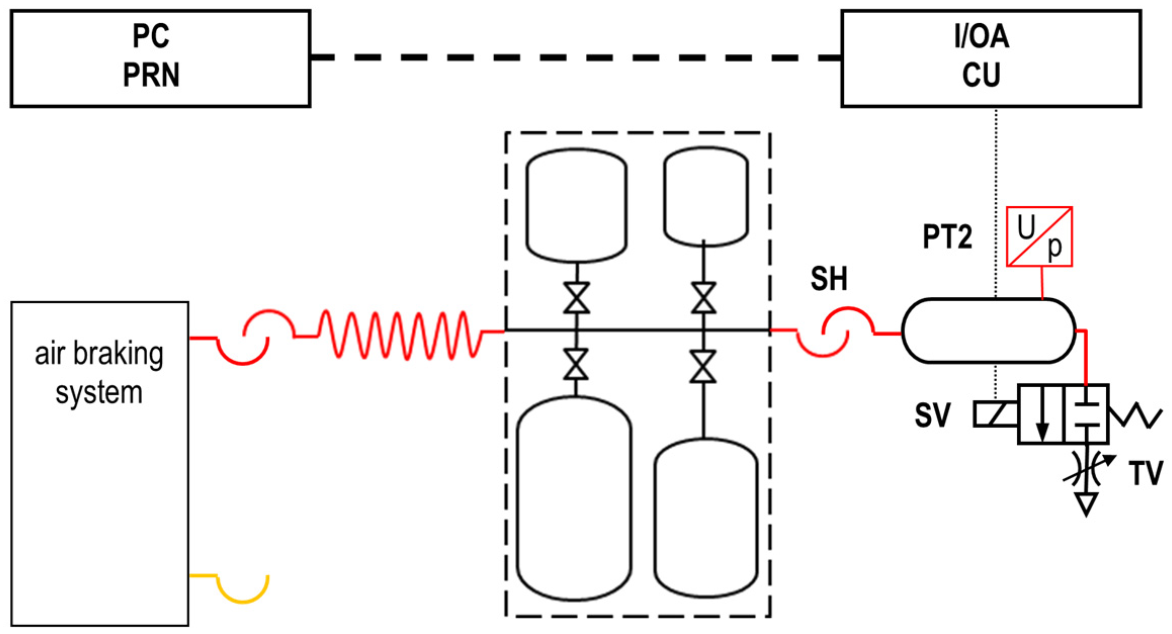
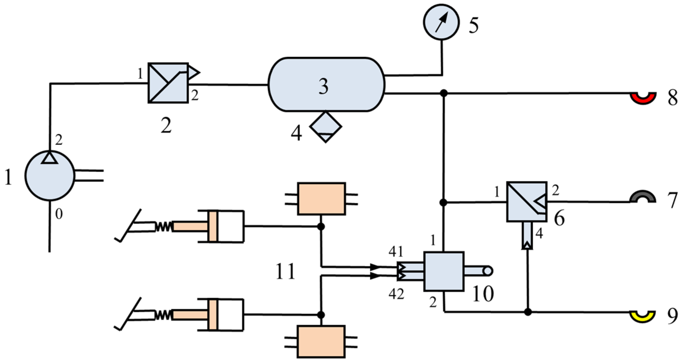
The method of connecting pneumatic accessories to the tractor system is shown in Figure 3. A control reservoir with a PT2 transducer, SV solenoid valve, and TV throttle valve should be connected to the SH coupling supply head. The throttle opening cross-section should be selected experimentally so that when the SV solenoid valve is opened, the pressure changes from minimum to maximum (compressor on and off).
Figure 3.
Connection diagram of pneumatic accessories and test equipment for testing the unloader valve, pressure at coupling heads, and leakage. PT—air pressure transducer; HT—hydraulic pressure transducer; FT—force transducer; SV—2/2 solenoid valve (NC); TV—throttle valve; CR1, CR2—calibration reservoirs with a volume of 500 ± 5 cm3 and 385 ± 5 cm3, respectively; SH—supply line coupling head; CH—control line coupling head; BA—brake actuator; PC—computer; PRN—printer; I/OA—input/output adapter; CU—control unit.
The measurement and diagnostic system consists of the following:
- PC with software for data acquisition, graphic display of results, and air system diagnostics;
- PRN printer for printing test reports;
- CU control unit with a measurement card;
- PT transducers for measuring air pressure at selected points on the pneumatic system;
- HT transducer for measuring pressure in the tractor’s hydraulic service braking system;
- FT brake pedal force transducer.
The HT transducer connected to the hydraulic circuit checks the response time of the tractor’s service brakes. The function of the input/output adapter is to supply the pressure and force transducers and to convert the voltage signals from the transducers to the measuring card. The CU controls the opening of the 2/2 solenoid valves fitted to some pneumatic accessories.
2.2. Checking Coupling Pressure
Test conditions:
- With the engine running, carry out a pressure test of the air braking system by applying and releasing the brake pedal cyclically;
- Connect test calibration reservoir CR1 with pressure transducer PT1 to the coupling head of the tractor’s control line;
- Connect a calibration reservoir CR2 with pressure transducer PT2 and solenoid valve SV to the coupling head of the tractor control line with a throttle valve on the air outlet to the atmosphere.
Requirements:
- When the brake pedal is actuated several times (e.g., 5 times), the pressure in both reservoirs should be within the regulated pressure but not outside the permissible range, which according to Wabco [28] is 7 − 8.1 + 0.2 bar.
The connection of the pneumatic accessory is the same as when checking the unloader valve (Figure 3), but this time, the SV valve is not actuated.
2.3. Checking the Tightness of the Pneumatic System
Test conditions:
- Checking for leakage is carried out when the engine is not running and the tractor brakes are released;
- Connect calibration reservoirs CR1 and CR2 to the coupling heads as shown in Figure 3;
- Set the initial pressure value in the system; if the pressure is too high, bleed the air through the throttle valve TV after opening the solenoid valve SV; if the pressure is too low, force the compressor by bleeding the air from the tank below the minimum regulated value with the engine running;
- Stop the engine with the tractor brakes released;
- Measure the drop in pressure in reservoir CR2 over a certain time.
Requirements:
- According to industry standard BN-86/3611-03 [29], the tightness of the system should be such that within 10 min, the pressure drop from the pressure measured at the supply port (CR2 reservoir) does not exceed 2% of the initial pressure equal to the minimum regulated pressure pmin;
- According to Wabco [28], a system is considered leak-proof if the pressure drop does not exceed 0.2 bar within 5 min. The maximum regulated pressure pmax is taken as the initial pressure. This test is shorter and less restrictive and can therefore be recommended for use in an industrial environment.
2.4. Checking the Capacity of the Compressor
Test conditions:
- The test shall be carried out with a dummy tank (simulating the trailer braking system) connected to the supply line and having a volume V calculated in dm3 according to the following formula:where pmax—maximum regulated pressure [bar]; R—maximum permissible mass on all trailer axles [t].V = 20 × R/pmax,
- The initial pressure of the system should be 0 bar;
- The time of filling the substitute reservoir should be measured from the moment of starting the preheated engine until the maximum pressure is reached with the engine running at the speed corresponding to its maximum power or at the speed allowed by the speed governor.
Requirements:
- The compressor capacity of tractors designed to tow trailers must be selected so that the time t1 required to fill the reserve tank is not more than 6 min in the pressure range from 0 to 65% of the minimum regulated pressure pmin and the time t2 is not more than 9 min in the pressure increase range from 0 to 100% of the minimum pressure. In the case of a tractor not designed to tow a trailer, these times are 3 and 6 min, respectively.
For these tests, a set of interconnected reservoirs (60, 40, 20, 10, and 5 dm3) with a total volume equal to or slightly greater than the calculated volume of the replacement tank can be used by opening the air supply valves to the respective tanks. A calibration reservoir CR2 with pressure transducer PT2 and solenoid valve SV should be connected to the set of tanks for draining at the end of the test. A diagram showing the connection of the reservoir kit to the coupling head of the tractor supply line is shown in Figure 4.
Figure 4.
Connection diagram for pneumatic accessories and test equipment during compressor performance testing.
In addition, industrial test check, among other things, the installation conditions of the compressor (mounting and drive), the cooling and lubrication conditions of the compressor, the suction system (vacuum up to 0.05 bar), and the discharge system (permissible pressure in the discharge line up to 0.7 bar; air temperature at the inlet of the unloader valve up to 100 °C) [30].
2.5. Checking the Capacity of the Compressed Air Reservoir
Test conditions:
- Cut off the supply to the brake system reservoir—engine stopped (compressor shaft speed nsp = 0);
- Set the initial pressure in the tractor reservoir equal to the minimum value of the regulated pressure pmin (by applying and releasing the brakes or by draining the tractor reservoir using the drain valve);
- Connect a CR1 reservoir with a volume of 500 ± 5 cm3 to the control coupling head, which must be vented before each successive braking operation; the supply line must be blanked off).
Requirements:
- In the case of tractors suitable for towing trailers, the capacity of the compressed air reservoir shall be such that after eight successive service braking operations using the full travel of the brake pedal, the pressure in the reservoir at the end of the control line is not less than half the pressure obtained after the first braking operation.
The way the apparatus is connected in this test is shown in Figure 5.
Figure 5.
Connection diagram for pneumatic accessories and test apparatus when checking the selection of the compressed air receiver.
2.6. Checking the Response Time
The response time is the time taken from the start of the brake pedal pressure to reach a certain percentage of the asymptotic pressure in the control line.
Test conditions:
- The response time of the tractor system is determined by registering pressure changes in a transducer placed at the end of a 2.5 m long 13 mm diameter pipe (imitation of the trailer control pipe connected to the control coupling head—Figure 6);
Figure 6. Pneumatic accessories for checking response time. - A calibration reservoir CR2 with a capacity of 385 ± 5 cm3 and a solenoid valve SV shall be connected to the supply coupling head of the dual-line system;
- At the start of the test, the pressure in the system should be equal to the switch-on pressure of the compressor (minimum regulated pressure pmin);
- The response time tr is obtained as a function of the actuation time tp by successive full actuation of the brake pedal, starting from the shortest possible actuation and increasing to a time of about 0.4 s; then, a graph of the response time as a function of the actuation time tr = f(tp) is plotted;
- The response time to be taken as the result of the test is the time corresponding to an actuation time tp = 0.2 s (emergency braking); this time can be obtained from the graph by interpolation.
Requirements:
- The response time of the tractor’s pneumatic braking system, measured from applying pressure on the brake pedal to the moment when 10% and 75% of the asymptotic pressure is reached in the control line, should not exceed 0.2 and 0.4 s, respectively.
The method of connecting the pneumatic equipment and accessories is shown in Figure 7.
Figure 7.
Connection diagram for pneumatic accessories and transducers during reaction time testing. CL—2.5 m pipe with 13 mm inner diameter.
This test may be combined with a check of the response time of the tractor’s service brakes (hydraulic or pneumatic). The response time of the tractor’s service braking system is from the start of brake pedal application to 75% of the asymptotic pressure in the tractor brake cylinder.
Requirements:
- The response time of the tractor’s service braking system, measured from the start of the brake pedal pressure to the moment when 75% of the asymptotic pressure is reached in the brake cylinder, must not exceed 0.6 s.
2.7. Checking the Emergency Brake Device of the Air Brake System
The emergency braking test applies to tractors designed to tow category R3 and R4 trailers. The time is measured from the start of brake pedal application until a certain pressure is reached in the supply line.
Test conditions:
- The pressure shall be measured at the end of a 2.5 m pipe with an internal diameter of 13 mm connected to the coupling head of the supply line (Figure 8);
Figure 8. Pneumatic accessories for checking emergency braking rates. - Failure of the coupling head control line shall be simulated (e.g., by connecting an open trailer control coupling);
- The pressure shall be measured when the service brake control device is actuated within 0.2 s.
Requirements:
- When one of the trailer brake control devices is fully applied (e.g., to achieve a force of 600 N on the brake pedal), the pressure in the supply line shall drop to 1.5 bar within the next 2 s; in addition, when the control device is released, the pressure in the supply line shall be restored.
The connection of pneumatic accessories is shown in Figure 9.
Figure 9.
Connection diagram for pneumatic accessories and measuring apparatus during response time testing. SL—supply line 2.5 m long with an inner diameter of 13 mm.
3. Measurement System and Sample Test Results
To implement the developed test procedure, a specialised diagnostic controller was designed and manufactured, allowing for automatic control of the test process and data acquisition. The block diagram of the controller is shown in Figure 10. An Advantech USB 4716 module was used to measure and control the test procedure. Brake pedal force (FT) and pressure sensors (PT1, PT2, and PH) were connected to the I/A input module, which acts as a power supply for the sensors and a unit responsible for reading voltages. The SV valve was connected to the O/A output module. Information about the current operating parameters of the controller is sent to a PC via a USB interface. A dedicated computer application “BRAKE.exe”, developed in the Borland Delphi programming environment, was developed to control the diagnostic device, acquire measurement data, and visualise them. This programme allows for control of the diagnostic session, the acquisition of measurements, evaluation of the operation of the pneumatic braking system, graphical presentation of the results, and printing of the test report. Each point from 2.1 to 2.7 of the developed methodology is an independent test procedure in the programme, which is carried out automatically (setting the required parameters, triggering the start of measurements, recording the measurement data, and determining the required indicators). Example windows of the application are shown in Figure 11 and Figure 12.
Figure 10.
Block scheme of I/O adapter—Advantech Multifunction USB Module 4716L. I/A—input module; I/O—output module; PSU—power supply system; SV—solenoid valve; FT—force sensor; PT1, PT2, HT—pressure sensors.
Figure 11.
Main programme window and system settings window (in Polish).
Figure 12.
Diagnostic session window for pressure regulator evaluation with report window (in Polish).
The approval test algorithm for the tractor’s pneumatic system is shown in Figure 13. The functionality of the developed measurement and control system was tested on a prototype tractor with hydraulic service brakes. The tested tractor with a permissible total weight of 6500 kg is designed to pull a trailer with a permissible weight of 16,000 kg at a speed of up to 40 km/h.
Figure 13.
Algorithm for the approval test of a tractor pneumatic system for the supply and control of trailer brakes.
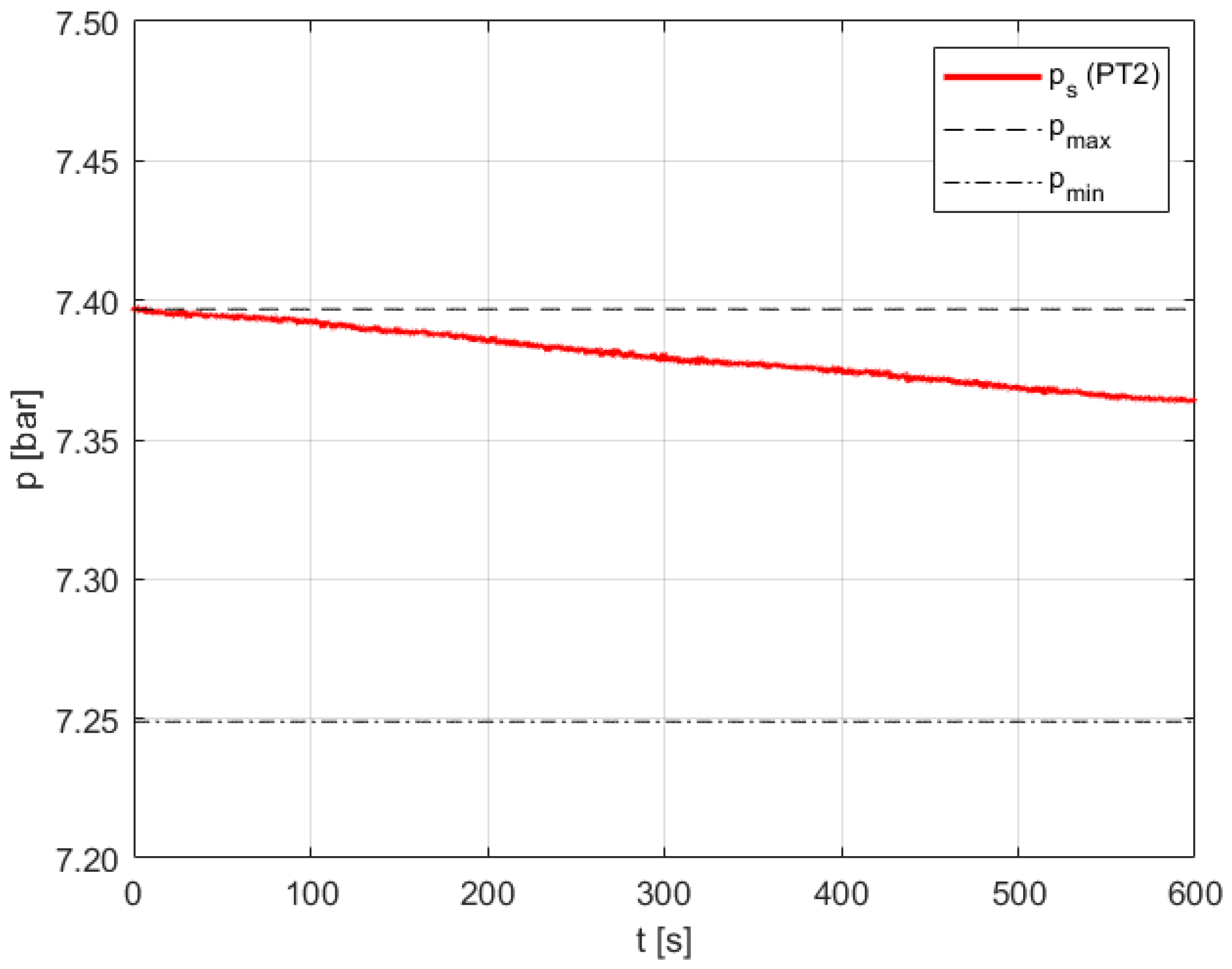
3.1. Checking the Operating Range of the Pressure Regulator
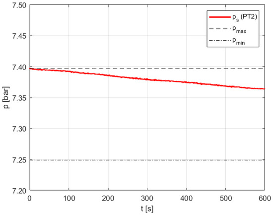
The test was carried out as described in Section 2.1. Before starting the test, the TV throttling valve was set to achieve uniform measurement cycles with clearly identified pressure regulator switching points. An example waveform of the pressure recording with the PT2 sensor is shown in Figure 14. From it, the minimum (pmin) and maximum (pmax) pressure values were determined, which are summarised in Table 1. The range of variation in the regulated pressure from 7.39 to 8.36 bar corresponds to the operating range of the unloader valve, which according to the manufacturer’s specifications, is 0.6 + 0.4 bar. However, it would be advisable to use an unloader valve with a lower cut-off pressure value, such as 8.1 + 0.2 bar [28].
Figure 14.
Examples of ps (PT2) pressure variation waveforms in the supply line when checking the operating range of the unloader valve.
Table 1.
Results of unloader valve operating range measurements.
3.2. Tightness Test
An example of the pressure waveforms at the supply line during the tightness test according to Section 2.3 is shown in Figure 15. The observed pressure drop in the tractor reservoir over 10 min, measured from the minimum regulated pressure of 7.39 bar, was 0.45% and less than 2% of the permissible value. This demonstrates the correct tightness of the tested installation.
Figure 15.
Changes in pressure ps (PT2) at the supply line during tightness testing.
3.3. Compressor Capacity Check
The test was carried out according to Section 2.4 using a connected supply line to a surrogate reservoir (simulating a trailer brake system) with a volume of V = 40 dm3 calculated according to relation (1) for a pressure of pmax = 8.36 bar and R = 16 t. An example of the pressure waveform during the filling of the surrogate reservoir is shown in Figure 16. Due to the high capacity of the compressor, only one measurement was taken. The determined filling times t1 = 132 s and t2 = 235 s confirm the correct choice of compressor for the tractor’s air system.
Figure 16.
Examples of ps [PT2] pressure waveforms in the supply line during compressor testing.
3.4. Checking the Selection of the Compressed Air Receiver
Tests were carried out as per Section 2.5. Examples of the recorded pressure are shown in Figure 17. The pressures p1 = 7.05 bar and p8 = 5.05 bar measured in the dual-line system after one and eight brake applications prove that the requirements of the standards and regulations are met. At 28.35%, the pressure drop measured after eight brakes did not exceed the permitted 50% value.
Figure 17.
Examples of pressure waveforms Fp [FT] on the brake pedal, pressure pc [PT1] in the control bus, pressure ps [PT2] in the supply bus, and pressure ph [HT] in the hydraulic system when checking the capacity of the compressed air reservoir.
3.5. Response Time Test
During the tests conducted according to Section 2.6, nine braking tests were carried out for different brake pedal application speeds, starting with the shortest possible actuation time tp up to a value of about 0.4 s. An example of the course of force on the brake pedal and pressures in the brake system is shown in Figure 18. The results of the reaction time measurements for the pneumatic system—times t10 and t75 and the hydraulic system—and time th, depending on the time tp of the build-up of the Fp force on the pedal, from 0 to 600 N are given in Table 2.
Figure 18.
Examples of the variation in force Fp [FT] on the brake pedal, pressure pc [PT1] in the control line, pressure ps [PT2] in the supply line, and pressure ph [HT] in the hydraulic system during the response time check.
Table 2.
Results of response time measurements t10 and t90 of the pneumatic and th hydraulic system.
A graphical representation of the reaction time calculations for the pneumatic and hydraulic systems is shown in Figure 19 and Figure 20. To facilitate the determination of the response times, the regression line for measurements is plotted on the graphs. For tp = 0.2 s, the following reaction times can be approximated: th = 0.1 s, t10 = 0.05 s, and t75 = 0.2 s. On this basis, it can be concluded that both the hydraulic system for the tractor’s service brakes and the air system for controlling the trailer brakes meet the speed requirements.
Figure 19.
Results of the t10 and t75 response times of the tractor pneumatic system test.
Figure 20.
Results of the test of the response time of the tractor’s service brake hydraulic system.
3.6. Checking the Emergency Braking Device of the Tractor’s Pneumatic Braking System
Tests were carried out under Section 2.7, simulating a control line failure by connecting an open trailer control connector. Figure 21 shows the recorded pressure waveforms in the supply and control bus ps (PT2), pc (PT1), ph (HT), and the pedal force Fp (FT) of the brake. A pressure drop to 1.5 bar occurred after 8.3 s instead of the assigned 2 s, indicating that the emergency braking rate requirements were unmet. This is likely to be caused by excessive linear and local flow resistance due to an inappropriate selection of pipes, fittings, or braking valves.
Figure 21.
Examples of waveforms of force Fp [FT] on the brake pedal, pressure pc [PT1] in the control line, pressure ps [PT2] in the supply line, and pressure ph [HT] in the hydraulic system during the emergency braking test.
4. Summary and Conclusions
The paper presents a detailed methodology for the approval testing of agricultural tractor braking systems, following the requirements of EU Delegated Regulation 2015/68. The proposed method includes the assessment of key technical parameters such as unloader valve operating range, air system leakage, compressor efficiency, air reservoir capacity, and braking system response time. The measurement and diagnostic system developed, supported by a dedicated computer application, allows the test process to be automated and detailed reports to be generated. The methodology can be used both for approval and qualification tests of new tractors on production lines and for periodic technical tests of tractors operated at diagnostic stations. Its implementation can contribute to the removal of vehicles with faulty braking systems from road traffic, which directly improves the safety of agricultural transport.
Conclusions:
- The proposed stationary test methodology allows for a comprehensive evaluation of the braking system parameters and complies with the legal and technical requirements for the safety of agricultural vehicles;
- The developed measurement system ensures high-precision diagnostics and reduces the risk of errors resulting from manual testing, which increases the efficiency of the testing process;
- The proposed methodology’s application in approval and qualification tests can significantly improve the quality of new series-produced tractors and ensure their compliance with safety regulations;
- The introduction of periodic technical inspections of vehicles operated as per the proposed procedures will allow tractors with defective braking systems to be removed from road traffic, thus increasing the safety of agricultural transport;
- One area requiring further research is optimising the speed of the emergency brakes, which in their current design do not fully meet the normative requirements.
Author Contributions
Conceptualization, Z.K.; methodology, Z.K.; software, J.C.; validation, J.C.; formal analysis, Z.K.; investigation, J.C. and Z.K.; resources, J.C.; data curation, J.C.; writing—original draft preparation, Z.K.; writing—review and editing, J.C. and Z.K.; visualisation, Z.K.; supervision, Z.K.; project administration, Z.K.; funding acquisition, Z.K. All authors have read and agreed to the published version of the manuscript.
Funding
This research was funded through a subsidy from the Ministry of Science and Higher Education of Poland for the discipline of mechanical engineering at the Faculty of Mechanical Engineering at the Bialystok University of Technology (WZ/WM-IIM/5/2023).
Data Availability Statement
Data are contained within the article.
Conflicts of Interest
The authors declare no conflicts of interest.
References
- Breuer, B.J.; Bill, K.H. Brake Technology Handbook, 1st ed.; SAE International: Warrendale, PA, USA, 2008; pp. 128–231. [Google Scholar]
- Podrigalo, M.; Abramov, D. Selection of tractor brake type in main phase of its design engineering. In Proceedings of the Brake Conference 2001—Brakes of Road Vehicles, Łódź, Poland, 19–21 April 2001. [Google Scholar]
- Pronar. Tractor Pronar 320AM. Available online: https://pronar.pl/en/produkt/tractor-pronar-320amk/ (accessed on 10 February 2025).
- Keyser, D.E.; Hogan, K. Hydraulic brake systems and components for off-highway vehicles and equipment. In National Fluid Power Association Technical Paper Series, I92-1.4; MICO, Incorporated: Mankato, MN, USA, 1992; pp. 1–9. [Google Scholar]
- Keyser, D.E. Full power hydraulic brake actuation, circuit design considerations for off-highway vehicles and equipment. In Proceedings of the 10th International Conference on Fluid Power—The Future for Hydraulics, Brugge, Belgium, 5–7 April 1993. [Google Scholar]
- Lin, M.; Zhang, W. Dynamic simulation and experiment of a full power hydraulic braking system. J. Univ. Sci. Technol. Beijing 2007, 29, 70–75. [Google Scholar]
- KIROVETS K-744R1, K-744R2, K-744R3, K-744R4 Tractors. Operation manual 744R-0000010 IE, Edition 2016. Available online: https://www.mtzequipment.com/sites/default/files/manuals/new_manuals/K744_Manual_2016_11052018%20.pdf (accessed on 10 February 2025).
- Wabco. Pneumatic Braking System Agriculture and Forestry. Product Catalogue, 8150100823. Available online: https://www.wabco-customercentre.com/catalog/docs/8150100823.pdf (accessed on 10 February 2025).
- Glišović, J.; Lukić, J.; Šušteršič, V.; Ćatić, D. Development of tractors and trailers in accordance with the requirements of legal regulations. In Proceedings of the 9th International Quality Conference, Kragujevac, Serbia, 4–6 June 2015; pp. 193–202. [Google Scholar]
- Commission Delegated Regulation (EU) 2015/68 of 15 October 2014 Supplementing Regulation (EU) No 167/2013 of the European Parliament and of the Council with Regard to Vehicle Braking Requirements for the Approval of Agricultural and Forestry Vehicles. Available online: https://eur-lex.europa.eu/legal-content/EN/TXT/HTML/?uri=CELEX:32015R0068 (accessed on 10 February 2025).
- Radlinski, R.W.; Flick, M.A. Tractor and trailer brake system compatibility. SAE Trans. 1986, 95, 872–895. [Google Scholar]
- Dodd, M.; Bartlett, R.; Knight, I. Provision of Information and Services on the Subject of the Performance Requirements, Testing Methods and Limit Values for Braking Systems of Agricultural and Forestry Tractors, Their Trailers and Interchangeable Towed Machinery—Final Report; TRL Unpublished Project Report, No. UPR/VE/064/07; TRL: Wokingham, UK, 2007. [Google Scholar]
- Scarlett, A. In-Service Assessment of Agricultural Trailer and Trailed Appliance Braking System Condition and Performance—HSE Research Report RR697; Health and Safety Executive (HSE Books): Bootle, UK, 2009. [Google Scholar]
- Safholland. Test Sheet for Synchronization of Braking Forces for Semi-Tractor/Trailer Combinations. Available online: https://literature1.safholland.com/sites/damedit/literature/BrakeTech_Test_sheet_for_synchronization_en-DE.pdf (accessed on 10 February 2025).
- Caban, A.; Kidawski, A.; Włodarczyk, A. Synchronization of the braking of heavy tractor-trailer and tractor-semitrailer units: Operational problems. Arch. Automot. Eng. Arch. Motoryz. 2017, 77, 17–29. [Google Scholar]
- Borawska, E.; Borawski, A. Influence of the initial speed of the agricultural tractor on the brakes heating process during emergency braking. Heat Transf. Res. 2020, 51, 967–974. [Google Scholar] [CrossRef]
- Kamiński, Z.; Czaban, J. Diagnosing of the agricultural tractor braking system within approval tests. Eksploat. I Niezawodn.—Maint. Reliab. 2012, 14, 319–326. [Google Scholar]
- Kuchar, P.; Janoško, I.; Holúbek, M.; Čedík, J.; Pexa, M. The Accuracy Assessment of Devices Used for Distance Measuring in Dynamic Vehicle Tests. Acta Technol. Agric. 2022, 25, 150–156. [Google Scholar] [CrossRef]
- Recommendation N° 8 “Brake Testing in Periodic Technical Inspection”. CITA/WG1-09-2017-110. 2018. Available online: https://citainsp.org/wp-content/uploads/2017/10/CITA_Recommendation_8_brakes.pdf (accessed on 10 February 2025).
- Kožuch, P.; Hujo, Ľ.; Muślewski, Ł.; Markiewicz-Patalon, M. Dynamic and Stationary Testing of Vehicle Braking Systems. Acta Technol. Agric. 2023, 26, 238–243. [Google Scholar] [CrossRef]
- Li, J.; Zha, X.; Wu, D. The theoretical analysis of test result’s errors for the roller type automobile brake tester. In Computer and Computing Technologies in Agriculture IV; Book series: IFIP Advances in Information and Communication Technology; Springer: Berlin/Heidelberg, Germany, 2011; Volume 347, pp. 382–389. [Google Scholar]
- Muthoriq, E.; Abidin, Z.; Hariyanto, A.; Bur, M. A method for measuring tire characteristic using brake tester. In Proceedings of the 5th International Conference on Mechanical Engineering Research, Kuantan, Malaysia, 30–31 July 2019. [Google Scholar]
- Hou, Z.; Lee, C.K.M.; Yaqiong, L.; Keung, K.L. Fault detection and diagnosis of air brake system: A systematic review. J. Manuf. Syst. 2023, 71, 34–58. [Google Scholar] [CrossRef]
- He, R.; Jing, Z. Study on braking stability of commercial vehicles. An optimized air brake system. Adv. Mech. Eng. 2019, 11, 1–10. [Google Scholar] [CrossRef]
- Aleksendric, D.; Duboka, C.; Arsenic, Z. Vehicle combination braking compatibility behavior. SAE Trans. 2002, 111, 2161–2168. [Google Scholar]
- Czaban, J.; Kamiński, Z. Performance testing of agriculture tractor braking systems. Arch. Motoryz. 2010, 1, 15–25. [Google Scholar]
- Kamiński, Z. Simulation and Experimental Testing of the Pneumatic Brake System of Agricultural Vehicles; Oficyna Wydawnicza Politechniki Białostockiej: Białystok, Poland, 2012; p. 250. [Google Scholar]
- Wabco. Air Brake System Agriculture and Forestry. Maintenance, Testing & Fault-Finding. Available online: https://www.wabco-customercentre.com/catalog/docs/8150100833.pdf (accessed on 10 February 2025).
- BN-86/3611-03; Motor Vehicles and Trailers. Brakes. General Principles of Construction of Air Transmission Devices. Przemysłowy Instytut Motoryzacji: Warszawa, Poland, 2012.
- FOS “Polmo” Łódź. Recommendations for Compressor Installation and Commissioning. Available online: http://katalog.polmo-lodz.com.pl/wp-content/uploads/zalecenia.pdf (accessed on 10 February 2025).
Disclaimer/Publisher’s Note: The statements, opinions and data contained in all publications are solely those of the individual author(s) and contributor(s) and not of MDPI and/or the editor(s). MDPI and/or the editor(s) disclaim responsibility for any injury to people or property resulting from any ideas, methods, instructions or products referred to in the content. |
© 2025 by the authors. Licensee MDPI, Basel, Switzerland. This article is an open access article distributed under the terms and conditions of the Creative Commons Attribution (CC BY) license (https://creativecommons.org/licenses/by/4.0/).




















