A Common DC Bus Circulating Current Suppression Method for Motor Emulators of New Energy Vehicles
Abstract
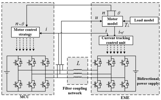
1. Introduction
2. Principles of Zero-Sequence Current
2.1. Zero-Sequence Voltage Mathematical Model
2.2. Zero-Sequence Voltage in SVPWM
| Vector Type | Vector | Switching State | |
|---|---|---|---|
| Zero vector | V0 | [0 0 0] | −1/2 |
| V7 | [1 1 1] | 1/2 | |
| Non-zero vector | V4 | [1 0 0] | −1/6 |
| V6 | [1 1 0] | 1/6 | |
| V2 | [0 1 0] | −1/6 | |
| V3 | [0 1 1] | 1/6 | |
| V1 | [0 0 1] | −1/6 | |
| V5 | [1 0 1] | 1/6 |
3. Zero-Sequence Circulating Current Suppression Method
3.1. Hybrid PWM Strategy
3.2. Current Suppression Method
4. Simulation Results
5. Experiment Results
6. Conclusions
Author Contributions
Funding
Data Availability Statement
Conflicts of Interest
References
- Chowdhury, S.; Wheeler, P.W.; Patel, C.; Gerada, C. A multi-level converter with a floating bridge for open-end winding motor drive applications. IEEE Trans. Ind. Electron. 2016, 63, 5366–5375. [Google Scholar] [CrossRef]
- Chowdhury, S.; Wheeler, P.W.; Gerada, C.; Patel, C. Model predictive control for a dual-active bridge inverter with a floating bridge. IEEE Trans. Ind. Electron. 2016, 63, 5558–5568. [Google Scholar] [CrossRef]
- Chen, M.; Sun, D. A unified space vector pulse width modulation for dual two-level inverter system. IEEE Trans. Power Electron. 2016, 32, 889–893. [Google Scholar] [CrossRef]
- Li, Q.; Wang, D.; Lin, J.; Jian, F.; Wang, Z.; Ma, C. Improving dynamic accuracy of the electric motor emulator at high speed via MIMO design method. IEEE Trans. Power Electron. 2022, 37, 14395–14407. [Google Scholar] [CrossRef]
- Lee, Y.R.; Kwon, Y.C.; Sul, S.K. DC-link voltage design of high-bandwidth motor emulator for interior permanent-magnet synchronous motors. In Proceedings of the IEEE Energy Conversion Congress and Exposition (ECCE), Portland, OR, USA, 23–27 September 2018; pp. 4453–4459. [Google Scholar]
- Zou, X.; Xiao, X.; Song, Y.; Wang, W.; Tang, C. Power electronics based permanent magnet synchronous machine emulation methods research. In Proceedings of the Chinese Automation Congress (CAC), Jinan, China, 20–22 October 2017; pp. 3492–3497. [Google Scholar]
- Luo, Y.; Awal, M.A.; Yu, W.; Husain, I. FPGA based high bandwidth motor emulator for interior permanent magnet machine utilizing SiC power converter. IEEE J. Emerg. Sel. Top. Power Electron. 2020, 9, 4340–4353. [Google Scholar] [CrossRef]
- Schmitt, A.; Richter, J.; Jurkewitz, U.; Braun, M. FPGA-based real-time simulation of nonlinear permanent magnet synchronous machines for power hardware-in-the-loop emulation systems. In Proceedings of the IECON 2014—40th annual conference of the IEEE Industrial Electronics Society, Dallas, TX, USA, 29 October–1 November 2014; pp. 3763–3769. [Google Scholar]
- Uebener, S.; Böcker, J. Application of an e-machine emulator for power converter tests in the development of electric drives. In Proceedings of the European Electric Vehicle Congress (EEVC), Brussels, Belgium, 19–22 November 2012. [Google Scholar]
- Mademlis, G.; Sharma, N.; Liu, Y.; Tang, J. Zero sequence current reduction technique for electrical machine emulators with DC coupling by regulating the SVM zero states. IEEE Trans. Ind. Electron. 2021, 69, 10947–10957. [Google Scholar] [CrossRef]
- Rovere, L.; Formentini, A.; Calzo, G.L.; Zanchetta, P.; Cox, T. Zero-sequence voltage elimination for dual-fed common DC-link open-end winding PMSM high-speed starter–generator—Part I: Modulation. IEEE Trans. Ind. Appl. 2019, 55, 7804–7812. [Google Scholar] [CrossRef]
- Priestley, M.; Fletcher, J.E.; Tan, C. Space-vector PWM technique for five-phase open-end winding PMSM drive operating in the overmodulation region. IEEE Trans. Ind. Electron. 2018, 65, 6816–6827. [Google Scholar] [CrossRef]
- Saito, K.; Akagi, H. A real-time real-power emulator of a medium-voltage high-speed induction motor loaded with a centrifugal compressor. IEEE Trans. Ind. Appl. 2019, 55, 4821–4833. [Google Scholar] [CrossRef]
- Srinivasa Rao, R.; Chaitanya, B.N.; Saichand, N.; Somasekhar, V.T. Comparative evaluation of SVPWM strategies for a dual inverter fed open-end winding induction motor drive with a single DC power supply. In Proceedings of the IECON 2014—40th Annual Conference of the IEEE Industrial Electronics Society, Dallas, TX, USA, 29 October–1 November 2014; pp. 443–449. [Google Scholar]
- Kalaiselvi, J.; Sekhar, K.R.C.; Srinivas, S. Common mode voltage elimination PWMs for a dual two-level VSI with single inverter switching. In Proceedings of the 2012 IEEE International Symposium on Industrial Electronics, Hangzhou, China, 28–31 May 2012; pp. 234–239. [Google Scholar]
- Li, Y.; Yang, X.; Chen, W. Circulating current analysis and suppression for configured three-limb inductors in paralleled three-level T-type converters with space-vector modulation. IEEE Trans. Power Electron. 2017, 32, 3338–3354. [Google Scholar] [CrossRef]
- Lin, X.; Huang, W.; Wang, L. SVPWM strategy based on the hysteresis controller of zero-sequence current for three-phase open-end winding PMSM. IEEE Trans. Power Electron. 2019, 34, 3474–3486. [Google Scholar] [CrossRef]
- Reddy, B.V.; Somasekhar, V.T. A dual inverter fed four-level open-end winding induction motor drive with a nested rectifier-inverter. IEEE Trans. Ind. Inform. 2013, 9, 938–946. [Google Scholar] [CrossRef]
- Kubo, H.; Yamamoto, Y.; Kondo, T.; Rajashekara, K.; Zhu, B. Zero-sequence current suppression for open-end winding induction motor drive with resonant controller. In Proceedings of the 2016 IEEE Applied Power Electronics Conference and Exposition (APEC), Long Beach, CA, USA, 20–24 March 2016; pp. 2788–2793. [Google Scholar]
- Zhou, Y.; Nian, H. Zero-Sequence Current Suppression Strategy of Open-Winding PMSG System With Common DC Bus Based on Zero Vector Redistribution. IEEE Trans. Ind. Electron. 2015, 62, 3399–3408. [Google Scholar] [CrossRef]
- Rovere, L.; Formentini, A.; Calzo, G.L.; Zanchetta, P.; Cox, T. Zero-Sequence Voltage Elimination for Dual-Fed Common DC-Link Open-End Winding PMSM High-Speed Starter-Generator—Part II: Deadtime Hysteresis Control of Zero-Sequence Current. IEEE Trans. Ind. Appl. 2019, 55, 7813–7821. [Google Scholar] [CrossRef]
- Mademlis, G.; Liu, Y.; Sharma, N.; Huang, X. Circulating Current Reduction in Common DC-Link Power-HIL for Drives using SVM with Zero-Sequence Compensation. In Proceedings of the IECON 2020 The 46th Annual Conference of the IEEE Industrial Electronics Society, Singapore, 18–21 October 2020; pp. 4673–4678. [Google Scholar]
- Blasko, V. A hybrid PWM strategy combining modified space vector and triangle comparison methods. In Proceedings of the PESC Record. 27th Annual IEEE Power Electronics Specialists Conference, Baveno, Italy, 23–27 June 1996; Volume 2, pp. 1872–1878. [Google Scholar]



















| Parameter | Value | Symbol |
|---|---|---|
| DC voltage | 800 | V |
| Switch time | 10 | kHz |
| Dead time | 3 | μs |
| Pole pairs | 4 | - |
| Stator resistance | 0.0125 | Ω |
| Permanent magnet flux linkage | 0.366 | Wb |
| d-axis inductance | 0.238 | mH |
| q-axis inductance | 0.238 | mH |
| Electrical angular velocity | 150 | rad/s |
| d-axis target current | 0 | A |
| q-axis target current | 100 | A |
| Parameter | Value | Symbol |
|---|---|---|
| DC voltage | 30 | V |
| Switch time | 10 | kHz |
| Dead time | 3 | μs |
| Pole pairs | 4 | - |
| Stator resistance | 0.08 | Ω |
| Permanent magnet flux linkage | 0.366 | Wb |
| d-axis inductance | 0.25 | mH |
| q-axis inductance | 0.25 | mH |
| Inductor | Algorithm | Circulating Current | Amplitude | Phase Current THD |
|---|---|---|---|---|
| Without | Without | 1.99 A | - | 25.68% |
| Without | With | 0.58 A | −70.9% | 6.79% |
| With | Without | 1.21 A | −39.2% | 15.37% |
| With | With | 0.42 A | −78.9% | 4.89% |
Disclaimer/Publisher’s Note: The statements, opinions and data contained in all publications are solely those of the individual author(s) and contributor(s) and not of MDPI and/or the editor(s). MDPI and/or the editor(s) disclaim responsibility for any injury to people or property resulting from any ideas, methods, instructions or products referred to in the content. |
© 2025 by the authors. Licensee MDPI, Basel, Switzerland. This article is an open access article distributed under the terms and conditions of the Creative Commons Attribution (CC BY) license (https://creativecommons.org/licenses/by/4.0/).
Share and Cite
Sun, H.; Wang, D.; Li, Q.; Qin, Y. A Common DC Bus Circulating Current Suppression Method for Motor Emulators of New Energy Vehicles. Machines 2025, 13, 51. https://doi.org/10.3390/machines13010051
Sun H, Wang D, Li Q, Qin Y. A Common DC Bus Circulating Current Suppression Method for Motor Emulators of New Energy Vehicles. Machines. 2025; 13(1):51. https://doi.org/10.3390/machines13010051
Chicago/Turabian StyleSun, Haonan, Dafang Wang, Qi Li, and Yingkang Qin. 2025. "A Common DC Bus Circulating Current Suppression Method for Motor Emulators of New Energy Vehicles" Machines 13, no. 1: 51. https://doi.org/10.3390/machines13010051
APA StyleSun, H., Wang, D., Li, Q., & Qin, Y. (2025). A Common DC Bus Circulating Current Suppression Method for Motor Emulators of New Energy Vehicles. Machines, 13(1), 51. https://doi.org/10.3390/machines13010051

