Abstract
Accurately predicting the drilling efficiency of rotary drilling is the key to achieving intelligent construction. The current types of principle analysis (based on traditional interactive experimental methods) and efficiency prediction (based on simulation models) cannot meet the requirements needed for the efficient, real-time, and accurate drilling efficiency predictions of rotary drilling rigs. Therefore, we adopted a method based on machine learning to predict drilling efficiency. The extremely complex rock fragmentation process in drilling conditions also brings challenges to predicting drilling efficiency. Therefore, this article went through a combination of mechanism and data analysis to conduct correlation analysis and to clarify the drilling characteristic parameters that are highly correlated with drilling efficiency, and it then used them as inputs for machine learning models. We propose a rotary drilling rig drilling efficiency prediction model based on the GA-BP neural network to construct an accurate and efficient drilling efficiency prediction model. Compared with traditional BP neural networks, it utilizes the global optimization ability of a genetic algorithm to obtain the initial weights and thresholds of a BP neural network in order to avoid the defect of ordinary BP neural networks, i.e., that they easily fall into local optimal solutions during the training process. The average prediction accuracy of the GA-BP neural network is 93.6%, which is 3.1% higher than the traditional BP neural network.
1. Introduction
In recent years, with the continuous advancement of foundation engineering, pile foundation construction equipment has received widespread attention and development. The rotary drilling rig is an ideal choice for drilling operations due to its high power and convenient use [1]. However, traditional rotary drilling machines have drawbacks, such as the construction efficiency being unstable, and the operation relies on the experience of the operator [2]. Improving the drilling efficiency of the rotary drilling rig is conducive to improving the pile-forming efficiency and reducing the construction cost, which can effectively enhance the market competitiveness of the machine. Therefore, the research on drilling efficiency has gradually attracted the attention of a large number of scholars. In order to build a complete intelligent construction system and realize the efficient drilling of the rotary drilling rig, it is necessary to predict the drilling efficiency to provide a basis for adjusting the control logic of the drilling system in advance.
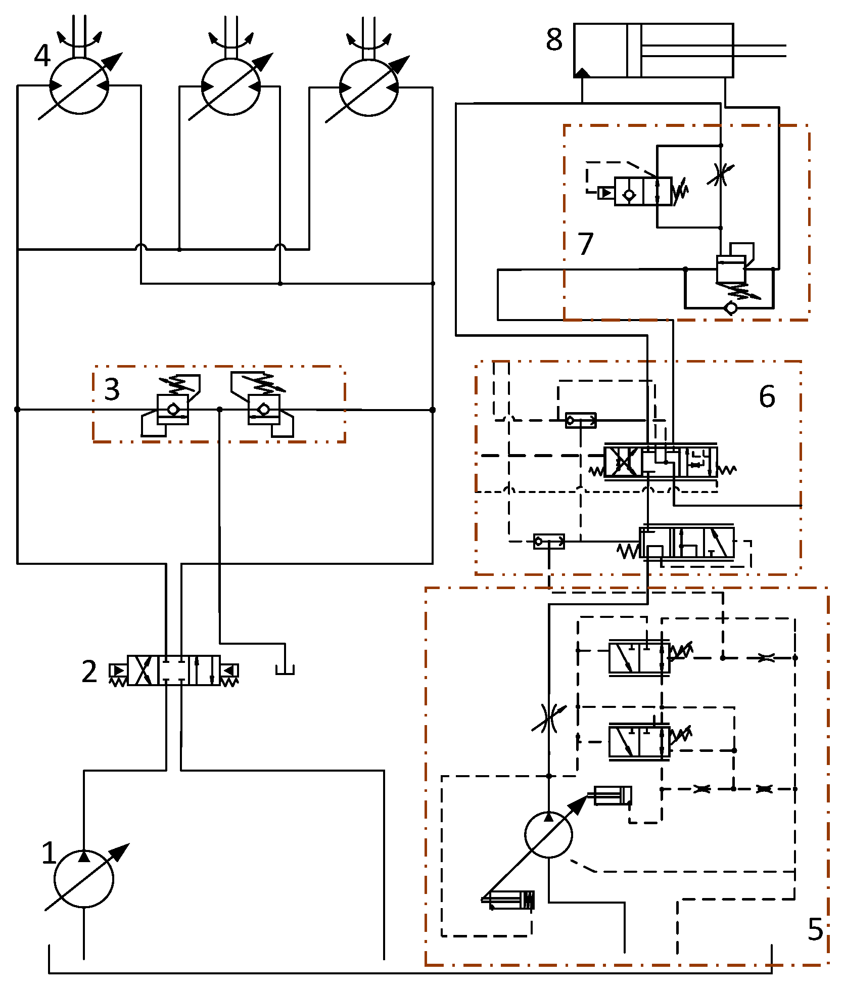
The drilling system of the rotary drilling rig mainly consists of a power head system and a pressurization system. The pressurization system provides axial force between the drill bit and the formation through the drill pipe, and the power head system provides rotary torque for cutting rock layers through the drill pipe. The control method for the power head system is to control the rotation direction by controlling the displacement of the main valve core through the handle, and the variable displacement dual piston motor provides power to the power head box, thus driving the drill pipe to perform drilling work. The control method of the pressurization system is to control the pilot current of the pressurization joint of the multi way valve through the electric control handle, thereby controlling the movement of the valve core of the pressurization multi way valve,, thus achieving the pressurization and lifting action of the cylinder. Figure 1 shows the hydraulic schematic diagram of the drilling system.
Figure 1.
Drilling system principle of a rotary drilling rig. 1. Variable pump. 2. Multi-way valve. 3. Hydraulic lock. 4. Variable motor. 5. Load sensitive pump. 6. Load sensitive multi-way valve. 7. Balance valve. 8. Hydraulic cylinder.
In order to achieve efficient rock drilling, rotary drilling rigs must have transmission mechanisms that effectively transmit high torque and pressure, as well as cutting teeth with high hardness and wear resistance. However, due to the limitations of high formation hardness and high rock strength in hard geological conditions, rotary drilling rigs generally suffer from instability and low drilling efficiency [3]. With the continuous development of testing technology, the acquisition of drilling parameters has become increasingly convenient, and an increasing number of experts and scholars have begun to focus on the study of the relationship between improved drilling efficiency and drilling parameters. The drilling conditions of rotary drilling rigs have the characteristics of time-varying load, complex coupling mechanisms between the drilling tools and rock contact, random geological changes, and the uncertain operation methods of construction operators. There is currently no research on the drilling efficiency of rotary drilling rigs, both domestically and internationally, and there is no mature method for determining the influencing factors of drilling efficiency. Therefore, there is an urgent need to propose an efficient and accurate method for predicting the drilling efficiency of rotary drilling rigs.
The multifactor, coupled time-varying loads encountered in drilling operations make the prediction of drilling efficiency complicated. As a result, researchers worldwide have put forth various approaches to tackle this challenge. Piao [4] analyzed the factors affecting drilling speed, particularly for through-hole down-the-hole hammers, and they created a prediction model using neural network theory and computer simulation. The limitation of this method is its reliance on localized geological data and drilling tool parameters, which reduces its generalizability to other, different geographic regions. Lv et al. [5] presented an improved cuckoo search optimization method using stacking ensemble learning and an adaptive step size strategy. This method considers multiple factors such as geological features, personnel operations, environmental conditions, and mechanical characteristics. However, the prediction is made on a per-hole basis, which might not suffice for real-time efficiency predictions. Hegde et al. [6] compared physics-based and data-driven modeling approaches for drilling efficiency prediction. The data-driven model offered more accurate predictions and better fitting. The robustness of the predictions was also addressed by calculating the uncertainty in the mechanical drilling rate (confidence intervals). Nevertheless, data-driven models may overlook the underlying physical processes, potentially missing systemic causes of variations in efficiency. Oparin et al. [7] determined the primary determinants for the drilling machine rate and presented a dimensionless energy criterion for rock destruction. However, their method primarily considers rock breakage mechanisms and does not fully account for the complexities associated with rotary drilling machines. Gan et al. [8] developed a novel intelligent predictive model for drilling efficiency, which consists of three stages: noise filtration through wavelet filtering, the selection of model inputs using the mutual information method, and the hyperparameter optimization of a support vector regression model using a bat algorithm. This approach, though innovative, requires substantial computational resources, and it focuses on data variance correlation without a systemic mechanistic understanding. Each of these methods contributes to the collective effort to predict drilling efficiency more reliably and accurately. Nevertheless, each approach has its drawbacks that need to be addressed to improve the models. Integrating the understanding of physical processes with data-driven techniques could help improve prediction accuracy while ensuring that the models are relevant across different drilling conditions and environments. Furthermore, enhancing real-time data processing capabilities could lead to the development of models that can provide instant feedback to operators, optimizing drilling operations dynamically as conditions change.
There is currently no research on predicting the drilling efficiency of rotary drilling rigs, and most experts and scholars have demonstrated shortcomings in the application of research on predicting the drilling efficiency of drilling machinery and equipment in the field of rotary drilling rigs, such as the incomplete consideration of factors, weak universality, low computational efficiency, using a single prediction method, and unclear mechanism analysis. There is currently limited research on predicting the drilling efficiency of rotary drilling rigs, and most of them use traditional interactive experiments to determine the factors that affect drilling efficiency. Simulation models are used to predict drilling efficiency, but this method is difficult to use effectively when fully considering the effects of time-varying loads, machine rock coupling mechanisms, and rock layer conditions on prediction. With the continuous development of artificial intelligence technology, using machine learning methods to solve problems in the traditional mechanical industry has become a hot research topic. For the prediction of the drilling efficiency of rotary drilling rigs, we need a relatively stable model, and we also need to strive to improve prediction accuracy based on it. Therefore, a BP neural network can meet the requirements of the prediction model. However, regarding the shortcomings of a BP neural network—such as low training efficiency, slow convergence speed, and easily falling into local minimum values—a genetic algorithm was used to optimize the initial weights and thresholds of the BP neural network in order to avoid falling into local minimum values and to improve the training and prediction efficiency of the model.
Feng et al. [9] highlighted the high dependency of a BP neural network on the initial weights and biases during training, suggesting that the inaccuracy of these initial values could lead to low precision in network evaluations. Deng et al. [10] pointed out that, concerning the prediction of elements in water, global optimization is difficult to achieve due to the intrinsic weaknesses of the BP neural network, such as its propensity to fall into local minima; therefore, its good predictive performance is limited to internal validation, and it is not suitable for practical application. To resolve this flaw in the BP neural network, the authors established an RBF (radial basis function) neural network model to address the deficiencies present in ordinary BP neural networks during prediction. Wang et al. [11] proposed that there are several limitations inherent to the BP algorithm, including the contradiction between learning rate and stability, the possibility that training results could be a local minimum, and the lack of an effective method to identify the number of hidden neurons in a BP neural network. Yea et al. [12] also mentioned the slow convergence, fluctuations, and oscillations of BP neural networks, alongside their vulnerability to being trapped by local minima, and their difficulty in determining network structure as inherent defects. The authors employed an improved LM-BP (Levenberg–Marquardt back propagation) neural network to mitigate the error rates of their models.
In summary, there is no research on predicting the drilling efficiency of rotary drilling rigs both domestically and internationally. In actual construction, only rough estimates of drilling efficiency are made based on operator experience during the drilling process. With the development of intelligent construction, higher requirements have been put forward for prediction accuracy and real-time prediction. This paper has accumulated a great deal of construction data based on actual construction sites and equipment. Starting from the drilling driving system mechanism of rotary drilling rigs, a mechanism model of the interaction between rotary drilling rigs and rocks was established based on theoretical knowledge such as rock mechanics, contact mechanics, and elastic–plastic mechanics. This was achieved by considering the changes in drilling tools and strata over a long time scale, the randomness of operator operation habits, and the coupling between drilling tools and strata. The impact of factors such as relationships on drilling efficiency clarifies the input and output parameters of the efficiency prediction model from the perspective of qualitative analysis of system mechanisms. Aiming at the various shortcomings of BP neural network in prediction problems, a traditional BP neural network optimization method based on a genetic algorithm and particle swarm optimization algorithm is proposed. Before training the BP algorithm, the global optimization ability of the improved algorithm was used to optimize the weight and threshold of the BP neural network, thus preventing the BP neural network from getting stuck in local optimal solutions during the prediction process and improving the accuracy of drilling efficiency prediction. As a result, the average prediction accuracy of the GA-BP prediction model was able to reach 93.6%.
2. System Description and Modeling
2.1. The Rock Bit Interaction Model for Rotary Drilling Rigs
In the realm of rock mechanics, the repercussions of cutting a rock extend beyond mere physical alteration; they encompass both plastic and brittle forms of damage. This concept was elucidated by Che et al. [13], who delved into the intricacies of rock crushing theory, thereby unraveling the underlying principles governing rock damage. Within this framework, they furnished comprehensive formulations encapsulating two pivotal force components intrinsic to rock cutting: the cutting force and the thrust force. These forces, acting, respectively, along and perpendicular to the cutting direction, play a pivotal role in delineating the dynamics of rock deformation. Transitioning to the domain of rotary drilling rigs, the interplay of forces assumes a nuanced manifestation. Here, force , emanating from the pressurization system, synergizes with torque , which is exerted by the power head system. This gives rise to penetration force and cutting force , which achieve rock crushing drilling.
As the drilling tool engages the rock surface, it imposes an intrusion force, denoted as ; this represents a pivotal facet in the mechanics of rock penetration. Underpinning this analysis, is the assumption of uniform stress distribution within the rock mass, disregarding extraneous factors such as the dimensions of the drilling tool and the inherent weight of the rock itself. This simplification enables a conceptualization of the stress state to prevail at any point within the rock, which can be vividly illustrated through the stress diagram depicted in Figure 2.
Figure 2.
Effects of intrusion forces.
The rock surface is subjected to cutting force from the drilling tool. Disregarding the size of the drilling tool and the self-weight of the rock mass, the stress state at any point within the rock can be equated to the stress sketch shown in Figure 3.
Figure 3.
Cutting force action diagram.
The positive and shear stresses are generated by intrusion forces , and cutting forces exceed the ultimate compressive and shear strength of the rock, i.e., where the soil body is damaged and rock cutting is realized.
To rigorously evaluate the determinants involved in the drilling process, a study was carried out employing a truncated tooth-engaging rock fracturing process. This led to the derivation of a dynamic model that characterizes the interaction between a solitary truncated tooth and rock. The necessary condition for the pick to penetrate and break the rock is that the force applied in the normal direction of the pick can make the stress in the contact area between the tip of the pick and the rock reach or exceed the uniaxial compressive strength of the rock. The condition for achieving effective rock penetration can be mathematically formulated as follows:
Shear damage to a rock mass is precipitated when the net force exerted equates to the cumulative resistance presented by the shear surface at the point of failure. This condition is quantified by satisfying the subsequent equilibrium equation:
It can be seen from the analysis of the single-tooth detritus interaction model that, given a fixed scenario where the characteristics of the drilling implement and the geological stratum are predetermined, the predominant influencing factor enabling the intruder to fracture the rock is, principally, exerted force , and the influencing factor of the cutting to break the rock are the two parameters of exerted force and cutting force . Figure 4 is a three-dimensional schematic diagram of single tooth cutting.
Figure 4.
Three-dimensional schematic of a single truncated tooth cutting.
Taking the barrel drill as an example, the exerted force and the cutting force of a single cutter are obtained by neglecting the energy loss in the torque transfer process due to the pressurization force.
where is the number of cut-off teeth of the tool and R is the radius of the tool.
The principal determinants influencing the efficacy of cutting and fragmenting processes include the output torque of the drilling apparatus’s power head motor and the output pressure of the pressurized cylinder.
2.2. Mathematical Model of a Pressurization System
The pressurization apparatus within a rotary drilling rig may be conceptualized as an asymmetric hydraulic cylinder configuration. Our objective is to formulate a comprehensive mathematical representation of this system with the intent of scrutinizing the influence exerted by the spectrum of parameters inherent to the pressurization dynamics on the overall drilling effectiveness. Such analytical scrutiny is anticipated to facilitate the delineation of critical input variables for a neural network architecture, which are then subsequently devised to serve as a sophisticated predictive framework for drilling efficiency.
The asymmetry in the piston rod action area between the superior and inferior chambers of the cylinder results in a discontinuous flow profile. Hence, it is essential to construct separate flow equations for both the inflow and the outflow circuits linked to the auxiliary valve. This approach will enable a precise characterization of the dynamic fluid behavior within each segment of the system.
where and denote the flow rates for the rodless and the rodded chambers of the pressurization cylinder, respectively; represents the area gradient of the auxiliary valve orifice in the pressurization unit; xv refers to the displacement of the valve spool of the pressurization auxiliary valve; signifies the supply oil pressure; and and designate the pressures within the rodless and the rodded chambers of the pressurization cylinder, respectively.
To construct the flow equation for the pressurized cylinder, we carried out the following equations:
where is the internal leakage coefficient; is the external leakage coefficient; and are the volumes of the rod and rodless chambers of the pressurized cylinder, respectively; and is the elastic modulus of the hydraulic fluid.
To construct the force balance equations for pressurized cylinders, we carried out the following equation:
where and are the pressurized cylinder rod chamber and rodless chamber pressure area, respectively; is the pressurized cylinder piston displacement; is the pressurized cylinder piston mass; is the pressurized cylinder and the viscous damping coefficient of the load; is the spring stiffness of the external load; and is the external load force acting on the pressurized cylinder.
2.3. Mathematical Model of a Power Head System
The power head system of a rotary drilling rig can be likened to a valve-controlled motor system. As understood from the rock-breaking mechanics, the cutting torque provided during the drilling process is one of the critical elements affecting drilling efficiency. Consequently, it is crucial to develop a state space model for the power head system to delve into its dynamic properties and understand the correlation between the major performance parameters and the power head’s output torque.
By analyzing the working principle of the slide valve, the flow continuity equation of the slide valve is established as follows:
The linearization for flow continuity equations can be expressed as
where is the load flow rate; is the area gradient of the powerhead main valve orifice; is the load pressure; is the flow gain; is the flow pressure coefficient; and is the spool displacement of the powerhead main valve.
Constructing the powerhead motor flow equation can be expressed as
where is the power head motor inlet flow; is the power head motor displacement; is the power head motor angle; is the total leakage coefficient; is the total compressed volume of the power head motor; is the power head motor inlet pressure; is the modulus of elasticity of the hydraulic fluid; is the external leakage coefficient of the power head hydraulic motor; and is the internal leakage coefficient of the power head motor.
Constructing force balance equations for power head motors can be expressed as
where represents the total inertia of the powerhead motor’s output shaft; is the viscous damping coefficient between the powerhead motor and the load; is the torsional spring stiffness of the external load; and is the external load moment acting on the output shaft of the powerhead motor.
This can be obtained from Equation (9) to Equation (14):
2.4. Qualitative Analysis of a Drilling Efficiency Mechanism
Currently, traditional computational methods addressing specific engineering challenges typically resort to sampling techniques to estimate the interrelationships among calculation parameters. However, the stability and precision of these computational results heavily rely on the quality of the sample data. This paper analyzes the factors affecting the drilling efficiency of rotary drilling rig systems, employing insights from the drilling mechanisms of the rigs and the principles underpinning the hydraulic system within the drilling apparatus.
An analysis of the rock-breaking model based on the interaction between the rotary drilling rig and the rock formation revealed that the primary factors influencing the cutting and rock-breaking process are the torque output from the power head motor and the pressing force exerted by the thrust cylinder.
Analyzing the mathematical model of the drilling hydraulic system revealed that several key factors influence the output torque of the power head motor. These include the rotational speed and angle of the power head, the pressure in the motor chambers, as well as the intrinsic parameters of the hydraulic system itself. Meanwhile, the output force of the pressurized cylinders is primarily determined by controllable factors such as the cylinder speed, the cylinder displacement, and the pressure within the cylinder chambers. However, it should be noted that any changes in cylinder speed and displacement are largely driven by drilling efficiency, which, in turn, exerts a minimal effect on the cylinder’s output force under practical conditions.
Theoretically, drilling speed is directly proportional to the rotational speed of the power head—implying that a faster rotational speed should result in quicker drilling. Nonetheless, during actual construction, the most efficient drilling requires maintaining the rotational speed within a reasonable range that is specific to the geological formation being penetrated. Exceeding this optimal range can lead to a decrease in drilling efficiency. Moreover, as drilling depth increases and the geological characteristics of the rock strata vary, particularly in harder formations, an excessively rapid rotational speed can cause a rapid heating of the drill bit during penetration. This, in turn, accelerates the wear and tear on the bit and can make it difficult for the drill bit to effectively embed into the rock, thereby diminishing the overall efficiency of the drilling operation.
The hydraulic system’s flow rate is a pivotal parameter that dictates the speed of the system; the power head speed itself is contingent upon the hydraulic pump’s output flow. Given a certain pump displacement and overall efficiency, the engine speed emerges as the critical determinant of the pump’s output flow; hence, it is a contributing factor to drilling efficiency.
Additionally, the appropriateness of the drilling tools must be taken into account when drilling through various strata and at different depths. Utilizing small-sized drilling tools at shallow depths in softer formations can compromise drilling efficiency. Conversely, employing large-sized drilling tools at deeper depths in harder formations may result in inadequate drilling results. Consequently, the selection of drilling tools is a considerable factor that influences the overall efficiency of the drilling process.
A qualitative analysis of the drilling efficiency mechanism suggests that this efficiency correlates with several parameters: the rotational speed of the power head, pressure in the pressurized cylinder’s large and small chambers, pressures at the A and B ports of the power head’s motor, the engine’s rotational speed, the drilling depth, and the type of drilling tools employed. These elements collectively determine the drilling system’s performance and are essential for optimizing the drilling operations.
3. Data Preprocessing and Feature Extraction of the Drilling System
3.1. Data Sources
This article relies on the construction of the New Hefei West Station Comprehensive Development Zone and East Square project, and it used the 405 rotary drilling rig for dry-hole drilling the support piles at the construction site. During the pile driving process of the rotary drilling rig, the first step was to excavate 3 m downward and to expand the pile hole to a diameter of 1.5 m. Then, the 1.5 m-diameter casing was pressed into the pile hole for wall protection. A drill bucket with a diameter of 1.2 meters is used for drilling operations from around 0–26 meters. After 26 m, a 1.2 m-diameter cylindrical drill was replaced for the drilling operations to the designed hole depth. Among them, the pile diameter was 1.2 m, the pile depth was 30.5–31.5 m, and a machine lock drill rod was used, with a model of Φ 580 × 4 × 19 and a weight of about 20.2 tons. The drilling tool was a 1.2 m, rock-embedded, and double-bottom straight-tube sand bucket, and a 1.2 m-toothed cylinder drill.
The engineering data of the rotary drilling rig mainly rely on the SoMateDAQ acquisition instrument to collect the parameters of the various systems of the rotary drilling rig. This article collected data from two adjacent pile holes, and the geological information of the two pile holes was essentially consistent. The depth of each pile hole was 30.5–31.5 m. A total of seven signal sources were collected, including the pressure of the large and small chambers of the pressure cylinder, the inlet and outlet pressure of the power head motor, the power head speed, the drilling depth, and the engine speed. Among them, the moderately weathered and strongly weathered rock layers at a depth of about 22 m in Hole 1 were selected for model training, and the moderately weathered and strongly weathered rock layers at a depth of about 22 m in Hole 2 were selected for subsequent experimental verification. Table 1 shows the obtained dataset and data processing methods.
Table 1.
Test dataset.
3.2. Data Frequency Reduction in Drilling System Engineering Data
In the current setup, the various components of the rotary drilling rig communicate using the CAN (controller area network) protocol, operating at a modest frequency of 5 Hz. However, the onboard data acquisition instruments designed to collect host data operate at a significantly higher frequency of 200 Hz. Figure 5 shows the redundancy of winch depth data. This disparity in data acquisition frequencies can lead to both redundant data collection and synchronization issues. The excess of redundant data not only results in the unnecessary consumption of storage space, but also substantially diminishes the efficiency of the data processing. Moreover, it escalates the costs associated with data management and maintenance.
Figure 5.
Display of the windlass depth data redundancy.
The frequency mismatch between different datasets hinders the practical usability and shareability of the data. Additionally, it complicates the timely and accurate updating and alignment of the data according to real-world or scheduled timelines. To address these issues, it is imperative to align the data collection frequencies before the data processing stage, ideally by downscaling the acquisition frequency to synchronize with the transmission capability of the CAN protocol, thereby enhancing overall data integrity and management.
To reduce the data redundancy and improve the data value, the rotary drilling rig engineering data are processed with frequency reduction from 200 Hz to 5 Hz, which greatly reduces the data volume and improves the data processing speed. The data can still accurately respond to the data characteristics in the drilling process after the data frequency reduction, which ensures the sample size under a certain time scale, and it can realize the prediction of drilling efficiency under a time scale of seconds. Figure 6 shows the single bucket winch depth after frequency reduction.
Figure 6.
Single bucket winch depth after frequency reduction.
3.3. Data Extraction of the Drilling Condition
As the time-domain signal contains the state information of different physical properties, it is not suitable to use all the structural parameters to learn the characteristics of a specific signal [14]. Therefore, it is necessary to further extract the characteristic data of rotary drilling rigs in different construction stages. Figure 7 shows the division of drilling stages.
Figure 7.
Drilling stage division diagram.
In the construction process of the rotary drilling rig, the complete construction data contain the stage of winch lowering, the stage of hole pairing, the stage of drilling, the stage of winch lifting, and the stage of dumping soil.
Among them, the other phases of the working conditions, except the drilling phase, are not involved in the destruction of the rock, so they are eliminated for the other phases to avoid the influence of the depth change in the non-drilling phase on the calculation of the drilling efficiency.
First of all, the torque of the powerhead and the winch depth is taken as the data extraction basis for the drilling conditions of the rotary drilling rig. Moreover, it is stipulated that, in the drilling stage, the pressure of the motor inlet is to be above 50 bar, the pressure of the motor outlet to be below 50 bar, the pressure of the motor inlet should always greater than the pressure of the motor outlet, and the data section of a more than 1 m winch depth is the data extraction basis for the single-bucket drilling stage of the rotary drilling rig. After extracting the drilling stage, because this paper only analyzes and researches the drilling condition of the rock layer, the drilling data of the soil layer and the pebble layer need to be eliminated. Figure 8 shows the results of drilling depth removal.
Figure 8.
Final rejection results of the drilling depths.
3.4. Normality Test of Drilling Features
The dataset in question was rigorously processed and subsequently subjected to correlation analysis to discern the key factors that affect drilling operations. This analysis culminated in the determination of essential input variables, which were incorporated into the algorithm designed to predict drilling efficiency.
Correlation analysis is a sophisticated multivariate statistical technique employed to investigate the relational dynamics between two distinct sets of variables. This analytical method quantifies the strength of the linkage by connecting these variable groups. Within the scope of this study, the dataset chosen for correlation analysis originated from rock drilling records. To ensure analytical precision, the dataset was refined by omitting the entries associated with winch maneuvers, which encompass lifting and lowering, as well as the disposal of excavated material during the drilling process. The focus was, therefore, placed solely on the data corresponding to the drilling phase itself. Through this targeted analysis, the average correlation value between each drilling-related parameter and the drilling efficiency was ascertained for each data subset. Table 2 shows the statistical correlation values of each parameter.The computation of correlation in this study was carried out utilizing the Pearson correlation coefficient, which is defined by the following mathematical expression:
where denotes the total inertia of the powerhead motor’s output shaft; is the viscous damping coefficient between the powerhead motor and the load; is the torsional spring stiffness of the external load; is the external load moment acting on the output shaft of the powerhead motor; is the Pearson coefficient correlation value; n is the total number of samples; is the characteristic variable; and is the target value.
Table 2.
Calculation of the correlation parameters.
4. Neural Network Algorithm
4.1. The Basic Principle of a Neural Network Algorithm
A neural network algorithm emulates the operational principles of biological neural architectures. Within the application of a neural network, each neuron receives input signals from its presynaptic counterparts. Subsequently, these inputs undergo a weighted summation, reflecting the significance of each signal as determined by the neuron’s synaptic strength. The resultant aggregated value is then processed through an activation function, yielding an appropriate output. This output is disseminated through the intricately structured network topology, thus ultimately contributing to the network’s final output, which correlates with the intended target value [15]. Figure 9 shows the artificial neuron model.
Figure 9.
Artificial neuron model diagram.
The training of a BP neural network necessitates the configuration of a stationary learning rate. An excessively diminutive learning rate can lead to negligible gradient descent values throughout the training phase, thereby decelerating the convergence process. Another limitation of the conventional BP algorithm is its propensity to become ensnared in local minima, posing challenges in ascertaining the global optimum, particularly within the context of predictive modeling. In the present investigation, the neural network model, during its learning phase, failed to converge to the global minimum, settling instead for a local minimum. To address this issue, this article selects two representative global optimization algorithms: a genetic algorithm and particle swarm optimization algorithm. Among them, the genetic algorithm has a relatively strong global search ability as it can consider multiple solutions at the same time, improve computational efficiency, and dynamically adjust the distribution during the search process, thereby increasing the probability of finding the global optimal solution and improving model prediction accuracy. Compared to other optimization algorithms, particle swarm optimization has relatively simple rules and a faster convergence speed.
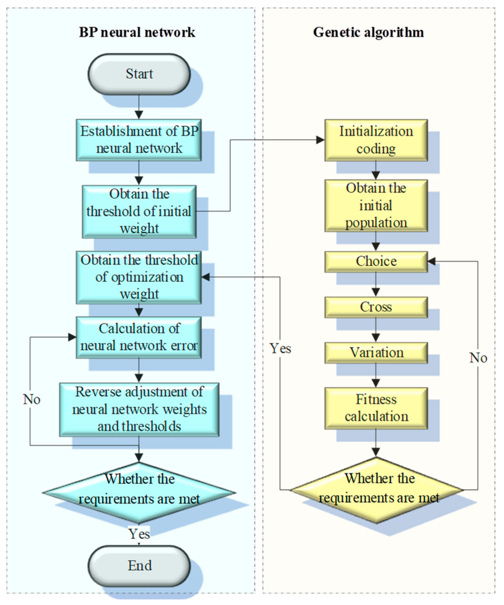
4.2. GA-BP Neural Network Algorithm
The application of genetic algorithms to optimize BP neural network models predominantly targets the initialization of weights and biases [16]. By employing genetic algorithms, optimal settings for these parameters can be discerned. A genetic algorithm optimization leverages the foundational architecture of a BP neural network by focusing on fine tuning the synaptic weights and biases—elements that are integral to the network’s thresholds and connections—to enhance the precision of the model’s classification outcomes. The BP neural network’s performance is subsequently refined through a systematic process that is buoyed by the genetic algorithm. The core steps of this optimization cycle are outlined as follows:
- (1)
- Determine the BP neural network structure;
- (2)
- Acquire the GA stock dimensions;
- (3)
- Carry out the fitness function;
- (4)
- Determine termination conditions for GA-BP neural networks.
Genetic algorithms possess two key characteristics that contribute to their enhanced performance when applied to neural networks. The first characteristic, known as diversity or exploratory capability, allows the algorithm to capture the overall global profile and identify local regions that are more likely to yield improved results. This feature ensures that the optimization process avoids wasting time in regions where the chances of attaining the best outcomes are low. The second characteristic, termed reinforcement or exploitation, involves intensifying the search in these promising regions to discover potential optima in superior localities [17]. These attributes form the primary advantages of genetic algorithms, making them a more efficient approach. Consequently, considerable research has been conducted on the application of genetic algorithms for optimizing neural networks.
Figure 10 illustrates the algorithmic flowchart of a neural network that has been optimized using a genetic algorithm.
Figure 10.
A flowchart of the GA-BP algorithm.
4.3. PSO-BP Neural Network Algorithm
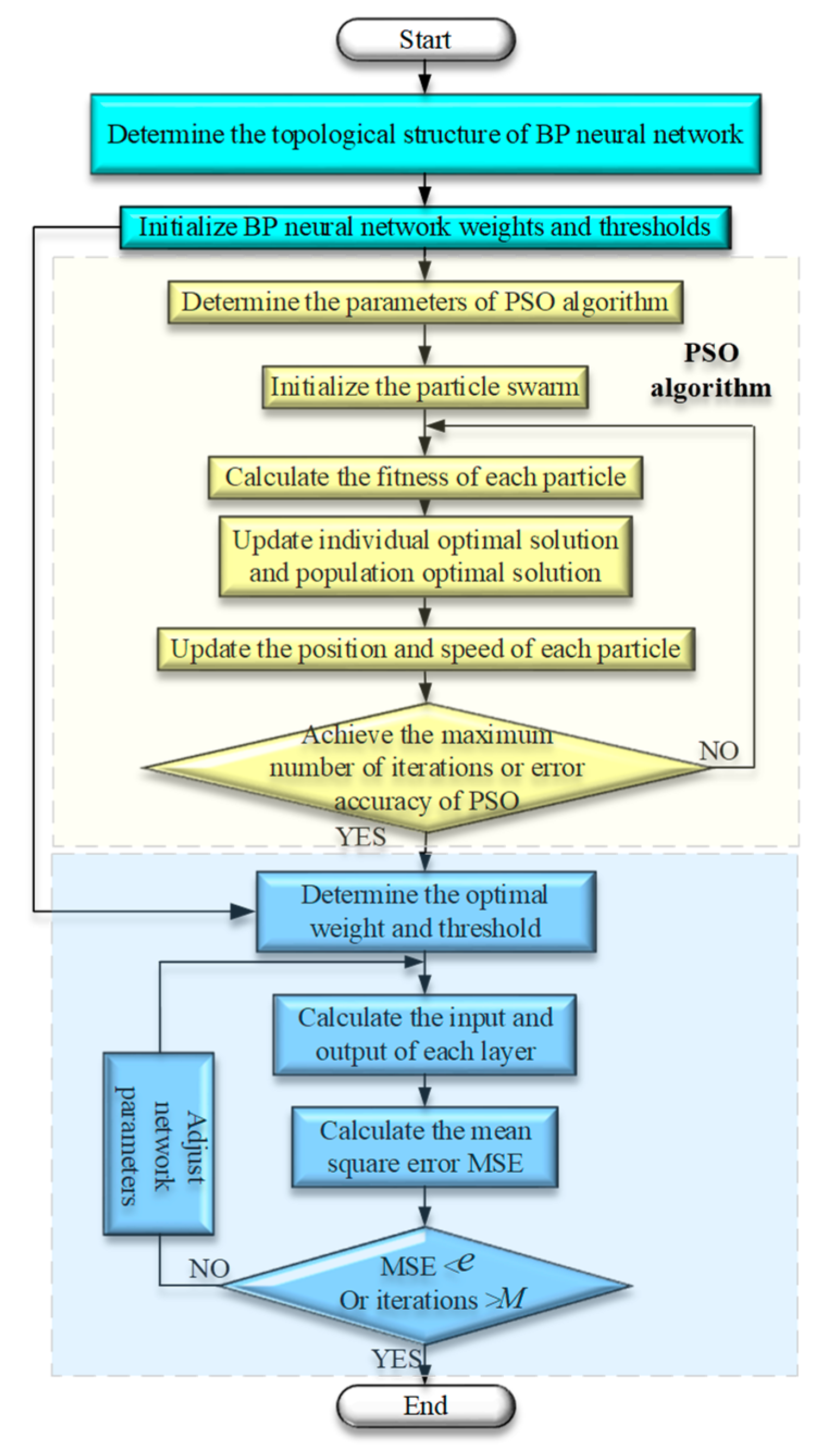
PSO (particle swarm optimization) is a population-based stochastic optimization method. It operates by utilizing a fitness function to identify the optimal solution within a dynamically moving group of objects. Each particle within this group represents a potential optimal value and possesses both position and velocity information in the given problem space. At each step of the solution, each particle retains records of its optimal position, and these are closely tied to the highest level of fitness it has achieved up to that point. Eventually, the global optimal position is determined by aggregating the collective best positions attained by all the particles within the swarm [18].
The process of the PSO algorithm to optimize the BP neural network is mainly to use the global search ability of the PSO algorithm to optimize the initial weights and thresholds of the BP neural network [19]. Figure 11 shows the algorithm flowchart of a neural network optimized using particle swarm optimization algorithm. The main steps of the PSO algorithm are as follows:
Figure 11.
A flowchart of the PSO-BP algorithm.
- (1)
- Determine the BP neural network structure;
- (2)
- Acquire the GA stock dimensions;
- (3)
- Carry out the fitness function;
- (4)
- Determine the termination conditions for the PSO-BP neural network.
The PSO algorithm measures the current individual optimal solution of the particles and the current global optimal solution of the group through the fitness function in the multidimensional space, which is composed of initial weights and thresholds, to continuously update the position and speed of the particles, as well as to obtain the optimal global optimal solution of the group under the termination condition of the algorithm. The best global optimal solution of the group is obtained, i.e., the optimal initial weights and thresholds of the BP neural network are obtained, and the global optimal solution is given to the BP neural network for the next solving operation. Based on the PSO algorithm’s global optimization ability and fast convergence speed, it changes the traditional BP neural network’s tendency to fall into the problem of local minimization, and it improves the learning and prediction ability of the BP neural network. Since the PSO algorithm is inspired by the motion of birds as they form a flock, two hyperparameters, also known as acceleration coefficients or learning factors (c1 and c2), are utilized in an attempt to simulate the socialization and the instincts of the birds [20].
4.4. Advantages of an Improved Neural Network
A genetic algorithm is an algorithm that simulates Darwin’s theory of biological evolution, and this is achieved by gradually improving the quality of solutions through population iteration and evolution. The evolution process includes selection, crossover, and mutation to ensure the diversity of the population and the generation of new solutions. It has strong global search ability and can avoid local optimal solutions. Particle swarm optimization is a simulation of the foraging behavior of bird populations, and it seeks the optimal solution by setting up a group of virtual particles to move in the solution space. Each particle updates its speed and position based on its own historical best position and the best position of the entire population, with a fast convergence speed. Genetic algorithm and particle swarm optimization are both heuristic search algorithms. Genetic algorithm optimization is more effective in handling complex problems due to its strong global search ability. Particle swarm optimization performs well in large-scale optimization problems due to its advantages in parallel computing.
5. Simulation Model of the Drilling Efficiency of a Rotary Drilling Rig
5.1. Prediction of the Drilling Efficiency Based on a GA-BP Neural Network
The genetic algorithm consists of six main computational steps: parameter encoding, initial population setup, fitness function design, genetic manipulation, algorithmic control parameter configuration, and constraint handling.
The first step involves encoding the parameters of the genetic algorithm, which employs real number encoding to convert the weights and thresholds of the BP neural network model into chromosomes. The encoding length, denoted as the number of optimization parameters , is calculated as follows:
where is the number of neuron nodes in the input layer; j is the number of neuron nodes in the hidden layer; and is the number of neurons in the output layer.
Subsequently, selecting an appropriate coding method is essential. Commonly utilized coding methods include binary coding and real-number encoding. Binary coding requires frequent encoding and decoding during the computational process, resulting in a considerable computational load. In contrast, real-number encoding circumvents the cumbersome base conversions inherent in binary coding, offering a swifter calculation speed. Therefore, real-number encoding was chosen as the encoding method for this study.
Finally, the design of the fitness function significantly influences a genetic algorithm’s performance; as such, the individual fitness value, , was denoted as
where is the measured value in the kth sample; is the predicted value in the kth sample; and is the number of samples.
After determining the encoding length, encoding method, and adaptive calculation method, the overall system was parameterized and initialized through programming and parameter settings. Subsequently, optimization algorithms were used to assign the encoded weights and thresholds to the BP neural network for simulation, testing, and adaptive value calculation to ensure compliance with the design requirements. Then, the model was retested to refine and ultimately output the optimized model prediction parameters. The hyperparameter problem in genetic algorithms mainly includes the chromosome number, gene length, population size, and the fitness function of genetic algorithms. When optimizing the super parameters of the genetic algorithm in the GA-BP neural network, ensure that the relevant parameters of the BP neural network remain unchanged. First, define the fitness function of the related problems of the genetic algorithm, as well as initialize the population number, define the super parameter range of the chromosome number and gene length, configure the training model, and return the performance indicators. In comparing the training results of the GA-BP, first select the super parameter combination of the chromosome number and gene length, then adjust the population number of the initialized genetic algorithm, and finally adjust the population number for training to select the prediction accuracy and the optimal population number for training. The genetic algorithm parameters were set as is shown in the Table 3.
Table 3.
List of genetic algorithm parameter settings.
The optimization program for the genetic algorithm was created using the GA function, and the model was optimized based on the parameter settings mentioned earlier. As a result, the BP neural network, enhanced by the genetic algorithm, produced prediction results.
5.2. Prediction of Drilling Efficiency Based on a PSO-BP Neural Network
The particle swarm algorithm consists of four primary computational steps: population initialization, fitness calculation, updating the velocity and position of the particles, and determining the termination conditions.
First, one should initialize the particle swarm and set the population size and the population dimension to . Then, the position and velocity vectors of the i’th particle are as follows:
The current optimal position searched by the first particle, i.e., the individual optimal solution is then
The current searched optimal position of the whole particle, i.e., the global optimal solution is
Next, the calculation of population fitness is carried out. Then, let the fitness function be and calculate the fitness value of the first particle ; if , then replace with , and, if , then replace with . Update the velocity and position of the particles by iterating the velocity equation and position equation once again.
Velocity iteration equations:
Positional iterative equations:
where and are the learning factor; is the number of iterations; is the number of samples; and are random numbers ranging from 0 to 1.
Finally, the termination condition was evaluated to determine if the set maximum number of iterations or error accuracy had been reached during the optimization process. If the condition is not satisfied, the adaptation calculation step is revisited to iteratively update the velocity and position of the particle. If the condition is satisfied, the process is concluded, and the final result is output.
After initializing the population, performing adaptation calculations, updating particle velocity and position, and evaluating termination conditions, it was determined that the hidden layer of the BP neural network consisted of two layers, with each layer containing nine hidden neurons. The ReLU (rectified linear unit) function was used as the activation function in the hidden layer to enhance convergence speed, to prevent gradient dispersion, and to avoid neuron death [21]. The activation function of the output layer was a Sigmoid function, and the learning rate was set to 0.001. Based on the network structure, the population dimension was determined in the PSO algorithm, and the initial population was obtained. The fitness value of the particles was then calculated to determine individual and global extreme values, which were used to update particle position and velocity. The termination conditions were evaluated. As a result, the prediction results of the BP neural network, optimized by the particle swarm algorithm, can be obtained. The hyperparameter problem of the particle swarm optimization algorithm mainly includes the number of particles, inertia weight, acceleration constant, and maximum number of iterations. This article optimized the hyperparameters of the PSO-BP neural network, in a similar manner to genetic algorithms, to ensure that the relevant parameters of the BP neural network were constant, and this was performed in order to optimize the hyperparameters of the particle swarm algorithm. We selected the optimal number of particles through methods such as cross validation or grid search. The adaptive inertia weight method was mainly used to dynamically adjust the inertia weight during the iteration process of the particle swarm algorithm, which has a significant impact on the convergence speed and global search ability of parameters such as inertia weight and acceleration Changshu. The effective range of boundary conditions for the particle swarm optimization algorithm was initially set between [−1, 1], and these were then dynamically adjusted during algorithm execution to gradually reduce the search space in order to improve the search efficiency and convergence speed of the algorithm. After determining the above hyperparameters during the model training process, the appropriate number of iterations was selected through interactive experiments to ensure that the algorithm can converge in a reasonable time while achieving good prediction accuracy.
5.3. Comparison of Prediction Results under Different Algorithms
The characteristics and objectives of this prediction model are shown in Table 4. This article established and compared a genetic algorithm neural network model and a particle swarm neural network model based on neural network algorithms. The fitting effect of the models attempted on the same training set is shown in Figure 12, Figure 13 and Figure 14.
Table 4.
Characteristics of the drilling efficiency prediction model.
Figure 12.
The three types of the neural network prediction values and real values in comparison to local enlargement. (a) The BP neural network prediction values and real values in comparison to local enlargement. (b) The GA-BP neural network prediction value and real values in comparison to local enlargement. (c) The PSO-BP neural network prediction values real value in comparison to local enlargement.
Figure 13.
Residual diagram of the three types of neural networks’ predicted values and real values. (a) Residual diagram of the BP-predicted values and real values. (b) Residual diagram of the GA-BP-predicted values and real values. (c) Residual diagram of the PSO-BP-predicted values and real values.
Figure 14.
Values of the different statistical indicators for the three algorithms.
Next, this paper compared the predicted values of the test set data with the trained models in the three prediction models, and a correlation analysis was then performed on the comparison results and the residual values.
After comprehensively comparing the prediction results of the three aforementioned models for the drilling speed of rotary drilling rigs, a preliminary assessment can be made by scrutinizing the prediction results and residual plots of their predictive capabilities. The BP neural network exhibited the poorest fitting prediction results, while the GA-BP neural network demonstrated the most accurate prediction performance. On the other hand, the PSO-BP neural network fell in between both in terms of accuracy.
In this study, the evaluation of the predictive effectiveness of model fitting included the root mean square error (RMSE), mean square error (MSE), mean absolute error (MAE), coefficient of determination (R2), and closer average prediction accuracy (APA) metrics. Each metric plays a crucial role in carefully examining the fidelity of model predictions and observed data points. In this article, APA was selected as the main evaluation indicator, while others were used as auxiliary evaluation indicators.
A diminishment in RMSE, MSE, and MAE values reflects an enhanced model fit, suggesting that the model’s predictions closely align with the empirical data, thereby minimizing discrepancies. Conversely, a heightened R2 value, coupled with an APA nearing unity, serves as an indicator of heightened accuracy and reliability in a model’s predictions. These metrics collectively provide a nuanced understanding of a model’s performance, thus allowing for a rigorous assessment of its capability to capture the underlying patterns and dynamics within a dataset [22].
is calculated as follows:
is calculated as follows:
is calculated as follows:
is calculated as follows:
is calculated as follows:
where is the number of data; is the number of iterations; is the number of samples; and is the sample mean.
Figure 15 shows the fitting effect of three types of neural network test data. Figure 16 shows a comparison of the true values predicted by three neural networks.
Figure 15.
Fitting effect of the three types of neural network test data. (a) Fitting effect of the BP neural network test data. (b) Fitting effect of the GA-BP neural network test data. (c) Fitting effect of the PSO-BP neural network test data.
Figure 16.
Comparison of the true values of the three types of neural network predicted values. (a) Comparison of the true values of the BP neural network predicted values. (b) Comparison of the true values of the GA-BP neural network predicted values. (c) Comparison of the true values of the PSO-BP neural network predicted values.
By incorporating nonlinear activation functions, BP neural networks gain the ability to establish intricate mappings between inputs and outputs. This inherent characteristic empowers BP neural networks to unearth and discern complex features within the data by leveraging nonlinear transformations. BP neural networks are widely employed for multiple tasks such as clustering, forecasting, prediction, pattern recognition, classification, and feature engineering [23]. Concurrently optimizing BP neural networks using genetic algorithms serves to mitigate the impact of initial weight configurations, thus resulting in models that exhibit robust predictive accuracy across both training and testing datasets.
Notably, the refinement of weight and threshold selection mechanisms within genetic neural networks yields enhanced outcomes, which are particularly evident in test data scenarios. This improvement owes much to the sophistication of genetic algorithms, which excel in their global optimization capabilities. By efficiently navigating the solution space, genetic algorithms facilitate the discovery of optimal weight configurations, thereby enhancing the overall performance and generalization ability of the neural network model [24].
The evaluation indicators for model fitting performance mainly include root mean square error (RMSE), mean square error (MSE), mean absolute error (MAE), average prediction accuracy (APA), and the coefficient of determination (R2). This article selected the average prediction accuracy (APA) as the main evaluation indicator for the fitting effect of the model, with other indicators as auxiliary evaluation indicators. From Table 5, it can be seen that the GA-BP neural network had the highest average prediction accuracy; therefore, the GA-BP network had the best fitting effect.
Table 5.
Values of the various metrics for different models on the test data.
6. Experimental Verification
In this paper, the accuracy of the drilling efficiency prediction model of rotary drilling rigs was tested and verified using the control variable method, which ensures that the pile hole type, the nature of the stratum, and the operator’s mode of operation are the same. It mainly explores the accuracy of the efficiency prediction model when the drilling parameters change. This test method has the advantages of short calculation time, a clear control of variables, and the ability to reproduce complex construction processes.
6.1. Experimental Verification
The primary apparatus utilized for evaluating the drilling efficiency of the rotary drilling rig during the designated tests was meticulously designed, as depicted in Figure 17, and it also shows the company’s 435 rotary drilling rig in action. Meanwhile, Figure 18 provides an expansive overview of the data acquisition systems integrated into the testing host apparatus. Positioned strategically beneath the winch at the ground station of the host machine, the data acquisition cabinet serves as the central hub for a multitude of crucial instruments. This includes the standard data acquisition equipment shown in Figure 18, dedicated CAN protocol acquisition instruments, and complex onboard computing units.
Figure 17.
Drilling efficiency prediction testing machine.
Figure 18.
Detailed information on the components of the rotary drilling rig test acquisition equipment. 1. CAN signal acquisition point; 2. data acquisition cabinet; 3. data acquisition instrument; 4. on-board computing unit; 5.CAN protocol acquisition instrument; 6. pressurized cylinder large cavity sensor; 7. pressurized cylinder small cavity sensor; 8. power head motor inlet pressure; 9. power head motor outlet pressure.
Critical parameters, such as the pressure within the pressurized cylinder and the input/output pressures of the power head motor, were meticulously captured by a robust high-pressure sensor, boasting a capacity range of 0–600 bar, as depicted in Figure 18. The data collected from this sensor undergoes initial processing within the data acquisition instrument.
Additionally, pivotal parameters, including the rotational velocity of the power head, the engine’s RPM, and the precise drilling depth, were monitored through the vehicle’s CAN bus system. This wealth of information was seamlessly conveyed to the CAN protocol acquisition device, which is dedicated to capturing this specific dataset.
In the final stage of data handling, the onboard computing unit, as portrayed in Figure 18, undertakes the processing of the gathered data. These processed data form the bedrock of the experimental results generated by the host computer system, thereby ensuring the meticulous and reliable assessment of data for the test protocol.
The sole objective of this experiment was to predict the drilling pace of the main engine during coring operations. Before the initiation of the trial, the test apparatus remained idle at the experimental site, devoid of any load. Positioned approximately 10 m below ground level, a 1.6 m cylindrical drill was installed at the stratigraphic boundary where a layer of pebbles intersected with significantly weathered granite.
At the onset of the experiment, the operator of the main engine activated the system, transitioning it from an idle state to a loaded condition, to commence drilling. Throughout the experiment, experimenters abstained from any interference with the operator’s customary practices, ensuring an uninterrupted execution of the core extraction process across the entire depth of the drill hole. This hands-off approach allowed for a natural and undisturbed progression of the drilling operation, thus facilitating the collection of accurate data regarding the main engine’s drilling pace.
6.2. Test Condition
The stratigraphic environment of the test stratum and the construction stratum obtained from the training data was the same. Its hole number was 33, and it was located in the different holes of the same group of pile positions in the geographic location. Neglecting the anisotropic properties of the stratum, it can be considered that the construction conditions of the test stratum are the same as those of the training stratum of the model.
The formation of the pile hole comprises a diverse array of materials, including fine sand, boulders, pebbles, strongly weathered granite, stroke granite, etc. However, the experimental focus of this paper primarily centered on two distinct types of granite: strongly weathered granite and moderately weathered granite. These specific geological formations possess intricate mechanical properties and structural characteristics, rendering them of particular interest for the experimental tests conducted in this study.
By targeting strongly weathered granite and moderately weathered granite, the researchers aimed to delve into the complexities inherent in these geological materials. These granitic formations exhibit nuanced mechanical behaviors and structural intricacies, presenting unique challenges and opportunities for analysis and experimentation.
In the construction process that utilizes rotary drilling rigs, the drilling tools can be classified into two primary types: the sand bucket and cylindrical drill. These tools serve distinct purposes, i.e., the sand bucket is employed for the retrieval of fragmented rock, while the cylindrical drill is designed for penetrating the fractured rock medium. The cylindrical drills are further differentiated by their bore diameters, catering to diverse operational requirements in the rock drilling process.
The selection of drilling equipment is contingent upon the hardness of the ground strata encountered during pile-hole construction. When a thick ground layer poses a challenge for rock fragmentation due to the inadequate cutting force generated by large-diameter cylindrical drills, the construction method is bifurcated into two phases: coring and reaming. The initial phase entails utilizing a smaller-diameter cylindrical drill to break up the rock, which is followed by the use of a larger-diameter cylindrical drill to widen the borehole through reaming. During the experimental process described in this paper, a cylindrical drill with a diameter of 1.6 m was selected as the construction drilling tool. Figure 19 shows the geological information of the test pile hole. Figure 20 shows the drilling tools under experimental conditions.
Figure 19.
Stratigraphic information of the test pile holes.
Figure 20.
Drilling tools in test conditions.
6.3. Test Curve Analysis
Upon analyzing the correlation between the test curve and the predictive curve, it was evident that the three proposed prediction models are capable of accurately forecasting the drilling efficiency of rotary drilling rigs. The majority of the predictive values in over 3000 test samples minimally deviated from the actual test values, with the majority of the errors falling within the range of −0.5 to 0.5 mm/s. By combining input data such as the inlet and outlet pressures of the power head motor, the large and small chamber pressures in the pressurization cylinder, the power head speed, drilling depth, and drilling tool specifications, the drilling speed of the rotary drilling rig can be more accurately predicted.
Figure 21, Figure 22 and Figure 23 show the comparison between the predicted and experimental values of three neural networks, respectively. Upon analyzing the correlation between the test curve and the predictive curve, it was evident that the three proposed prediction models are capable of accurately forecasting the drilling efficiency of rotary drilling rigs. The majority of the predictive values in over 3000 test samples minimally deviated from the actual test values, with the majority of the errors falling within the range of −0.5 to 0.5 mm/s. By incorporating input data, such as the inlet and outlet pressures of the powerhead motor, the pressure in the pressurization cylinder, and the pressures in the large and small chambers (along with the rotational speed of the powerhead), as well as the rotational speed of the engine, drilling depth, and drilling tool specifications, the drilling speed of the rotary drilling rig can be predicted with greater accuracy.
Figure 21.
Comparison of the experimental values of the BP neural network’s predicted values.
Figure 22.
Comparison of the experimental values of the of GA-BP neural network’s predicted values.
Figure 23.
Comparison of the experimental values of the of PSO-BP neural network’s predicted values.
Among the three models for predicting the efficiency of rotary drilling operations, the GA-BP neural network model showed superior predictive ability. Its average prediction accuracy (APA) was as high as 93.6%, the mean square error (RMSE) as low as 0.1640, and the coefficient of determination (R2) reached 0.9824. The prediction performance of the PSO-BP neural network model ranked second, with an APA of 92.1%, an RMSE of 0.2721, and an R2 of 0.9497. On the contrary, the standard BP neural network model exhibited poor predictive performance, with APA, RMSE, and R2 values of 90.8%, 0.3141, and 0.9308, respectively. It can be seen that the GA-BP neural network had the highest average prediction accuracy (APA), which was 1.5% higher than the PSO-BP model and 2.8% higher than the standard BP neural network. Therefore, the GA-BP model had the best prediction performance.
In conclusion, based on experimental analysis, drilling efficiency prediction models employing improved neural networks could serve as valuable references for the intelligent monitoring and forecasting of drilling efficiency in rotary drilling rigs. These models could also impart practical guidance for the real-world operation of rotary drilling rigs.
7. Discussion
This paper proposes an improved BP neural network prediction method for the prediction of the drilling efficiency of rotary drilling rigs. It provides an effective new idea for the data-based prediction of drilling efficiency under complex working conditions, and it also provides a strong technical support for the realization of the intelligence of the construction of piling machinery. The following conclusions were obtained.
This paper combined the advantages of the BP neural network and genetic algorithm to propose a new drilling efficiency prediction method that can be applied in the field of rotary drilling rigs.
This study made some contributions. Firstly, the influence factors of the drilling parameters on the drilling efficiency of rotary drilling rigs were clarified by analyzing the mechanism of the hydraulic system of the rotary drilling rigs. Secondly, the correlation coefficients between each drilling parameter and drilling efficiency were obtained by a Pearson correlation analysis, which provides strong technical support for the reasonable selection of inputs to the drilling efficiency prediction model. Finally, this article combined two commonly used global optimization algorithms, the genetic algorithm and particle swarm optimization algorithm, to optimize the BP neural network. Compared with the PSO-BP neural network, the GA-BP neural network has a shorter prediction time and higher prediction accuracy.
Author Contributions
Methodology, C.J., C.A., S.L. and Y.J.; software, S.L. and Y.J.; investigation, J.Z.; writing—original draft, J.Z. writing—review and editing, C.J., C.A., X.K., H.X., and W.J. All authors have read and agreed to the published version of the manuscript.
Funding
This work was supported by the National Natural Science Foundation of China (grant no. 52175065) and the National Natural Science Foundation of China (grant no. U22A20178).
Data Availability Statement
The data are contained within the article.
Conflicts of Interest
Author Cunde Jia and Author Hongyu Xu are employed by the company Beijing Sany Intelligent Manufacturing Technology Co., Ltd. The remaining authors declare that the research was conducted in the absence of any commercial or financial relationships that could be construed as a potential conflict of interest.
Abbreviations
| BP | Back propagation |
| GA | Genetic algorithm |
| PSO | Particle swarm optimization |
| RBF | Radial basis function |
| LM-BP | Levenberg–Marquardt back propagation |
| CAN | Controller area network |
| RMSE | Root mean square error |
| MSE | Mean square error |
| MAE | Mean absolute error |
| R2 | R square |
| APA | Average prediction accuracy |
| Force emanating from the pressurization system | |
| Torque exerted by the power head system | |
| Penetration force | |
| Cutting force | |
| Flow rates for the rodless chambers of the pressurization cylinder | |
| Flow rates for the rodded chambers of the pressurization cylinder | |
| Area gradient of the auxiliary valve orifice in the pressurization unit | |
| Displacement of the valve spool of the pressurization auxiliary valve | |
| Supply oil pressure | |
| Pressures within the rodless chambers of the pressurization cylinder | |
| Pressures within the rodded chambers of the pressurization cylinder | |
| Internal leakage coefficient | |
| External leakage coefficient | |
| Volumes of rodless chambers of the pressurized cylinder | |
| Volumes of rod chambers of the pressurized cylinder | |
| Elastic modulus of the hydraulic fluid | |
| Cylinder rod chamber pressure area | |
| Cylinder rod chamber pressure area | |
| Displacement of pressurized cylinder piston | |
| Mass of the pressurized cylinder piston | |
| Pressurized cylinder and the viscous damping coefficient of the load | |
| Spring stiffness of the external load | |
| Load flow rate |
References
- Li, Z. Development and Prospect of Digital Transformation of Urban Rail Transit in China. Urban Rail Transit 2022, 6, 10–12. [Google Scholar]
- Yang, H. Intelligent progress and development trend of construction machinery. Technol. Manag. Constr. Mach. 2018, 31, 38–39. [Google Scholar]
- Luo, J.; Li, L.; Yi, W.; Li, X. Working Performance Analysis and Optimization Design of Rotary Drilling Rig under on Hard Formation Conditions. Procedia Eng. 2014, 73, 23–28. [Google Scholar]
- Piao, J.S. Study on Drilling Process Optimization of through DTH Hammer. Ph.D. Thesis, Jilin University, Changchun, China, 2010. [Google Scholar]
- Lv, F.; Yu, J.; Zhang, J.; Yu, P.; Tong, D.; Wu, B. A novel stacking-based ensemble learning model for drilling efficiency prediction in earth-rock excavation. J. Zhejiang Univ. Sci. A 2022, 23, 1027–1046. [Google Scholar] [CrossRef]
- Hegde, C.; Daigle, H.; Millwater, H.; Gray, K. Analysis of rate of penetration (ROP) prediction in drilling using physics-based and data-driven models. J. Pet. Sci. Eng. 2017, 159, 295–306. [Google Scholar] [CrossRef]
- Oparin, V.; Timonin, V.V.; Karpov, V.N. Quantitative estimate of rotary–percussion drilling efficiency in rocks. J. Min. Sci. 2016, 52, 1100–1111. [Google Scholar] [CrossRef]
- Gan, C.; Cao, W.H.; Wu, M.; Chen, X.; Hu, Y.L.; Liu, K.Z.; Wang, F.W.; Zhang, S.B. Prediction of drilling rate of penetration (ROP) using hybrid support vector regression: A case study on the Shennongjia area, Central China. J. Pet. Sci. Eng. 2019, 181, 106200. [Google Scholar] [CrossRef]
- Feng, W.; Feng, F. Research on the multimodal digital teaching quality data evaluation model based on fuzzy BP neural network. Comput. Intell. Neurosci. 2022, 2022, 7893792. [Google Scholar] [CrossRef]
- Deng, Y.; Zhou, X.; Shen, J.; Xiao, G.; Liao, B.Q. New methods based on back propagation (BP) and radial basis function (RBF) artificial neural networks (ANNs) for predicting the occurrence of haloketones in tap water. Sci. Total Environ. 2021, 772, 145534. [Google Scholar] [CrossRef]
- Wang, Y.L.; Liu, Y.; Che, S.B. Research on pattern recognition based on BP neural network. Adv. Mater. Res. 2011, 283, 161–164. [Google Scholar]
- Yea, Z.; Kimb, M.K. Predicting electricity consumption in a building using an optimized back-propagation and Levenberg–Marquardt back-propagation neural network: Case study of a shopping mall in China. Sustain. Cities Soc. 2018, 42, 176–183. [Google Scholar] [CrossRef]
- Che, D.; Zhu, W.; Ehmann, K.F. Chipping and crushing mechanisms in orthogonal rock cutting. Int. J. Mech. Sci. 2016, 119, 224–236. [Google Scholar] [CrossRef]
- Zhang, Y.; Li, C.; Wang, R.; Qian, J. A novel fault diagnosis method based on multi-level information fusion and hierarchical adaptive convolutional neural networks for centrifugal blowers. Measurement 2021, 185, 109970. [Google Scholar] [CrossRef]
- Liu, M. Short term load forecasting based on the particle swarm optimization with simulated annealing. In Proceedings of the 30th Chinese Control Conference (CCC), Yantai, China, 22–24 July 2011; pp. 5250–5252. [Google Scholar]
- Wu, C.; Li, B.; Bei, S.; Zhu, Y.; Tian, J.; Hu, H.; Tang, H. Research on Short-Term Driver Following Habits Based on GA-BP Neural Network. World Electr. Veh. J. 2022, 13, 171. [Google Scholar] [CrossRef]
- Nikbakht, S.; Anitescu, C.; Rabczuk, T. Optimizing the neural network hyperparameters utilizing genetic algorithm. J. Zhejiang Univ. Sci. A Appl. Phys. Eng. 2011, 22, 20. [Google Scholar] [CrossRef]
- Khajehzadeh, M.; Taha, M.R.; El-Shafie, A.; Eslami, M.J. Modified particle swarm optimization for optimum design of spread footing and retaining wall. J. Zhejiang Univ.-Sci. A 2011, 12, 415–427. [Google Scholar] [CrossRef]
- Zhou, Z.; Li, J.; Xi, Z.; Li, L.; Li, M. Real-time online inversion of GA-PSO-BP flux leakage defects based on information fusion: Numerical simulation and experimental research. J. Magn. Magn. Mater. 2022, 563, 169936. [Google Scholar] [CrossRef]
- Mourtzis, D.; Angelopoulos, J. Reactive Power Optimization Based on the Application of an Improved Particle Swarm Optimization Algorithm. Machines 2023, 11, 724. [Google Scholar] [CrossRef]
- Zhao, J.; Guo, S.; Ma, L.; Kong, H.; Zhang, N. Tool wear monitoring based on an improved convolutional neural network. J. Mech. Sci. Technol. 2023, 37, 1949–1958. [Google Scholar] [CrossRef]
- Saadi, N.; Adjabi, S. On the Estimation of the Probability Density by Trigonometric Series. Commun. Stat.-Theory Methods 2009, 38, 3583–3595. [Google Scholar] [CrossRef]
- Daya, A.A.; Lazakis, I. Component Criticality Analysis for Improved Ship Machinery Reliability. Machines 2023, 11, 737. [Google Scholar] [CrossRef]
- Yu, F.; Xu, X. A short-term load forecasting model of natural GAs based on optimized genetic algorithm and improved BP neural network. Appl. Energy 2014, 134, 102–113. [Google Scholar] [CrossRef]
Disclaimer/Publisher’s Note: The statements, opinions and data contained in all publications are solely those of the individual author(s) and contributor(s) and not of MDPI and/or the editor(s). MDPI and/or the editor(s) disclaim responsibility for any injury to people or property resulting from any ideas, methods, instructions or products referred to in the content. |
© 2024 by the authors. Licensee MDPI, Basel, Switzerland. This article is an open access article distributed under the terms and conditions of the Creative Commons Attribution (CC BY) license (https://creativecommons.org/licenses/by/4.0/).






















