Abstract
This paper is aimed to address the issue of decreased accuracy in the ship block docking caused by the structural errors of posture adjustment mechanism. First, inverse kinematic analysis is performed to investigate the sources of static errors in the mechanism. Subsequently, based on the closed-loop vector method, a pose error model for the moving platform is established, which includes eight categories of error terms. The impact of various structural errors on the pose accuracy of the moving platform is then compared and analyzed under both single-limb and multi-limb configurations. Therefore, a compensation method based on the whale optimization algorithm optimized radial basis function neural network is proposed. By transforming pose errors into actuator length errors, it establishes a predictive model between the theoretical pose of the dynamic platform and actuator length errors. After optimizing the network parameters, it yields the actuator length compensation to correct the actual pose of the dynamic platform. Simulation and experimental results validate the effectiveness of this method in enhancing the motion accuracy of the parallel mechanism. The mean pose accuracy of the moving platform is improved by 85.07%, demonstrating a significant compensation effect.
1. Introduction
In the shipbuilding process, the assembly and docking of ship blocks are crucial steps that determine the efficiency and quality of ship construction [1]. The posture adjustment mechanism, as a vital piece of mechanical equipment in the automated docking system for ship blocks, directly influences the docking accuracy of the blocks [2]. To fully leverage the advantages of parallel mechanisms, including their high stiffness, precision, and heavy-load capacity, this paper designs a novel six-degree-of-freedom alignment mechanism—the 4-PPPS parallel mechanism. When a ship block is mounted on this parallel mechanism, the six-degree-of-freedom pose adjustment of the block can be achieved by driving four three-dimensional lifting mechanisms for multi-axis coordination.
However, in practical applications, due to various errors inherent in parallel mechanisms such as machining and manufacturing tolerances, assembly clearances, and deformation under load [3,4], it is challenging for the moving platform to achieve the desired motion accuracy during alignment. Depending on how the error sources change over time, the errors in parallel mechanisms can be classified into static errors and dynamic errors [5,6]. Static errors are key factors affecting the precision of mechanical systems and primarily include non-time-varying error factors such as component manufacturing errors, assembly errors, and actuation errors. Modeling these errors requires mathematical transformations and theoretical derivations to establish the relationship between the pose error of the moving platform and the various error sources [7]. Dynamic errors encompass errors due to joint clearances and link deformation, and their analysis necessitates the establishment of complex dynamic models [8,9]. Overall, static errors constitute the highest proportion of error sources in parallel mechanisms [10], and their compensation methods are more direct and feasible compared with dynamic errors. The multi-chain closed-loop structure of parallel mechanisms leads to a coupling relationship between various static error sources and the structural configuration of the mechanism, further complicating the pose error. Therefore, analyzing the sources of pose error and compensation methods in parallel mechanisms is of significant importance and value for improving the motion accuracy of parallel mechanisms.
In the field of pose error modeling and compensation for parallel mechanisms, scholars both domestically and internationally have conducted extensive research. Xu Dongtao established an error transmission mapping model for the Delta parallel mechanism using the vector method and conducted sensitivity analysis on the model to measure the impact of various error sources on the end pose error of the mechanism [11]. The D-H transformation matrix method is also commonly used to analyze the position error of parallel mechanisms, such as Shan et al. used the D-H method to establish the position equation of the moving platform of the Stewart parallel mechanism, and the linearized online computational model of the position error was deduced by matrix differentiation using the matrix differentiation method [12]. Liang employed the Monte Carlo method to analyze the spatial error of parallel machine tools, solving for the variation in spatial error under a given tool path, which provides rich information for machining process planning and online error compensation [13]. Li constructed a neural network optimized based on a genetic particle swarm algorithm to model and predict the positioning error of industrial robots [14]. Xu et al. combined transfer learning and BP neural network to establish a nonlinear mapping model between the drive joint variables and the drive joint rod length error to improve the motion accuracy of 3-UPS/S shipboard stabilized platforms [15]. A hybrid genetic algorithm (HGA) is used to solve the offline identification equations for geometric errors, and the geometric errors are converted into driving deviations for online error compensation on the Stewart platform using feed-forward control [16]. Shan and Chen designed a compensating controller for 2 (3PUS + S) parallel robots using an augmented and broadened PD control method, which simultaneously compensates for structural errors and friction of the robot [17]. Li proposed a comprehensive compensation method that simultaneously applies an improved sparrow search algorithm and a spatial error compensation algorithm to address the motion trajectory error issue in cable-driven parallel mechanisms, substantially improving the motion trajectory accuracy of the end effector [18]. Zhang addressed the vibration issue of a rigid moving platform caused by the elastic deformation of flexible links and proposed an adaptive sliding mode control algorithm based on neural networks, performing feedforward compensation by calculating the driving torque based on the dynamic model [19]. Liu designed an embedded joint error compensator based on a back-propagation neural network (BPNN) for a five-degree-of-freedom hybrid robot, achieving high-precision real-time compensation [20].
In terms of compensation control and data-driven optimization, Subhi [21] proposed a distributed real-time control architecture integrated with ROS. This architecture emulates the functionality of the human nervous system, distributing intelligence between the main controller and distributed joint controllers based on Master–Slave daisy-chain topology and EtherCAT technology. This allows the humanoid control system to have the capability to modify its structure in real time in response to desired movements or assigned tasks, addressing the challenge of artificial simulation within the control architecture. The method is highly effective, featuring very low latency rates, but it is not particularly suitable for the field of ship docking. Due to the unique configuration of parallel mechanisms, each adjustment in the pose of the ship’s sections requires complex pose calculations, making it difficult to ensure the real-time performance of control drives. Additionally, since the docking trajectory of the ship’s sections is relatively fixed, the real-time nature of compensation control is not the primary concern. To reduce the complexity in software and hardware design, this paper only considers a feedforward compensation strategy based on error prediction. Zhao [22] introduced an adaptive H-infinity cruise control scheme based on data-driven learning, which employs data-driven learning rules to solve Riccati equations online. This approach features fast parameter convergence and high computational accuracy, providing valuable reference for the subsequent neural network optimization and learning in this paper.
For the error compensation problem in 4-PPPS parallel mechanisms, this paper proposes a position error compensation method based on a whale optimization algorithm (WOA) optimized radial basis function (RBF) neural network (WOA-RBF). First, a pose error model of the mechanism is established, where the pose error of the moving platform caused by static structural errors is equivalently transformed into an actuator error. Then, a predictive model for the actuators is constructed using a neural network, and the WOA is introduced to optimize the objective function for minimizing the error, thereby improving the prediction performance of the network. Finally, the correctness and effectiveness of the compensation strategy are validated through pose error compensation simulations.
2. Design of Posture Adjustment Mechanism
Parallel mechanisms, known for their high precision, stiffness, and load-bearing capacity, have found widespread application in aerospace, marine engineering, and other fields. The parallel mechanism studied in this paper originates from a shipbuilding segment positioning system, as illustrated in Figure 1. When four three-dimensional lifting units and a support frame carry the segment components, the entire system can be approximated as a 4-PPPS parallel mechanism. In this configuration, the segment being positioned serves as the moving platform, while the ground acts as the fixed platform. The moving platform’s four vertices are connected to the chains via spherical joints. The parallel mechanism has six degrees of freedom (DOF) in space. Each PPPS chain represents a three-dimensional lifting unit with three DOF, consisting of a Px prismatic joint (X-direction motion platform), a Py prismatic joint (Y-direction walking mechanism), a Pz prismatic joint (Z-direction lifting column), and a spherical joint S. The upper and lower platforms of the motion platform are combined through a set of guides, allowing the upper platform to horizontally move along these guides. The walking mechanism is mounted on the guides and can longitudinally move along them. The lifting columns are driven by motors and can perform vertical linear motion, as depicted in the physical model shown in Figure 2.
Figure 1.
Schematic diagram of the posturing system.
Figure 2.
4-PPPS parallel mechanism physical model.
For ease of study, let the length and width of the fixed platform be denoted as L and W, and the length and width of the moving platform as l and w, respectively. The initial height of the lifting columns is denoted as H. According to measurements taken from the physical parallel mechanism, the parameters of the mechanism are as follows (Table 1):
Table 1.
Parallel mechanism parameters.
3. Kinematic Analysis
3.1. Coordinate System Establishment
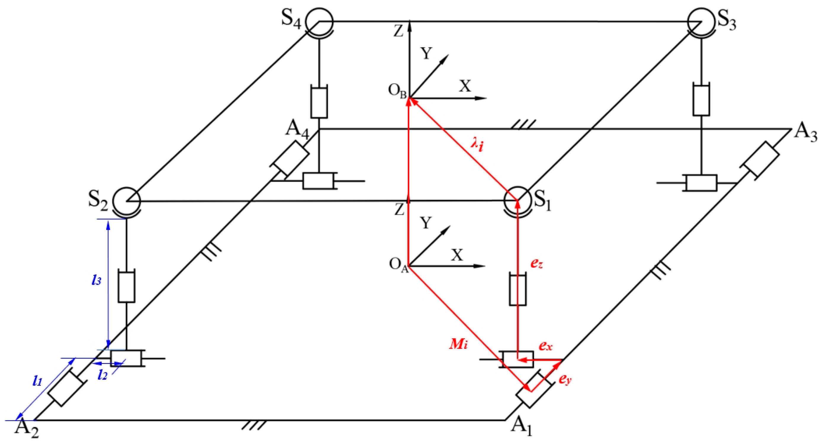
The simplified diagram of the 4-PPPS parallel mechanism is shown in Figure 3. The overall structure consists of the moving platform S1S2S3S4, the fixed platform A1A2A3A4, and four PPPS chains. A fixed coordinate system OA-XAYAZA is established at the center of the fixed platform, with its axes aligned with the motion directions of the three-dimensional lifting mechanisms. A moving coordinate system OB-XBYBZB is established at the center of the moving platform. Assuming that at the initial state, the displacement in the height direction of the three-dimensional lifting mechanisms is zero, meaning that the z-axis coordinate of the origin point OB of the moving coordinate system is at its minimum value in the fixed coordinate system. Based on the established coordinate system and the given structural parameters of the parallel mechanism, the coordinates of each connection point Si (i = 1,2,3,4) on the moving platform under the moving coordinate system can be calculated as , and the coordinates of each vertex Ai (i = 1,2,3,4) on the fixed platform under the fixed coordinate system can be calculated as .
Figure 3.
Structural diagram of parallel mechanism.
3.2. Kinematics Inverse Solution
For the 4-PPPS parallel mechanism, solving for the displacements of each prismatic joint given the spatial pose of the moving platform center is referred to as the inverse kinematics problem. According to the principles of coordinate transformation, the coordinates of each connection point Si in the moving coordinate system can be transformed into the fixed coordinate system:
where represents the position vector of the origin of the moving coordinate system in the fixed coordinate system, and represents the rotation matrix that describes the orientation of the moving coordinate system relative to the fixed coordinate system. When the moving platform first rotates by an angle α about the global x-axis, then by an angle β about the global y-axis, and finally by an angle γ about the global z-axis, the transformation can be represented by the composite rotation matrix obtained by multiplying the individual rotation matrices for each axis in sequence. The rotation matrix can thus be computed as
Taking chain 1 as an example, according to the vector relationship, it can be understood that
where , , and are the unit direction vectors for each prismatic joint; and dx1, dy1, and dz1 are the lengths of the prismatic joints Px, Py, and Pz in this chain, respectively. The change in their lengths can be expressed as
In the 4 chains of the 4-PPPS parallel mechanism, assuming that the lengths of the prismatic joints on the moving platform are at their initial values as follows: dx0i = l2, dy0i = l1, and dz0i = l3, then, the length vectors for each chain at the initial state are
Based on the vector relationship of the chains, the change in length for all chains on the prismatic joints Px, Py, and Pz can be calculated as follows:
In summary, when the pose coordinates of the moving platform are known, the change in length of each prismatic joint in the chains can be calculated. Given that the 4-PPPS parallel mechanism has a large number of actuators, to ensure the six degrees of freedom in space and reduce the complexity of the control system, this paper adopts a “3-2-1” distribution method for non-redundant actuation [23]: setting Pz1, Pz2, Pz3, Py1, Py2, and Px1 as active drives, with the remaining prismatic joints set as passive. The structural parameters of the parallel mechanism are given as l1 = 990, l2 = 1000, and l3 = 1055. Using MATLAB R2021a to calculate the inverse kinematics, the results are shown in Table 2.
Table 2.
Results of kinematic inverse solution.
4. Pose Error Modeling and Analysis
4.1. Modeling of Pose Error
In response to the various static error terms of the parallel mechanism, this paper establishes a mapping model between the error sources and the pose error of the moving platform. The fundamental principle involves performing mathematical transformations on the slight variations in the component size parameters, thereby deriving the output pose error of the moving platform. This provides a theoretical basis for error compensation.
This paper employs the vector differentiation method [24] to establish the error model of the 4-PPPS parallel mechanism. Figure 3 shows a simplified diagram of the closed-loop vector chain for chain 1, where OB is the origin of the moving coordinate system; OA is the origin of the fixed coordinate system; ex is the unit vector in the direction of the rail; ey is the unit vector in the direction of the track; ez is the unit vector in the direction of the support column’s length; Mi is the initial position vector of the walking mechanism’s center; λi is the position vector from the spherical joint center to the origin OB in the moving coordinate system; and R is the coordinate rotation transformation matrix from the moving coordinate system to the fixed coordinate system.
Firstly, the closed vector equation for a single chain of the 4-PPPS parallel mechanism is established as follows:
By performing partial differentiation on the above equation, the following can be obtained:
According to the principle of matrix differentiation, the differential of a rotation matrix can be represented as
Multiplying both sides of Equation (8) by and combining them:
Considering all four chains simultaneously:
where
represents the pose error vector of the moving platform; is the position error vector, and is the attitude error vector; is the positioning error of the walking mechanism center; is the length error of the rail direction prismatic joint; is the length error of the track direction prismatic joint; is the length error of the lifting direction prismatic joint; is the straightness error of the rail; is the straightness error of the track; is the straightness error of the support column; and is the positioning error of the spherical joint.
By organizing the above, the following can be derived:
where is the error Jacobian matrix of the 4-PPPS parallel mechanism; and is the error matrix of the structural parameters.
4.2. Pose Error Analysis
The error analysis model for the mechanism’s pose can be constructed using MATLAB, with a simulation region selected for quantitatively analyzing the influence of various errors on the pose error of the mechanism’s end effector. Based on the structural parameters of the mechanism, 60 pose coordinate points are chosen within the workspace. Considering the multitude of error sources in the alignment mechanism, only the following easily measurable error factors are considered in the simulation: rail direction prismatic joint length errors Px; track direction prismatic joint length errors Py; lifting direction prismatic joint length errors Pz; and spherical joint positioning error .
When an error exists in the first chain, it can be categorized into six scenarios: dx1 ≠ 0, dy1 ≠ 0, dz1 ≠ 0, λx1 ≠ 0, λy1 ≠ 0, and λz1 ≠ 0. By assigning 1 mm error to each error term and simulating the error model, the pose error corresponding to each pose point is obtained. This is depicted in Figure 4.
Figure 4.
Influence of the static error term of a single-branch chain on attitude accuracy.
Analysis of the above figure yields the following conclusions:
- When only one chain has an error, the x-direction positional error is the largest, followed by the y-direction error, with the z-direction error being the smallest. In terms of pose error, the magnitudes of errors in all three directions are similar.
- The spherical joint positioning errors have a similar influence on the pose error of the moving platform, with λz1 having a negligible impact, close to 0.
- Generally, the errors in the direction of the three prismatic joints have a greater impact on the pose error of the moving platform than the spherical joint positioning errors. Additionally, the rail direction prismatic joint length error dx1 has a smaller influence than the track direction prismatic joint length error dy1 and the lifting direction prismatic joint length error dz1.
When all four chains have errors, there are six scenarios: dxi ≠ 0, dyi ≠ 0, dzi ≠ 0, λxi ≠ 0, λyi ≠ 0, and λzi ≠ 0. By assigning 1 mm error to each error term and simulating the error model, the pose error corresponding to each pose point is obtained, as depicted in Figure 5.
Figure 5.
Influence of static error terms on attitude accuracy for four branched chains.
Analysis of the above figure yields the following conclusions:
- When all four chains have errors, the x-direction positional error is the largest, followed by the z-direction error, with the y-direction error being the smallest. In terms of pose error, the magnitudes of errors in all three directions are similar.
- The spherical joint positioning errors have increased influence on the pose error of the moving platform, with the x-direction positional error being most affected, reaching 0.23 mm.
- As the parallel mechanism transitions from a rotational pose to a translational pose, the error values of most error sources gradually increase, with the spherical joint positioning errors showing the most significant change. When the parallel mechanism undergoes translational movement, the error values of all error sources tend to stabilize.
5. Error Compensation Method Based on RBF Neural Network
5.1. Error Compensation Strategy
From the analysis of the pose error of the moving platform in the 4-PPPS parallel mechanism, it is evident that the error sources affecting the pose error of the moving platform are multifaceted, and the changes in pose error are complex. Although it is possible to reduce the impact of error sources by improving the precision of parts manufacturing and assembly, the cost will also significantly increase with the advancement in precision. Moreover, due to the complexity of the model, the difficulty in parameter identification is high. Therefore, this paper considers establishing an effective error compensation algorithm to enhance the motion accuracy of the mechanism. The basic principle involves transforming static structural errors into drive joint length errors according to the error model, establishing a prediction model for the moving platform’s theoretical pose and drive joint length errors using a neural network, and optimizing the network parameters using intelligent algorithms to obtain the drive joint length compensation that corrects the actual pose of the moving platform, bringing it closer to the theoretical pose. The specific error compensation process is illustrated in Figure 6.
Figure 6.
Error Compensation Process.
The mapping between the theoretical pose of the moving platform and the drive joint length errors is typically a nonlinear function. The radial basis function (RBF) neural network possesses excellent nonlinear fitting capabilities and a fast convergence rate. Therefore, this paper uses the theoretical pose (x, y, z, α, β, γ) and joint errors (Δdx1, Δdy1, Δdy2, Δdz1, Δdz2, Δdz3) as the input and output of the RBF neural network, respectively. The RBF neural network is a three-layer feedforward neural network, consisting of an input layer, a hidden layer, and an output layer. The input layer is directly connected to the hidden layer, and the hidden layer is connected to the output layer using weights. The structure is depicted in Figure 7.
Figure 7.
RBF network structure.
In the RBF neural network, the Gaussian function is commonly used as the activation function. The network output can be represented as
where xp is the input vector (p = 1, …, 6); yj is the output vector (j = 1, …, 6); ωi is the connection weight from the hidden layer to the output layer; ci is the position of the center point for the Gaussian function; ‖·‖represents the Euclidean distance; and σ is the width parameter of the Gaussian function.
RBF neural networks have strong fitting capabilities for complex systems, but with an increase in the number of hidden layer nodes, the risk of overfitting also significantly rises. To enhance the network’s generalization capability and reduce the likelihood of the network falling into local optima, this paper globally optimizes the three key parameters of the RBF neural network: the center point ci of the hidden layer, the width σ of the Gaussian function, and the connection weights ωi between the hidden and output layers. This optimization aims to improve the overall performance of the network.
5.2. Network Parameter Optimization Based on WOA
The whale optimization algorithm (WOA) is a bio-inspired intelligent optimization algorithm inspired by the foraging behavior of whales [25]. Due to its advantages such as parameter simplicity, straightforward process, and strong local search capability, it has been widely applied to engineering optimization problems in fields such as aircraft [26,27]. The main flow of the algorithm is as follows:
- (1)
- Encircling the Prey
Whales can identify and encircle prey for capture. The position of the whale with the best fitness in the population is selected as the target position of the prey. After determining this position, the other whales update their positions based on the location information of the current optimal solution, gradually encircling and contracting to approach the target position of the prey. This stage is expressed as follows:
where D represents the distance between the position of the individual whale and the position of the best-fit whale. X(t + 1) is the updated position of the whale after the iteration. X*(t) is the best solution at each iteration. A and C are coefficients, calculated as follows:
where r is a random number between 0 and 1. is the current iteration number. Tmax is the maximum number of iterations. The value of a linearly decreases from 2 to 0; accordingly, A decreases with a. When |A| ≤ 1, the encircling of the prey stage begins, and x(t + 1) iteratively updates from x(t) toward X*(t), gradually encircling the optimal solution.
- (2)
- Bubble Net Feeding
This stage simulates the method of spouting bubble nets along a spiral path to encircle and approach the prey. The formula for simulating bubble net feeding is as follows:
where b is a constant in the spiral equation, typically taken as b = 1. l is a random number in the interval [−1, 1].
- (3)
- Searching for Prey
The whale population first searches for the prey’s location and updates the whale positions based on the current best whale position. According to the search behavior at the t-th iteration t, when |A| ≥ 1, the search behavior at the t + 1-th iteration is updated as follows:
where is a random whale position. When |A| > 1, the search for prey stage begins.
To enhance the performance and generalization capability of the RBF neural network and better predict drive errors, this paper combines the WOA with the RBF neural network. The WOA is used to optimize the three key parameters of the network, which are the center parameters and width parameters of the neural network’s hidden layer, allowing the network model to obtain optimal weights. The mean squared error (MSE) between the neural network’s actual output and the desired output is used as the fitness function, as expressed in Equation (19). The smaller the value of the fitness function is, the better the model’s prediction effects are.
where m is the number of training samples. yi is the expected output value of the training sample. i is the actual output value of the training sample.
The flowchart for optimizing the RBF neural network using the WOA is shown in Figure 8, with the specific steps as follows:
Figure 8.
Optimize processes.
Step 1: Initialize the parameters of the RBF neural network, including centers, widths, and output layer weights.
Step 2: Initialize the parameters of the whale optimization algorithm. Convert the parameters of the RBF neural network into a position vector for the whale optimization algorithm, initialize the whale population, and define the optimization objective as minimizing the mean squared error between the actual output and the expected output of the neural network.
Step 3: Calculate the fitness values of the whale individuals. Apply each whale’s parameter combination to the RBF neural network, calculate the error on the training set, and obtain the fitness value. Select the position with the smallest fitness value as the current optimal prey position.
Step 4: Iterate to optimize. Determine the corresponding strategy based on the coefficient |A| of the whale algorithm; if |A| ≥ 1, return to the previous step for random search of the current optimal position; if |A| ≤ 1, obtain the optimal parameters and proceed to the next step.
Step 5: Calculate the error. If the error meets the accuracy requirements or the fitness value meets the termination condition, the algorithm terminates the iteration and outputs the optimal values of the network parameters; otherwise, return to step 3.
Step 6: Update the network model. Use the trained RBF neural network model to predict test samples and output the prediction results.
6. Algorithm Verification and Analysis
6.1. Simulation Process
To validate the effectiveness of the proposed error compensation algorithm, this paper performs error compensation simulation on the posture adjustment mechanism using MATLAB and Adams2021.1 Student Editions. The simulation model is shown in Figure 9, and the simulation process is as follows:
Figure 9.
The posture adjustment mechanism simulation process.
- Define the workspace and the trajectory of the moving platform in MATLAB, and use the inverse kinematics to calculate the ideal lengths of the driving joints for 600 sets of pose data. Select 500 sets of pose data as the training dataset and the remaining 100 sets as the testing dataset.
- Establish a virtual prototype model of the parallel mechanism with static structural errors in Adams, and perform dynamics simulation to obtain the actual pose of the moving platform. Then, use the error model described in Section 3.1 to solve for the actual lengths of the driving joints.
- Calculate the difference between the actual lengths and the ideal lengths of the driving joints as the driving error Δd, and use the ideal pose of the moving platform and the driving error as the input and output for the WOA-RBF prediction model. Train and optimize the neural network afterward according to the method described in Section 4.2.
- Set the trajectory of the moving platform for adjustment as Equation (20). Choose 600 sets of pose data as the verification dataset and input them into the prediction model and calculate the ideal lengths of the driving joints using the inverse kinematics. Then, add the predicted value of the driving error to the ideal lengths of the driving joints to obtain the compensated values. Finally input the compensated values to the controller for the final pose after compensation.
After the simulation is completed, experimental validation is carried out, as shown in Figure 10. According to the requirements of the ship section pose adjustment equipment, the control system needs to manage and control 20 motion axes and various sensors. Therefore, a distributed control system (DCS) is adopted to manage and control each substation, and a fieldbus method is used to link the control station processors with the on-site I/O. The XDH series PLC from XinJie is selected as the controller, and the communication mechanism in the control system uses EtherCAT fieldbus to ensure system reliability and transmission efficiency. Based on the compensation strategy described above, the compensation amount for the drive joints is added to the ideal pose corresponding drive joint lengths to form new input values. Using the Simulink PLC Coder module, the intelligent control algorithm blocks are generated as Structured Text (ST) language code from MATLAB/Simulink. This code is then applied to the PLC devices. Finally, a laser tracker is used to measure and calculate the position of the center of mass of the ship section, thereby verifying the feasibility and effectiveness of the intelligent control algorithm.
Figure 10.
Parallel mechanism and measurement system.
6.2. Analysis of Results
The initial population of the whale optimization algorithm (WOA) is set to 50, with a maximum number of iterations of 500 and a convergence threshold of 10−5. After WOA optimization, the optimal network structure parameters are determined. To test the reliability of the algorithm, this paper compares the network models optimized by the particle swarm optimization (PSO) algorithm and the WOA. Figure 11 shows the convergence effects of the two algorithms. As can be seen from the figure, with the increase in the number of iterations, the value of the objective function gradually approaches 0. The optimal values obtained by the two algorithms are similar, while the WOA has a faster convergence speed.
Figure 11.
Variation curve of prediction effects with the number of PSO/WOA iterations.
After completing the parameter optimization of the RBF neural network, further rigorous verification of its prediction performance was conducted. This verification stage aims to quantify the model’s generalization ability for unknown data sets, especially in terms of the prediction accuracy of the drive joint errors as the output. Define ε as the deviation between the actual output value and the expected value of the drive joint error: . The decrease in ε values intuitively reflects the improvement in the model’s prediction accuracy. To systematically evaluate and highlight the significance of the optimization strategy proposed in this paper for improving the performance of the RBF neural network, the original unoptimized RBF model, the WOA-RBF model optimized by the whale optimization algorithm, and the PSO-RBF model optimized by the particle swarm optimization algorithm are compared. The prediction effects of the three types of models on the drive joint errors are shown in Figure 12.
Figure 12.
Comparison of the effect of drive joint error prediction.
From Figure 12, it can be seen that, overall, the three types of models have small deviations between the output values and the expected values when predicting the drive joint errors. The prediction accuracy of the RBF models optimized by PSO and WOA is significantly higher than that of the original RBF model. The prediction error of the original RBF model is within 20%, with the largest overall fluctuation range; the prediction error of the PSO-RBF model is within 12%, with a smaller overall fluctuation range; and the prediction error of the WOA-RBF model is mostly controlled within 10%, with the deviation value maintained below 0.02 mm for the output values Δdx1 and Δdy2. Through comparison, it can be concluded that the WOA-RBF model has the smallest overall fluctuation range of prediction errors, higher accuracy compared with the other two models, and the best prediction effect, indicating that this model can accurately predict the drive joint errors.
By superimposing the predicted values of the drive joint errors on the ideal lengths of the drive joints and inputting the corrected drive joint lengths into the controller for simulation and experiment, the pose error of the center of the moving platform before and after error compensation is analyzed. The compensation effects of the RBF model, the PSO-RBF model, the WOA-RBF model and experiment results are compared, with the results shown in Figure 13 and Figure 14.
Figure 13.
Compensation result of moving platform position error.
Figure 14.
Comparison of data on error compensation results of parallel mechanism.
Figure 13 illustrates a notable reduction in the positional and orientation errors of the moving platform following error compensation. The radial basis function (RBF) model effectively minimizes the positional error compared with pre-compensation levels; however, it still exhibits considerable fluctuations in the compensation of orientation error. In contrast, the particle swarm optimization—RBF (PSO-RBF) model successfully maintains the pose error of the dynamic platform at a relatively low level in most scenarios, particularly excelling at reducing peak errors. The whale optimization algorithm—RBF (WOA-RBF) model demonstrates the most effective error control capability, stabilizing the pose error of the moving platform within the range of 10−2 to 10−3, thereby significantly enhancing the motion accuracy of the parallel mechanism. The experimental results closely align with the simulation outcomes; nonetheless, the presence of additional dynamic error factors, such as gaps and deformations within the parallel mechanism during operation, leads to minor oscillations in the pose error of the moving platform. As depicted in Figure 14, the maximum and average pose errors of the moving platform improved under the error compensation provided by the three distinct models. After WOA-RBF compensation, the mean position error in the three directions decreased by 96.2%, 97.4%, and 95.7%, respectively, and the maximum errors reduced by 93.9%, 97.8%, and 94.2%, respectively. While the maximum attitude errors in the three directions also diminish, the reduction in mean error is less pronounced. These simulation results suggest that employing the WOA-RBF prediction model proposed in this study for compensating the drive joint lengths can effectively reduce the pose error of the moving platform, thereby achieving enhanced motion accuracy for the parallel mechanism.
7. Conclusions
In this research, we take the posture adjustment mechanism as the research object, aiming to solve the problem of trajectory error generated by the moving platform during the motion process caused by the structural error of the attitude mechanism, and then reduce the interference during the docking process of the ship’s general section from the actuator level. To reduce the positioning error of the moving platform of the parallel mechanism, we propose a compensation method based on error prediction. This method substantially improves the operating accuracy of the mechanism.
In order to systematically study the problem of parallel mechanism errors, we establish the kinematic inverse solution model based on kinematic analysis. In response to the static structural errors inherent in the mechanism, a mapping model between the error sources and the pose error of the moving platform is constructed. By analyzing the influence of structural parameter errors on the pose error of the moving platform, it is found that the length error of the track direction prismatic joint has the greatest impact on the operation accuracy of the parallel mechanism, and as the mechanism transitions from a rotational pose to a translational pose, the pose error gradually increases. Finally, the WOA is used to optimize the RBF neural network algorithm for predicting drive joint errors, and the superimposed value of this error with the ideal drive joint displacement is used as input for simulation verification.
The simulation results indicate that the pose error compensation method based on the WOA-RBF prediction model proposed in this paper can effectively improve the motion accuracy of the parallel mechanism. The mean positional error is reduced from 0.173 mm before compensation to 0.002 mm after compensation, with an average pose accuracy increase of 85.07%. The compensation effect is significant, validating the feasibility and accuracy of the proposed method.
Author Contributions
H.S.: writing—original draft, visualization, and methodology. H.Z.: funding acquisition, resources, and formal analysis. Y.J.: writing—review and editing, data curation, and validation. L.L.: funding acquisition, resources, and project administration. B.D.: supervision. J.X.: Investigation. All authors have read and agreed to the published version of the manuscript.
Funding
This research was supported by Ministry of Industry and Information Technology, grant NO. CBG01N23-03-02 (Digital Simulation and Efficient Execution of Ship Block Construction Process).
Data Availability Statement
The data that support the findings of this study are available from the corresponding author upon reasonable request. The data are not publicly available due to privacy or ethical restrictions.
Acknowledgments
The authors would like to acknowledge Li Chunjin from Mechanical Engineering Department for providing model design and technical assistance. They also thank Shen Hongyu and Chen Qinghui from the Mechanical Engineering Department for their support and assistance during the experiments.
Conflicts of Interest
There are no conflicts of interest.
References
- Li, C.; Yan, X.; Li, S.; Liu, J.; Ma, F. Survey on Ship Autonomous Docking Methods: Current Status and Future Aspects. In Proceedings of the 30th International Ocean and Polar Engineering Conference, Virtual, 11–16 October 2020. [Google Scholar]
- Li, L.; Chen, Q.; Zhou, H.; Li, C.; He, Q. Efficient and precise docking trajectory optimization for the ship block assembly. Proc. Inst. Mech. Eng. Part. M. J. Eng. Marit. Environ. 2023, 238, 14750902231210344. [Google Scholar] [CrossRef]
- Zhu, C.; Katupitiya, J.; Wang, J. Effect of links deformation on motion precision of parallel manipulator based on flexible dynamics. Ind. Robot. Int. J. 2017, 44, 776–787. [Google Scholar] [CrossRef]
- Varedi-Koulaei, S.; Daniali, H.M.; Farajtabar, M. The effects of joint clearance on the dynamics of the 3RRR planar parallel manipulator. Robotica 2017, 35, 1223–1242. [Google Scholar] [CrossRef]
- Wei, X. Power Dissipation Performance Optimization and Comprehensive Error Compensation Analysis of 3PSS/S Parallel Mechanism. Ph.D. Thesis, Yanshan University, Qinhuangdao, China, 2018. [Google Scholar]
- Lv, D. Study on Static and Dynamic Error Analysis and Compensation Algorithm of a Kind of Parallel Mechanism. Ph.D. Thesis, Civil Aviation University of China, Tianjin, China, 2022. [Google Scholar]
- He, C.; Chen, M.; Liang, H.; Zhang, Y.; Chen, Z. Error compensation of a 2TPR&2TPS parallel mechanism based on particle swarm optimization. Trans. Can. Soc. Mech. Eng. 2023, 48, 118–131. [Google Scholar] [CrossRef]
- Guo, D.; Xie, Z.; Sun, X.; Zhang, S. Dynamic modeling and model-based control with neural network-based compensation of a five degrees-of-freedom parallel mechanism. Machines 2023, 11, 195. [Google Scholar] [CrossRef]
- Wang, X.; Wang, S.; Wu, M.; Lv, D.; Shi, X.; Li, B.; Guo, Z. Elastodynamic modeling and structural error compensation for a 5-DOF parallel mechanism with subclosed loops. Proc. Inst. Mech. Eng. Part. C. J. Mech. Eng. Sci. 2024, 238, 4999–5013. [Google Scholar] [CrossRef]
- Wei, G.; Bin, X.; Toshiki, T.; Yuki, S.; So, I. Self-calibration and Compensation of Setting Errors for Surface Profile Measurement of a Microstructured Roll Workpiece. Chin. J. Mech. Eng. 2014, 27, 14–22. [Google Scholar]
- Xu, D. Kinematic reliability and sensitivity analysis of the modified Delta parallel mechanism. Int. J. Adv. Robot. Syst. 2018, 15, 1729881418759106. [Google Scholar] [CrossRef]
- Shan, P.; Xie, L.; Tian, W.; Wen, J. Modeling of position and pose error of Stewart machine tool based on D-H transforming matrix. J. Mech. Eng. 2010, 46, 186–191. [Google Scholar] [CrossRef]
- Liang, Y.; Chen, G.; Chen, W.; Sun, Y.; Chen, J. Analysis of volumetric error of machine tool based on Monte Carlo method. J. Comput. Theor. Nanosci. 2013, 10, 1290–1295. [Google Scholar] [CrossRef]
- Li, B.; Tian, W.; Zhang, C.; Hua, F.; Cui, G.; Li, Y. Positioning error compensation of an industrial robot using neural networks and experimental study. Chin. J. Aeronaut. 2022, 35, 346–360. [Google Scholar] [CrossRef]
- Xu, M.; Tian, W.; Zhang, X. Kinematic Calibration for the 3-UPS/S Shipborne Stabilized Platform Based on Transfer Learning. J. Mar. Sci. Eng. 2024, 12, 275. [Google Scholar] [CrossRef]
- He, Z.; Lian, B.; Li, Q.; Zhang, Y.; Song, Y.; Yang, Y.; Sun, T. An Error Identification and Compensation Method of a 6-DoF Parallel Kinematic Machine. IEEE Access 2020, 8, 119038–119047. [Google Scholar] [CrossRef]
- Shan, X.; Cheng, G. Structural error and friction compensation control of a 2 (3PUS+ S) parallel manipulator. Mech. Mach. Theory 2018, 124, 92–103. [Google Scholar] [CrossRef]
- Li, Y.; Xue, Y.; Yang, F.; Cai, H.; Li, H. Comprehensive Compensation Method for Motion Trajectory Error of End-Effector of Cable-Driven Parallel Mechanism. Machines 2023, 11, 520. [Google Scholar] [CrossRef]
- Zhang, Q.; Zhao, X.; Liu, L.; Dai, T. Adaptive Sliding Mode Neural Network Control and Flexible Vibration Suppression of a Flexible Spatial Parallel Robot. Electronics 2021, 10, 212. [Google Scholar] [CrossRef]
- Liu, H.; Yan, Z.; Xiao, J. Pose error prediction and real-time compensation of a 5-DOF hybrid robot. Mech. Mach. Theory 2022, 170, 104737. [Google Scholar] [CrossRef]
- Subhi, J.; Anas, A.; Ghiath, A.; Lydie, N.; Hang, S.; Samer, A. Distributed real-time control architecture for electrohydraulic humanoid robots. Robot. Intell. Autom. 2024, 44, 607–620. [Google Scholar] [CrossRef]
- Zhao, J.; Wang, Z.; Lv, Y.; Na, J.; Liu, C.; Zhao, Z. Data-Driven Learning for H∞ Control of Adaptive Cruise Control Systems. IEEE Trans. Veh. Technol. 2024, 1–15. [Google Scholar] [CrossRef]
- He, L.; Ruolong, Q.; Ke, Z.; Jibin, Z. Research on Fuselage Section Docking Method Based on 4-PPPS Parallel Mechanism. Mach. Tool Hydraul. 2024, 52, 22–29. [Google Scholar]
- Liu, H. Research on the Compensation and Control of Position Error of Automatic Docking Dislodgement Connector. Ph.D. Thesis, Nanjing University of Science & Technology, Nanjing, China, 2018. [Google Scholar]
- Mirjalili, S.; Lewis, A. The Whale Optimization Algorithm. Adv. Eng. Softw. 2016, 95, 51–67. [Google Scholar] [CrossRef]
- Bahmani, V.; Adibi, M.A.; Mehdizadeh, E. Integration of two-stage assembly flow shop scheduling and vehicle routing using improved whale optimization algorithm. J. Appl. Res. Ind. Eng. 2023, 10, 56–83. [Google Scholar] [CrossRef]
- Pang, S.; Guo, S.; Wang, L.; Li, Y.; Li, X.; Liu, Z. Mass personalization-oriented integrated optimization of production task splitting and scheduling in a multi-stage flexible assembly shop. Comput. Ind. Eng. 2021, 162, 107736. [Google Scholar] [CrossRef]
Disclaimer/Publisher’s Note: The statements, opinions and data contained in all publications are solely those of the individual author(s) and contributor(s) and not of MDPI and/or the editor(s). MDPI and/or the editor(s) disclaim responsibility for any injury to people or property resulting from any ideas, methods, instructions or products referred to in the content. |
© 2024 by the authors. Licensee MDPI, Basel, Switzerland. This article is an open access article distributed under the terms and conditions of the Creative Commons Attribution (CC BY) license (https://creativecommons.org/licenses/by/4.0/).













