You are currently viewing a new version of our website. To view the old version click .
Water
  • Article
  • Open Access

7 May 2024

Methodology to Increase the Efficiency of the Mineral Water Extraction Process

and
Economics Faculty, Saint-Petersburg Mining University, 199106 Saint-Petersburg, Russia
*
Author to whom correspondence should be addressed.
This article belongs to the Special Issue Challenges to Interdisciplinary Application of Hydrodynamic Models

Abstract

The most important source of human life support is water. During the development of mineral water fields, unsustainable patterns of production and consumption have been observed, which could lead to environmental damage and the deterioration of mineral water quality and sources. In this work, a procedure for determining the modified link’s parameters, replacing the static and dynamic indicators of the hydrodynamic process, is proposed. Recording the parameters at the different filtration coefficients along the spatial coordinates allows the environmental safety of aquifers to be increased and the pressure of the reservoir to be stabilized. The presented approach allows the accuracy of the process used to control the reservoir’s pressure to be increased.

1. Introduction

The main resources for the therapeutic and preventive activities of federal resorts are mineral waters and mud, which have unique balneological properties. On the territory of the Caucasian Mineral Waters (CMWs), there is a rare natural deposit of mineral waters located within the boundaries of the Caucasian Mineral Waters artesian basin. It includes the following republics of the North Caucasus Federal District: Karachay-Cherkessia, Kabardino-Balkaria and the Stavropol Territory. The area of the resort is 5243 km2 [,,]. The Government of the Russian Federation has assigned this territory the status of an ecological resort region, where economic activities are regulated by a special regime of environmental management. Based on licenses, geoexploration and the industrial production of hydromineral resources are carried out in 29 identified subsoil areas.
The Tambukan medicinal mud deposit also belongs to the CMW region, and its reserves are as follows:
  • salt brine—328.9 thousand m3 [].
  • general-use water—0.8–0.1 million m3 [].
The mineralization of mud ranges from 54.0 to 56.0 g/L. The Stavropol Territory is also home to the Salt and Kumagorskoe mud lakes [,,].
The potential of the hydromineral resources of the CMWs is the basis for the exploitation of the region as a main tourist and recreational resource.
The greatest variety of hydromineral resources is located in Pyatigorsk, where more than 40 mineral water sources come to the surface; of these, 38 are active sources, and of these, 23 wells are operation and 15 are observation wells [,,,].
Kislovodsk, where the Narzan mineral springs are located, is also rich in mineral resources (see Figure 1). Under the above name, according to the decision of the Russian Committee on Patents and Trademarks, only Kislovodsk mineral water can be produced. The balneological value of “Narzan” is determined by their level of saturation with carbon dioxide, their mineralization and the ratio of chemical elements [,]. It should be mentioned that Kislovodsk Narzan contains copper, iron, manganese, silver, iodine, bromine, radon, as well as phosphoric and boric acids, which significantly increases the healing properties of the water. The city operates 10 springs, which provide about 1800 thousand liters of water.
Figure 1. Layout of production wells [].
The only enterprise that can use the designation of this origin of mineral water is Narzan JSC []. Particular attention is paid to maintaining the quality of this product and combating counterfeiting. Today, the glass bottle “Narzan” 0.5 L Elite has several degrees of protection, thanks to which the trademark is protected. At the moment, the Narzan enterprise is a modern enterprise, equipped with state-of-the-art equipment and staffed with highly qualified specialists. At the moment, one of its priorities is the task of reducing damage to nature during the exploitation of deposits. During its life, the company has been enriched with extraordinary experience. Any activity of the enterprise is aimed at the consumer and the modernization of technological processes.

2. Problem Statement

Along with its industrial development, the CMW region retains its environmental value. The resort areas of the region, such as the ski resorts of Elbrus and Dombay, are the most attractive places for tourists not only due to their landscapes, but also due to their ecological cleanliness. A large number of medicinal plants and minerals can also be found in this region and are used for medicinal purposes [,,,].
Today, the CMW region is one of the most attractive regions of Russia for investors. Its well-established infrastructure, combined with a rich history and beautiful landscapes, makes the region attractive for tourism, and the expansion of mineral extraction helps to increase the economic potential of the region. Together, they ensure the sustainable development and future of the CMW region. Despite recent achievements in the development of the region, there is still a lot of potential. Local authorities are taking steps to improve water supplies and communications, as well as to expand the resort areas and develop new forms of tourism, such as ecotourism and adventure tourism [].
An analysis of recent decades shows the following:
  • the use of mineral water has more than doubled, due to which the natural distribution of the vertical hydraulic gradient in the upper layers of the hydrolithosphere has greatly changed;
  • due to the above, a deterioration in the quality composition of mineral waters has been noticed;
  • due to changes in the vertical hydraulic gradient, a downward flow is activated, with which the aquifer is polluted by municipal and domestic wastewater.
The deterioration of the environmental situation is also influenced by the resort status of the CMW, due to which many restrictions on market relations have been lifted; these contribute to the unfavorable situation with surface waters [].
According to this, there is a potential threat of the impoverishment of mineral deposits. At the moment, more than ten hydromineral springs have been destroyed forever. Therefore, the task of finding methods for the optimal extraction of mineral water seems most relevant.

3. Research Background

3.1. Background of the Research

More than 200 years ago, mineral water sources were discovered in the south of Russia, around which the largest resort region, called the Caucasian Mineral Waters (CMWs), was formed. It includes the world famous resort cities of Kislovodsk, Essentuki, Pyatigorsk, and Zheleznovodsk. The economic and environmental well-being of the CMW region is largely determined by balneological resources, including the state of the mineral water deposits used both for balneological purposes and for bottling [,,,]. The technological and man-made load exerted on the hydrolithosphere of the region increases every year, which has negative consequences. The construction of large sanatorium complexes in the 1950s–1970s, an increase in the mineral water production volume, and the deterioration of the environmental situation have led to a decrease in the quality characteristics of the groundwater mineral composition from many sources. Over the past 25 years, an increase in the number of subsoil users and the volume of mineral water production, with significant dynamics, have accompanied the transition to a market economy. The volume of production has more than doubled, and, in some cases, this increase occurs without serious justification for the operating mode []. Despite such a sharp increase in the volumes of extracted raw materials, the importance of creating a unified system for the operational monitoring, management and forecasting of processes in the hydrolithosphere of the CMW region cannot be ignored [,,,]. Geological objects differ from technical objects in many ways. Their structure, as a rule, is not fully understood. As a result, geological surveys can be very expensive and are required throughout the geological development process. A technical scheme for geological development is necessary and justifies a rational development method [,,]. In countries such as the USA, Japan, Italy, and Germany, achievements have been recorded regarding the use of hydromineral raw materials and the extraction of rare elements and mineral salts [,]. Worldwide, the USA is in first place for the production of hydromineral raw materials (thousand tons/year): the USA’s production of lithium is about 16, its production of bromine is up to 190, its production of magnesium oxide is up to 750, and its production of table salt is about 16,000; Japan’s production of iodine is up to 7; and Italy’s production of borates is about 35 []. There is a tendency to expand the use of various types of hydromineral raw materials in the industrial production of rare metals and chemical products.
The main resource for a safe drinking water supply is groundwater. However, unconfined aquifers may be vulnerable to microbial contamination during extreme weather events that result in runoff. The greatest seasonal variability in the composition of the microbial community was revealed during a period that saw the simultaneous melting of snow and heavy precipitation, leading to the surface runoff of aeroponics and Bacillus. A field experiment simulating high levels of runoff around a groundwater well confirmed elevated abundances of surface soil microorganisms in well water, indicating the vulnerability of groundwater to surface microbial invasion during extreme weather events []. The condition of rocks and aquifers has a huge impact on the extraction of hydromineral raw materials throughout the world [,,].
To maintain the quality of extracted hydromineral raw materials, it is necessary to pay special attention to filtration processes []. Many literary scientific sources discuss the types of experimental filtration work, the conditions for their application and the basic requirements for them, and also describe methods for determining the hydrodynamic parameters in the stationary, non-stationary and quasi-stationary modes of water filtration during experimental pumping and observations of level restoration outside the influence of hydrogeological boundaries [,,]. Groundwater microbial community dynamics are poorly understood due to challenges associated with access to subsurface environments. But to date, microbial interactions and their influence on the subsurface carbon cycle remain unclear.
Also, the issue under consideration is relevant in China [,,,,,]. Lakes in cold and arid regions are extremely sensitive to global climate change, and studying seasonal spatial and temporal variations in lake–groundwater chemistry is of great importance for water resource management and environmental conservation. This once again confirms the importance of the climate in the extraction of hydromineral raw materials.
The main sources of the anthropogenic pollution of groundwater will be divided into three main groups: regional, linear and local []. Regional sources of pollution include intensive agricultural and irrigated areas, where mineral and organic fertilizers and crop treatments are systematically applied; residential and industrial areas in urban districts with a concentration of pollution in groundwater associated with storage sites; and discharges and leaks of industrial and urban liquid and solid fuels. Areas that store hydrocarbon products underground are mentioned [,,,,,,,,].
The leak of hydrocarbons and associated pollutants from underground oil and gas pipelines and soil, as well as the concentrated discharge of harmful substances from road and rail transport, are the main sources of the linear and engineering pollution of groundwater with petroleum products and heavy metals.
As a result of field and office work carried out on the territory of the Eastern Cis-Caucasian artesian basin (CCAB), six stable centers of the oil and chemical pollution of groundwater were identified [,,,,,]:
I.
Grozny source of oil pollution.
II.
Mozdok source of oil pollution.
III.
Neftekumsk source of oil and chemical pollution.
IV.
Zaterechny source of oil and chemical pollution.
V.
South Sukhukumsky center of oil and chemical pollution.
VI.
Ryzdvyansky center of oil product, phenolic and chemical pollution.

3.2. Characteristics of the Research Object

The CMW region, orographically, contains two parts, namely northern and southern; the first part includes one of the highest peaks on the planet—Elbrus. The northern side is characterized by a flat terrain, where the maximum height reaches no more than 600 m, which clearly stands out among such mountain peaks as Beshtau, Mashuk, Yutsa, etc. The relative heights from the surrounding relief range from 100 to 800 m, and the absolute heights reach 1401 m (Beshtau) []. To the south, a wide arachnid chasm encroaches on the plains. This is one of the archaic terraces created as a result of the deposition of the Baku and Khazar continental layers. Towards the south, the confluence of the Kum-Podokum interfluve turns into a plateau, one of the tributaries of which is called the Borgustan ridge, the absolute height of which is 1116 m []. On the steppe ridge begins a mountainous area created by Upper Cretaceous limestones, gently sloping in the north and steeply plunging in the south. The steppe ridge looks like an asymmetrical cuesta ridge, elongated in the direction of latitude and reaching an absolute height of 1200–1542 ms. It is divided into the west and east by the wide valley of the Podkumok River, and these areas are called the Darinsky and Dzhinalsky ridges, respectively. The Pasture Range is also divided into a number of smaller branches by deep side valleys of small rivers [,,].
To the south extend the Rocky Mountains, which, like the above-mentioned ranges, consist of Upper Jurassic and Lower Cretaceous carbonate rocks, forming the Bermamyt plateau. The ridge extends approximately parallel to the Main Caucasus Range and is located within the CMW region. From northwest to southeast, the elevation of the ridge reaches from 2033 m to 2948 m. To the south, there is a depression that appeared due to Lower Jurassic deposits, the highest part of which is known as the Bechasyn plateau. The plateau is hilly, with a maximum height of 2000–2500 m and a width of 34 km, and it is divided by deep ravines with steep slopes. A high mountain range stretches south of the Bechasyn plateau. The absolute height of its crest is 2500–3700 m. On the northern slopes of the ridge, there are often traces of ancient glaciation in the form of moraines and kurums.
In the southern territory of the CMW, there is the Caucasus ridge and the rich city of Elbrus with a volcanic peak, next to which the largest glaciers are located. The area of these glaciers has recently decreased significantly due to global warming [,,,].
The Kislovodskoye field is located on the Bermamyt plateau, the central part of which is located in a valley that arose due to the confluence of the Berezovaya and Olkhovka rivers, with a maximum height of 800–860 m. In the north, at the confluence of the Belaya and Berezovaya rivers, the maximum altitude of the area is about 800 m (see Figure 2). The Berezovsky site is located at a higher absolute altitude (900–1200 m) on plateaus within the Berezovaya gorge, dug by the bed of the Berezovaya River []. In the area of the Podkumok River, there is the Podkumsky district, whose maximum altitude is in the range of 750 to 800 m. The Olkhovsky section of the Kislovodsk concession is located in the valley of the Olkhovka River, where the maximum altitude is 970–1050 m [,,,]. The CMW region is not rich in surface and water resources. The Caspian Sea basin includes all the rivers of the region under consideration, which begin in the north of the Caucasian and Rocky ranges; the main sources of these rivers are springs (the Kuma River) or glaciers (the Malka River). The most developed network of water courses is in the south of the region.
Figure 2. The geological and hydrogeological profile of the Kislovodsk deposit. The Y axis shows the altitude above sea level in meters. The X axis is meters.
The Malka River flows in the southeastern part of the territory at a great distance from the Kislovodsk field (more than 10 km). According to [], the flow rate of Malki in the area of the village of Khabez ranges from 60–80 m3/s to 7–10 m3/s.
The Kuma River is located in the north-west of the region. The river’s current angle varies from 0.05 to 0.1 in the mountains to 0.009 on the plane. The current speed is in the range of 0.5 to 3.5 m/s. The highest water flow was recorded in April (74–75 m3/s), and the minimum in August (0.25 m3/s). The average annual water flow is 10.1 m3/s [,,,].
At the foot of Mount Takhtamysh-Tau, there is a tributary of the Podkumok River—Kuma. The basin area is 2225 km2, the length of the basin is 147.3 km, and the total length is 915.7 km. Fifty percent of the waters of the Kuma River flow into Podkumok. The river flow speed is about 3.2 m/s.
The Podkumok flows through three of the four resort towns. Behind them is Zheleznovodsk, which flows into the Kuma River. Podkumok reflects the characteristics of a mountain river, with a fast flow and reaction to precipitation. The river flows through a widely developed valley, from Essentuki to the mouth. A percentage of the water becomes groundwater and takes part in the formation of certain types of mineral waters.
In the Kislovodsk region, the flow of the Podkumok River varies widely. The maximum flow rate is 10 m3/s in June, the minimum is about 2–3 m3/s in winter, and in general the river cannot be called high water, except during periods of heavy rainfall. The salinity level of the river is approximately 0.6 g/dm3.
The river consists of many tributaries, 80% of which are the rivers Eshkakon, Alikonovka, Berezovaya, Bolshoi Essentuchok, and Yutsa. There are no hydrometric stations on the territory of the described rivers. Due to the need for hydrological monitoring, the Narzan enterprise built a station in the area of well No.7-RE on the Berezovaya River [].

3.3. Technogenic Agricultural System

The region’s territory is mainly connected with the rural sector. Agricultural property occupies approximately 85% of the area. This is clearly visible in the satellite photographs. As a result of intensive agriculture, a loss of humus occurs in the soil, which significantly reduces the protection of the soil from pollution. For example, deforested chernozems in the Stavropol Territory have lost 20–34% of their original basic humus over the past 100 years [].
In order to increase soil fertility, intensive, uncontrolled mineral fertilizers are applied along the borders of arable land. Heavy metals and other chemical elements form a mixture of components that penetrate from raw materials or are caused by improper fertilization.
For example, 1 kg of phosphorus contains phosphate fertilizers from the Syundyukov deposit [,,,]:
Be2 MgCo40 MgCr30 Mg
Mn750 MgPb9 MgSr500 Mg
Mo1,5 MgCd8 MgBa125 Mg
Cu25 MgZr55 MgB80 Mg
Zn45 MgTi900 MgF13000 Mg
Superphosphate fertilizers contained in mg/kg [,,,]:
Cu-12Pb-8Ni-6,5Zn-9,7Cr-8V-26B-80Mo-2
Due to the increase in soil fertility with fertilizers, the content of the following elements increases: Mo, Zn, Cr increase to 11–12%, Pb and B increase to 7–8% and Cu, Ni, V increase to 2–4%.
The following migrate to the subsoil layer with greater intensity: Zn, B, Pb, Cr and Mo, and to a lesser extent, Ni, V, Cu, and Co.
The use of various types of pesticides on agricultural farms also has a great impact on the ecology of the geological state. Recently, the intensity and volume of agricultural processing with pesticides has been characterized as an uncontrolled process. On average, in 2007, farms located on the borders of the Eastern Cis-Caucasian artesian basin (ECAB) received 2–2.5 kg of toxic substances per 1 hectare of cultivated land.
Today, about 20 varieties of agricultural pesticides are used on cultivated lands, the composition of which is not disclosed by the manufacturers, and the side effects of these drugs on the environment have not been sufficiently studied. In a 2007–2009 field survey of water intakes and underground deposits, no remains of known toxic compounds previously used in agriculture and those most vulnerable to the decomposition of the GHCG lindane, DDT, 2, and 4D-amine salt in underground water were identified.
The large area of irrigated land in 53 irrigation and drainage systems has a significant impact on the groundwater regime and chemical composition in the ECAB area. The main irrigated agricultural lands are limited to the eastern foothills and piedmont plains. The main source of water supply is water from the Kuban, Kuma, Malka, Sulak and Terek, supplied to irrigation areas through main and distribution pipes. From irrigated areas, drainage runoff contaminated with chemical components (contained in mineral fertilizers and pesticides for plant protection) enters surface waters and ponds, from where they seep into groundwater, which contributes to the deterioration of the quality of the water supply.
In addition to the chemical pollution of the environment, intensive farming that disrupts the natural structure of the soil leads to the activation of erosion, planar washout, the contamination of soil and rock zones, as well as flooding.

3.4. Technogenic Industrial System

Oil pollution is classified as one of the most dangerous types of pollution in groundwater. The main sources of this type of pollution are industrial enterprises and oil production areas within the boundaries of developed hydrocarbon fields. Within the boundaries of the Rosneft company, the “Neftekum”, “Yuzhno-Sakhalinsk” and “Groznensky” oil, gas, condensate and gas fields are being developed. The “Neftekymsky” oil refining plant, with an area of 2500 km2, is located in a semi-desert area in the northeast of the Stavropol region and consists of 35 oil fields developed by the “Stavropolneftegaz” company. The development of oil fields began in the 20th century. Total oil production will be 1 million tons annually. Petroleum liquids from a production well are transported by underground pipelines to a group plant, and then pumped to a central collection point; after preliminary preparation in a central collection point, the oil is pumped to a treatment or stabilization unit in the oil and gas field. From the “Neftekumsky” plant, oil that has been purified from formation water and gas and is ready for transportation is supplied to the pumping station and then sent through the main oil pipeline to the Chkalovsk loading station.
The industrial drinking water of the production facility is supplied from the 29 single-well water intakes with a total groundwater volume of 1 million m3 per year. Untreated wastewater is discharged into the wells and sometimes onto the surface. The main causes of pollution with petroleum products are the chemical elements of iodine, bromine and heavy metals in highly mineralized 30–78 m3 industrial waters in the operation area of “Stavropolneftegaz LLC” reservoir wells, which are located near the center of the accumulation of petroleum products, emergency drainage oil settling tanks, oil parks, and individual reservoirs with oil in group areas, places with the systematic emergency rupture of an underground oil pipeline, and oil ruptures in an area of up to 0.5 km2 of earth surfaces.

4. Methodology

4.1. Approximation of Dynamic and Static Characteristics of Hydro-Lithospheric Processes

The practice of analyzing the distributed systems and solving the synthesis problems often uses finite approximation methods. There are many publications on methods for the testing of distributed objects [,,,,]. It is recommended that the approximation of systems with distributed parameters is used very carefully, since they significantly change the properties of the model. When approximating a distributed object, we obtain another object whose properties are not similar to the initial ones. To solve control problems, the dynamic and static characteristics of distributed objects and the links that describe them are used.
The validation of a discrete model means that the properties of approximating link 1 and the similar parameters of link 2 are in close proximity.
A practically important object with distributed parameters can be a hydrosphere process. The methods used for studying objects are presented in [,,,,], and the method presented in [,,,,] can be used to determine the location of production and monitoring wells. Technical means of collecting and storing telemetry data, such as Keder-DM complexes, configured in reception and control wells, make it possible to manage operational processes in real time. To solve the problem of the downhole control of a production well, it is necessary to describe the dynamic and dynamic characteristics of the control object.
The links parameters show a specific approximating reduction in the process level in well 1 and in the control well. To determine the level decrease at a point, the structure of the approximating link is defined as follows:
W a = K β exp β r ;                       β = D 1 2
where D, K, and a are 5h3 determined parameters, and r is the distance from the action well to the measured point.
For the calculation of the parameters of the approximating link, by equating the static gain coefficients of the approximating link to the values of K1 and K2, we obtain a system of equations:
K 1 = K β exp β r 0 K 2 = K β exp β r 2 , β = D 1 2
By considering the values K1 = 0.0224; K2 = 0. 00236; r0 = 0.2; and r2 = 180 to (2.6), we obtain the following:
0.0224 = K β exp β 0.2 0.00236 = K β exp β 180 , β = D 1 2
The solution of the system in Equation (3) leads to the following result:
K = 0.00028799; D = 0.000166114
The filtration coefficients presented in Figure 3 show where the values for x and y (Kx, Ku) are the same.
Figure 3. Location of production and monitoring wells.
The development of a method for approximating the dynamic and static characteristics of hydro-lithospheric processes.
The filtering coefficient for the x and y space coordinates is different. This research paper proposes that the above procedure should be adapted to describe the characteristics of an object with different filtering coefficients based on spatial coordinates. In this case, the structure of the link, which approximates the static coefficients, can be written in the following form:
W a = K β e x p ( β x 2 + K n y 2 ) 0.5 , β = D 1 2
A well is formed around the production well; we assume that its radius is r0:
W a = K β exp ( β x 0 2 + K n y 0 2 ) 0.5 , β = D 1 2 , x 0 = r 0 , y 0 = r 0
The impact on the entrance to the object is considered by the average flow rate of the disturbance pump, and the output functions change the level of reduction during the production and control of wells. Experimental and filtration work was carried out at the considered field, and it was found that the average flow rate of the input influences is as follows: Qm3/day (103 m3/day). The distance between the wells under consideration is as follows: L1 = 180 m; L2 = 150 m.
The output of the time delay of the signal, in comparison with the influence of the input in the second monitoring well, is 21 min.
The next step is to determine the parameters of the approximating link (2).
1 .   K 1 = K β exp β x 0 K 2 = K β exp β L 0 K 3 = K β e x p β K p L 2 ,                                 β = D 1 2
2 .   0.0225 = K β exp β 0.3 0.00241 = K β exp β 180 0.0015 = K β e x p β K p 150                         β = D 1 2
The hydraulic interaction coefficient of the well is as follows:
W a = 0.00028157 β e x p β ( x 2 + 1.6571 y 2 0.5 , β = 0.00028175 1 2
Figure 4 and Figure 5 display graphs reflecting the interactions of the wells (wells are shown in Figure 4)
Figure 4. Well interaction.
Figure 5. Interaction of well arrangement.
Well hydraulic interaction coefficient.
The link that approximates the static coefficient and the dynamic nature of the object can be written as follows:
W a = K β e x p β x 2 + K P y 2 0.5 ,   β = s a + D 1 2 r 0 x < ,       r 0 y <
where s is the Laplace operator and a is the parameter being determined.
Assuming that in (5), s = jω (ω = ω1), the relationship for determining the phase of the approximating link is as follows:
Δ φ = I m ( β ) x 2 + K P y 2 0.5 a r c t a n I m β R e β
β = j ω 1 a + D 1 2 ,   r 0 x < ,   r 0 y <
Assuming that ∆φ = −1.259 and by solving Equation (8) using the numerical method, it can be determined that a = 6.30204. Substituting the value of a into (7) gives the following:
W a = 0.00028157 β e x p β x 2 + 1.6571 y 2 ) 0.5
β = s 6.30204 + 0.00028175 1 2
Link (7), which approximates the static coefficients and dynamics of the object under consideration, can be used to verify a discrete model of the hydrodynamic process under consideration.

4.2. The Practical Aspects

The mathematical modeling of the hydro-lithospheric processes in the field under consideration (Figure 6) is written as follows:
The Upper Valanginian:
H 2 x , y , z , r r = 1 η 2 k 1 , x 2 H 1 x , y , z , r x 2 + k 1 , y 2 H 1 x , y , z , r y 2 + k 1 , z 2 H 1 x , y , z , r z 1 2
0 < x < L x ,   0 < y < L y ,   0 < z < L z 1
The Lower Valanginian:
H 2 x , y , z , r r = 1 η 2 k 2 , x 2 H 2 x , y , z , r x 2 + k 2 , y 2 H 2 x , y , z , r y 2 + k 2 , z 2 H 2 x , y , z , r z 2 2 + V δ x 0 , y 0
0 < x < L x ,   0 < y < L y ,   0 < z < L z 2
Figure 6. Field diagram.
The boundary conditions between layers are determined by Darcy conditions:
H 1 x , y , L z 1 , r = H 1 x , y , L z 1 , r + b 1 H 2 x , y , 0 , r H 1 x , y , L z 1 , r r
H 2 x , y , 0 , r = H 2 x , y , 0 , r b 1 H 2 x , y , 0 , r H 1 x , y , L z 1 , r r
where b1 is the flow parameter.
Upper boundary of the upper layer:
H 1 x , y , 0 , r z = 0
Lower boundary of the lower layer:
H 2 x , y , L z 2 , r z = 0
Side edges:
H 1 0 , y , z , r = H 1,0 ,   H 2 0 , y , z , r = H 2,0
H 1 L x , y , z , r x = 0 ,                 H 2 L x , y , z , r x = 0
In the process of characterizing the boundary state in y coordinates, it was found that the influence on the state of the fence did not affect the well:
H i x , 0 , z , r = H i x , L y z , r = H i , 0 x , y , z , r ,   i = 1,2
H1,0 and H2,0 are the initial states of the groundwater and formations:
H 2 , i x , y , z , 0 = 193 50 x / l x , 0 x l x , 0 y l y , 0 z l z
The above mathematical apparatus of the control objects is used to write a discrete sample. The Upper Valanginian:
Δ H 1 , η , γ , ξ Δ r = 1 η 1 k 1 , x H 1 , η 1 , γ , ξ 2 H 1 , η , γ , ξ + H 1 , η + 1 , γ , ξ Δ x 2 + k 1 , x H 1 , η 1 , γ , ξ 2 H 1 , η , γ , ξ + H 1 , η + 1 , γ , ξ Δ y 2 + k 1 , x H 1 , η , γ , ξ 1 2 H 1 , η , γ , ξ + H 1 , η , γ , ξ + 1 Δ z 1 2
2 < η < N x 1 ,         2 < γ < N y 1 ,         2 < ξ < N z 1
The Lower Valanginian:
Δ H 2 , η , γ , ξ Δ r = 1 η 2 k 2 , x H 2 , η 1 , γ , ξ 2 H 2 , η , γ , ξ + H 2 , η + 1 , γ , ξ Δ x 2 + k 2 , x H 2 , η 1 , γ , ξ 2 H 2 , η , γ , ξ + H 2 , η + 1 , γ , ξ Δ y 2 + k 2 , x H 2 , η , γ , ξ 1 2 H 2 , η , γ , ξ + H 2 , η , γ + 1 , ξ Δ z 2 2
2 < η < N x 1 ,   2 < γ < N y 1 ,         2 < ξ < N 3 1
where Nx and Ny are the number of discrete points in x and y, and Nzi is the number of sampling points from i to z (i = 1,2). The boundary conditions between formations are as follows:
H 1 , η , γ , N z 1 = H 1 , η , γ , N z 1 + b 1 H 2 , η , γ , 1 H 1 , η , γ , N z 1 Δ r
H 2 , η , γ , N z 1 = H 2 , η , γ , N z 1 b 1 H 2 , η , γ , 1 H 1 , η , γ , N z 1 Δ r
The upper boundary of the upper formations:
H 1 , η , γ , 1 = H 1 , η , γ , 2   ,     2 < η < N x 1 ,       2 < γ < N y 1
The lower boundary of the lower formations:
H 2 , η , γ , N z 2 = H 2 , η , γ , N 2 1 ,         2 < η < N x 1 ,       2 < γ < N y 1
H 2 , η , γ , N z 2 = H 2 , η , γ , N 2 1
To determine the boundary conditions for y, let us note that the influence of the intake well does not in any way affect the state of the formation.
h 1 , η , 1 , ξ = h 1 , η , N y , ξ = h 1,1 , γ , ξ = h 1,0 , ξ
H 1 , η , 1 , ξ = H i , η , N y , ξ = H i , 1 , γ , ξ = H i , 0   ,     i = 2 . . 3
2 < η < N x 1 ,     2 < ξ < N z 3 1
h 1 , η , γ , 1 = 0
H i , N x , γ , ξ = H i , N x 1 , γ , ξ ,       i = 2 . . 3
2 < γ < N y 1 ,   2 < ξ < N 3 1
According to the research of geologists, the quantitative values of the physical and mathematical parameters used in modeling control objects have been determined in the table [,,].
For the modeling of the hydro-lithosphere process, the following number of discrete points was selected according to the spatial coordinates:
x η = 1.107 ; γ γ = 1.76 ; z i ξ = 1.9 ; i = 1.2
A working well is formed in the lower formation, taking into account discrete points: η = 50; γ = 38.
The output function (H2,η,γ,ξ(τ)) is determined at the following point:
η = 45 ; γ = 38 ; ξ = 5 .
To verify the discrete model, we will take into account the degree of closeness between the static and dynamic characteristics obtained as a result of groundwater inflow testing on the northern flank of the central section. The transfer coefficients K1 = 0.0224 and K2 = 0.00236 are found as a result of the groundwater inflow testing. Based on the results of experimental studies, we see that the net delay of the disturbance in the process of withdrawal from well 107D to the control well, namely 87, is 27.0 min. Let us change the indices of the discrete models to achieve the closeness of the characteristics obtained as a result of groundwater inflow testing.
Transfer coefficients of the changed model:
K 1 = 11.405 508 = 0.02245 ; K 2 = 1.051 508 = 0.002069
The disturbance delay time from the working well to the control well, 107D and 87, respectively, is 0.417 h (25 min).

5. Influence of Well Location on Total Production

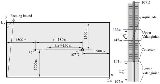
We see that the values obtained are close to the results obtained as a result of groundwater inflow testing. In the considered field, working wells can be placed in the range fs (where fs is a given angle value) on a segment of length Lsk (Figure 7).
Figure 7. Location sector.
The variant with an additional monitoring well 2 (Figure 7), which will determine the state of the hydrolithosphere process in the lower valence, at the point z = 0.5∙LZ2, is to be analyzed. To determine the total production from the operated wells, when moving the wells in sector fs, the following sequence should be followed. In the process of investigating the verified model, what the hydraulic interaction coefficient of the wells is equal to is calculated:
(1)
lowering the level in the control well 2/average production:
  • K3 = (−0.147)/(−508) = 0.00028937
The level change in control well 2 (Lkd = 80 m, is shown in Figure 8; also based on the results of modelling the verified model of the control object, the graph is plotted. This is taking into account that the flow rate of the working well is Q = 508 m3/day.
Figure 8. Transient process in well 2.
(2)
Now, the parameters of the approximating link can be calculated.
The structure of the modified link approximating static coefficients is as follows:
W a = K β e x p β x 0 2 + K n y 0 2 0.5
β = D 1 2 ,       x 0 = r 0 ,       y 0 = r 0
The next step is to calculate the values of the approximating link:
Equating the static gains of the approximating link to the values of K1, K2 and K3 (assume that L1-r0 ≈ L1; L2-r0 ≈ L2), a system of equations can be obtained:
K 1 = K β e x p β x 0 K 2 = K β e x p β L 1 K 3 = K β e x p β K p L k d ,   β = D 1 2
Substituting the calculated values into (45), we obtain K1 = 0.0224; K2 = 0.00236; r0 = 0.2; L1 = r0 = 180; K3 = 0.00028973; and Lkd = 80.
0.0224 = K β e x p β 0,2 0.00236 = K β e x p β 180 0.00028937 = K β e x p β K p 80 ,   β = D 1 2
By solving the system, the following result is obtained: K = 0.00028106; D = 0.00015665; and Kp = 4.346. The hydraulic interaction coefficient of the wells in the field is shown as follows:
W a = 0.00028106 β e x p β x 2 + 4.346 y 2 0.5
β = 0.00015665 1 2
Figure 5 and Figure 6 show the graphs of changes in the coefficient of the hydrodynamic interaction of wells.
(3)
The statement of the problem of optimizing the choice of the location of wells in the fs sector: for the field under consideration (having n production wells located in the segment Lsk), the value fst ≤ fs needs to be determined, which ensures maximum profit (PP) over ten years of field operation. In this case, we will assume the following:
-
extraction of hydromineral raw materials is carried out within 3650 days;
-
r0,i = 0.2 m;
-
N—the cost of 1 m3 of hydromineral raw materials is RUB 300/1,000,000 million;
-
Cp—the average costs for the development and maintenance of one well for 10 years amount to RUB 6 million;
-
tax on subsoil use of 7.5%;
-
expenses for the maintenance of buildings, equipment and personnel (P) for ten years of operation amount to RUB 87 million;
-
the location of production wells is shown in Figure 8 (Lsk = 150 m);
-
the specified level drop in the wells is 12 m; fs = 15°.
The previously obtained coefficient for the hydraulic interaction of wells is written as follows:
W a = 0.00028106 β exp β ( x 2 + ( 4.346 y ) 2 ) 0.5 ; β = 0 . 00015665 1 2 .
The procedure for solving the problem consists of the following steps.
(1)
Let us write down the impact of the j-th working well on the level decrease in the μ-working well as follows:
Δ H μ = K μ Q μ β exp β r 0 , μ + j = 1 ,   j μ n K j Q j β e x p β r μ ,   j ,   β = D 1 2
r μ ,   j = x μ x j 2 + K P y μ y j 2 0.5 ,   μ = 1 n ,
where ∆Hμ is the level decrease in the μ-th well (μ = 1...n);
r0,j is the given radius;
xμ, yμ are the coordinates of the μ-th well;
xj, yj are the coordinates of the j-th well;
n is the number of wells;
Qμ is the flow rate of the μ-th well;
G1 is the generalized coordinate. In the case under consideration, for the selected spatial modes, the first and second, the values of the generalized coordinate are as follows:
Kμ = Kj = K = 0.00028106; D = 0.00015665; and Kp = 4.346.
Thus,
C μ = K μ β e x p β r 0 ,   μ ,               C μ ,   j = K j β e x p β r μ ,   j ,     β = G 1 1 2
By transforming (52), a matrix equation for determining the production well flow rates is obtained:
Q 1 Q 2 Q n = C 1 ,   C 1,2 , , C 1 , n C 2,1 , C 2 , , C 2 , n C n , 1 , C n , 2 , , C n 1 Δ H 1 Δ H 2 Δ H n
(2)
The total flow rate (Q) is determined from the following ratio:
Q = μ = 1 n Q μ
(3)
Let us calculate the profit for 10 years of production at the considered field:
T o t a l   f l o w   r a t e = Q N Q N 0.75 3650 C m n
The calculation of the possible total profit changes and the rotation angle of the producing wells were generated in a special program (Figure 9). The location of production wells in the fs sector is optimized.
Figure 9. Hydraulic interaction.
Via an analysis of Figure 9 and Figure 10, it can be mentioned that the plotted graphs say that the maximum profit is achieved when the location of the wells on the boundary of the beam fst = fs. This profit, for 10 years of operation in the field, will be RUB 1244 million, and the total flow rate will be 1257.8 m3/day. At the considered field, there is a restriction on the value of fs. Assuming that there is no such limitation, Figure 7 shows the change in income and the total flow rate with increasing fs.
Figure 10. Optimization of the production wells.

6. Discussion

The ecological resort CMW occupies a special place among the resort regions of Russia due to the wealth, diversity, quantity and value of the mineral waters, landscape and climatic conditions, and therapeutic mud. Recently, the pace of mineral water resource exploitation for industrial bottling purposes has increased. Increasing the number of sanatorium–resort organizations and mineral water bottling enterprises will have a significant impact on the growth of mineral water intake volumes. Irrational water withdrawal leads to a deterioration in the quality of the groundwater, and changes in its chemical composition and temperature; the growth of a depression funnel can lead to the collapse of the roof of the formation and the disappearance of many sources from the face of the Earth. This applies to all waters located in the CMW region.
Due to the above, there is a potential danger that the mineral water field under consideration will degrade. Therefore, the maintenance of predictive models for the development of the hydrodynamic processes of the region is an important task when the changing volume of water intake in different areas of the field is the actual problem. This paper proposes a method for controlling the level of the aquifer in production wells to ensure a given decrease in the fluid level of Pyatigorsk’s mineral water field aquifer, in which the decrease in pressure values will not be more than the permissible maximum. The reliability of the scientific research results is confirmed by the correct use of the mathematical apparatus to model and study the hydrodynamic processes of the Pyatigorsk mineral water field. The reliability is also confirmed by the consistency of the results of theoretical studies and the computer modeling of the resulting control systems. The scientific novelty of the work lies in the mathematical description of the relationship between the main factors and parameters of the hydrodynamic layers of the Pyatigorsk mineral water field and in the synthesis of a distributed system for the control of the depression funnel parameters.
The results of this study can be used in engineering practices related to the control of the hydrodynamic processes of the mineral water field. This paper is also interesting to the scientific community actively involved in the study of these natural systems and the development of management there. The use of distributed control systems in this work allows for the most efficient management of processes. This also opens up new opportunities for creating intelligent systems that can be used in various algorithms and data analysis methods to make decisions in real time. In the future, these developments can be used in various industries, including geological, energy, etc.
However, this work is not limited to obtaining a mathematical apparatus. Studies [,,,] show the possibility of using neural networks for analyzing field data. This approach is the subject of further research. It should be noted that there are alternative methods for solving this problem. Reference [] shows that indirect factors can also influence product quality, and these are considered in references [,,,,,,]. Taking these factors into account will lead to the need to analyze seasonality. Ultimately, this leads to regression models. This is demonstrated in references [,,,]. Such modeling will lead to a reduction in the scope of application of the results obtained. The authors of articles [,,,,,] showed this earlier. Within the framework of this study, I would like to especially note the work of ref. []. This article shows the possibility of modeling a formation with different filtration properties. This circumstance expands the possibility of applying the results of this study.
Thus, the study presented here represents a universal way to model aquifers. As part of further research, a high-precision regulator that will allow the control of water extraction will be developed, taking into account the seasonality of pressure.

7. Conclusions

The presented study examined the main geological findings on the territory of the study area, and carried out an analysis of the geological processes occurring in this area. The features of the relief and landscape were considered, and the data on the soils and geological formations present in the territory were provided [,,]. One of the important aspects of the work was the study of the environmental situation in the field. In this context, an analysis of the influence of techno genic activities on the environment and an assessment of its degree of impact on the biological systems were carried out. In addition, an analysis of the technological processes used in the field was carried out, as well as an assessment of the profitability of the production and optimization of production processes in general [,,,,]. One of the main objectives of the work was to determine the properties of hydrolithospheric processes and develop methods and algorithms for controlling them. It has been shown that significant improvements can be achieved in the mineral water development process using modern management approaches. A practical example shows a reduction in the overshoot time. Compared to previously proposed methods [,,,,,,,,,,,,,,,,,,,,,,,,,,,,], the time spent on equalizing the reservoir pressure is reduced by 15%. It is important to note not only the great theoretical significance of the research conducted, but also its real practical application.
The solution of the following problems was also considered:
  • The diagram of the monitoring system for the state of hydrodynamic processes in the region is shown.
  • The results of experimental filtration studies carried out on well cluster No. 107D (disturbing) and two observation wells, namely No. 87, in the Valanginian aquifer are presented.
  • The procedure for determining the parameters of a link that approximates the specific decrease in level at a given point is described, using the results of experimental filtration studies.
  • The procedure for determining the optimal number of production wells for their various placement methods (on a given segment or in a given area) is shown.
  • The verification of discrete mathematical models of hydrodynamic processes is considered using the results of the experimental filtration studies.
In the final part of the study, the practical recommendations for optimizing the process of mineral water extraction at the enterprise in order to increase production without damaging the nature of the region and the field were formulated.

Author Contributions

Conceptualization, Y.V.I.; methodology, Y.V.I.; software, Y.V.I.; validation, Y.V.I.; formal analysis, V.A.N.; investigation, Y.V.I.; resources, Y.V.I.; data curation, Y.V.I.; writing—original draft preparation, V.A.N.; writing—review and editing, Y.V.I.; supervision, Y.V.I.; project administration, Y.V.I. All authors have read and agreed to the published version of the manuscript.

Funding

This research received no external funding.

Data Availability Statement

The publicly available datasets were analyzed in this study. These data can be found in the papers referred to [,,].

Conflicts of Interest

The authors declare no conflicts of interest.

References

  1. Rudneva, I.I.; Gaisky, P.V.; Shaida, V.G.; Shaida, O.V. Assessing Climate and Human Activity Effects on Hypersaline Lake Ecosystem: Case Study of Saki Lake, Crimea. Water 2023, 15, 456. [Google Scholar] [CrossRef]
  2. Gonçalves, V.; Albuquerque, A.; Almeida, P.G.; Cavaleiro, V. DRASTIC Index GIS-Based Vulnerability Map for the Entre-os-Rios Thermal Aquifer. Water 2022, 14, 2448. [Google Scholar] [CrossRef]
  3. Meerkhan, H.; Teixeira, J.; Espinha Marques, J.; Afonso, M.J.; Chaminé, H.I. Delineating Groundwater Vulnerability and Protection Zone Mapping in Fractured Rock Masses: Focus on the DISCO Index. Water 2016, 8, 462. [Google Scholar] [CrossRef]
  4. Saleh, A.; Gad, A.; Ahmed, A.; Arman, H.; Farhat, H.I. Groundwater Hydrochemical Characteristics and Water Quality in Egypt’s Central Eastern Desert. Water 2023, 15, 971. [Google Scholar] [CrossRef]
  5. Hou, X.; Yang, H.; Cao, J.; Feng, W.; Zhang, Y. A Review of Advances in Groundwater Evapotranspiration Research. Water 2023, 15, 969. [Google Scholar] [CrossRef]
  6. French, H.K.; Hansen, M.C.; Moe, K.G.; Stene, J. Modelling Plume Development with Annual Pulses of Contaminants Released from an Airport Runway to a Layered Aquifer, Evaluation of an In Situ Monitoring System. Water 2023, 15, 985. [Google Scholar] [CrossRef]
  7. Al Khoury, I.; Boithias, L.; Labat, D. A Review of the Application of the Soil and Water Assessment Tool (SWAT) in Karst Watersheds. Water 2023, 15, 954. [Google Scholar] [CrossRef]
  8. Guillemoto, Q.; Picot-Colbeaux, G.; Valdes, D.; Devau, N.; Thierion, C.; Idier, D.; Mathurin, F.A.; Pettenati, M.; Mouchel, J.-M.; Kloppmann, W. Multi-Annual Dynamics of a Coastal Groundwater System with Soil-Aquifer Treatment and Its Impact on the Fate of Trace Organic Compounds. Water 2023, 15, 934. [Google Scholar] [CrossRef]
  9. Baranovskaya, E.I.; Kharitonova, N.A.; Chelnokov, G.A.; Tarasenko, I.A.; Maslov, A.A. Chemical and Isotopic Features of a High pCO2 Natural Mineral Water from Essentuki Field (Caucasian Mineral Water Region, Russia). Water 2023, 15, 901. [Google Scholar] [CrossRef]
  10. Pershin, I.M.; Papush, E.G.; Malkov, A.V.; Kukharova, T.V.; Spivak, A.O. Operational Control of Underground Water Exploitation Regimes. In Proceedings of the III International Conference on Control in Technical Systems (CTS), St. Petersburg, Russia, 30 October–1 November 2019; pp. 77–80. [Google Scholar] [CrossRef]
  11. Martirosyan, A.V.; Martirosyan, K.V.; Mir-Amal, A.M.; Chernyshev, A.B. Assessment of a Hydrogeological Object’s Distributed Control System Stability. In Proceedings of the 2022 Conference of Russian Young Researchers in Electrical and Electronic Engineering, ElConRus 2022, St. Petersburg, Russia, 25–28 January 2022; pp. 768–771. [Google Scholar] [CrossRef]
  12. Liu, Q.; Xue, Y.; Ma, D.; Li, Q. Failure Characteristics of the Water-Resisting Coal Pillar under Stress-Seepage Coupling and Determination of Reasonable Coal Pillar Width. Water 2023, 15, 1002. [Google Scholar] [CrossRef]
  13. Kim, D.; Jang, C.; Choi, J.; Kwak, J. A Case Study: Groundwater Level Forecasting of the Gyorae Area in Actual Practice on Jeju Island Using Deep-Learning Technique. Water 2023, 15, 972. [Google Scholar] [CrossRef]
  14. Alharbi, T. Mapping of Groundwater, Flood, and Drought Potential Zones in Neom, Saudi Arabia, Using GIS and Remote Sensing Techniques. Water 2023, 15, 966. [Google Scholar] [CrossRef]
  15. Sechu, G.L.; Nilsson, B.; Iversen, B.V.; Greve, M.B.; Greve, M.H. Historical Loss of Groundwater-Dependent Terrestrial Ecosystems in Undrained and Artificially Drained Landscapes in Denmark. Water 2023, 15, 946. [Google Scholar] [CrossRef]
  16. Wang, W.; Li, W.; Xue, M.; Gu, X.; Ye, C.; Jiao, Y.; Liu, B.; Han, Y.; Tong, Y.; Zhang, X. Spatial-Temporal Characteristics and Influencing Factors of Lake Water and Groundwater Chemistry in Hulun Lake, Northeast China. Water 2023, 15, 937. [Google Scholar] [CrossRef]
  17. Espinoza Vigil, A.J.; Booker, J. Hydrological Vulnerability Assessment of Riverine Bridges: The Bajo Grau Bridge Case Study. Water 2023, 15, 846. [Google Scholar] [CrossRef]
  18. Knobloch, S.; Klonowski, A.M.; Tómasdóttir, S.; Kristjánsson, B.R.; Guðmundsson, S.; Marteinsson, V.P. Microbial intrusion and seasonal dynamics in the groundwater microbiome of a porous basaltic rock aquifer used as municipal water reservoir. FEMS Microbiol. Ecol. 2021, 97, fiab014. [Google Scholar] [CrossRef]
  19. Marinin, M.A.; Marinina, O.A.; Rakhmanov, R.A. Methodological approach to assessing influence of blasted rock fragmentation on mining costs. Gorn. Z. 2023, 2023, 28–34. [Google Scholar] [CrossRef]
  20. Kozyrev, B.A.; Sizyakov, V.M.; Arsentyev, V.A. Principles of rational processing of red mud with the use of carboxylic acids. Non-Ferr. Met. 2022, 53, 30–34. [Google Scholar] [CrossRef]
  21. Kellermann, C.; Selesi, D.; Lee, N.; Hügler, M.; Esperschütz, J.; Hartmann, A.; Griebler, C. Microbial CO2 fixation potential in a tar-oil-contaminated porous aquifer. FEMS Microbiol. Ecol. 2012, 81, 172–187. [Google Scholar] [CrossRef]
  22. Wildung, R.; Li, S.; Murray, C.; Krupka, K.; Xie, Y.; Hess, N.; Roden, E. Technetium reduction in sediments of a shallow aquifer exhibiting dissimilatory iron reduction potential. FEMS Microbiol. Ecol. 2004, 49, 151–162. [Google Scholar] [CrossRef]
  23. Asadulagi, M.-A.M.; Fedorov, M.S.; Trushnikov, V.E. Control Methods of Mineral Water Wells. In Proceedings of the 2023 V International Conference on Control in Technical Systems (CTS), St. Petersburg, Russia, 26–28 September 2023; pp. 152–155. [Google Scholar] [CrossRef]
  24. Kondrasheva, N.K.; Eremeeva, A.M.; Nelkenbaum, K.S.; Baulin, O.A.; Dubovikov, O.A. Development of environmentally friendly diesel fuel. Pet. Sci. Technol. 2019, 12, 1478–1484. [Google Scholar] [CrossRef]
  25. Wilhartitz, I.C.; Kirschner, A.K.; Stadler, H.; Herndl, G.J.; Dietzel, M.; Latal, C.; Mach, R.L.; Farnleitner, A.H. Heterotrophic prokaryotic production in ultraoligotrophic alpine karst aquifers and ecological implications. FEMS Microbiol. Ecol. 2009, 68, 287–299. [Google Scholar] [CrossRef]
  26. Gafur, S.; Andrey, S.; Liliya, S.; Vadim, F. Assessment of Damage of Metallic Elements in Oil and Gas Facilities using Small Punch Test. Int. J. Appl. Eng. Res. 2017, 12, 11583–11587. [Google Scholar]
  27. Fetisov, V.; Gonopolsky, A.M.; Davardoost, H.; Ghanbari, A.R.; Mohammadi, A.H. Regulation and impact of VOC and CO2 emissions on low-carbon energy systems resilient to climate change: A case study on an environmental issue in the oil and gas industry. Energy Sci. Eng. 2023, 11, 1516–1535. [Google Scholar] [CrossRef]
  28. Fillinger, L.; Hug, K.; Griebler, C. Selection imposed by local environmental conditions drives differences in microbial community composition across geographically distinct groundwater aquifers. FEMS Microbiol. Ecol. 2019, 95, fiz160. [Google Scholar] [CrossRef] [PubMed]
  29. Kukharova, T.V.; Pershin, I.M. Conditions of Application of Distributed Systems Synthesis Methods to Multidimensional Object. In Proceedings of the 2018 International Multi-Conference on Industrial Engineering and Modern Technologies (FarEastCon), Vladivostok, Russia, 3–4 October 2018; pp. 1–5. [Google Scholar] [CrossRef]
  30. Drovosekova, T.I.; Pershin, I.M. Peculiarities of modelling hydro-lithospheric processes in the region of Kavkazskiye Mineralnye Vody (caucasus mineral springs). In Proceedings of the 2016 XIX IEEE International Conference on Soft Computing and Measurements (SCM), St. Petersburg, Russia, 25–27 May 2016; pp. 215–217. [Google Scholar] [CrossRef]
  31. Underwood, J.C.; Akob, D.M.; Lorah, M.M.; Imbrigiotta, E.T.; Harvey, R.W.; Tiedeman, C.R. Microbial community response to a bioaugmentation test to degrade trichloroethylene in a fractured rock aquifer, Trenton, N.J. FEMS Microbiol. Ecol. 2022, 98, fiac077. [Google Scholar] [CrossRef]
  32. Yoshikawa, M.; Zhang, M.; Kawabe, Y.; Katayama, T. Effects of ferrous iron supplementation on reductive dechlorination of tetrachloroethene and on methanogenic microbial community. FEMS Microbiol. Ecol. 2021, 97, fiab069. [Google Scholar] [CrossRef]
  33. Kozyrev, B.A.; Sizyakov, V.M. Heap leaching of red mud by the formate method. Obogashchenie Rud 2021, 4, 40–45. Available online: https://rudmet.ru/journal/2040/article/34204/ (accessed on 20 November 2023).
  34. Bengtsson, G.; Bergwall, C. Heterotrophic denitrification potential as an adaptive response in groundwater bacteria. FEMS Microbiol. Ecol. 1995, 16, 307–318. [Google Scholar] [CrossRef]
  35. Brielmann, H.; Griebler, C.; Schmidt, S.I.; Michel, R.; Lueders, T. Effects of thermal energy discharge on shallow groundwater ecosystems. FEMS Microbiol. Ecol. 2009, 68, 273–286. [Google Scholar] [CrossRef]
  36. Smith, H.J.; Zelaya, A.J.; De León, K.B.; Chakraborty, R.; Elias, A.D.; Hazen, T.C.; Arkin, A.P.; Cunningham, A.B.; Fields, M.W. Impact of hydrologic boundaries on microbial planktonic and biofilm communities in shallow terrestrial subsurface environments. FEMS Microbiol. Ecol. 2018, 94, fiy191. [Google Scholar] [CrossRef] [PubMed]
  37. Longnecker, K.; Da Costa, A.; Bhatia, M.; Kujawinski, E.B. Effect of carbon addition and predation on acetate-assimilating bacterial cells in groundwater. FEMS Microbiol. Ecol. 2009, 70, 456–470. [Google Scholar] [CrossRef] [PubMed]
  38. Taylor, R.; Cronin, A.; Pedley, S.; Barker, J.; Atkinson, T. The implications of groundwater velocity variations on microbial transport and wellhead protection—Review of field evidence. FEMS Microbiol. Ecol. 2004, 49, 17–26. [Google Scholar] [CrossRef] [PubMed]
  39. Asadulagi, M.M.; Ioskov, G.V. Simulation of the control system for hydrodynamic process with random disturbances. Topical Issues of Rational Use of Natural Resources. In Proceedings of the International Forum-Contest of Young Researchers, 2018, St. Petersburg, Russia, 18–20 April 2018; pp. 399–405. [Google Scholar]
  40. Ignatenko, A.; Afanaseva, O. Application of system analysis methods for the research of mining enterprise activity. In Proceedings of the 2023 Sixth International Conference of Women in Data Science at Prince Sultan University (WiDS PSU), Riyadh, Saudi Arabia, 14–15 March 2023; pp. 180–184. [Google Scholar] [CrossRef]
  41. Afanaseva, O.; Neyrus, S.; Navatskaya, V.; Perezhogina, A. Risk Assessment of Investment Projects Using the Simulation Decomposition Method. In Fundamental and Applied Scientific Research in the Development of Agriculture in the Far East (AFE-2022); Zokirjonugli, K.S., Muratov, A., Ignateva, S., Eds.; AFE 2023; Lecture Notes in Networks and Systems; Springer: Cham, Switzerland, 2023; Volume 706, pp. 776–785. [Google Scholar] [CrossRef]
  42. Dagaev, A.; Pham, V.D.; Kirichek, R.; Afanaseva, O.; Yakovleva, E. Method of Analyzing the Availability Factor in a Mesh Network. In Distributed Computer and Communication Networks; Communications in Computer and Information Science; 1552 CCIS; Springer: Berlin/Heidelberg, Germany, 2022; pp. 346–358. [Google Scholar] [CrossRef]
  43. Pershin, I.M.; Papush, E.G.; Kukharova, T.V.; Utkin, V.A. Modeling of Distributed Control System for Network of Mineral Water Wells. Water 2023, 15, 2289. [Google Scholar] [CrossRef]
  44. Pershin, I.M.; Kukharova, T.V.; Tsapleva, V.V. Designing of distributed systems of hydrolithosphere processes parameters control for the efficient extraction of hydromineral raw materials. J. Phys. Conf. Ser. 2021, 1728, 012017. [Google Scholar] [CrossRef]
  45. Ibarra-Olivares, G.; Miranda-Avilés, R.; Ramos-Leal, J.A.; Morán-Ramirez, J.; Puy-Alquiza, M.J.; Li, Y.; Ángeles-Moreno, E.; Kshirsagar, P. Hydrogeochemical Characterization of Groundwater at the Boundaries of Three Aquifers in Central México. Water 2023, 15, 3948. [Google Scholar] [CrossRef]
  46. Akpan, A.E.; Ekwok, S.E.; Ben, U.C.; Ebong, E.D.; Thomas, J.E.; Ekanem, A.M.; George, N.J.; Abdelrahman, K.; Fnais, M.S.; Eldosouky, A.M.; et al. Direct Detection of Groundwater Accumulation Zones in Saprock Aquifers in Tectono-Thermal Environments. Water 2023, 15, 3946. [Google Scholar] [CrossRef]
  47. Asadulagi, M.M.; Ioskov, G.V.; Tronina, E.V. Synthesis of Lumped and Distributed Controllers for Control System of Hydrodynamic Process. In Proceedings of the 2019 International Multi-Conference on Industrial Engineering and Modern Technologies, FarEastCon 2019, Vladivostok, Russia, 1–4 October 2019; Institute of Electrical and Electronics Engineers Inc.: Vladivostok, Russia, 2019; p. 8933859. [Google Scholar] [CrossRef]
  48. Asadulagi, M.M.; Vasilkov, O.S. The Use of Distributed and Lumped Type Controllers for the Hydro-lithospheric Process Control System of the Kislovodskoye Field. In Proceedings of the 2019 3rd International Conference on Control in Technical Systems, CTS 2019, St. Petersburg, Russia, 30 October–1 November 2019; Institute of Electrical and Electronics Engineers Inc.: St. Petersburg, Russia, 2019; pp. 7–10. [Google Scholar] [CrossRef]
  49. Sidorenko, A.A.; Dmitriev, P.N.; Alekseev, V.Y.; Sidorenko, S.A. Improvement of techno-logical schemes ofmining of coal seams prone to spontaneous combustion and rockbumps. J. Min. Inst. 2023, 264, 949–961. Available online: https://cyberleninka.ru/article/n/improvement-of-technological-schemes-of-mining-of-coal-seams-prone-to-spontaneous-combustion-and-rock-bumps/viewer (accessed on 20 November 2023).
  50. Marinina, O.; Nechitailo, A.; Stroykov, G.; Tsvetkova, A.; Reshneva, E.; Turovskaya, L. Technical and Economic Assessment of Energy Efficiency of Electrification of Hydrocarbon Production Facilities in Underdeveloped Areas. Sustainability 2023, 15, 9614. [Google Scholar] [CrossRef]
  51. Nechitailo, A.R.; Marinina, O.A. Analysis of technological directions of electrification of hydrocarbon production facilities in poorly developed territories. Sever i rynok: Formirovanie ekonomicheskogo poryadka. North Mark. Form. Econ. Order 2022, 2, 45–57. [Google Scholar] [CrossRef]
  52. Proteau-Bedard, F.; Baudron, P.; Benoit, N.; Nastev, M.; Post, R.; Masse-Dufresne, J. Investigating Multilayer Aquifer Dynamics by Combining Geochemistry, Isotopes and Hydrogeological Context Analysis. Hydrology 2023, 10, 211. [Google Scholar] [CrossRef]
  53. Golovina, E.; Shchelkonogova, O. Possibilities of Using the Unitization Model in the Development of Transboundary Groundwater Deposits. Water 2023, 15, 298. [Google Scholar] [CrossRef]
  54. Gitter, A.C.; Boellstorff, D.E.; Gholson, D.M.; Pieper, K.J.; Mena, K.D.; Mendez, K.S.; Gentry, T.J. Texas Well User Stewardship Practices Three Years after Hurricane Harvey. Water 2023, 15, 3943. [Google Scholar] [CrossRef]
  55. Arias-Díaz, A.; Murcia, H.; Vallejo-Hincapié, F.; Németh, K. Understanding Geodiversity for Sustainable Development in the Chinchiná River Basin, Caldas, Colombia. Land 2023, 12, 2053. [Google Scholar] [CrossRef]
  56. Golovina, E.I.; Grebneva, A.V. Management of groundwater resources in transboundary territories (on the example of the Russian Federation and the Republic of Estonia). J. Min. Inst. 2021, 252, 788–800. [Google Scholar] [CrossRef]
  57. Andreichyk, A.; Tsvetkov, P. Study of the Relationship between Economic Growth and Greenhouse Gas Emissions of the Shanghai Cooperation Organization Countries on the Basis of the Environmental Kuznets Curve. Resources 2023, 12, 80. [Google Scholar] [CrossRef]
  58. Chang, Y.; Chen, X.; Liu, D.; Tian, C.; Xu, D.; Wang, L. Study on the Control of Saltwater Intrusion Using Subsurface Dams. Water 2023, 15, 3938. [Google Scholar] [CrossRef]
  59. Cheremisina, O.V.; Ponomareva, M.A.; Molotilova, A.Y.; Mashukova, Y.A.; Soloviev, M.A. Sorption purification of acid storage facility water from iron and titanium on organic polymeric materials. J. Min. Inst. 2023, 264, 971–980. [Google Scholar] [CrossRef]
  60. Khouz, A.; Jaffal, M.; Trindade, J.; Bougadir, B.; El Bchari, F.; Kchikach, A.; El Ghorfi, M.; Ibouh, H.; Jadoud, M.; Kadiri, O.; et al. Understanding the Deep Structure of the Essaouira Basin Using Gravity Data: Hydrogeological Inferences for a Semiarid Region in Central-Western Morocco. Geosciences 2023, 13, 345. [Google Scholar] [CrossRef]
  61. Buslaev, G.; Lavrik, A.; Lavrik, A.; Tcvetkov, P. Hybrid system of hydrogen generation by water electrolysis and methane partial oxidation. Int. J. Hydrogen Energy 2023, 48, 24166–24179. [Google Scholar] [CrossRef]
  62. Marinina, O.; Nevskaya, M.; Lijuan, Z.; Que, C.T. Analysis of the influence of macroeconomic factors on the sustainable development of the chinese coal industry. In Proceedings of the 21st International Multidisciplinary Scientific Geoconference: Ecology and Renewable Energy Sources. Nano, Bio and Green Technologies for a Sustainable Future, SGEM 2021, Albena, Bulgaria, 16 August 2021; Volume 21, pp. 487–494. [Google Scholar] [CrossRef]
  63. Pashkevich, M.A.; Korotaeva, A.E.; Matveeva, V.A. Experimental simulation of a system of swamp biogeocenoses to improve the efficiency of quarry water treatment. J. Min. Inst. 2023, 263, 785–794. Available online: https://pmi.spmi.ru/pmi/article/view/16180 (accessed on 20 November 2023).
  64. Rogachev, M.K.; Aleksandrov, A.N. Justification of a comprehensive technology for preventing the formation of asphalt-resin-paraffin deposits during the production of highlyparaffinic oil by electric submersible pumps from multiformation deposits. J. Min. Inst. 2021, 250, 596–605. [Google Scholar] [CrossRef]
  65. Stevenazzi, S.; Del Gaudio, E.; Ruggiero, D.; D’Aniso, C.; Patelli, A.M.; Ducci, D. Geochemical and Isotopic Evidence for Investigating the Impacts of Landfills on Groundwater: A Case Study in the Campania Region (Southern Italy). Sustainability 2023, 15, 15822. [Google Scholar] [CrossRef]
  66. Aleksandrov, A.N.; Kishchenko, M.A.; Nguyen, V.T. Simulating the formation of wax deposits in wells using electric submersible pumps. In Advances in Raw Material Industries for Sustainable Development Goals; CRC Press: London, UK, 2021; pp. 283–295. [Google Scholar] [CrossRef]
  67. Miky, Y.; Issa, U.H.; Mahmod, W.E. Developing Functional Recharge Systems to Control Saltwater Intrusion via Integrating Physical, Numerical, and Decision-Making Models for Coastal Aquifer Sustainability. J. Mar. Sci. Eng. 2023, 11, 2136. [Google Scholar] [CrossRef]
  68. Correa-González, A.; Hernández-Bedolla, J.; Martínez-Cinco, M.A.; Sánchez-Quispe, S.T.; Hernández-Hernández, M.A. Assessment of Nitrate in Groundwater from Diffuse Sources Considering Spatiotemporal Patterns of Hydrological Systems Using a Coupled SWAT/MODFLOW/MT3DMS Model. Hydrology 2023, 10, 209. [Google Scholar] [CrossRef]
  69. Marinina, O.; Tsvetkova, A.; Vasilev, Y.; Komendantova, N.; Parfenova, A. Evaluating the Downstream Development Strategy of Oil Companies: The Case of Rosneft. Resources 2022, 11, 4. [Google Scholar] [CrossRef]
  70. Plotnikov, A.V.; Trushnikov, V.E.; Pervukhin, D.A.; Shestopalov, M.Y. Mathematical Simulation of the Formation Pressure Monitoring System in the Water-Drive Gas Reservoir. In Proceedings of the 2023 26th International Conference on Soft Computing and Measurements, SCM 2023, St. Petersburg, Russia, 24–26 May 2023; pp. 77–81. [Google Scholar] [CrossRef]
  71. Afanasyev, M.; Pervukhin, D.; Kotov, D.; Davardoost, H.; Smolenchuk, A. System Modeling in Solving Mineral Complex Logistic Problems with the Anylogic Software Environment. Transp. Res. Procedia 2022, 68, 483–491. [Google Scholar] [CrossRef]
  72. Bochkov, A.; Pervukhin, D.; Grafov, A.; Nikitina, V. Construction of lorenz curves based on empirical distribution laws of economic indicators. Math. Stat. 2020, 8, 637–644. [Google Scholar] [CrossRef]
  73. Martirosyan, K.V.; Chenyshev, A.B.; Martirosyan, A.V. Application of Bayes Networks in the Design of the Information System “Mineral Water Deposit”. In Proceedings of the 2023 XXVI International Conference on Soft Computing and Measurements (SCM), St. Petersburg, Russia, 24–26 May 2023; pp. 236–239. [Google Scholar] [CrossRef]
  74. Martirosyan, A.V.; Kukharov, T.V.; Fedorov, M.S. Research of the Hydrogeological Objects’ Connection Peculiarities. In Proceedings of the 2021 IV International Conference on Control in Technical Systems (CTS), St. Petersburg, Russia, 21–23 September 2021; pp. 34–38. [Google Scholar] [CrossRef]
  75. Kazanin, O.I.; Sidorenko, A.A.; Sidorenko, S.A.; Ivanov, V.V.; Mischo, H. High productive longwall mining of multiple gassy seams: Best practice and recommendations. Acta Montan. Slovaca 2022, 27, 152–162. [Google Scholar] [CrossRef]
  76. Makarova, A.A.; Kaliberda, I.V.; Kovalev, D.A.; Pershin, I.M. Modeling a Production Well Flow Control System Using the Example of the Verkhneberezovskaya Area. In Proceedings of the 2022 Conference of Russian Young Researchers in Electrical and Electronic Engineering (ElConRus), St. Petersburg, Russia, 25–28 January 2022; pp. 760–764. [Google Scholar] [CrossRef]
  77. Katysheva, E. Analysis of the Interconnected Development Potential of the Oil, Gas and Transport Industries in the Russian Arctic. Energies 2023, 16, 3124. [Google Scholar] [CrossRef]
  78. Ilyushina, A.N.; Pershin, I.M.; Trushnikov, V.E.; Novozhilov, I.M.; Pervukhin, D.A.; Tukeyev, D.L. Design of Induction Equipment Complex using the Theory of Distributed Parameter Systems. In Proceedings of the 2023 V International Conference on Control in Technical Systems (CTS), St. Petersburg, Russia, 26–28 September 2023; pp. 79–82. [Google Scholar] [CrossRef]
  79. Sidorenko, A.A.; Ivanov, V.V.; Sidorenko, S.A. Computer modeling of rock massif stress condition for mining planning on overworked seam. J. Phys. Conf. Ser. 2020, 1661, 012082. [Google Scholar] [CrossRef]
  80. Katysheva, E.G. Application of BigData technology to improve the efficiency of Arctic shelf fields development. IOP Conf. Ser. Earth Environ. Sci. 2021, 937, 042080. [Google Scholar] [CrossRef]
  81. Eremeeva, A.M.; Kondrasheva, N.K.; Khasanov, A.F.; Oleynik, I.L. Environmentally Friendly Diesel Fuel Obtained from Vegetable Raw Materials and Hydrocarbon Crude. Energies 2023, 16, 2121. [Google Scholar] [CrossRef]
  82. Zolotov, O.I.; Iliushina, A.N.; Novozhilov, I.M. Spatially Distributed System for Monitoring of Fields Technical Condition in Mineral Resources Sector. In Proceedings of the 2021 XXIV International Conference on Soft Computing and Measurements (SCM), St. Petersburg, Russia, 26–28 May 2021; pp. 93–95. [Google Scholar] [CrossRef]
  83. Iliushina, A.N.; Novozhilov, I.M. Development of the Spatial-Distributed Mathematical Model of a Drilling Rig. In Proceedings of the 2019 III International Conference on Control in Technical Systems (CTS), St. Petersburg, Russia, 30 October–1 November 2019; pp. 156–159. [Google Scholar] [CrossRef]
  84. Kondrasheva, N.K.; Eremeeva, A.M. Production of biodiesel fuel from vegetable raw materials. J. Min. Inst. 2023, 260, 248–256. [Google Scholar] [CrossRef]
  85. Golovina, E.; Khloponina, V.; Tsiglianu, P.; Zhu, R. Organizational, Economic and Regulatory Aspects of Groundwater Resources Extraction by Individuals (Case of the Russian Federation). Resources 2023, 12, 89. [Google Scholar] [CrossRef]
  86. Tarabarinova, T.A.; Golovina, E.I. Capitalization of mineral resources as an innovation ecological strategy. Geol. Miner. Resour. Sib. 2021, 4, 86–96. [Google Scholar] [CrossRef]
  87. Ilyushina, A.N.; Pershin, I.M.; Trushnikov, V.E.; Novozhilov, I.M.; Pervukhin, D.A.; Tukeyev, D.L. Design of a Software Complex for Control of Induction Equipment of Metallurgical Manufacture using Systems Theory. In Proceedings of the 2023 V International Conference on Control in Technical Systems (CTS), St. Petersburg, Russia, 26–28 September 2023; pp. 83–87. [Google Scholar] [CrossRef]
  88. Shapiro, S.L.; Kopkov, M.P.; Potseshkovskaya, I.V. Problems of the organization of surface and underground space (e.g. historical embankments of Saint Petersburg). E3S Web Conf. 2021, 266, 03016. [Google Scholar] [CrossRef]
  89. Potseshkovskaya, I.V.; Soroka, A.N. Revitalization of urban industrial areas based on sustainable development principles. E3S Web Conf. 2021, 266, 08012. [Google Scholar] [CrossRef]
  90. Kuo, W.; Li, X.; Zhang, Y.; Li, W.; Wang, Q.; Li, L. Prediction Model of Water Abundance of Weakly Cemented Sandstone Aquifer Based on Principal Component Analysis–Back Propagation Neural Network of Grey Correlation Analysis Decision Making. Water 2024, 16, 551. [Google Scholar] [CrossRef]
  91. Ke, H.; Zhang, F.; Sikai, Y.; Zhe, M.; Bin, X. Using Machine Learning Models to Forecast the Conversion Coefficient between Electricity Consumption and Water Pumped for Irrigation Wells in Baicheng City, China. Water 2024, 16, 523. [Google Scholar] [CrossRef]
  92. Zhou, L.; Yan, P.; Zhang, Y.; Lei, H.; Hao, S.; Ma, Y.; Sun, S. Using Particle Swarm Optimization with Backpropagation Neural Networks and Analytic Hierarchy Process to Optimize the Power Generation Performance of Enhanced Geothermal System (EGS). Water 2024, 16, 509. [Google Scholar] [CrossRef]
  93. Chatterjee, T.; Gogoi, U.R.; Samanta, A.; Chatterjee, A.; Singh, M.K.; Pasupuleti, S. Identifying the Most Discriminative Parameter for Water Quality Prediction Using Machine Learning Algorithms. Water 2024, 16, 481. [Google Scholar] [CrossRef]
  94. Zhang, B.; Ma, J.; Khan, M.A.; Repnikova, V.; Shidlovskaya, K.; Barykin, S.; Ahmad, M.S. The Effect of Economic Policy Uncertainty on Foreign Direct Investment in the Era of Global Value Chain: Evidence from the Asian Countries. Sustainability 2023, 15, 6131. [Google Scholar] [CrossRef]
  95. Golovina, E.; Karennik, K. Modern Trends in the Field of Solving Transboundary Problems in Groundwater Extraction. Resources 2021, 10, 107. [Google Scholar] [CrossRef]
  96. Gerasimova, I.G.; Oblova, I.S.; Golovina, E.I. The Demographic Factor Impact on the Economics of the Arctic Region. Resources 2021, 10, 117. [Google Scholar] [CrossRef]
  97. Demenkov, P.A.; Trushko, O.V.; Potseshkovskaya, I.V. Numerical experiments on the modeling of compensatory injection for the protection of buildings during tunneling. ARPN J. Eng. Appl. Sci. 2018, 13, 9161–9169. [Google Scholar]
  98. Shubin, A.A.; Tulin, P.K.; Potseshkovskaya, I.V. The mechanism of underground cavities formation and the methods of their elimination. Int. J. Civ. Eng. Technol. 2017, 8, 667–681. [Google Scholar]
  99. Katysheva, E. Creation of the integrated field model to increase the oil and gas assets management. In Proceedings of the 20th International Multidisciplinary Scientific GeoConference SGEM 2020, Albena, Bulgaria, 18–24 August 2020; Ecology, Economics, Education and Legislation, Issue 5.2. Environmental Economics. SGEM: Albena, Bulgaria, 2020; Volume 20, pp. 153–160. [Google Scholar] [CrossRef]
  100. Sidorenko, A.; Sirenko, Y.G.; Sidorenko, A.S. An assessment of multiple seam stress conditions using a 3-D numerical modelling approach. J. Phys. Conf. Ser. 2019, 1333, 032078. [Google Scholar] [CrossRef]
  101. Sidorenko, A.; Ivanov, V.V.; Sidorenko, A.S. Modelling of computational fluid dynamics of gas dynamic processes on longwall panel during underground mining of flat gassy coal multi-seam. J. Phys. Conf. Ser. 2019, 1333, 032079. [Google Scholar] [CrossRef]
  102. Martirosyan, A.V.; Martirosyan, K.V.; Chernyshev, A.B. Investigation of Popov’s Lines’ Limiting Position to Ensure the Process Control Systems’ Absolute Stability. In Proceedings of the 2023 XXVI International Conference on Soft Computing and Meas urements (SCM), St. Petersburg, Russia, 24–26 May 2023; pp. 69–72. [Google Scholar] [CrossRef]
  103. Martirosyan, A.V.; Martirosyan, K.V.; Grudyaeva, E.K.; Chernyshev, A.B. Calculation of the Temperature Maximum Value Access Time at the Observation Point. In Proceedings of the 2021 IEEE Conference of Russian Young Researchers in Electrical and Electronic Engineering (ElConRus), 26–28 January 2021; pp. 1014–1018. [Google Scholar] [CrossRef]
  104. Martirosyan, A.A.; Martirosyan, K.V. Quality improvement information technology for mineral water field’s control. In Proceedings of the 2016 IEEE Conference on Quality Management, Transport and Information Security, Information Technologies (IT&MQ&IS), Nalchik, Russia, 4–11 October 2016; pp. 147–151. [Google Scholar] [CrossRef]
  105. Asadulagi, M.M.; Pervukhin, D.A. Stochastic control system of hydrodynamic processes in aquifers/Innovation-Based Development of the Mineral Resources Sector: Challenges and Prospects. In Proceedings of the 11th Conference of the Russian-German Raw Materials, Potsdam, Germany, 7–8 November 2019; pp. 175–185. [Google Scholar]
  106. Asadulagi, M.-A.M.; Pershin, I.M.; Tsapleva, V.V. Research on Hydrolithospheric Processes Using the Results of Groundwater Inflow Testing. Water 2024, 16, 487. [Google Scholar] [CrossRef]
  107. Plotnikov, A.V.; Pervukhin, D.A.; Trushnikov, V.E.; Shestopalov, M.Y. Mathematical Modeling of the Automatic Control System of Formation Pressure in a Gas Reservoir. In Proceedings of the 2023 V International Conference on Control in Technical Systems (CTS), St. Petersburg, Russia, 21–23 September 2023; pp. 126–129. [Google Scholar] [CrossRef]
  108. Marinina, O.; Kirsanova, N.; Nevskaya, M. Circular Economy Models in Industry: Developing a Conceptual Framework. Energies 2022, 15, 9376. [Google Scholar] [CrossRef]
  109. Lebedev, A.; Cherepovitsyn, A. Waste Management during the Production Drilling Stage in the Oil and Gas Sector: A Feasibility Study. Resources 2024, 13, 26. [Google Scholar] [CrossRef]
  110. Cherepovitsyn, A.; Lebedev, A. Drill Cuttings Disposal Efficiency in Offshore Oil Drilling. J. Mar. Sci. Eng. 2023, 11, 317. [Google Scholar] [CrossRef]
  111. Pershin, I.M.; Nosova, V.A.; Tsapleva, V.V. Methodology for Designing Distributed Self-tuning Control Systems. In Proceedings of the 2023 V International Conference on Control in Technical Systems (CTS), St. Petersburg, Russia, 26–28 September 2023; pp. 110–114. [Google Scholar] [CrossRef]
  112. Nosova, V.A.; Pershin, I.M. Determining the Optimal Number of Wells during Field Development. In Proceedings of the 2021 IV International Conference on Control in Technical Systems (CTS), St. Petersburg, Russia, 21–23 September 2021; pp. 42–44. [Google Scholar] [CrossRef]
  113. Li, C.; Jiao, Y.; Kan, G.; Fu, X.; Chai, F.; Yu, H.; Liang, K. Comparisons of Different Machine Learning-Based Rainfall–Runoff Simulations under Changing Environments. Water 2024, 16, 302. [Google Scholar] [CrossRef]
  114. Sheikh, M.R.; Coulibaly, P. Review of Recent Developments in Hydrologic Forecast Merging Techniques. Water 2024, 16, 301. [Google Scholar] [CrossRef]
  115. Zhen, L.; Bărbulescu, A. Comparative Analysis of Convolutional Neural Network-Long Short-Term Memory, Sparrow Search Algorithm-Backpropagation Neural Network, and Particle Swarm Optimization-Extreme Learning Machine Models for the Water Discharge of the Buzău River, Romania. Water 2024, 16, 289. [Google Scholar] [CrossRef]
  116. Babyr, N.V. Topical Themes and New Trends in Mining Industry: Scientometric Analysis and Research Visualization. Int. J. Eng. Trans. A Basics 2024, 37, 439–451. [Google Scholar] [CrossRef]
  117. Marinina, O.; Parfenova, A.; Tsvetkova, A.; Komendantova, N. Assortment Strategy as A Driver of Fuel and Energy Complex Competitiveness. In Proceedings of the 21st International Multidisciplinary Scientific Geoconference: Ecology and Renewable Energy Sources. Nano, Bio and Green Technologies for a Sustainable Future, SGEM 2021, Albena, Bulgaria, 16–22 August 2021; Volume 21, pp. 503–510. [Google Scholar] [CrossRef]
  118. Nevskaya, M.; Marinina, O.; Kosovtseva, T.; Que, C.T. Coal Companies in Vietnam: Production Sustainability Analysis. In Proceedings of the 21st International Multidisciplinary Scientific Geoconference: Geology and Mining Technologies. Geoinformatics and Remote Sensing. Forest Ecosystems and Water Resources, SGEM 2021, Albena, Bulgaria, 16–22 August 2021; Volume 21, pp. 81–87. [Google Scholar] [CrossRef]
  119. Golovina, E.I.; Tselmeg, B. Cost estimate as a tool for managing fresh groundwater resources in the Russian Federation. Geol. Miner. Resour. Sib. 2023, 4, 81–91. [Google Scholar] [CrossRef]
  120. Shchirova, E.; Tsvetkova, A.; Komendantova, N. Analysis of the possibility of implementing carbon dioxide sequestration projects in Russia based on foreign experience. In Proceedings of the 21st International Multidisciplinary Scientific GeoConference SGEM 2021, Albena, Bulgaria, 16–22 August 2021; Volume 21, pp. 203–210. [Google Scholar] [CrossRef]
  121. Marinina, O.A.; Nevskaya, M.A. Specific nature of labour management in the oil and gas sector in the Russian Far North. Int. J. Appl. Bus. Econ. Res. 2017, 15, 177–185. [Google Scholar]
  122. Fedorova, E.; Pupysheva, E.; Morgunov, V. Modelling of Red-Mud Particle-Solid Distribution in the Feeder Cup of a Thickener Using the Combined CFD-DPM Approach. Symmetry 2022, 14, 2314. [Google Scholar] [CrossRef]
  123. Fedorova, E.R.; Pupysheva, E.A.; Morgunov, V.V. Settling Parameters Determined during Thickening and Washing of Red Muds. Tsvetnye Metally. 2023, 4, 77–85. [Google Scholar] [CrossRef]
  124. Semenova, T.; Martínez Santoyo, J.Y. Economic Strategy for Developing the Oil Industry in Mexico by Incorporating Environmental Factors. Sustainability 2024, 16, 36. [Google Scholar] [CrossRef]
  125. Semenova, T.; Al-Dirawi, A.; Al-Saadi, T. Environmental Challenges for Fragile Economies: Adaptation Opportunities on the Examples of the Arctic and Iraq. Agronomy 2022, 12, 2021. [Google Scholar] [CrossRef]
  126. Semenova, T. Value Improving Practices in Production of Hydrocarbon Resources in the Arctic Regions. J. Mar. Sci. Eng. 2022, 10, 187. [Google Scholar] [CrossRef]
  127. Afanaseva, O.; Bezyukov, O.; Pervukhin, D.; Tukeev, D. Experimental Study Results Processing Method for the Marine Diesel Engines Vibration Activity Caused by the Cylinder-Piston Group Operations. Inventions 2023, 8, 71. [Google Scholar] [CrossRef]
  128. Islamov, S.R.; Bondarenko, A.V.; Mardashov, D.V. Substantiation of a well killing technology for fractured carbonate reservoirs. In Youth Technical Sessions Proceedings: VI Youth Forum of the World Petroleum Council—Future Leaders Forum; Taylor & Francis: London, UK, 2019; pp. 256–264. [Google Scholar] [CrossRef]
  129. Kazanin, O.I.; Sidorenko, A.A.; Meshkov, A.A.; Sidorenko, S.A. Reproduction of the longwall panels: Modern requirements for the technology and organization of the development operations at coal mines. Eurasian Min. 2020, 2, 19–23. [Google Scholar] [CrossRef]
  130. Olt, J.; Maksarov, V.V.; Efimov, A.E. Improving the Surface Quality of Titanium-Alloy Components in Machining. Russ. Eng. Res. 2023, 43, 319–322. [Google Scholar] [CrossRef]
  131. Korshunov, G.I.; Eremeeva, A.M.; Seregin, A.S. Justification of reduction in air requirement in ventilation of coal roadways with running diesel engines. MIAB Min. Inf. Anal. Bull. 2022, 3, 47–59. (In Russian) [Google Scholar] [CrossRef]
  132. Eremeeva, A.M.; Ilyashenko, I.S.; Korshunov, G.I. The possibility of application of bioadditives to diesel fuel at mining enterprises. Min. Informational Anal. Bull. 2022, 39–49. [Google Scholar] [CrossRef]
  133. Legkokonets, V.A.; Islamov, S.R.; Mardashov, D.V. Multifactor analysis of well killing operations on oil and gas condensate field with a fractured reservoir. In Proceedings of the International Forum-Contest of Young Researchers: Topical Issues of Rational Use of Natural Resources; Taylor & Francis: London, UK, 2019; pp. 111–118. [Google Scholar]
  134. Kondrasheva, N.K.; Eremeeva, A.M.; Nelkenbaum, K.S. Development of domestic technologies of produsing high quality clean diesel fuel. ChemChemTech [Izv. Vyssh. Uchebn. Zaved. Khim. Khim. Tekhnol.] 2018, 61, 76–82. (In Russian) [Google Scholar] [CrossRef]
  135. Schipachev, A.; Fetisov, V.; Nazyrov, A.; Donghee, L.; Khamrakulov, A. Study of the Pipeline in Emergency Operation and Assessing the Magnitude of the Gas Leak. Energies 2022, 15, 5294. [Google Scholar] [CrossRef]
  136. Nikolaev, A.K.; Romanov, A.V.; Zaripova, A.N.; Fetisov, V.G. Modeling of flow in field pipeline to confirm effectiveness of insertion of splitting couplings in control of rill-washing corrosion. IOP Conf. Ser. Earth Environ. Sci. 2018, 194, 082030. [Google Scholar] [CrossRef]
  137. Meshkov, A.A.; Korshunov, G.I.; Kondrasheva, N.K.; Eremeeva, A.M.; Seregin, A.S. Method of Reducing Air Pollution of the Coal Mines Working Areas with Diesel Locomotives Harmful Emissions. Bezop. Tr. V Promyshlennosti 2020, 1, 68–72. (In Russian) [Google Scholar] [CrossRef]
  138. Eremeeva, A.M.; Kondrasheva, N.K.; Nelkenbaum, K.S. Studying the possibility of improving the properties of environmentally friendly diesel fuels. Sci. Pract. Stud. Raw Mater. Issues 2019, 2020, 108–114. [Google Scholar] [CrossRef]
  139. Maksarov, V.V.; Minin, A.O.; Zakharova, V.P. Ensuring surface quality in AlMn alloy items during high-frequency wave impact boring. Tsvetnye Met. 2023, 4, 90–95. [Google Scholar] [CrossRef]
Disclaimer/Publisher’s Note: The statements, opinions and data contained in all publications are solely those of the individual author(s) and contributor(s) and not of MDPI and/or the editor(s). MDPI and/or the editor(s) disclaim responsibility for any injury to people or property resulting from any ideas, methods, instructions or products referred to in the content.

Article Metrics

Citations

Article Access Statistics

Multiple requests from the same IP address are counted as one view.