An Experimental Study on the Influence of Drastically Varying Discharge Ratios on Bed Topography and Flow Structure at Urban Channel Confluences
Abstract
1. Introduction
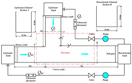
2. Experimental Equipment and Measurement
3. Results
3.1. Bed Topography
3.2. Three-Dimensional Velocity Field
3.3. Turbulent Kinetic Energy
4. Discussions
5. Conclusions
- (1)
- The drastic change in discharge ratio causes secondary scouring to the equilibrium bed topography in the confluence area. The bed surface at the sand hole and sand bar drops and the sediment is transported downstream. In this experiment, although local sand hole and sand ridge were formed in the flow recovery zone downstream, the results may be more suitable for urban channel confluence with relatively large width-depth ratio and small- and medium-sized natural channel confluences.
- (2)
- The change in the bed topography has the greatest effect on the U-field, and the area of the maximum velocity zone is enlarged. Although the confluence at the same discharge and distinct topography has a smaller maximum velocity, it exhibits greater vortex and turbulence, which is the main cause of secondary erosion.
- (3)
- For the V-, W-, and k-fields, the flow field is mainly controlled by the discharge and the corresponding ratio, whereas the change in topography only has a secondary effect in local areas. In addition, the distortion of the shear layer is caused by the change in the discharge ratio and has nothing to do with the topography.
Author Contributions
Funding
Data Availability Statement
Conflicts of Interest
References
- Best, J.L. Flow dynamics at river channel confluences: Implications for sediment transport and bed morphology. Recent Dev. Fluv. Sedimentol. 1987, 39, 27–35. [Google Scholar]
- Best, J.L. Sediment transport and bed morphology at river channel confluences. Sedimentology 1988, 35, 481–498. [Google Scholar] [CrossRef]
- Geberemariam, T.K. Numerical Analysis of Stormwater Flow Conditions and Separation Zone at Open-Channel Junctions. J. Irrig. Drain. Eng. 2017, 143, 05016009.1–05016009.9. [Google Scholar] [CrossRef]
- Hua, S.; Li, J.; Liu, C.; Love, M.; Maines, B. Numerical study of passive and active flow separation control over a NACA0012 airfoil. Comput. Fluids 2008, 37, 975–992. [Google Scholar]
- Schindfessel, L.; Creëlle, S.; De Mulder, T. How different cross-sectional shapes influence the separation zone of an open-channel confluence. J. Hydraul. Eng. 2017, 143, 04017036.1–04017036.12. [Google Scholar] [CrossRef]
- Hua, Z.; Yan, M.; Li, G.U.; Xing, L. Characteristic dimension of separation zones in the bifurcation of braided rivers. J. Hydroelectr. Eng. 2013, 32, 163–168, 178. [Google Scholar]
- Loucks, R.B.; Wallace, J.M. Velocity and velocity gradient based properties of a turbulent plane mixing layer. J. Fluid Mech. 2012, 699, 280–319. [Google Scholar] [CrossRef]
- Kirkil, G.; Constantinescu, G. A study of vertical non-uniformity of flow and mass exchange processes in a shallow mixing layer. In Proceedings of the International Symposium on Turbulence, Rome, Italy, 14–18 September 2009. [Google Scholar]
- Lacey, R.J.; Neary, V.S.; Liao, J.C.; Enders, E.C.; Tritico, H.M. The ipos framework: Linking fish swimming performance in altered flows from laboratory experiments to rivers. River Res. Appl. 2012, 28, 429–443. [Google Scholar] [CrossRef]
- Tullos, D.; Walter, C. Fish use of turbulence around wood in winter: Physical experiments on hydraulic variability and habitat selection by juvenile coho salmon, oncorhynchus kisutch. Environ. Biol. Fishes 2015, 98, 1339–1353. [Google Scholar] [CrossRef]
- Tullos, D.; Walter, C.; Dunham, J. Does resolution of flow field observation influence apparent habitat use and energy expenditure in juvenile coho salmon? Water Resour. Res. 2016, 52, 5938–5950. [Google Scholar] [CrossRef]
- Best, J.L.; Roy, A.G. Mixing-layer distortion at the confluence of channels of different depth. Nature 1991, 350, 411–413. [Google Scholar] [CrossRef]
- Biswal, S.K.; Mohapatra, P.; Muralidhar, K. Hydraulics of combining flow in a right-angled compound open channel junction. Sadhana Acad. Proc. Eng. Sci. 2016, 41, 97–110. [Google Scholar] [CrossRef]
- Guillén-Ludeña, S.; Franca, M.J.; Cardoso, A.H.; Schleiss, A.J. Evolution of the hydromorphodynamics of mountain river confluences for varying discharge ratios and junction angles. Geomorphology 2016, 255, 1–15. [Google Scholar] [CrossRef]
- Leclair, S.F.; Roy, A.G. Variability of bed morphology and sedimentary structures at a discordant river confluence during low flows. Geogr. Phys. Quat. 1997, 51, 125–139. [Google Scholar]
- Constantinescu, G.; Miyawaki, S.; Rhoads, B.; Sukhodolov, A.; Kirkil, G. Structure of turbulent flow at a river confluence with momentum and velocity ratios close to 1: Insight provided by an eddy-resolving numerical simulation. Water Resour. Res. 2011, 47. [Google Scholar] [CrossRef]
- Rhoads, B.L.; Sukhodolov, A.N. Spatial and temporal structure of shear layer turbulence at a stream confluence. Water Resour. Res. 2004, 40, 380–383. [Google Scholar] [CrossRef]
- Ribeiro, M.L.; Blanckaert, K.; Roy, A.G.; Schleiss, A.J. Flow and sediment dynamics in channel confluences. J. Geophys. Res. Earth Surface 2012, 117. [Google Scholar] [CrossRef]
- Rhoads, B.L.; Sukhodolov, A.N. Field investigation of three-dimensional flow structure at stream confluences: 1. Thermal mixing and time-averaged velocities. Water Resour. Res. 2010, 37, 2393–2410. [Google Scholar] [CrossRef]
- Penna, N.; Marchis, M.D.; Ca Nelas, O.; Napoli, E.; Ca Rdoso, A.; Gaudio, R. Effect of the Junction Angle on Turbulent Flow at a Hydraulic Confluence. Water 2018, 10, 469. [Google Scholar] [CrossRef]
- Shakibainia, A.; Tabatabai, M.R.M.; Zarrati, A.R. Three-dimensional numerical study of flow structure in channel confluences. Can. J. Civ. Eng. 2010, 37, 772–781. [Google Scholar] [CrossRef]
- Guillén-Ludeña, S.; Franca, M.J.; Alegria, F.; Schleiss, A.J.; Cardoso, A.H. Hydromorphodynamic effects of the width ratio and local tributary widening on discordant confluences. Geomorphology 2017, 293, 289–304. [Google Scholar] [CrossRef]
- Guillén-Ludeña, S.; Franca, M.J.; Cardoso, A.H.; Schleiss, A.J. Effect of the bed load gradation on the morphodynamics of discordant confluences. In Proceedings of the Iahr World Congress, Kuala Lumpur, Malaysia, 13–18 August 2017. [Google Scholar]
- Boyer, C.; Roy, A.G.; Best, J.L. Dynamics of a river channel confluence with discordant beds: Flow turbulence, bed load sediment transport, and bed morphology. J. Geophys. Res. Earth Surf. 2006, 111. [Google Scholar] [CrossRef]
- Unde, M.G.; Dhakal, S. Sediment characteristics at river confluences: A case study of the Mula-Kas confluence, Maharashtra, India. Progress Phys. Geogr. 2009, 33, 208–223. [Google Scholar] [CrossRef]
- Simpson, S.C.; Meixner, T.; Hogan, J.F. The role of flood size and duration on streamflow and riparian groundwater composition in a semi-arid basin. J. Hydrol. 2013, 488, 126–135. [Google Scholar] [CrossRef]
- Luo, W.; Wang, X.; Shi, D.; Yao, F.; Ke, Z. Influence of outer river flood level on drainage discharge in plain lake areas. Trans. Chin. Soc. Agric. Eng. 2016, 32, 126–132. [Google Scholar]
- Xu, J.; Yan, M. Discrimination of channel patterns for alluvial rivers based on the sediment concentration to water discharge ratio. Z. Geomorphol. 2010, 54, 111–125. [Google Scholar] [CrossRef]
- Yuan, S.; Tang, H.; Xiao, Y.; Qiu, X.; Zhang, H.; Yu, D. Turbulent flow structure at a 90-degree open channel confluence: Accounting for the distortion of the shear layer. J. Hydro-Environ. Res. 2016, 12, 130–147. [Google Scholar] [CrossRef]
- Xiao, Y.; Xia, Y.; Yuan, S.; Tang, H. Distribution of phosphorus in bed sediment at confluences responding to hydrodynamics. Proc. Inst. Civ. Eng. 2019, 172, 149–162. [Google Scholar] [CrossRef]
- Parsons, D.R.; Best, J.L.; Lane, S.N.; Orfeo, O.; Kostaschuk, R. Form roughness and the absence of secondary flow in a large confluence–diffluence, Rio Paraná, Argentina. Earth Surf. Process. Landf. 2010, 32, 155–162. [Google Scholar] [CrossRef]
- Correia, F.N.; Saraiva, M.G.; Silva, F.N.; Ramos, I. Floodplain Management in Urban Developing Areas. Part II. GIS-Based Flood Analysis and Urban Growth Modelling. Water Resour. Manag. 1999, 13, 23–37. [Google Scholar]
- Thomaz, S.M.; Bini, L.M.; Bozelli, R.L. Floods increase similarity among aquatic habitats in river-floodplain systems. Hydrobiologia 2007, 579, 1–13. [Google Scholar] [CrossRef]
- Stevaux, J.C.; Paes, R.J.; Franco, A.A.; Etchebehere, M.; Fujita, R.H. Morphodynamics in the Confluence of large regulated Rivers: The case of Paraná and Paranapanema Rivers. Lat. Am. J. Sedimentol. Basin Anal. 2009, 16, 101–109. [Google Scholar]
- Gualtieri, C.; Ianniruberto, M.; Filizola, N. On the mixing of rivers with a difference in density: The case of the Negro/Solimes confluence, Brazil. J. Hydrol. 2019, 578, 124029.1–124029.16. [Google Scholar] [CrossRef]
- Voulgaris, G.; Trowbridge, J.H. Evaluation of the Acoustic Doppler Velocimeter (ADV) for Turbulence Measurements. J. Atmos. Ocean. Technol. 1998, 15, 272–289. [Google Scholar] [CrossRef]
- Keshavarzi, A.; Melville, B.; Ball, J. Three-dimensional analysis of coherent turbulent flow structure around a single circular bridge pier. Environ. Fluid Mech. 2014, 14, 821–847. [Google Scholar] [CrossRef]
- Myers, L.E.; Bahaj, A.S. An experimental investigation simulating flow effects in first generation marine current energy converter arrays. Renew. Energy 2014, 37, 28–36. [Google Scholar] [CrossRef]
- Faraci, C.; Foti, E.; Baglio, S. Measurements of sandy bed scour processes in an oscillating flow by using structured light. Measurement 2000, 28, 159–174. [Google Scholar] [CrossRef]
- Haas, T.D.; Woerkom, T.V. Bed scour by debris flows: Experimental investigation of effects of debris-flow composition. Earth Surf. Process. Landf. 2016, 41, 1951–1966. [Google Scholar] [CrossRef]
- Tunstall, S.; Mccarthy, S.; Faulkner, H. Flood risk management and planning policy in a time of policy transition: The case of the Wapshott Road Planning Inquiry, Surrey, England. J. Flood Risk Manag. 2010, 2, 159–169. [Google Scholar] [CrossRef]
- Morelli, S.; Segoni, S.; Manzo, G.; Ermini, L.; Catani, F. Urban planning, flood risk and public policy: The case of the Arno River, Firenze, Italy. Appl. Geogr. 2012, 34, 205–218. [Google Scholar] [CrossRef]
- Riley, J.D.; Rhoads, B.L. Flow structure and channel morphology at a natural confluent meander bend. Geomorphology 2012, 163–164, 84–98. [Google Scholar] [CrossRef]
- Nally, R.M.; Wallis, E.; Lake, P.S. Geometry of biodiversity patterning: Assemblages of benthic macroinvertebrates at tributary confluences. Aquat. Ecol. 2011, 45, 43–54. [Google Scholar] [CrossRef]







Publisher’s Note: MDPI stays neutral with regard to jurisdictional claims in published maps and institutional affiliations. |
© 2021 by the authors. Licensee MDPI, Basel, Switzerland. This article is an open access article distributed under the terms and conditions of the Creative Commons Attribution (CC BY) license (https://creativecommons.org/licenses/by/4.0/).
Share and Cite
Zhang, Z.; Lin, Y. An Experimental Study on the Influence of Drastically Varying Discharge Ratios on Bed Topography and Flow Structure at Urban Channel Confluences. Water 2021, 13, 1147. https://doi.org/10.3390/w13091147
Zhang Z, Lin Y. An Experimental Study on the Influence of Drastically Varying Discharge Ratios on Bed Topography and Flow Structure at Urban Channel Confluences. Water. 2021; 13(9):1147. https://doi.org/10.3390/w13091147
Chicago/Turabian StyleZhang, Zhiyuan, and Yuqing Lin. 2021. "An Experimental Study on the Influence of Drastically Varying Discharge Ratios on Bed Topography and Flow Structure at Urban Channel Confluences" Water 13, no. 9: 1147. https://doi.org/10.3390/w13091147
APA StyleZhang, Z., & Lin, Y. (2021). An Experimental Study on the Influence of Drastically Varying Discharge Ratios on Bed Topography and Flow Structure at Urban Channel Confluences. Water, 13(9), 1147. https://doi.org/10.3390/w13091147
