Experimental Study on the Application of Cellulosic Biopolymer for Enhanced Oil Recovery in Carbonate Cores under Harsh Conditions
Abstract
1. Introduction
2. Materials and Methods
2.1. Materials
2.2. Preparation of Okra Polysaccharide
2.3. Morphological Characterization
2.4. Rheological Test
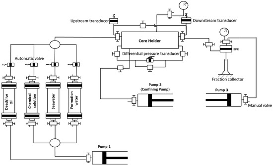
2.5. Oil Displacement Test
3. Results and Discussion
3.1. Extraction and Characterization of OM
3.2. Rheological Behavior of OM Polymer
3.3. Oil Displacement Test
4. Conclusions
Author Contributions
Funding
Institutional Review Board Statement
Informed Consent Statement
Data Availability Statement
Conflicts of Interest
References
- Al-Shalabi, E.W.; Alameri, W.; Hassan, A.M. Mechanistic modeling of hybrid low salinity polymer flooding: Role of geochemistry. J. Pet. Sci. Eng. 2022, 210, 110013. [Google Scholar] [CrossRef]
- Xia, Z.; Wang, X.; Xu, R.; Ren, W. Tight oil reservoir production characteristics developed by CO2 huff ‘n’ puff under well pattern conditions. J. Pet. Explor. Prod. Technol. 2022, 12, 473–484. [Google Scholar] [CrossRef]
- Gbadamosi, A.; Patil, S.; Al Shehri, D.; Kamal, M.S.; Hussain, S.S.; Al-Shalabi, E.W.; Hassan, A.M. Recent advances on the application of low salinity waterflooding and chemical enhanced oil recovery. Energy Rep. 2022, 8, 9969–9996. [Google Scholar] [CrossRef]
- Saboorian-Jooybari, H.; Dejam, M.; Chen, Z. Heavy oil polymer flooding from laboratory core floods to pilot tests and field applications: Half-century studies. J. Pet. Sci. Eng. 2016, 142, 85–100. [Google Scholar] [CrossRef]
- Agi, A.; Junin, R.; Gbadamosi, A. Mechanism governing nanoparticle flow behaviour in porous media: Insight for enhanced oil recovery applications. Int. Nano Lett. 2018, 8, 49–77. [Google Scholar] [CrossRef]
- Guo, K.; Li, H.; Yu, Z. In-situ heavy and extra-heavy oil recovery: A review. Fuel 2016, 185, 886–902. [Google Scholar] [CrossRef]
- Khan, S.; Gbadamosi, A.; Norrman, K.; Zhou, X.; Hussain, S.M.S.; Patil, S.; Kamal, M.S. Adsorption Study of Novel Gemini Cationic Surfactant in Carbonate Reservoir Cores—Influence of Critical Parameters. Materials 2022, 15, 2527. [Google Scholar] [CrossRef]
- Gbadamosi, A.; Yusuff, A.; Agi, A.; Muruga, P.; Junin, R.; Jeffrey, O. Mechanistic study of nanoparticles-assisted xanthan gum polymer flooding for enhanced oil recovery: A comparative study. J. Pet. Explor. Prod. Technol. 2022, 12, 207–213. [Google Scholar] [CrossRef]
- Kamal, M.S.; Sultan, A.; Al-Mubaiyedh, U.A.; Hussein, I.A. Review on Polymer Flooding: Rheology, Adsorption, Stability, and Field Applications of Various Polymer Systems. Polym. Rev. 2015, 55, 491–530. [Google Scholar] [CrossRef]
- Abdelgawad, K.Z. Polymer induced permeability reduction: The influence of polymer retention and porous medium properties. J. Pet. Sci. Eng. 2022, 217, 110821. [Google Scholar] [CrossRef]
- Urbissinova, T.S.; Trivedi, J.; Kuru, E. Effect of Elasticity During Viscoelastic Polymer Flooding: A Possible Mechanism of Increasing the Sweep Efficiency. J. Can. Pet. Technol. 2010, 49, 49–56. [Google Scholar] [CrossRef]
- Hassan, A.M.; Al-Shalabi, E.W.; Ayoub, M.A. Updated Perceptions on Polymer-Based Enhanced Oil Recovery toward High-Temperature High-Salinity Tolerance for Successful Field Applications in Carbonate Reservoirs. Polymers 2022, 14, 2001. [Google Scholar] [CrossRef] [PubMed]
- Wei, B.; Romero-Zerón, L.; Rodrigue, D. Oil displacement mechanisms of viscoelastic polymers in enhanced oil recovery (EOR): A review. J. Pet. Explor. Prod. Technol. 2013, 4, 113–121. [Google Scholar] [CrossRef]
- Muhammed, N.S.; Haq, B.; Al-Shehri, D.; Rahaman, M.M.; Keshavarz, A.; Hossain, S.M.Z. Comparative Study of Green and Synthetic Polymers for Enhanced Oil Recovery. Polymers 2020, 12, 2429. [Google Scholar] [CrossRef] [PubMed]
- Gussenov, I.S.; Mukhametgazy, N.; Shakhvorostov, A.V.; Kudaibergenov, S.E. Comparative Study of Oil Recovery Using Amphoteric Terpolymer and Hydrolyzed Polyacrylamide. Polymers 2022, 14, 3095. [Google Scholar] [CrossRef]
- Gbadamosi, A.O.; Junin, R.; Manan, M.A.; Yekeen, N.; Augustine, A. Hybrid suspension of polymer and nanoparticles for enhanced oil recovery. Polym. Bull. 2019, 76, 6193–6230. [Google Scholar] [CrossRef]
- Gbadamosi, A.; Patil, S.; Kamal, M.S.; Adewunmi, A.A.; Yusuff, A.S.; Agi, A.; Oseh, J. Application of Polymers for Chemical Enhanced Oil Recovery: A Review. Polymers 2022, 14, 1433. [Google Scholar] [CrossRef]
- Gbadamosi, A.O.; Junin, R.; Manan, M.A.; Yekeen, N.; Agi, A.; Oseh, J.O. Recent advances and prospects in polymeric nanofluids application for enhanced oil recovery. J. Ind. Eng. Chem. 2018, 66, 1–19. [Google Scholar] [CrossRef]
- Agi, A.; Junin, R.; Arsad, A.; Abbas, A.; Gbadamosi, A.; Azli, N.B.; Oseh, J. Synergy of the flow behaviour and disperse phase of cellulose nanoparticles in enhancing oil recovery at reservoir condition. PLoS ONE 2019, 14, e0220778. [Google Scholar] [CrossRef]
- Elhossary, D.; AlAmeri, W.; Al-Shalabi, E.W. Rheology and Injectivity Studies on Scleroglucan Biopolymer for Carbonates under Harsh Conditions. SPE Reserv. Eval. Eng. 2022, 25, 455–471. [Google Scholar] [CrossRef]
- Huang, H.; Lin, J.; Wang, W.; Li, S. Biopolymers Produced by Sphingomonas Strains and Their Potential Applications in Petroleum Production. Polymers 2022, 14, 1920. [Google Scholar] [CrossRef] [PubMed]
- Jang, H.Y.; Zhang, K.; Chon, B.H.; Choi, H.J. Enhanced oil recovery performance and viscosity characteristics of polysaccharide xanthan gum solution. J. Ind. Eng. Chem. 2015, 21, 741–745. [Google Scholar] [CrossRef]
- Gao, C. Application of a novel biopolymer to enhance oil recovery. J. Pet. Explor. Prod. Technol. 2016, 6, 749–753. [Google Scholar] [CrossRef]
- Xu, L.; Xu, G.; Yu, L.; Gong, H.; Dong, M.; Li, Y. The displacement efficiency and rheology of welan gum for enhanced heavy oil recovery. Polym. Adv. Technol. 2014, 25, 1122–1129. [Google Scholar] [CrossRef]
- Pu, W.; Shen, C.; Wei, B.; Yang, Y.; Li, Y. A comprehensive review of polysaccharide biopolymers for enhanced oil recovery (EOR) from flask to field. J. Ind. Eng. Chem. 2018, 61, 1–11. [Google Scholar] [CrossRef]
- Yuan, Q.; Lin, S.; Fu, Y.; Nie, X.-R.; Liu, W.; Su, Y.; Han, Q.-H.; Zhao, L.; Zhang, Q.; Lin, D.-R.; et al. Effects of extraction methods on the physicochemical characteristics and biological activities of polysaccharides from okra (Abelmoschus esculentus). Int. J. Biol. Macromol. 2019, 127, 178–186. [Google Scholar] [CrossRef]
- Elkhalifa, A.; Al-Shammari, E.; Adnan, M.; Alcantara, J.; Mehmood, K.; Eltoum, N.; Awadelkareem, A.; Khan, M.; Ashraf, S. Development and Characterization of Novel Biopolymer Derived from Abelmoschus esculentus L. Extract and Its Antidiabetic Potential. Molecules 2021, 26, 3609. [Google Scholar] [CrossRef]
- Zhu, W.; Obara, H. The pre-shearing effect on the rheological properties of okra mucilage. Colloids Surf. A Physicochem. Eng. Asp. 2022, 648, 129257. [Google Scholar] [CrossRef]
- Zaharuddin, N.D.; Noordin, M.I.; Kadivar, A. The Use of Hibiscus esculentus (Okra) Gum in Sustaining the Release of Propranolol Hydrochloride in a Solid Oral Dosage Form. BioMed Res. Int. 2014, 2014, 735891. [Google Scholar] [CrossRef]
- Murtaza, M.; Ahmad, H.M.; Zhou, X.; Al-Shehri, D.; Mahmoud, M.; Kamal, M.S. Okra mucilage as environment friendly and non-toxic shale swelling inhibitor in water based drilling fluids. Fuel 2022, 320, 123868. [Google Scholar] [CrossRef]
- Xu, K.; Guo, M.; Du, J. Molecular characteristics and rheological properties of water-extractable polysaccharides derived from okra (Abelmoschus esculentus L.). Int. J. Food Prop. 2017, 20, S899–S909. [Google Scholar] [CrossRef]









| Salt | Seawater (g/L) | Formation Water (g/L) |
|---|---|---|
| NaCl | 41.172 | 150.446 |
| CaCl2·2H2O | 2.387 | 69.841 |
| MgCl2·6H2O | 17.644 | 20.396 |
| Na2SO4 | 6.339 | 0.518 |
| NaHCO3 | 0.165 | 0.487 |
| TDS | 67.71 g/L | 241.688 g/L |
| Properties | Unit |
|---|---|
| Diameter | 1.5″ |
| Length | 6.03″ |
| Porosity | 18.47 |
| Permeability | 25.5 mD |
| Properties | Values |
|---|---|
| Saturates | 36.2 |
| Aromatics | 50.0 |
| Resins | 11.0 |
| Asphaltene | 2.8 |
| Density | 0.862 g/cm3 |
| Viscosity | 10.9 cP |
Publisher’s Note: MDPI stays neutral with regard to jurisdictional claims in published maps and institutional affiliations. |
© 2022 by the authors. Licensee MDPI, Basel, Switzerland. This article is an open access article distributed under the terms and conditions of the Creative Commons Attribution (CC BY) license (https://creativecommons.org/licenses/by/4.0/).
Share and Cite
Gbadamosi, A.; Zhou, X.; Murtaza, M.; Kamal, M.S.; Patil, S.; Al Shehri, D.; Barri, A. Experimental Study on the Application of Cellulosic Biopolymer for Enhanced Oil Recovery in Carbonate Cores under Harsh Conditions. Polymers 2022, 14, 4621. https://doi.org/10.3390/polym14214621
Gbadamosi A, Zhou X, Murtaza M, Kamal MS, Patil S, Al Shehri D, Barri A. Experimental Study on the Application of Cellulosic Biopolymer for Enhanced Oil Recovery in Carbonate Cores under Harsh Conditions. Polymers. 2022; 14(21):4621. https://doi.org/10.3390/polym14214621
Chicago/Turabian StyleGbadamosi, Afeez, Xianmin Zhou, Mobeen Murtaza, Muhammad Shahzad Kamal, Shirish Patil, Dhafer Al Shehri, and Assad Barri. 2022. "Experimental Study on the Application of Cellulosic Biopolymer for Enhanced Oil Recovery in Carbonate Cores under Harsh Conditions" Polymers 14, no. 21: 4621. https://doi.org/10.3390/polym14214621
APA StyleGbadamosi, A., Zhou, X., Murtaza, M., Kamal, M. S., Patil, S., Al Shehri, D., & Barri, A. (2022). Experimental Study on the Application of Cellulosic Biopolymer for Enhanced Oil Recovery in Carbonate Cores under Harsh Conditions. Polymers, 14(21), 4621. https://doi.org/10.3390/polym14214621

