Synthesis, Spectroscopic, and Antimicrobial Study of Binary and Ternary Ruthenium(III) Complexes of Ofloxacin Drug and Amino Acids as Secondary Ligands
Abstract
1. Introduction
2. Experimental
2.1. Chemicals and Reagents
2.2. Instrumental Analyses
2.3. Complex Synthesis
2.3.1. [Ru(OFL)2(Cl)2]Cl Complex; Complex 1
2.3.2. [Ru(OFL)(Gly)(H2O)2]Cl2Complex; Complex 2
2.3.3. [Ru(OFL)(Ala)(H2O)2]Cl2Complex; Complex 3
3. Results and Discussion
3.1. Results Interpretation of Ru(III)-OFL Complexes
3.1.1. Microanalytical Values
3.1.2. Melting Point Data
3.1.3. Molar Conductivity
3.1.4. UV–Vis Electronic Spectra
3.1.5. Magnetic Susceptibility
3.1.6. FTIR Spectroscopy
3.1.7. SEM, EDX, and XRD Data
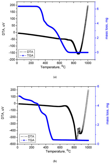
3.1.8. Thermal Analysis (TGA and DTG)
3.1.9. Kinetic Thermodynamics Data
3.1.10. Molecular Modeling
3.1.11. Antibacterial Activity
Author Contributions
Funding
Conflicts of Interest
References
- Garey, K.W.; Amsden, G.W. Trovafloxacin: An Overview. Pharmacotherapy 1999, 19, 21–34. [Google Scholar] [CrossRef] [PubMed]
- Fitton, A. The Quinolones. Clin. Pharmacokinet. 1992, 22 (Suppl. 1), 1–11. [Google Scholar] [CrossRef] [PubMed]
- Stein, G.E. Pharmacokinetics and Pharmacodynamics of Newer Fluoroquinolones. Clin. Infect. Dis. 1996, 23 (Suppl. 1), S19–S24. [Google Scholar] [CrossRef] [PubMed]
- Norrby, S.R.; Lietman, P.S. Safety and tolerability of fluoroquinolones. Drugs 1993, 45 (Suppl. 3), 59–64. [Google Scholar] [CrossRef]
- King, D.E.; Malone, R.; Lilley, S.H. New classification and update on the quinolone antibiotics. Am. Fam. Physician 2000, 61, 2741–2748. [Google Scholar]
- Ruiz, M.; Ortiz, R.; Perello, L. Ni(II) and Zn(II) complexes with cinoxacin. Synthesis and characterization of M(Cx)2(DMSO)n(H2O)m (n=0, 2; m=2, 4). Crystal structures of [M(Cx)2(DMSO)2]·4H2O (M=Ni(II), Zn(II)). Inorg. Chim. Acta 1993, 211, 133–139. [Google Scholar] [CrossRef]
- Ruiz, M.; Ortiz, R.; Perello, L.; García-Granda, S.; Diaz, M.R. Synthesis and characterization of Cd(II) complexes of cinoxacin. Crystal structure of a dicadmium complex containing two monoatomic-bridging carboxylate oxygen atoms. Inorg. Chim. Acta 1994, 217, 149–154. [Google Scholar] [CrossRef]
- Ruiz, M.; Perello, L.; Ortiz, R.; Castineiras, A.; Maichle-Mossmer, C.; Canton, E. Synthesis, characterization, and crystal structure of [Cu(cinoxacinate)2] 2H2O complex: A square-planar CuO4chromophore. Antibacterial studies. J. Inorg. Biochem. 1995, 59, 801–810. [Google Scholar] [CrossRef]
- Ruiz, M.; Ortiz, R.; Perello, L.; Latorre, J.; Server-Carrio, J. Potentiometric and spectroscopic studies of transition-metal ions complexes with a quinolone derivative (cinoxacin). Crystal structures of new Cu(II) and Ni(II) cinoxacin complexes. J. Inorg. Biochem. 1997, 65, 87–96. [Google Scholar] [CrossRef]
- Ruiz, M.; Perello, L.; Server-Carrio, J.; Ortiz, R.; Garcia Granda, S.; Diaz, M.R.; Canton, E. Cinoxacin complexes with divalent metal ions. Spectroscopic characterization. Crystal structure of a new dinuclear Cd(II) complex having two chelate-bridging carboxylate groups. Antibacterial studies. J. Inorg. Biochem. 1998, 69, 231–239. [Google Scholar] [CrossRef]
- Macias, B.; Villa, M.V.; Rubio, I.; Castineiras, A.; Borras, J. Complexes of Ni(II) and Cu(II) with ofloxacin: Crystal structure of a new Cu(II) ofloxacin complex. J. Inorg. Biochem. 2001, 84, 163–170. [Google Scholar] [CrossRef]
- Li, Y.H.; Tang, Y.Z.; Huang, X.F.; Xiong, R.G. The Crystal Structure of a Gatifloxacin Complex and its Fluorescent Property. Z. Anorg. Allg. Chem. 2005, 631, 639–641. [Google Scholar] [CrossRef]
- Turel, I. The interactions of metal ions with quinolone antibacterial agents. Coord. Chem. Rev. 2002, 232, 27–47. [Google Scholar] [CrossRef]
- Efthimiadou, K.E.; Psomas, G.; Sanakis, Y.; Katsaros, N.; Karaliota, A. Metal complexes with the quinolone antibacterial agent N-propyl-norfloxacin: Synthesis, structure and bioactivity. J. Inorg. Biochem. 2007, 101, 525–535. [Google Scholar] [CrossRef]
- Efthimiadou, E.K.; Thomadaki, H.; Sanakis, Y.; Raptopoulou, C.P.; Katsaros, N.; Scorilas, A.; Karaliota, A.; Psomas, G. Structure and biological properties of the copper(II) complex with the quinolone antibacterial drug N-propyl-norfloxacin and 2,2′-bipyridine. J. Inorg. Biochem. 2007, 101, 64–73. [Google Scholar] [CrossRef]
- Psomas, G.; Tarushi, A.; Efthimiadou, E.K.; Sanakis, Y.; Raptopoulou, C.P.; Katsaros, N. Synthesis, structure and biological activity of copper(II) complexes with oxolinic acid. J. Inorg. Biochem. 2006, 100, 1764–1773. [Google Scholar] [CrossRef]
- Sunberg, R.J.; Martin, R.B. Interactions of histidine and other imidazole derivatives with transition metal ions in chemical and biological systems. Chem. Rev. 1974, 74, 471–517. [Google Scholar] [CrossRef]
- Ali, M.A.; Mirza, A.H.; Nazimuddin, M.; Dhar, P.K.; Butcher, R.J. Preparation, characterization and antifungal properties of nickel(II) complexes of tridentate ONS ligands derived from N-methyl-S-methyldithiocarbazate and the X-ray crystal structure of the [Ni(ONMeS)CN]·H2O complex. Trans. Met. Chem. 2002, 27, 27–33. [Google Scholar] [CrossRef]
- Agh-Atabay, N.M.; Dulger, B.; Gucin, F. Synthesis and investigation of antimicrobial activity of some bisbenzimidazole-derived chelating agents. Eur. J. Med. Chem. 2003, 38, 875–881. [Google Scholar] [CrossRef]
- Inoue, Y.; Hoshino, M.; Takahashi, H.; Noguchi, T.; Murata, T.; Kanzaki, Y.; Hamashima, H.; Sasatru, M. Bactericidal activity of Ag–zeolite mediated by reactive oxygen species under aerated conditions. J. Inorg. Biochem. 2002, 92, 37–42. [Google Scholar] [CrossRef]
- Castillo-Blum, S.E.; Barba-Behrens, N. Coordination chemistry of some biologically active ligands. Coord. Chem. Rev. 2000, 196, 3–30. [Google Scholar] [CrossRef]
- Patel, R.N.; Kumar, S.; Pandeya, K.B. Esr, visible and SOD studies of imidazolate bridged Cu2II,II, CuIIZnII and CuIINiII complexes with pentamethyldiethylenetriamine as capping ligand: A plausible model for superoxide dismutase. J. Inorg. Biochem. 2002, 9, 61–68. [Google Scholar] [CrossRef]
- Tavman, A.; Ülküseven, B.; Agh-Atabay, N.M. 1,2-Bis-(2-benzimidazolyl)-1,2-ethanediol and 1,4-bis-(2-benzimidazolyl)-1,2,3,4-butanetetraol PdCl2 complexes. Transit. Met. Chem. 2000, 25, 324–328. [Google Scholar] [CrossRef]
- Patel, M.N.; Joshi, H.N.; Patel, C.R. Cytotoxic, DNA binding, DNA cleavage and antibacterial studies of ruthenium–fluoroquinolone complexes. J. Chem. Sci. 2014, 126, 739–749. [Google Scholar] [CrossRef]
- Efthimiadou, E.K.; Katsaros, N.; Karaliota, A.; Psomas, G. Mononuclear copper(II) complexes with quinolones and nitrogen-donor heterocyclic ligands: Synthesis, characterization, biological activity and interaction with DNA. Inorg. Chim. Acta 2007, 360, 4093–4102. [Google Scholar] [CrossRef]
- Skrzypek, D.; Szymanska, B.; Kovala-Demertzi, D.; Wiecek, J.; Talik, E.; Demertzis, M.A. Synthesis and spectroscopic studies of iron (III) complex with a quinolone family member (pipemidic acid). J. Phys. Chem. Solids 2006, 67, 2550–2558. [Google Scholar] [CrossRef]
- Shaikh, A.R.; Giridhar, R.; Megraud, F.; Yadav, M.R. Metaloantibiotici: Sinteza, karakterizacija i antimikrobno djelovanje kompleksa fluorokinolona s bizmutom na Helicobacter pylori. Acta Pharm. 2009, 59, 259–271. [Google Scholar] [CrossRef]
- Al-Khodir, F.A.I.; Refat, M.S. Spectroscopic Elaboration and Structural Characterizations of New Fe(III), Pd(II), and Au(III) Ampicillin Complexes: Metal-Antibiotic Ligational Behaviors. J. Pharm. Innov. 2015, 10, 335–347. [Google Scholar] [CrossRef]
- Al-Khodir, F.A.I.; Refat, M.S. Synthesis, structural characterization and biological studies of some nalidixic acid–metal complexes: Metalloantibiotic complexes of some divalent and trivalent metal ions. J. Mol. Struct. 2015, 1094, 22–35. [Google Scholar] [CrossRef]
- Turel, I.; Bukovec, N.; Farkas, E. Complex formation between some metals and a quinolone family member (ciprofloxacin). Polyhedron 1996, 15, 269–275. [Google Scholar] [CrossRef]
- Domagala, J.M.; Hanna, L.D.; Heifetz, C.L.; Hutt, M.P.; Mich, T.F.; Sanchez, J.P.; Solomon, M. New structure-activity relationships of the quinolone antibacterials using the target enzyme. The development and application of a DNA gyrase assay. J. Med. Chem. 1986, 29, 394–404. [Google Scholar] [CrossRef]
- Shen, L.L.; Mitscher, L.A.; Sharma, P.N.; O’Donnell, T.J.; Chu, D.W.T.; Cooper, C.S.; Rosen, T.; Pernet, A.G. Mechanism of inhibition of DNA gyrase by quinolone antibacterials: A cooperative drug-DNA binding model. Biochemistry 1989, 28, 3886–3894. [Google Scholar] [CrossRef] [PubMed]
- Refat, M.S.; Mohamed, S.F. Spectroscopic, thermal and antitumor investigations of sulfasalazine drug in situ complexation with alkaline earth metal ions. Spectrochim. Acta A 2011, 82, 108–117. [Google Scholar] [CrossRef] [PubMed]
- Refat, M.S. Spectroscopic and thermal degradation behavior of Cr(III), Mn(II), Fe(III), Co(II), Ni(II), Cu(II) and Zn(II) complexes with thiopental sodium anesthesia drug. J. Mol. Struct. 2013, 1037, 170–185. [Google Scholar] [CrossRef]
- Siji, V.L.; Kumar, M.R.S.; Suma, S.; Prathapachandra Kurup, M.R. Synthesis, characterization and physiochemical information, along with antimicrobial studies of some metal complexes derived from an ON donor semicarbazone ligand. Spectrochim. Acta A 2010, 76, 22–28. [Google Scholar] [CrossRef]
- Beteringhe, A.; Racuciu, C.; Balan, C.; Stoican, E.; Patron, L. Molecular Docking Studies Involving Transitional Metal Complexes (Zn(II), Co(II), Cu(II), Fe(II), Ni(II) with Cholic Acid (AC) as Ligand against Aurora A Kinase. Adv. Mater. Res. 2013, 787, 236–240. [Google Scholar] [CrossRef]
- Venkatachalam, G.; Maheswaran, S.; Ramesh, R. Synthesis, spectra, redox property and catalytic activity of ruthenium(III) Schiff base complexes. Indian J. Chem. 2005, 44, 705–709. [Google Scholar]
- Tanabe, Y.; Sugano, S. On the Absorption Spectra of Complex Ions II. J. Phys. Soc. 1954, 9, 766–779. [Google Scholar] [CrossRef]
- Usha; Chandra, S. Pd(II), Pt(II), Rh(III), Ir(III) and Ru(III) Complexes of n-Pentyl and n-Hexyl Ketone Thiosemicarbazones. Synth. React. Inorg. Met.-Org. Chem. 1992, 22, 1565–1579. [Google Scholar] [CrossRef]
- Lever, A.B. Inorganic Electronic Spectroscopy; Elsevier: Amsterdam, The Netherlands, 1968. [Google Scholar]
- El-Saied, F.A.; El-Bahnasawy, R.M.; Abdel-Azeem, M.; El-Sawaf, A.K. Synthesis, characterization and electrochemical properties of β-diketone complexes of ruthenium(III). Polyhedron 1994, 13, 1781–1786. [Google Scholar] [CrossRef]
- Figgis, B.N. Introduction to Ligand Field Theory, 1st ed.; Interscience Publishers: New York, NY, USA, 1966. [Google Scholar]
- Vieira, L.M.M.; de Almeida, M.V.; Lourenço, M.C.S.; Bezerra, F.A.F.M.; Fontes, A.P.S. Synthesis and antitubercular activity of palladium and platinum complexes with fluoroquinolones. Eur. J. Med. Chem. 2009, 44, 4107–4111. [Google Scholar] [CrossRef] [PubMed]
- Nakamoto, K. Infrared Spectra of Inorganic and Coordination Compounds, 2nd ed.; Wiley Interscience, John Wiley & Sons: New York, NY, USA, 1970. [Google Scholar]
- Bellamy, L.J. The Infrared Spectra of Complex Molecules; Chapman and Hall: London, UK, 1975. [Google Scholar]
- Gouvea, L.R.; Garcia, L.S.; Lachter, D.R.; Nunes, P.R.; de Castro Pereira, F.; Silveira-Lacerda, E.P.; Louro, S.R.W.; Barbeira, P.J.S.; Teixeira, L.R. Atypical fluoroquinolone gold(III) chelates as potential anticancer agents: Relevance of DNA and protein interactions for their mechanism of action. Eur. J. Med. Chem. 2012, 55, 67–73. [Google Scholar] [CrossRef] [PubMed]
- Kasselouri, S.; Hadjiliadis, N. Interaction of cis-Pd(guo)2Cl2 with amino acids. Inorg. Chim. Acta 1990, 168, 15–26. [Google Scholar] [CrossRef]
- Deacon, G.B.; Phillips, R. Relationships between the carbon-oxygen stretching frequencies of carboxylato complexes and the type of carboxylate coordination. Coord. Chem. Rev. 1980, 33, 227–250. [Google Scholar] [CrossRef]
- Cullity, B.D. Elements of X-ray Diffraction; Addison-Wesley: Reading, MA, USA, 1972. [Google Scholar]
- Salavati-Niasari, M.; Mohandes, F.; Davar, F.; Mazaheri, M.; Monemzadeh, M.; Yavarinia, N. Preparation of NiO nanoparticles from metal-organic frameworks via a solid-state decomposition route. Inorg. Chim. Acta 2009, 362, 3691–3697. [Google Scholar] [CrossRef]
- Velumani, S.; Mathew, X.; Sebastian, P.J. Structural and optical characterization of hot wall deposited CdSexTe1−x films. Sol. Energy Mater. Sol. Cells 2003, 76, 359–368. [Google Scholar] [CrossRef]
- Singh, J.P.; Karabacak, T.; Morrow, P.; Pimanpang, S.; Lu, T.-M.; Wang, G.-C. Preferred Orientation in Ru Nanocolumns Induced by Residual Oxygen. J. Nanosci. Nanotechnol. 2007, 7, 2192–2196. [Google Scholar] [CrossRef]
- Horowitz, H.H.; Metzger, G. A New Analysis of Thermogravimetric Traces. Anal. Chem. 1963, 35, 1464–1468. [Google Scholar] [CrossRef]
- Coats, A.W.; Redfern, J.P. Kinetic Parameters from Thermogravimetric Data. Nature 1964, 201, 68–69. [Google Scholar] [CrossRef]
- Yusuff, K.K.M.; Sreekala, R. Thermal and spectral studies of 1-benzyl-2-phenylbenzimidazole complexes of cobalt(II). Thermochim. Acta 1990, 159, 357–368. [Google Scholar] [CrossRef]
- Frost, A.A.; Peasron, R.G. Kinetics and Mechanism; Wiley: New York, NY, USA, 1961. [Google Scholar]
- Yousef, T.A.; Abu El-Reash, G.M.; ElMorshedy, R.M. Structural, spectral analysis and DNA studies of heterocyclic thiosemicarbazone ligand and its Cr(III), Fe(III), Co(II) Hg(II), and U(VI) complexes. J. Mol. Struct. 2013, 1045, 145–159. [Google Scholar] [CrossRef]
- Helal, M.H.; El-Awdan, S.A.; Salem, M.A.; Abd-elaziz, T.A.; Moahamed, Y.A.; El-Sherif, A.A.; Mohamed, G.A.M. Synthesis, biological evaluation and molecular modeling of novel series of pyridine derivatives as anticancer, anti-inflammatory and analgesic agents. Spectrochim. Acta Part A 2015, 135, 764–773. [Google Scholar] [CrossRef] [PubMed]
- HyperChem, Version 7.51; Hypercube, Inc.: Gainesville, FL, USA, 2002.
- Pearson, R.G. Absolute electronegativity and hardness: Applications to organic chemistry. J. Org. Chem. 1989, 54, 1423–1430. [Google Scholar] [CrossRef]
- Geerlings, P.; De Proft, F.; Langenaeker, W. Conceptual Density Functional Theory. Chem. Rev. 2003, 103, 1793–1874. [Google Scholar] [CrossRef]
- Parr, R.G. Electrophilicity Index. J. Am. Chem. Soc. 1999, 121, 1922–1924. [Google Scholar] [CrossRef]
- Chattaraj, P.K.; Giri, S. Stability, Reactivity, and Aromaticity of Compounds of a Multivalent Superatom. J. Phys. Chem. A 2007, 111, 11116–11121. [Google Scholar] [CrossRef]
- Speie, G.; Csihony, J.; Whalen, A.M.; Pie-Pont, C.G. Studies on Aerobic Reactions of Ammonia/3,5-Di-tert-butylcatechol Schiff-Base Condensation Products with Copper, Copper(I), and Copper(II). Strong Copper(II)−Radical Ferromagnetic Exchange and Observations on a Unique N−N Coupling Reaction. Inorg. Chem. 1996, 35, 3519–3524. [Google Scholar] [CrossRef]
- Bauer, A.W. Antibiotic susceptibility testing by a standardized single disc method. Am. J. Clin. Pathol. 1966, 45, 149–158. [Google Scholar] [CrossRef]
- Chaudhary, A.S.; Swaroop, R.; Singh, R. Tetraazamacrocyclic Complexes of Tin(II): Synthesis Spectroscopy and Biological screening. Bol. Soc. Chil. Quim. 2002, 47, 203–211. [Google Scholar] [CrossRef]
- Fahmi, N.; Jadon, S.C.S.; Singh, R.V. Biochemical studies on biologically active thio-ligands benzothiazolines and their manganese(II) complexes. Phosphorus Sulfur Silicon Relat. Elem. 1993, 81, 133–140. [Google Scholar] [CrossRef]




















| Compound | Color | M.P. (°C) | Λm (μS) | Elemental Results, % Found % (Calculated) | ||||
|---|---|---|---|---|---|---|---|---|
| C | H | N | Cl | Ru | ||||
| OFL | White | 254 | 0.14 | 69.83 | 5.58 | 11.63 | - | - |
| Complex 1 | Dark brown | >250 | 1.40 | 46.39 (46.48) | 4.22 (4.33) | 9.01 (9.03) | 11.18 (11.43) | 10.65 (10.87) |
| Complex 2 | Dark brown | ~250 | 2.59 | 37.20 (37.33) | 4.28 (4.39) | 8.65 (8.71) | 10.95 (11.02) | 15.54 (15.71) |
| Complex 3 | Dark brown | >250 | 2.10 | 38.30 (38.36) | 4.43 (4.60) | 8.50 (8.52) | 10.63 (10.78) | 15.31 (15.37) |
| Complex | λmax (cm−1) | Assignments | B (cm−1) | C (cm−1) | 10Dq (cm−1) | ν2/ν1 | β |
|---|---|---|---|---|---|---|---|
| 1 | 12,578 16,556 27,027 | 2T2g→4T1g(ν1) 2T2g→4T2g(ν2) 2T2g→2A2g,2T1g (ν3) | 497 | 1988 | 30,009 | 1.316 | 0.789 |
| 2 | 12,500 16,393 29,069 | 487 | 1948 | 31,991 | 1.311 | 0.773 | |
| 3 | 12,468 16,286 27,777 | 477 | 1908 | 30,639 | 1.306 | 0.757 |
| OFL | Gly | Ala | Complex 1 | Complex 2 | Complex 3 | Assignments |
|---|---|---|---|---|---|---|
| - | 3151 | 3071 | 3367 3230 3132 3037 | 3121 3034 | 3112 3036 | νas(NH); NH2 + ν(OH); H2O |
| 1709 | 1737 | 1710 | 1704 | 1705 | 1702 | ν(C=O)COOH |
| 1617 | - | - | 1615 | 1614 | 1610 | ν(C=O)pyridone |
| - | 1580 | 1580 | - | 1530 | 1522 | δ(NH2) |
| - | 1499 | 1451 | - | 1445 | 1447 | νas(COO) |
| - | 1320 | 1349 | - | 1291 | 1259 | νs(COO) |
| 1049 | 1029 | 1015 | 1046 | 1046 | 1045 | ν(C−N) + ν(C−F) |
| - | - | - | 528 | 530 | 534 | ν(Ru−O) |
| - | - | - | 481 | 484 | 479 | ν(Ru−N) |
| Complex | 2θ | Intensity | D (nm) | δ (1012.lin.m−2) | ε (10−4) |
|---|---|---|---|---|---|
| Complex 1 | 32.53 | 6770 | 41 | 5.95 × 10−4 | 0.5173 |
| Complex 2 | 32.77 | 7110 | 43 | 1.41 × 10−4 | 0.5525 |
| Complex 3 | 32.77 | 9025 | 45 | 1.11 × 10−4 | 0.5922 |
| Compound | Decomposition Stage | Tmax/°C | Lost Species | % Weight Loss | |
|---|---|---|---|---|---|
| Found | Calc. | ||||
| OFL | 1st | 350 | 1-methyl piperazine + CH3 | 31.50 | 31.50 |
| 2nd | 414 | COOH | 13.18 | 12.45 | |
| 3rd | 603 | OFL | 55.32 | 56.05 | |
| Residue | 1000 | - | - | - | |
| Complex 1 | 1st | 115 | 2CH3 + 2F + 2COOH | 16.12 | 15.99 |
| 2nd–3rd | 328 420 | 2OFL + 3Cl | 74.52 | 73.14 | |
| Residue | 1000 | Ru metal | 9.36 | 10.87 | |
| Complex 2 | 1st | 70 | 2H2O + CH3 | 7.16 | 7.93 |
| 2nd–4th | 253 316 453 | OFL + Gly + 2Cl | 77.30 | 76.36 | |
| Residue | 1000 | Ru metal | 15.54 | 15.71 | |
| Complex 3 | 1st | 95 | 2H2O + CH3 | 7.16 | 7.76 |
| 2nd–4th | 220 306 429 | OFL + Ala + 2Cl | 78.05 | 76.87 | |
| Residue | 1000 | Ru metal | 14.79 | 15.37 | |
| Compound | Stage | Method | Parameter | r | ||||
|---|---|---|---|---|---|---|---|---|
| E (J mol−1) | A (s−1) | ΔS (J mol−1 K−1) | ΔH (J mol−1) | ΔG (J mol−1) | ||||
| OFL | 3rd | CR HM | 1.19 × 105 1.32 × 105 | 2.68× 104 3.28 × 105 | −1.69 × 102 −1.48 × 102 | 1.11 × 105 1.24 × 105 | 2.60 × 105 2.55 × 105 | 0.99235 0.99411 |
| Complex 1 | 3rd | CR HM | 1.55 × 105 1.60× 105 | 1.09 × 109 4.74 × 109 | −79.2 − 67.0 | 1.49 × 105 1.54 × 105 | 2.05 × 105 2.02 × 105 | 0.99017 0.98764 |
| Complex 2 | 3rd | CR HM | 1.25 × 105 1.38× 105 | 1.87 × 106 1.95 × 107 | −1.33 × 102 −1.13 × 102 | 1.18 × 105 1.31 × 105 | 2.19 × 105 2.18 × 105 | 0.99257 0.99204 |
| Complex 3 | 3rd | CR HM | 1.20× 105 1.27× 105 | 3.45 × 106 2.21 × 107 | −1.27 × 102 −1.11 × 102 | 1.14 × 105 1.21 × 105 | 2.03 × 105 1.99 × 105 | 0.98338 0.98635 |
| Parameter | Value |
|---|---|
| Total energy (kcal/mol) | 120,549 |
| Binding energy (kcal/mol) | 214,404 |
| Heat formation (kcal/mol) | 218,076 |
| Electronic energy (kcal/mol) | −787,413 |
| Dipole moment/Debye | 730 |
| EHOMO (eV) | −8.6133 |
| ELUMO (eV) | 2.4663 |
| ΔE(eV) | 11.0796 |
| χ (eV) | 3.0735 |
| η (eV) | 5.5398 |
| σ (eV) | 0.180512 |
| Pi (eV) | −3.0735 |
| S (eV) | 0.090256 |
| ω (eV) | 0.852594 |
| ΔNmax (eV) | 0.554803 |
| Sample | Inhibition Zone Diameter (mm/mg Sample) | ||||
|---|---|---|---|---|---|
| Klebsiella | Escherichia coli | Staphylococcus epidermidis | Staphylococcus aureus | ||
| Control: DMSO | 0.0 | 0.0 | 0.0 | 0.0 | |
| Standard | Ceftriaxone | 0.0 | 0.0 | 1.6 | 1.9 |
| Gentamycin | 0.3 | 0.0 | 1.8 | 1.5 | |
| I | 0.4 | 0.3 | 0.1 | 0.0 | |
| II | 0.5 | 0.3 | 0.0 | 0.1 | |
| III | 0.6 | 0.4 | 0.1 | 0.0 | |
© 2020 by the authors. Licensee MDPI, Basel, Switzerland. This article is an open access article distributed under the terms and conditions of the Creative Commons Attribution (CC BY) license (http://creativecommons.org/licenses/by/4.0/).
Share and Cite
Naglah, A.M.; Al-Omar, M.A.; Almehizia, A.A.; Obaidullah, A.J.; Bhat, M.A.; Al-Shakliah, N.S.; Belgacem, K.; Majrashi, B.M.; Refat, M.S.; Adam, A.M.A. Synthesis, Spectroscopic, and Antimicrobial Study of Binary and Ternary Ruthenium(III) Complexes of Ofloxacin Drug and Amino Acids as Secondary Ligands. Crystals 2020, 10, 225. https://doi.org/10.3390/cryst10030225
Naglah AM, Al-Omar MA, Almehizia AA, Obaidullah AJ, Bhat MA, Al-Shakliah NS, Belgacem K, Majrashi BM, Refat MS, Adam AMA. Synthesis, Spectroscopic, and Antimicrobial Study of Binary and Ternary Ruthenium(III) Complexes of Ofloxacin Drug and Amino Acids as Secondary Ligands. Crystals. 2020; 10(3):225. https://doi.org/10.3390/cryst10030225
Chicago/Turabian StyleNaglah, Ahmed M., Mohamed A. Al-Omar, Abdulrahman A. Almehizia, Ahmad J. Obaidullah, Mashooq A. Bhat, Nasser S. Al-Shakliah, Kaouther Belgacem, Badriah M. Majrashi, Moamen S. Refat, and Abdel Majid A. Adam. 2020. "Synthesis, Spectroscopic, and Antimicrobial Study of Binary and Ternary Ruthenium(III) Complexes of Ofloxacin Drug and Amino Acids as Secondary Ligands" Crystals 10, no. 3: 225. https://doi.org/10.3390/cryst10030225
APA StyleNaglah, A. M., Al-Omar, M. A., Almehizia, A. A., Obaidullah, A. J., Bhat, M. A., Al-Shakliah, N. S., Belgacem, K., Majrashi, B. M., Refat, M. S., & Adam, A. M. A. (2020). Synthesis, Spectroscopic, and Antimicrobial Study of Binary and Ternary Ruthenium(III) Complexes of Ofloxacin Drug and Amino Acids as Secondary Ligands. Crystals, 10(3), 225. https://doi.org/10.3390/cryst10030225

