Laser Surface Modification of TC21 (α/β) Titanium Alloy Using a Direct Energy Deposition (DED) Process
Abstract
:1. Introduction
2. Materials and Methods
2.1. Materials
2.2. Direct Energy Deposition Setup
2.3. Surface Topography and Microstructure Characterization
2.4. Performance Evaluation of the Deposited Layers
2.4.1. Microhardness Test
2.4.2. Room-Temperature Dry-Sliding Pin-on-Ring Wear Test
3. Results and Discussion
3.1. Characterization of Deposited Layers
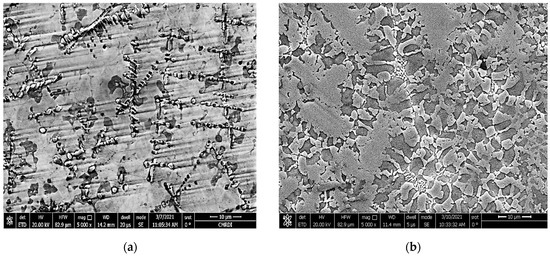
3.1.1. As-Cast TC21 Alloy
3.1.2. Sample 1 (100% Stellite-6 Deposited Layer)
3.1.3. Sample 2 (60% Stellite-6 Plus 40% Tungsten Carbide (WC) Deposited Layer)
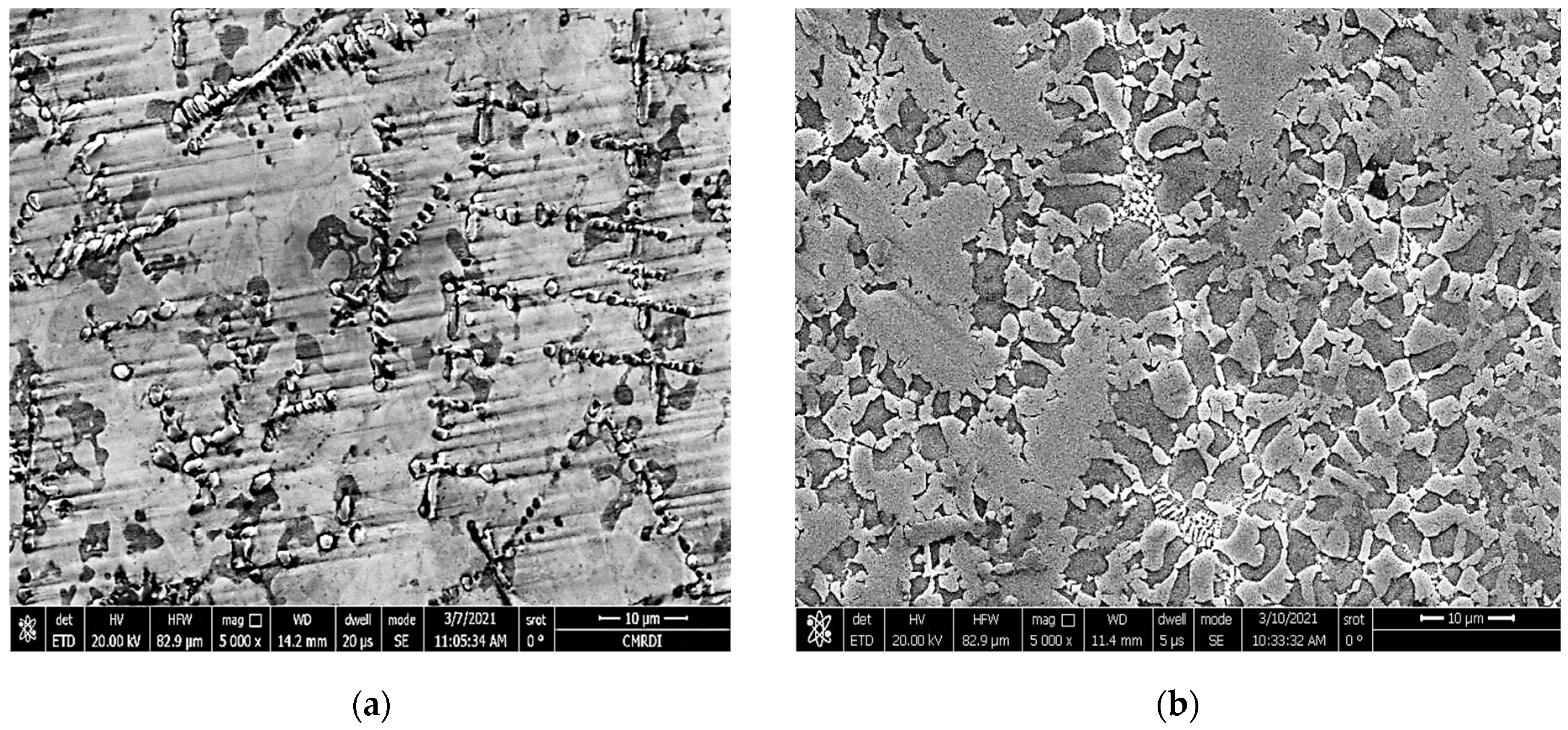
3.1.4. Sample 3 (40% Stellite-6 Plus 60% Tungsten Carbide (WC) Deposited Layer)
3.2. Microhardness Distribution Profiles
3.3. Evaluation of Wear Resistance
4. Conclusions
- The microstructure of the deposited layer consists of a hypoeutectic or hypereutectic structure with undissolved tungsten carbide particles dispersed in the Co-based alloy matrix that depended on the content of WC.
- Additional carbides, such as TiC, Cr23C6, Co2C, Co4W2C, Co3W3C, WC, and W2C, were also observed in the deposition zone.
- The microhardness level continuously rose through the substrate alloy toward the deposition layer due to the change of microstructure. The hardness value of sample 1 with no WC addition was enlarged by nearly three times over the substrate hardness, whereas a notable increase (fourfold) in the microhardness values for sample 2 (60% stellite-6 plus 40% tungsten carbide (WC) deposited layer) and sample 3 (60% stellite-6 plus 40% tungsten carbide (WC) deposited layer)) were recorded due to the addition of different percentages of the hard WC particles.
- The wear resistance of the deposited layer was significantly improved, as reflected by a decrease in the samples’ wear weight loss by 72%, 93%, and 99% for samples S1, S2, and S3, respectively, over that obtained from the substrate alloy.
- The worn surface of the TC21 alloy presented plough grooves, while the material removal mechanism was adhesive for the MMC surface of samples with 100% stellite-6 powder; for samples S2 (60% stellite-6 and 40% WC) and S3 (40% stellite-6 and 60% WC), the material removal mechanism changed from ploughing to an adhesion wear mechanism.
Author Contributions
Funding
Acknowledgments
Conflicts of Interest
References
- Fan, Z.; Feng, H. Study on selective laser melting and heat treatment of Ti-6Al-4V alloy. Results Phys. 2018, 10, 660–664. [Google Scholar] [CrossRef]
- Ibrahim, K.M.; El-Hakeem, A.M.M.; Elshaer, R.N. Microstructure and mechanical properties of cast and heat treated Ti-6.55Al-3.41Mo-1.77Zr alloy. Trans. Nonferrous Met. Soc. China 2013, 23, 3517–3524. [Google Scholar] [CrossRef]
- Al-Sayed, S.R.; Abdelfatah, A. Corrosion Behavior of a Laser Surface-Treated Alpha–Beta 6/4 Titanium Alloy. Metallogr. Microstruct. Anal. 2020, 9, 553–560. [Google Scholar] [CrossRef]
- Banerjee, D.; Williams, J.C. Perspectives on Titanium Science and Technology. Acta Mater. 2013, 61, 844–879. [Google Scholar] [CrossRef]
- Shi, Z.F.; Guo, H.Z.; Han, J.Y.; Yao, Z.K. Microstructure and mechanical properties of TC21 titanium alloy after heat treatment. Trans. Nonferrous Met. Soc. China 2013, 23, 2882–2889. [Google Scholar] [CrossRef]
- Guo, L.; Fan, X.; Yu, G.; Yang, H. Microstructure control techniques in primary hot working of titanium alloy bars: A review. Chin. J. Aeronaut. 2016, 29, 30–40. [Google Scholar] [CrossRef] [Green Version]
- Weng, F.; Yu, H.; Chen, C.; Dai, J. Microstructures and wear properties of laser cladding Co-based composite coatings on Ti6Al4V. Mater. Des. 2015, 80, 174–181. [Google Scholar] [CrossRef]
- Elshaer, R.N.; Ibrahim, K.M.; Lotfy, I.; Abdel-Latif, M. Effect of cooling rate and aging process on wear behavior of deformed TC21 Ti-alloy. Key Eng. Mater. 2020, 835, 265–273. [Google Scholar] [CrossRef]
- Elshaer, R.N.; Ibrahim, K.M. Effect of cold deformation and heat treatment on microstructure and mechanical properties of TC21 Ti alloy. Trans. Nonferrous Met. Soc. China 2020, 30, 1290–1299. [Google Scholar] [CrossRef]
- Srinivasu, G.; Natraj, Y.; Bhattacharjee, A.; Nandy, T.K.; Rao, G.N. Tensile and fracture toughness of high strength β Titanium alloy, Ti-10V-2Fe-3Al, as a function of rolling and solution treatment temperatures. Mater. Des. 2013, 47, 323–330. [Google Scholar] [CrossRef]
- Al-Sayed, S.R.; Elshazli, A.M.; Hussein, A.H.A. Laser surface hardening of Ni-hard white cast iron. Metals 2020, 10, 795. [Google Scholar] [CrossRef]
- Zhu, L.; Wang, S.; Pan, H.; Yuan, C.; Chen, X. Research on remanufacturing strategy for 45 steel gear using H13 steel powder based on laser cladding technology. J. Manuf. Process. 2020, 49, 344–354. [Google Scholar] [CrossRef]
- Zhu, L.; Xue, P.; Lan, Q.; Meng, G.; Ren, Y.; Yang, Z.; Xu, P.; Liu, Z. Recent research and development status of laser cladding: A review. Opt. Laser Technol. 2021, 138, 106915. [Google Scholar] [CrossRef]
- Ali, S.R.A.S.; Hussein, A.H.A.; Nofal, A.; Elnaby, S.I.H.; Elgazzar, H. A contribution to laser cladding of Ti-6Al-4V titanium alloy. Metall. Res. Technol. 2019, 116, 634. [Google Scholar] [CrossRef]
- Weng, F.; Chen, C.; Yu, H. Research status of laser cladding on titanium and its alloys: A review. Mater. Des. 2014, 58, 412–425. [Google Scholar] [CrossRef]
- Hussein, A.H.A.; Al-Sayed, S.R.; Elnaby, S.I.H.; Nofal, A.A.; Elgazzar, H. Prominent achievements of laser surface treatment of martensitic stainless steel and alpha-beta 6/4 titanium alloy. Key Eng. Mater. 2018, 786, 87–97. [Google Scholar] [CrossRef]
- Sampedro, J.; Pérez, I.; Carcel, B.; Ramos, J.A.; Amigó, V. Laser cladding of TiC for better titanium components. Phys. Procedia 2011, 12, 313–322. [Google Scholar] [CrossRef] [Green Version]
- Kulka, M.; Makuch, N.; Dziarski, P.; Piasecki, A.; Miklaszewski, A. Microstructure and properties of laser-borided composite layers formed on commercially pure titanium. Opt. Laser Technol. 2014, 56, 409–424. [Google Scholar] [CrossRef]
- Guo, C.; Zhou, J.; Zhao, J.; Guo, B.; Yu, Y.; Zhou, H.; Chen, J. Microstructure and friction and wear behavior of laser boronizing composite coatings on titanium substrate. Appl. Surf. Sci. 2011, 257, 4398–4405. [Google Scholar] [CrossRef]
- Bajda, S.; Liu, Y.; Tosi, R.; Cholewa-kowalska, K.; Krzyzanowski, M.; Dziadek, M.; Kopyscianski, M.; Dymek, S.; Polyakov, A.V.; Semenova, I.P.; et al. Laser cladding of bioactive glass coating on pure titanium substrate with highly refined grain structure. J. Mech. Behav. Biomed. Mater. 2021, 119, 104519. [Google Scholar] [CrossRef]
- Ali, S.A.S.; Hussein, A.; Nofal, A.; Elnaby, S.H.; Elgazzar, H.; Sabour, H. Laser Powder Cladding of Ti-6Al-4V α/β Alloy. Materials 2017, 10, 1178. [Google Scholar] [CrossRef]
- Adesina, O.S.; Popoola, A.P.I.; Pityana, S.L.; Oloruntoba, D.T. Microstructural and tribological behavior of in situ synthesized Ti/Co coatings on Ti-6Al-4V alloy using laser surface cladding technique. Int. J. Adv. Manuf. Technol. 2018, 95, 1265–1280. [Google Scholar] [CrossRef]
- Xu, M.; Tang, J.; Ye, N.; Chen, X.; Hu, M. Microstructure and mechanical properties of laser-cladded WC-Co composite coating onTi-6Al-4V. Mater. Res. Express 2020, 6, 1265k2. [Google Scholar] [CrossRef]
- Wang, C.; Li, J.; Wang, T.; Chai, L.; Deng, C.; Wang, Y.; Huang, Y. Microstructure and properties of pure titanium coating on Ti-6Al-4V alloy by laser cladding. Surf. Coat. Technol. 2021, 416, 127137. [Google Scholar] [CrossRef]
- Xin, L.P.; Wang, K.; Yan, Z.B.; Li, D.R.; Xin, R.L.; Liu, Q. Grain morphology and texture evolution of TC21 titanium alloy during annealing with different time. Mater. Werkst. 2019, 50, 1545–1554. [Google Scholar] [CrossRef]
- Nie, B.; Chen, D.; Zhao, Z.; Zhang, J.; Meng, Y.; Gao, G. Notch Effect on the Fatigue Behavior of a TC21 Titanium Alloy in Very High Cycle Regime. Appl. Sci. 2018, 8, 1614. [Google Scholar] [CrossRef] [Green Version]
- Elshaer, R.N.; Ibrahim, K.M.; Barakat, A.F.; Abbas, R.R. Effect of Duplex Heat Treatment on Tribological Behavior of TC21 Titanium Alloy. J. Metall. Eng. 2017, 6, 1–15. [Google Scholar] [CrossRef]
- Zhigang, C.; Jie, Y.; Nan, T.; Shuili, G. Research on Laser Peening of TC21 Titanium Alloy with High Energy Laser. Rare Met. Mater. Eng. 2014, 43, 2962–2965. [Google Scholar] [CrossRef]
- Zhang, Q.; Chen, J.; Guo, P.; Tan, H.; Lin, X.; Huang, W. Texture and microstructure characterization in laser additive manufactured Ti-6Al-2Zr-2Sn-3Mo-1.5Cr-2Nb titanium alloy. Mater. Des. 2015, 88, 550–557. [Google Scholar] [CrossRef]
- Zhuo, L.; Changmeng, L.; Dong, L.; Huaming, W. Effect of heat treatment on microstructure and tensile properties of laser deposited titanium alloy TC21. Mater. Res. Innov. 2014, 18, S4929–S4932. [Google Scholar] [CrossRef]
- Zhang, Q.; Chen, J.; Wang, L.; Tan, H.; Lin, X.; Huang, W. Solidification Microstructure of Laser Additive Manufactured Ti-6Al-2Zr-2Sn-3Mo-1.5Cr-2Nb Titanium Alloy. J. Mater. Sci. Technol. 2016, 32, 381–386. [Google Scholar] [CrossRef]
- Al-Sayed, S.R.; Hussein, A.A.; Nofal, A.A.; Hassab Elnaby, S.I.; Elgazzar, H. Characterization of a Laser Surface-Treated Martensitic Stainless Steel. Materials 2017, 10, 595. [Google Scholar] [CrossRef] [Green Version]
- Elshaer, R.N.; Ibrahim, K.M.; Barakat, A.F.; Abbas, R.R. Effect of Heat Treatment Processes on Microstructure and Mechanical Behavior of TC21 Titanium Alloy. Open J. Met. 2017, 7, 39–57. [Google Scholar] [CrossRef] [Green Version]
- Xu, G.; Kutsuna, M.; Liu, Z.; Sun, L. Characteristic behaviours of clad layer by a multi-layer laser cladding with powder mixture of Stellite-6 and tungsten carbide. Surf. Coat. Technol. 2006, 201, 3385–3392. [Google Scholar] [CrossRef]
- Khair, M.; Berthod, P.; Khair, M.; Berthod, P.; Properties, T.; Designed, C.S.; Khair, M.; Berthod, P. Thermal Properties of a Cobalt-based Superalloy Designed to be Reinforced by Titanium Carbides and Chromium Carbides. Mater. Phys. Chem. 2018, 1–10. [Google Scholar] [CrossRef]
- Woo, Y.; Hwang, T.; Oh, I.; Seo, D.; Moon, Y. Analysis on selective laser melting of WC-reinforced H13 steel composite powder by finite element method. Adv. Mech. Eng. 2019, 11, 1687814018822200. [Google Scholar] [CrossRef]
- Chen, J.L.; Li, J.; Song, R.; Bai, L.L.; Shao, J.Z.; Qu, C.C. Effect of the scanning speed on microstructural evolution and wear behaviors of laser cladding NiCrBSi composite coatings. Opt. Laser Technol. 2015, 72, 86–99. [Google Scholar] [CrossRef]
- Ocelík, V.; Matthews, D.; De Hosson, J.T.M. Sliding wear resistance of metal matrix composite layers prepared by high power laser. Surf. Coat. Technol. 2005, 197, 303–315. [Google Scholar] [CrossRef]
- Molian, P.A.; Hualijn, L. Laser Cladding of Ti-6Al-4V with BN for Improved Wear Performance. Wear 1989, 130, 337–352. [Google Scholar] [CrossRef]
- Candel, J.J.; Amigó, V. Recent advances in laser surface treatment of titanium alloys. J. Laser Appl. 2011, 23, 022005. [Google Scholar] [CrossRef] [Green Version]





















| Element | Al | Mo | Sn | Zr | Nb | Cr | Si | Ti |
|---|---|---|---|---|---|---|---|---|
| Concentration | 6.5 | 3.0 | 2.2 | 2.2 | 1.9 | 1.5 | 0.09 | Balance |
| Powder Type | Concentration (wt.%) | ||||||||
|---|---|---|---|---|---|---|---|---|---|
| Stellite-6 | C | Mo | W | Ni | Mn | Cr | Si | Fe | Co |
| 1.4 | 1.0 | 4.8 | 3.0 | 1.0 | 29.5 | 1.3 | 3.0 | Balance | |
| WC | C | Fe | Ti | W | |||||
| 4.0 | 0.23 | 0.05 | Balance | ||||||
| Parameters | Value |
|---|---|
| Laser power | 2000 W |
| Scanning speed | 900 mm/min |
| Deposition rate | 20 g/min |
| Feeding gas | 5 L/min |
| Shielding gas | 15 L/min |
| Defocus distance | 16 mm |
| Beam diameter | 4 mm |
| Powder Composition (%) | Sample 1 | Sample 2 | Sample 3 |
|---|---|---|---|
| Stellite-6 | 100 | 60 | 40 |
| Tungsten carbide | 0 | 40 | 60 |
| Zone Name | Sample 1 | Sample 2 | Sample 3 |
|---|---|---|---|
| MMC (DZ + WC particles) | 890 to 1089 HV | 880 to 1029 HV with WC particles of 1846 to 2410 HV | 960 HV with WC particles of 2112 to 2707 HV and W2C clusters of 1466 to 2070 HV |
| IZ | 640 to 680 HV | 650 to 713 HV | 750 to 810 HV |
| HAZ | 470 HV | ||
| Substrate alloy | 340 HV | ||
Publisher’s Note: MDPI stays neutral with regard to jurisdictional claims in published maps and institutional affiliations. |
© 2021 by the authors. Licensee MDPI, Basel, Switzerland. This article is an open access article distributed under the terms and conditions of the Creative Commons Attribution (CC BY) license (https://creativecommons.org/licenses/by/4.0/).
Share and Cite
Elshazli, A.M.; Elshaer, R.N.; Hussein, A.H.A.; Al-Sayed, S.R. Laser Surface Modification of TC21 (α/β) Titanium Alloy Using a Direct Energy Deposition (DED) Process. Micromachines 2021, 12, 739. https://doi.org/10.3390/mi12070739
Elshazli AM, Elshaer RN, Hussein AHA, Al-Sayed SR. Laser Surface Modification of TC21 (α/β) Titanium Alloy Using a Direct Energy Deposition (DED) Process. Micromachines. 2021; 12(7):739. https://doi.org/10.3390/mi12070739
Chicago/Turabian StyleElshazli, Ahmed Magdi, Ramadan N. Elshaer, Abdel Hamid Ahmed Hussein, and Samar Reda Al-Sayed. 2021. "Laser Surface Modification of TC21 (α/β) Titanium Alloy Using a Direct Energy Deposition (DED) Process" Micromachines 12, no. 7: 739. https://doi.org/10.3390/mi12070739
APA StyleElshazli, A. M., Elshaer, R. N., Hussein, A. H. A., & Al-Sayed, S. R. (2021). Laser Surface Modification of TC21 (α/β) Titanium Alloy Using a Direct Energy Deposition (DED) Process. Micromachines, 12(7), 739. https://doi.org/10.3390/mi12070739

