Multiscale and Multitemporal Road Detection from High Resolution SAR Images Using Attention Mechanism
Abstract
:1. Introduction
- For multitemporal road detection from SAR imagery, we build our dataset with TerraSAR-X images, which cover same areas and were obtained at different times. Our experiments are carried out based on this dataset. Our experimental results show that our proposed framework can achieve a better road detection performance;
- In this paper, an temporal consistency enhancement module is proposed to obtain the representation with temporal consistency under temporal attention mechanism that is used to capture long range temporal context information;
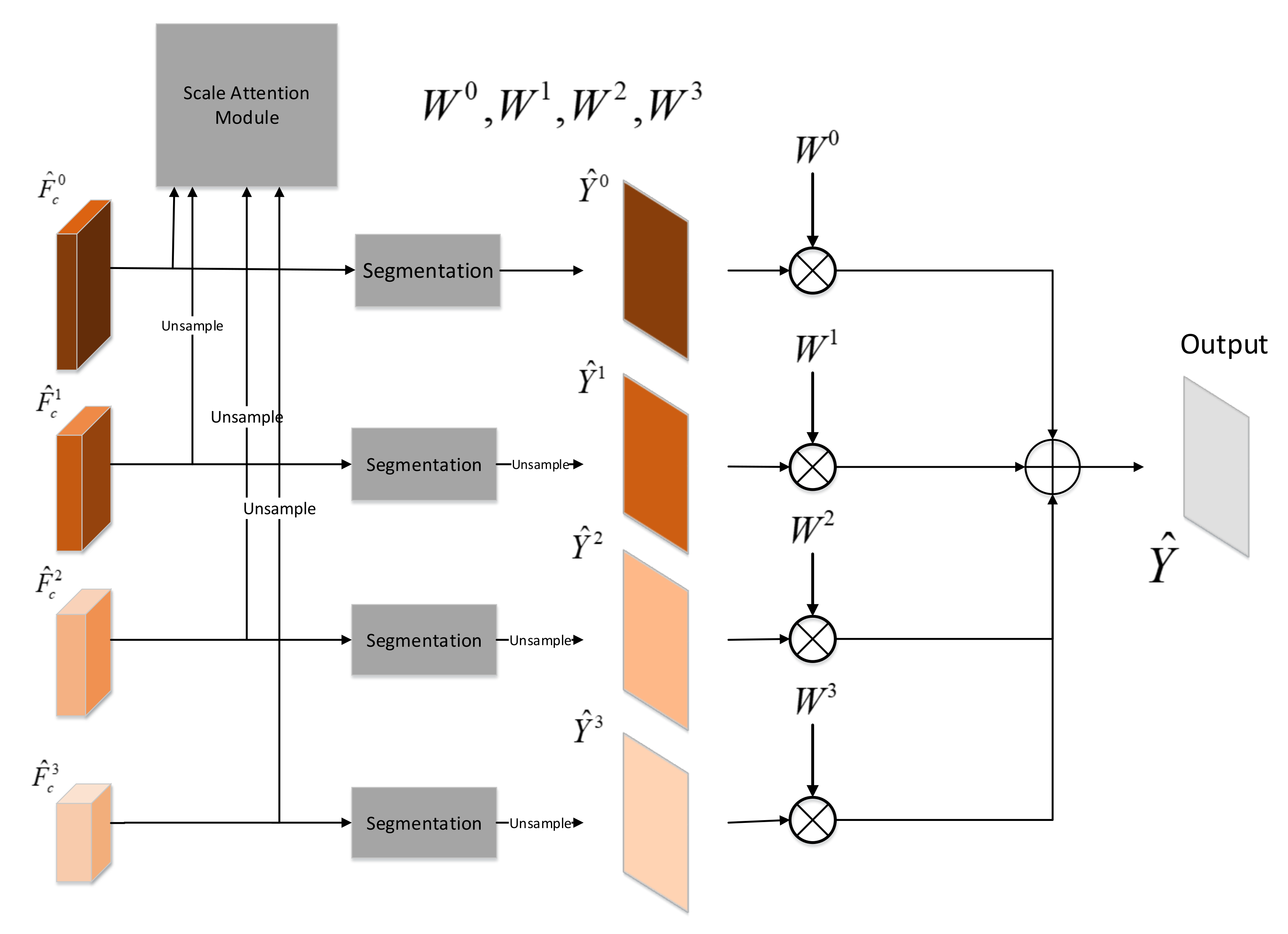
- We propose an efficient multi-scale fusion module that merges predictions of feature maps with different receptive fields by learning weights for different scales, which helps predict roads with various width.
2. Materials and Methods
2.1. Overview
2.2. Temporal Consistency Enhancement Module
2.3. Multiscale Fusion Module
3. Experiment
3.1. Dataset
3.2. Metric
3.2.1. Pixel-Based Metrics
3.2.2. Topology-Based Metric
3.3. Implementation Details
3.4. Results
3.4.1. Baseline and Variants of the Proposed Method
3.4.2. Comparative Evaluation
4. Discussion
5. Conclusions
Author Contributions
Funding
Institutional Review Board Statement
Informed Consent Statement
Data Availability Statement
Conflicts of Interest
References
- Shi, W.; Miao, Z.; Debayle, J. An Integrated Method for Urban Main-Road Centerline Extraction From Optical Remotely Sensed Imagery. IEEE Trans. Geosci. Remote Sens. 2014, 52, 3359–3372. [Google Scholar] [CrossRef]
- Suchandt, S.; Runge, H.; Breit, H.; Steinbrecher, U.; Balss, U. Automatic Extraction of Traffic Flows Using TerraSAR-X Along-Track Interferometry. IEEE Trans. Geosci. Remote Sens. 2010, 48, 807–819. [Google Scholar] [CrossRef]
- Lu, P.; Du, K.; Yu, W.; Wang, R.; Deng, Y.; Balz, T. A New Region Growing-Based Method for Road Network Extraction and Its Application on Different Resolution SAR Images. IEEE J. Sel. Top. Appl. Earth Obs. Remote Sens. 2015, 7, 4772–4783. [Google Scholar] [CrossRef]
- Li, Y.; Zhang, R.; Wu, Y. Road network extraction in high-resolution SAR images based CNN features. In Proceedings of the 2017 IEEE International Geoscience and Remote Sensing Symposium (IGARSS), Fort Worth, TX, USA, 23–28 July 2017; pp. 1664–1667. [Google Scholar]
- Xu, R.; He, C.; Liu, X.; Dong, C.; Qin, Q. Bayesian Fusion of Multi-Scale Detectors for Road Extraction from SAR Images. Int. J. Geo-Inform. 2017, 6, 26. [Google Scholar] [CrossRef] [Green Version]
- Tupin, F.; Maitre, H. Detection of linear features in SAR images: Application to road network extraction. IEEE Trans. Geosci. Remote Sens. 1998, 36, 434–453. [Google Scholar] [CrossRef] [Green Version]
- Henry, C.; Azimi, S.M.; Merkle, N. Road Segmentation in SAR Satellite Images with Deep Fully Convolutional Neural Networks. IEEE Trans. Geosci. Remote Sens. Lett. 2018, 15, 1867–1871. [Google Scholar] [CrossRef] [Green Version]
- Wei, X.; Lv, X.; Zhang, K. Road Extraction in SAR Images Using Ordinal Regression and Road-Topology Loss. Remote Sens. 2021, 13, 2080. [Google Scholar] [CrossRef]
- Jiang, M.; Miao, Z.; Gamba, P.; Yong, B. Application of Multitemporal InSAR Covariance and Information Fusion to Robust Road Extraction. IEEE Trans. Geosci. Remote Sens. 2017, 99, 3611–3622. [Google Scholar] [CrossRef]
- Negri, M.; Gamba, P.; Lisini, G.; Tupin, F. Junction-aware extraction and regularization of urban road networks in high-resolution SAR images. IEEE Trans. Geosci. Remote Sens. 2006, 44, 2962–2971. [Google Scholar] [CrossRef]
- Tupin, F.; Houshmand, B.; Datcu, M. Road detection in dense urban areas using SAR imagery and the usefulness of multiple views. IEEE Trans. Geosci. Remote Sens. 2002, 40, 2405–2414. [Google Scholar] [CrossRef] [Green Version]
- He, C.; Bo, S.; Zhang, Y.; Xu, X.; Liao, M.S. Road extraction for SAR imagery based on the combination of beamlet and a selected kernel. In Proceedings of the Geoscience and Remote Sensing Symposium, Quebec City, QC, Canada, 13–18 July 2014. [Google Scholar]
- Cheng, G.; Wang, Y.; Xu, S.; Wang, H.; Xiang, S.; Pan, C. Automatic Road Detection and Centerline Extraction via Cascaded End-to-End Convolutional Neural Network. IEEE Trans. Geosci. Remote Sens. 2017, 55, 3322–3337. [Google Scholar] [CrossRef]
- Yang, X.; Li, X.; Ye, Y.; Lau, R.Y.K.; Zhang, X.; Huang, X. Road Detection and Centerline Extraction Via Deep Recurrent Convolutional Neural Network U-Net. IEEE Trans. Geosci. Remote Sens. 2019, 57, 7209–7220. [Google Scholar] [CrossRef]
- Wei, Y.; Zhang, K.; Ji, S. Simultaneous Road Surface and Centerline Extraction From Large-Scale Remote Sensing Images Using CNN-Based Segmentation and Tracing. IEEE Trans. Geosci. Remote Sens. 2020, 58, 8919–8931. [Google Scholar] [CrossRef]
- Shelhamer, E.; Long, J.; Darrell, T. Fully Convolutional Networks for Semantic Segmentation. IEEE Trans. Pattern Anal. Mach. Intell. 2017, 39, 640–651. [Google Scholar] [CrossRef] [PubMed]
- Buslaev, A.; Seferbekov, S.; Iglovikov, V.; Shvets, A. Fully Convolutional Network for Automatic Road Extraction from Satellite Imagery. In Proceedings of the 2018 IEEE/CVF Conference on Computer Vision and Pattern Recognition Workshops (CVPRW), Salt Lake City, UT, USA, 18–22 June 2018. [Google Scholar]
- Han, X.; Lu, J.; Zhao, C.; Li, H. Fully Convolutional Neural Networks for Road Detection with Multiple Cues Integration. In Proceedings of the IEEE International Conference on Robotics and Automation (ICRA), Brisbane, QLD, Australia, 21–25 May 2018. [Google Scholar]
- Ronneberger, O.; Fischer, P.; Brox, T. U-Net: Convolutional Networks for Biomedical Image Segmentation. In Medical Image Computing and Computer-Assisted Intervention—MICCAI 2015; Navab, N., Hornegger, J., Wells, W.M., Frangi, A.F., Eds.; Springer International Publishing: Cham, Switzerland, 2015; pp. 234–241. [Google Scholar]
- Zhang, Z.; Liu, Q.; Wang, Y. Road Extraction by Deep Residual U-Net. IEEE Trans. Geosci. Remote Sens. 2018, 15, 749–753. [Google Scholar] [CrossRef] [Green Version]
- Sun, T.; Chen, Z.; Yang, W.; Wang, Y. Stacked U-Nets with Multi-Output for Road Extraction. In Proceedings of the 2018 IEEE/CVF Conference on Computer Vision and Pattern Recognition (CVPR), Salt Lake City, UT, USA, 18–22 June 2018. [Google Scholar]
- Diakogiannis, F.I.; Waldner, F.; Caccetta, P.; Wu, C. ResUNet-a: A deep learning framework for semantic segmentation of remotely sensed data. ISPRS J. Photogram. Remote Sens. 2020, 162, 94–114. [Google Scholar] [CrossRef] [Green Version]
- Lu, X.; Zhong, Y.; Zheng, Z.; Liu, Y.; Zhao, J.; Ma, A.; Yang, J. Multi-Scale and Multi-Task Deep Learning Framework for Automatic Road Extraction. IEEE Trans. Geosci. Remote Sens. 2019, 57, 9362–9377. [Google Scholar] [CrossRef]
- Zhou, L.; Zhang, C.; Wu, M. D-LinkNet: LinkNet with Pretrained Encoder and Dilated Convolution for High Resolution Satellite Imagery Road Extraction. In Proceedings of the 2018 IEEE/CVF Conference on Computer Vision and Pattern Recognition Workshops (CVPRW), Salt Lake City, UT, USA, 18–22 June 2018; pp. 192–1924. [Google Scholar] [CrossRef]
- Xu, Y.; Chen, H.; Du, C.; Li, J. MSACon: Mining Spatial Attention-Based Contextual Information for Road Extraction. IEEE Trans. Geosci. Remote Sens. 2021, 99, 1–17. [Google Scholar] [CrossRef]
- Liu, Y.; Yao, J.; Lu, X.; Xia, M.; Wang, X.; Liu, Y. RoadNet: Learning to Comprehensively Analyze Road Networks in Complex Urban Scenes From High-Resolution Remotely Sensed Images. IEEE Trans. Geosci. Remote Sens. 2019, 57, 2043–2056. [Google Scholar] [CrossRef]
- Chanussot, J.; Mauris, G.; Lambert, P. Fuzzy fusion techniques for linear features detection in multitemporal SAR images. IEEE Trans. Geosci. Remote Sens. 1999, 37, 1292–1305. [Google Scholar] [CrossRef]
- Głowacki, P.; Pinheiro, M.A.; Mosinska, A.; Türetken, E.; Lebrecht, D.; Sznitman, R.; Holtmaat, A.; Kybic, J.; Fua, P. Reconstructing Evolving Tree Structures in Time Lapse Sequences by Enforcing Time-Consistency. IEEE Trans. Pattern Anal. Mach. Intell. 2018, 40, 755–761. [Google Scholar] [CrossRef] [Green Version]
- Ma, X.; Wang, C.; Yin, Z.; Wu, P. SAR Image Despeckling by Noisy Reference-Based Deep Learning Method. IEEE Trans. Geosci. Remote Sens. 2020, 58, 8807–8818. [Google Scholar] [CrossRef]
- Lu, X.; Zhong, Y.; Zhao, J. Multi-Scale Enhanced Deep Network for Road Detection. In Proceedings of the 2019 IEEE International Geoscience and Remote Sensing Symposium (IGARSS 2019), Yokohama, Japan, 28 July–2 August 2019; pp. 3947–3950. [Google Scholar] [CrossRef]
- Dai, J.; Du, Y.; Zhu, T.; Wang, Y.; Gao, L. Multiscale Residual Convolution Neural Network and Sector Descriptor-Based Road Detection Method. IEEE Access 2019, 7, 173377–173392. [Google Scholar] [CrossRef]
- Batra, A.; Singh, S.; Pang, G.; Basu, S.; Jawahar, C.; Paluri, M. Improved Road Connectivity by Joint Learning of Orientation and Segmentation. In Proceedings of the 2019 IEEE/CVF Conference on Computer Vision and Pattern Recognition (CVPR), Long Beach, CA, USA, 15–20 June 2019; pp. 10377–10385. [Google Scholar] [CrossRef]
- Wang, J.; Sun, K.; Cheng, T.; Jiang, B.; Deng, C.; Zhao, Y.; Liu, D.; Mu, Y.; Tan, M.; Wang, X.; et al. Deep High-Resolution Representation Learning for Visual Recognition. IEEE Trans. Pattern Anal. Mach. Intell. 2020. [Google Scholar] [CrossRef] [PubMed] [Green Version]
- Huang, Z.; Wang, X.; Wei, Y.; Huang, L.; Shi, H.; Liu, W.; Huang, T.S. CCNet: Criss-Cross Attention for Semantic Segmentation. IEEE Trans. Pattern Anal. Mach. Intell. 2020, 603–612. [Google Scholar] [CrossRef]
- Chen, L.C.; Yi, Y.; Jiang, W.; Wei, X.; Yuille, A.L. Attention to Scale: Scale-Aware Semantic Image Segmentation. In Proceedings of the 2016 IEEE Conference on Computer Vision and Pattern Recognition (CVPR), Las Vegas, NV, USA, 27–30 June 2016. [Google Scholar]
- Heipke, C.; Mayer, H.; Wiedemann, C.; Jamet, O. Evaluation of Automatic Road Extraction. Int. Arch. Photogram. Remote Sens. 1997, 32, 151–160. [Google Scholar]
- Mnih, V.; Hinton, G. Learning to Label Aerial Images from Noisy Data. In Proceedings of the International Conference on Machine Learning, Edinburgh, UK, 26 June–1 July 2012. [Google Scholar]
- Etten, A.V.; Lindenbaum, D.; Bacastow, T.M. SpaceNet: A Remote Sensing Dataset and Challenge Series. arXiv 2018, arXiv:1807.01232v3. [Google Scholar]
- Biagioni, J.; Eriksson, J. Inferring Road Maps from Global Positioning System Traces: Survey and Comparative Evaluation. Transp. Res. Rec. J. Transp. Res. Board 2014, 2291, 61–71. [Google Scholar] [CrossRef] [Green Version]











| Area1 | Beijing, China |
|---|---|
| Size | 21,800 × 15,500 px |
| Range Sample Distance | 0.909627 m/px |
| Azimuth Sample Distance | 1.848561 m/px |
| Spatial Resolution | 3 m/px |
| Center Coordinate | [39.8798466, 116.4503446] |
| Polarization | HH |
| 19 January 2013, 21 February 2013, 26 March 2013, | |
| Date | 9 May 2013, |
| 31 May 2013, 3 July 2013, 5 August 2013 | |
| Area2 | Beijing, China |
| Size | 27,600 × 18,700 px |
| Range Sample Distance | 0.908790 m/px |
| Azimuth Sample Distance | 1.888833 m/px |
| Spatial Resolution | 3 m/px |
| Center Coordinate | [39.957164, 116.6996268] |
| Polarization | HH |
| 11 May 2012, 20 September 2012, 23 October 2012 | |
| Date | 4 March 2013, |
| 22 June 2013, 14 July 2013, 16 August 2013 |
| Pixel-Based Metrics | ||||
|---|---|---|---|---|
| P | R | IoU | F1 | |
| HRNetV2 | 0.9383 | 0.6367 | 0.6125 | 0.7488 |
| MSHRNet | 0.9113 | 0.6751 | 0.6335 | 0.7662 |
| MSHRNet(TAF) | 0.9352 | 0.7038 | 0.6721 | 0.7972 |
| MSMTHRNet | 0.9252 | 0.8011 | 0.7544 | 0.8549 |
| Topology-Based Metrics | ||||
| APLS | ||||
| HRNetV2 | 0.3730 | 0.5013 | ||
| MSHRNet | 0.4055 | 0.5301 | ||
| MSHRNet(TAF) | 0.4557 | 0.5624 | ||
| MSMTHRNet | 0.5438 | 0.6529 | ||
| Pixel-Based Metrics | ||||
|---|---|---|---|---|
| P | R | IoU | F1 | |
| MSHRNet | 0.9113 | 0.6751 | 0.6335 | 0.7662 |
| MSMTHRNet (T = 3) | 0.9350 | 0.7336 | 0.6992 | 0.8176 |
| MSMTHRNet (T = 5) | 0.8954 | 0.7837 | 0.7196 | 0.8320 |
| MSMTHRNet (T = 7) | 0.9252 | 0.8011 | 0.7544 | 0.8549 |
| Topology-Based Metrics | ||||
| APLS | ||||
| MSHRNet | 0.4055 | 0.5301 | ||
| MSMTHRNet (T = 3) | 0.4920 | 0.6177 | ||
| MSMTHRNet (T = 5) | 0.5218 | 0.6514 | ||
| MSMTHRNet (T = 7) | 0.5438 | 0.6529 | ||
Publisher’s Note: MDPI stays neutral with regard to jurisdictional claims in published maps and institutional affiliations. |
© 2021 by the authors. Licensee MDPI, Basel, Switzerland. This article is an open access article distributed under the terms and conditions of the Creative Commons Attribution (CC BY) license (https://creativecommons.org/licenses/by/4.0/).
Share and Cite
Wei, X.; Fu, X.; Yun, Y.; Lv, X. Multiscale and Multitemporal Road Detection from High Resolution SAR Images Using Attention Mechanism. Remote Sens. 2021, 13, 3149. https://doi.org/10.3390/rs13163149
Wei X, Fu X, Yun Y, Lv X. Multiscale and Multitemporal Road Detection from High Resolution SAR Images Using Attention Mechanism. Remote Sensing. 2021; 13(16):3149. https://doi.org/10.3390/rs13163149
Chicago/Turabian StyleWei, Xiaochen, Xikai Fu, Ye Yun, and Xiaolei Lv. 2021. "Multiscale and Multitemporal Road Detection from High Resolution SAR Images Using Attention Mechanism" Remote Sensing 13, no. 16: 3149. https://doi.org/10.3390/rs13163149
APA StyleWei, X., Fu, X., Yun, Y., & Lv, X. (2021). Multiscale and Multitemporal Road Detection from High Resolution SAR Images Using Attention Mechanism. Remote Sensing, 13(16), 3149. https://doi.org/10.3390/rs13163149
