Driving Green: A Comprehensive Sustainability Analysis of Natural Gas-to-Methanol and Methanol-to-Gasoline Supply Chains
Abstract
1. Introduction
1.1. Background
1.2. NGTM and MTG Supply Chains
1.3. Environmental, Social, and Economic Implications of Methanol
1.4. Novelty of the Study, Problem Statement, and Research Structure
2. Literature Review
2.1. NGTM Process Chain
2.1.1. Feedstock Characteristics and Pre-Treatment
2.1.2. Reforming Pathways for Syngas Production
2.1.3. Methanol Synthesis and Purification
2.1.4. Environmental Considerations in NGTM
2.2. MTG Conversion Pathway
2.2.1. Historical Development and Process Fundamentals
2.2.2. Advantages and Drawbacks of the MTG Pathway
2.2.3. Environmental Performance of MTG Systems
2.3. Integrated Sustainability Assessments for NGTM–MTG Supply Chains
2.3.1. Environmental LCA
2.3.2. SLCA
2.3.3. LCC and Techno-Economic Feasibility
2.4. Motivation, Novelty, and Remaining Research Gaps
3. Materials and Methods
3.1. Research Flow Chart
3.2. LCSA Goal and Scope
3.3. Inventory Analysis
3.3.1. Environmental Impacts
- Carbon Emissions and Pollution Reduction
- Renewable Methanol Advantages
- Resource and Land Use
3.3.2. Economic Impacts
- Competitive Cost
- Infrastructure and Market Expansion
- Job Creation and Economic Growth
3.3.3. Social Impacts
- Public Health Benefits
- Energy Security
- Safety and Handling
- Social Equity and Accessibility
3.3.4. Challenges and Opportunities
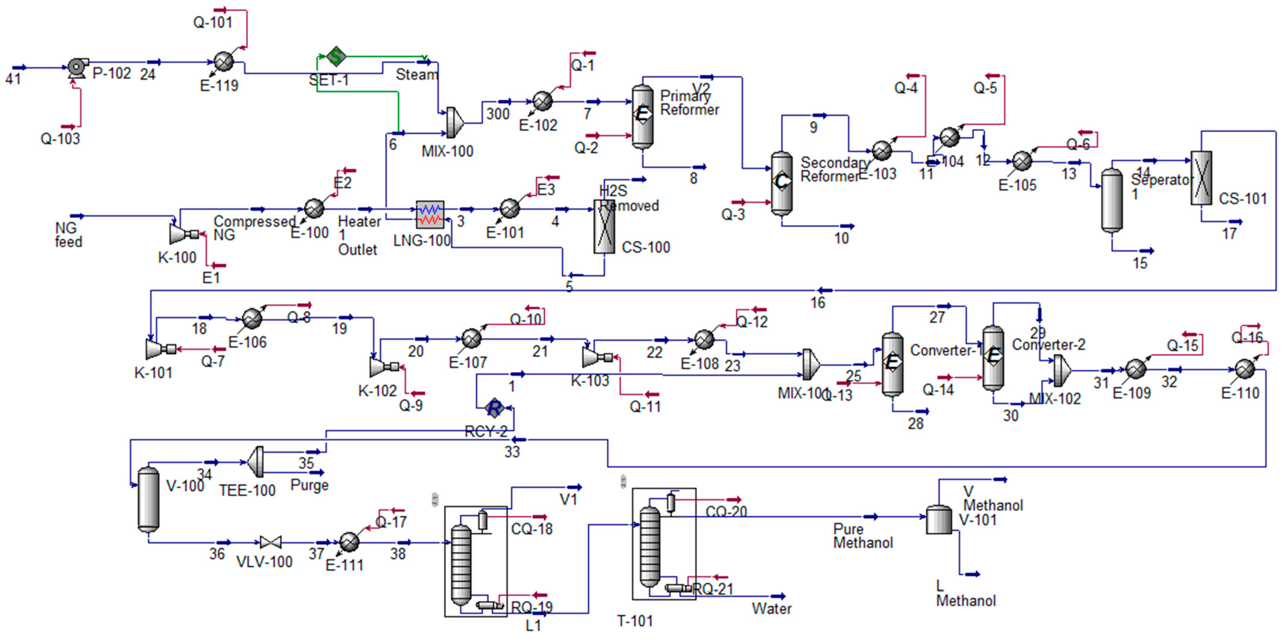
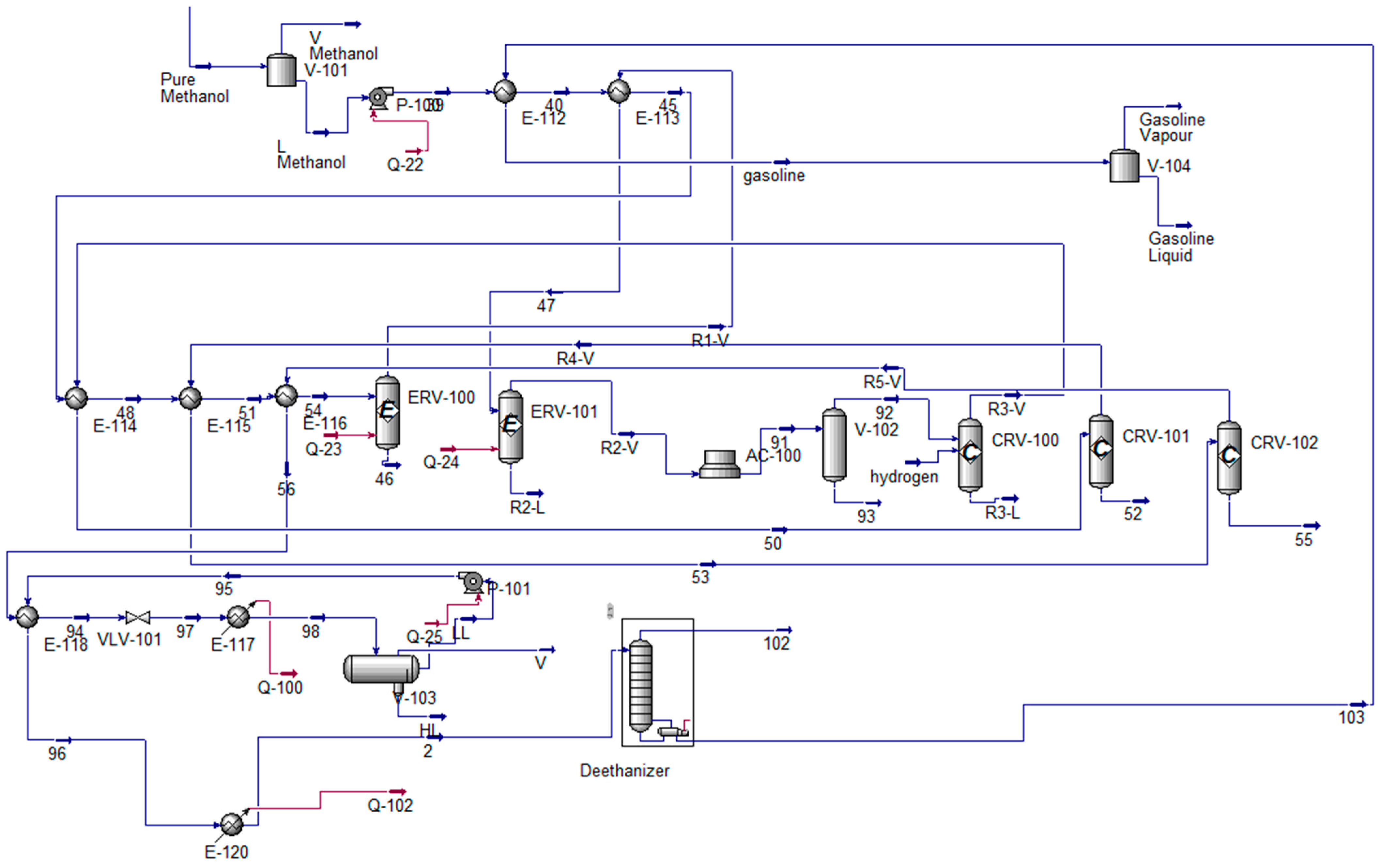
3.4. Impact Assessment Tool: Aspen HYSYS Modeling
3.4.1. Aspen HYSYS and LCA
3.4.2. Process Simulation and Optimization
3.4.3. Reactions in Current Research
3.4.4. Methodology Aspen HYSYS
3.5. Interpretation of the LCSA Model
3.5.1. Scoring and Interpretation Method
3.5.2. Final Interpretation and Decision Making
3.6. Sensitivity Analysis and Uncertainty Assessment
4. Results and Discussion
4.1. LCA, LCC, and SLCA Analysis
4.1.1. LCA
4.1.2. SLCA
4.1.3. LCC
4.2. Life Cycle Sustainability Assessment (LCSA)
4.3. Sensitivity Analysis
4.3.1. Methane Fraction vs. Methanol Purity
4.3.2. Nitrogen Fraction vs. Methanol Purity
4.3.3. Methane Fraction vs. Gasoline Hydrocarbon Distribution
4.3.4. Natural Gas Flow vs. Gasoline Production
4.3.5. Feed Flow vs. CO2 Emissions
4.3.6. Measurement of Relative Sensitivity and Identification of Critical Variables
5. Sustainability Plan and Policy Implications
5.1. Sustainability Improvement Plan
- Priority 1: Distillation and Purification (Water–Energy–Economic Hotspot)
- Priority 2: Compression Section (Electricity and Indirect CO2 Hotspot)
- Priority 3: DME and MTG Reactors (Primary Social Hotspot)
- Priority 4: Throughput and Purge-Stream Management (Sensitivity-Driven Optimization)
- Integrated Impact of Prioritized Measures
5.2. Policy Implications
6. Conclusions
Author Contributions
Funding
Institutional Review Board Statement
Informed Consent Statement
Data Availability Statement
Acknowledgments
Conflicts of Interest
Abbreviations
| ATR | Autothermal Reforming |
| BTM | Biomass-to-Methanol |
| CAPEX | Capital Expenditure |
| CCS | Carbon Capture and Storage |
| CCU | Carbon Capture and Utilization |
| C5–C11 | Hydrocarbon Range Representing Gasoline Constituents |
| CH3OH | Methanol (chemical formula) |
| CO | Carbon Monoxide |
| CO2 | Carbon Dioxide |
| DALYs | Disability-Adjusted Life Years |
| DME | Dimethyl Ether |
| EIA | Energy Information Administration (if cited) |
| FFV | Flexible Fuel Vehicle |
| GHG | Greenhouse Gas |
| GTL | Gas-to-Liquid |
| GWP | Global Warming Potential |
| H-ZSM-5 | Hydrogen Form of Zeolite Socony Mobil–5 (MTG catalyst) |
| H2 | Hydrogen |
| H2O | Water |
| H2S | Hydrogen Sulfide |
| IPCC | Intergovernmental Panel on Climate Change (if cited) |
| kg/h | Kilogram per Hour |
| kWh | Kilowatt-Hour |
| LCA | Life Cycle Assessment |
| LCC | Life Cycle Costing |
| LCSA | Life Cycle Sustainability Assessment |
| LCI | Life Cycle Inventory |
| LCIA | Life Cycle Impact Assessment |
| LHV | Lower Heating Value |
| MTO | Methanol-to-Olefin |
| MT | Metric Ton |
| MTBE | Methyl Tertiary Butyl Ether |
| MTG | Methanol-to-Gasoline |
| NG | Natural Gas |
| NGTM | Natural Gas-to-Methanol |
| NOx | Nitrogen Oxides |
| PFD | Process Flow Diagram |
| PM | Particulate Matter |
| POM | Partial Oxidation of Methane |
| PSA | Pressure Swing Adsorption |
| ppm | Parts per Million |
| SDGs | Sustainable Development Goals |
| SETAC | Society of Environmental Toxicology and Chemistry |
| SLCA | Social Life Cycle Assessment |
| SMR | Steam Methane Reforming |
| SOx | Sulfur Oxide |
| Syngas | Synthesis Gas (mixture of H2, CO, and CO2) |
| TBL | Triple Bottom Line |
| TJ/year | Terajoules per Year |
| UNEP | United Nations Environment Programme |
| VOC | Volatile Organic Compound |
| WGS | Water–Gas Shift Reaction |
References
- Al-Yafei, H.; Aseel, S.; Kunju, A.A. Evaluating the Sustainability of the Natural Gas-Based Methanol-to-Gasoline Industry: A Global Systematic Review. Sustainability 2025, 17, 5355. [Google Scholar] [CrossRef]
- Simon Araya, S.; Liso, V.; Cui, X.; Li, N.; Zhu, J.; Sahlin, S.L.; Jensen, S.H.; Nielsen, M.P.; Kær, S.K. A Review of The Methanol Economy: The Fuel Cell Route. Energies 2020, 13, 596. [Google Scholar] [CrossRef]
- Chen, Z.; Shen, Q.; Sun, N.; Wei, W. Life cycle assessment of typical methanol production routes: The environmental impacts analysis and power optimization. J. Clean. Prod. 2019, 220, 408–416. [Google Scholar] [CrossRef]
- Bilgin, A.; Sezer, İ. Effects of Methanol Addition to Gasoline on the Performance and Fuel Cost of a Spark Ignition Engine. Energy Fuels 2008, 22, 2782–2788. [Google Scholar] [CrossRef]
- Bazaluk, O.; Havrysh, V.; Nitsenko, V.; Baležentis, T.; Streimikiene, D.; Tarkhanova, E.A. Assessment of Green Methanol Production Potential and Related Economic and Environmental Benefits: The Case of China. Energies 2020, 13, 3113. [Google Scholar] [CrossRef]
- Speth, R.L.; Chow, E.W.; Malina, R.; Barrett, S.R.H.; Heywood, J.B.; Green, W.H. Economic and Environmental Benefits of Higher-Octane Gasoline. Environ. Sci. Technol. 2014, 48, 6561–6568. [Google Scholar] [CrossRef]
- Brynolf, S.; Fridell, E.; Andersson, K. Environmental assessment of marine fuels: Liquefied natural gas, liquefied biogas, methanol and bio-methanol. J. Clean. Prod. 2014, 74, 86–95. [Google Scholar] [CrossRef]
- Deka, T.J.; Osman, A.I.; Baruah, D.C.; Rooney, D.W. Methanol fuel production, utilization, and techno-economy: A review. Environ. Chem. Lett. 2022, 20, 3525–3554. [Google Scholar] [CrossRef]
- Verhelst, S.; Turner, J.W.G.; Sileghem, L.; Vancoillie, J. Methanol as a fuel for internal combustion engines. Prog. Energy Combust. Sci. 2019, 70, 43–88. [Google Scholar] [CrossRef]
- Bozzano, G.; Manenti, F. Efficient methanol synthesis: Perspectives, technologies and optimization strategies. Prog. Energy Combust. Sci. 2016, 56, 71–105. [Google Scholar] [CrossRef]
- Mohammed Abbas, A.H.; Cheralathan, K.K.; Porpatham, E.; Arumugam, S.K. Hydrogen generation using methanol steam reforming—Catalysts, reactors, and thermo-chemical recuperation. Renew. Sustain. Energy Rev. 2024, 191, 114147. [Google Scholar] [CrossRef]
- Alshafei, F.H.; Zones, S.I.; Davis, M.E. Improving the propylene selectivity in the methanol-to-olefins reaction over CIT-17, a SAT-type molecular sieve. Chem. Eng. J. 2024, 482, 149045. [Google Scholar] [CrossRef]
- Liu, S.; Liu, J.; Chen, G.; Yao, J.; Yan, B.; Yi, W.; Tian, C.; Zao, H. Enhanced methanol to gasoline performance using nanosheet-like SAPO-11 catalyst. J. Energy Inst. 2023, 111, 101424. [Google Scholar] [CrossRef]
- MacDonald, J.; Lopez-Pintor, D.; Matsubara, N.; Kitano, K.; Yamada, R. A chemical kinetic analysis of knock propensity of methanol-to-gasoline fuel. Fuel 2025, 382, 133787. [Google Scholar] [CrossRef]
- Wolday, A.K.; Ramteke, M. Surrogate model-based optimization of methanol synthesis process for multiple objectives: A pathway towards achieving sustainable development goals. Chem. Eng. Res. Des. 2024, 204, 172–182. [Google Scholar] [CrossRef]
- Chen, L.; Msigwa, G.; Yang, M.; Osman, A.I.; Fawzy, S.; Rooney, D.W.; Yap, P.-S. Strategies to achieve a carbon neutral society: A review. Environ. Chem. Lett. 2022, 20, 2277–2310. [Google Scholar] [CrossRef]
- Ren, B.-P.; Xu, Y.-P.; Huang, Y.-W.; She, C.; Sun, B. Methanol production from natural gas reforming and CO2 capturing process, simulation, design, and technical-economic analysis. Energy 2023, 263, 125879. [Google Scholar] [CrossRef]
- Arias Gallego, C.; Khandavilli, M.; Kobayashi, L.; Sarathy, S.M. Kinetic Modeling and Techno-Economic Analysis of a Methanol-to-Gasoline Production Repurposed Refinery Equipment. ACS Omega 2024, 9, 22858–22870. [Google Scholar] [CrossRef]
- Salahudeen, N.; Rasheed, A.A.; Babalola, A.; Moses, A.U. Review on technologies for conversion of natural gas to methanol. J. Nat. Gas Sci. Eng. 2022, 108, 104845. [Google Scholar] [CrossRef]
- Rosdi, S.M.; Erdiwansyah; Ghazali, M.F.; Mamat, R. Evaluation of engine performance and emissions using blends of gasoline, ethanol, and fusel oil. Case Stud. Chem. Environ. Eng. 2025, 11, 101065. [Google Scholar] [CrossRef]
- Sarathy, S.M.; Farooq, A.; Kalghatgi, G.T. Recent progress in gasoline surrogate fuels. Prog. Energy Combust. Sci. 2018, 65, 67–108. [Google Scholar] [CrossRef]
- Kumar, T.; Mohsin, R.; Majid, Z.A.; Ghafir, M.F.A.; Yusuf, N.K.; Kim, J.; Wash, A.M.; Sahri, D.M. Response surface methodology application in optimization of performance and exhaust emissions of RON 98, aviation gasoline 100LL and the blends in Lycoming O-320 engine. Fuel 2019, 256, 115909. [Google Scholar] [CrossRef]
- Tabibian, S.S.; Sharifzadeh, M. Statistical and analytical investigation of methanol applications, production technologies, value-chain and economy with a special focus on renewable methanol. Renew. Sustain. Energy Rev. 2023, 179, 113281. [Google Scholar] [CrossRef]
- Bræstrup, F.; Kristensen, T.B. Emissions from Ship Engines Using Methanol as a New, Green Fuel. 2023. Available online: https://forcetechnology.com/en/articles/emissions-ship-engines-methanol-new-green-fuel (accessed on 30 December 2024).
- DCCEEW. Methanol Fact Sheet. 2022. Available online: https://www.dcceew.gov.au/environment/protection/npi/substances/fact-sheets/methanol#dcceew-main (accessed on 24 December 2024).
- El-Sayed, S.A. Safety Considerations in Methanol Utilization. In Reference Module in Chemistry, Molecular Sciences and Chemical Engineering; Elsevier: Amsterdam, The Netherlands, 2024. [Google Scholar]
- Fortune Business Insights. Methanol Market Size, Share & Industry Analysis, By Feedstock (Natural Gas, Coal, Biomass & Renewables), By Derivative (Formaldehyde, Acetic Acid, MTBE, DME, Gasoline Blending, Biodiesel, MTO/MTP, Solvent, and Others), By Application (Construction, Automotive, Electronics, and Others) and Regional Forecast. 2023. Available online: https://www.fortunebusinessinsights.com/industry-reports/methanol-market-101552 (accessed on 22 December 2024).
- Mariano, J.; La Rovere, E. Environmental Impacts of the Oil Industry; LAP Lambert Academic Publishing: Sunnyvale, CA, USA, 2017. [Google Scholar]
- Motus. Oil Check: How is Gasoline Made? A General Overview. 2024. Available online: https://www.motus.com/blog/how-is-gasoline-made/#:~:text=You%20know%20gasoline.,%2C%20trucks%2C%20jets%20and%20ATVs (accessed on 20 December 2024).
- Kpodar, K.; Liu, B. The distributional implications of the impact of fuel price increases on inflation. Energy Econ. 2022, 108, 105909. [Google Scholar] [CrossRef]
- Kikkawa, Y.; Nozawa, N.; Inoue, H.; Sato, E. Method of Removing Sulfur Compounds from Natural Gas. U.S. Patent 7,780,933, 24 August 2010. [Google Scholar]
- Dincă, C.; Slavu, N. Integrating Power-to-Methane with Carbon Capture (P2M-CC) for Sustainable Decarbonization in Cement Manufacturing. Energies 2025, 18, 777. [Google Scholar] [CrossRef]
- Boretti, A. Enhancing Australia’s energy security and sustainability: The case for domestic hydrocarbon fuel production from natural gas. Environ. Syst. Decis. 2025, 45, 52. [Google Scholar] [CrossRef]
- Ataya, Z.; Challiwala, M.; Ibrahim, G.; Choudhury, H.A.; El-Halwagi, M.M.; Elbashir, N.O. Decarbonizing the Gas-to-Liquid (GTL) Process Using an Advanced Reforming of Methane Process. ACS Eng. Au 2024, 4, 99–111. [Google Scholar] [CrossRef]
- Assabumrungrat, S.; Laosiripojana, N. Fuels—Hydrogen Production|Autothermal Reforming. In Encyclopedia of Electrochemical Power Sources; Garche, J., Ed.; Elsevier: Amsterdam, The Netherlands, 2009; pp. 238–248. [Google Scholar]
- Ma, T.; Yan, R.; Wu, X.; Wang, M.; Yin, B.; Li, S.; Cheng, C.; Thomas, A. Polyoxometalate-Structured Materials: Molecular Fundamentals and Electrocatalytic Roles in Energy Conversion. Adv. Mater. 2024, 36, 2310283. [Google Scholar] [CrossRef]
- Lu, W.; Cao, Q.; Xu, B.; Adidharma, H.; Gasem, K.; Argyle, M.; Zhang, F.; Zhang, Y.; Fan, M. A new approach of reduction of carbon dioxide emission and optimal use of carbon and hydrogen content for the desired syngas production from coal. J. Clean. Prod. 2020, 265, 121786. [Google Scholar] [CrossRef]
- Semmel, M.; Ali, R.E.; Ouda, M.; Schaadt, A.; Sauer, J.; Hebling, C. 6—Power-to-DME: A cornerstone towards a sustainable energy system. In Power to Fuel; Spazzafumo, G., Ed.; Academic Press: Cambridge, MA, USA, 2021; pp. 123–151. [Google Scholar]
- Nisbet, E.G.; Fisher, R.E.; Lowry, D.; France, J.L.; Allen, G.; Bakkaloglu, S.; Broderick, T.J.; Cain, M.; Coleman, M.; Fernandez, J.; et al. Methane Mitigation: Methods to Reduce Emissions, on the Path to the Paris Agreement. Rev. Geophys. 2020, 58, e2019RG000675. [Google Scholar] [CrossRef]
- Methanol Institute. Carbon Footprint of Methanol; Methanol Institute: Singapore, 2022. [Google Scholar]
- Rumayor, M.; Fernández-González, J.; Domínguez-Ramos, A.; Irabien, A. Deep Decarbonization of the Cement Sector: A Prospective Environmental Assessment of CO2 Recycling to Methanol. ACS Sustain. Chem. Eng. 2022, 10, 267–278. [Google Scholar] [CrossRef]
- ExxonMobil Product Solutions. Methanol to Gasoline Technology (MTG). 2024. Available online: www.exxonmobilchemical.com/en/catalysts-and-technology-licensing/methanol-to-gasoline-technology (accessed on 15 January 2025).
- Chakraborty, J.P.; Singh, S.; Maity, S.K. Chapter 6—Advances in the conversion of methanol to gasoline. In Hydrocarbon Biorefinery; Maity, S.K., Gayen, K., Bhowmick, T.K., Eds.; Elsevier: Amsterdam, The Netherlands, 2022; pp. 177–200. [Google Scholar]
- Lotfollahzade Moghaddam, A.; Hazlett, M.J. Methanol dehydration catalysts in direct and indirect dimethyl ether (DME) production and the beneficial role of DME in energy supply and environmental pollution. J. Environ. Chem. Eng. 2023, 11, 110307. [Google Scholar] [CrossRef]
- Dongliang, W.; Wenliang, M.; Huairong, Z.; Guixian, L.; Yong, Y.; Hongwei, L. Green hydrogen coupling with CO2 utilization of coal-to-methanol for high methanol productivity and low CO2 emission. Energy 2021, 231, 120970. [Google Scholar] [CrossRef]
- Bauer, C.; Treyer, K.; Antonini, C.; Bergerson, J.; Gazzani, M.; Gencer, E.; Gibbins, J.; Mazzotti, M.; McCoy, S.T.; McKenna, R. On the climate impacts of blue hydrogen production. Sustain. Energy Fuels 2022, 6, 66–75. [Google Scholar] [CrossRef]
- Environmental Health Project. Blue Hydrogen: A Threat to Public Health? 2023. Available online: https://www.environmentalhealthproject.org/post/blue-hydrogen-a-threat-to-public-health (accessed on 20 December 2024).
- Kim, T.; Kim, D.; Kim, Y.; Park, J. Design and analysis of negative CO2 emission methanol synthesis process incorporating green hydrogen and blue hydrogen. J. Clean. Prod. 2024, 476, 143796. [Google Scholar] [CrossRef]
- Cordella, M.; Horn, R.; Hong, S.H.; Bianchi, M.; Isasa, M.; Harmens, R.; Sonderegger, T.; Pihkola, H. Addressing sustainable development goals in life cycle sustainability assessment: Synergies, challenges and needs. J. Clean. Prod. 2023, 415, 137719. [Google Scholar] [CrossRef]
- Rebitzer, G.; Ekvall, T.; Frischknecht, R.; Hunkeler, D.; Norris, G.; Rydberg, T.; Schmidt, W.P.; Suh, S.; Weidema, B.P.; Pennington, D.W. Life cycle assessment: Part 1: Framework, goal and scope definition, inventory analysis, and applications. Environ. Int. 2004, 30, 701–720. [Google Scholar] [CrossRef]
- Iribarren, D.; Calvo-Serrano, R.; Martín-Gamboa, M.; Galán-Martín, Á.; Guillén-Gosálbez, G. Social life cycle assessment of green methanol and benchmarking against conventional fossil methanol. Sci. Total Environ. 2022, 824, 153840. [Google Scholar] [CrossRef]
- González-Garay, A.; Frei, M.S.; Al-Qahtani, A.; Mondelli, C.; Guillén-Gosálbez, G.; Pérez-Ramírez, J. Plant-to-planet analysis of CO2-based methanol processes. Energy Environ. Sci. 2019, 12, 3425–3436. [Google Scholar] [CrossRef]
- Blumberg, T.; Morosuk, T.; Tsatsaronis, G. Exergy-based evaluation of methanol production from natural gas with CO2 utilization. Energy 2017, 141, 2528–2539. [Google Scholar] [CrossRef]
- Olah, G.A.; Goeppert, A.; Prakash, G.K.S. Beyond oil and gas: The methanol economy. ECS Trans. 2009, 35, 31–40. [Google Scholar]
- Nichols, R.J. The methanol story: A sustainable fuel for the future. Sci. Ind. Res. 2003, 62, 97–105. [Google Scholar]
- Al-Yafei, H.; Kucukvar, M.; AlNouss, A.; Aseel, S.; Onat, N.C. A Novel Hybrid Life Cycle Assessment Approach to Air Emissions and Human Health Impacts of Liquefied Natural Gas Supply Chain. Energies 2021, 14, 6278. [Google Scholar] [CrossRef]
- Aseel, S.; Al-Yafei, H.; Kucukvar, M.; Onat, N.C. Life Cycle Air Emissions and Social Human Health Impact Assessment of Liquified Natural Gas Maritime Transport. Energies 2021, 14, 6208. [Google Scholar] [CrossRef]
- Al-Yafei, H.; AlNouss, A.; Aseel, S.; Tamimi, T.A.; Mannaei, H.A.; Ibrahim, H.; Hashim, N.A.; Delayel, B.A.; Nasr, H.; Al-Kuwari, A. Shades of sustainability: A comprehensive analysis of the carbon footprint in conventional blue ammonia and urea manufacturing processes. Sustain. Energy Technol. Assess. 2025, 84, 104712. [Google Scholar] [CrossRef]
- Al-Yafei, H.; AlNouss, A.; Aseel, S.; Kucukvar, M.; Onat, N.C.; Al-Ansari, T. How Sustainable is Liquefied Natural Gas Supply Chain? An Integrated Life Cycle Sustainability Assessment Model. Energy Convers. Manag. X 2022, 15, 100246. [Google Scholar] [CrossRef]
- Nie, W.; De Vita, K.; Masood, T. An ontology for defining and characterizing demonstration environments. J. Intell. Manuf. 2024, 35, 3501–3521. [Google Scholar] [CrossRef]
- Aquino, J.R.; Bautista, M.A.C.; Lat, D.C.F.; Llave, R.C.M. Optimization and economic performance improvement of processes using aspen HYSYS and streamlined life cycle assessment. AIP Conf. Proc. 2019, 2124, 020020. [Google Scholar] [CrossRef]
- Shahbaz, M.; Ammar, M.; Sukarni, S. Conversion of Spirulina platensis into methanol via gasification: Process simulation modeling and economic evaluation. Digit. Chem. Eng. 2025, 14, 100204. [Google Scholar] [CrossRef]
- Halager, N.S.; Bayer, C.; Kirkpatrick, R.; Gernaey, K.V.; Huusom, J.K.; Udugama, I.A. Modelling and control of an integrated high purity methanol distillation configuration. Chem. Eng. Process. Process Intensif. 2021, 169, 108640. [Google Scholar] [CrossRef]
- Jafari, M.; Ashtab, S.; Behroozsarand, A.; Ghasemzadeh, K.; Wood, D.A. Plant-wide Simulation of an Integrated Zero-Emission Process to Convert Flare Gas to Gasoline. Gas Process. J. 2018, 6, 1–20. [Google Scholar] [CrossRef]
- Gonzalez, A.G.; Herrador, M.A.; Asuero, A.G. Uncertainty evaluation from Monte-Carlo simulations by using Crystal-Ball software. Accredit. Qual. Assur. 2005, 10, 149–154. [Google Scholar] [CrossRef]
- Abdelghany, E.A.M.; Mustafa, I.; Rajan, K.P. Design, Installation, and Operation of a Heat-Integrated Distilled Water Pilot Plant with Internal Cooling Water Circulation Cycle. Water Conserv. Sci. Eng. 2020, 5, 137–145. [Google Scholar] [CrossRef]
- Jing, L.; Jun, Z.; Haiqiao, W. Comparative Life Cycle Assessment of Methanol Production Processes in China. 2024. Available online: https://www.energy-proceedings.org/wp-content/uploads/icae2023/1712383509.pdf (accessed on 20 April 2025).
- Puig-Gamero, M.; Parascanu, M.M.; Sánchez, P.; Sanchez-Silva, L. Olive pomace versus natural gas for methanol production: A life cycle assessment. Environ. Sci. Pollut. Res. 2021, 28, 30335–30350. [Google Scholar] [CrossRef]











| Aspect | Methanol | Gasoline |
|---|---|---|
| Primary Source | Natural gas, coal, biomass, CO2 | Crude oil |
| Energy Density (MJ/L) | 15.8 | 32–35 |
| Octane Rating | 100–110 | 87–94 |
| CO2 Emissions | Lower (up to 95% reduction with bio-methanol) | Higher |
| NOx/SOx Emissions | Minimal | Significant |
| Cost | Higher (currently) | Lower |
| Infrastructure | Developing | Established |
| Section | Reaction Type | Reaction No. | Reaction Equation |
|---|---|---|---|
| Steam Reforming Section | Equilibrium | Rxn-1 | CH4 + H2O → CO + 3H2 |
| Equilibrium | Rxn-2 | C2H6 + 2H2O → 2CO + 5H2 | |
| Equilibrium | Rxn-3 | CO + H2O → CO2 + H2 | |
| Equilibrium | Rxn-4 | C3H8 + 3H2O → 3CO + 7H2 | |
| Equilibrium | Rxn-5 | C4H10 + 4H2O → 4CO + 9H2 | |
| Methanol Synthesis Section | Equilibrium | Rxn-7 | CO + 2H2 → CH3OH |
| Equilibrium | Rxn-8 | CO2 + 3H2 → CH3OH + H2O | |
| Compression Section | — | — | (No chemical reactions) |
| Methanol Reactor Section | — | — | (Looping of unconverted gases; no new reactions) |
| Distillation and Purification Section | — | — | (Physical separation; no chemical reactions) |
| DME and MTG Reactors Section | Equilibrium | Rxn-9 | 2CH3OH → CH3OCH3 + H2O |
| Conversion | Rxn-12 | 2CH3OH → C2H4 + 2H2O | |
| Conversion | Rxn-13 | 3CH3OH → C3H6 + 3H2O | |
| Conversion | Rxn-14 | 4CH3OH → C4H8 + 4H2O | |
| Conversion | Rxn-15 | 5CH3OH → C5H10 + 5H2O | |
| Conversion | Rxn-16 | CH3OCH3 → C2H4 + H2O | |
| Conversion | Rxn-17 | 3CH3OCH3 → 2C3H6 + 3H2O | |
| Conversion | Rxn-18 | 2CH3OCH3 → C4H8 + 2H2O | |
| Conversion | Rxn-19 | 5CH3OCH3 → 2C5H10 + 5H2O | |
| MTG Cooling and Separation Section | — | — | (Cooling and separation only; no reactions) |
| MTG Distillation Section | Conversion (Oligomerization) | Rxn-20 | 2C3H6 → C6H12 |
| Conversion (Oligomerization) | Rxn-21 | 5C2H4 → 2C5H10 | |
| Conversion (Oligomerization) | Rxn-22 | 7C3H6 → 3C7H14 | |
| Conversion (Oligomerization) | Rxn-23 | 2C4H8 → C8H16 | |
| Conversion (Oligomerization) | Rxn-24 | 9C4H8 → 4C9H18 | |
| Conversion (Oligomerization) | Rxn-25 | 10C4H8 → 4C10H20 | |
| Conversion (Oligomerization) | Rxn-26 | 9C2H4 → 2C9H18 | |
| Conversion (Oligomerization) | Rxn-27 | 8C3H6 → 3C8H16 | |
| Conversion (Hydrogenation) | Rxn-28 | C5H10 + H2 → i-C5H12 | |
| Conversion (Hydrogenation) | Rxn-29 | C6H12 + H2 → n-C6H14 | |
| Conversion (Hydrogenation) | Rxn-30 | C7H14 + H2 → n-C7H16 | |
| Conversion (Hydrogenation) | Rxn-31 | C8H16 + H2 → n-C8H18 | |
| Conversion (Hydrogenation) | Rxn-32 | C9H18 + H2 → n-C9H20 | |
| Conversion (Hydrogenation) | Rxn-33 | C10H20 + H2 → n-C10H22 | |
| Gasoline Product Storage Section | — | — | (Final product storage; no chemical reactions) |
| Process Section | GWP (Ton CO2-eq) | Energy Consumption (TJ) | Land Used (Km2) | Water Withdraw (Mm3) | Fresh Water (Mm3) |
|---|---|---|---|---|---|
| Steam Reforming | 4255.6 | 0.06 | 0.06 | 1224.9 | 110.0 |
| Methanol Synthesis | 0.00 | 0.00 | 0.00 | 0.00 | 0.00 |
| Compression | 133,685.7 | 0.31 | 0.02 | 218.9 | 0.00 |
| Methanol Reactor Looping | 329,511.8 | 0.00 | 0.08 | 2986.9 | 0.00 |
| Distillation and Purification | 242,392.9 | 0.02 | 0.08 | 902.9 | 31,100.0 |
| DME and MTG Reactors | 866,614.4 | 0.00 | 0.01 | 0.00 | 1.35 |
| MTG Cooling and Separation | 0.64 | 0.00 | 0.02 | 431.9 | 0.00 |
| MTG Distillation | 20.2 | 0.00 | 0.00 | 0.00 | 0.00 |
| Gasoline Product Storage Section | 0.00 | 0.00 | 0.00 | 0.00 | 0.00 |
| Process Section | Human Health Impact (DALY) | Employment (Person—Full-Time Employee—FTE) | Compensation of Employment (MUSD) | Total Tax (MUSD) | Man Hours (hrs) |
|---|---|---|---|---|---|
| Steam Reforming | 3.95 | 2.36 | 0.45 | 0.91 | 2586.85 |
| Methanol Synthesis | 0.00 | 0.39 | 0.76 | 0.00 | 431.29 |
| Compression | 124.06 | 0.98 | 0.19 | 1.12 | 1078.22 |
| Methanol Reactor Looping | 305.79 | 0.52 | 0.10 | 1.44 | 575.05 |
| Distillation and Purification | 224.94 | 0.72 | 0.14 | 25.99 | 790.69 |
| DME and MTG Reactors | 804.22 | 2.10 | 0.40 | 0.24 | 2299.32 |
| MTG Cooling and Separation | 0.00 | 0.59 | 0.11 | 0.19 | 646.93 |
| MTG Distillation | 0.02 | 0.26 | 0.05 | 0.02 | 287.52 |
| Gasoline Product Storage Section | 0.00 | 0.07 | 12,601.84 | 36,766.95 | 71.88 |
| Process Section | Gross Operating Surplus (MUSD) | Operational Cost (MUSD) | Equipment Cost (MUSD) | Salvage Value (End of Life) (MUSD) |
|---|---|---|---|---|
| Steam Reforming | 9.12 | 56.84 | 84.36 | 16.87 |
| Methanol Synthesis | 0.00 | 0.00 | 0.00 | 0.00 |
| Compression | 11.72 | 65.78 | 144.37 | 28.87 |
| Methanol Reactor Looping | 14.37 | 94.67 | 108.50 | 21.70 |
| Distillation and Purification | 259.91 | 2075.70 | 190.61 | 38.12 |
| DME and MTG Reactors | 2.39 | 0.51 | 92.05 | 18.41 |
| MTG Cooling and Separation | 1.93 | 13.90 | 8.79 | 1.76 |
| MTG Distillation | 0.19 | 0.00 | 7.80 | 1.56 |
| Gasoline Product Storage | 0.37 | 0.00 | 14.57 | 2.91 |
| Total Score | Steam Reforming | Methanol Synthesis | Compression | Methanol Reactor Looping | Distillation and Purification | DME and MTG Reactors | MTG Cooling and Separation | MTG Distillation | Gasoline Product Storage |
|---|---|---|---|---|---|---|---|---|---|
| LCA | 20 | 25 | 20 | 16 | 15 | 21 | 24 | 25 | 25 |
| SLCA | 21 | 9 | 15 | 11 | 15 | 17 | 12 | 9 | 9 |
| LCC | 12 | 12 | 12 | 12 | 12 | 12 | 12 | 12 | 12 |
| Sustainability Factors (Relative values) | Steam Reforming | Methanol Synthesis | Compression | Methanol Reactor Looping | Distillation and Purification | DME and MTG Reactors | MTG Cooling and Separation | MTG Distillation | Gasoline Product Storage |
| SFenvironmental | 0.8 | 1 | 0.8 | 0.64 | 0.6 | 0.84 | 0.96 | 1 | 1 |
| SFsocial | 1 | 0.43 | 0.71 | 0.52 | 0.71 | 0.82 | 0.57 | 0.43 | 0.43 |
| SFeconomic | 1 | 1 | 1 | 1 | 1 | 1 | 1 | 1 | 1 |
| Input Parameter | Output Variable | RS | Engineering Significance |
|---|---|---|---|
| Methane fraction | Methanol purity | ≈0.002 | Very low |
| Nitrogen fraction | Methanol purity | ≈7 × 10−5 | Negligible |
| NG feed flow rate | Gasoline production | ≈0.14 | High |
Disclaimer/Publisher’s Note: The statements, opinions and data contained in all publications are solely those of the individual author(s) and contributor(s) and not of MDPI and/or the editor(s). MDPI and/or the editor(s) disclaim responsibility for any injury to people or property resulting from any ideas, methods, instructions or products referred to in the content. |
© 2026 by the authors. Licensee MDPI, Basel, Switzerland. This article is an open access article distributed under the terms and conditions of the Creative Commons Attribution (CC BY) license.
Share and Cite
Al-Yafei, H.; Aseel, S.; AlNouss, A.; AlJarrah, M.; Abdussamie, N.; Al-Kuwari, A.; Kerret, A.; Abdul Ghafoor, N.; Winarno, M.R.; Al-Bader, A.; et al. Driving Green: A Comprehensive Sustainability Analysis of Natural Gas-to-Methanol and Methanol-to-Gasoline Supply Chains. Sustainability 2026, 18, 527. https://doi.org/10.3390/su18010527
Al-Yafei H, Aseel S, AlNouss A, AlJarrah M, Abdussamie N, Al-Kuwari A, Kerret A, Abdul Ghafoor N, Winarno MR, Al-Bader A, et al. Driving Green: A Comprehensive Sustainability Analysis of Natural Gas-to-Methanol and Methanol-to-Gasoline Supply Chains. Sustainability. 2026; 18(1):527. https://doi.org/10.3390/su18010527
Chicago/Turabian StyleAl-Yafei, Hussein, Saleh Aseel, Ahmed AlNouss, Mohannad AlJarrah, Nagi Abdussamie, Ahmad Al-Kuwari, Alaa Kerret, Noman Abdul Ghafoor, Muhammad Rizki Winarno, Aisha Al-Bader, and et al. 2026. "Driving Green: A Comprehensive Sustainability Analysis of Natural Gas-to-Methanol and Methanol-to-Gasoline Supply Chains" Sustainability 18, no. 1: 527. https://doi.org/10.3390/su18010527
APA StyleAl-Yafei, H., Aseel, S., AlNouss, A., AlJarrah, M., Abdussamie, N., Al-Kuwari, A., Kerret, A., Abdul Ghafoor, N., Winarno, M. R., Al-Bader, A., Tamimi, T. A., & Sabbah, S. (2026). Driving Green: A Comprehensive Sustainability Analysis of Natural Gas-to-Methanol and Methanol-to-Gasoline Supply Chains. Sustainability, 18(1), 527. https://doi.org/10.3390/su18010527

