An Improved Equilibrium Optimizer for Solving Optimal Power Flow Problem
Abstract
:1. Introduction
- An improvement in the efficiency of powerful metaheuristic method named EO is investigated to solve optimal power flow problems in the power system.
- An improved equilibrium optimizer algorithm called IEO, combined with a chaotic equilibrium pool, nonlinear dynamic generation mechanism and golden sine algorithm, is developed to enhance the ability of the original EO algorithm to handle complex optimization objectives. The performance of the IEO algorithm is evaluated on 16 benchmark test functions, the Wilcoxon rank sum test and well-known CEC2014 test functions.
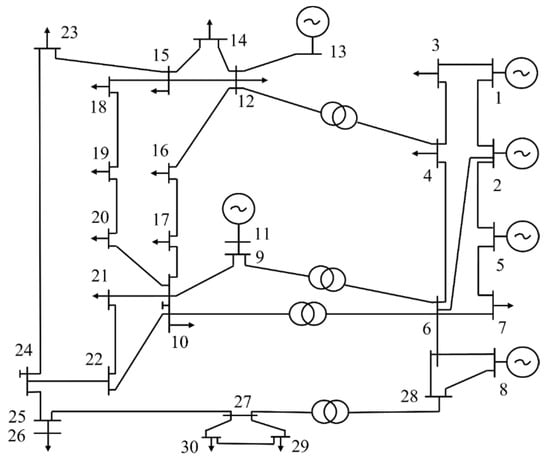
- The proposed IEO algorithm is applied to solve optimal power flow problems in the standard IEEE 30-bus test system. The performance of the proposed IEO algorithm is investigated in terms of fuel cost, active power transmission loss, and voltage deviation improvement. The results are compared with those of other improved algorithms and metaheuristic algorithms in the literature.
2. OPF Problem Formulation
2.1. Objective Function
2.1.1. Fuel Cost (FC)
2.1.2. Active Power Transmission Loss (APL)
2.1.3. Voltage Deviation (VD)
2.2. Contraints
2.2.1. Equality Constraints
2.2.2. Inequality Constraints
3. Improved Equilibrium Optimizer
3.1. Equilibrium Optimizer (EO)
3.2. Improved Equilibrium Optimizer (IEO)
3.2.1. Chaotic Equilibrium Pool Leading Strategy
3.2.2. Nonlinear Dynamic Generation Mechanism
3.2.3. Golden Sine Position Update Strategy
3.2.4. Detailed Steps for the Improved Equilibrium Optimizer
3.2.5. Analysis of Time Complexity of Improved Algorithm
4. The Simulation Results
4.1. Comparative Analysis of Algorithm Performance
4.2. Convergence Analysis
4.3. Comparison with Other Improved EO Algorithms
4.4. Wilcoxon Rank Sum Test
4.5. Experimental Analysis of CEC2014 Test Function
5. Application to Solve the OPF Optimization Problem
5.1. Case 1: Fuel Cost Minimization (FC)
5.2. Case 2: Minimization of Active Power Transmission Loss (APL)
5.3. Case 3: Voltage Deviation (VD)
6. Conclusions
Author Contributions
Funding
Institutional Review Board Statement
Informed Consent Statement
Data Availability Statement
Conflicts of Interest
References
- Dommel, H.W.; Tinney, W.F. Optimal Power Flow Solutions. Stud. Syst. Decis. Control 1968, PAS-87, 1866–1876. [Google Scholar] [CrossRef]
- Bouchekara, H.R.E.H.; Chaib, A.E.; Abido, M.A. El-Sehiemy, R.A. Optimal power flow using an Improved Colliding Bodies Optimization algorithm. Appl. Soft Comput. 2016, 42, 119–131. [Google Scholar] [CrossRef]
- Chaib, A.E.; Bouchekara, H.R.E.H.; Mehasni, R.; Abido, M.A. Optimal power flow with emission and non-smooth cost functions using backtracking search optimization algorithm. Int. J. Electr. Power Energy Syst. 2016, 81, 64–77. [Google Scholar] [CrossRef]
- Bouchekara, H. Solution of the optimal power flow problem considering security constraints using an improved chaotic electromagnetic field optimization algorithm. Neural Comput. Appl. 2020, 32, 2683–2703. [Google Scholar] [CrossRef]
- Marin, M.; Othman, M.I.A.; Abbas, I.A. An extension of the domain of influence theorem for generalized thermoelasticity of anisotropic material with voids. J. Comput. Theor. Nanosci. 2015, 12, 1594–1598. [Google Scholar] [CrossRef]
- Othman, M.I.A.; Said, S.; Marin, M. A novel model of plane waves of two-temperature fiber-reinforced thermoelastic medium under the effect of gravity with three-phase-lag model. Int. J. Numer. Methods Heat Fluid Flow 2019, 29, 4788–4806. [Google Scholar] [CrossRef]
- Salgado, R.; Brameller, A.; Aitchison, P. Optimal power flow solutions using the gradient projection method. Part 1. Theoretical basis. IEE Proc. C Gener. Transm. Distrib. 1990, 137, 424–428. [Google Scholar] [CrossRef]
- Tinney, W.F.; Member, S.; Hart, C.E. Power Flow Solution by Newton’s Method. Proc. IEEE 1967, 86, 1459–1467. [Google Scholar] [CrossRef]
- Olofsson, M.; Andersson, G.; Söder, L. Linear programming based optimal power flow using second order sensitivities. IEEE Trans. Power Syst. 1995, 10, 1691–1697. [Google Scholar] [CrossRef]
- Momoh, J.A. A Review of Selected Optimal Power Ftow Literature to 1993 Part I: Non Linear and Quadratic Programming Approaches. IEEE Trans. Power Syst. 1999, 14, 96–104. [Google Scholar] [CrossRef]
- Hazra, J.; Sinha, A.K. A multi-objective optimal power flow using particle swarm optimization. Eur. Trans. Electr. Power 2011, 21, 1028–1045. [Google Scholar] [CrossRef]
- Nadimi-Shahraki, M.H.; Taghian, S.; Mirjalili, S.; Abualigah, L.; Abdelaziz, M.; Oliva, D. EWOA-OPF: Effective Whale Optimization Algorithm to Solve Optimal Power Flow Problem. Electronics 2021, 10, 2975. [Google Scholar] [CrossRef]
- Islam, M.Z.; Othman, M.L.; Wahab, N.I.A.; Veerasamy, V.; Opu, S.R.; Inbamani, A.; Annamalai, V. Marine predators algorithm for solving single-objective optimal power flow. PLoS ONE 2021, 16, e0256050. [Google Scholar] [CrossRef] [PubMed]
- Kamel, S.; Ebeed, M.; Jurado, F. An improved version of salp swarm algorithm for solving optimal power flow problem. Soft Comput. 2021, 25, 4027–4052. [Google Scholar]
- Khunkitti, S.; Siritaratiwat, A.; Premrudeepreechacharn, S. Multi-objective optimal power flow problems based on slime mould algorithm. Sustainability 2021, 13, 7448. [Google Scholar] [CrossRef]
- Taher, M.A.; Kamel, S.; Jurado, F.; Ebeed, M. Modified grasshopper optimization framework for optimal power flow solution. Electr. Eng. 2019, 101, 121–148. [Google Scholar] [CrossRef]
- Mahdad, B.; Srairi, K. Security constrained optimal power flow solution using new adaptive partitioning flower pollination algorithm. Appl. Soft. Comput. 2016, 46, 501–522. [Google Scholar] [CrossRef]
- Devarapalli, R.; Rao, V.B.; Dey, B.; Kumar, K.V.; Malik, H.; Marquez, F.P.G. An approach to solve OPF problems using a novel hybrid whale and sine cosine optimization algorithm. J. Intell. Fuzzy Syst. 2021, 42, 957–967. [Google Scholar] [CrossRef]
- Khan, A.; Hizam, H.; Abdul-Wahab, N.I.; Othman, M.L. Solution of optimal power flow using non-dominated sorting multi objective based hybrid firefly and particle swarm optimization algorithm. Energies 2020, 13, 4265. [Google Scholar] [CrossRef]
- Taher, M.A.; Kamel, S.; Jurado, F.; Ebeed, M. An improved moth-flame optimization algorithm for solving optimal power flow problem. Int. Trans. Electr. Energy Syst. 2019, 29, e2743. [Google Scholar] [CrossRef]
- Prasad, D.; Mukherjee, A.; Mukherjee, V. Temperature dependent optimal power flow using chaotic whale optimization algorithm. Expert Syst. 2021, 38, e12685. [Google Scholar] [CrossRef]
- Karimulla, S.; Ravi, K. Solving multi objective power flow problem using enhanced sine cosine algorithm. Ain Shams Eng. J. 2021, 12, 3803–3817. [Google Scholar] [CrossRef]
- Faramarzi, A.; Heidarinejad, M.; Stephens, B.; Mirjalili, S. Equilibrium optimizer: A novel optimization algorithm. Knowledge-Based Syst. 2020, 191, 105190. [Google Scholar] [CrossRef]
- Dinh, P. Multi-modal medical image fusion based on equilibrium optimizer algorithm and local energy functions. Appl. Intell. 2021, 51, 8416–8431. [Google Scholar] [CrossRef]
- Salem, W.; Gabr, W.I. Equilibrium optimizer based multi dimensions operation of hybrid AC/DC grids. Alex. Eng. J. 2020, 59, 4787–4803. [Google Scholar]
- Elsheikh, A.H.; Shehabeldeen, T.A.; Zhou, J.; Showaib, E.; Abd-Elaziz, M. Prediction of laser cutting parameters for polymethylmethacrylate sheets using random vector functional link network integrated with equilibrium optimizer. J. Intell. Manuf. 2020, 32, 1377–1388. [Google Scholar] [CrossRef]
- Liu, L.; Sun, S.Z.; Yu, H.; Zhang, D. A modified Fuzzy C-Means (FCM) Clustering algorithm and its application on carbonate fluid identification. J. Appl. Geophys. 2016, 129, 28–35. [Google Scholar] [CrossRef]
- Tanyildizi, E.; Demir, G. Golden sine algorithm: A novel math-inspired algorithm. Adv. Electr. Comput. Eng. 2017, 17, 71–78. [Google Scholar] [CrossRef]
- Mirjalili, S.; Mirjalili, S.M.; Lewis, A. Grey wolf optimizer. Adv. Eng. Softw. 2014, 69, 46–61. [Google Scholar] [CrossRef] [Green Version]
- Mirjalili, S. SCA: A sine cosine algorithm for solving optimization problems. Knowl.-Based Syst. 2016, 96, 120–133. [Google Scholar] [CrossRef]
- Khishe, M.; Mosavi, M.R. Chimp optimization algorithm. Expert syst. Appl. 2020, 149, 113338. [Google Scholar] [CrossRef]
- Mirjalili, S.; Gandomi, A.H.; Mirjalili, S.Z.; Saremi, S.; Mirjalili, S.M. Salp Swarm Algorithm: A bio-inspired optimizer for engineering design problems. Adv. Eng. Softw. 2017, 114, 163–191. [Google Scholar] [CrossRef]
- Zervoudakis, K.; Tsafarakis, S. A mayfly optimization algorithm. Comput. Ind. Eng. 2020, 145, 106559. [Google Scholar] [CrossRef]
- Li, Y.Y.; Xiang, R.R.; Jiao, L.C.; Liu, R.C. An improved cooperative quantum-behaved particle swarm optimization. Soft Comput. 2012, 16, 1061–1069. [Google Scholar] [CrossRef]
- Liu, J.Y.; Wei, X.X.; Huang, H.J. An improved grey wolf optimization algorithm and its application in path planning. IEEE Access 2021, 9, 121944–121956. [Google Scholar] [CrossRef]
- Mirjalili, S.; Lewis, A. The whale optimization algorithm. Adv. Eng. Softw. 2016, 95, 51–67. [Google Scholar] [CrossRef]
- Gupta, S.; Deep, K.; Mirjalili, S. An efficient equilibrium optimizer with mutation strategy for numerical optimization. Appl. Soft Comput. 2020, 96, 106542. [Google Scholar] [CrossRef]
- Wunnava, A.; Naik, M.K.; Panda, R.; Jena, B.; Abraham, A. A novel interdependence based multilevel thresholding technique using adaptive equilibrium optimizer. Eng. Appl. Artif. Intell. 2020, 94, 103836. [Google Scholar] [CrossRef]
- Dinkar, S.K.; Deep, K.; Mirjalili, S.; Thapliyal, S. Opposition-based Laplacian Equilibrium Optimizer with application in Image Segmentation using Multilevel Thresholding. Expert Syst. Appl. 2021, 174, 114766. [Google Scholar] [CrossRef]
- Jia, H.; Peng, X. High equilibrium optimizer for global optimization. J. Intell. Fuzzy Syst. 2021, 40, 5583–5594. [Google Scholar] [CrossRef]
- Derrac, J.; García, S.; Molina, D.; Herrera, F. A practical tutorial on the use of nonparametric statistical tests as a methodology for comparing evolutionary and swarm intelligence algorithms. Swarm Evol. Comput. 2011, 1, 3–18. [Google Scholar] [CrossRef]
- Tejani, G.G.; Savsani, V.J.; Patel, V.K.; Mirjalili, S. Truss optimization with natural frequency bounds using improved symbiotic organisms search. Knowl.-Based Syst. 2018, 143, 162–178. [Google Scholar] [CrossRef] [Green Version]
- Attia, A.F.; El-Sehiemy, R.A.; Hasanien, H.M. Optimal power flow solution in power systems using a novel Sine-Cosine algorithm. Int. J. Electr. Power Energy Syst. 2018, 99, 331–343. [Google Scholar] [CrossRef]
- Diab, H.; Abdelsalam, M.; Abdelbary, A. A Multi-Objective Optimal Power Flow Control of Electrical Transmission Networks Using Intelligent Meta-Heuristic Optimization Techniques. Sustainability 2021, 13, 4979. [Google Scholar] [CrossRef]
- Niknam, T.; Narimani, M.R.; Aghaei, J.; Azizipanah-Abarghooee, R. Improved particle swarm optimisation for multi-objective optimal power flow considering the cost, loss, emission and voltage stability index. IET Gener. Transm. Distrib. 2012, 6, 515. [Google Scholar] [CrossRef]
- Islam, M.Z.; Wahab, N.I.A.; Veerasamy, V.; Hizam, H.; Mailah, N.F.; Guerrero, J.M.; Mohd-Nasir, M.N. A Harris Hawks optimization based single-and multi-objective optimal power flow considering environmental emission. Sustainability 2020, 12, 5248. [Google Scholar] [CrossRef]
- Bouchekara, H. Optimal power flow using black-hole-based optimization approach. Appl. Soft Comput. 2014, 24, 879–888. [Google Scholar] [CrossRef]
- Sivasubramani, S.; Swarup, K.S. Multi-objective harmony search algorithm for optimal power flow problem. Int. J. Electr. Power Energy Syst. 2011, 33, 745–752. [Google Scholar] [CrossRef]
- El-Fergany, A.A.; Hasanien, H.M. Single and multi-objective optimal power flow using grey wolf optimizer and differential evolution algorithms. Electr. Power Compon. Syst. 2015, 43, 1548–1559. [Google Scholar] [CrossRef]
- Reddy, S.S.; Bijwe, P.R.; Abhyankar, A.R. Faster evolutionary algorithm based optimal power flow using incremental variables. Int. J. Electr. Power Energy Syst. 2014, 54, 198–210. [Google Scholar] [CrossRef]
- Berrouk, F.; Bouchekara, H.R.E.H.; Chaib, A.E.; Abido, M.A.; Bounaya, K.; Javaid, M.S. A new multi-objective Jaya algorithm for solving the optimal power flow problem. J. Electr. Syst. 2018, 14, 165–181. [Google Scholar]
- Bouchekara, H.; Abido, M.A.; Boucherma, M. Optimal power flow using teaching-learning-based optimization technique. Electr. Power Syst. Res. 2014, 114, 49–59. [Google Scholar] [CrossRef]
- Daqaq, F.; Ouassaid, M.; Ellaia, R. A new meta-heuristic programming for multi-objective optimal power flow. Electr. Eng. 2021, 103, 1217–1237. [Google Scholar] [CrossRef]




| Fun No. | Name | Dim | Range | Optimal Value |
|---|---|---|---|---|
| F1 | Sphere | 30/100/500 | [−100, 100] | 0 |
| F2 | shwefel.2.22 | 30/100/500 | [−10, 10] | 0 |
| F3 | Schwefel.1.2 | 30/100/500 | [−100, 100] | 0 |
| F4 | Schwefel.2.21 | 30/100/500 | [−100, 100] | 0 |
| F5 | Step | 30/100/500 | [−100, 100] | 0 |
| F6 | Quartic | 30/100/500 | [−1.28, 1.28] | 0 |
| F7 | Schwefel2.26 | 30/100/500 | [−500, 500] | −418.9829 × dim |
| F8 | Rastrigin | 30/100/500 | [−5.12, 5.12] | 0 |
| F9 | Ackley | 30/100/500 | [−32, 32] | 0 |
| F10 | Criewank | 30/100/500 | [−600, 600] | 0 |
| F11 | Penalized 1 | 30/100/500 | [−50, 50] | 0 |
| F12 | Apline | 30/100/500 | [−10, 10] | 0 |
| F13 | Kowalik | 4 | [−5, 5] | 0.0003 |
| F14 | Sheke_1 | 4 | [0, 10] | −10.1532 |
| F15 | Sheke_2 | 4 | [0, 10] | −10.4028 |
| F16 | Shekel_3 | 4 | [0, 10] | −10.5363 |
| Algorithm | Parameter |
|---|---|
| SCA [30] | M = 2; |
| ChOA [31] | fmax = 2.5, fmin = 0; |
| SSA [32] | / |
| MA [33] | G = 0.8, gdamp = 1, a1 = 1, a2 = 1.5, a3 = 1.5, dance = 5; |
| PSO [34] | vmax = 6, vmin = −6, wmax = 0.9, wmin = 0.6, c1 = c2 = 2; |
| GWO [35] | amax = 2, amin = 0; |
| WOA [36] | amax = 2, amin = 0, b = 1; |
| EO [23] | a1 = 2, a2 = 1, GP = 0.5; |
| IEO | a1 = 2, a2 = 1; |
| Algorithm | Algorithm Description |
|---|---|
| SCA | Sine–Cosine Algorithm |
| ChOA | Chimp Optimization Algorithm |
| SSA | Salp Swarm Algorithm |
| MA | Mayfly Algorithm |
| PSO | particle swarm optimization |
| GWO | Gray Wolf Optimization Algorithm |
| WOA | Whale Optimization Algorithm |
| AOA | Arithmetic Optimization Algorithm |
| EO | Equilibrium Optimizer |
| m-EO | Modified Equilibrium Optimizer |
| AEO | Adaptive Equilibrium Optimizer |
| OB-L-EO | Opposition-Based Laplacian Equilibrium Optimizer |
| HEO | High Equilibrium Optimizer |
| MPA | Marine Predator Algorithm |
| SMA | Slime Mould Algorithm |
| MSCA | Modified Sine–Cosine Algorithm |
| GOA | Grasshopper Optimization Algorithm |
| MVO | Multi-Verse Optimization |
| IPSO | Improved Particle Swarm Optimization |
| HHO | Harris Hawks Optimization |
| BHBO | Black-Hole-Based Optimization |
| MOHS | Multi-Objective Harmony Search Algorithm |
| DE | Differential Evolution |
| FEA | Faster Evolutionary Algorithm |
| MOJA | Multi-Objective Jaye Algorithm |
| TLBO | Teaching–Learning-Based Optimization |
| MOBSA | Multi-Objective Backtracking Search Algorithm |
| Fun No. | Index | SCA | ChOA | SSA | MA | PSO | GWO | WOA | EO | IEO |
|---|---|---|---|---|---|---|---|---|---|---|
| F1 | Mean | 2.46 × 101 | 4.71 × 10−6 | 2.23 × 10−7 | 1.67 × 10−5 | 2.66 | 2.65 × 10−27 | 3.36 × 10−72 | 4.09 × 10−41 | 0 |
| Std | 6.76 × 101 | 7.25 × 10−6 | 4.00 × 10−7 | 4.73 × 10−5 | 1.21 | 4.47 × 10−27 | 1.81 × 10−71 | 7.73 × 10−41 | 0 | |
| F2 | Mean | 1.83 × 10−2 | 3.28 × 10−5 | 2.06 | 6.85 × 10−4 | 4.44 | 1.23 × 10−16 | 4.82 × 10−52 | 6.04 × 10−24 | 0 |
| Std | 2.25 × 10−2 | 4.14 × 10−5 | 1.54 | 1.73 × 10−3 | 1.25 | 9.51 × 10−17 | 1.24 × 10−51 | 7.21 × 10−24 | 0 | |
| F3 | Mean | 1.02 × 104 | 1.96 × 102 | 1.45 × 103 | 5.53 × 103 | 2.00 × 102 | 1.05 × 10−5 | 4.33 × 104 | 8.54 × 10−9 | 0 |
| Std | 6.28 × 103 | 4.00 × 102 | 8.12 × 102 | 1.30 × 102 | 6.03 × 101 | 2.32 × 10−5 | 1.73 × 104 | 3.64 × 10−8 | 0 | |
| F4 | Mean | 3.54 × 101 | 3.06 × 10−1 | 9.72 | 4.51 × 101 | 2.02 | 7.53 × 10−7 | 4.36 × 101 | 1.23 × 10−10 | 0 |
| Std | 1.24 × 101 | 2.45 × 10−1 | 2.18 | 2.21 × 10−1 | 2.50 × 10−1 | 7.96 × 10−7 | 2.83 × 101 | 1.34 × 10−10 | 0 | |
| F5 | Mean | 1.43 × 101 | 3.70 | 1.74 × 10−6 | 1.19 × 10−5 | 2.53 | 8.01 × 10−1 | 4.07 × 10−1 | 8.97 × 10−6 | 5.48 × 10−7 |
| Std | 1.31 × 101 | 4.38 × 10−1 | 2.18 × 10−6 | 2.22 × 10−5 | 1.00 | 3.76 × 10−1 | 2.14 × 10−1 | 6.48 × 10−6 | 1.12 × 10−6 | |
| F6 | Mean | 7.04 × 10−2 | 2.73 × 10−3 | 1.72 × 10−1 | 2.54 × 10−2 | 1.60 × 101 | 1.91 × 10−3 | 3.27 × 10−3 | 1.34 × 10−3 | 1.02 × 10−5 |
| Std | 7.33 × 10−2 | 1.97 × 10−3 | 8.20 × 10−2 | 8.93 × 103 | 1.50 × 101 | 1.02 × 10−3 | 4.12 × 10−3 | 8.36 × 10−4 | 1.26 × 10−5 | |
| F7 | Mean | −3.72 × 103 | −5.71 × 103 | −7.53 × 103 | −9.87 × 103 | −6.59 × 10−3 | −6.13 × 103 | −1.06 × 104 | −8.84 × 103 | −1.24 × 104 |
| Std | 2.96 × 102 | 6.18 × 102 | 6.39 × 102 | 4.99 × 102 | 1.26 × 103 | 8.72 × 102 | 1.92 × 103 | 7.10 × 102 | 2.82 × 102 | |
| F8 | Mean | 4.65 × 101 | 1.17 × 101 | 5.69 × 101 | 5.13 × 101 | 1.68 × 102 | 3.45 | 3.79 × 10−15 | 1.89 × 10−15 | 0 |
| Std | 4.79 × 101 | 1.19 × 101 | 1.71 × 101 | 2.06 × 101 | 3.24 × 101 | 3.51 | 1.44 × 10−14 | 1.03 × 10−14 | 0 | |
| F9 | Mean | 1.69 × 101 | 2.00 × 101 | 2.85 | 1.73 | 2.57 | 1.04 × 10−13 | 4.44 × 10−15 | 8.59 × 10−15 | 8.88 × 10−16 |
| Std | 7.33 | 3.15 × 10−2 | 8.67 × 10−1 | 5.35 × 10−1 | 5.33 × 10−1 | 1.58 × 10−14 | 2.29 × 10−15 | 2.30 × 10−15 | 0 | |
| F10 | Mean | 1.08 | 2.05 × 10−2 | 1.93 × 10−2 | 2.49 × 10−2 | 1.24 × 10−1 | 9.72 × 10−4 | 1.32 × 10−2 | 3.29 × 10−4 | 0 |
| Std | 5.57 × 10−1 | 3.45 × 10−2 | 1.38 × 10−2 | 2.98 × 10−2 | 4.65 × 10−2 | 3.83 × 10−3 | 4.25 × 10−2 | 1.80 × 10−3 | 0 | |
| F11 | Mean | 1.44 × 104 | 4.69 × 10−1 | 7.16 | 5.20 × 10−1 | 4.04 × 10−2 | 4.89 × 10−2 | 2.27 × 10−2 | 4.60 × 10−7 | 2.35 × 10−8 |
| Std | 5.90 × 104 | 1.82 × 10−1 | 3.72 | 7.08 × 10−1 | 2.44 × 10−2 | 2.56 × 10−2 | 1.45 × 10−2 | 3.58 × 10−7 | 2.65 × 10−8 | |
| F12 | Mean | 1.54 | 4.06 × 10−3 | 4.07 | 2.19 × 10−4 | 6.01 | 7.29 × 10−4 | 2.16 × 10−39 | 2.73 × 10−24 | 0 |
| Std | 3.19 | 1.24 × 10−2 | 2.22 | 4.02 × 10−4 | 2.90 | 7.62 × 10−4 | 1.18 × 10−38 | 4.45 × 10−24 | 0 | |
| F13 | Mean | 9.79 × 10−4 | 9.79 × 10−4 | 1.33 × 10−3 | 3.08 × 10−3 | 8.97 × 10−4 | 9.73 × 10−3 | 6.49 × 10−4 | 2.35 × 10−3 | 3.56 × 10−4 |
| Std | 3.24 × 10−4 | 3.24 × 10−4 | 5.16 × 10−4 | 6.91 × 10−3 | 1.30 × 10−4 | 1.31 × 10−2 | 4.45 × 10−4 | 6.11 × 10−3 | 8.45 × 10−5 | |
| F14 | Mean | −2.6931 | −1.6733 | −7.8901 | −5.9683 | −8.0397 | −9.3935 | −8.2692 | −8.1255 | −10.1532 |
| Std | 1.9152 | 1.6798 | 3.112 | 3.5485 | 2.739 | 2.0068 | 2.7214 | 2.77 | 5.79 × 10−15 | |
| F15 | Mean | −4.0105 | −3.6312 | −9.1095 | −6.6698 | −8.9849 | −10.2252 | −8.2252 | −9.3623 | −10.4028 |
| Std | 1.6975 | 1.9582 | 2.6852 | 3.8057 | 2.9115 | 0.97032 | 3.1739 | 2.4134 | 1.04 × 10−15 | |
| F16 | Mean | −4.7637 | −4.4468 | −8.0623 | −7.8211 | −9.5646 | −9.9948 | −7.1163 | −9.682 | −10.5363 |
| Std | 2.2925 | 1.6923 | 3.3784 | 3.6619 | 2.2428 | 2.0586 | 3.5352 | 2.2541 | 2.06 × 10−15 |
| Fun No. | Dim | m-EO [37] | AEO [38] | OB-L-EO [39] | HEO [40] | IEO | |||||
|---|---|---|---|---|---|---|---|---|---|---|---|
| Mean | Std | Mean | Std | Mean | Std | Mean | Std | Mean | Std | ||
| 30 | 0 | 0 | 1.62 × 10−104 | 7.47 × 10−104 | 6.76 × 10−212 | 0 | 5.60 × 10−196 | 0 | 0 | 0 | |
| F1 | 100 | 1.53 × 10−304 | 0 | 1.47 × 10−97 | 4.93 × 10−97 | 0 | 0 | - | - | 0 | 0 |
| 500 | 0 | 0 | 3.56 × 10−78 | 1.48 × 10−77 | - | - | - | - | 0 | 0 | |
| 30 | 3.93 × 10−167 | 0 | 1.38 × 10−56 | 3.65 × 10−56 | 1.93 × 10−108 | 8.00 × 10−108 | 0 | 2.75 × 10−94 | 0 | 0 | |
| F2 | 100 | 3.09 × 10−161 | 1.58 × 10−160 | 1.99 × 10−52 | 3.36 × 10−52 | 0 | 0 | - | - | 0 | 0 |
| 500 | 1.36 × 10−160 | 5.90 × 10−160 | 3.70 × 10−43 | 9.08 × 10−43 | - | - | - | - | 0 | 0 | |
| 30 | 2.71 × 10−306 | 0 | 4.24 × 10−38 | 2.30 × 10−37 | 6.93 × 10−187 | 0 | 6.44 × 10−198 | 3.09 × 10−106 | 0 | 0 | |
| F3 | 100 | 8.50 × 10−297 | 0 | 4.01 × 10−9 | 1.99 × 10−8 | 0 | 0 | - | - | 0 | 0 |
| 500 | 4.63 × 10−293 | 0 | 2.64 × 102 | 7.78 × 102 | - | - | - | - | 0 | 0 | |
| 30 | 2.31 × 10−159 | 1.17 × 10−158 | 1.94 × 10−46 | 9.14 × 10−46 | 4.73 × 10−103 | 1.60 × 10−102 | 1.22 × 10−96 | 2.02 × 10−95 | 0 | 0 | |
| F4 | 100 | 2.83 × 10−157 | 9.04 × 10−157 | 4.53 × 10−42 | 1.42 × 10−41 | 0 | 0 | - | - | 1.52 × 10−314 | 0 |
| 500 | 1.48 × 10−154 | 7.46 × 10−154 | 5.05 × 10−28 | 2.35 × 10−27 | - | - | - | - | 7.39 × 10−307 | 0 | |
| 30 | 9.23 × 10−5 | 4.18 × 10−5 | 6.45 × 10−6 | 4.98 × 10−6 | 9.09 × 10−5 | 5.98 × 10−5 | 1.11 × 10−3 | 1.34 × 10−3 | 5.48 × 10−7 | 1.12 × 10−6 | |
| F5 | 100 | 5.28 × 10−3 | 4.24 × 10−3 | 3.49 | 7.01 × 10−1 | 1.53 × 10−1 | 2.05 × 10−1 | - | - | 9.17 × 10−4 | 4.50 × 10−4 |
| 500 | 4.92 × 10−2 | 5.50 × 10−2 | 8.99 × 101 | 2.30 × 10−3 | - | - | - | - | 3.46 × 10−3 | 1.91 × 10−3 | |
| 30 | 2.47 × 10−4 | 2.23 × 10−4 | 1.10 × 10−3 | 5.87 × 10−4 | 4.70 × 10−4 | 3.05 × 10−4 | 1.18 × 10−5 | 7.32 × 10−5 | 1.02 × 10−5 | 1.26 × 10−5 | |
| F6 | 100 | 3.47 × 10−4 | 2.50 × 10−4 | 2.30 × 10−3 | 8.46 × 10−4 | 1.47 × 10−4 | 1.22 × 10−4 | - | - | 1.25 × 10−4 | 1.12 × 10−4 |
| 500 | 5.11 × 10−4 | 3.90 × 10−4 | 4.80 × 10−3 | 2.30 × 10−3 | - | - | - | - | 2.02 × 10−4 | 1.66 × 10−4 | |
| 30 | −1.22 × 104 | 1.02 × 103 | −8.91 × 103 | 6.21 × 102 | −9.06 × 103 | 9.28 × 102 | - | - | −1.24 × 104 | 2.82 × 102 | |
| F7 | 100 | −4.19 × 104 | 9.63 | −2.58 × 104 | 1.34 × 103 | −2.85 × 104 | 2.09 × 103 | - | - | −4.19 × 104 | 1.63 |
| 500 | −2.09 × 105 | 1.87 × 102 | −7.62 × 104 | 5.92 × 103 | - | - | - | - | −1.96 × 105 | 1.13 × 102 | |
| 30 | 0 | 0 | 0 | 0 | 0 | 0 | 0 | 0 | 0 | 0 | |
| F8 | 100 | 0 | 0 | 0 | 0 | 0 | 0 | - | - | 0 | 0 |
| 500 | 0 | 0 | 0 | 0 | - | - | - | - | 0 | 0 | |
| 30 | 8.88 × 10−16 | 0 | 5.98 × 10−15 | 1.79 × 10−15 | 8.88 × 10−16 | 4.01 × 10−31 | 8.88 × 10−16 | 0 | 8.88 × 10−16 | 0 | |
| F9 | 100 | 8.88 × 10−16 | 0 | 6.81 × 10−15 | 1.70 × 10−15 | 8.88 × 10−16 | 8.88 × 10−16 | - | - | 8.88 × 10−16 | 0 |
| 500 | 8.88 × 10−16 | 0 | 7.52 × 10−15 | 2.03 × 10−15 | - | - | - | - | 8.88 × 10−16 | 0 | |
| 30 | 0 | 0 | 0 | 0 | 0 | 0 | 0 | 0 | 0 | 0 | |
| F10 | 100 | 0 | 0 | 0 | 0 | 0 | 0 | - | - | 0 | 0 |
| 500 | 0 | 0 | 0 | 0 | - | - | - | - | 0 | 0 | |
| 30 | 6.26 × 10−6 | 3.92 × 10−6 | 5.22 × 10−7 | 5.00 × 10−7 | 6.29 × 10−6 | 4.35 × 10−6 | 1.79 × 10−5 | 5.06 × 10−5 | 2.35 × 10−8 | 2.65 × 10−8 | |
| F11 | 100 | 2.18 × 10−5 | 1.78 × 10−5 | 3.45 × 10−2 | 8.20 × 10−3 | 5.83 × 10−4 | 1.14 × 10−3 | - | - | 8.00 × 10−3 | 3.54 × 10−3 |
| 500 | 1.98 × 10−5 | 2.25 × 10−5 | 6.44 × 10−1 | 3.48 × 10−2 | - | - | - | - | 9.75 × 10−2 | 1.75 × 10−2 | |
| 30 | 1.65 × 10−165 | 0 | - | - | - | - | - | - | 0 | 0 | |
| F12 | 100 | 1.65 × 10−164 | 0 | - | - | - | - | - | - | 0 | 0 |
| 500 | 5.61 × 10−160 | 0 | - | - | - | - | - | - | 0 | 0 | |
| Fun No. | m-EO [37] | AEO [38] | OB-L-EO [39] | HEO [40] | IEO | |||||
|---|---|---|---|---|---|---|---|---|---|---|
| Mean | Std | Mean | Std | Mean | Std | Mean | Std | Mean | Std | |
| F13 | 1.55 × 10−1 | 4.93 × 10−1 | 1.10 × 10−2 | 3.70 × 10−3 | 4.61 × 10−4 | 3.47 × 10−4 | 1.02 | 3.87 | 3.56 × 10−4 | 8.45 × 10−5 |
| F14 | −9.33 | 2.23 | −8.45 | 2.44 | −1.02 × 101 | 9.12 × 10−6 | - | - | −1.02 × 101 | 5.79 × 10−15 |
| F15 | −1.01 × 101 | 1.35 | −9.47 | 2.13 | −1.04 × 101 | 7.99 × 10−6 | - | - | −1.04 × 101 | 1.04 × 10−15 |
| F16 | −1.03 × 101 | 9.87 × 10−1 | −9.82 | 1.87 | −1.02 × 101 | 1.36 | - | - | −1.05 × 101 | 2.06 × 10−15 |
| Fun No. | SCA | ChOA | SSA | MA | PSO | GWO | WOS | EO |
|---|---|---|---|---|---|---|---|---|
| p Value R | p Value R | p Value R | p Value R | p Value R | p Value R | p Value R | p Value R | |
| F1 | 3.31 × 10−20 + | 3.31 × 10−20 + | 3.31 × 10−20 + | 3.31 × 10−20 + | 3.31 × 10−20 + | 3.31 × 10−20 + | 3.31 × 10−20+ | 3.31 × 10−20 + |
| F2 | 3.31 × 10−20 + | 3.31 × 10−20 + | 3.31 × 10−20 + | 3.31 × 10−20 + | 3.31 × 10−20 + | 3.31 × 10−20 + | 3.31 × 10−20 + | 3.31 × 10−20 + |
| F3 | 3.31 × 10−20 + | 3.31 × 10−20 + | 3.31 × 10−20 + | 3.31 × 10−20 + | 3.31 × 10−20 + | 3.31 × 10−20 + | 3.31 × 10−20 + | 3.31 × 10−20 + |
| F4 | 3.31 × 10−20 + | 3.31 × 10−20 + | 3.31 × 10−20 + | 3.31 × 10−20 + | 3.31 × 10−20 + | 3.31 × 10−20 + | 3.31 × 10−20 + | 3.31 × 10−20 + |
| F5 | 7.07 × 10−18 + | 7.07 × 10−18 + | 1.11 × 10−2 + | 3.26 × 10−13 + | 7.07 × 10−18 + | 7.07 × 10−18 + | 7.07 × 10−18 + | 7.49 × 10−16 + |
| F6 | 7.07 × 10−18 + | 8.19 × 10−12 + | 7.07 × 10−18 + | 7.07 × 10−18 + | 7.07 × 10−18 + | 1.01 × 10−17 + | 1.17 × 10−15 + | 1.43 × 10−16 + |
| F7 | 7.07 × 10−18 + | 7.07 × 10−18 + | 7.07 × 10−18 + | 7.07 × 10−18 + | 7.07 × 10−18 + | 7.07 × 10−18 + | 2.44 × 10−11 + | 3.15 × 10−12 + |
| F8 | 3.31 × 10−20 + | 3.31 × 10−20 + | 3.31 × 10−20 + | 3.31 × 10−20 + | 3.31 × 10−20 + | 3.31 × 10−20 + | 6.50 × 10−3 + | 1.23 × 10−2 + |
| F9 | 3.31 × 10−20 + | 3.31 × 10−20 + | 3.31 × 10−20 + | 3.31 × 10−20 + | 3.31 × 10−20 + | 2.85 × 10−20 + | 1.54 × 10−11 + | 1.03 × 10−22 + |
| F10 | 3.31 × 10−20 + | 3.31 × 10−20 + | 3.31 × 10−20 + | 3.31 × 10−20 + | 3.31 × 10−20 + | 6.25 × 10−21 + | 1.80 × 10−3 + | 2.30 × 10−2 + |
| F11 | 7.07 × 10−18 + | 3.21 × 10−17 + | 7.07 × 10−18 + | 7.07 × 10−18 + | 7.07 × 10−18 + | 7.07 × 10−18 + | 7.07 × 10−18 + | 1.60 × 10−16 + |
| F12 | 3.31 × 10−20 + | 3.31 × 10−20 + | 3.31 × 10−20 + | 3.31 × 10−20 + | 3.31 × 10−20 + | 3.31 × 10−20 + | 3.31 × 10−20 + | 3.31 × 10−20 + |
| F13 | 3.23 × 10−17 + | 7.07 × 10−18 + | 2.07 × 10−17 + | 1.26 × 10−6 + | 1.21 × 10−17 + | 6.10 × 10−3 + | 8.59 × 10−12 + | 1.55 × 10−8 + |
| F14 | 3.31 × 10−20 + | 3.31 × 10−20 + | 3.75 × 10−7 + | 3.68 × 10−10 + | 3.31 × 10−20 + | 3.31 × 10−20 + | 3.31 × 10−20 + | 1.89 × 10−20 + |
| F15 | 3.31 × 10−20 + | 3.31 × 10−20 + | 3.69 × 10−6 + | 2.57 × 10−20 + | 1.76 × 10−6 + | 3.31 × 10−20 + | 3.31 × 10−20 + | 4.38 × 10−21 + |
| F16 | 3.31 × 10−20 + | 3.31 × 10−20 + | 3.23 × 10−5 + | 1.32 × 10−20 + | 3.80 × 10−7 + | 3.31 × 10−20 + | 3.31 × 10−20 + | 1.76 × 10−20 + |
| +/=/− | 16/0/0 | 16/0/0 | 16/0/0 | 16/0/0 | 16/0/0 | 16/0/0 | 16/0/0 | 16/0/0 |
| Fun No. | Function type | Function Name | Optimal Value |
|---|---|---|---|
| CEC01 | Unimodal Function | Rotated High Conditioned Elliptic Function | 100 |
| CEC02 | Rotated Bent Cigar Function | 200 | |
| CEC03 | Rotated Discus Function | 300 | |
| CEC04 | Multimodal Function | Shifted and Rotated Rosenbrock’s Function | 400 |
| CEC05 | Shifted and Rotated Ackley’s Function | 500 | |
| CEC06 | Shifted and Rotated Weierstrass Function | 600 | |
| CEC07 | Shifted and Rotated Griewank’s Function | 700 | |
| CEC08 | Shifted Rastrigin’s Function | 800 | |
| CEC09 | Shifted and Rotated Rastrigin’s Function | 900 | |
| CEC10 | Shifted Schwefel’s Function | 1000 | |
| CEC11 | Shifted and Rotated Schwefel’s Function | 1100 | |
| CEC12 | Shifted and Rotated Katsuura Function | 1200 | |
| CEC13 | Shifted and Rotated HappyCat Function | 1300 | |
| CEC14 | Shifted and Rotated HGBat Function | 1400 | |
| CEC15 | Shifted and Rotated Expanded Griewank’s plus Rosenbrock’s Function | 1500 | |
| CEC16 | Shifted and Rotated Expanded Scaffer’s F6 Function | 1600 | |
| CEC17 | Hybrid Function | Hybrid Function 1 (N = 3) | 1700 |
| CEC18 | Hybrid Function 2 (N = 3) | 1800 | |
| CEC19 | Hybrid Function 3 (N = 4) | 1900 | |
| CEC20 | Hybrid Function 4 (N = 4) | 2000 | |
| CEC21 | Hybrid Function 5 (N = 5) | 2100 | |
| CEC22 | Hybrid Function 6 (N = 5) | 2200 | |
| CEC23 | Composition Function | Composition Function 1 (N = 5) | 2300 |
| CEC24 | Composition Function 2 (N = 3) | 2400 | |
| CEC25 | Composition Function 3 (N = 3) | 2500 | |
| CEC26 | Composition Function 4 (N = 5) | 2600 | |
| CEC27 | Composition Function 5 (N = 5) | 2700 | |
| CEC28 | Composition Function 6 (N = 5) | 2800 | |
| CEC29 | Composition Function 7 (N = 3) | 2900 | |
| CEC30 | Composition Function 8 (N = 3) | 3000 |
| Fun No. | Index | SCA | ChOA | SSA | GWO | WOA | AOA | PSO | EO | IEO |
|---|---|---|---|---|---|---|---|---|---|---|
| CEC01 | Mean | 4.193 × 108 | 5.988 × 108 | 2.376 × 107 | 8.936 × 107 | 8.553 × 107 | 1.362 × 109 | 7.423 × 106 | 7.740 × 106 | 5.473 × 106 |
| Std | 1.085 × 108 | 1.080 × 108 | 1.168 × 107 | 6.043 × 107 | 5.417 × 107 | 3.235 × 108 | 3.835 × 106 | 3.691 × 106 | 3.216 × 106 | |
| CEC02 | Mean | 2.651 × 1010 | 4.381 × 1010 | 1.302 × 104 | 2.464 × 109 | 3.427 × 109 | 7.125 × 1010 | 4.245 × 105 | 2.111 × 104 | 2.862 × 103 |
| Std | 4.297 × 109 | 6.867 × 109 | 1.066 × 104 | 2.541 × 109 | 3.135 × 109 | 1.117 × 1010 | 2.267 × 105 | 1.195 × 104 | 5.698 × 103 | |
| CEC03 | Mean | 5.876 × 104 | 8.265 × 104 | 7.365 × 104 | 4.529 × 104 | 4.585 × 104 | 8.101 × 104 | 1.267 × 104 | 8.549 × 103 | 3.657 × 103 |
| Std | 1.192 × 104 | 8.024 × 103 | 1.941 × 104 | 1.216 × 104 | 1.056 × 104 | 8.235 × 103 | 8.234 × 104 | 4.531 × 103 | 2.577 × 103 | |
| CEC04 | Mean | 2.547 × 103 | 3.335 × 103 | 5.315 × 102 | 6.967 × 102 | 6.616 × 102 | 1.226 × 104 | 5.168 × 102 | 5.129 × 102 | 5.074 × 102 |
| Std | 7.605 × 102 | 1.430 × 103 | 4.515 × 101 | 1.216 × 102 | 5.316 × 101 | 3.527 × 103 | 2.935 × 101 | 3.320 × 101 | 2.681 × 101 | |
| CEC05 | Mean | 5.211 × 102 | 5.211 × 102 | 5.201 × 102 | 5.210 × 102 | 5.211 × 102 | 5.209 × 102 | 5.209 × 102 | 5.209 × 102 | 5.207 × 102 |
| Std | 5.832 × 10−2 | 5.332 × 10−2 | 9.926 × 10−2 | 5.761 × 10−2 | 5.325 × 10−2 | 6.787 × 10−2 | 9.917 × 10−2 | 1.260 × 10−1 | 4.640 × 10−2 | |
| CEC06 | Mean | 6.365 × 102 | 6.364 × 102 | 6.232 × 102 | 6.163 × 102 | 6.157 × 102 | 6.392 × 102 | 6.207 × 102 | 6.105 × 102 | 6.098 × 102 |
| Std | 2.705 | 2.021 | 3.635 | 3.113 | 2.646 | 1.982 | 3.647 | 3.226 | 1.081 | |
| CEC07 | Mean | 9.172 × 102 | 1.178 × 103 | 7.021 × 102 | 7.226 × 102 | 7.231 × 102 | 1.352 × 103 | 7.006 × 102 | 7.001 × 102 | 7.000 × 102 |
| Std | 3.107 × 101 | 8.536 × 101 | 1.456 × 10−2 | 1.897 × 101 | 1.949 × 101 | 1.113 × 101 | 1.663 × 10−1 | 1.543 × 10−2 | 1.384 × 10−2 | |
| CEC08 | Mean | 1.073 × 103 | 1.067 × 103 | 9.572 × 102 | 8.878 × 102 | 8.892 × 102 | 1.151 × 103 | 9.242 × 102 | 8.614 × 102 | 8.552 × 102 |
| Std | 2.538 × 101 | 2.213 × 101 | 4.215 × 101 | 2.445 × 101 | 2.088 × 101 | 3.074 × 101 | 2.338 × 101 | 1.554 × 101 | 1.213 × 101 | |
| CEC09 | Mean | 1.205 × 103 | 1.187 × 103 | 1.062 × 103 | 1.005 × 103 | 1.023 × 103 | 1.219 × 103 | 1.045 × 103 | 9.883 × 102 | 9.680 × 102 |
| Std | 2.349 × 101 | 2.147 × 101 | 4.244 × 101 | 2.038 × 101 | 3.805 × 101 | 2.791 × 101 | 2.769 × 101 | 2.784 × 101 | 1.960 × 101 | |
| CEC10 | Mean | 7.670 × 103 | 7.801 × 103 | 4.780 × 103 | 3.595 × 103 | 3.564 × 103 | 7.274 × 103 | 4.258 × 103 | 2.873 × 103 | 2.814 × 103 |
| Std | 4.632 × 102 | 9.379 × 102 | 7.847 × 102 | 7.425 × 102 | 5.144 × 102 | 6.115 × 102 | 4.678 × 102 | 6.086 × 102 | 4.535 × 102 | |
| CEC11 | Mean | 8.682 × 103 | 8.937 × 103 | 5.050 × 103 | 4.265 × 103 | 4.481 × 103 | 7.717 × 103 | 4.505 × 103 | 5.093 × 103 | 4.862 × 103 |
| Std | 3.155 × 102 | 2.901 × 102 | 7.846 × 102 | 6.525 × 102 | 1.219 × 103 | 5.136 × 102 | 5.789 × 102 | 7.821 × 102 | 8.284 × 102 | |
| CEC12 | Mean | 1.203 × 103 | 1.203 × 103 | 1.201 × 103 | 1.202 × 103 | 1.203 × 103 | 1.202 × 103 | 1.202 × 103 | 1.202 × 103 | 1.201 × 103 |
| Std | 3.934 × 10−1 | 4.052 × 10−1 | 4.315 × 10−1 | 1.214 | 1.104 | 4.557 × 10−1 | 6.887 × 10−1 | 3.582 × 10−1 | 3.486 × 10−1 | |
| CEC13 | Mean | 1.304 × 103 | 1.304 × 103 | 1.301 × 103 | 1.301 × 103 | 1.301 × 103 | 1.307 × 103 | 1.301 × 103 | 1.300 × 103 | 1.300 × 103 |
| Std | 2.691 × 10−1 | 5.682 × 10−1 | 1.538 × 10−1 | 3.385 × 10−1 | 5.589 × 10−1 | 9.561 × 10−1 | 1.316 × 10−1 | 9.216 × 10−2 | 7.381 × 10−2 | |
| CEC14 | Mean | 1.474 × 103 | 1.556 × 103 | 1.401 × 103 | 1.407 × 103 | 1.407 × 103 | 1.639 × 103 | 1.401 × 103 | 1.400 × 103 | 1.400 × 103 |
| Std | 1.115 × 101 | 3.481 × 101 | 2.232 × 10−1 | 8.419 | 9.241 | 3.676 × 101 | 1.764 × 10−1 | 1.406 × 10−1 | 1.226 × 10−1 | |
| CEC15 | Mean | 1.854 × 104 | 1.258 × 105 | 1.514 × 103 | 1.799 × 103 | 1.800 × 103 | 2.964 × 105 | 1.515 × 103 | 1.509 × 103 | 1.508 × 103 |
| Std | 1.139 × 104 | 9.523 × 104 | 4.705 | 5.662 × 102 | 7.871 × 102 | 1.126 × 105 | 2.048 | 3.235 | 2.926 | |
| CEC16 | Mean | 1.613 × 103 | 1.613 × 103 | 1.613 × 103 | 1.612 × 103 | 1.612 × 103 | 1.613 × 103 | 1.613 × 103 | 1.612 × 103 | 1.611 × 103 |
| Std | 2.372 × 10−1 | 2.239 × 10−1 | 7.115 × 10−1 | 6.959 × 10−1 | 7.963 × 10−1 | 3.641 × 10−1 | 4.339 × 10−1 | 6.615 × 10−1 | 1.373 × 10−1 | |
| CEC17 | Mean | 1.385 × 107 | 3.290 × 107 | 1.265 × 106 | 2.747 × 106 | 2.720 × 106 | 8.805 × 107 | 6.051 × 105 | 8.126 × 105 | 5.846 × 105 |
| Std | 7.717 × 106 | 1.947 × 107 | 8.693 × 105 | 2.881 × 106 | 2.547 × 106 | 3.984 × 107 | 5.482 × 105 | 8.573 × 105 | 4.147 × 105 | |
| CEC18 | Mean | 3.134 × 108 | 9.120 × 108 | 1.094 × 104 | 2.202 × 107 | 1.692 × 107 | 2.339 × 109 | 4.065 × 103 | 4.932 × 103 | 3.767 × 103 |
| Std | 1.335 × 108 | 9.997 × 108 | 7.508 × 103 | 4.057 × 107 | 2.724 × 107 | 1.625 × 109 | 2.656 × 103 | 3.687 × 103 | 2.333 × 103 | |
| CEC19 | Mean | 2.033 × 103 | 2.163 × 103 | 1.920 × 103 | 1.950 × 103 | 1.970 × 103 | 2.250 × 103 | 1.915 × 103 | 1.912 × 103 | 1.909 × 103 |
| Std | 3.652 × 101 | 1.070 × 102 | 1.780 × 101 | 3.450 × 101 | 4.450 × 101 | 1.155 × 102 | 3.201 | 1.511 × 101 | 2.194 | |
| CEC20 | Mean | 4.452 × 104 | 1.084 × 105 | 3.280 × 104 | 3.057 × 104 | 2.486 × 104 | 2.205 × 105 | 1.761 × 104 | 1.460 × 104 | 1.246 × 104 |
| Std | 2.328 × 104 | 3.923 × 104 | 1.675 × 104 | 1.265 × 104 | 6.620 × 104 | 8.616 × 104 | 6.945 × 103 | 5.620 × 103 | 4.175 × 103 | |
| CEC21 | Mean | 4.066 × 106 | 1.130 × 107 | 4.137 × 105 | 8.915 × 105 | 1.334 × 106 | 2.428 × 107 | 3.351 × 105 | 4.266 × 105 | 3.056 × 105 |
| Std | 2.341 × 106 | 3.245 × 106 | 3.892 × 105 | 2.086 × 106 | 2.125 × 106 | 2.126 × 107 | 2.665 × 105 | 4.378 × 105 | 2.319 × 105 | |
| CEC22 | Mean | 3.260 × 103 | 3.177 × 103 | 2.794 × 103 | 2.673 × 103 | 2.61 × 103 | 4.971 × 103 | 3.045 × 103 | 2.658 × 103 | 2.588 × 103 |
| Std | 2.169 × 102 | 2.647 × 102 | 2.090 × 102 | 2.054 × 102 | 2.762 × 102 | 2.105 × 103 | 2.926 × 102 | 2.045 × 102 | 2.022 × 102 | |
| CEC23 | Mean | 2.716 × 103 | 2.745 × 103 | 2.639 × 103 | 2.641 × 103 | 2.644 × 103 | 2.511 × 103 | 2.614 × 103 | 2.616 × 103 | 2.615 × 103 |
| Std | 1.951 × 101 | 4.447 × 101 | 1.235 × 101 | 1.272 × 101 | 1.045 × 101 | 6.233 × 101 | 4.451 × 10−2 | 4.481 × 10−4 | 7.714 × 10−2 | |
| CEC24 | Mean | 2.611 × 103 | 2.600 × 103 | 2.642 × 103 | 2.600 × 103 | 2.600 × 103 | 2.600 × 103 | 2.624 × 103 | 2.600 × 103 | 2.600 × 103 |
| Std | 1.953 × 101 | 4.626 × 10−2 | 7.915 | 1.347 × 10−2 | 1.094 × 10−2 | 8.515 × 10−2 | 6.836 | 4.430 × 10−3 | 3.170 × 10−3 | |
| CEC25 | Mean | 2.741 × 103 | 2.712 × 103 | 2.719 × 103 | 2.712 × 103 | 2.713 × 103 | 2.700 × 103 | 2.175 × 103 | 2.702 × 103 | 2.700 × 103 |
| Std | 1.191 × 101 | 1.369 × 101 | 6.265 | 4.859 | 5.356 | 0 | 4.658 | 3.651 | 0 | |
| CEC26 | Mean | 2.703 × 103 | 2.796 × 103 | 2.701 × 103 | 2.738 × 103 | 2.741 × 103 | 2.782 × 103 | 2.777 × 103 | 2.737 × 103 | 2.720 × 103 |
| Std | 5.079 × 10−1 | 4.839 × 101 | 1.473 × 10−1 | 5.968 × 101 | 4.956 × 101 | 3.367 × 101 | 4.289 × 101 | 4.885 × 101 | 4.784 × 101 | |
| CEC27 | Mean | 3.864 × 103 | 3.923 × 103 | 3.573 × 103 | 3.377 × 103 | 3.384 × 103 | 3.832 × 103 | 3.560 × 103 | 3.384 × 103 | 3.309 × 103 |
| Std | 2.728 × 102 | 2.002 × 102 | 2.062 × 102 | 1.288 × 102 | 1.498 × 102 | 5.433 × 102 | 2.390 × 102 | 1.113 × 102 | 1.030 × 102 | |
| CEC28 | Mean | 5.593 × 103 | 5.745 × 103 | 4.270 × 103 | 4.190 × 103 | 4.205 × 103 | 4.970 × 103 | 6.778 × 103 | 3.846 × 103 | 3.813 × 103 |
| Std | 4.547 × 102 | 2.475 × 102 | 4.646 × 102 | 4.412 × 102 | 3.744 × 102 | 2.700 × 103 | 8.031 × 102 | 2.422 × 102 | 1.592 × 102 | |
| CEC29 | Mean | 3.026 × 107 | 5.153 × 107 | 4.547 × 106 | 3.430 × 106 | 1.248 × 107 | 3.318 × 108 | 4.657 × 103 | 2.44 × 106 | 1.716 × 106 |
| Std | 1.490 × 107 | 3.314 × 107 | 7.902 × 106 | 7.411 × 106 | 8.591 × 106 | 2.614 × 108 | 1.894 × 103 | 4.13 × 106 | 3.348 × 106 | |
| CEC30 | Mean | 4.652 × 105 | 8.103 × 105 | 3.876 × 104 | 8.482 × 104 | 8.637 × 104 | 5.306 × 106 | 7.785 × 103 | 8.451 × 103 | 7.306 × 103 |
| Std | 1.775 × 105 | 2.142 × 105 | 2.146 × 104 | 5.220 × 104 | 5.851 × 104 | 3.825 × 106 | 3.215 × 103 | 6.567 × 103 | 2.764 × 103 |
| Parameters | Selective Objective | ||
|---|---|---|---|
| FC | APL | VD | |
| Pg1 (MW) | 177.0567 | 51.2493 | 176.3369 |
| Pg2 (MW) | 48.6972 | 80.0000 | 48.9664 |
| Pg3 (MW) | 21.3043 | 50.0000 | 21.6539 |
| Pg4 (MW) | 21.0814 | 35.0000 | 22.0081 |
| Pg5 (MW) | 11.8842 | 30.0000 | 12.2721 |
| Pg6 (MW) | 12.0000 | 40.0000 | 12.0000 |
| V1 (p.u.) | 1.1000 | 1.1000 | 1.0391 |
| V2 (p.u.) | 1.0879 | 1.0976 | 1.0227 |
| V3 (p.u.) | 1.0617 | 1.0799 | 1.0156 |
| V4 (p.u.) | 1.0694 | 1.0869 | 1.0051 |
| V5 (p.u.) | 1.1000 | 1.1000 | 1.0245 |
| V6 (p.u.) | 1.1000 | 1.1000 | 0.9951 |
| T11(6–9) | 1.0447 | 1.0546 | 1.0403 |
| T12(6–10) | 0.9000 | 0.9000 | 0.9000 |
| T15(4–12) | 0.9863 | 0.9841 | 0.9506 |
| T36(28–27) | 0.9657 | 0.9727 | 0.9691 |
| QC1 (MVAR) | 5.0000 | 5.0000 | 4.8490 |
| QC2 (MVAR) | 5.0000 | 5.0000 | 0.3485 |
| QC3 (MVAR) | 5.0000 | 4.9996 | 4.9997 |
| QC4 (MVAR) | 5.0000 | 5.0000 | 0.0048 |
| QC5 (MVAR) | 5.0000 | 4.8218 | 5.0000 |
| QC6 (MVAR) | 5.0000 | 5.0000 | 4.9999 |
| QC7 (MVAR) | 3.8491 | 3.6385 | 5.0000 |
| QC8 (MVAR) | 5.0000 | 5.0000 | 4.9997 |
| QC9 (MVAR) | 2.7434 | 2.5216 | 2.6104 |
| Fuel Cost ($/h) | 799.0680 | 999.9988 | 803.6371 |
| APL (MW) | 8.6245 | 2.8506 | 9.9343 |
| VD | 1.8583 | 2.0489 | 0.0944 |
| Parameter | Fuel Cost (FC) | ||||||||
|---|---|---|---|---|---|---|---|---|---|
| IEO | EO | MPA [13] | SMA [15] | MSCA [43] | GOA [44] | MVO [44] | IPSO [45] | HHO [46] | |
| Pg1 (MW) | 177.0567 | 176.8497 | 177.032 | 176.2134 | 177.401 | - | - | 177.0431 | 176.97 |
| Pg2 (MW) | 48.6972 | 48.9155 | 48.688 | 48.8501 | 48.632 | 48.0194 | 51.189 | 49.209 | 48.88 |
| Pg3 (MW) | 21.3043 | 21.7782 | 21.305 | 21.5222 | 21.2376 | 20.9145 | 21.311 | 21.5135 | 21.42 |
| Pg4 (MW) | 21.0814 | 18.8509 | 21.081 | 22.1311 | 20.8615 | 20.2342 | 21.173 | 22.648 | 22.02 |
| Pg5 (MW) | 11.8842 | 13.8211 | 11.912 | 12.2063 | 11.9385 | 15.726 | 22.699 | 10.4146 | 12.29 |
| Pg6 (MW) | 12.0000 | 12.1079 | 12.004 | 12.0000 | 12 | 13.5828 | 16.587 | 12 | 11.21 |
| V1 (p.u.) | 1.1000 | 1.0998 | 1.100 | 1.0500 | 1.1 | 1.09356 | 1.0813 | 1.05 | - |
| V2 (p.u.) | 1.0879 | 1.0796 | 1.088 | 1.0381 | 1.0867 | 1.040936 | 1.0689 | 1.0462 | - |
| V3 (p.u.) | 1.0617 | 1.0345 | 1.062 | 1.0110 | 1.0604 | 0.969193 | 1.0406 | 1.0459 | - |
| V4 (p.u.) | 1.0694 | 1.0452 | 1.069 | 1.0194 | 1.0923 | 0.987262 | 1.0442 | 1.0417 | - |
| V5 (p.u.) | 1.1000 | 1.0996 | 1.100 | 1.1000 | 1.1 | 1.029317 | 1.0748 | 0.9523 | - |
| V6 (p.u.) | 1.1000 | 1.0955 | 1.100 | 1.0999 | 1.1 | 1.001084 | 1.0111 | 1.05 | - |
| T11(6–9) | 1.0447 | 0.9940 | 1.045 | 0.9973 | 1.0439 | 1.066983 | 1.0525 | 1.01 | - |
| T12(6–10) | 0.9000 | 0.9136 | 0.900 | 0.9000 | 0.9144 | 1.084914 | 0.9602 | 0.98 | - |
| T15(4–12) | 0.9863 | 0.9619 | 0.987 | 1.0157 | 1.03 | 0.910429 | 0.9486 | 1.01 | - |
| T36(28–27) | 0.9657 | 0.9325 | 0.967 | 0.9403 | 0.9913 | 0.973125 | 0.9852 | 1.02 | - |
| QC1 (MVAR) | 5.0000 | 4.6748 | 5.000 | 20.8943 | 0.0246 | 02.2169 | 2.4893 | 27.27 | - |
| QC2 (MVAR) | 5.0000 | 0.3082 | 5.000 | - | 2.56 | 0.5252 | 1.3383 | - | - |
| QC3 (MVAR) | 5.0000 | 0.0725 | 5.000 | - | 4.586 | 4.522 | 1.8017 | - | - |
| QC4 (MVAR) | 5.0000 | 0.6951 | 5.000 | - | 2.4098 | 0.3904 | 0.1313 | - | - |
| QC5 (MVAR) | 5.0000 | 4.6283 | 5.000 | - | 4.6378 | 2.5788 | 3.345 | - | - |
| QC6 (MVAR) | 5.0000 | 1.8789 | 5.000 | - | 0.3635 | 0.7132 | 0.482 | - | - |
| QC7 (MVAR) | 3.8491 | 4.1374 | 3.661 | - | 3.1475 | 2.2812 | 0.9994 | - | - |
| QC8 (MVAR) | 5.0000 | 0.1959 | 5.000 | 20.9865 | 4.8426 | 4.3131 | 3.2872 | 22.43 | - |
| QC9 (MVAR) | 2.7434 | 3.6316 | 2.995 | - | 3.9411 | 1.1918 | 0.0411 | - | - |
| Fuel Cost ($/h) | 799.0680 | 800.3361 | 799.072 | 802.5449 | 799.31 | 809.741 | 810.9011 | 801.97 | 801.829 |
| APL (MW) | 8.6245 | 8.9235 | 8.622 | 9.5232 | 8.7327 | 10.09 | 7.68 | 13.39 | 9.387 |
| VD | 1.8583 | 1.5860 | 1.852 | - | 1.4246 | 0.7165 | 0.3751 | - | - |
| Parameter | Active Power Transmission Loss (APL) | ||||||||
|---|---|---|---|---|---|---|---|---|---|
| IEO | EO | MPA [13] | MSCA [43] | BHBO [47] | MOHS [48] | GWO [49] | DE [49] | FEA [50] | |
| Pg1 (MW) | 51.2493 | 51.5220 | 51.250 | 52.08 | 67.3549 | 66.2759 | 51.81 | 51.82 | 59.3216 |
| Pg2 (MW) | 80.0000 | 80.0000 | 80 | 79.28 | 72.8998 | 79.6413 | 80.00 | 79.99 | 74.8132 |
| Pg3 (MW) | 50.0000 | 50.0000 | 50 | 50.00 | 48.1774 | 46.8835 | 50.00 | 49.99 | 49.8547 |
| Pg4 (MW) | 35.0000 | 35.0000 | 35 | 35.00 | 33.3057 | 34.8880 | 35.00 | 35.00 | 34.9084 |
| Pg5 (MW) | 30.0000 | 30.0000 | 30 | 30.00 | 27.6854 | 29.1213 | 30.00 | 29.98 | 28.1099 |
| Pg6 (MW) | 40.0000 | 39.9702 | 40 | 39.97 | 37.4807 | 30.0558 | 40.00 | 40.00 | 39.7538 |
| V1 (p.u.) | 1.1000 | 1.0520 | 1.100 | 1.10 | 1.0689 | 1.0774 | 1.1000 | 1.0288 | 1.0547 |
| V2 (p.u.) | 1.0976 | 1.0467 | 1.098 | 1.07 | 1.0622 | 1.0638 | 1.0826 | 1.0537 | 1.0418 |
| V3 (p.u.) | 1.0799 | 1.0254 | 1.080 | 1.08 | 1.0426 | 1.0365 | 1.0686 | 0.9782 | 1.0247 |
| V4 (p.u.) | 1.0869 | 1.0334 | 1.087 | 1.10 | 1.0507 | 1.0497 | 0.9656 | 1.0056 | 1.0335 |
| V5 (p.u.) | 1.1000 | 1.0995 | 1.100 | 1.10 | 1.0456 | 1.0955 | 1.0397 | 0.9518 | 1.0229 |
| V6 (p.u.) | 1.1000 | 1.0997 | 1.100 | 1.10 | 1.0689 | 1.0979 | 1.0412 | 0.9642 | 1.0776 |
| T11(6–9) | 1.0546 | 0.9673 | 1.057 | 1.05 | 0.9907 | 0.9965 | 0.9625 | 0.9750 | 1.0125 |
| T12(6–10) | 0.9000 | 0.9063 | 0.900 | 0.95 | 0.9736 | 0.9124 | 0.9250 | 0.9000 | 0.9125 |
| T15(4–12) | 0.9841 | 0.9608 | 0.984 | 1.01 | 1.0144 | 0.9798 | 0.9500 | 0.9375 | 1.0125 |
| T36(28–27) | 0.9727 | 0.9356 | 0.973 | 0.99 | 0.9822 | 0.9499 | 0.9250 | 0.9250 | 1.0125 |
| QC1 (MVAR) | 5.0000 | 4.8758 | 5.000 | 3.15 | 2.8915 | 0.0067 | 1.9463 | 4.9399 | 0.04 |
| QC2 (MVAR) | 5.0000 | 4.9280 | 5.000 | 0.81 | 2.5199 | 0.0019 | 3.2861 | 4.9730 | 0.02 |
| QC3 (MVAR) | 4.9996 | 3.5513 | 4.999 | 4.49 | 3.5486 | 0.0461 | 1.3935 | 4.9169 | 0.05 |
| QC4 (MVAR) | 5.0000 | 5.0000 | 5.000 | 2.40 | 2.0410 | 0.0278 | 2.0929 | 4.9955 | 0.01 |
| QC5 (MVAR) | 4.8218 | 3.3086 | 4.999 | 1.48 | 3.1853 | 0.0468 | 4.4512 | 4.3191 | 0.05 |
| QC6 (MVAR) | 5.0000 | 1.9816 | 5.000 | 4.64 | 2.7309 | 0.0417 | 4.9324 | 4.9790 | 0.00 |
| QC7 (MVAR) | 3.6385 | 0.1478 | 3.713 | 3.17 | 3.1663 | 0.0050 | 5.0000 | 3.2145 | 0.02 |
| QC8 (MVAR) | 5.0000 | 4.9375 | 5.000 | 4.69 | 3.3136 | 0.0208 | 4.8290 | 4.9843 | 0.05 |
| QC9 (MVAR) | 2.5216 | 3.0386 | 2.540 | 1.80 | 1.8528 | 0.0267 | 1.1166 | 2.2067 | 0.02 |
| Fuel Cost ($/h) | 999.9988 | 967.5659 | 999.845 | 965.648 | 932.8176 | 928.5099 | 968.38 | 968.23 | 952.3785 |
| APL (MW) | 2.8506 | 3.0924 | 2.8513 | 2.9334 | 3.5035 | 3.5165 | 3.41 | 3.38 | 3.3541 |
| VD | 2.0489 | 1.5225 | 2.048 | 1.5987 | 0.7993 | - | - | - | - |
| Parameter | Voltage Deviation (VD) | ||||||||
|---|---|---|---|---|---|---|---|---|---|
| IEO | EO | MPA [13] | MSCA [43] | HHO [44] | BHBO [47] | MOJA [51] | TLBO [52] | MOBSA [53] | |
| Pg1 (MW) | 176.3369 | 177.0716 | 175.172 | 112.585 | - | 172.0275 | 89.0808 | 176.7551 | - |
| Pg2 (MW) | 48.9664 | 49.0630 | 48.703 | 79.76 | 56.607 | 48.0936 | 78.6206 | 48.8437 | 47.645 |
| Pg3 (MW) | 21.6539 | 21.9624 | 21.515 | 22.25 | 23.951 | 21.8736 | 49.8306 | 21.5128 | 19.886 |
| Pg4 (MW) | 22.0081 | 21.2153 | 22.328 | 25.09 | 14.786 | 20.8257 | 34.6289 | 21.9212 | 21.265 |
| Pg5 (MW) | 12.2721 | 11.4725 | 12.300 | 29.95 | 17.467 | 20.8257 | 23.9941 | 12.2860 | 13.448 |
| Pg6 (MW) | 12.0000 | 12.4194 | 13.184 | 20.85 | 19.229 | 15.2725 | 12.0077 | 12.0007 | 12.007 |
| V1 (p.u.) | 1.0391 | 1.0404 | 1.035 | 1.01 | 1.0259 | 1.0338 | 1.0248 | 1.0429 | 1.0570 |
| V2 (p.u.) | 1.0227 | 1.0227 | 1.019 | 0.99 | 1.0157 | 1.0170 | 1.0143 | 1.0259 | 1.0339 |
| V3 (p.u.) | 1.0156 | 1.0076 | 1.010 | 1.02 | 1.0076 | 1.0116 | 1.0127 | 1.0148 | 1.0024 |
| V4 (p.u.) | 1.0051 | 1.0038 | 1.010 | 1.05 | 1.0107 | 1.0027 | 1.0071 | 1.0071 | 1.0071 |
| V5 (p.u.) | 1.0245 | 1.0530 | 1.062 | 1.05 | 1.0007 | 1.0435 | 1.0441 | 1.0253 | 0.9500 |
| V6 (p.u.) | 0.9951 | 1.0094 | 0.997 | 0.99 | 1.0068 | 1.0141 | 1.0004 | 0.9876 | 1.0102 |
| T11(6–9) | 1.0403 | 1.0365 | 1.083 | 1.04 | 0.97984 | 1.0236 | 1.0646 | 1.0425 | 0.9663 |
| T12(6–10) | 0.9000 | 0.9050 | 0.909 | 0.95 | 0.96271 | 0.9250 | 0.9010 | 0.9000 | 0.9000 |
| T15(4–12) | 0.9506 | 0.9695 | 0.956 | 0.96 | 1.0038 | 0.9786 | 0.9574 | 0.9376 | 0.9941 |
| T36(28–27) | 0.9691 | 0.9473 | 0.969 | 0.95 | 0.96339 | 0.9633 | 0.9699 | 0.9702 | 0.9750 |
| QC1 (MVAR) | 4.8490 | 3.4111 | 5.000 | 4.75 | 4.9891 | 2.9696 | 4.4080 | 0.0000 | 1.8465 |
| QC2 (MVAR) | 0.3485 | 0.9139 | 0.855 | 4.13 | 4.6581 | 2.3947 | 0.0000 | 0.0000 | 4.9147 |
| QC3 (MVAR) | 4.9997 | 4.7409 | 5.000 | 4.87 | 4.989 | 3.1905 | 4.8290 | 0.0000 | 5.0000 |
| QC4 (MVAR) | 0.0048 | 0.3340 | 2.300 | 3.16 | 4.9891 | 3.0773 | 0.0773 | 0.0000 | 4.8485 |
| QC5 (MVAR) | 5.0000 | 5.0000 | 5.000 | 4.93 | 3.4195 | 4.0279 | 4.9988 | 0.0000 | 5.0000 |
| QC6 (MVAR) | 4.9999 | 3.2971 | 5.000 | 4.91 | 4.9891 | 3.8901 | 4.8611 | 0.0000 | 5.0000 |
| QC7 (MVAR) | 5.0000 | 2.3523 | 5.000 | 5.00 | 4.9891 | 3.7811 | 4.9784 | 0.0000 | 4.3718 |
| QC8 (MVAR) | 4.9997 | 1.2541 | 5.000 | 4.93 | 3.4275 | 3.7777 | 4.9206 | 0.0000 | 5.0000 |
| QC9 (MVAR) | 2.6104 | 0.6831 | 2.722 | 0.39 | 2.9353 | 2.3794 | 2.5858 | 0.0000 | 5.0000 |
| Fuel Cost ($/h) | 803.6371 | 803.3426 | 803.9062 | 8.49.281 | 849.8061 | 804.5975 | 907.2475 | 803.7871 | 803.194 |
| APL (MW) | 9.9343 | 9.9022 | 9.8005 | 7.0828 | 5.79 | 9.5778 | 4.7626 | 9.8641 | - |
| VD | 0.0944 | 0.1323 | 0.0992 | 0.1030 | 0.1494 | 0.1262 | 0.0935 | 0.0945 | 0.1280 |
Publisher’s Note: MDPI stays neutral with regard to jurisdictional claims in published maps and institutional affiliations. |
© 2022 by the authors. Licensee MDPI, Basel, Switzerland. This article is an open access article distributed under the terms and conditions of the Creative Commons Attribution (CC BY) license (https://creativecommons.org/licenses/by/4.0/).
Share and Cite
Lan, Z.; He, Q.; Jiao, H.; Yang, L. An Improved Equilibrium Optimizer for Solving Optimal Power Flow Problem. Sustainability 2022, 14, 4992. https://doi.org/10.3390/su14094992
Lan Z, He Q, Jiao H, Yang L. An Improved Equilibrium Optimizer for Solving Optimal Power Flow Problem. Sustainability. 2022; 14(9):4992. https://doi.org/10.3390/su14094992
Chicago/Turabian StyleLan, Zhouxin, Qing He, Hongzan Jiao, and Liu Yang. 2022. "An Improved Equilibrium Optimizer for Solving Optimal Power Flow Problem" Sustainability 14, no. 9: 4992. https://doi.org/10.3390/su14094992
APA StyleLan, Z., He, Q., Jiao, H., & Yang, L. (2022). An Improved Equilibrium Optimizer for Solving Optimal Power Flow Problem. Sustainability, 14(9), 4992. https://doi.org/10.3390/su14094992

